现浇楼盖混凝土课程设计
- 格式:doc
- 大小:1.63 MB
- 文档页数:14
现浇混泥土楼盖课程设计一、课程目标知识目标:1. 让学生理解现浇混凝土楼盖的基本结构原理,掌握其设计方法和施工技术。
2. 使学生掌握楼盖体系中各类构件的作用,了解其相互关系及对整体结构性能的影响。
3. 帮助学生了解现浇混凝土楼盖的材料性能、施工工艺及质量控制标准。
技能目标:1. 培养学生运用理论知识,进行现浇混凝土楼盖设计计算的能力。
2. 提高学生分析楼盖结构问题,提出合理解决方案的能力。
3. 培养学生运用专业软件进行楼盖结构建模、分析和优化设计的能力。
情感态度价值观目标:1. 培养学生对建筑结构工程的兴趣,激发他们热爱专业、追求卓越的精神。
2. 引导学生关注工程质量、安全及环保等方面的问题,提高他们的社会责任意识。
3. 培养学生团队协作精神,提高沟通协调能力,为未来从事相关工作打下基础。
课程性质:本课程为专业实践课程,旨在帮助学生将理论知识与实际工程相结合,提高解决实际问题的能力。
学生特点:学生已具备一定的建筑结构基础知识,具有较强的学习兴趣和动手能力。
教学要求:结合学生特点,注重理论与实践相结合,充分调动学生的主观能动性,提高他们的创新能力和实践操作能力。
通过本课程的学习,使学生能够达到以上所述课程目标,并为后续课程的学习和未来工作打下坚实基础。
二、教学内容1. 现浇混凝土楼盖结构原理:讲解楼盖体系的基本构成,包括梁、板、柱等构件的作用,分析各构件间的相互关系及对整体结构性能的影响。
2. 现浇混凝土楼盖设计方法:介绍楼盖设计的基本流程,包括荷载计算、内力分析、截面设计和配筋计算等内容,结合教材相关章节进行详细讲解。
3. 现浇混凝土楼盖施工技术:讲解楼盖施工的工艺流程,包括模板制作、钢筋绑扎、混凝土浇筑、养护等环节,强调施工质量控制要点。
4. 材料性能与选择:介绍现浇混凝土楼盖所用材料的性能指标,包括混凝土、钢筋等,分析不同材料对楼盖结构性能的影响。
5. 结构分析与优化设计:运用专业软件进行楼盖结构建模、分析和优化设计,提高学生解决实际工程问题的能力。
混凝土及砌体结构课程设计题目:班别:学号:姓名:指导教师:年月日题目一:钢筋混凝土现浇楼盖设计(任选其一)一、设计目的1、了解肋梁楼盖的荷载传递关系及其计算简图的确定;2、掌握板厚及梁系截面尺寸的确定方法;3、通过板及次梁的计算,掌握按考虑塑性内力重分布分析内力的计算方法;4、通过主梁的计算,掌握按弹性理论分析内力的计算方法,并熟悉内力包络图和材料图的绘制方法;5、掌握板、梁的配筋计算;6、了解并熟悉现浇梁板结构的有关构造要求;7、掌握钢筋混凝土结构施工图的表达方法、制图规定,进一步提高制图的基本技能;8、学会编制钢筋材料表。
二、设计资料某多层厂房,采用钢筋混凝土现浇肋梁楼盖,结构布置示意图如附图所示。
1、结构布置柱网尺寸及楼面活载大小详见“六附图”;2、楼面面层用20mm厚水泥砂浆抹面,容重20KN/m3,板底及梁用15mm厚混合砂浆抹面,容重17KN/m3;3、混凝土强度等级C20,钢筋除梁纵向主筋采用HRB335钢筋外,其余均采用HPB300级钢筋,钢筋混凝土容重25KN/m3。
三、设计内容和要求进行楼盖梁板系统结构设计,并绘制施工图。
要求:提交设计计算书一本(手写),楼盖结构布置图及配筋施工图一份;板和次梁按考虑塑性内力重分布方法计算;主梁按弹性理论计算内力。
1、对设计说明书的要求设计说明书应包括下列内容:(1)板厚及梁系截面尺寸的确定;(2)板、梁计算简图;(3)荷载计算;(4)内力分析及内力组合;(5)配筋计算;(6)构造要求。
2、对图纸的要求楼盖结构施工图应包括下列内容:(1)楼盖结构平面布置图(板的配筋绘于此图上)板、梁、柱均要编号且注明定位尺寸;板的配筋可采用分离式或弯起式,钢筋要编号,同一编号的钢筋至少有一根钢筋要注明直径、间距及截断或弯起位置。
(2)次梁结构布置及配筋图要求绘出次梁立面和足够数量的断面图及配筋图;要求几何尺寸,钢筋编号、型号、直径、间距、弯起和截断位置、搭接长度、锚固长度等标注全面;要求绘制抽出钢筋示意图;可以利用对称性只画一半。
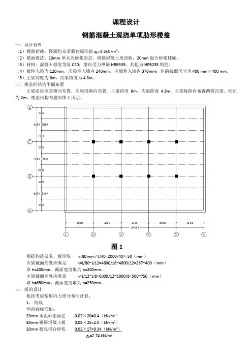
课程设计钢筋混凝土现浇楼盖课程设计计算书目录一.设计任务内容 (1)二.结构计算 (2)1.楼板设计 (4)2.次梁设计 (9)3.主梁设计 (18)三.配筋图施工图 (19)1.楼板配筋施工图 (20)2.梁配筋施工图 (21)一、设计任务内容(一)设计任务二层建筑结构住宅,采用钢筋混凝土框架承重,内外墙为240mm砖墙。
设计时,只考虑竖向荷载作用,采用单、双向板肋梁楼盖,要求完成钢筋混凝土整体现浇楼盖的结构设计。
(二)设计内容1、结构布置确定柱网尺寸,柱截面尺寸见表1,主次梁布置及截面尺寸,并进行编号,绘制楼盖结构布置图。
2、板设计按单、双向板计算内力,并绘制板配筋图。
3、次梁设计按考虑塑性内力重分布的方法计算内力和正截面极限承载力,并绘制配筋图。
4、主梁设计按弹性方法计算主梁内力,绘制主梁的弯距、剪力包络图,根据包络图计算正截面、斜截面的承载力,并绘制主梁的抵抗弯拒图及配筋图。
(三)设计条件1、建筑尺寸(见图1*.dwg)图1 建筑平面布置2、可变荷载(kN/m2)为3 kN/m23、楼面做法:20mm厚水泥砂浆地面,钢筋混凝土现浇板,15mm厚石灰砂浆抹底。
4、荷载:永久荷载,包括梁、柱、板及构造层自重,钢筋混凝土容重25kN/m 3,水泥砂浆容重20kN/m 3,石灰砂浆容重17kN/m 3,分项系数=1.2。
可变荷载,楼面均布荷载标准值见表1。
分项系数=1.3或1.4。
5、材料梁、板混凝土强度等级C30。
主梁、次梁受力钢筋采用HRB335级钢筋,其他均用HPB235级钢筋。
二、结构计算(一)楼板计算1.设计资料(1)活荷载:2/0.3m kN q k = (2)恒荷载:20mm 厚水泥砂浆面层 钢筋混凝土现浇板100mm 15mm 厚石灰砂浆摸底荷载分项系数:2.1=G γ, 1.3Q γ=(3)材料:C30级混凝土,梁受力钢筋HRB335级钢筋,其它为HPB235级钢筋。
2.板的编号:如图2所示。
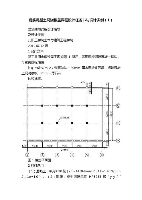
钢筋混凝土现浇楼盖课程设计任务书与设计实例(1)建筑结构课程设计指导及设计实例安阳工学院土木与建筑工程学院2012年12月1 设计资料某工业用仓库楼盖平面如图1所示,采用现浇钢筋混凝土结构,可变荷载标准值k q =6kN/m 2,楼面做法:20mm 厚水泥砂浆面层,钢筋混凝土现浇楼板,20mm 厚石灰砂浆抹底。
图1 楼盖平面图2 材料选用(1)混凝土:采用C30级(c f =14.3N/mm 2,t f =1.43N/mm 2,1α=1.0);(2)钢筋:板中钢筋采用HPB235级(y y f f'==210N/mm 2),梁中纵筋采用HRB400级(y y f f '==360N/mm 2),箍筋采用HPB235级。
3 结构平面布置(见图2)图2 楼盖结构平面布置图4板的计算(按考虑塑性内力重分计算)板厚度按不验算挠度条件应不小于/402150/4054l ==mm ,工业房屋楼面板最小厚度为80mm ,故取板厚h =80mm 。
次梁髙度(1/12~1/18)(1/12~1/18)5500h l ==?=458~306mm ,故取次梁高度h =400mm ,宽度b =200mm 。
(1)荷载计算查《建筑结构荷载规范》GB50009-2001,钢筋混凝土重力密度24-25kN/m 3(本例取25kN/m 3),水泥砂浆重力密度20kN/m 3,石灰砂浆重力密度17kN/m 3。
20mm 厚水泥砂浆面层:4.02002.0=?kN/m 2 80mm 厚钢筋混凝土板:22508.0=?kN/m 2 20mm 厚石灰砂浆抹底:34.01702.0=?kN/m 2 板恒载标准值:k 0.420.34g =++=2.74kN/m2 板活载标准值:k q =6kN/m 2 板荷载设计值:①由可变荷载效应控制的组合63.174.22.1?+?=q =11.088kN/m 2(对标准大于4kN/m 2的工业房屋楼面结构的活荷载分项系数Q γ=1.3)②由永久荷载效应控制的组合67.03.174.235.1??+?=q =9.159kN/m 2故,取荷载设计值为q =11.088kN/m 2(2)计算简图计算跨度(图3)图3 板的计算跨度①边跨(一端与梁整体连接,另一端搁置在墙上)n /22150200/212080/2l t +=--+=1970mmn /2l a <+=1940+60=2000mm故,取l =1970mm②中跨 n 2150200l l ==-=1950mm平均跨2/)19501970(+=l =1960mm (计算B 支座负弯矩用)取1m 板宽为计算单元,计算简图如图4所示。
《钢筋混凝土楼盖结构》课程设计任务书一、 设计目的1. 熟悉混凝土结构设计的过程和方法, 掌握混凝土结构的设计理论.2. 熟悉《建筑结构荷载规范》和《混凝土结构设计规范》.二、 设计资料1. 某4层工业厂房, 轴线尺寸2mm 32000*32000. 楼梯于平面之外. 楼盖采用现浇钢筋混凝土结构, 承重墙体和柱为砖砌体求宽敞, 可设柱. 层高m 9.3. 2. 外围墙体厚mm 240, 砖柱2400*400mm .3. 楼面做法: 水磨石地面.4. 室内粉刷: mm 20石灰砂浆打底, 刷白色涂料二度.5. 室外为浅红色瓷砖墙面.6. 楼面等效均布活荷载标准 26/kN m 建筑平面布置图如下:.按高跨比条件,要地板厚4000/40100h mm ≥=,对于工业建筑的楼板,要求70h mm ≥,取板厚120h mm =。
支承梁1截面高度应满足6400/186400/12355.6533.1812llh ===取截面高度为500mm ,截面宽度为b=250mm.支承梁2截面高度应满足4000/184000/12222333.1812llh ===取截面高度为500mm ,截面宽度为b=250mm.三、板的设计按塑性铰线法设计(假设板厚120mm)(1)、设计荷载板的恒荷载标准值:水磨石地面 17*0.01+20*0.02=0.57kN/m 2 室内粉刷 17*0.020=0.34 kN/m 2 板自重 25*0.120=3 kN/m 2 小计: g=3.91 kN/m 2板的活荷载标准值:q=6 kN/m 2板荷载的设计值:q =1.3*6=7.8 kN/m 2g=1.2*3.91=4.692 kN/m 2设计荷载为 g+q=12.492 kN/m 2 取12.5 kN/m 2(2)、计算跨度内跨: l 01=l c -b=4000-250=3750mm l 02=l c -b=6400-250=6150mm 边跨: l 01=l c -250+120/2=3810mm l 02= l c -250+120/2=6210mm(3)、弯矩计算跨中钢筋在离支座l 1/4外间隔弯起。
建筑课程设计混凝土楼盖一、教学目标本节课的学习目标包括知识目标、技能目标和情感态度价值观目标。
知识目标要求学生掌握混凝土楼盖的基本概念、设计原理和施工技术。
技能目标要求学生能够运用所学知识进行混凝土楼盖的设计和计算,并具备一定的实际操作能力。
情感态度价值观目标要求学生培养对建筑事业的热爱和责任感,提高团队合作意识和创新精神。
通过分析课程性质、学生特点和教学要求,我们将目标分解为具体的学习成果。
首先,学生需要了解混凝土楼盖的基本概念,包括楼盖的类型、功能和构造。
其次,学生需要掌握楼盖的设计原理,包括荷载计算、内力分析和平面布局。
然后,学生需要学习楼盖的施工技术,包括模板工程、钢筋工程和混凝土工程。
最后,学生需要通过实践活动,提高实际操作能力和创新能力。
二、教学内容本节课的教学内容主要包括混凝土楼盖的基本概念、设计原理和施工技术。
首先,我们将介绍楼盖的类型和功能,让学生了解不同类型的楼盖及其适用场景。
其次,我们将讲解楼盖的设计原理,包括荷载计算、内力分析和平面布局。
然后,我们将介绍楼盖的施工技术,包括模板工程、钢筋工程和混凝土工程。
最后,我们将进行实践操作,让学生亲手体验混凝土楼盖的施工过程。
三、教学方法为了激发学生的学习兴趣和主动性,我们将采用多种教学方法。
首先,我们将运用讲授法,系统地讲解混凝土楼盖的基本概念、设计原理和施工技术。
其次,我们将采用讨论法,引导学生进行思考和交流,提高他们的解决问题的能力。
然后,我们将运用案例分析法,分析实际工程案例,让学生更好地理解和应用所学知识。
最后,我们将进行实验法,让学生亲身参与混凝土楼盖的施工过程,提高他们的实际操作能力。
四、教学资源为了支持教学内容和教学方法的实施,我们将选择和准备适当的教学资源。
教材将是主要的教学资源,我们将选用权威、实用的教材,确保学生能够获取准确的知识。
参考书将提供更多的学习资料,帮助学生深入理解混凝土楼盖的相关知识。
多媒体资料将通过图片、视频等形式,丰富学生的学习体验。
课程设计任务书设计题目学生姓名所在院系土木与建筑工程学院专业、年级、班设计要求:砼楼盖课程设计是理论教学结合实际重要的实践环节之一,是学习结构理论课程后进行的一次全面的综合练习。
其目的在于加深对结构计算基本理论和基本知识的理解,提高学生结构设计、解决实际问题的能力。
运用《建筑结构》基本计算理论,结合设计任务书的要求,设计钢筋混凝土楼盖。
从课程设计的目的出发,通过设计工作的各个环节,达到以下教学要求:(1)确定结构尺寸(包括板、主梁、次梁),材料等级,荷载种类及其数值;(2)结构内力分析过程(主梁考虑塑性调幅);(3)CAD绘制结构施工图(板的配筋图、主梁的弯矩包罗图、主次梁的配筋图)。
学生应完成的工作:课程设计内容及要求:(1)设计题目:钢筋混凝土楼盖;(2)主要技术指标和要求:按课程设计任务书的要求,确定结构布置及截面尺寸,荷载及其作用计算,确定配筋量并做构造处理;(3)方案选择及工作原理:设计方案应符合设计任务书的基本要求,在指导教师的安排下做适当难度调整;(4)设计成果的要求:完整计算过程的《课程设计说明书》一份;完整楼盖配筋施工图一套。
参考文献阅读:《混凝土结构》《11-G101标准图集》《建筑结构》胡兴福.高等教育出版社目录1.设计背景 (1)2.设计方案 (2)2.1材料选用 (2)2.2结构平面布置 (2)3.方案实施 (2)3.1板的计算 (2)3.2次梁的计算 (5)3.3主梁的计算 (9)4.结果与结论 (15)5.收获与致谢 (16)6.参考文献 (16)7.附件 (16)1. 设计背景某多层工业厂房,楼盖及屋盖均采用现浇钢筋混凝土结构,厂房的平面布置见图1,其中=6.0m,=6.0m。
楼面可变荷载标准值为q=4.0 kN/m2,要求设计该多层工业厂房k的楼盖。
部分常用材料重力密度见表1。
本设计暂不考虑圈梁设计,构造柱按照需要进行设计。
图1 楼盖平面图表表1 部分常用材料的重力密度材料名称重力密度(kN/m3)备注钢筋混凝土25 本设计可取25kN/m3水泥砂浆20石灰砂浆、混合砂浆172.设计方案2.1材料选用(1)混凝土:采用C30级(=14.3N/mm 2,=1.43N/mm 2,1α=1.0); (2)钢筋:板中钢筋采用HPB235级(y y f f '==210N/mm 2),梁中纵筋采用HRB335级(y y f f '==300N/mm 2),箍筋采用HPB235级。
现浇钢筋混凝土楼盖课程设计任务书学生姓名: 周云慧专业学号:14120337指导教师: 常生福北京交通大学海滨学院土木工程系2016.12钢筋混凝土单向板肋梁楼盖课程设计任务书一、设计题目设计某多层工业建筑(某生产车间)的中间楼面如图所示,其中纵向尺寸5*L y,横向尺寸3*L x;楼盖尺寸由教师指定(根据学号进行分配),采用现浇钢筋混凝土单向板肋梁楼盖(楼盖板顶标高+6.0m,柱基础顶面标高-1.5m)。
图1 楼面平面示意二、设计内容1、结构平面布置图:柱网、主梁、次梁及板的布置2、板的强度计算(按塑性内力重分布计算)3、次梁强度计算(按塑性内力重分布计算)4、主梁强度计算(按弹性理论计算)5、绘制结构施工图(1)结构平面布置图(1:200)(2)板的配筋图(1:50)(3)次梁的配筋图(1:50;1:25)(4)主梁的配筋图(1:40;1:20)及弯矩M、剪力V的包络图(5)钢筋明细表及图纸说明三、设计资料1、L y和L x尺寸(见设计分组表)楼盖平面轴线尺寸示意图如图2所示.图2 楼面平面轴线尺寸2、生产车间的四周外围护墙均为砖墙,墙厚370mm ,采用MU10烧结页岩砖、M5混合砂浆砌筑。
设计采用钢筋混凝土柱,其截面尺寸为350mm ×350mm 。
3、荷载(1)楼面活荷载,单位为2/m kN (见设计分组表) (2)楼面面层:水磨石地面2/65.0m kN(3)楼盖自重:钢筋混凝土自重标准值3/25m kN =γ(4)平顶粉刷:2/25.0m kN 4、材料 (1)混凝土:C30(2)钢筋:主梁及次梁受力筋用HRB400级钢筋,梁箍筋及板内构造筋采用HRB335级钢筋。
5、环境类别:一类 四、设计内容1. 按指导教师给定的分组进行设计,编制设计计算书。
2. 用2号图纸2张或1号图纸1张绘制楼盖结构施工图,包括结构平面布置图,板配筋图,次梁和主梁配筋图(用铅笔图绘制)。
3. 结构平面布置:按指定的分组进行单向板肋梁楼盖布置,各构件按类型编号,主梁建议采用横向布置,梁宜贯通,布置应规整,同类型构件截面应尽可能统一。
混凝土楼盖课程设计一、教学目标本课程的教学目标是让同学掌握混凝土楼盖的基本概念、设计原理和计算方法。
通过本课程的学习,同学们能够理解混凝土楼盖的结构特点,掌握楼盖设计的步骤和技巧,并能够运用相关知识分析和解决实际工程问题。
具体来说,知识目标包括:1.了解混凝土楼盖的定义、分类和结构特点;2.掌握楼盖设计的原理、步骤和计算方法;3.熟悉混凝土楼盖的施工技术和质量控制要点。
技能目标包括:1.能够运用所学知识进行混凝土楼盖的设计和计算;2.能够分析并解决实际工程中遇到的混凝土楼盖问题;3.能够撰写混凝土楼盖设计报告并进行交流。
情感态度价值观目标包括:1.培养同学们对混凝土楼盖工程的兴趣和热情;2.增强同学们对工程安全、质量和美观的意识;3.培养同学们团队协作、创新和持续学习的的精神。
二、教学内容本课程的教学内容主要包括混凝土楼盖的基本概念、设计原理和计算方法。
具体包括以下几个部分:1.混凝土楼盖的定义、分类和结构特点;2.楼盖设计的原理、步骤和计算方法;3.混凝土楼盖的施工技术和质量控制要点;4.实际工程案例分析。
教学大纲安排如下:1.上课1-2周:混凝土楼盖的基本概念和分类;2.上课3-4周:楼盖设计的原理和步骤;3.上课5-6周:混凝土楼盖的计算方法;4.上课7-8周:混凝土楼盖的施工技术和质量控制;5.上课9-10周:实际工程案例分析。
三、教学方法为了提高同学们的学习兴趣和主动性,本课程将采用多种教学方法,包括讲授法、讨论法、案例分析法和实验法等。
1.讲授法:通过讲解混凝土楼盖的基本概念、设计原理和计算方法,使同学们掌握相关知识;2.讨论法:同学们进行小组讨论,分享学习心得和经验,提高同学们的思考和分析能力;3.案例分析法:分析实际工程案例,让同学们了解混凝土楼盖在工程中的应用,提高同学们解决实际问题的能力;4.实验法:同学们进行混凝土楼盖设计的实验,培养同学们的动手能力和实践能力。
四、教学资源为了支持教学内容和教学方法的实施,丰富学生的学习体验,我们将选择和准备以下教学资源:1.教材:《混凝土楼盖设计与施工》;2.参考书:相关论文、规范和工程技术标准;3.多媒体资料:教学PPT、视频和图片等;4.实验设备:计算机、投影仪、实验模型等。
钢筋混凝土现浇楼盖课程设计
一、钢筋混凝土现浇楼盖课程设计
混凝土现浇楼盖是建设工程中非常常见和重要的结构形式,其建筑材料在结构工程、
桥梁工程、桥墩工程等都有着广泛的应用,是今天世界范围内的主要建筑材料之一,其在
当今的建筑行业中占据了很重要的位置。
因此,本课程将重点介绍建筑工程现浇混凝土楼盖的设计要求和安装工艺,总结现浇
楼盖结构抗震性能,讨论钢筋混凝土与钢结构现浇楼盖的优缺点并深入讨论现浇混凝土楼
盖的施工技术。
本课程的内容主要包括:
1. 混凝土楼盖材料的类型:现浇混凝土楼盖使用的建筑材料有:混凝土、钢筋、松土、沥青等,各建筑材料的性能、特点、适用性要点、控制要点等要求、应用和技术要求等。
2. 混凝土楼盖设计要求:设计混凝土楼盖主要分为:结构设计原则、结构设计细节、屋面设计原则、屋面设计细节、预制化结构设计等几个方面,结合地形、地质以及建设地
点的环境工况设计混凝土楼盖结构,针对结构、屋面设计等内容,控制现浇混凝土楼盖施
工工艺等要点。
3. 混凝土楼盖施工技术:施工混凝土楼盖要点主要有:做好前期准备工作、按设计
要求进行准确施工、实施质量控制等方面,施工时要注意防止机械损坏、环境污染,确保
施工过程中安全可靠,确保施工质量。
4. 钢筋混凝土结构的抗震性能:介绍钢筋混凝土结构的抗震组成及原理,分析钢筋
混凝土现浇楼盖结构的抗震性能,以及结构抗震设计和减震技术等内容,此外还要注意钢
筋混凝土结构的安全性能及抗震性能等。
5. 与钢结构现浇楼盖的比较分析:比较两种结构的特点和优缺点,结合现场施工情
况以及建筑需求立场,对钢筋混凝土与钢结构现浇楼盖的组合形式等进行分析,并给出合
理的建议。
《混凝土结构》(楼盖)课程设计任务书一.设计题目现浇钢筋混凝土整体式肋梁楼盖结构二.设计目的1.了解现浇混凝土结构单向板肋梁楼盖、双向板肋梁楼盖的一般设计过程;2.通过单向板肋梁板、次梁的设计计算,掌握考虑塑性内力重分布的计算方法;通过主梁的设计计算,掌握按弹性理论分析内力的方法;3.通过双向板、次梁、主梁的设计计算,掌握按弹性理论分析内力的方法;4.熟悉现浇梁、板的构造要求;5.掌握钢筋混凝土结构施工图的表达方式、制图规范、提高绘图能力;6.学习绘制钢筋材料表。
三.设计内容及要求(一)设计计算说明书的编制依据有关规范、文献,进行结构选型、结构布置、结构设计计算。
主要包括如下内容:1.进行结构选型、柱网布置,主、次梁布置;2.楼板、主梁及次梁截面尺寸的确定;3.混凝土、钢筋强度等级的选择;4.确定连续板、连续次梁及连续主梁的计算单元及计算简图;5.计算永久荷载(恒荷载)及可变荷载(活荷载);6.不同荷载下的连续板、连续次梁及连续主梁的内力计算:单向板:按考虑塑性内重分布的方法计算。
次梁:按考虑塑性内重分布的方法计算。
主梁:按弹性理论方法计算。
双向板及其主、次梁:按弹性理论方法计算。
7.选取板、次梁及主梁控制截面内力,分别进行配筋设计及构造设计,并进行裂缝及变形验算。
(二)绘制结构施工图及钢筋材料表:(1)楼盖结构布置图(楼板、次梁、主梁布置);(2)楼板配筋图及钢筋表;(3)次梁的配筋图及钢筋表;(4)主梁的抵抗弯矩图,配筋图及钢筋表。
(三)完成成果要求:(1)设计计算书一份。
(2)绘制结构施工图一张A1号图纸,包括楼盖结构布置图,楼板配筋图,次梁的配筋图,主梁的抵抗弯矩图,配筋图。
四.设计原始资料1.学生分组及设计参数见表1。
每组3-5人,其他参数由指导教师确定。
2.楼面做法:工业仓库:20-25mm厚水泥砂浆地面;钢筋混凝土现浇楼板;15-20mm厚石灰砂浆抹底。
百货商场、百货商场楼盖:大理石地面,可根据相关图集由学生自己确定构造做法。
课程设计说明书课程名称:现浇楼盖课程设计课程代码:题目:现浇钢筋混凝土单向板肋梁楼盖学院(直属系):土木工程年级/专业/班:学生姓名:学号:指导教师:开题时间:年月日完成时间:年月日目录摘要 (3)引言 (4)任务与分析 (5)现浇钢筋混凝土单向板肋梁楼盖设计 (6)1.设计资料 (6)2.楼盖的结构平面布置 (6)3.板的设计................................................... 错误!未指定书签。
3.1荷载........................................................... 错误!未指定书签。
3。
2计算简图 ...................................................... 错误!未指定书签。
3.3弯矩计算值 ..................................................... 错误!未指定书签。
3。
4正截面受弯承载力计算 .......................................... 错误!未指定书签。
4。
次梁设计............................................................ 错误!未指定书签。
4。
1荷载设计值 .................................................... 错误!未指定书签。
4.2计算简图 ....................................................... 错误!未指定书签。
4.3内力计算 ....................................................... 错误!未指定书签。
4。
4承载力计算 .................................................... 错误!未指定书签。
混凝土结构课程设计现浇钢筋混凝土肋梁楼盖设计任务书一、设计目的1、了解钢筋混凝土结构设计的一般程序和内容;2、进一步理解单向板及双向板肋梁楼盖的荷载传递途径和计算简图;3、掌握塑性及弹性设计方法;4、对于单向板肋梁楼盖:掌握内力包络图及材料图的绘制方法;5、对于双向板肋梁楼盖:掌握内力计算的塑性铰线法;6、掌握现浇钢筋混凝土结构的施工图表达方式及制图规定;7、学会编制钢筋材料表。
二、设计资料某三层仓库,内无侵蚀性介质,采用钢筋混凝土现浇楼盖,结构平面及剖面如图1 所示。
1、尺寸数据见表1;2、屋面及楼面构造做法见图2;3、楼面活荷载见表2;4、材料:板、梁混凝土强度等级为C25,柱为C30。
柱截面尺寸见表2。
5、板钢筋为HRB300 级钢,梁、柱主筋为HRB400 级钢,梁、柱箍筋为HPB300 级钢。
三、设计内容与要求计算书部分:1、选定柱网及梁格布置;2、对于单向板肋梁楼盖:板、次梁按塑性理论计算,主梁按弹性理论计算。
对于双向板肋梁楼盖:板按弹性及塑性理论计算、梁按塑性理论计算。
柱按普通箍筋轴压柱计算。
3、计算书要求字迹工整,步骤清晰完整,准确无误,并装订成册。
图纸部分:对于单向板肋梁楼盖:绘制板、梁布置图及板、次梁配筋图;对于单向板肋梁楼盖:绘制主梁弯矩包络图及配筋图;对于双向板肋梁楼盖:绘制板和梁的配筋图;做全部构件钢筋材料表;四、时间安排课程设计:1周表1 平面尺寸---- 改性沥青防水层___ 20m水泥砂浆找平层____ 炉渣找坡层,最薄处50mm ___ 120m苯板保温层---- 钢筋混凝土板(按设计)___ 20mr混合砂浆天花抹面20m水泥砂浆地面面层钢筋混凝土楼板(按设计)20m混合砂浆天花抹面混凝土结构课程设计现浇钢筋混凝土单向板肋梁楼盖设计指导书一、设计目的通过本课程设计,使学生加深对所学知识的理解和运用。
掌握塑性内力重分布的概念和弯矩调幅法的实质,掌握超静定结构最不利活荷载组合方法,掌握内力包络图及材料图的绘制方法,掌握单向板肋梁楼盖的设计方法,让学生在计算、绘图、应用图表及规范等方面获得必要的训练,并达到一定的熟练程度,是学生基本技能训练的重要实践环节。
某车间现浇楼盖课程设计一、教学目标本课程的教学目标是使学生掌握现浇楼盖的基本概念、施工工艺及质量控制措施,培养学生具备一定的施工现场管理和能力。
具体分解为以下三个维度:1.知识目标:(1)了解现浇楼盖的结构形式及特点;(2)掌握现浇楼盖的施工工艺流程;(3)熟悉现浇楼盖施工中的质量控制要点。
2.技能目标:(1)能够正确识别现浇楼盖施工现场的各种施工工艺;(2)具备对现浇楼盖施工过程进行质量控制的能力;(3)学会编制现浇楼盖施工设计。
3.情感态度价值观目标:(1)培养学生热爱建筑事业,树立正确的职业观念;(2)培养学生团队合作精神,提高沟通协调能力;(3)培养学生遵守法律法规,增强职业道德观念。
二、教学内容本课程的教学内容主要包括以下几个部分:1.现浇楼盖的基本概念:包括现浇楼盖的定义、分类及应用范围;2.现浇楼盖的施工工艺:包括模板工程、钢筋工程、混凝土工程等;3.现浇楼盖的质量控制:包括质量控制的原则、方法和措施;4.现浇楼盖施工现场管理:包括施工设计、施工现场协调与沟通等。
三、教学方法为了提高教学效果,本课程将采用多种教学方法相结合的方式进行授课,包括:1.讲授法:通过教师的讲解,使学生掌握现浇楼盖的基本概念、施工工艺及质量控制措施;2.案例分析法:通过分析实际案例,使学生了解现浇楼盖施工现场的管理和方法;3.实验法:学生参观施工现场,使学生亲身体验现浇楼盖的施工过程;4.讨论法:学生分组讨论,提高学生的沟通协调能力和团队合作精神。
四、教学资源为了支持本课程的教学,我们将准备以下教学资源:1.教材:选用权威、实用的现浇楼盖施工教材作为主要教学资源;2.参考书:提供现浇楼盖施工相关的参考书籍,丰富学生的知识体系;3.多媒体资料:制作现浇楼盖施工的PPT、视频等多媒体资料,提高学生的学习兴趣;4.实验设备:安排学生参观施工现场,使学生亲身体验现浇楼盖的施工过程。
五、教学评估本课程的教学评估将采用多元化评价方式,全面、客观地评价学生的学习成果。
混凝土楼盖课程设计6一、教学目标本节课的教学目标是让学生掌握混凝土楼盖的基本知识、设计和施工技术,培养学生运用理论知识解决实际问题的能力。
具体目标如下:1.知识目标:(1)了解混凝土楼盖的分类、受力特点和设计原则;(2)掌握混凝土楼盖的设计步骤和方法;(3)熟悉混凝土楼盖施工技术及质量控制。
2.技能目标:(1)能够运用所学知识进行混凝土楼盖的设计计算;(2)具备分析和解决混凝土楼盖施工中问题的能力;(3)学会使用相关软件进行混凝土楼盖的设计和模拟。
3.情感态度价值观目标:(1)培养学生对建筑事业的热爱和责任感;(2)增强学生的创新意识和团队合作精神;(3)提高学生关注建筑安全和质量的意识。
二、教学内容本节课的教学内容主要包括以下几个部分:1.混凝土楼盖的分类和受力特点;2.混凝土楼盖设计的基本原则和方法;3.混凝土楼盖施工技术及质量控制;4.混凝土楼盖设计实例分析。
5.导论:介绍混凝土楼盖的概念、分类和应用范围;6.混凝土楼盖的受力分析:讲解楼盖的受力特点及计算方法;7.混凝土楼盖设计:详细介绍设计步骤、原则及方法;8.混凝土楼盖施工技术:讲解施工工艺、质量控制及验收标准;9.实例分析:分析实际工程中的混凝土楼盖设计及施工问题。
三、教学方法为了提高教学效果,本节课将采用以下教学方法:1.讲授法:讲解混凝土楼盖的基本概念、理论和设计方法;2.案例分析法:分析实际工程中的混凝土楼盖设计及施工案例,提高学生的应用能力;3.讨论法:学生就混凝土楼盖的设计和施工问题进行讨论,培养学生的创新思维和团队协作精神;4.实验法:安排学生参观实验室或现场,了解混凝土楼盖的实验方法和设备。
四、教学资源为了支持本节课的教学,将采用以下教学资源:1.教材:选用权威、实用的教材,如《混凝土楼盖设计与施工》;2.参考书:提供相关领域的参考书籍,如《建筑结构设计手册》;3.多媒体资料:制作课件、动画等多媒体资料,帮助学生形象直观地理解混凝土楼盖的设计和施工过程;4.实验设备:安排学生参观实验室,了解混凝土楼盖实验设备及实验方法。
现浇钢筋混凝土楼盖课程设计任务书学生姓名: 周云慧专业学号:14120337指导教师: 常生福北京交通大学海滨学院土木工程系2016.12钢筋混凝土单向板肋梁楼盖课程设计任务书一、设计题目设计某多层工业建筑(某生产车间)的中间楼面如图所示,其中纵向尺寸5*L y,横向尺寸3*L x;楼盖尺寸由教师指定(根据学号进行分配),采用现浇钢筋混凝土单向板肋梁楼盖(楼盖板顶标高+6.0m,柱基础顶面标高-1.5m)。
图1 楼面平面示意二、设计内容1、结构平面布置图:柱网、主梁、次梁及板的布置2、板的强度计算(按塑性内力重分布计算)3、次梁强度计算(按塑性内力重分布计算)4、主梁强度计算(按弹性理论计算)5、绘制结构施工图(1)结构平面布置图(1:200) (2)板的配筋图(1:50)(3)次梁的配筋图(1:50;1:25)(4)主梁的配筋图(1:40;1:20)及弯矩M 、剪力V 的包络图 (5)钢筋明细表及图纸说明 三、设计资料1、L y 和L x 尺寸(见设计分组表)楼盖平面轴线尺寸示意图如图2所示.图2 楼面平面轴线尺寸L y L y L yL y L y L xL xL x2、生产车间的四周外围护墙均为砖墙,墙厚370mm ,采用MU10烧结页岩砖、M5混合砂浆砌筑。
设计采用钢筋混凝土柱,其截面尺寸为350mm ×350mm 。
3、荷载(1)楼面活荷载,单位为2/m kN (见设计分组表) (2)楼面面层:水磨石地面2/65.0m kN(3)楼盖自重:钢筋混凝土自重标准值3/25m kN =γ(4)平顶粉刷:2/25.0m kN 4、材料 (1)混凝土:C30(2)钢筋:主梁及次梁受力筋用HRB400级钢筋,梁箍筋及板内构造筋采用HRB335级钢筋。
5、环境类别:一类 四、设计内容1. 按指导教师给定的分组进行设计,编制设计计算书。
2. 用2号图纸2张或1号图纸1张绘制楼盖结构施工图,包括结构平面布置图,板配筋图,次梁和主梁配筋图(用铅笔图绘制)。
3. 结构平面布置:按指定的分组进行单向板肋梁楼盖布置,各构件按类型编号,主梁建议采用横向布置,梁宜贯通,布置应规整,同类型构件截面应尽可能统一。
4. 板和次梁采用塑性内力重分布方法计算;主梁采用弹性理论计算;五、课程设计分组情况(见分组名单)六、具体要求:计算书要求采用A4纸打印,字迹要求工整,条理清楚,页码齐全,表格规范并编写表格序号,主要计算步骤、计算公式、计算简图均应列入,并尽量利用表格编制计算过程。
绘图采用手绘,图面应整洁,布置应匀称,字体和线型应符合制图标准。
提交全部成果时请自备档案袋,并在档案袋上写明专业、姓名、学号等。
图纸按照标准格式折叠。
七、参考文献:1.《建筑结构荷载规范》(GB 50009-2012)2.《混凝土结构设计规范》(GB50010-2010)3.混凝土结构(第五版)(上、中册),东南大学天津大学同济大学合编4.混凝土结构设计规范》(GB50010-2010)局部修订条文钢筋混凝土单向板肋梁楼盖课程设计计算书一、设计题目设计某多层工业建筑(某生产车间)的中间楼面如图所示,其中纵向尺寸5×Ly ,横向尺寸3×Lx ;楼盖尺寸由教师指定(根据学号进行分配)(采用现浇钢筋混凝土单向板肋梁楼盖)二、设计资料1、Lx=6300, Ly=6900。
2、生产车间的四周外墙均为围墙,其中墙厚370mm ,采用MU10烧结普通砖、M5混合砂浆砌筑。
内设钢筋混凝土柱,其截面尺寸为350mm ×350mm 。
3、荷载(1)楼面活荷载,单位为5.52/m kN (2)楼面面层:水磨石地面0.652/m kN(3)楼盖自重:钢筋混凝土自重标准值γ=253/m kN (4)平顶粉刷:0.252/m kN4、材料(1)混凝土:C30(2)钢筋:主梁及次梁受力筋用HRB400级钢筋,梁箍筋及板内构造筋采用HRB335级钢筋。
5、环境类别:一类三、设计内容1、楼盖的结构平面布置(1)主梁沿横向布置,次梁沿纵向布置。
主梁的跨度x L 为6.3m ,次梁的跨度y L 为6.9m ,主梁每跨内布置两根次梁,板的跨度为2.1m 。
312=o o l l ,因此按单向板设计。
(2)按高跨比条件要求板的厚度h ≥2100/30=70㎜,对工业建筑的楼板,要求h ≥70㎜,所以板厚取h=80㎜。
(3)次梁截面高度应满足h=(1/18 ~ 1/12)×y L =(1/18 ~ 1/12)×6900=383~ 575mm ,取h=500mm ,截面宽b=(1/3 ~ 1/2)h=(1/3 ~ 1/2)×500=167~ 250mm ,取b=200mm 。
(4)主梁截面高度应满足h=(1/15 ~ 1/10 )×x L =(1/15 ~ 1/10)×6300=420~630mm,取h=600mm ,截面宽度b=(1/3 ~ 1/2)h=(1/3 ~ 1/2)×600=200~ 300mm,取b=250mm 。
(5)柱:b ×h =350mm ×350mm(6)楼盖结构平面布置图:见施工图。
2、 板的设计——按考虑塑性内力重分布设计(1)取1m 板宽作为计算单元,则按塑性内力重分布设计,板的计算跨度为:边跨19752/20017521001=-+==n o l l 中间跨190020021002=-==n o l l mm(2)荷载计算 恒荷载标准值水磨石地面:0.65×1=0.65 kN/m² 板的自重:1×25×0.08=2.0 kN/m² 平顶粉刷:0.25×1=0.25 kN/m²小计 2.9 kN/m²活荷载标准值: 5.5×1=5.5kN/m² 因为是工业建筑楼盖且楼面活荷载标准值大于4kN/m²,所以活荷载分项系数取1.3,永久荷载系数为1.2.恒荷载设计值:g=2.9×1.2=3.48kN/m² 活荷载设计值:q=5.5×1.3=7.15kN/m² 荷载设计总值:g+q=10.63kN/m²(3) 弯矩设计值 按等跨连续板计算由资料可查得:板的弯矩系数M α,板的弯矩设计值计算过程见下表板的弯矩设计值的计算 截面位置A 端支座 1 边跨跨中B 离端第二支座 2 中间跨跨中C 中间支座弯矩系数M α -1/161/14-1/111/16-1/14计算跨度o l (m)o l =1.975o l =1.975o l =1.975o l =1.9o l =1.92)(oM l q g M +=α(m kN ⋅)-2.592.96-3.772.40-2.74(4) 配筋计算——正截面受弯承载力计算环境类别一级,板的最小厚度c=15mm ,假定纵向钢筋直径d=10mm 。
板厚80mm ,h 0=80-15-10/2=60mm ,b=1000mm ,C30混凝土 1α=1.0,c f =14.3N/ mm 2,HRB335钢筋,y f =300 N/ mm 2。
板配筋计算过程见表。
板的配筋计算截面位置A 1B 2C 弯矩设计值(m kN ⋅)-2.59 2.96 -3.77 2.40 -2.74 201/bh f M c S αα=20.050 0.057 0.073 0.047 0.053 sα211--=ξ0.0510.059 0.076<0.35 0.048 0.054<0.35 y c S f f bh A 10αξ=143.00168.74217.36137.28154.44实际配筋mm 2Φ6/8@200 A S =168 Φ6/8@200 A S =168 Φ8@200 A S =251Φ6/8@200 A S =168 Φ6/8@200A S =168bhA SA =min ρ%21.0×45.0=≤y t f f ,不满足最小配筋率的要求。
当满足要求时,1680.21%×80×1000min ===ρbh A S mm 2(5)板的配筋图绘制板中除配置计算钢筋外,还应配置构造钢筋如分布钢筋。
板配筋采用分离式,板面钢筋从支座边伸出长度==4n l a 1900/4=475mm 。
板厚80mm ,分布筋采用Φ6@250,与主梁垂直的附加负筋采用Φ8@200伸入板内480mm 。
板的配筋图见施工图。
3、次梁设计——按考虑塑性内力重分布设计(1)则按塑性内力重分布设计,次梁的计算跨度为:边跨67002/2502502/3506900n 1=--+==l l o mm中间跨66502506900n 2=-==l l o mm(2)荷载设计值:恒荷载设计值板传来的荷载:3.48×2.1=7.31kN/m次梁自重: 0.2×(0.5-0.08)×25×1.2=2.52kN/m 次梁粉刷: 2×(0.5-0.08)×0.25×1.2=0.252kN/m小计 g=10.082kN/m活荷载设计值: q=5.5×2.1×1.3=15.015 kN/m 荷载总设计值: q+g=15.015+10.082=25.097kN/m(3)弯矩设计值和剪力设计值的计算按等跨连续梁计算。
由表可分别查得弯矩系数M α和剪力系数V α。
次梁的弯矩设计值和剪力设计值见表:次梁的弯矩设计值的计算截面位置 A 边支座 1 边跨跨中 B 离端第二支座2 中间跨跨中 C 中间支座弯矩系数M α -1/241/14-1/111/16-1/14计算跨度o l (m)o l =6.7o l =6.7o l =6.7o l =6.65o l =6.6520)(l q g M M +=α(kN.m)-48.7183.50-106.2869.37-79.28次梁的剪力设计值的计算截面位置 A 边支座 B(左) 离端第二支座B(右) 离端第二支座C 中间支座 剪力系数V α0.45-0.60.550.55(4)配筋计算①正截面抗弯承载力计算次梁跨中正弯矩按T 形截面进行承载力计算,其翼缘宽度取下面三项的较小值:,f b f =1o l /3=6700/3=2233mm ,f b =b+S n =200+1975=2175mm ,f b =,12f h b +=1160mm故取,f b =1160mm在支座附近的负弯矩区段,板处于受拉区,应按矩形截面计算。