绞车传动装置设计课程设计
- 格式:doc
- 大小:921.67 KB
- 文档页数:21
设计题目:设计绞车传动装置一、课题:设计绞车传动装置二、工作条件和技术要求:1.该传动装置用于矿山卷筒绞车的传动系统中。
2.轿车三班制间断工作,工作时间百分率为40%,机器使用期限为10年。
3.工作中有中等冲击,允许速度误差为5%。
三、参考资料[1] 《机械设计基础》[2] 《机械制图》[3] 《机械设计课程设计》[4] 《机械设计实用手册》目录一、确定传动方案 (1)二、电动机的选择 (2)三、运动和动力参数的设定 (3)四、传动零件的设计和计算 (4)五、轴的设计和计算 (12)六、滚动轴承的选择及设计计算 (20)七、键连接的选择及计算 (22)八、联轴器的选择 (24)九、减速器附件的选择 (24)十、润滑和密封 (25)十一、设计体会 (25)十二、参考资料目录 (26)计算及说明结果传动装置的总体设计:一、确定传动方案合理的传动方案首先要满足机器的功能要求,例如传递功率的大小,转速和运动形式。
此外还要适应工作条件,满足工作可靠、结构简单、尺寸紧凑、传动效率高、工艺性和经济性合理等要求。
根据设计题目给出的轿车传动装置的工作条件和技术要求,矿山卷筒轿车工作条件较为恶劣,故选用二级圆柱齿轮减速器。
此方案适合于繁重及恶劣条件下长期工作,使用维护方便。
传动系统简图如下所示:1、电动机2、4联轴器3、减速器5、绞车卷筒二、 选择电动机工作机效率设为0.98,由《机械设计课程设计》第二版表12-8获取。
传动副的效率:123ηηη===0.98 工作机需输入功率:4.0 1.010004.0810*******.98W w FV P kWη⨯⨯===⨯工作机工作转速:601000601000 1.048/min400v r D ππ⨯⨯⨯===⨯w n传动装置总效率:232123ηηηη⨯⨯232总==0.980.980.98=0.8681 电动机的输出功率:4.084.70k 0.8681wd P P W η=总==其中 W P:主轴的所需功率 η总:电动机至主轴的传动装置的总效率1η:联轴器传动效率 2η:轴承传动效率3η:圆柱齿轮传动效率电动机的额定功率cd p 略大于d p 即可,所以查表选择电动机的额定功率d p 为5.50kW ,型号为Y132S-4,转速n=1440r/min 。
机械设计课程设计说明书设计项目:电动绞车传动装置学号:姓名:专业:机械设计制造及其自动化指导老师:目录㈠电动机的选择 (3)㈡传动装置的总传动比及其分配 (4)㈢计算传动装置的运动和动力参数 (5)㈣齿轮零件的设计计算 (6)⒈开式齿轮传动 (6)⒉高速级齿轮传动 (10)⒊低速级齿轮传动 (15)㈤轴的设计 (19)⒉高速轴的设计 (20)⒉中速轴的设计 (23)⒊低速轴的设计 (27)㈥键的校核 (29)㈦轴承寿命的验算 (31)㈧润滑与密封 (35)㈨设计小结 (36)㈩参考文献 (36)十.设计小结由于临近期末考试,时间紧迫,所以整个设计做得比较快,难免有个别小错误,本次的课程设计,培养了我综合应用机械设计课程及工程图学、理论力学、材料力学、工程材料等课程的理论知识和理论联系实际,应用生产实际知识解决工程实际题目的能力;在设计的过程中还培养出了我们的团队精神,同学们共同协作,解决了很多个人无法解决的题目;在今后的学习过程中我们会更加努力和团结。
但是由于水平有限,难免会有错误,还请老师批评指正,多提宝贵意见。
通过这次的实践,自己不仅巩固了所学的知识,而且在设计过程中,学会了如何快速正确地画图、查手册等等,提高了学习的兴趣,为以后的学习工作提供了很好的经验。
我相信,在以后的设计中,会避免很多不必要的工作,有能力设计出结构更紧凑,传动更稳定精确的设备。
十一.参考文献[1]金清肃,机械设计课程设计(第一版)[M].武汉:华中科技大学出版社,2007.10[2]濮良贵,纪名刚.机械设计(第八版)[M].北京:高等教育出版社,2006.5[3]吴宗泽,机械设计使用手册(第二版).北京:化学工业出版社,2003.10[4]吴宗泽,罗圣国.机械设计课程设计手册(第三版).北京:高等教育出版社,2006.5[5]龚溎义,罗圣国等机械设计课程设计指导书(第二版)[6]高金莲,工程图学(第二版)机械工业出版社北京:高等教育出版社[5]龚溎义,机械设计课程设计图册,(第三版)北京:高等教育出版社。
电动绞车的传动装置(机械课程设计)————————————————————————————————作者:————————————————————————————————日期:南京航空航天大学机械设计课程设计任务书题目:电动绞车的传动装置姓名学号学院专业 08机械工程及其自动化班级指导教师设计完成日期2010 年12 月6 日目录1.设计任务书 (3)2.传动方案的拟定及电动机的选择 (4)3.传动装置的运动和动力参数计算 (6)4.传动零件的设计计算 (7)5.轴的计算 (12)6.键连接的选择和计算 (16)7.滚动轴承的选择和计算 (18)8.联轴器的选择 (20)9.润滑与密封的选择 (21)10.设计小结 (22)11.参考资料 (23)一.机械设计课程设计任务书学生:谭进波学号:050810731 班级:0508107 设计完成日期2010年12月5日任课老师:谢正宇指导老师:郭勤涛设计题目:电动绞车的传动装置传动简图原始数据:参数卷轴筒所需扭矩T(N.m)运输带速度V(m/s)卷筒直径D(mm)数据1500 0.62 400工作条件:轻微振动载荷;双向传动;室外工作。
使用期限:10年;2班制;长期使用。
生产批量:成批。
工作机速度允许误差: +5%设计工作量:1,减速器装配图1张(A0);2,零件工作图两张(A2,减速器输出轴和输出轴上大齿轮)3,设计说明书1份。
二.传动方案的拟定及电动机的选择1.选择电动机类型按工作要求和条件,选择三相笼型异步电动机,封闭式结构,电压380V,Y型。
2.选择电动机容量工作机所需功率P w=T∗w1000,而P d=P wηa,因此 P d=T∗w1000ηa。
由电动机至滚筒的传动总效率为 ηa=η12∗η24∗η32∗η4,式中η1,η2,η3,η4分别是联轴器,轴承,齿轮,滚筒的传动效率。
参照表2-5取η1=0.99,η2=0.99(球轴承),η3= 0.97(8级精度),η4=0.96则ηa=0.96∗0.994∗0.972∗0.992= 0.85所以 P d=T∗w1000ηa=1500∗2∗0.621000∗0.4∗0.85=5.47kw3.确定电动机转速卷筒轴转速n=60∗1000∗vπ∗D=60∗1000∗0.62π∗400=29.6 r/min按表2-5推荐的传动比合理范围,两级齿轮减速器传动比为9~36,,因此电动机转速的可能范围为266.4~1065.6 r/min 。
电动绞车装置课程设计一、教学目标本课程旨在通过电动绞车装置的学习,让学生掌握绞车的基本结构、工作原理和电动机的应用。
在知识目标方面,要求学生了解绞车的历史发展、主要部件及其功能,理解电动机的原理和应用。
技能目标方面,学生应能运用所学知识分析电动绞车的问题,并具备一定的动手能力,进行简单的电动绞车维护和故障排除。
情感态度价值观目标方面,通过学习电动绞车装置,培养学生对科学的热爱,提高其创新意识和实践能力,使其认识到科技对生活的重要性,增强社会责任感。
二、教学内容本课程的教学内容主要包括电动绞车装置的基本概念、结构、工作原理和应用。
首先,介绍电动绞车装置的历史发展,使学生了解其在人类历史中的重要地位。
然后,详细讲解电动绞车装置的各个主要部件,如电动机、传动装置、控制系统等,以及它们的功能和工作原理。
接下来,通过实例分析,使学生掌握电动绞车装置在实际中的应用。
最后,结合实验,培养学生的动手能力,加深对电动绞车装置的理解。
三、教学方法针对电动绞车装置的课程特点和学生需求,本课程将采用多种教学方法相结合的方式进行教学。
包括:讲授法,用于讲解电动绞车装置的基本概念、工作原理等理论知识;讨论法,引导学生针对电动绞车装置的实际问题进行探讨,培养其创新思维;案例分析法,通过分析具体案例,使学生了解电动绞车装置在实际中的应用;实验法,让学生亲自动手进行实验,增强对电动绞车装置的理解。
四、教学资源为保证本课程的顺利进行,将充分利用各种教学资源。
教材方面,选择内容丰富、结构清晰、难易适中的权威教材作为主要教学资料。
参考书方面,推荐学生阅读相关领域的经典著作,以拓宽视野。
多媒体资料方面,制作精美的PPT课件,辅助讲解和展示电动绞车装置的相关知识。
实验设备方面,准备电动绞车装置的实验器材,确保学生能顺利进行实验操作。
此外,还将利用网络资源,如学术期刊、在线课程等,为学生提供更多的学习资料和信息。
五、教学评估本课程的评估方式包括平时表现、作业、考试等几个方面,以全面、客观、公正地评价学生的学习成果。
机械设计课程设计计算说明书题目: 矿用回柱绞车传动装置设计姓名:学院:专业:学号:班级:指导老师:目录一、机械设计课程设计任务书 (3)(1)原始技术数据 (4)(2)设计要求 (4)(3)总体布置简图 (5)二、机械装置的总体方案设计 (5)(1)电动机选择 (6)(2)分配传动比 (7)(3)运动和动力参数计算 (8)三、主要零部件的设计计算 (10)(1)直齿轮传动设计计算 (10)(2)蜗杆传动设计计算 (15)(3)内啮合齿轮传动设计计算 (20)四、传动轴设计计算 (26)(1)电机轴的确定 (26)(2)输入端联轴器祖选择 (26)(3)高速轴设计计算 (26)(4)蜗杆轴设计计算 (29)(5)蜗轮轴设计计算 (33)五、键连接与轴承设计计算 (36)(1)键连接的选择与校核 (36)(2)轴承的校验 (37)(3)联轴器的选择 (41)五、减速器箱体与附件的设计选择(1)箱体结构尺寸 (42)(2)减速器附件选择 (43)六、参考文献 (45)设计题目 F. 矿用回柱绞车传动装置设计1.设计条件(1)机器功用煤矿井下回收支柱用的慢速绞车;(2)工作情况工作平稳,间歇工作(工作于间歇时间比为1:2),绳筒转向定期变换;(3)运动要求绞车绳筒转速误差不超过8%;(4)工作能力储备余量10%;(5)使用寿命 10年;每年350天;每天8小时;(6)检修周期一年小修,五年大修;(7)生产批量小批生产;(8)生产厂型中型机械厂。
2.原始数据3.设计任务(1)设计内容①电动机选型;②闭式式齿轮设计;③减速器设计;④联轴器选型设计;⑤滚筒轴系设计;⑥其他。
(2)设计工作量①传动系统安装图1张;②减速器装配图1张;③零件图2张;④设计计算说明书1份。
4.设计要求(1)要求蜗杆减速器设计成:①阿基米德蜗杆减速器;②圆弧齿轮柱蜗杆减速器;③设计者自定的型式(2)第一级齿轮与蜗杆传动合并设计成闭式齿轮—蜗杆减速器。
《机械设计基础》课程设计
设计题名:设计绞车传动装置
2、机械设计说明书(一份)
3、设计图纸(2张零件图,一张装配图)
课程设计.doc机械设计课程设计说明书
一、传动方案拟定 (2)
二、电动机的选择 (2)
三、计算总传动比及分配各级的传动比 (4)
四、运动参数及动力参数计算 (5)
五、传动零件的设计计算 (6)
六、轴的设计计算 (12)
七、滚动轴承的选择及校核计算 (18)
八、键联接的选择及计算 (22)
九、设计小结 (23)
十、参考资料目录 (23)
截面C在水平面上弯矩为:
M C2=F AZ L/2=500.2×50=25N·m
(4)绘制合弯矩图(如图d)
M C=(M C12+M C22)1/2=(9.12+252)1/2=26.6N·m
(5)绘制扭矩图(如图e)
转矩:T=9.55×(P2/n2)×106=48N·m
(6)绘制当量弯矩图(如图f)
转矩产生的扭剪文治武功力按脉动循环变化,取α=1,截面C处的当量弯矩:L2=93mm d3=35mm L3=48mm
d4=41mm L4=20mm
d5=30mm L=100mm
Ft。
金陵科技学院机械设计基础课程设计设计计算说明书题目:绞车传动装置院系:机电工程学院专业:车辆工程姓名:年级:指导教师:智淑亚二零一一年四月目录第一章简介 (1)第二章减速箱原始数据及传动方案选择 (1)第三章电动机的选择 (3)第四章减速齿轮的设计与校核 (5)第五章主动轴的设计 (9)第六章从动轴的设计 (14)第七章轴承的校核 (19)第八章键及联轴器的选择 (19)第九章箱体及附件的设计 (20)第十章参考文献 (21)第1章简介【摘要】减速器是一种密封在刚性壳体内的齿轮运动、圆柱齿轮传动所组成的独立部件,常在动力机与工作机之间的传动装置,本次设计的是绞车传动装置用的单级圆柱减速器。
运用AtuoCAD进行传动的二位平面设计,完成圆柱齿轮减速器的平面零件图与装配图的绘制,通过设计,理顺正确的思想,培养综合应用机械设计课程和其他先修课程的理论与生产实际来分析和解决机械设计问题的能力及学习机械设计的一般方法步骤,掌握机械设计的一般规律,进行机械设计基本技能的训练:例如计算、绘图、查阅资料和手册、运用标准和规范,进行计算机辅助设计和绘图的训练。
【关键词】圆柱齿轮齿轮传动减速器第2章减速箱原始数据及传动方案选择第4章减速齿轮的设计与校核3第6章从动轴设计第7章轴承的校核7.1、轴承类型的选择根据载荷条件、承载转速、调心性能、安装及拆卸要求、经济性等条件。
初步选定角接触球轴承中的7207AC和7210AC型。
第8章键及联轴器的选择8.1 键的选择键应该选择平键A型,查表得:主动轴段1键槽宽b为8mm,键高h为8mm,键长l为60mm;主动轴段3键槽宽b为12mm,键高h为8mm,键长l为70mm;从动轴段1键槽宽b为14mm,键高h为9mm,键长l为65mm;从动轴段3键槽宽b为16mm,键高h为10mm,键长l为60mm;8.2 联轴器的选择半联轴器的材料常用45、20Cr钢,也可选用ZG270—500铸铁。
课程设计电动绞车一、教学目标本课程旨在让学生了解和掌握电动绞车的基本原理和操作方法。
通过本课程的学习,学生将能够:1.描述电动绞车的工作原理和主要组成部分。
2.解释电动绞车如何实现物体的提升和搬运。
3.演示电动绞车的操作步骤和注意事项。
4.分析并解决电动绞车在使用过程中可能遇到的问题。
二、教学内容本课程的教学内容主要包括以下几个部分:1.电动绞车的基本原理:介绍电动绞车的工作原理,让学生了解电动绞车是如何工作的。
2.电动绞车的组成部分:讲解电动绞车的主要组成部分,包括电动机、传动装置、卷筒、钢丝绳等。
3.电动绞车的操作方法:教授电动绞车的操作步骤,包括启动、停止、调整速度、紧急停止等。
4.电动绞车的维护保养:介绍电动绞车的日常维护保养方法,延长电动绞车的使用寿命。
5.电动绞车的安全注意事项:讲解电动绞车操作过程中的安全注意事项,防止意外事故的发生。
三、教学方法为了提高学生的学习兴趣和主动性,本课程将采用多种教学方法:1.讲授法:教师讲解电动绞车的基本原理、组成部分、操作方法等知识。
2.讨论法:学生分组讨论电动绞车在使用过程中可能遇到的问题及解决方法。
3.案例分析法:分析实际案例,让学生了解电动绞车在实际工作中的应用。
4.实验法:安排实验室操作课程,让学生亲手操作电动绞车,提高实际操作能力。
四、教学资源为了支持教学内容和教学方法的实施,丰富学生的学习体验,我们将准备以下教学资源:1.教材:选用权威、实用的电动绞车教材,为学生提供系统的学习资料。
2.参考书:提供相关领域的参考书籍,拓展学生的知识视野。
3.多媒体资料:制作精美的PPT、视频等多媒体资料,增强课堂教学的趣味性。
4.实验设备:准备电动绞车模型或其他实验设备,让学生进行实际操作练习。
五、教学评估为了全面、客观地评估学生的学习成果,本课程将采用以下评估方式:1.平时表现:评估学生在课堂上的参与程度、提问回答等情况,占总评的30%。
2.作业:布置适量的作业,评估学生的理解和应用能力,占总评的40%。
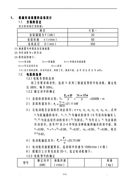
. . . .1、 机械传动装置的总体设计1.1. 方案的设定 设计的初始已知数据:项目方案一 卷筒圆周力F (kN ) 20 卷筒转速 n (r/min ) 60 卷筒直径 D (mm )350(1) 减速器为单级直齿轮减速器 (2) 外传动带为v 带传动 (3) 机构简图如下:1——电动机 2——联轴器 3——单级齿轮减速器 4——开式齿轮传动 5——卷筒(4)该方案的说明:转动可逆转,间歇工作,载荷平稳,总传动比误差为±5%。
1.2. 电机的选择1.2.1电机类型的选择按工作要求和条件,选择Y 系列三相鼠笼型异步电动机,额定电压380V ,频率50Hz 。
1.2.2 额定功率的确定1) 套筒的扭矩的计算:T= ==3500N ·m2) 套筒所需功率:9950T P w n⨯==21.11 kW 3) 从电动机至滚筒的传动总效率:7654321ηηηηηηηη⋅⋅⋅⋅⋅⋅=,式中1η为联轴器的效率,2η,4η,6η为轴承的效率(6号深沟球轴承),3η,5η为直齿轮传动的效率(3η为闭式,5η为开式),7η为滚筒的传动效率。
查书P7表2-4中列出各种机械和轴承的效率值,取1η=0.99,2η=4η=6η=0.98,3η=0.97,5η=0.95,7η=0.96,所以=η0.82。
4) 电动机输出功率:ηwP P d ==25.75 kW5) 电动机转速根据要求,选择同步转速为1500r/min (4级)6) 根据以上计算及查表20-1,选定电动机如下: 型号 额定功率 (kW) 满载转速 (r/min )质量(kg )Y200L-4 30 1470 2.0 2.2 270 1.3.传动装置的总传动比和分配各级传动比总传动比:nn i m===24.5而:21i i i ⋅=,单级圆柱齿轮减速器,参照表2-2及表2-1,取=3.5, =7.1.4. 传动装置的运动学和动力学计算 ○1各轴转速(指的是轴1,轴2,轴3,轴4的转速。
绞车传动装置的设计机械设计及自动化专业毕业设计毕业论文机械设计基础毕业设计设计计算说明书题目机械设计课程设计院系专业姓名年级指导教师二零一一年四月目录一、设计任务书 (2)二、系统总体方案设计 (2)三、电动机选择 (3)四、计算总传动比及分配各级的传动比 (4)五、传动参数的计算 (4)六、传动零件的设计计算 (5)七、轴的设计 (9)八、滚动轴承的选择与校核 (20)九、减速机机体结构尺寸的确定 (21)十、减速机各部位附属零件的设计 (22)十一、润滑方式的确定 (23)十二、设计总结 (23)参考文献资料 (24)机械设计毕业设计绞车传动装置的设计一、设计任务书1,技术参数:卷筒圆周力F:8500N卷筒转速n:50r/min卷筒直径D:450 mm2,工作条件:间歇工作,载荷平稳,传动可逆转,启动载荷为名义载荷的1.25倍。
传动比误差为±5%,两班制,工作年限10年,每隔2min工作一次。
二、系统总体方案设计根据要求及已知条件对于传动方案的设计可选择二级展开式圆柱齿轮减速器。
它能承受较大的载荷且传动平稳,能实现一定的传动比。
三、电动机选择1、电动机类型的选择: Y系列三相异步电动机(工作要求:连续工作机器)2、电动机功率选择:(1)传动装置的总功率:(查指导书表3-1)η=η12×η23×η3×η4×η5=0.99×0.993×0.97×0.97×0.98=0.8769η1→联轴器传动的效率,取0.99;η2→滚动轴承传动的效率(球轴承),取0.99;η3,η4→8级精度齿轮传动的效率,取0.97(表3-1);η5→卷动轴承传动的效率(滚子轴承),取0.98.(2) 电机所需的工作功率:Pd =PW/ηPW =Fv=8500 1.1775=10008.75N⨯式中:Pd 为所需电动机输出的功率,单位kW;PW为工作机输入的功率,单位kW;η为传动装置的总功率;F为工作机卷轴的圆周阻力,单位kN;v为工作机卷轴的线速度,单位m/s.其中, v=nd 3.1450450==1.1775 601000601000⨯⨯⨯⨯πm/s∴得 Pd =10008.75==0.8769Pwn总=10.03kW3、确定电动机转速:卷筒转速n =35r/min按指导书P14表3-2推荐的传动比合理范围,取圆柱齿轮传动二级减速器传动比范围ia=9~25,由于只有圆柱齿轮减速器,所以总传动比理时范围为ia =9~25。
一、传动方案分析 (2)二、选择电动机 (3)三、计算总传动比及分配各级的传动比 (5)四、计算传动装置的运动和动力参数 (5)五、V带传动设计计算 (7)六、直齿圆柱齿轮传动设计计算 (10)七、轴的结构设计计算及校核 (15)八、滚动轴承的选择及校核计算 (20)九、联轴器的选择计算 (21)十、键联接的选择及校核计算 (21)十一、箱体的设计 (22)十二、润滑方式 (23)十三、设计小结 (24)十四、参考文献 (25)一、传动方案的设计机械设计课程设计题目:设计两级圆柱齿轮减速器减速器工作条件:此减速器用于热处理车间两件清洗传送带的减速,此设备两班制工作,工作期限十年,户内使用。
传送方案如下图所示:改良方案在电动机与小带轮间加一个联轴器,由后面的计算得已知工作条件由数据表6:鼓轮直径:300mm,传送带运行速度:0.7m/s ,传送带从动轴所需扭矩:900N • m1.电动机2.带传动3.减速器联轴器鼓轮6.III为了估计传动装置的总传动比范围,以便选择合适的传动机构和拟定传动方 案,可先由已知条件计算鼓轮的转速,即:60 1000 v D1000 0 . 730044.59 r / mi n选择电动机1、电动机类型选择根据电源及工作机工作条件,选用卧式封闭型丫(IP44)系列三相交流异步电动机。
2、电动机功率的选择Tn w 900 44.59 / O1 1 )、工作机所需功率P w4.2kw955095502 )、电动机输出功率为P dP dP w式中 V 齿 承联为从动机至工作机之间的个传动机构和轴承的效率。
查《机械设计课程设计》表2-4得:V 带传动效率V =°.95,圆柱齿轮传 动效率为 込=0.97,滚动轴承效率 T =0.98,弹性联轴器传动效率弾=0.99。
齿承联则:2 4 V 齿承联0.95 0.9720.9840.990.81660 传动装置的总效率 2 4 V 齿承联根据电动机输出功率P d 5.15kw ,查表选择电动机的额定功率P ed 5.5 kw3)、电动机转速的选择为了便于选择电动机转速,先推算电动机转速的可选范围。
机械设计基础课程设计设计计算说明书题目:绞车传动装置院系:电气学院专业:机电一体化姓名:保华亮班级:机电1020班指导教师:马志诚二零一一年十二月目录前言…………………………………………………………一、拟定传动装置的传动方案………………………………二、电动机的选择……………………………………………三、传动装置运动及动力参数计算…………………………四、轴的计算…………………………………………………五、滚动轴承的选择及设计计算……………………………六、键连接的选择和计算…………………………………七、联轴器的选择…………………………………………八、减速器附件的选择……………………………………九、润滑和密封……………………………………………参考文献…………………………………………………前言:1、传动方案简图:1——电动机;2——联轴器;3——斜齿圆柱齿轮减速器;4——开式齿轮;5——卷筒2、工作情况:间歇工作,载荷平稳,传动可逆转,启动载荷为名义载荷的1.25倍。
传动比误差为±5%。
每隔2min工作一次,停机5min,工作年限为10年,两班制。
3、原始数据:卷筒圆周力F=12000N,卷筒转速n=35r/min,卷筒直径D=400mm4、设计内容:1)拟定传动装置的传动方案2)电动机的选择3)传动装置的运动参数和动力参数的计算4)传动件及轴的设计计算5)轴承、键的选择和校核计算机及减速器润滑和密封的选择6)减速器的结构及附件设计7)绘制减速器装配图、零件图8)编写设计计算说明书5、设计任务:1)绘制减速器装配图一张;2)零件工作图1至3张;3)设计计算说明书一份。
6、设计进度:第一阶段:拟定和讨论传动方案;选择电动机;传动装置总传动比的确定及各级传动比的分配;计算各轴的功率、转矩和转速。
第二阶段:传动零件及轴的设计计算。
第三阶段:设计及绘制减速器装配图。
第四阶段:零件工作图的绘制。
第五阶段:编制设计说明书。
设计题目十七:电动绞车传动装置 传动装置简图:原始数据:目录一 . 设计任务书-------------------------------------------------41工作条件与技术要求-------------------------------------------4 2设计内容----------------------------------------------------4 3原始数据-----------------------------------------------------4 二.传动方案的拟定-----------------------------------------------41传动方案的拟定-----------------------------------------------4 2传动方案的说明-----------------------------------------------5 三.电动机的选择------------------------------------------------ 51 选择电动机类型---------------------------------------------- 52 选择电动机的容量-------------------------------------------- 5 3选择电动机的转速-------------------------------------------- 5 四.总传动比确定及各级传动比分配---------------------------------61 计算总传动比-------------------------------------------------6项目 设计方案1 2 3 4 5 刚绳牵引力F (N ) 7500 9200 11000 12000 13000 钢绳速度V (m/s ) 0.6 0.65 0.5 0.6 0.55 卷筒直径D (mm )2502502502502502 分配各级传动比-----------------------------------------------6 五.计算传动装置的运动和动力参数---------------------------------7六、齿轮传动设计-------------------------------------------------81.高速级齿轮传动设计--------------------------------------------82.低速级齿轮传动设计-------------------------------------------133.开式低速级齿轮传动设计----------------------------------------16七、高速轴的设计-------------------------------------------------201. 求作用在齿轮上的力------------------------------------------202.初步确定轴的最小直径-----------------------------------------203.轴的结构设计------------------------------------------------214.轴上零件的周向定位-------------------------------------------225.确定轴上圆角和倒角尺寸----------------------------------------226.求轴上的载荷-------------------------------------------------227.按弯扭合成应力校正轴的强度-------------------------------------24八.中速轴的设计---------------------------------------------------241.求作用在齿轮上的力--------------------------------------------242.初步确定轴的最小直径-------------------------------------------253.轴的结构设计-------------------------------------------------254.轴上零件的周向定位---------------------------------------------265.确定轴上圆角和倒角尺寸-----------------------------------------266.求轴上的载荷--------------------------------------------------287.按弯扭合成应力校正轴的强度--------------------------------------28九.低速轴的设计---------------------------------------------------281.求作用在轴上的力---------------------------------------------28 2.初步确定轴的最小直径------------------------------------------29 3.轴的结构设计-------------------------------------------------30 4.求轴上的载荷-------------------------------------------------305.按弯扭合成应力校正轴的强度--------------------------------------316.精确校核轴的强度---------------------------------------------32十.轴承的选择和校核计算------------------------------------------35十一.键连接的选择与校核计算--------------------------------------38 1.输入轴与联轴器的键连接---------------------------------------------38 2.齿轮2与轴2的键连接-----------------------------------------------38 3.齿轮4与轴3的键连接-----------------------------------------------384.联轴器与轴3的键连接------------------------------------------------38 十二、联轴器的选择-----------------------------------------------39 1.输入轴的联轴器的选择-----------------------------------------------39 2.输出轴的联轴器的选择-----------------------------------------------39 十三、减速器附件设计---------------------------------------------40 1.视孔盖--------------------------------------------------------------40 2.通气器-------------------------------------------------------------40 3.油面指示器---------------------------------------------------------40 4.油塞---------------------------------------------------------------40 5.起吊装置-----------------------------------------------------------406.定位销-------------------------------------------------------------40 7.起盖螺钉-----------------------------------------------------------40 十四、润滑与密封-------------------------------------------------40 1.齿轮的润滑----------------------------------------------------------40 2.滚动轴承的润滑------------------------------------------------------40 3.密封方法的选取------------------------------------------------------40 十五.箱体设计-----------------------------------------------------41总结 ------------------------------------------------------------42参考文献----------------------------------------------------------43一. 设计任务书1.工作条件与技术要求:输送带速度允许误差为±5%。
电动绞车装置课程设计一、课程目标知识目标:1. 学生能够理解电动绞车装置的基本结构、工作原理及其在工程中的应用。
2. 学生能够掌握电动绞车的主要组成部分及其功能。
3. 学生能够掌握电动绞车操作的基本步骤和安全规范。
技能目标:1. 学生能够正确操作电动绞车,完成提升和降落重物的任务。
2. 学生能够通过实际操作,学会电动绞车的日常检查和维护方法。
3. 学生能够运用物理知识分析电动绞车的工作过程,解决简单问题。
情感态度价值观目标:1. 培养学生对工程技术的兴趣,激发他们学习物理知识的热情。
2. 培养学生的团队合作意识,提高他们在实际操作中的沟通协作能力。
3. 增强学生的安全意识,培养他们在操作过程中严格遵守规程的良好习惯。
本课程针对高年级学生设计,课程性质为实践性强的工程技术课程。
结合学生的认知特点,课程目标注重知识与实践相结合,以提高学生的实际操作能力和解决问题的能力。
课程目标具体、可衡量,为教学设计和评估提供明确方向。
二、教学内容1. 电动绞车的基本结构:介绍电动绞车的组成部分,包括电机、减速器、卷筒、钢丝绳、滑轮组、制动器等,结合教材相关章节,让学生理解各部分的作用和相互关系。
2. 电动绞车的工作原理:讲解电机如何通过减速器、卷筒等部件实现钢丝绳的收放,以及制动器在绞车工作过程中的作用,使学生掌握电动绞车的工作原理。
3. 电动绞车的操作步骤:依据教材,详细讲解电动绞车的操作流程,包括开机、提升、降落、停止等步骤,强调操作过程中的注意事项。
4. 电动绞车的安全规范:分析教材中关于电动绞车安全操作的内容,教育学生遵守操作规程,预防事故发生。
5. 电动绞车的检查与维护:结合教材,教授学生如何进行电动绞车的日常检查和维护,提高设备的使用寿命和安全性。
6. 实践操作:安排学生进行实际操作,通过分组合作完成任务,巩固所学知识,提高操作技能。
教学内容安排和进度:共分为6个课时,第1课时介绍电动绞车的基本结构;第2课时讲解电动绞车的工作原理;第3课时学习电动绞车的操作步骤;第4课时强调安全规范;第5课时教授检查与维护方法;第6课时进行实践操作。
机械设计课程设计说明书设计项目:电动绞车传动装置专业:机械设计制造及其自动化目录㈠电动机的选择 (3)㈡传动装置的总传动比及其分配 (4)㈢计算传动装置的运动和动力参数 (5)㈣齿轮零件的设计计算 (6)⒈开式齿轮传动 (6)⒉高速级齿轮传动 (10)⒊低速级齿轮传动 (15)㈤轴的设计……………………………………………………………19⒉高速轴的设计 (20)⒉中速轴的设计 (23)⒊低速轴的设计 (27)㈥键的校核……………………………………………………………29㈦轴承寿命的验算……………………………………………………31㈧润滑与密封…………………………………………………………35㈨设计小结…………………………………………………………36㈩参考文献 (36)十.设计小结由于临近期末考试,时间紧迫,所以整个设计做得比较快,难免有个别小错误,本次的课程设计,培养了我综合应用机械设计课程及工程图学、理论力学、材料力学、工程材料等课程的理论知识和理论联系实际,应用生产实际知识解决工程实际题目的能力;在设计的过程中还培养出了我们的团队精神,同学们共同协作,解决了很多个人无法解决的题目;在今后的学习过程中我们会更加努力和团结。
但是由于水平有限,难免会有错误,还请老师批评指正,多提宝贵意见。
通过这次的实践,自己不仅巩固了所学的知识,而且在设计过程中,学会了如何快速正确地画图、查手册等等,提高了学习的兴趣,为以后的学习工作提供了很好的经验。
我相信,在以后的设计中,会避免很多不必要的工作,有能力设计出结构更紧凑,传动更稳定精确的设备。
十一.参考文献[1]金清肃,机械设计课程设计(第一版)[M].武汉:华中科技大学出版社,20XX.10[2]濮良贵,纪名刚.机械设计(第八版)[M].北京:高等教育出版社,20XX.5[3]吴宗泽,机械设计使用手册(第二版).北京:化学工业出版社,20XX.10[4]吴宗泽,罗圣国.机械设计课程设计手册(第三版).北京:高等教育出版社,20XX.5[5]龚溎义,罗圣国等机械设计课程设计指导书(第二版)[6]高金莲,工程图学(第二版)机械工业出版社北京:高等教育出版社[5]龚溎义,机械设计课程设计图册,(第三版)北京:高等教育出版社。
电动绞车传动装置课程设计
电动绞车传动装置课程设计目标:
1. 了解电动绞车的工作原理和基本结构;
2. 掌握电动绞车传动装置的设计原理和方法;
3. 学会选用合适的传动装置来满足电动绞车的工作要求;
4. 能够根据实际应用需求进行传动装置的参数计算和优化设计。
课程设计内容:
1. 电动绞车的工作原理和基本结构介绍;
2. 传动装置的分类和选用原则;
3. 齿轮传动装置的设计原理和方法;
4. 带传动装置的设计原理和方法;
5. 链传动装置的设计原理和方法;
6. 皮带传动装置的设计原理和方法;
7. 传动装置的参数计算和优化设计;
8. 实际案例分析和实验操作。
课程设计步骤:
1. 学生自行了解电动绞车的工作原理和基本结构,初步了解传动装置的分类和选用原则;
2. 教师进行齿轮传动装置的设计原理和方法讲解,并组织实验操作;
3. 教师进行带传动装置的设计原理和方法讲解,并组织实验操作;
4. 教师进行链传动装置的设计原理和方法讲解,并组织实验操作;
5. 教师进行皮带传动装置的设计原理和方法讲解,并组织实验操作;
6. 学生根据所学知识进行传动装置的参数计算和优化设计,完成课程设计报告;
7. 学生进行课程设计报告的展示和讨论。
评价指标:
1. 课程设计报告的完整性和准确性;
2. 实际操作的熟练程度和准确性;
3. 课堂参与和讨论积极性;
4. 课程设计报告的创新性和实用性。
题目:绞车传动装置
院系:机电工程学院
目录
第一章简介 (1)
第二章减速箱原始数据及传动方案选择 (1)
第三章电动机的选择 (3)
第四章减速齿轮的设计与校核 (5)
第五章主动轴的设计 (9)
第六章从动轴的设计 (14)
第七章轴承的校核 (19)
第八章键及联轴器的选择 (19)
第九章箱体及附件的设计 (20)
第十章参考文献 (21)
第1章简介
【摘要】减速器是一种密封在刚性壳体内的齿轮运动、圆柱齿轮传动所组成的独立部件,常在动力机与工作机之间的传动装置,本次设计的是绞车传动装置用的单级圆柱减速器。
运用AtuoCAD进行传动的二位平面设计,完成圆柱齿轮减速器的平面零件图与装配图的绘制,通过设计,理顺正确的思想,培养综合应用机械设计课程和其他先修课程的理论与生产实际来分析和解决机械设计问题的能力及学习机械设计的一般方法步骤,掌握机械设计的一般规律,进行机械设计基本技能的训练:例如计算、绘图、查阅资料和手册、运用标准和规范,进行计算机辅助设计和绘图的训练。
【关键词】圆柱齿轮齿轮传动减速器
第2章减速箱原始数据及传动方案选择
n=
(9~
w
符合这一范围的同步转速有750r/min
符合这一范围的同步转速有750r/min
1.25倍,综合考虑电动机和传动装置的尺寸、重量及价
为使传动比装置结构比较好,决定选用同步转速为
由机械设计课程设计指导书选定电动机的主要性能如下表:
第4章减速齿轮的设计与校核
1
lim
H H
S σ=
1.072
lim
H H
S σ=
1.125201
Mp
⨯≥[]13
3.171(E d KT Z u u σ±⋅⋅ψ将有关数据代入以上公式得11
cos 2.56z β
=取标准模数n m =和螺旋角β 12() 2.52cos z z β⨯+⨯=a=151mm
圆整中心距后确定的螺旋角1(cos 2n m z a
+1
67.11cos n z β
=2
234.89cos n z β
=
3 1lim1
162F F S σ=2lim 2
138.5F F
S σ=1
cos F S Y Y z β
=22
107.2S Y Y =
mm
69597N mm
1184067.1122d l =-1840595=-/2102262.5mm = mm
9262.5N mm
mm
mm
mm
12.36/720=1.64mm mm
截面所受转矩相同,但弯 M 截面可能为危险截面,但轴径
第6章从动轴设计
mm
mm
21840234.8922d l =-1840262.6=+/2136669mm = N mm
63078N mm
mm
mm
mm
11.6/205.7=5.4
mm
M
截面所受转矩相同,但弯
e
截面可能为危险截面,但轴径
第7章轴承的校核
7.1、轴承类型的选择
根据载荷条件、承载转速、调心性能、安装及拆卸要求、经济性等条件。
初步选定角接触球轴承中的7207AC和7210AC型。
第8章键及联轴器的选择
8.1 键的选择
键应该选择平键A型,查表得:
主动轴段1键槽宽b为8mm,键高h为8mm,键长l为60mm;
主动轴段3键槽宽b为12mm,键高h为8mm,键长l为70mm;
从动轴段1键槽宽b为14mm,键高h为9mm,键长l为65mm;
从动轴段3键槽宽b为16mm,键高h为10mm,键长l为60mm;
8.2 联轴器的选择
半联轴器的材料常用45、20Cr钢,也可选用ZG270—500铸铁。
链齿硬度最好为40HRC~45HRC。
联轴器应有罩壳,用铝合金铸成。
用单排链时,滚子和套筒受力,销轴只起联接作用,结构可靠性好;用双排链时:销轴受剪力,承受冲击能力较差,销轴和外链板之间的过盈配合容易松动。
在高速轻载场合,宜选用较小链节距的链条,重量轻,离心力小;在低速重载场合,宜选用较大链节距的链条,以便加大承载面积。
链轮齿数一般为12~22.为避免过渡链节,宜取偶数。
因为轴直径为30mm,查表《弹性柱销联轴器》可知选用HL3型号。
第9章箱体及附件的设计
箱体的基本结构设计
箱体是减速器的一个重要零件,它用于支持和固定减速器中的各种零件,并保证传动件的齿合精度,使箱体内有良好的润滑和密封。
箱体的形状较为复杂,其重量约占减速器的一半,所以箱体结构对减速器的工作性能、加工工艺、材料消耗、重量及成本等有很大的影响。
箱体结构与受力均较复杂,目前尚无成熟的计算方法。
所以,箱体各部分尺寸一般按经验设计公式在减速器装配草图的设计和绘制过程中确定。
箱体的材料及制造方法:选用灰铸铁HT 350,砂型铸造。
箱体的尺寸:
表7-1 箱体参数表
上面表格中的数据均在机械手册中查得。
第10章参考文献
参考资料:
1.陈立德主编.机械设计基础课程设计指导书,高等教育出版社,200
2. 陈立德主编.机械设计基础课程设计基础,高等教育出版社
21/ 21。