南京工业大学物理化学B试题(A)卷(闭)
- 格式:pdf
- 大小:185.57 KB
- 文档页数:3
南京工业大学物理化学试题( B )卷答案2003 --2004 学年第二学期班级学号姓名一.单项选择题(每题2分)1. 真实气体在____④___条件下,其行为与理想气体相近。
①高温高压②低温低压③低温高压④高温低压2. 273.15K、101.325Kpa的过冷苯凝结成同温同压下的固态苯,则此过程中应是:_____③___①ΔS体>0 ②ΔS环<0③(ΔS体+ΔS环)>0 ④(ΔS体+ΔS环)<03. 1mol液态水在373.15K、101.325Kpa下蒸发成1mol水蒸气,此过程的ΔG____③____①大于零②小于零③等于零④可能大于零也可能小于零4. 某气体从同一始态出发,分别经绝热可逆压缩与恒温可逆压缩到具有相同体积V2的各自的末则两种过程的内能变化间关系为:ΔU恒温____②____ΔU绝热①大于②小于③等于④不能确定5. 功和热______②_______①都是途径函数,对应某一状态有一确定值。
②都是途径函数,无确定的变化途径就无确定的数值。
③都是状态函数,变化量与途径无关。
④都是状态函数,始终态确定,其值也确定。
6. 以汞作为工作物质时,可逆卡诺热机效率为以理想气体作为工作物质时的____④____① 1%② 20%③ 50%④ 100%7.理想气体反应A(g)+2B(g)==2D(g)在温度T时KФ=1,现于温度T下在容器中放入A、B、D三种理想气体且三者的分压均为100Kpa,在此条件下反应方向应为:______②_____①从右向左进行②处于平衡态③从左向右进行④条件不足,无法判断8. 在T、V恒定的容器中,盛有A、B两种理想气体,A的分压为P A,分体积为V A,若向容器中加入3mol的C理想气体,则A的分体积V A______②______①变大②变小③不变④可能变大可能变小9.在一体积为10dm3、绝热良好的刚性容器中发生一化学反应,结果系统的温度升高,压力由101.325Kpa增大到1013.25Kpa,则此过程的ΔU_______③_______①大于零②小于零③等于零④大于等于零10.在一个抽空容器中,放有过量的NH4HCO3(s)发生下列反应:NH4HCO3(s)=NH3(g)+H2O(g)+CO2(g)此平衡系统的自由度数F=_____②______①0 ② 1 ③ 2 ④ 311.80℃时苯的蒸气压为100.4Kpa,纯苯的蒸气压为38.71Kpa,两者可形成理想液态混合物,80℃时,若苯和甲苯混合物的液相中苯的摩尔分数为0.1418,则与液相达成平衡的气相中苯的摩尔分数y苯=________③__________①0.10 ② 0.20 ③ 0.30 ④ 0.6012.反应2NO(g)+O2(g)=2NO2(g)已达成平衡后,加入惰性气体,则平衡向____②___移动①正反应方向②逆反应方向③不变④难以确定二.填空题(每题2分)1.理想气体经节流膨胀过程△U = ____0_____ KJ2.1mol氧理想气体在298.15K下经自由膨胀为原体积的10倍,过程的△S总= ___19.14____J·K-13.已知298K时某反应的△r HΦm = —100 KJ/mol , △r CΦpm = 0.5 J·K-1·mol-1,则398K时该反应的△r HΦm = _____________-99.5______________KJ/mol4.25℃时水的饱和蒸气压为3.1674KPa ,水的饱和蒸气压与温度的关系可表示为㏑(P / Kpa) = ―A / T +B ,则水的△vap HΦm =_______42.7_________ KJ/mol5.300K﹑100Kpa下将0.01mol的纯B加入到ΧB = 0.01的足够大量的A﹑B理想液态混合物中,若忽略B加入后引起的浓度变化,则此过程的化学势变化△μB = ____-2.285____________KJ/mol 。
第一章热力学第一定律选择题1.热力学第一定律ΔU=Q+W 只适用于()(A) 单纯状态变化 (B) 相变化 (C) 化学变化 (D) 封闭物系的任何变化答案:D2.关于热和功, 下面的说法中, 不正确的是(A) 功和热只出现于系统状态变化的过程中, 只存在于系统和环境间的界面上(B) 只有在封闭系统发生的过程中, 功和热才有明确的意义(C) 功和热不是能量, 而是能量传递的两种形式, 可称之为被交换的能量(D) 在封闭系统中发生的过程中, 如果内能不变, 则功和热对系统的影响必互相抵消答案:B2.关于焓的性质, 下列说法中正确的是()(A) 焓是系统内含的热能, 所以常称它为热焓 (B) 焓是能量, 它遵守热力学第一定律(C) 系统的焓值等于内能加体积功 (D) 焓的增量只与系统的始末态有关答案:D。
因焓是状态函数。
3.涉及焓的下列说法中正确的是()(A) 单质的焓值均等于零 (B) 在等温过程中焓变为零 (C) 在绝热可逆过程中焓变为零(D) 化学反应中系统的焓变不一定大于内能变化答案:D。
因为焓变ΔH=ΔU+Δ(pV),可以看出若Δ(pV)<0则ΔH<ΔU。
4.下列哪个封闭体系的内能和焓仅是温度的函数()(A) 理想溶液(B) 稀溶液(C) 所有气体(D) 理想气体答案:D5.与物质的生成热有关的下列表述中不正确的是()(A) 标准状态下单质的生成热都规定为零 (B) 化合物的生成热一定不为零 (C) 很多物质的生成热都不能用实验直接测量(D) 通常所使用的物质的标准生成热数据实际上都是相对值答案:A。
按规定,标准态下最稳定单质的生成热为零。
6.dU=CvdT及dUm=Cv,mdT适用的条件完整地说应当是()(A) 等容过程 (B)无化学反应和相变的等容过程 (C) 组成不变的均相系统的等容过程(D)无化学反应和相变且不做非体积功的任何等容过程及无反应和相变而且系统内能只与温度有关的非等容过程答案:D7.下列过程中, 系统内能变化不为零的是()(A) 不可逆循环过程 (B) 可逆循环过程 (C) 两种理想气体的混合过程 (D)纯液体的真空蒸发过程答案:D。
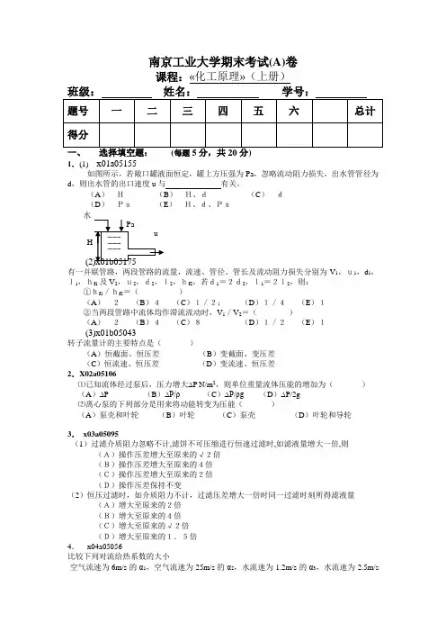
南京工业大学期末考试(A)卷课程:«化工原理»(上册)每题1.(1) x01a05155如图所示,若敞口罐液面恒定,罐上方压强为Pa,忽略流动阻力损失,出水管管径为d,则出水管的出口速度u与有关。
(A)H(B)H、d(C)d(D)Pa(E)H、d、Pa水有一并联管路,两段管路的流量,流速、管径、管长及流动阻力损失分别为V1,u1,d1,l1,hf1及V2,u2,d2,l2,hf2。
若d1=2d2,l1=2l2,则:①hf1/hf2=()(A)2(B)4(C)1/2;(D)1/4(E)1②当两段管路中流体均作滞流流动时,V1/V2=()(A)2(B)4(C)8(D)1/2(E)1(3)x01b05043转子流量计的主要特点是()(A)恒截面、恒压差(B)变截面、变压差(C)恒流速、恒压差(D)变流速、恒压差2.X02a05106⑴已知流体经过泵后,压力增大∆P N/m2,则单位重量流体压能的增加为()(A)∆P (B)∆P/ρ (C)∆P/ρg (D)∆P/2g⑵离心泵的下列部分是用来将动能转变为压能()(A)泵壳和叶轮(B)叶轮(C)泵壳(D)叶轮和导轮3.x03a05095(1)过滤介质阻力忽略不计,滤饼不可压缩进行恒速过滤时,如滤液量增大一倍,则___ (A)操作压差增大至原来的√2倍(B)操作压差增大至原来的4倍(C)操作压差增大至原来的2倍(D)操作压差保持不变(2)恒压过滤时,如介质阻力不计,过滤压差增大一倍时同一过滤时刻所得滤液量___ (A)增大至原来的2倍(B)增大至原来的4倍(C)增大至原来的√2倍(D)增大至原来的1.5倍4.x04a05056比较下列对流给热系数的大小空气流速为6m/s的α1,空气流速为25m/s的α2,水流速为1.2m/s的α3,水流速为2.5m/s的α4,蒸汽膜状冷凝的α5,自大到小的顺序为:> > > >二、填空题:(每题5分,共20分)1.t01b05027①1atm=__________kN/m2。
可编辑修改精选全文完整版南京工业大学物理化学B 试题(A)卷(闭)一. 选择题:(每题2分,共20分,标准答案务必填入下表。
)1. 500K时,在一真空容器中加热NaHCO3(s), 2NaHCO3(s)→ Na2CO3(s)+ CO2(g) + H2O(g),分解达到平衡后,其相数P、组分数C、自由度F为( D )。
A. P = 2,C = 4,F = 0 B. P = 2, C = 3, F = 0C. P = 3, C = 3, F = 1D. P = 3, C = 2, F = 02.苯在50℃时达到气液平衡,则自由度数为( A )。
A.0 B.1 C.2 D.33.若某液体在毛细管内呈凸液面,则该液体在该毛细管中将( B )A.沿毛细管上升;B. 沿毛细管下降;C. 不上升也不下降;D. 无法判断。
4.对于反应 A → B,如果反应物A的初始浓度减少一半,A的半衰期不变,则该反应的级数为( B )。
A.零级; B. 一级; C. 二级; D. 三级5.某化学反应的方程式为 3A → P,则在动力学研究中表明此反应为( D )。
A.三级反应; B. 基元反应; C. 三分子反应; D.以上都无法确定。
6.某气相反应在400K时的Kp = 10-3 kPa-1·s-1, 则Kc = ( ) (mol·dm-3)-1s-1.A.3326; B. 3.326; C. 3.01×10-4; D. 3.01×10-77. 水平放置的毛细管中有一呈凹面的液体,如图:若在右侧管外用冰冷却,则管中液体将( B )。
A. 向左侧移动;B. 向右侧移动;C. 不移动;D. 无法判断。
8.已知25℃水溶液中Λ∞m(NH4Cl)= 149.9×10—4S·m2·mol—1, Λ∞m(NaOH)= 248.7×10—4S·m2·mol—1,Λ∞m(NaCl) =126.5×10—4S·m2·mol—1,则Λ∞m(NH4OH)=( )×10—4S·m2·mol—1。
南京工业大学 物理化学B 试题(A )卷(闭)2007--2008 学年第二学期 使用班级 06级一.选择题(每小题2分,共计24分,答案务必填入下表格)1.温度、压力一定时,A 、B 两物质组成理想气体混合物,则B 物质的分体积为:( )A .BB P RT n B. P nRTC .P RT n BD .B P nRT 2.下列关于临界点的说法,正确的是:( )A .气液两相的摩尔体积相等B .气相摩尔体积大于液相摩尔体积C .气体性质接近理想气体D .临界温度随临界压力的变化而变化3.一定量的某理想气体恒容下由T 1升温到T 2,相同量的该气体恒压下也由T 1升温到T 2,则两个过程热量的关系和热力学能变化的关系为:( )A . Q V = Q p ,ΔU V = ΔU pB . Q V < Q p ,ΔU V = ΔU pC . Q V > Q p ,ΔU V < ΔU pD . Q V < Q p ,ΔU V < ΔU p4.H 2和O 2以2∶1的摩尔比在绝热的钢瓶中反应生成H 2O ,在该过程中( )是正确的。
A .ΔH = 0B .ΔT = 0C .ΔS = 0D .ΔU = 0 5.在一定的温度和压力下,已知反应A → 2B 的标准摩尔焓变为Δr H θm,1,反应2A → C 的标准摩尔焓变为Δr H θm,2, 则反应C → 4B 的Δr H θm,3 是 ( )A .2Δr H θm,1 + Δr H θm,2B .Δr H θm,2 - 2Δr H θm,1C .Δr H θm,2 + Δr H θm,1D .2Δr H θm,1 - Δr H θm,26.一定量某理想气体经历一不可逆循环过程,则熵变应是 ( )A. ΔS 体=0 ΔS 环=0B. ΔS 体=0 ΔS 环>0C. ΔS 体>0 ΔS 环<0D. ΔS 体>0 ΔS 环>07.根据亥姆霍兹判据ΔA ≤ 0判别过程变化方向时,其适用条件为 ( )A. 等温、等容的封闭体系B. 等温、等容、W ¹=0的封闭体系C. 等温、等容的孤立体系D. 等温、等容、W ¹=0、封闭体系的可逆过程 8.已知某一定温度下,A 、B 、C 三种气体溶于水的亨利常数分别为400 kPa 、100 kPa 、21 kPa ,则在相同气相分压下,三种气体在水中的溶解度x A 、x B 和x C 的大小顺序为( )A .x A >xB >xC ; B .x A =x B =x C ;C .x A <x B <x C ;D .x B <x A <x C9.A 、B 两组分在等温等压下混和形成理想液态混合物,则有( )A .Δmix H = 0B .Δmix S = 0C .Δmix A = 0D .Δmix G=0 10.1mol101.325kPa 、100℃H 2O(l)的化学势为1μ,1mol 同温同压下H 2O(g)的化学势为2μ,则( )A. 1μ>2μB.1μ <2μC. 1μ=2μD.无法判断11.由溶剂与溶质构成的稀溶液,溶液的浓度可以有多种表示方法,且存在一定的互换关系,则=B x B b ⋅A .B M B . B A M MC .A MD .AA M ρ 12.一定温度、压力下,反应C 6H 5C 2H 5(g)→C 6H 5C 2H 3(g)+H 2(g)的35.10=k ,此时反应的95.0=Jp ,则平衡将( )移动。
南京工业大学物理化学C 试题(A)卷(闭)2006-2007学年第二学期使用班级:复材,高材,金属,安全班级:学号:姓名:(请考生注意:本试卷共9页)一.选择题。
(共10题,每题2分,请在题后括号内填上正确答案代号。
)1、对封闭系统来说,当过程的始态和终态确定后,下列各项中没有确定值的是:( )。
A,Q;B,Q+W;C, W( Q = 0 );D,Q( W = 0 )。
2、H2和Br2 混合气体温度为298 K。
在一个体积恒定的密闭绝热箱中用光引发,使其迅速化合为HBr(g)(设光照能量忽略,气体为理想气体)。
已知298 K时Δf H(HBr,g,298 K)=-36.4 kJ·mol-1,则此过程的:()。
A, ΔH< 0 , ΔU= 0;B, ΔH> 0 , ΔU< 0;C, ΔH> 0 , ΔU= 0;D, ΔH< 0 , ΔU> 0。
3、1 mol理想气体从相同的始态(P1,V1,T1)分别经(i)绝热可逆膨胀到达终态(P2,V2,T2); (ii)经绝热不可逆膨胀到(P’2,V’2,T’2),若P2 = P’2 ,则()。
A, T’2 > T2 , V’2 < V2 ; B, T’2 > T2 , V’2 > V2 ;C, T’2 < T2 , V’2 > V2; D, T’2 < T2 , V’2 < V2 .4、反应FeO(s) + C(s) == CO(g) + Fe(s) 的Δr H为正,Δr S为正(假定Δr H,Δr S与温度无关),下列说法中正确的是:()。
A,低温下自发过程,高温下非自发过程; B,任何温度下均为非自发过程;C,高温下自发过程,低温下非自发过程; D,任何温度下均为自发过程。
5、某反应A(s) == Y(g) + Z(g)的∆r G与温度的关系为:∆r G= (-45 000+110 T/K) J ·mol-1,在标准压力下, 要防止该反应发生,温度必须: ( )。
南京工业大学 物理化学(上)B 05年 试题(A )卷 (闭)一.选择题(10分,每题1分。
必须将答案填入下面表格)1.范德华方程中的压力修正项对Vm 的关系为:( )。
A.正比于; B.正比于; C.正比于1/; D.正比于1/.2mV mV 2mV mV 2.H2在298.2K 时,分别从体积V1经(1)自由膨胀;(2)反抗恒定外压膨胀 ;(3)可逆膨胀到终态V2,则H2对外作的功的大小为( )。
A .(1)> (2)> (3)B .(3)> (2)> (1)C .(1)> (3)> (2)D .(3)> (1)> (2)3.理想气体自由膨胀,则△S 隔 必定 ( )。
A .大于0B .小于0C .等于0D .无法确定4.H2和O2以2:1的摩尔比在绝热的钢瓶中反应生成H2O ,在该过程中( )是正确的。
A .∆H = 0; B.∆T = 0; C.pV γ = 常数;D.∆U = 0。
5.化学势表示式可为(1)=()s.v.nj ; (2) =()s.p.nj ;B μB n U ∂∂B ≠B μB n H∂∂B ≠(3) = ; (4) = 。
B μj n V T Bn A ..)(∂∂B ≠B μjn P T B n G..)(∂∂B ≠则其中的偏摩尔量是( )。
A .(1)B .(2)C .(3)D .(4)6.已知环己烷、醋酸、萘、樟脑的(摩尔)凝固点降低系数kf 分别是20.2、9.3、6.9及39.7 K ·kg ·mol -1。
今有一未知物能在上述四种溶剂中溶解,欲测定该未知物的相对分子质量,最适宜的溶剂是:( )。
A.萘; B.樟脑; C.环己烷; D.醋酸 。
7.某反应在298.2K 时,=3.25,如果压力商等于2.14时,反应的方向性为( )。
)()(g B g A →A . 向左B . 向右C .平衡 D . 不能确定8.一定温度下,在一钢性容器中,反应C 6H 5C 2H 5(g)→C 6H 5C 2H 3(g)+H 2(g)达到平衡后,通入惰性组分H 2O (g),则平衡将( )移动。
南京⼯业⼤学2009~2010年第⼀学期物理化学试题A卷南京⼯业⼤学物理化学(B )试题(A )卷(闭)2009--2010学年第⼀学期使⽤班级浦⾼材0706班级学号姓名⼀、选择题:(20分)1、⼀理想⽓体在恒定外压为101.325kPa 下,从10L 膨胀到16L ,同时吸热125.6J 、则此过程的△U 为焦⽿?()A 、-248B 、+842C 、-482D 、+4822、理想⽓体从同⼀始态出发,分别经(1)绝热可逆膨胀,(2)多次恒外压膨胀,达到同⼀压⼒值p 2,则焓变()1S ?和()2S 之间有何关系?()A 、()1S ?>()2S ?B 、()1S ?<()2S ?C 、()1S ? =()2S ?D 、()1S ?和()2S ?⽆法确定3、A 和B 形成理想溶液,已知373 K 时纯A 的蒸⽓压为133.32kPa, 纯B 的蒸⽓压为66.66kPa,与此⼆元溶液成平衡的⽓相中的A 摩尔分数为32时,溶液中A 的摩尔分数为()A 、 1B 、 32C 、 21D 、414、化学反应的平衡状态随下列因素当中的哪⼀个⽽改变()A 、系统组成B 、标准态C 、浓度标度D 、化学反应式中的计量系数γB5、在相同条件下有反应式(1)A+B=2C, ()1Θm r G , Θ1K ,(2)1/2 A+1/2B=C, ()2Θm r G , Θ2K ,则对应于(1)和(2)式的标准摩尔吉布斯函变以及标准平衡常数之间的关系为 ( )A 、()1Θm r G =2()2Θm r G ,Θ1K =Θ2KB 、()1Θm r G =2()2Θm r G ,Θ1K = 22)(ΘKC 、()1Θm r G =()2Θm r G ,Θ1K = 22)(ΘKD 、()1Θm r G =()2Θm r G ,Θ1K =Θ2K6、物质A 与B 的系统在蒸馏时可按⼀定⽐例构成低共沸混合物K 。
已知纯物质时,A 与B 的沸点之间的关系为T b (B)>T b(A)。
南京⼯业⼤学⼯程化学试题(A)卷(闭)#精选.南京⼯业⼤学⼯程化学试题(A)卷(闭)2006--2007 学年第⼀学期使⽤班级控0601~0604班级学号姓名⼀、选择题(共24分)1.与环境没有物质的交换,⽽只有能量传递的系统,叫做:()A.敞开系统B.封闭系统C.孤⽴系统D.⽆法判断2.混合⽓体中⽓体的标准态是指()A.分压为Pθ的⽓体B. 298K,分压为Pθ的⽓体C .298K下的⽓体 D. 总压为Pθ下的⽓体3. 某混合⽓体的压⼒、体积、物质的量、温度分别为p、V、n、T,其中某组分⽓体的分压、分体积、物质的量、温度分别为p i、V i、n i、T。
若混合⽓体及其组分⽓体均可视为理想⽓体,则下列关系式正确的是:()A、p i V i = n i R TB、pV i = n R TC、p i V= n i R TD、p i V i = n R T4.下列量⼦数中合理的⼀组是:()A、n=4 l=4 m=3B、n=3 l=2 m=3C、n=4 l=3 m=-3D、n=3 l=3 m=25.为有利于C(s)+CO2(g)=2CO(g)(ΔHθ>0)向右进⾏,理论上应采⽤的条件为()A.⾼温⾼压B.⾼温低压C.低温低压D.低温⾼压6.升⾼温度可以增加反应速率,主要原因是()A.增加分⼦总数B.增加活化分⼦百分数C.降低反应活化能D.使平衡向吸热⽅向移动7.下列单质的Δf H mθ不等于零的是()A.Cu(s) B.C(⽯墨) C.Br2(g)D.Ne(g)8.某温度下,化学反应A+1/2B=1/2A2B的Kθ=1×10-4则在相同的温度下,反应A2B=2A+B的Kθ为()A.1×104 B.1×108 C.1×10-4 D.1×10-89. 已知:2SO2(g)+O2(g)=2SO3(g),在298K时反应⾃发,898K时逆反应⾃发,由此可推知该反应的()A .ΔHθ<0, ΔSθ>0 B.ΔHθ>0, ΔSθ>0C.ΔHθ<0, ΔSθ<0D.ΔHθ>0, ΔSθ<010. 反应3A2++2B=3A+2B3+,在标准状态下,电池电动势为1.8V,某浓度时,反应的电池电动势为1.6V,则此时该反应的lgKθ值为()A.(3×1.8)/0.059 B.(3×1.6)/0.059C.(6×1.6)/0.059 D.(6×1.8)/0.05911. 对⾦属腐蚀速率与⾦属表⾯的⽔膜厚度关系的叙述正确的是:()A.⽔膜越厚,腐蚀速率越快 B.⽔膜越薄,腐蚀速率越快C.⽔膜厚度在⼀定范围内,腐蚀速率较快D.腐蚀速率与⽔膜厚度⽆关12. 在汽车的⽔箱中加⼊⼄⼆醇作为防冻剂的原理是()A.溶液的蒸⽓压下降B.溶液的沸点上升C.溶液的凝固点下降D.溶液的渗透压⼆、填空题(共38分)1.已知化学反应⽅程式:O2+2H2=2H2O,△r H mθ=-571.7kJ·mol-1,问反应进度ξ=2mol 时,消耗mol的H2,放出kJ热量。
,考试作弊将带来严重后果!华南理工大学期末考试《物理化学》(48、56、64学时)试卷(B)1. 考前请将密封线内填写清楚;2. 所有答案请直接答在试卷上;3.考试形式:闭卷;选择题.(每题2分,10题共20分)1. 已知反应CO(g)+1/2O2(g) →CO2(g) 的焓变为△H,下列说法中何者是不正确?A. △H是CO2(g) 的生成焓B. △H是CO(g)的燃烧焓C. △H是负值D. △H与反应△U的数值不等2. 室温下,10 p O-的理想气体绝热节流膨胀至5p O-的过程有:(1) W < 0 ;(2) T1> T2;(3) Q = 0 ;(4) △S > 0A. (3)、(4)B. (2)、(3)C. (1)、(3)D. (1)、(2)3. 反应N2(g) + 3H2(g) = 2NH3(g) 可视为理想气体间反应,在反应达平衡后,若维持系A. K pθ不变,平衡时N2和H2的量将增加,而NH3的量减少B. K pθ不变,且N2,H2,NH3的量均不变C. K pθ不变,平衡时N2和H2的量将减少,而NH3的量增加D. K pθ 增加,平衡时N2和H2的量将减少,NH3的量增加4. 298K时A和B两种气体在某一溶剂中溶解的享利系数分别为k A和k B,且知k A>k B,A和B压力相同时,在该溶剂中所溶解的量是( )A. A的量大于B的量B. A的量小于B的量C. A的量等于B的量 C. A的量与B的量无法比较5. NH4HS(s) 和任意量的NH3(g) 及H2S(g) 达平衡时有( )A. C = 2,P = 2,F = 2;B. C = 1,P = 2,F = 1;C. C = 2,P = 3,F = 2;D. C = 3,P = 2,F = 3;6. 下列纯物质两相平衡有关的描述,不正确的是( )A.沸点将随压力增加而升高B. 熔点将随压力增加而升高C.蒸气压将随温度升高而加大D. 升华温度将随压力增大而升高7. 同一温度、压力下,一定量某纯物质的熵值______________ 。
南京工业大学南京工业大学物理化学C 试题(A)卷(闭)班级:学号:姓名:(请考生注意:本试卷共 9页)一.选择题。
(共10题,每题2分,请在题后括号内填上正确答案代号。
) 1、对封闭系统来说,当过程的始态和终态确定后,下列各项中没有确定值的是:( )。
A, Q; B, Q+W; C, W( Q = 0 ); D, Q( W = 0 )。
2、H2 和 Br2 混合气体温度为298 K。
在一个体积恒定的密闭绝热箱中用光引发,使其迅速化合为 HBr(g)(设光照能量忽略,气体为理想气体)。
已知298 K时ΔfH(HBr,g,298 K)=-36.4 kJ·mol-1,则此过程的:()。
A, ΔH< 0 , ΔU = 0; B, ΔH > 0 , ΔU < 0; C, ΔH > 0 , ΔU = 0;D, ΔH< 0 , ΔU > 0。
3、1 mol理想气体从相同的始态(P1,V1,T1)分别经(i)绝热可逆膨胀到达终态(P2,V2,T2); (ii)经绝热不可逆膨胀到(P’2,V’2,T’2),若P2 = P’2 ,则()。
A, T’2 > T2 , V’2 < V2 ; B, T’2 > T2 , V’2 > V2 ; C, T’2 < T2 , V’2 > V2; D, T’2 < T2 , V’2 <V2 .4、反应 FeO(s) + C(s) == CO(g) + Fe(s) 的ΔrH为正,ΔrS为正(假定ΔrH,ΔrS与温度无关),下列说法中正确的是:()。
A,低温下自发过程,高温下非自发过程; B,任何温度下均为非自发过程; C,高温下自发过程,低温下非自发过程; D,任何温度下均为自发过程。
南京工业大学5、某反应A(s) == Y(g) + Z(g)的 rG与温度的关系为:rG= (-45 000+110 T/K) J ·mol-1 ,在标准压力下, 要防止该反应发生,温度必须: ( )。
诚信考试,公平竞争;以实力争取过硬成绩,以诚信展现良好学风。
以下三种行为是严重作弊行为,学校将从严处理:1.替他人考试或由他人替考;2.通讯工具作弊;3.组织作弊。
南京工业大学大学物理 B -1 试题(A )卷(闭)2015 -2016 学年第 2 学期 使用班级 物理 B 班级班级学号姓名题号 一二三 ( 1) 三(2) 三 ( 3) 三(4) 三(5) 三(6) 四总分 得分— 选择题 (共20分)1. (本题 2分)(3001) 一运动质点在某瞬时位于矢径 r v(x , y )的端点处, 其速度大小为(A)(C)d r d t d r v d t(B)(D) d r vd t[ ]2. (本题 2分)(3072)一气球的总质量为 M ,以大小为 a 的加速度竖直下降,今欲使它以大小为 a 的加速度竖直上升,设气球在升降时的空气阻力不计、空气浮力不变,则应从气 球中抛掉压舱沙袋的质量为:(A ) 2Ma /(a + g )(B ) Ma /(a + g ) ;(C ) 2Ma / g ;(D ) Ma / g 。
[]3. (本题 2分)(3321)关于机械能守恒条件和动量守恒条件有以下几种说法,其中正确的是(A) 不受外力作用的系统,其动量和机械能必然同时守恒. (B) 所受合外力为零,内力都是保守力的系统,其机械能必然守恒. (C) 不受外力,而内力都是保守力的系统,其动量和机械能必然同时守恒. (D) 外力对一个系统做的功为零,则该系统的机械能和动量必然同时守恒.[]4. (本题 2分)(3165)如图所示,A 、B 为两个相同的绕着轻绳的定滑轮.A滑轮挂一质量为 M 的物体,B 滑轮受拉力 F ,而且 F = Mg .设 A 、B 两滑轮的角加速度分别为βA 和βB ,不计滑轮轴的摩擦,则有(A) βA =βB . (B) βA >βB .(C) βA <βB .(D) 开始时βA =βB ,以后βA <βB .[ ]d x 2 d t d t+ d y 2AMBFr R 0 有 N 个电荷均为 q 的点电荷,以两种方式分布在相同半的圆周上:一种是无规则地分布,另一种是均匀分布.比两种情况下在过圆心 O 并垂直于圆平面的 z 轴上任一点 P (如图所示)的场强与电势,则有(A) 场强相等,电势相等.(B) 场强不等,电势不等. (C) 场强分量 E z 相等,电势相等. (D) 场强分量 E z 相等,电势不等.[ ]6. (本题 2分)(5531)真空中一半径为 R 的球面均匀带电 Q ,在球心 O 处有一 电荷为 q 的点电荷,如图所示.设无穷远处为电势零点,则在 球内离球心 O 距离为 r 的 P 点处的电势为 (A) q(B) 1 q + Q .4πε0 r 4πε (C) q + Q (D) 1 q + Q - q .[ ]4πε0r4πε0 r R7. (本题 2分)(3213)一平行板电容器,两极板之间的距离为 d ,对它充电后将电源断开;然后把电容器两极板之间的距离增大到 2d ,如果电容器的电场边缘效应可忽略不计,则 (A ) 电容器的电容增大一倍; (B ) 电容器所带的电量增大一倍;(C ) 电容器两极板之间的电场强度增大一倍; (D ) 储存在电容器中的电场能量增大一倍。
南京工业大学 工程化学(A ) 试题(A )卷(闭)2005--2006 学年第1学期 使用班级 应物0501、控制0501~04 班级 学号 姓名一、选择题:(每题2分,共计30分)1. 恒压下,某反应A(s)+B(g)=2Y(g)为放热反应,则该反应 ( ) A. ΔU>0,W>0 B. ΔU<0,W<0C. ΔU>0,W<0D. ΔU<0,W>02. 设醋酸溶液的浓度为c 加水稀释一倍,则溶液中c (H +)为 ( )A.c 21B.21c K a ⋅θC.c K a 21⋅θ D.2c3. 糖水的凝固点为 ( )A.高于0℃B. 0℃C. 低于0℃D. 无法判断4. 某混合气体的压力、体积、物质的量、温度分别为p 、V 、n 、T ,其中某组分气体的分压、分体积、物质的量、温度分别为p i 、V i 、n i 、T 。
若混合气体及其组分气体均可视为理想气体,则下列关系式正确的是: ( )A 、p i V i = n i R TB 、pV i = n R TC 、p i V= n i R TD 、 p i V i = n R T5. 下列各组量子数中,合理的一组是 ( )A .n=3,l=1,m=+1,m s =+1/2B .n=4,l=5,m=-1,m s =+1/2 C. n=3,l=3,m=+1,m s =-1/2 D. n=4,l=2,m=+3,m s =-1/26. 与环境没有物质的交换,而只有能量传递的系统,叫做 ( )A.敞开系统B.封闭系统C.孤立系统D.无法判断7.下列单质的Δf H mθ不等于零的是()A.Cu(s) B.C(石墨)C.Br2(g)D.Ne(g)8.7号元素N原子中的未成对的电子数为()A.1 B.3 C.5 D.69.配制pH=9的缓冲溶液,应选用下列何种弱酸(或弱碱)和它们的共轭碱(共轭酸)来配制()A)NH2OH(Kb=9.1×10-9) B) NH3·H2O (Kb=1.8×10-5)C) HAc(Ka =1.8×10-5) D) HCOOH(Ka=1.8×10-4)10.对金属腐蚀速率与金属表面的水膜厚度关系的叙述正确的是:()A.水膜越厚,腐蚀速率越快 B.水膜越薄,腐蚀速率越快C.水膜厚度在一定范围内,腐蚀速率较快D.腐蚀速率与水膜厚度无关11.某反应在973K,1073 K,1173 K,1273 K时的平衡常数分别为0.618,0.905,1.29,1.66,此反应为()A)吸热反应 B)放热反应 C)无热量变化 D)无法判断12. 已知:A+B=M+N,ΔHθ=35 kJ·mol-1;2M+2N=2D,ΔHθ=-80kJ·mol-1,则A+B=D的ΔHθ是()A.-10 kJ·mol-1B.-5 kJ·mol-1C.-45kJ·mol-1D.25kJ·mol-113.实验证实下列反应在标准条件下均按正方向进行:2I—+2Fe3+=2Fe2++I2;Br2 + 2Fe2+ = 2Fe3++2 Br-由此判断下列标准电极电势代数值从大到小的排列顺序正确的是()A.Eθ(Fe3+/ Fe2+)>Eθ(I2/ I—)>Eθ(Br2/ Br-)B.Eθ(I2/ I—)>Eθ(Br2/ Br-)>Eθ(Fe3+/ Fe2+)C.Eθ(Br2/ Br-)>Eθ(Fe3+/ Fe2+)>Eθ(I2/ I—)D.Eθ(Fe3+/ Fe2+)>Eθ(Br2/ Br-)>Eθ(I2/ I—)14.升高温度可以增加反应速率,主要原因是( )A.增加分子总数B.增加活化分子百分数C.降低反应活化能D.使平衡向吸热方向移动15.CaC2O4的K sθ=2.6×10-9,要使0.02mol·L-1CaCl2溶液开始生成沉淀需要的C2O42-的浓度是()A.1.3×10-7 mol·L-1 B.1.0×10-9 mol·L-1C.5.2×10-10 mol·L-1 D.2.2×10-5 mol·L-1二、填空题(共30分)1.对于反应N2(g)+3H2(g)=2NH3(g),ΔHθ= -92.2kJ·mol-1。
6. 下列纯物质两相平衡有关的描述,不正确的是( )A.沸点将随压力增加而升高B. 熔点将随压力增加而升高C.蒸气压将随温度升高而加大D. 升华温度将随压力增大而升高7. 同一温度、压力下,一定量某纯物质的熵值______________ 。
A. S(气)>S(液)>S(固)B. S(固)>S(液)>S(气)C. S(气)=S(液)=S(固)D. S(液)>S(气)>S(固)8. 101325Pa,373.15K 下,水蒸发为水气,这过程系统哪一种热力学函数变化为零。
______________ 。
A. ΔU B ΔH C ΔS D ΔG9. 温度T时某一级反应A--→B,为了使A的浓度改变1/5, 需时4s, 则反应的半衰期为A. 12.42sB. 15.53sC. 4.14sD. 6.21s10.在外加电场作用下胶体粒子在分散介质中移动的现象称为(A) 电渗(B) 电泳(C) 流动电势(D) 沉降二、填空题或选择:(8小题,共14分)1. 已知某纯液体在两种温度T1、T2下对应的饱和蒸气压分别为p1、p2,则该液体的平均摩尔气化焓△H m为________________________________________________。
(2分)2. 液固相图的实验测定方法通常有(蒸气压法、热分析法)______________和(测折光率法、测溶解度法)______________ 。
(2分)3. ΔG作为过程方向与限度判据的条件是()。
(2分)4. 在温度为T时反应C(s)+O2 (g) = CO2(g)、C(s)+(1/2)O2 (g) = CO(g) 的平衡常数分别为K1、K2,则反应CO(g)+O2 (g) = CO2(g)的平衡常数为_____________________。
(1分)5. 产生物理吸附的作用力是(),产生化学吸附的作用力是()。
南京工业大学 物理化学 B 试题(A )卷(闭)
2007--2008学年 第2学期 使用班级 06级 浦江 班级 学号 姓名
题号 总分得分
一、选择题(每小题2分,共计20分)
1. 温度、压力一定时,A 、B 两物质组成理想气体混合物,则B 物质的分体积为:( )
A .
B B P RT n B . P nRT
C .P RT n B
D .B P nRT
2. 下列关于临界点的说法,正确的是:( )
A .气液两相的摩尔体积相等
B .气相摩尔体积大于液相摩尔体积
C .气体性质接近理想气体
D .临界温度随临界压力的变化而变化
3. 一定量的某理想气体恒容下由T 1升温到T 2,相同量的该气体恒压下也由T 1升温到T 2,则
两个过程热量的关系和热力学能变化的关系为:( )
A . Q V = Q p ,ΔU V = ΔU p
B . Q V < Q p ,ΔU V = ΔU p
C . Q V > Q p ,ΔU V < ΔU p
D . Q V < Q p ,ΔU V < ΔU p
4. H 2和O 2以2∶1的摩尔比在绝热的钢瓶中反应生成H 2O ,在该过程中( )是正确的。
A .ΔH = 0
B .ΔT = 0
C .ΔS = 0
D .ΔU = 0
5. 在一定的温度和压力下,已知反应A → 2B 的标准摩尔焓变为Δr H θm,1,反应2A → C 的标准摩尔焓变为Δr H θm,2, 则反应C → 4B 的Δr H θm,3 是 ( )
A .2Δr H θm,1 + Δr H θm,2
B .Δr H θm,2 - 2Δr H θm,1
C .Δr H θm,2 + Δr H θm,1
D .2Δr H θm,1 - Δr H θm,2
6. 已知某一定温度下,A 、B 、C 三种气体溶于水的亨利常数分别为400 kPa 、100 kPa 、21 kPa ,则在相同气相分压下,三种气体在水中的溶解度x A 、x B 和x C 的大小顺序为( )
A .x A >x
B >x
C ; B .x A =x B =x C ; C .x A <x B <x C ;
D .x B <x A <x C
7. A 、B 两组分在等温等压下混和形成理想液态混合物,则有( )
A .Δmix H = 0
B .Δmix S = 0
C .Δmix A = 0
D .Δmix G=0
8. A 物质在α相和β相的化学势分别为μA α和μA β,若发生A 物质从α相自发地向β相迁移,下列正确的是( )
A .μA α = μA β;
B .μA α > μA β;
C .μA α < μA β;
D .无法判断
9. 稀溶液的凝固点T f 与纯溶剂的凝固点T f * 比较,T f < T f * 的条件是:( )
A .溶质必须是挥发性的
B .溶液必须是电解质的稀溶液
C .析出的固相是纯溶质
D .析出的固相是纯溶剂
10. 已知反应2 NH 3(g) = N 2(g)+ 3 H 2(g) 的标准平衡常数为 0.25。
同一条件下反应 :
)()(2
3
)(21322g NH g H g N =+ 的标准平衡常数为( ) A . 4 B . 0.5 C .2 D .1
二、 填空题 (每小题2分,共计30分)
1. 某实际气体表现出比理想气体易压缩,则该气体的压缩因子Z 1(填>、= 或 <)
2. 物理量T (热力学温度)、m (质量)、H (焓)、A (亥姆霍兹函数)、μ(化学势)中,
属于强度量的是
3. 1mol 某理想气体经恒温可逆压缩,该过程的ΔH 0, W 0(填>、= 或 <)
4. 卡诺热机在900K 的高温热源和300K 的低温热源间工作,其效率η=
5. 理想气体经历一个不可逆循环过程,其ΔS 0(填>、= 或 <)
6. 范德华气体经历一个可逆循环过程,其ΔS 0(填>、= 或 <)
7. 1mol 某理想气体(C p,m =2.5R ),恒容下从300K 加热到400K ,该过程的ΔU= kJ ,
ΔS= J ·K -1
8. 1mol 的某理想气体(C p,m = 2.5 R ),经过绝热可逆过程,从300K 升温到400 K ,该过程的
ΔU = kJ , ΔS= J·K -1
9. 一定量的水在常压下从300K 升温到350K ,该过程的ΔH = 50 kJ ,则ΔU= kJ ,
ΔS= J·K -1
10. 反应 3NO 2(g) + H 2O(l) = 2HNO 3(l) + NO(g) 的恒压热效应Q p,m = -71.66 kJ·mol -1
,
则其恒容热效应Q v,m = kJ·mol -1
11. 298.15K 时C 2H 4(g)、C 2H 6(g) 及 H 2(g) 的标准摩尔燃烧焓Δc H θm,B 分别为:-1411 kJ•mol -1、
-1560 kJ•mol -1 及-285.8 kJ•mol -1,则反应 C 2H 4(g) + H 2(g) = C 2H 6(g) 的标准摩尔反应焓Δr H θm (298.15K) = kJ·mol -1
12. 303 K 时,饱和蒸气压分别为60 kPa 、20 kPa 的纯A 、纯B 形成的理想液态混合物,在50
kPa 下沸腾,此时平衡液相的组成x A = ;平衡气相的组成y B = 。
13.298.15K时,异丙醇和苯的饱和蒸气压分别为5.87 KPa、12.59 KPa。
现将二者在298.15K
时形成液态混合物,当液相中异丙醇的摩尔分数x = 0.70时,测得其蒸气分压为4.85 KPa,蒸气总压为13.31 KPa,则异丙醇的活度 a = ;活度因子γ= 。
14.对反应C2H4(g) + H2O(g) = C2H5OH(g) ,在恒温下增大压力,平衡将向移动;
若在恒温、恒压下加入惰性组分,平衡将向移动。
15.反应CO2(g) + H2(g) = H2O(g) + CO(g) 在1173 K时标准平衡常数Kθ= 1.22,现将含有摩
尔分数为0.5、0.25、0.25的CO(g)、CO2(g)、H2(g)的混合气体通入1173K的炉子中,总压为202.65 kPa,则平衡时H2O(g)的摩尔分数y = 。
三、计算题(50)
1.(12分)2 mol理想气体在300 K下,等温恒定终态压力膨胀,体积增加为原来的2倍,计算该过程的W、Q、ΔU、ΔH、ΔG及ΔS。
2. (12分)苯在101.325 kPa下的沸点为80.1℃,此条件下的摩尔蒸发焓Δvap H m = 30.85 kJ·mol-1。
现将1 mol液态苯在80.1℃、101.325 kPa下蒸发为苯蒸气,计算该过程的W、Q、ΔU、ΔH、ΔS及ΔG。
3. (16分)已知25℃时有下列数据
C2H4(g) H2O(g) C2H5OH(g)
Δf Hθm / kJ·mol-152.3 -241.8 -235.3
Sθm / J·mol-1·K-1219.6 188.83 282.7
对气相反应C2H4(g) + H2O(g) = C2H5OH(g)
求:(1)25℃时反应的Δr Hθm、Δr Sθm、Δr Gθm、标准平衡常数Kθ
(2)25℃时C2H5OH(g)的Δf Gθm。
已知25℃时C2H4(g)和H2O(g)的Δf Gθm分别为68.15 kJ·mol-1、-228.57 kJ·mol-1
(3)想提高反应的标准平衡常数为25℃时的2倍,应将反应的温度控制在多少℃?
(Δr Hθm视为常数)
4. (10分)测得30℃蔗糖水溶液的渗透压为252.0 KPa。
求(1)溶液中蔗糖的体积摩尔浓度;
(2)沸点升高值ΔT b。
已知水的k b = 0.52 K•kg•mol -1,溶液的密度近似等于水的密度:ρ= 1000 kg•m-3。