真空包装机维修及常见故障的排除方法
- 格式:doc
- 大小:27.00 KB
- 文档页数:3
抽真空包装机不抽真空怎么办
抽真空包装机不抽真空怎么办是问题类中询问最多的,现在小编一一为你解答,如果没有涉及到可以再次详细提问。
1、长时间的真空包装,真空泵油量不足或油质不好,导致的抽真空不好,解决办法更换真空泵油,以及不要长时间、无休止的作业;
2、管道漏气现象是非常常见的,就算是没有出现管道漏气,建议使用一年后也要进行更换;
3、电磁阀出现问题时就不要自行解决,要找技术人员帮你处理;
4、微动开关不到位,在机盖和下室之间有一个微动开关,检查并调整位置即可;
5、放气阀不能闭合,产生泄气漏气,检查放气阀是否有磨损,是否有杂物卡住;
6、控制器坏了,不过控制器有点贵,如果在保修期内,建议厂家维修;
7、真空泵出问题,让技术人员查看,一般这个难度较大,自行解决不了;
8、气囊是否破漏,一旦破漏就必须换新的;
9、真空室内加热排与硅胶条两平面之间的距离(上下加热排间隙太小),造成了在抽真空时袋口被夹住或受到局部挤压,从而使袋内空气脱气;
抽真空包装机在运行时要注意清理脏乱异物,不要让脏乱异物影响真空机的正常使用。
安装食品真空包装机前的准备工作,操作人员也应该要了解清楚,才能避免以上故障的发生。
真空包装机不封口的原因及解决方法
真空包装机已经成为我们日常生活中必不可少的包装设备,尤其是在炎热的夏季,人们更加的依赖与真空包装机。
食品的存放期总是很短的,如何来延长食品的存放日期,是人们普遍关注的话题。
我们经常使用的真空包装机有双室真空包装机和单室真空包装机,下面我们来了解下关于真空包装机不封口的原因及解决办法。
1.首先我们要检查下是否是因为管路放气阀故障,气囊排气不顺畅,如果是这样的话,要及时的进行修理和更换。
2.其次我们要检查热合的时间,检查下看是否是继电器调整不当,如果是继电器调整不当,应该及时的进行调整。
3.第三,我们要检查下看是否是传送带停靠位置不准确,如果是位置不准确,我们要适当的调整行程开关碰块。
4.第四,检查下看是否是电源、电压不稳定,如果是这样的话,我们要加装稳定电源。
5.第五,我们要看看是否是密封台的两端封口不好,如果是封口不好的话,要及时的调整托板螺钉,看螺钉是否过紧,逆时针旋转调整螺钉。
使用真空包装机要注意的事项,真空除氧除了抑制微生物的生长和繁殖外,另一个重要功能是防止食品氧化,因油脂类食品中含有大量不饱和脂肪酸,受氧的作用而氧化,使食品变味、变质,此外,氧化还使维生素A和C损失,食品色素中的不稳定物质受氧的作用,使颜色变暗。
所以,除氧能有效地防止食品变质,保持其色、香、味及营养价值。
具有很大的商业价值。
以上关于真空包装机不封口的原因及解决方法,希望能对大家有所帮助。
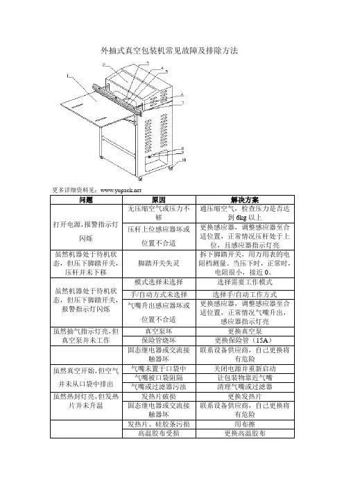
vs600外抽真空包装机的常见故障和排除方法
VS-600真空包装机是一款经济型的外抽式真空包装机,带充气功能,喷塑外壳广泛用在中小企业中。
这种真空包装机的常见故障和排除方法如下:
故障现象可能原因解决方案
打开电源,报警指示灯闪烁无压缩空气或压力不够通压缩空气,检查压力是否达到 6Kg
以上
压杆上位感应器坏或位置不合适更换感应器,调整感应器至合适位
置,正常情况压杆处于上位,且感应
器指示灯亮
虽然机器处于待机状态,但压下脚踏开关,压杆并未下移脚踏开关失灵拆下脚踏开关,用万用表的电阻档测
量,当压下时,正常时,电阻很小,
接近0
虽然真空包装机处于待机状态,但压下脚踏开关,报警指示灯闪烁模式选择未选择选择需要的工作模式
手/自动方式未选择选择手/自动工作方式
气嘴升出,感应器坏或者位置不合适更好感应器,调整感应器至合适位
置,正常情况气嘴升出,感应器指示
灯亮
虽然抽气指示灯亮,但真空泵并未工作真空泵坏更换真空泵
保险管烧坏更换保险管( 15A)
虽然真空开始,但空气并未从袋口排出气嘴未置于口袋中关闭电源并重新启动气嘴被口袋阻隔让包装物靠近气嘴气嘴或过滤器污浊清理气嘴或过滤器
虽然热封灯亮,但发热片未升温发热片损坏更好发热片
固态继电器或交流接触器损坏联系设备供应商封口不理想发热片、硅胶条污损用布擦
高温隔离布受损更换高温隔离布
硅胶条受损更换或清理
冷却时间太短增加冷却时间封口不平整硅胶条受损或使用不均更换或使用反面发热片经常破裂太长加热时间减少加热时间
太短冷却时间增加冷却时间
高温胶布受损更换胶带。
真空包装机常见故障及排除方法
真空包装机的粘合效果欠佳。
可能真空包装机温度太高或不够,有时较特殊的带子,粘性较差,温度必须很准确才可以。
可能真空包装机使用电压不够,有很多工厂的电压,往往不足,如果再使用延长线或者电缆线,造成压降,使原先调整的温度变低,甚至于马达捆紧时烧掉,所以尽量避免使用电缆线,如果一定要用延长线,则须接较粗而不要太长的电线。
可能中刀下方的635轴承破掉,如此则有加温而完全无法粘合。
可能真空机电热钢片太高太低,或偏左偏右,因此碰到上、下方的PP带,或是左、右的刀具,而无法进入加温,须视情况调整。
可能排烟的微风扇故障,使得温度太高。
外抽式真空包装机常见故障解决方法
外抽式真空包装机是近年来畅销的真空包装机类型之一,以下总结了外抽式真空包装机常见的两个故障: 一:真空包装机报警:
外抽式真空包装机设有报警指示灯,是为了更好的正常使用真空机和方便排除真空机故障。
以下是外抽式真空包装机报警原因分析,缠绕机也可以增加报警装置
1.气源没打开,或气源动力不足,检查气源是否打开或气源压是否在6kg以上。
2.压杆上位感应器坏或位置不合适,更换感应器,调整感应器至合适位置,正常情况压杆处于上位,且感应器指示灯亮。
3.操作不当,手动挡和自动挡至少有一个指标灯是亮的,才能正常操作。
否则踏下脚踏开关后指示灯报警。
二:外抽式真空包装机抽气嘴不工作
外抽式真空包装机的工作原理和食品真空包装机不同,它的操作方法是接通气源后,抽气嘴伸出,封口条下压,真空泵开始工作。
完成真空后抽气嘴回收,封口条加热。
在使用过程中,常常会遇到抽气嘴不动作的情况,原因有几下几点:
1.未接通气源:这种情况时常发生,开机后外抽式真空包装机不动作,机器不停报警,多数都是没接气源的原因
2.模式错误:外抽式真空包装机三种模式,真空模式,封口模式,充气模式。
抽了抽真空外,外抽式真空包装机还可以当封口机用,而当打在封口模式时,抽气嘴是不起作用的,所以有些客户会误操作,外抽式真空包装机不工作。
3.气缸故障:外抽式真空包装机有两个气缸分别控制封口条下压和抽气缸的动作。
当抽气嘴无反应,又排除以上两种原因时,可检查一下真空包装机的气缸是否有故障。
故障现象产生原因排除方法有电源整机不动作a电压过低,保险丝烧断,或空气开关跳开;b、泵卡死,或因为泵电机启动困难(气温过低,泵油太稠);c、在电源指示灯亮时,行程开关错位或急停开关处于急停状态;d、真空时间延时器,时间延时不够。
★特刑是220V交流(单相)型机时,一定要解决使用低电压低的问题,一般不能在负荷时低于190V:★检查泵是否有机械卡死情况,并同时注意检查是否是由于气温太低造成的油阻塞或是电机接线的可靠性问题:★分别找出各部位故障存在的可能性,并排除或更换,严禁东拆西卸。
真空度上不去(真空度不好)从真空表上看、真空度可以、但袋内真空度差机器真空泵存在缺油或油号,油质的问题:b、机器真空主管道和气囊管路有漏气现象;c、真空时间太短:d、真空室、盖密封不好:e、真空室内加热排与z胶奈两平面之间的距离(上下加热排间隙)太小,造成了在抽真空时袋口被夹住或受到局部挤压,抑制了袋内空气脱气。
★检查泵油,并进行正确的处理:★将机器抽到最高真空压力时,将总电源关闭,通过耳听、手摸等方法检漏,并及时进行处理:★调整真空延时器,延长真空时间:★更换室盏密封条:★适当调紧气囊总成两端的压板弹簧,或检查气囊封合质量不佳冷却时间太短:温度过高或过低:c、上下加热排位置不吻合;d、气囊漏气,压袋力不够;e、加热排加热片和高温布不平整,并由于包装某种产品的原因,该表面有结疤或灼化物。
★调整玲却延时器延长时间:★调整封合时间和电压,一般根据复合袋的热封性能来调整,注意电压与时间的吻合:★调整下加热胶条位置:★更换气囊:★更换高温布、加热片并可靠安装。
整机自动程序不能完整运行,不转下程序真空延时一封合延时一冷却延时,这三只延时器有一只损坏.就不会转下程序:b、某一只延时器接插座松动或某部位接触不良。
★根据真空包装机原理性工作顺序中,在哪一步骤出现不转程序或停止,即对该只延时器进行更换:★排除松动与接触不良现象。
加热片、高温布烧焦冒烟在机器调试正常后,对每一种型号机器而言.必须做到只要机器(有响声)或真空泵一旦启动.真空室盖必须马上吸咐到下室或平板上去,否则会产生“空载加热”现象。
真空包装机使用中的故障问题
真空包装机是现在很多食品行业使用的包装机械,这种包装机械的主要功能就是将产品内的空气进行抽干,但是这种机械不可避免的肯定会出现故障问题,关于真空包装机的常见问题今天小编简单介绍一下:
1.真空包装机真空度低
针对真空包装机出现的这种情况,不利于食品的新鲜度,因此我们要清洗真空泵,更换真空泵油,清洗或者是更换排气过滤器,漏气的话在抽真空后,关闭电源,检查电磁阀、管接头、真空泵吸气阀以及工作室周围的密封垫有无漏气现象。
2.抽真空时噪音大
针对抽真空时噪音大,这会影响我们的工作环境,若真空泵联轴器磨损或者是破裂,要及时更换;检查电磁阀是否有漏气现象并排除,同时也要检查排气过滤堵塞或安装位置是否正确。
3.真空泵漏油
如果真空泵油出现漏油现象时,要卸下回油阀,清洗,如果油窗松动,卸下油窗,缠上生料带或者是薄膜。
4.加热不停止
即时调整时间继电器与插座接触或更换,控制加热交流接触器不复位时,要进行即时修复或更换。
5.封口不平或不封口现象
调整好加热时间与加热温度;加热布上有附着物时要即时的清洗和更换,若气囊破损,要即时的更换,以防止影响正常的工作。
6.出现跑袋现象
更换或清洗加压阀。
当加压气路通气不畅时,理顺并疏通加压气路。
真空包装机在食品包装行业中不可缺少,因此在使用过程中也会出现许多的问题,到那时该怎么办呢?寄回厂里吧,又太过麻烦,自己修吧,又不会。
所以说麦格小编就说了一下,如果您了解了真空包装机的简单故障问题,可以完全自己解决,如果是实在解决不了的话,可以联系我们青岛麦格,我们的服务人员会为您解决。
工业真空包装机维修手册一、序言工业真空包装机是一种用于食品、医药等行业的重要设备,它可以有效地延长产品的保质期和保持产品的新鲜度。
然而,随着设备的使用时间延长,难免会出现一些故障和需要维修的情况。
为了帮助操作员能够准确、迅速地解决问题,本手册将详细介绍工业真空包装机的维修方法和步骤。
二、维修前的注意事项在进行真空包装机维修前,操作员需要注意以下几点:1. 安全第一:确保在维修过程中,设备已经断电并停止运行,避免任何意外伤害的发生。
2. 熟悉设备:了解真空包装机的工作原理和各个部件的功能,以便准确识别问题所在。
3. 工具准备:配备必要的工具和备件,以便在维修过程中能够迅速更换故障件。
4. 记录维修过程:在维修过程中,及时记录每一个步骤和操作,以便在维修结束后进行总结和复盘。
三、常见故障及解决方法1. 真空度不够:若真空包装机的真空度不够,可能是由于密封不良或抽气系统故障导致。
此时,操作员可以按照以下步骤进行解决:a. 检查密封圈是否完好,如有破损或老化需要更换。
b. 检查抽气泵和抽气阀是否正常工作,如有故障则需要修复或更换。
c. 清洁真空室内的各个部件,确保无异物影响真空度。
2. 包装不牢固:若真空包装机无法将包装袋完全封闭,可能是由于加热系统故障或传动系统问题。
解决方法如下:a. 检查加热线圈和加热棒是否正常工作,如有损坏则需要更换。
b. 检查传动带、轴承等传动部件是否松动或磨损,如有问题需要进行修复或更换。
3. 控制系统故障:若真空包装机的控制系统出现故障,可能会导致设备无法正常运行或无法进行参数调整。
解决方法如下:a. 检查导线连接是否正常,如有松动或损坏需及时修复。
b. 检查控制面板是否存在故障,如需要更换面板。
c. 检查传感器的工作状态,如需要更换。
四、维修后的操作测试在完成真空包装机的维修后,操作员需要进行一系列的操作测试,以确保设备已经恢复正常。
具体测试内容如下:1. 真空度测试:使用真空度测试仪器检测设备的真空程度,确保符合要求。
真空包装机的小问题解析
首先,真空包装机的真空度低的问题。
这可能是由于泵油污染、过少或过稀造成,我们应该清洗真空泵,更换新真空泵油;抽气时间太短也可能造成真空度低,我们延长抽气时间即可;如果出现抽气过滤器堵塞,可以清洗或者更换排气过滤器。
其次,真空包装机的噪音大。
由于在工作当中真空泵联轴器磨损或破裂,这样会造成很大的噪声,这时候我们只需要更换即可;排气过滤器堵塞或安装位置不正也会造成设备噪声大,我们只需清洗或更换排气过滤器并安装正确。
第三,真空包装机的真空泵喷油,由于吸气阀O型圈脱落导致真空泵喷油,我们只需拔下泵嘴上的真空管,卸下抽气嘴,取出压簧和吸气阀,轻轻拉伸O型圈几次,重新将其嵌入凹槽内,再安装即可;旋片磨损也会造成喷油,我们只需更换旋片。
真空包装机真空度不好的原因
真空包装机真空度不好,是我们常见的问题,使用真空包装机包装的产品不会受环境的污染,可以有效的延长产品的保质期,能提高产品的价值和品质。
我们在使用真空包装机的时候经常会遇到真空度不好,是什么原因造成的呢?真空机封口效果差的解决办法?下面我们来具体的了解下真空包装机真空度不好的原因及解决方法。
1.真空包装机真空度不好,首先我们要检查下电热棒,看看电热棒有没有升起。
2.其次,我们要检查托板调整弹簧拆断或托板调整螺钉脱落,这个时候我们要更换弹簧、紧固螺钉。
3.第三,真空包装机气囊托板两端两只导柱不平行,这个时候我们要进行修理调整。
4.第四,电磁阀Y3故障气囊不抽气,这个时候我们要更换电磁阀气囊。
5.第五,气囊漏气,会导致真空包装机真空度不好,直接更换气囊解决问题。
6.第六,包装带漏气,这个时候我们直接报废就可以了。
以上是关于真空包装机真空度不好的原因及解决办法,希望能给大家带来帮助。
真空包装机的使用给食品行业带来了利润,原先保质期很短的物品,经过真空包装,保质期至少提高了一半以上,如果您还有什么关于真空包装机方面的问题不明白的,详情请致电麦格:。
真空包装机常见故障及排除方法不会抽真空或真空度不高a、检查真空泵是否反转,即旋转方向是否与电机箭头相符,如果一致则及时调整相位。
b、新机使用时,可能由于真空盖密封圈与工作到平面未很好的密封,故需在真空盖上稍加压力,使机盖与工作室完全密封。
c、检查单室真空包装机微动开关接触是否良好,双室真空包装包装机行程开关是否到位,如果不是则需调整微动开关或行程开关的位置。
d、放气阀关闭不严,产生泄漏,检查放气电磁愧前茅芯(橡胶),有否磨损,污染或阀芯中心偏移,如有前面所说的情况出现,则必须及时维修或更换。
e、检查管路各部位是否有泄漏或松动。
2、热封质量不好a、检查包装袋口处是否洁净,要避免封口处有污物。
b、检查镍铬带是否工作正常,是否有短路。
断路现象。
3、主板故障部分a、机内主板电路,应保质清洁下地下千燥,表面上不得有金属异物,以免使主板内部短路或程序混乱。
b、不抽真空或不热封,产生跳跃动作是相对应的开关座脚未插实,或按键损坏。
c、数显板显示缺划或动作指示不显示,是数显板座脚松动不实或数显板部分损坏。
九、维修保养1、操作前必须详看说明书,熟悉调整和使用方法。
2、按真空泵说明书规定,对真空机定期保养、加油、并严格注意不允许逆转,以免造成泵的损伤和泵倒转,真空油倒喷泵内到真空系。
3、经常检查机器接地线是否接触良好,保证用电安全。
4、经常检查热封支架封口染布(聚四氟乙烯)上有无异物,是否乎整,确保封口强度。
5、发现故障时,应及时关闭电源,必要时;要按急停按钮-,待放气后,提起机盖,然后关掉电源,检查原因,排除故障。
6、当电磁阀发生故障时:首先;卸下开关面板,然后从真空室上卸下电磁阀支架,取下电磁阀进行更换。
vs600外抽真空包装机的常见故障和排除方法
VS-600真空包装机是一款经济型的外抽式真空包装机,带充气功能,喷塑外壳广泛用在中小企业中。
这种真空包装机的常见故障和排除方法如下:
故障现象可能原因解决方案
打开电源,报警指示灯闪烁无压缩空气或压力不够通压缩空气,检查压力是否达到 6Kg
以上
压杆上位感应器坏或位置不合适更换感应器,调整感应器至合适位
置,正常情况压杆处于上位,且感应
器指示灯亮
虽然机器处于待机状态,但压下脚踏开关,压杆并未下移脚踏开关失灵拆下脚踏开关,用万用表的电阻档测
量,当压下时,正常时,电阻很小,
接近0
虽然真空包装机处于待机状态,但压下脚踏开关,报警指示灯闪烁模式选择未选择选择需要的工作模式
手/自动方式未选择选择手/自动工作方式
气嘴升出,感应器坏或者位置不合适更好感应器,调整感应器至合适位
置,正常情况气嘴升出,感应器指示
灯亮
虽然抽气指示灯亮,但真空泵并未工作真空泵坏更换真空泵
保险管烧坏更换保险管( 15A)
虽然真空开始,但空气并未从袋口排出气嘴未置于口袋中关闭电源并重新启动气嘴被口袋阻隔让包装物靠近气嘴气嘴或过滤器污浊清理气嘴或过滤器
虽然热封灯亮,但发热片未升温发热片损坏更好发热片
固态继电器或交流接触器损坏联系设备供应商封口不理想发热片、硅胶条污损用布擦
高温隔离布受损更换高温隔离布
硅胶条受损更换或清理
冷却时间太短增加冷却时间封口不平整硅胶条受损或使用不均更换或使用反面发热片经常破裂太长加热时间减少加热时间
太短冷却时间增加冷却时间
高温胶布受损更换胶带。
真空包装机维修及常见故障的排除方法(总3页)-CAL-FENGHAI.-(YICAI)-Company One1-CAL-本页仅作为文档封面,使用请直接删除真空包装机维修及常见故障的排除方法真空包装机维修及常见故障的排除方法如下:故障现象原因排除方法真空泵不工作或有严重噪声 1、电源缺相或熔断器断路2、真空泵反转3、IC主接触点接触不良4、ISJ常闭触点不良 1、检查电源进线或换熔芯2、电源换相3、调整或换新4、调整或换新真空泵超时不停 ISJ不工作检修或换新达不到规定的极限真空度 1、真空泵油太少或污染2、真空泵冒烟或漏气3、气路封闭不严密4、2DT铁芯卡死不复位 1、加油或换油2、清洗真空泵,换新排气过滤器,检查止回阀33、检查气路,消除泄漏4、检修或清洗真空不尽或无真空 1、包装袋漏气2、真空时热封气室无真空3、1DT铁芯上密封垫或磁罩中密封圈泄漏 1、换新包装袋2、1DT不工作,检修排除3、检修或换新无热封 1、镍铬皮烧掉2、热封回路线松动,断路3、2C主触点接触不良4、2C不工作 1、换新2、扭紧,重新连接3、调整或换新4、检查1SJ常开2SJ常闭触点是否良好封口强度不够 1、温度时间调节太低太短2、真空时间调节太短3、热封气室破裂1、重新调整42、重新调整使其≤-0.08Mpa3、换新封口平面不平整或熔蚀 1、温度时间调节太高太长2、2SJ不工作 1、重新调节2、检修或换新(发现热封延时超长,应及时切断电源)热封结束后无回气 1、2SJ常开接触不良2、2DT不工作 1、调整或换新2、检修或排除故障5。
盒式真空包装机部分常见问题
盒式真空包装机可能故障原因:没有包装膜;解决措施:更换新的包装膜。
系统故障可能故障原因:控制器自检故障。
解决措施:与供应商联系;如果故障已排除,只需按ESC 键系统将自动回复称运行画面。
盒式真空包装机故障现象:1、切断位置偏离色标2、切刀切在产品上3、封口处出现焦皱痕迹4、封口不牢或漏封5、温度表不能控制温度。
食品盒式真空包装机常见故障原因分析:1、色标跟踪未开启、薄膜色标颜色太淡、薄膜驱动打滑。
2、推杆与切刀未同步、刀座太高或太低、包装速度太快。
3、温度太高、速度太慢、包膜外层耐热性差。
4、温度太低、速度太快、包膜内层热封性差。
5、发热体损坏、固态继电器烧坏、热电偶损坏、温控表损坏。
全自动盒式真空包装机排除方法:1、在人机界面跟踪方式界面中,将跟踪方式切换到"跟踪切";参见随机电眼说明书,调整电眼感测灵敏度;调节胶棍压力或刹车松紧。
2、参见说明书调整推指位置;调节端封部件高低,使封刀啮合中心处于产品高度的中间位置;降低包装速度。
3、调降温度;调快速度;更换薄膜材质。
4、更换发热体、换固态继电器、更换执电偶、更换温控表。
单室真空包装机的三种常见故障我们都知道单室真空包装机是真空包装机之中比较小的一款真空包装机设备,我们青岛麦格生产的单室真空包装机从400-800都有,主要是看包装尺寸的要求来决定的,一般的真空包装机除了易损件的更换很少出现故障问题,但是我们在使用真空包装机时总会出现不同状况的故障问题,下面麦格小编就简单介绍一下单室真空包装机的常见故障问题:1、真空包装机不抽真空或者是真空度不高时怎么办?1)真空泵是否反转,检查真空泵旋转方向是否与真空泵上点击的箭头相符,则须调整正确;2)刚购买的单室真空包装机,在使用时,可能真空室的上盖与下盖之间的平面不够温和,我们在盖真空室时要稍微用力,使真空室的上盖与面板吻合;3)行程开关不到位,调整行程开关限位片的位置。
4)时间继电器失控,更换。
5)放气阀关闭不严,产生泄漏,检查放气电磁阀、阀芯(橡胶)。
有否磨损,污染或阀芯中心偏移。
6)检相管路各部位是否有泄漏或松动。
2、热封质量不好1)检查包装袋口处是否清洁,要避免封口处沾污。
2)检查镍铬带是否工作正常,有否短路、断路现象。
3)热封温度、热封时间是否选择适当。
4)检查下热压的气囊有否泄漏。
5)热封电磁阀工作不正常。
3、抽完真空后不能放气,真空室打不开。
1)时间继电器失控,触点接触不良或损坏。
2)无电源,检查电源电路。
3)检查放气电磁阀是否正常工作。
以上就是麦格小编介绍的就是单室真空包装机的常见三种故障问题,一般的话真空包装机很少出现故障问题,一般就是易损件的损坏,需要更换,而且我们青岛麦格生产的真空包装机采用的是304不锈钢制作,品质更有保证,如果有需要的客户可以联系我们。
真空包装机维修及常见故障的排除方法 真空包装机维修及常见故障的排除方法如下:故障现象
原因排除方法
真空泵不工作或有严重噪声1、电源缺相或熔断器断路
2、真空泵反转
3、IC主接触点接触不良
4、ISJ常闭触点不良1、检查电源进线或换熔芯
2、电源换相
3、调整或换新
4、调整或换新
真空泵超时不停ISJ不工作检修或换新
达不到规定的极限真空度1、真空泵油太少或污染
2、真空泵冒烟或漏气
3、气路封闭不严密
4、2DT铁芯卡死不复位1、加油或换油
2、清洗真空泵,换新排气过滤器,检查止回阀
3、检查气路,消除泄漏
4、检修或清洗
真空不尽或无真空1、包装袋漏气
2、真空时热封气室无真空
3、1DT铁芯上密封垫或磁罩中密封圈泄漏1、换新包装袋
2、1DT不工作,检修排除
3、检修或换新
无热封1、镍铬皮烧掉
2、热封回路线松动,断路
3、2C主触点接触不良
4、2C不工作1、换新
2、扭紧,重新连接
3、调整或换新
4、检查1SJ常开2SJ常闭触点是否良好
封口强度不够1、温度时间调节太低太短
2、真空时间调节太短
3、热封气室破裂
1、重新调整
2、重新调整使其≤-0.08Mpa
3、换新
封口平面不平整或熔蚀1、温度时间调节太高太长2、2SJ不工作1、重新调节
2、检修或换新(发现热封延时超长,应及时切断电源) 热封结束后无回气1、2SJ常开接触不良
2、2DT不工作1、调整或换新
2、检修或排除故障。