工程土质分类表
- 格式:doc
- 大小:16.00 KB
- 文档页数:1
一、土分类的思路本质上来说,土的分类思路无非以下三种:1、根据粒组(粒径大小)的组成及相对含量划分;2、含水量影响土的性质,即塑性指标划分;3、有机质的含量;我们不妨先看看已有分类名称,有个大体印象先:但是感觉还是有点懵逼。
表1代号表名称土的工程分类代号名称基本代号B漂石BSl混合土漂石C黏土CbSl混合土卵石Cb卵石CH高液限黏土F细粒土CHG含砾高液限黏土G砾CHO有机质高液限黏土H高液限CHS含砂高液限黏土L低液限CL低液限黏土M粉土CLG含砾低液限黏土O有机质土CLO有机质低液限黏土P级配不良CLS含砂低液限黏土S砂GC黏土质砾Sl混合土GF含细粒土砾W级配良好GM粉土质砾GP级配不良砾GW级配良好砾MH高液限粉土MHG含砾高液限粉土MHO有机质高液限粉土MHS含砂高液限粉土ML低液限粉土MLG含砾低液限粉土MLO有机质低液限粉土MLS含砂低液限粉土SC黏土质砂SF含细粒土砂SlB漂石混合土SlCb卵石混合土SM粉土质砂SP级配不良砂SW级配良好砂理解了分类的思路后,就要进行更进一步分类,就要知道分类的指标有哪些,哪些可以直接现场判定?哪些指标必须要做试验?小编总结如下:(1)土粒径大小;(2)粒组相对含量(15%、50%、70%等);(3)级配(不均匀系数Cu、曲率系数Cc);(4)塑性指数Ip、液限Wl;(5)有机质含量;当粒径比较大时,土的性质主要取决于粒径大小和它们的特征,此时,级配便成为了评价的主要指标;当粒径比较小时,土的性质主要取决于颗粒与水的相互作用,即塑性;而评价级配指标,通过不均匀系数Cu和曲率系数Cc,评价塑性通过液限和塑性指数。
下面讲讲哪些指标可以现场(肉眼等)鉴定,哪些指标必须通过试验才能确定。
分类指标现场肉眼鉴别试验粒径大小目测仪器量测粒组相对含量摊平目测估计筛分级配(Cu、Cc)目测筛分塑性指数Ip、液限Wl 干强度、手捻、搓条、韧性和摇震反应等代替塑性仪器测定有机质含量闻气味、眼睛观察仪器测定二、野外现场简易鉴定土的类别土的分类包括现场简易鉴别和根据取土试验指标分类。
1 地质勘察岩心鉴定和描述一.土的分类和定名(一)、土的分类——按颗粒粒径大小1.漂石(块石)漂石(浑圆、圆棱)或块石(尖棱、次尖棱)粒径(漂石(浑圆、圆棱)或块石(尖棱、次尖棱)粒径(mm mm mm))大d >800 800 中中400400<<d ≤800 800 小小200200<<d ≤400400;;2.卵石(碎石)卵石(浑圆、圆棱)或碎石(尖棱、次尖棱)粒径(卵石(浑圆、圆棱)或碎石(尖棱、次尖棱)粒径(mm mm mm))大6060<<d ≤200 200 中中4040<<d ≤60 60 小小2020<<d ≤4040;;3. 3. 圆砾(角砾)圆砾(角砾)圆砾(浑圆、圆棱)或角砾(尖棱、次尖棱)粒径(圆砾(浑圆、圆棱)或角砾(尖棱、次尖棱)粒径(mm mm mm))大1010<<d ≤20 20 中中5<d ≤10 10 小小2<d ≤5;4. 4. 砂粒砂粒砂粒粒径(粒径(mm mm mm))粗0.50.5<<d ≤2 2 中中0.250.25<<d ≤0.5 0.5 细细0.0750.075<<d ≤0.25 5. 5. 粉粒粉粒粒径(粒径(mm mm mm))0.0050.005<<d ≤0.075 6. 6. 黏土粒黏土粒粒径(粒径(mm mm mm))d <0.005(二)、土的定名——按《铁路工程岩土分类标准》(TB10077-2001TB10077-2001)执行)执行1.漂石(块石)土:粒径大于20cm 的颗粒超过总质量的50% 2.卵石(碎石)土:粒径大于2cm 的颗粒超过总质量的50% 3.圆砾(角砾)土:粒径大于2mm 的颗粒超过总质量的50% 4.砾砂土:粒径大于2mm 的颗粒占总质量的25-50%5.粗砂土:粒径大于0.5mm 的颗粒超过总质量的50% 6.中砂土:粒径大于0.25mm 的颗粒超过总质量的50% 7.细砂土:粒径大于0.075mm 的颗粒超过总质量的85% 8.粉砂土:粒径大于0.075mm 的颗粒超过总质量的50% 9.粉土:塑性指数等于或小于1010,且粒径大于,且粒径大于0.075mm 的颗粒的质量不超过全部质量的50% 1010.粉质黏土:粉粒小于黏粒,塑性指数.粉质黏土:粉粒小于黏粒,塑性指数10-171111.黏土:主要由黏粒组成,塑性指数大于.黏土:主要由黏粒组成,塑性指数大于17注:定名时应根据颗粒级配,由大到小,以最先符合者确定注:定名时应根据颗粒级配,由大到小,以最先符合者确定。
占时间 (min/m)土的分类土的级别土的名称坚实系数f二类土(普通土)三类土(坚土)四类土(砂砾坚土)Ⅰ砂土、粉土、冲积砂土层;疏松的种植土、淤泥(泥炭)0.5~0.6Ⅱ粉质粘土;潮湿的黄土;夹有碎石、卵石的砂;粉质混卵(碎)石;种植土、填土0.6~0.8坚硬密实的粘性土或黄土;汗碎石、卵石的中等密实是粘性土或黄土;粗卵石;天然级配砾石;软泥灰岩1.0~1.5Ⅲ软及中等密实粘土;重粉质粘土、砾石土;干黄土、含有碎石卵石的黄土、粉质粘土,压实的填土0.8~1.0Ⅳ一类土(松软土)五类土(软石)六类土(次坚石)七类土(坚石)Ⅹ~ⅫⅠ大理岩、辉绿岩;玢岩;粗、中粒花岗岩;坚实的白云岩、砂岩、砾岩、片麻岩、石灰岩;微风化安山岩、玄武岩10.0~18.018.0~25.0以上泥岩、砂岩、砾岩;坚实的页岩、泥灰岩、密实的石灰岩;风化花岗岩、片麻岩及正长岩4.0~10.0ⅪⅤ~ⅩⅥ安山岩、玄武岩;花岗片麻岩;坚实的细粒花岗岩、闪长岩、石英岩、辉长岩、辉绿岩、玢岩、角闪岩Ⅴ~Ⅵ硬质粘土;中密的页岩、泥灰岩、白垩土;胶结不紧的砾岩;软石灰岩及贝壳石灰岩1.5~4.0Ⅶ~Ⅸ八类土(特坚石)密度(kg/m3)开挖方法及工具1100~1600用锹、锄头挖掘,少许用镐翻松1900整个先用镐、撬棍,后用锹挖掘,部分用楔子及大锤600~1500用锹、锄头挖掘,少许用脚蹬1750~1900主要用镐,少许用锹、锄头挖掘,部分用撬棍2500~3100用爆破方法开挖2200~2900用爆破方法开挖,部分用风镐2700~3300用爆破方法开挖1100~2700用镐或撬棍、大锤挖掘,部分使用爆破方法。
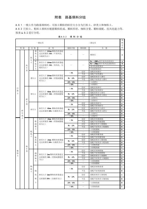
附表路基填料分组
A.0.1一般土作为路基填料时,可按土颗粒的粒径大小分为巨粒土、砂类土和细粒土。
A.0.2巨粒土、粗粒土填料应根据颗粒组成、颗粒形状、细粒含量、颗粒级配、抗风化能力等,按表A.0.2进行分组。
表A.0.2 填料分组
(续上表)
注:1 颗粒级配分为良好(C u≥5,且C c=1~3)和不良(C u<5,且C c≠1~3)。
式中:不均匀系数C u=d60/d10;曲率系数C c=d302/(d10×d60)
d10、 d30、 d60分别为颗粒级配曲线上相应于总质量10%、30%、60%含量颗粒的粒径。
2 硬块石为单轴饱和抗压强度R c>30MPa的块石;软块石为单轴饱和抗压强度R c≤30MPa的块石。
3 细粒含量指黏粒(d≤0.075mm)的质量占总质量的百分数。
占时间 (min/m)土的分类土的级别土的名称坚实系数f二类土(普通土)三类土(坚土)四类土(砂砾坚土)Ⅰ砂土、粉土、冲积砂土层;疏松的种植土、淤泥(泥炭)0.5~0.6Ⅱ粉质粘土;潮湿的黄土;夹有碎石、卵石的砂;粉质混卵(碎)石;种植土、填土0.6~0.8坚硬密实的粘性土或黄土;汗碎石、卵石的中等密实是粘性土或黄土;粗卵石;天然级配砾石;软泥灰岩1.0~1.5Ⅲ软及中等密实粘土;重粉质粘土、砾石土;干黄土、含有碎石卵石的黄土、粉质粘土,压实的填土0.8~1.0Ⅳ一类土(松软土)五类土(软石)六类土(次坚石)七类土(坚石)Ⅹ~ⅫⅠ大理岩、辉绿岩;玢岩;粗、中粒花岗岩;坚实的白云岩、砂岩、砾岩、片麻岩、石灰岩;微风化安山岩、玄武岩10.0~18.018.0~25.0以上泥岩、砂岩、砾岩;坚实的页岩、泥灰岩、密实的石灰岩;风化花岗岩、片麻岩及正长岩4.0~10.0ⅪⅤ~ⅩⅥ安山岩、玄武岩;花岗片麻岩;坚实的细粒花岗岩、闪长岩、石英岩、辉长岩、辉绿岩、玢岩、角闪岩Ⅴ~Ⅵ硬质粘土;中密的页岩、泥灰岩、白垩土;胶结不紧的砾岩;软石灰岩及贝壳石灰岩1.5~4.0Ⅶ~Ⅸ八类土(特坚石)密度(kg/m3)开挖方法及工具1100~1600用锹、锄头挖掘,少许用镐翻松1900整个先用镐、撬棍,后用锹挖掘,部分用楔子及大锤600~1500用锹、锄头挖掘,少许用脚蹬1750~1900主要用镐,少许用锹、锄头挖掘,部分用撬棍2500~3100用爆破方法开挖2200~2900用爆破方法开挖,部分用风镐2700~3300用爆破方法开挖1100~2700用镐或撬棍、大锤挖掘,部分使用爆破方法。
1.6地基岩土工程分类不同的土,其性质相差很大,为了评价岩土的工程性质以及进行地基基础的设计与施工,必须根据岩土的主要特征,按工程性能近似的原则对岩土进行工程分类。
通过工程分类可以大致判断岩土的工程特性,评价岩土作为建筑材料的适宜性以及结合其他指标来确定地基的承载力等。
岩土的分类方法很多,不同的部门根据其用途采用不同的分类方法。
在建筑工程中,土是作为地基以承受建筑物的荷载,因此着眼于岩土的工程性质以及地质成因的关系进行分类。
在《建筑地基基础设计规范》(GB 5007-2002)中,把作为建筑物地基的岩土,分为岩石、碎石土、砂土、粘性土、粉土、人工填土六类。
现分别对以上六类岩土的工程分类分述如下:1.6.1 岩石的工程分类岩石是指颗粒间牢固联结,是整体或具有节理、裂隙的岩体。
作为建筑场地和建筑地基的岩石可按下列原则分类:1.按成因分为岩浆岩、沉积岩和变质岩。
2.根据坚硬程度分为坚硬岩、较硬岩、较软岩、软岩和极软岩。
见表1表1.岩石按坚硬程度分类其中f rk>30为硬质岩石,如花岗岩、闪长岩、玄武岩、石灰岩、石英砂岩、硅质砾岩、花岗片麻岩、石英岩等;f rk<30为软质岩石,如页岩、粘土岩、绿泥石片岩、云母岩等。
3.在建筑场地和地基勘察工作中,一般根据岩石由于风化所造成的特征,包括矿物变异,结构和构造,坚硬程度以及可挖掘性或可钻性等,将岩石按风化程度分为微风化、中等风化、和强风化三个等级。
见表1表1.岩石按坚硬程度分类1.6.2 碎石土的工程分类碎石土是粒径大于2mm的颗粒含量超过全重的50%以上的土。
碎石土根据粒组含量及颗粒形状分为:漂石或块石、卵石或碎石、圆砾或角砾。
具体分类标准见下表1所示表1.碎石土的工程分类注:定名时应按粒组含量由大到小以最先符合者确定。
1.6.3 砂土的工程分类砂土是指粒径大于2mm的颗粒含量不超过全重50%、粒径大于0.75mm的颗粒超过全重50%的土。
砂土按粒组含量分为砾砂、粗砂、中砂、细砂和粉砂。
册说明一、市政道路、桥梁工程预算定额包括:道路工程和桥梁工程两部分。
道路工程包括:土方工程,路基处理,道路基层,道路面层,人行道及其他,挡土墙,室外道路等共七章;桥梁工程包括:土石方工程,桩基工程,现浇混凝土构件,预制混凝土构件,砌筑工程,立交箱涵,钢结构工程,装饰工程,其他,钢筋工程,拆除工程,措施项目等共十二章。
二、定额中注明的材料材质、规格、型号与设计要求不同时,材料价格可以换算。
三、预拌混凝土价格中不包括外加剂和混凝土输送泵费用,发生时另行计算。
四、定额中混凝土定额子目内不含钢筋、预埋件。
五、定额中所有涉及预制混凝土构件安装、金属构件安装工作内容的定额均不包括构件厂至施工现场仓库或现场指定堆放点运输.六、桥梁工程中的沥青混凝土桥面铺装项目执行道路工程相应定额.七、道路工程措施项目执行桥梁工程第十二章措施项目相应定额。
第一章土方工程说明一、本章包括:挖填土及运输等共10个子目.二、路床土方定额以机械施工为主编制,实际施工方法与定额不同时不得调整.三、本定额已综合考虑了各种土质(山区及近山区除外)使用时不得调整.四、运距确定:建设单位提供土源或指定弃土场时按实际运距计算。
内部平衡土运距以施工组织设计确定运距计算。
五、土方运输每增1km子目适用于1km平衡土、1km装运土方、1km旧路材料装运.工程量计算规则一、道路土方挖填数量按设计图示尺寸以体积计算,计算方法规定如下:1.挖路床土方:按土方计算表中挖方的合计数量计算。
2.填土压实:按土方计算表的填方合计数计算.3.3.平衡土运输:填土压实量×1.2;石灰土用量×1。
1。
4.装运土方(含运弃、借土)一挖路床土方量一平衡土方量,计算结果正值为运弃,负值为运借.二、挖土质边沟按设计图示尺寸以体积计算.第三章道路基层说明一、本章包括:路床(槽)整形,石灰稳定土,水泥稳定土,石灰、粉煤灰、碎(砾)石,砂砾石、粗砂,碎石,水泥稳定碎石,混凝土基层等八节共60个子目。
1.1 土的工程分类及性质一、土的工程分类在建筑施工中,按照开挖的难易程度,土可分为八类:一类土(松软土)、二类土(普通土)、三类土(坚土)、四类土(砂砾坚土)、五类土(软石)、六类土(次坚石)、七类土(坚石)、八类土(特坚石),详见表1.1(P2)。
一至四类为土,五至八类为岩石。
二、土的工程性质1、土的密度(1)土的天然密度土在天然状态下单位体积的质量,称为土的天然密度,用ρ表示:V m=ρ (1.1)式中:m ——土的总质量;V ——土的天然体积。
(2)土的干密度单位体积中土的固体颗粒的质量称为土的干密度,用d ρ表示:V m s d =ρ(1.2) 式中:s m ——土中固体颗粒的质量;V ——土的天然体积。
注:土的干密度越大,表示土越密实。
工程上把土的干密度作为评定土体密实程度的标准,以控制基坑底压实及填土工程的压实质量。
2、土的含水量土的含水量ω是土中水的质量与固体颗粒质量之比,以百分数表示,即%100m m s w ⨯=ω(1.3) 式中:w m ——土中水的质量;s m ——土中固体颗粒质量注:土的干湿程度用含水量表示。
5%以下称干土、5%—30%称潮湿土、30%以上称湿土。
含水量越大,土就越湿,对施工越不利。
3、土的可松性自然状态下的土经开挖后,其体积因松散而增大,以后虽经回填压实,其体积仍不能恢复原状,这种性质称为土的可松性。
土的可松性程度用可松性系数表示,即12s V V K =(1.4)13's V V K = (1.5)式中:s K ——土的最初可松性系数;'s K ——土的最终可松性系数;1V ——土在天然状态下的体积;2V ——土被挖出后在松散状态下的体积;3V ——土经压实后的体积。
注:土的可松性对土方量的平衡调配、确定场地设计标高、计算运土机具的数量、确定基坑(槽)开挖时的留弃土量及计算填方所需挖方体积等均有很大影响。
各类土的可松性系数见表1.1(P2)。
第一章土的组成及结构分类土的分类是工程地质学中重要的基础理论课题。
对种类繁多、性质各异的土,按一定的原则进行分门别类,以便合理的选择研究内容和方法,针对不同工程建筑的要求,对不同的土给以正确的评价,为合理利用和改造格雷土提供客观实际的依据。
因此,在各类工程地质勘察中,都应该把研究区域内的各种土进行分类,并反映在工程地质平面图和剖面图上,作为设计施工和分析研究的依据。
第一节巨粒土的分类一、试样中巨粒组质量多于总质量的50%的土称巨粒土;二、试样中巨粒组质量为总质量的15~50%的土称巨粒混合土;三、试样中巨粒组质量少于总质量的15%的土,可扣除巨粒,按粗粒土或细粒土的相应规定分类定名。
注:当散布在土内的巨粒,其体积对土的总体性状有影响时,可不扣除巨粒,按粗粒土或细粒土的相应规定分类定名,并应予以注明。
表1-1第二节砂土和砾土的分类一、类砂类土的分类二、砂土的分类土的名称颗粒级配砾砂粒径大于2mm的颗粒含量占全重25~50%粗砂粒径大于0.5mm的颗粒含量超过全重50%中砂粒径大于0.25mm的颗粒含量超过全重50%细砂粒径大于0.075mm的颗粒含量超过全重85%粉砂粒径大于0.075mm的颗粒含量超过全重50%三、砾土的分类a、试样中砾粒组质量多于总压量的50%的土称砾类土;b、试样中砾粒组质量少于或等于总质量的50%的土称砂类土表1-3第三节细粒土分类一、细粒土应按下列规定划分:1、试样中粗粒组质量少于总质量的25%的土称细粒土。
2、试样中粗粒组质量为总质量的25%~50%的土称含粗粒的细粒土。
3、试样中含部分有机质的土称有机质土。
4、试样中细粒组质量多于或等于总质量的50%的土称细粒土。
当采用塑性图确定细粒土的类别时,细粒土分类如下图:5、含粗粒的细粒土应按以上表3-3和表3-4划分。
并根据所含粗粒类别,依据下列规定分类:a、粗粒中砾粒占优势,称含砾细粒土,应在细粒土代号后缀以代号G,如CHG、CLG、MHG、MLG等b、粗粒中砂粒占优势,称含砂细粒土,应在细粒土代号后缀以代号S,台CHS、CLS、MHS、MLS等。
地质勘察岩心鉴定和描述一.土的分类和定名(一)、土的分类——按颗粒粒径大小1.漂石(块石)漂石(浑圆、圆棱)或块石(尖棱、次尖棱)粒径(mm)大d>800 中400<d≤800 小200<d≤400;2.卵石(碎石)卵石(浑圆、圆棱)或碎石(尖棱、次尖棱)粒径(mm)大60<d≤200 中40<d≤60 小20<d≤40;3. 圆砾(角砾)圆砾(浑圆、圆棱)或角砾(尖棱、次尖棱)粒径(mm)大10<d≤20 中5<d≤10 小2<d≤5;4. 砂粒砂粒粒径(mm)粗0.5<d≤2 中0.25<d≤0.5 细0.075<d≤0.255. 粉粒粒径(mm)0.005<d≤0.0756. 黏土粒粒径(mm)d<0.005(二)、土的定名——按《铁路工程岩土分类标准》(TB10077-2001)执行1.漂石(块石)土:粒径大于20cm的颗粒超过总质量的50%2.卵石(碎石)土:粒径大于2cm的颗粒超过总质量的50%3.圆砾(角砾)土:粒径大于2mm的颗粒超过总质量的50%4.砾砂土:粒径大于2mm的颗粒占总质量的25-50%5.粗砂土:粒径大于0.5mm的颗粒超过总质量的50%6.中砂土:粒径大于0.25mm的颗粒超过总质量的50%7.细砂土:粒径大于0.075mm的颗粒超过总质量的85%8.粉砂土:粒径大于0.075mm的颗粒超过总质量的50%9.粉土:塑性指数等于或小于10,且粒径大于0.075mm的颗粒的质量不超过全部质量的50% 10.粉质黏土:粉粒小于黏粒,塑性指数10-1711.黏土:主要由黏粒组成,塑性指数大于17注:定名时应根据颗粒级配,由大到小,以最先符合者确定。
(三)、黏性土的分类及野外鉴别1.黏土:极细的均匀土块,搓捻无砂感,黏塑滑腻,易搓成细于0.5mm的长条2.粉质黏土:无均质感,搓捻时有砂感,塑性,弱黏结,能搓成比黏土较粗的短土条3.粉土:有干面似的感觉,砂粒少,粉粒多,潮湿时呈流体状,不能搓成土条、土球(四)、土的潮湿程度的划分——含漂(块)石土、卵(碎)石土、圆砾(角砾)土、砂土,分为稍湿、潮湿及饱和稍湿—呈松散状,手摸时感到潮,饱和度Sr 50%潮湿—手捏时手上有湿印,Sr=50-80%饱和—空隙中的水可自由流出(地下水位以下),Sr>80%3、粉土潮湿程度的划分稍湿—天然含水率w<20%潮湿—天然含水率w=20-30%饱和—天然含水率w>30%4、土的潮湿程度在钻孔中的表达方法黏性土砂性土、粉土、碎石类土坚硬稍湿硬塑、软塑潮湿流塑饱和(1)碎石类土及砂类土分为密实、中密、稍密、松散四类1.密实—钻进困难,给进震动厉害,孔内响动大,孔壁稳定,不易坍垮。