008-3 环境振动测量原始记录表(铁路振动测量记录表)(3) 适用于GBT10071-1988 20181225-Y
- 格式:doc
- 大小:38.50 KB
- 文档页数:1
关于建设项目环境保护设施竣工验收监测管理有关问题的通知环发〔2000〕38号各有关部、委,各省、自治区、直辖市环境保护局:根据国务院《建设项目环境保护管理条例》的有关规定,现就建设项目环境保护设施竣工验收监测管理有关问题通知如下:一、建设项目环境保护设施竣工验收监测(以下简称“验收监测”)由负责验收的环境保护行政主管部门所属的环境监测站负责组织实施。
二、在规定的试生产期,承担验收监测任务的环境监测站在接受建设单位的书面委托后,按《建设项目环境保护设施竣工验收监测技术要求》开展监测工作。
三、负责组织实施验收监测的环境监测站受建设单位委托提交验收监测报告(表),并对提供的验收监测数据和验收监测报告(表)结论负责。
四、对应编制建设项目环境保护设施竣工验收监测报告的建设项目,应先编制验收监测方案,验收监测方案应经负责该建设项目环境保护设施竣工验收的环境保护行政主管部门同意后实施。
五、编制《建设项目环境保护设施竣工验收监测报告》的项目,应在完成现场监测后30个工作日内完成;编制《建设项目环境保护设施竣工验收监测表》的项目,应在进行现场监测后20个工作日内完成。
六、工业生产型建设项目,建设单位应保证的验收监测工况条件为:试生产阶段工况稳定、生产负荷达75%以上(国家、地方排放标准对生产负荷有规定的按标准执行)、环境保护设施运行正常。
对在规定的试生产期,生产负荷无法在短期内调整达到75%以上的,应分阶段开展验收检查或监测。
分期建设、分期投入生产或者使用的建设项目,建设单位应分期委托环境保护行政主管部门所属环境监测站对已完工的工程和设备进行验收监测。
七、建设项目环境保护设施竣工验收监测收费按有关规定执行。
附件:建设项目环境保护设施竣工验收监测技术要求(试行)国家环境保护总局二○○○年二月二十二日附件:建设项目环境保护设施竣工验收监测技术要求(试行)为落实《建设项目环境保护管理条例》(国务院令第253号),保证建设项目环境保护设施竣工验收监测质量,在多年试行《建设项目环境保护设施竣工验收监测办法》(试行)(国家环境保护局环监〔1995〕335号)的基础上,现就建设项目环境保护设施竣工验收监测工作制定本验收监测技术要求。
恩德·恒鼎世纪噪音测量记录台账成都恩德建筑工程有限公司恒鼎世纪工程项目部工程名称恒鼎世纪工程地点成都龙泉 2015年6月17日9时30分至11时40分测量仪器编号TM824气象条件阴转晴测量人张丽测点等效连续 A 声级A 58B 55C 52D 57E 45建筑施工场地示意图、建筑施工场地及其边界线,测点位置施工阶段裙楼屋面女儿墙备注符合《建筑施工场界环境噪声排放标准》(GB12523-2011)及《建筑工程绿色施工评价标准》(GBT 50640-2010)的相关要求 2015年6月17日工程名称恒鼎世纪工程地点成都龙泉 2015年1月20日14时30分至16时40分测量仪器编号TM824气象条件阴测量人张丽测点等效连续 A 声级A 57B 54C 51D 57E 58建筑施工场地示意图、建筑施工场地及其边界线,测点位置施工阶段材料转运、垃圾清扫备注符合《建筑施工场界环境噪声排放标准》(GB12523-2011)及《建筑工程绿色施工评价标准》(GBT 50640-2010)的相关要求 2015年1月20日工程名称恒鼎世纪工程地点成都龙泉 2015年3月10日15时30分至16时40分测量仪器编号TM824气象条件阴测量人张丽测点等效连续 A 声级A 51B 52C 54D 55E 52建筑施工场地示意图、建筑施工场地及其边界线,测点位置施工阶段模板支架拆除备注符合《建筑施工场界环境噪声排放标准》(GB12523-2011)及《建筑工程绿色施工评价标准》(GBT 50640-2010)的相关要求 2015年3月10日工程名称恒鼎世纪工程地点成都龙泉 2015年3月25日9时30分至11时40分测量仪器编号TM824气象条件阴测量人张丽测点等效连续 A 声级A 53B 55C 56D 57E 59建筑施工场地示意图、建筑施工场地及其边界线,测点位置施工阶段1#楼二十八层柱、墙,二十九层梁、板砼浇筑备注符合《建筑施工场界环境噪声排放标准》(GB12523-2011)及《建筑工程绿色施工评价标准》(GBT 50640-2010)的相关要求 2015年3月15日工程名称恒鼎世纪工程地点成都龙泉 2015年4月5日9时30分至11时40分测量仪器编号TM824气象条件阴测量人张丽测点等效连续 A 声级A 52B 51C 56D 48E 59建筑施工场地示意图、建筑施工场地及其边界线,测点位置施工阶段1#楼二十九层柱、墙,三十层梁、板砼浇筑备注符合《建筑施工场界环境噪声排放标准》(GB12523-2011)及《建筑工程绿色施工评价标准》(GBT 50640-2010)的相关要求 2015年4月5日工程名称恒鼎世纪工程地点成都龙泉 2015年4月20日9时30分至11时40分测量仪器编号TM824气象条件阴测量人张丽测点等效连续 A 声级A 59B 51C 56D 42E 59建筑施工场地示意图、建筑施工场地及其边界线,测点位置施工阶段1#楼三十二层梁钢筋施工备注符合《建筑施工场界环境噪声排放标准》(GB12523-2011)及《建筑工程绿色施工评价标准》(GBT 50640-2010)的相关要求 2015年4月20日工程名称恒鼎世纪工程地点成都龙泉 2015年7月13日14时30分至16时40分测量仪器编号TM824气象条件阴测量人张丽测点等效连续 A 声级A 52B 49C 56D 42E 59建筑施工场地示意图、建筑施工场地及其边界线,测点位置施工阶段材料转运、楼层清扫备注符合《建筑施工场界环境噪声排放标准》(GB12523-2011)及《建筑工程绿色施工评价标准》(GBT 50640-2010)的相关要求 2015年7月13日工程名称恒鼎世纪工程地点成都龙泉 2015年7月1日14时30分至16时40分测量仪器编号TM824气象条件阴测量人张丽测点等效连续 A 声级A 58B 54C 56D 42E 50建筑施工场地示意图、建筑施工场地及其边界线,测点位置施工阶段1#楼机房屋面梁施工备注符合《建筑施工场界环境噪声排放标准》(GB12523-2011)及《建筑工程绿色施工评价标准》(GBT 50640-2010)的相关要求 2015年7月1日工程名称恒鼎世纪工程地点成都龙泉 2015年6月17日14时30分至16时40分测量仪器编号TM824气象条件阴测量人张丽测点等效连续 A 声级A 49B 48C 56D 42E 57建筑施工场地示意图、建筑施工场地及其边界线,测点位置施工阶段1#楼楼梯挡脚板施工、材料转运备注符合《建筑施工场界环境噪声排放标准》(GB12523-2011)及《建筑工程绿色施工评价标准》(GBT 50640-2010)的相关要求 2015年6月17日。
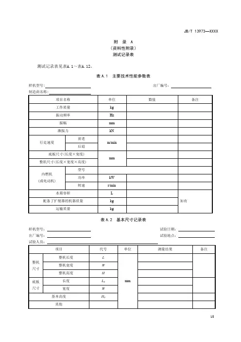
15附录A (资料性附录)测试记录表测试记录表见表A.1~表A.12。
表A.1主要技术性能参数表样机型号:出厂编号:制造商名称:项目名称单位数值备注工作质量kg 振动频率Hz 振幅mm 激振力kN 行走速度前进m/min后退底板尺寸(长度×宽度)mm整机尺寸(长度×宽度×高度)内燃机(或电动机)型号功率kW 转速r/min 水箱容积L 如有配备了扩展器的机器质量kg 运输质量kg表A.2基本尺寸记录表样机型号:试验日期:出厂编号:试验地点:试验人员:项目代号单位测量结果备注整机尺寸整机长度L mm整机宽度W 整机高度H 底板尺寸长度L 0宽度W 基本高度H 0其他表A.3工作质量及重心位置记录表样机型号:试验日期:出厂编号:试验地点:试验人员:项目单位测量值平均值备注123工作质量mkg重心位置测量参数前、后两支点间水平距离L1mm测量水平纵坐标后支点至底板后边缘的水平距离L x0前端支反力F1N左、右两支点水平距离L2mm测量水平横坐标右端支点至底板右边缘水平距离L y0左端支反力F2N样机倾斜角α(°)测量垂直坐标前、后两支点的距离L2mm后支点至底板后边缘的距离L x1前端支反力F3N重心坐标水平纵坐标L xmm 水平横坐标L y垂直坐标L z16表A.4行走速度记录表样机型号:试验日期:出厂编号:试验地点:天气、气温:℃路面状况:风向、风速:m/s试验人员:发动机转速r/min 测量距离m测量时间s行走速度m/min备注去向回向去向回向平均值表A.5振动试验记录表样机型号:试验日期:出厂编号:天气、气温:℃试验地点:路面状况:试验人员:试验工况测试点测点位置振动频率Hz振动加速度m/s2振幅mm备注17表A.6压实试验记录表样机型号:出厂编号:天气:记录人员:试验日期:土壤类型:温度:试验人员:试验地点:铺层厚度:湿度:取样层深度:上层:cm下层:cm压实遍数取样点编号铝盒号铝盒质量g湿土质量+铝盒质量g湿土质量g干土质量+铝盒质量g干土质量g水质量g土的含水率%土的平均含水率%环刀号环刀质量+湿土质量g环刀质量g湿土质量g环刀体积cm3湿密度g/cm3干密度g/cm3平均干密度g/cm3压实度%行驶速度m/min备注18表A.7下沉量记录表样机型号:试验日期:出厂编号:试验地点:天气、气温:℃试验人员:铺层厚度:mm单位为毫米压实遍数项目各测点读数平均值累计下沉量相对下沉量备注123预压2遍46810注1:累计下沉量为每次测量读数的平均值减去铺层表面原始读数值。
汽机各转动设备测振测温记录年月日单位:丝环境温度____ ℃锅炉各转动设备测振测温记录年月日单位:丝环境温度____ ℃K---200—130---3型气轮机停机记录号机停机日期-----------年-------月--------日停机时间-----------------时--------分停机原因及方式------------单元长------------------------司机------------------------操作人------------------------监护人------------------------山西神头发电公司发电一部生技办一、未减负荷前记录-----------MW汽缸温度轴瓦及轴振动K---200—130---3型气轮机启动记录号机启动日期-----------年-------月--------日启动时间-----------------时--------分启动原因及状态------------单元长------------------------司机------------------------操作人------------------------监护人------------------------山西神头发电公司发电一部生技办启动前原始数据记录1、盘车装置启动前:1、盘车装置启动后:2、机组定速后记录:3、机组满负荷后记录:4、汽缸及推力瓦温度5、轴瓦及轴振动K---200—130---3型气轮机停机操作票号机停机日期-----------年-------月--------日停机时间-----------------时--------分停机原因及方式------------单元长------------------------司机------------------------操作人------------------------监护人------------------------山西神头发电公司发电一部生技办K--200--130--3型气轮机冷态启动操作票号机启动日期-----------年-------月--------日开始时间-----------------时--------分结束时间-----------------时--------分-单元长------------------------司机------------------------操作人------------------------监护人------------------------山西神头发电公司发电一部生技办。
声环境质量监测原始记录表
项目编号:监测日期:标准:
检测仪器型号及编号:风速仪型号及编号:天气状况:风速:m/s第页共页
测点编号监测点名称
主要声源及运行工况说明
(如交通噪声的车流量)
Leq,dB(A)
示图
监测时段L eq L max SD L10L50L90L min
声级计校准AWA6221B□AWA6221A□校准器编号:监测前校准值:dB(A)监测后校准值:dB(A)
声环境质量监测原始记录表(续表)
项目编号:第页共页
序号监测点监测时段
车流量(辆∕min)折合小客车流量
=小型车×1+中型车×2+
大型车×3火车,轮船,
飞机
其他
火车,轮
船,飞机小型车
3.5吨以下(如:
出租车、小轿车)
中型车
3.5—12吨(如:公交车、
长途客运车、小货车等)
大型车
12吨以上(如:双层
大巴、八轮大货车等)
现场描述(现场声源状况、噪声变化情况、自然噪声的背景扣除、工业企业噪声、建筑施工和社会生活噪声的
排放等情况)。
噪声及振动检测作业指导书中铁西北科学研究院工程检测试验中心二〇一二年目录一、城市区域环境噪声的测量方法 (1)二、工业企业厂界噪声的测量方法 (12)三、建筑施工场界噪声的测量方法 (18)四、铁路边界噪声的测量方法 (22)五、城市区域环境振动的测量方法 (24)一、城市区域环境噪声的测量方法一、执行标准声环境质量标准 GB 3096-2008二、适用围1、本标准规定了五类环境功能区的环境噪声限值及测量方法。
2、本标准适用于声环境质量评价与管理。
3、机场周围区域受飞机通过(起飞、降落、低空飞越)噪声的影响,不适用于本标准。
三、术语和定义下列术语和定义适用于本标准。
1、A 声级 A-weighted sound pressure level用A 计权网络测得的声压级,用L A 表示,单位dB(A)。
2、等效连续A 声级 equivalent continuous A-weighted sound pressure level简称为等效声级,指在规定测量时间TA 声级的能量平均值,用L Aeq ,T 表示,(简写为Leq ), 单位dB(A)。
除特别指明外,本标准中噪声值皆为等效声级。
根据定义,等效声级表示为:)101lg(1001.0⎰⋅=T L eq dt TL A 式中:L A —t 时刻的瞬时A 声级;T —规定的测量时间段。
3、昼间等效声级 day-time equivalent sound level 、夜间等效声级night-time equivalent sound level在昼间时段测得的等效声级A 声级称为昼间等效声级。
用Ld 表示,单位dB(A)。
在夜间时段测得的等效声级A声级称为夜间等效声级。
用Ln表示,单位dB(A)。
4、昼间day-time、夜间night-time根据《中华人民国噪声污染防治法》,“昼间”是指6:00至22:00的时段,“夜间”是指22:00至次日6:00的时段。
环境噪声原始记录表五篇第一篇:环境噪声原始记录表工业企业厂界/ 社会生活噪声监测原始记录表Ⅰ授控编号:单位名称:单位地址:监测类别(方法依据):厂界噪声(GB12348-2008□)社会生活噪声(GB 22337-2008□)天气状况:风速:m/s声级计型号:___________声级计编号:检测日期:测点编号监测点名称 Leq 值,dB(A)昼间(监测日期:)夜间(监测日期:)主要声源测量时段测量值背景值结果主要声源测量时段测量值背景值结果GB 12348-2008 /GB 22337-20081、噪声测量值与背景值相差大于10 dB(A)时,噪声测量值不做修正。
2、噪声测量值与背景噪声值相差3-10 dB(A)时,噪声值与背景值差值取整后,按照表4 修正。
3.噪声测量值与背景噪声值相差 3 dB(A)时,检测结果不修正。
采样人:记录人:校核人:陪同人:工业企业厂界/ 社会生活噪声监测原始记录表Ⅱ授控编号:测点分布示意图及简要说明现场情况明显噪声源:_____________工厂生产时间:____ _ _ 功能区类别:□0 类□1 类□2 类□3 类□4 类敏感建筑物:民宅□学校□其他□_____ 背景噪声监测及工况说明□ 采用类比法测试背景噪声,测试情况记录:□ 不具备停产条件,无法测得背景噪声委托方确认:□ 工况:采样人确认:声级计校准校准器型号及编号:监测前校准值:dB(A)监测后校准值:dB(A)采样人:记录人:校核人:陪同人第二篇:降水采样原始记录表降水采样原始记录表授控编号:项目名称:采样点名称:采样日期:方法依据:采样器型号:采样器编号:集雨器面积:cm 2序号样品编号集水起止时间水样温度(℃)水样体积(mL)降水量(mm)备注自日时分起自日时分止采样人:记录人:校核人:陪同人:第三篇:征求党内外群众意见的原始记录表征求党内外群众意见的原始记录表征求党内外群众意见的原始记录表会议主持人与会人员会议群众发言记录会议群众发言记录群众意见一群众意见一:会议记录人会议时间会议地点签名:签名:群众意见二:群众意见二:意见二签名:签名:群众意见三:群众意见三:意见三签名:签名:群众意见四:群众意见四:意见四签名:签名:群众意见五:群众意见五:意见五签名:签名:主持人归纳座谈会意见主持人:主持人:年月日本科 09 级第三党支部支部书记:支部书记:第四篇:降尘采样原始记录表降尘采样原始记录表授控编号:34--24采样点名称:采样日期:方法依据:采样器型号:采样器编号:集尘缸口面积:cm 2序号样品编号放缸时间(年月日时)取缸时间(年月日时)采样天数(d)备注采样人:记录人:校核人第五篇:桥门式起重机检验原始记录表.桥门式起重机检验原始记录表使用单位: 产品名称: 型号规格: 产品编号: 检验员: 制造日期: 201 年月桥门式起重机主梁隐蔽件检验记录表号:Z024— 02— 01/1 检验员:检验日期: 201 年月日桥门式起重机主梁检验记录表号:Z024— 02— 01/2检验员:检验日期: 201 年月日桥门式起重机大车运行机构装配检验记录表号:Z024—02—02/1表号:Z024— 02— 02/2检验员:检验日期: 201 年月日桥门式起重机端梁检验记录表号:Z024— 02— 03/1表号:Z024— 02— 03/2检验员:检验日期: 201 年月日桥门式起重机桥梁组合检验记录表号:Z024— 02— 04/1 检验员:检验日期: 201 年月日检验员:检验日期: 201 年月日检验员:检验日期: 201 年月日检验员:检验日期: 201 年月桥、门式起重机电器设备安装检验记录订货单位生产令号起重量(t)跨度(m)工作级别 M 内容配套名称电动机减速器制动器电动机减速器制动器电动机大车运行减速器制动器电动机小车运行减速器制动器其它序号 1 2 超载限制器高度限制器检测项目电器安装电线排列 3 电器试验质量标准数量编号: Z 0 2 4 — 0 2 —08 司机室类型装配人型号规格供货单位出厂日期编号备 FC= i= 注 % KW 主起升 W FC= % KW i= W FC= % KW i= 副起升或抓斗 W FC= i= W % KW 结论安装尺寸正确、牢固、完整,各电器设备可动部位应灵活线的排列应美观整齐,各接线安装号码字迹清楚,包扎、固定符合要求试验前线路应正确,且整个线路的绝缘电阻≥0.5MΩ,试验中各电器应正常工作,控制器档位明显、准确。
上海海立铸造有限公司过程监视和测量记录表(部门自查) 表号:贯GB-08- 自查部门:上海海立铸造有限公司过程监视和测量记录表表号:贯GB-08- 受检部门:质管科条款号:上海海立铸造有限公司过程监视和测量记录表表号:贯GB-08- 受检部门:质管科条款号:上海海立铸造有限公司过程监视和测量记录表表号:贯GB-08- 受检部门:供销科条款号:上海海立铸造有限公司过程监视和测量记录表表号:贯GB-08- 受检部门:供销科条款号:上海海立铸造有限公司过程监视和测量记录表表号:贯GB-08- 受检部门:人力资源科条款号:上海海立铸造有限公司过程监视和测量记录表表号:贯GB-08- 受检部门:各车间条款号:上海海立铸造有限公司过程监视和测量记录表表号:贯GB-08- 受检部门:污水处理控制条款号:上海海立铸造有限公司过程监视和测量记录表表号:贯GB-08- 受检部门:危险化学品、油品条款号:上海海立铸造有限公司过程监视和测量记录表表号:贯GB-08- 受检部门:固体废弃物控制条款号:上海海立铸造有限公司过程监视和测量记录表表号:贯GB-08- 受检部门:大气污染控制条款号:上海海立铸造有限公司过程监视和测量记录表表号:贯GB-08- 受检部门:噪声排放控制条款号:上海海立铸造有限公司过程监视和测量记录表表号:贯GB-08- 受检部门:节能降耗条款号:上海海立铸造有限公司过程监视和测量记录表表号:贯GB-08- 受检部门:应急预案物资准备条款号:上海海立铸造有限公司过程监视和测量记录表表号:贯GB-08- 受检部门:安全环保科条款号:上海海立铸造有限公司过程监视和测量记录表表号:贯GB-08- 受检部门:安全环保科条款号:上海海立铸造有限公司过程监视和测量记录表表号:贯GB-08- 受检部门:安全环保科条款号:上海海立铸造有限公司过程监视和测量记录表表号:贯GB-08- 受检部门:贯标办条款号:上海海立铸造有限公司过程监视和测量记录表表号:贯GB-08- 受检部门:贯标办条款号:上海海立铸造有限公司过程监视和测量记录表表号:贯GB-08- 受检部门:设备科条款号:上海海立铸造有限公司过程监视和测量记录表表号:贯GB-08- 受检部门:设备科条款号:上海海立铸造有限公司过程监视和测量记录表表号:贯GB-08- 受检部门:总经办条款号:上海海立铸造有限公司过程监视和测量记录表表号:贯GB-08- 受检部门:财务科条款号:上海海立铸造有限公司过程监视和测量记录表表号:贯GB-08- 受检部门:条款号:。
环境监测原始数据记录表(参考)pH、电导率测试原始记录 (3)_____________离⼦选择电极法分析原始记录 (4)红外(⾮分散)分光光度法分析原始记录 (5)标准曲线和质控记录 (6)______________分光光度法分析原始记录 (7)容量分析法原始记录(Ⅰ) (8)容量分析法原始记录(Ⅱ) (9)五⽇⽣化需氧量分析记录(Ⅰ) (10)五⽇⽣化需氧量分析记录(Ⅱ) (11)五⽇⽣化需氧量分析记录(Ⅲ) (12)五⽇⽣化需氧量分析记录(Ⅳ) (13)重量法分析原始记录 (14)标准溶液配制及标定记录 (15)⼀般试剂配制记录 (16)分析原始记录 (17)污染源废⽔采样和交接记录 (18)⽔⽣⽣物采样和交接记录 (20)⼤⽓环境采样和交接记录表 (21)⼤⽓环境采样和交接记录(24⼩时) (23)________________噪声监测原始记录 (25)区域环境噪声监测原始记录 (27)⼯业企业⼚界噪声测量记录 (28)铁路边界噪声监测原始记录 (29)交通噪声监测原始记录 (30)样品委托单 (31)监测结果统计表 (32)实验室环境条件记录表 (33)样品保存条件记录表 (34)废(烟)⽓状态参数现场测试记录(Ⅰ) (35)废(烟)⽓状态参数现场测试记录(Ⅱ) (36)林格曼⿊度原始记录表 (37)⽣化需氧量原始记录 (38)环境振动测量记录表 (39)pH、电导率测试原始记录项⽬名称样品性质分析项⽬分析⽅法及来源仪器名称及编号电极常数分析⽇期室温℃标准缓冲液(Ⅰ)理论值标准缓冲液(Ⅱ)理论值标准缓冲液(Ⅲ)理论值样品编号⽔温(℃)pH 读数值样品PH值电导率kt (µScm-1)25℃电导率kt (µScm-1)计算公式第⼀次第⼆次备注分析者___________________________ 校对者____________________ 共__页第__页_____________离⼦选择电极法分析原始记录项⽬名称样品性质分析项⽬分析⽅法及来源仪器名称及编号分析⽇期⽔温℃缓冲液名称及加⼊量室温______℃样品编号样品前处理分取体积()稀释倍数测得电位值(E)査曲线值()样品浓度()计算公式取样量定容体积(ml)固体(g) 液体(mL) ⽓体(L) 第⼀次第⼆次平均值备注分析者___________________________ 校对者____________________ 共__页第__页红外(⾮分散)分光光度法分析原始记录项⽬名称分析项⽬分析⽅法及来源分析⽇期仪器名称及编号萃取液名称⽐⾊⽫mm 参⽐液室温______℃湿度_______%样品编号样品前处理分取体积(mL)定容体积(mL)稀释倍数吸光值A⽯油类测定结果()动植物油测定结果()取样量萃取液体积(mL)固体(g) 液体(mL) ⽓体(L) 3030cm-12960cm-12930cm-1计算公式校正系数X=Y=Z=F=备注分析者___________________________ 校对者____________________ 共__页第__页标准曲线和质控记录项⽬名称分析项⽬分析条件分析⽇期室温______℃湿度_______%标准曲线分析编号加标回收率检查分析编号平均值标液加⼊体积(mL) 加标液浓度()标准加⼊量(µg) 加标体积(mL )响应值 A 加标量()减空⽩后响应值测得值()回归⽅程Y=bx+a b= a= 原样品测值()相关系数r= 回收率(%)备注允许回收率(%)结果评判平⾏样检查平⾏样编号质控样检查定值()测得浓度(mg/L) 测得值()相对偏差(%)相对误差(%)允许相对偏差(%)允许相对误差(%)结果评判结果评判计算公式备注分析者___________________________ 校对者____________________ 共__页第__页______________分光光度法分析原始记录项⽬名称样品性质分析项⽬分析⽇期分析⽅法及来源仪器名称及编号标准溶液名称显⾊温度℃显⾊时间______________显⾊体积___________参⽐溶液测定波长nm ⽐⾊⽫mm室温_____℃湿度____%样品编号取样体积或标态采⽓量(mL或L)稀释倍数吸光度AA--A O査曲线值()样品浓度()样品编号取样体积或标态采⽓量(mL或L)稀释倍数吸光度AA--A O査曲线值()样品浓度()标准曲线回归⽅程Y=bx+a b= a=计算公式线性相关系数r=分析者___________________________ 校对者____________________ 共__页第__页容量分析法原始记录(Ⅰ)项⽬名称样品性质分析项⽬分析⽇期分析⽅法及来源仪器名称及编号样品编号取样体积()__________溶液移取量()()滴定溶液消耗量(mL)减空⽩后消耗量样品浓度()空⽩滴定消耗量(mL)V始V终V始-V终计算公式备注分析者___________________________ 校对者____________________ 共__页第__页容量分析法原始记录(Ⅱ)项⽬名称样品性质分析项⽬分析⽇期分析⽅法及来源仪器名称及编号()溶液的标定加标回收率检查分析编号平均值编号________溶液移取量(mL)()溶液消耗量(mL)________溶液浓度()加标液浓度()V始V终V始-V终加标体积(mL)加标量()测得值()原样品测得值()计算公式回收率(%)允许回收率(%)结果评判平⾏样检查平⾏样编号质控样检查测得浓度(mg/L) 测得值()相对偏差(%)相对误差(%)允许相对偏差(%)允许相对误差(%)结果评判结果评判备注:分析者___________________________ 校对者____________________ 共__页第__页五⽇⽣化需氧量分析记录(Ⅰ)项⽬名称样品性质分析⽅法及来源仪器名称及编号培养时间⽉⽇时⾄⽉⽇时培养箱温度标准溶液浓度稀释⽔制备⽇期培养前分析⽇期室温℃培养后分析⽇期室温℃分析者___________________________ 校对者_________________________ 共__页第__页样品编号稀释⽐f培养瓶号____________________标准溶液消耗量(mL )化学探头测定法溶解氧浓度(mg/L )⽔样BOD 5 浓度(mg/L )培养前培养后培养前培养后终读数始读数⽤量终读数始读数⽤量读数Ⅰ读数Ⅱ平均值读数Ⅰ读数Ⅱ平均值培养前培养后五⽇⽣化需氧量分析记录(Ⅱ)项⽬名称样品性质分析⽅法及来源仪器名称及编号培养时间⽉⽇时⾄⽉⽇时培养箱温度标准溶液浓度稀释⽔制备⽇期培养前分析⽇期室温℃培养后分析⽇期室温℃____________________标准溶液消耗量(mL)化学探头测定法溶解氧浓度(mg/L)备注培养前培养后培养前培养后终读数始读数⽤量终读数始读数⽤量终读数始读数⽤量终读数始读数⽤量培养前培养后平⾏样检平⾏样编号质控样检定值(mg/L)平均值测的浓度测得值(mg/L)相对偏差(%)相对误差(%)允许相对偏差(%)允许相对偏差(%)结果评判结果评判标定序号0 0 1 2 3 平均值计算公式基准液体积(mL)空⽩溶液滴定记录(mL)V0V1△VNa2S2O3浓度相对偏差(%)结果评判允许相对偏差(%)分析者___________________________ 校对者_________________________ 共__页第__页五⽇⽣化需氧量分析记录(Ⅲ)项⽬名称样品性质分析⽅法及来源仪器名称及编号培养时间⽉⽇时⾄⽉⽇时培养箱温度稀释⽔制备⽇期培养前分析⽇期室温℃培养后分析⽇期室温℃样品编号稀释⽐(f)培养瓶号溶解氧值(mg/L)⽔样BOD5浓度(mg/L)样品编号稀释⽐(f)培养瓶号溶解氧值(mg/L)⽔样BOD5浓度(mg/L)培养前培养后培养前培养后分析者___________________________ 校对者_________________________ 共__页第__页五⽇⽣化需氧量分析记录(Ⅳ)项⽬名称样品性质分析⽅法及来源仪器名称及编号培养时间⽉⽇时⾄⽉⽇时培养箱温度稀释⽔制备⽇期培养前分析⽇期室温℃培养后分析⽇期室温℃平⾏样检查平⾏样编号质控样检查定值S(mg/L)平均值测的浓度X(mg/L)测得值X(mg/L)相对偏差(%)相对误差(%)允许相对偏差(%)允许相对误差(%)结果评判结果评判计算公式------------------- 计算公式------------------⽔样浓度(mg/L)允许相对偏差(%)允许相对误差(%)计算公式:BOD5(mg/L)=n(C1-C2)-(n-1)(B1-B2)式中n------------稀释倍数C1,C2-----------⽔样培养五天前后溶解氧值(mg/l)B1,B2-----------稀释⽔培养五天前后溶解氧值(mg/l) 平⾏样质控样<30 ≤±25 ≤±253-100 ≤±20 ≤±20>100 ≤±15 ≤±10 备注:分析者___________________________ 校对者_________________________ 共__页第__页重量法分析原始记录项⽬名称样品性质分析项⽬分析⽇期室温℃湿度 % 分析⽅法及来源仪器名称及编号分析者___________________________ 校对者_________________________ 共__页第__页样品编号取样体积V称重(恒重)( g )样品重量△W ()样品浓度()计算公式容器+滤膜+样品平均值W1容器+滤膜平均值W0备注标准溶液配制及标定记录配制⽇期配制⼈标定⽇期滴定管规格及编号室温℃湿度% 基准溶液标准溶液基准溶液名称基准溶液浓度()试剂名称标准溶液名称标准溶液浓度()⼲燥条件℃⼩时℃⼩时标定记录序号0 0 均值 1 2 3 均值序号 1 2 3 1 2 基准液体积(mL)空⽩⽫重+试剂重(W1)(g)滴定记录(mL)起始读数V0⽫重+试剂重(W2)(g)终⽌读数V1试剂重(W1-W2)(g)实耗体积△V定容体积(mL)计算浓度()配制浓度()相对偏差(%)允许相对偏差(%)结果评判计算公式:有证标准物质配制标样编号来源标样浓度稀释度移取体积定容体积储备液浓度移取体积定容体积使⽤液浓度1 移取体积定容体积使⽤液浓度2 移取体积定容体积使⽤液浓度3分析者___________________________ 校对者_________________________ 共__页第__页⼀般试剂配制记录配制⽇期试剂名称试剂规格⽫重(g)⽫重+试剂(g)实际净重(g)定容体适⽤项⽬有效期备注:配制⽇期试剂名称试剂规格试剂移取(mL)定容体积(mL)浓度()适⽤项⽬有效期配制者____________________________ 校对者__________________ 共__页第__页分析原始记录项⽬名称样品性质分析项⽬分析⽅法及来源仪器名称及编号分析条件_________________________分析⽇期_______________ 室温_______℃湿度_______%样品编号取样体积()定容体积()分取量()稀释倍数(过程)测得值()平均值样品浓度()计算公式:备注:分析者___________________________ 校对者____________________ 共__页第__页污染源废⽔采样和交接记录项⽬名称被测单位名称地址邮编电话采样⽅式混合、连续、间歇、瞬时采样⽇期天⽓状况⽓温℃企业当事⼈签字样品编号采样点观监测项⽬排污⼝规范化情况流速m/s宽度m深度m流量()排放量()固定剂加⼊情况样品内可能含有的⼲扰物⽣产负荷设运转状况备注:采样者________________ PH分析者________________ 送样者_______________ 送样时间_________________ 共____页第_____页接样者________________________________ 接样时间_________________________________。
测震台网专业设备入网检测规程目录1 目的............................................................................................................................................. 12 范围............................................................................................................................................. 13 规范性引用文件......................................................................................................................... 14 指标体系..................................................................................................................................... 25 地震计测试................................................................................................................................. 25.1 振动台测试..................................................................................................................... 25.2 标定线圈激励法测试..................................................................................................... 85.3 地震计噪声测试......................................................................................................... 215.4 地震计功能检验......................................................................................................... 235.5 测试结果判定............................................................................................................. 246 强震加速度计测试................................................................................................................. 246.1 振动台测试................................................................................................................. 246.2 噪声测试..................................................................................................................... 287 数据采集器测试..................................................................................................................... 297.1 测试仪器与环境......................................................................................................... 297.2 采集指标测试............................................................................................................. 297.3 标定信号测试............................................................................................................. 387.4 时间同步测试............................................................................................................. 417.5 数据采集器功能测试................................................................................................. 438 地震烈度仪测试..................................................................................................................... 468.1 振动台测试................................................................................................................. 468.2 噪声与动态范围......................................................................................................... 498.3授时误差..................................................................................................................... 508.4地震波模拟测试......................................................................................................... 519 电磁兼容性测试..................................................................................................................... 529.1 供电相关测试............................................................................................................. 529.2 浪涌测试..................................................................................................................... 5210 环境适用性试验................................................................................................................. 52附录A. 应用低频振动测试系统测试地震计 ......................................................................... 53A.1 测试原理..................................................................................................................... 53A.2 低频振动台操作步骤参考 ......................................................................................... 53A.3 振动台台面噪声测试................................................................................................. 56A.4 在频域分析正弦测试信号幅度 ................................................................................. 56附录B. 线性度与谐波失真的测量方法 ................................................................................. 57B.1. 线性度与谐波失真度................................................................................................. 57B.2. 线性度测试方法......................................................................................................... 58B.3. 谐波失真测试方法..................................................................................................... 58B.4. 互调失真测试方法..................................................................................................... 60B.5. 正弦参数拟合方法..................................................................................................... 60附录C. 地震计自噪声测试基本原理及数据处理方法 ......................................................... 62C.1. 使用两台地震计测试自噪声的基本原理 ................................................................. 62C.2. 使用三台地震计测试自噪声的基本原理 ................................................................. 65附录D. 对比法测试地震计灵敏度及测试信噪比的估算 ..................................................... 67D.1. 基本原理..................................................................................................................... 67D.2. 信噪比估算步骤......................................................................................................... 68附录E. 噪声功率谱密度及噪声计算 ......................................................................................... 69E.1. 常用噪声表示及计算................................................................................................. 69E.2. 由功率谱密度计算有效值 ......................................................................................... 69E.3. 加速度、速度、位移功率谱密度的换算 ................................................................. 701目的为了保证测震台网专业设备的质量,规范测震台网专业设备技术指标和功能的检测,为设备入网提供依据,特制定本规程。