工字钢截面验算计算程序
- 格式:xls
- 大小:17.00 KB
- 文档页数:1
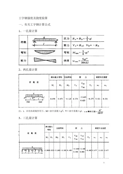
工字钢强度及挠度验算 一、有关工字钢计算公式 1、一孔梁计算
2、两孔梁计算
注:1.在均布荷载作用下:M =表中系数×ql 2
;V =表中系数×ql ;EI
w 100ql 表中系数4⨯= 3、三孔梁计算
注:1.在均布荷载作用下:M =表中系数×ql 2;V =表中系数×ql ;EI
w 100ql 表中系数4
⨯=
二、工字钢强度及挠度验算 1、工字钢截面特性参数 W x —截面抵抗矩(cm3) I x —截面惯性矩(cm4) 2、强度验算
σ=M/W (N/mm2)
计算结果与f=215 N/mm2 (钢材强度设计值)比较
3、挠度验算
F max=挠度公式计算
与L/400比较
钢材的弹性模量E=206×103
圆管稳定性验算
1、查圆管截面特性表
查的圆管的回转半径ix及截面面积A
2、确定圆管长度L
3、计算圆管长细比λ=L/ix
4、查《钢结构设计规范》表C—2,确定圆管折减系数ψ
5、钢材容许应力[σ]=180MPa(轴向力)
6、圆管稳定条件
σ=F/A<ψ[σ]
贝雷梁受力计算1、321贝雷梁特性
321贝雷梁弹性模量E=2.1×105 MPa
单排单层(不加强)A=5.1×103
mm
2
,
单排单层(加强)A=10.2×103 mm
2
[σ]=210MPa
挠度计算式为
计算值要小于L/400。
钢梁整体稳定性验算步骤(一)1.根据《钢结构设计规范》(GB50017-2003)4.2.1条,判断是否可不计算梁的整体稳定性。
2. 如需要计算2.1 等截面焊接工字形和轧制H 型钢简支梁b 1b 1t 1t 1hxx y yb 1b 2t 2xx y yht 1y(a)双轴对称焊接工字形截面(b)加强受压翼缘的单轴对称焊接工字形截面b 1b 2t 1xy y(c)加强受拉翼缘的单轴对称焊接工字形截面t 2x hb 1b 1t 1hxx y y(d)轧制H 型钢截面t 11)根据表B.1注1,求ξ。
l1——H 型钢或等截面工字形简支梁受压翼缘的自由长度,对跨中无侧向支承点的梁,l1为其跨度;对跨中有侧向支撑点的梁,l1为受压翼缘侧向支承点间的距离(梁的支座处视为有侧身支承)。
b1——截面宽度。
2)根据表B.1,求βb。
3)根据公式B.1-1注,求I1和I2,求αb。
如果αb>0.8,根据表B.1注6,调整βb。
4)根据公式B.1-1注,计算ηb。
5)根据公式B.1-1,计算φb。
6)如果φb>0.6,根据公式B.1-2,采用φ’b代替φb。
7)根据公式4.2.2,验算稳定性。
2.2 轧制普通工字钢简支梁1)根据表B.2选取φb。
2)如果φb>0.6,根据公式B.1-2,采用φ’b代替φb。
3)根据公式4.2.2,验算稳定性。
2.3 轧制槽钢简支梁1)根据公式B.3,计算φb。
2)如果φb>0.6,根据公式B.1-2,采用φ’b代替φb。
3)根据公式4.2.2,验算稳定性。
2.4 双轴对称工字形等截面(含H型钢)悬臂梁1)根据表B.1注1,求ξ。
l1——悬臂梁的悬伸长度。
b1——截面宽度。
2)根据表B.4,求βb。
3)根据公式B.1-1,计算φb。
4)如果φb>0.6,根据公式B.1-2,采用φ’b代替φb。
5)根据公式4.2.2,验算稳定性。
2.5 受弯构件整体稳定系数的近似计算(均匀弯曲,)2.5.1 工字形截面(含H型钢)双轴对称1)根据公式B.5-1,计算φb,当φb>0.6时,不必根据公式B.1-2,采用φ’b代替φb,当φb>1.0,取φb=1.0。
工字钢的抗弯截面模量
工字钢是一种常见的建筑材料,主要用于承受水平和竖向负载。
在设计结构时,需要考虑其承受弯曲荷载时的性能,其中包括抗弯截面模量的计算。
抗弯截面模量是指在弯曲作用下,截面内各点的变形程度不尽相同时的比值。
它是衡量截面抵抗弯曲变形的能力的重要指标。
通常用I来表示截面抗弯截面模量。
工字钢的截面可以看作由两个矩形和一对腰板组成。
计算抗弯截面模量时,可以将其截面分成两个矩形和一对等效矩形,分别计算其抗弯截面模量后再进行合并。
下面是计算工字钢抗弯截面模量的步骤。
1. 计算工字钢腰部的抗弯截面模量
工字钢翼缘处的腰板相当于一个等效的矩形,其抗弯截面模量可以使用以下公式计算:
I1= bt^3/12 (b表示矩形宽度,t表示矩形高度)
2. 计算工字钢翼缘的抗弯截面模量
工字钢翼缘的抗弯截面模量可以使用以下公式计算:
I2= 2b(t-d)^3/3 + 2bd^3/3 (d表示翼缘厚度)
3. 计算工字钢等效矩形的抗弯截面模量
将两个矩形的抗弯截面模量相加,得到工字钢等效矩形的抗弯截面模量:
I3= 2I1 + I2
4. 计算工字钢抗弯截面模量
综合考虑所有部分的抗弯截面模量,得到工字钢的总抗弯截面模量:
I= A1y1^2 + A2y2^2 + A3y3^2
其中,A1、A2、A3分别为腰、翼缘、等效矩形的截面面积;y1、y2、y3分别为它们的中心距离。
以上是关于工字钢抗弯截面模量的计算方法,可以有效帮助设计人员
进行结构设计及材料选择的参考。
工字钢重量的计算方法-概述说明以及解释
工字钢是一种常见的建筑材料,常用于制作桥梁、建筑结构和机械设备等。
在工程设计和施工中,了解工字钢的重量是非常重要的。
下面将概述说明工字钢重量的计算方法,并对其进行解释。
工字钢的重量计算方法通常是根据其截面尺寸和密度来进行计算的。
工字钢的截面通常呈工字形状,由上横梁、下横梁和垂直的腿部构成。
其重量计算方法如下:
1. 首先,需要测量工字钢的上横梁宽度(b1)、下横梁宽度(b2)、腿部厚度(h)和长度(L)等尺寸参数。
2. 然后,根据工字钢的截面形状计算出其截面积(A),公式为,A = b1h + b2h + (b1+b2)t。
3. 接下来,根据工字钢的密度(ρ)计算出其单位长度的重量(W),公式为,W = ALρ。
通过以上步骤,就可以得到工字钢的重量。
这个计算方法可以帮助工程师和设计师在设计和施工中准确地估算工字钢的重量,从
而确保结构的稳定性和安全性。
工字钢重量的计算方法是基于工字钢的几何形状和密度原理进行的。
通过这种方法,可以快速准确地计算出工字钢的重量,为工程设计和施工提供了重要的参考数据。
同时,工字钢的重量计算也是工程结构设计中的重要一环,对于确保结构的稳定性和安全性具有重要意义。
因此,掌握工字钢重量的计算方法是非常重要的。
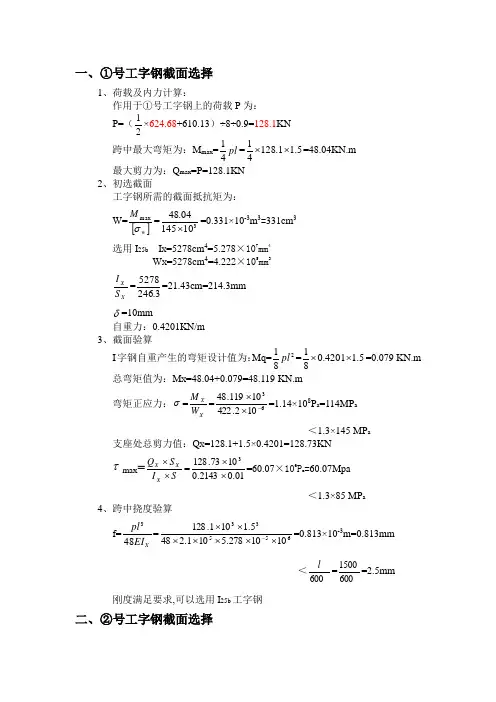
关于悬挑工字钢梁的验算一、I28a 工字钢的力学特性查手册得,A=55.40cm 2,自重q=43.49kg/m,截面惯性矩I=7110cm 4,截面抵抗矩W=508cm 3。
二、建立计算模型 P 立杆承重+立杆自重三、计算按照悬臂梁受集中荷载+均布荷载情况验算 受集中荷载:弯矩M max =pl ,剪力Q max =p,挠度f max =pl 3/3EI 受均布荷载:弯矩M max =21ql 2,剪力Q max =ql,挠度f max =ql 4/8EI 根据《北引桥现浇连续箱梁专项施工方案》,P=25.738KN 。
1、抗弯M=pl+21ql 2=25.738×103×0.9+0.5×434.9×0.92 =23340.335N.Mб=M/W=23340.335/508×10-6=45.946MPa<[бw]=145MPa2、抗剪Q=p+ql=25.738×103+434.9×0.9=26133.91N[Q]=235×106×55.40×10-4=1301900NQ<[Q],所以,抗剪合格。
3、挠度E=2.1×105MPaf=pl3/3EI+ql4/8EI=25.738×103×0.93/3×2.1×105×106×7110×10-8+434.9×0.94/8×2.1×105×106×7110×10-8=4.213×10-4m根据《钢结构设计规范GB50017-2003》,悬臂结构的允许挠度值为L/250,如果是施工平台主梁,应该按照L/400计算。
[f]=L/400=2.25×10-3m。
F<[f],挠度符合要求。
钢平台设计及荷载验算书一、荷载分析根据现场施工实际情况,便桥承受荷载主要由钢桥自重荷载q 及车辆荷载。
如图1所示: q图1为简便计算,以上荷载均按照均布荷载考虑,以单片工字钢受力情况分析确定q 值。
1、q 值确定由资料查得25a 工字钢每米重38.1kg ,再加[12槽钢0.75*8*1*12.4/3.5=21.26kg 及钢板重量78.6*0.75=58.95kg ,单片工字钢自重按1.2KN/m 计算,即q1=1.2KN/m 。
车辆荷载按18+12*2.4=46.8t ,既46.8/4/3.5=33.4KN/m总荷载:Q=1.2*1.2+33.4*1.4=48.17KN/m三、结构强度检算(一)、工字钢验算已知Q=48.17K N/m ,工字钢计算跨径l =3.5m ,根据设计规范,工字钢容许弯曲应力[]w σ=210MPa.1、计算最大弯矩最大弯距(图1所示情况下):m KN m m KN ql M ⋅=⨯==76.738)5.3(/17.48822max2、验算强度正应力验算:[]MPa MPa cm m KN w M 21018340276.73/3max =<=⋅==σσ (w 为25a 工字钢净截面弹性抵抗矩,查表得到为402cm 3) 强度合格3、整体挠度验算工字钢梁容许挠度[]cm cm l f 875.0400/350400/===,而工字钢变形为整体变形,由1片工字钢为一整体进行验算,计算得到:100384q 54EI l f ⎥⎦⎤⎢⎣⎡= 其中q=48.17KN/m E=206×105/cm 2 I=5020cm 4 ()42545020/10206×100384)350(/17.485cm cm cm m KN f ⨯⨯⎥⎦⎤⎢⎣⎡⨯⨯==cm 01.0<[f] 挠度合格。
(二)、槽钢验算已知q=0.8*1.2+1.4*10*46.8/4=165KN/m ,槽钢计算跨径l =0.75m ,根据设计规范,槽钢容许弯曲应力[]w σ=210MPa.1、计算最大弯矩最大弯距(图1所示情况下):m KN m m KN ql M ⋅=⨯==6.118)75.0(/165822max 2、验算强度正应力验算:[]MPa MPa cm m KN w M 2108.1861.626.11/3max =<=⋅==σσ (w 为12槽钢净截面弹性抵抗矩,查表得到为62.1cm 3)强度合格3、整体挠度验算槽钢梁容许挠度[]cm cm f 19.0400/75400/75===,而槽钢变形为整体变形,由单侧1片槽钢为一整体进行验算,计算得到:EI l f 100384q 54⎥⎦⎤⎢⎣⎡= 其中q=165KN/m E=206×105/cm 2 I=391cm 4 ()4254391/10206100384)75(/1655cm cm cm m KN f ⨯⨯⨯⎥⎦⎤⎢⎣⎡⨯⨯==cm -410×.438<[f]挠度合格。
工字钢焊接强度验算M max ——使截面达到材料设计强度的计算截面弯矩2、三级焊缝达到设计强度的弯矩计算三级的抗拉对接焊缝强度设计值为2/185mm N f w t =2/185mm N W M==σM=185N/mm 2×325×103mm 3=60.125KN.m 3、加强钢板截面尺寸计算焊缝对截面抵抗的削弱在腹板处和翼缘板处,由于施工中对翼缘板处平整的要求,一般不在翼缘板处加强,因此在腹板两边添加加强钢板来弥补焊缝对截面的削弱。
由于截面的弯矩抵抗力主要是由截面尺寸来提供,所以计算选取在腹板处焊接两片170mm 高,8mm 厚的钢板来加强。
截面几何性质计算:431.4225212178.03570cm I x =⨯⨯+=3max 1.384111.4225cm y I W x x ===2/185mm N W M==σ当焊接加强钢板后抵抗弯矩:M=185N/mm 2×384.1×103mm 3=71.058KN.m 对接焊缝使母材抵抗弯矩减小值: 69.875KN.m -60.125KN.m=9.75 KN.m 加强钢板焊接后抵抗弯矩增加值: 71.058KN.m -60.125KN.m=10.93 KN.m所以当腹板增加加强钢板后,截面的抵抗弯矩增大了10.93KN.m ,大于由对接焊缝引起的母材抵抗弯矩减小值9.75 KN.m ,满足截面最大应力的要求并与母材截面强度相同。
4、焊缝强度计算工字钢对接处在弯矩和剪力的组合作用下,使得各处应力值小于焊缝强度设计值来保证焊缝的长度满足要求,当临近焊缝处母材应力达到设计强度时焊缝刚好破坏的临界状态,以确定焊缝最小长度和最小的有效截面面积。
拟采用两块高170mm×长100mm×厚8mm 的Q235钢对I22b 的工字钢进行周边焊,验算焊缝的抗拉强度能否达到抗拉强度设计要求。
正面角焊缝(作用力垂直于焊缝长度方向)2/3.624)52170(57.08.4652)185215(mm N l h N w e f =⨯⨯-⨯⨯⨯-==σ侧面角焊缝(作用力平行于焊缝长度方向)2/8.1104)52100(57.08.4652)185215(mm N l h N w e f =⨯⨯-⨯⨯⨯-==τ在各种力综合作用下,需满足22fff τβσ+⎪⎪⎭⎫ ⎝⎛wf f ≤222222/160/1228.11022.13.62mm N mm N f ff ≤=+⎪⎭⎫ ⎝⎛=+⎪⎪⎭⎫ ⎝⎛τβσ计算结果满足要求。
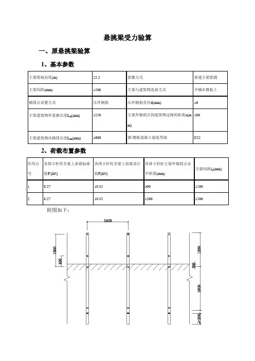
悬挑梁受力验算一、原悬挑梁验算1、基本参数主梁离地高度(m) 25.2 悬挑方式普通主梁悬挑主梁间距(mm) 1500 主梁与建筑物连接方式平铺在楼板上锚固点设置方式压环钢筋压环钢筋直径d(mm) 16主梁建筑物外悬挑长度L x(mm) 1250 主梁外锚固点到建筑物边缘的距离a(mm)100主梁建筑物内锚固长度L m(mm) 1600 梁/楼板混凝土强度等级C252、荷载布置参数作用点号各排立杆传至梁上荷载标准值F'(kN)各排立杆传至梁上荷载设计值F(kN)各排立杆距主梁外锚固点水平距离(mm)主梁间距l a(mm)1 8.27 10.35 400 15002 8.27 10.35 1200 1500附图如下:平面图立面图3、主梁验算主梁材料类型工字钢主梁合并根数n z 1主梁材料规格16号工字钢主梁截面积A(cm2) 26.1主梁截面惯性矩I x(cm4) 1130 主梁截面抵抗矩W x(cm3) 141主梁自重标准值g k(kN/m) 0.205 主梁材料抗弯强度设计值[f](N/mm2) 215主梁材料抗剪强度设计值[τ](N/mm2) 125 主梁弹性模量E(N/mm2) 206000 主梁允许挠度[ν](mm)1/250荷载标准值:q'=g k=0.205=0.205kN/m第1排:F'1=F1'/n z=8.27/1=8.27kN第2排:F'2=F2'/n z=8.27/1=8.27kN荷载设计值:q=1.2×g k=1.2×0.205=0.246kN/m第1排:F1=F1/n z=10.35/1=10.35kN第2排:F2=F2/n z=10.35/1=10.35kN3.1、强度验算弯矩图(kN·m)σmax=M max/W=16.752×106/141000=118.81N/mm2≤[f]=215N/mm2符合要求!3.2、抗剪验算剪力图(kN)τmax=Q max/(8I zδ)[bh02-(b-δ)h2]=21.007×1000×[88×1602-(88-6)×140.22]/(8××6)=24.82 7N/mm2τmax=24.827N/mm2≤[τ]=125N/mm2符合要求!3.3、挠度验算变形图(mm) νmax=6.331mm≤[ν]=2×l x/250=2×1250/250=10mm 符合要求!二、荷载加至1.5倍情况下悬挑梁验算荷载设计值:q=1.2×g k=1.2×0.205=0.246kN/m第1排:F1=1.5×F1/n z=10.35/1=15.53kN第2排:F2=1.5×F2/n z=10.35/1=15.53kN1、强度验算弯矩图(kN·m)σmax=M max/W=25.04×106/141000=177.6N/mm2≤[f]=215N/mm2符合要求!2、抗剪验算剪力图(kN)τmax=Q max/(8I zδ)[bh02-(b-δ)h2]=31.37×1000×[88×1602-(88-6)×140.22]/(8××6)=37.074 N/mm2τmax=37.074N/mm2≤[τ]=125N/mm2符合要求!3、挠度验算变形图(mm)νmax=6.331mm≤[ν]=2×l x/250=2×1250/250=10mm符合要求!。
钢梁整体稳定性验算步骤1.根据《钢结构设计规范》(GB50017-2003)4.2.1条,判断是否可不计算梁的整体稳定性。
2.如需要计算2.1等截面焊接工字形和轧制H型钢简支梁1)根据表B.1注1,求ξ。
ξl1——H型钢或等截面工字形简支梁受压翼缘的自由长度,对跨中无侧向支承点的梁,l1为其跨度;对跨中有侧向支撑点的梁,l1为受压翼缘侧向支承点间的距离(梁的支座处视为有侧身支承)。
b1——截面宽度。
2)根据表B.1,求βb。
3)根据公式B.1-1注,求I1和I2,求αb。
如果αb>0.8,根据表B.1注6,调整βb。
4)根据公式B.1-1注,计算ηb。
5)根据公式B.1-1,计算φb。
6)如果φb>0.6,根据公式B.1-2,采用φ’b代替φb。
7)根据公式4.2.2,验算稳定性。
2.2轧制普通工字钢简支梁1)根据表B.2选取φb。
2)如果φb>0.6,根据公式B.1-2,采用φ’b代替φb。
3)根据公式4.2.2,验算稳定性。
2.3轧制槽钢简支梁1)根据公式B.3,计算φb。
2)如果φb>0.6,根据公式B.1-2,采用φ’b代替φb。
3)根据公式4.2.2,验算稳定性。
2.4双轴对称工字形等截面(含H型钢)悬臂梁1)根据表B.1注1,求ξ。
ξl1——悬臂梁的悬伸长度。
b1——截面宽度。
2)根据表B.4,求βb。
3)根据公式B.1-1,计算φb。
4)如果φb>0.6,根据公式B.1-2,采用φ’b代替φb。
5)根据公式4.2.2,验算稳定性。
2.5受弯构件整体稳定系数的近似计算(均匀弯曲,)2.5.1工字形截面(含H型钢)双轴对称1)根据公式B.5-1,计算φb,当φb>0.6时,不必根据公式B.1-2,采用φ’b代替φb,当φb>1.0,取φb=1.0。
2)根据公式4.2.2,验算稳定性。
2.5.2工字形截面(含H型钢)单轴对称1)根据公式B.5-2,计算φb,当φb>0.6时,不必根据公式B.1-2,采用φ’b代替φb,当φb>1.0,取φb=1.0。
工字钢纵梁挠度验算一、计算说明本计算书内容为224+224.4涵洞工字钢纵梁挠度的验算。
二、计算依据1.《铁路桥涵设计基本规范》(TB10002.1-2005)2.《钢结构设计规范》(GB50017-2003)3.《简明施工计算手册》三、设计荷载列车均布活载四、挠度验算纵梁长度l=16m ,均布荷载q=92KN/m。
1.若采用I120工字钢,其截面几何参数如下:截面高度H=120cm;截面宽度B=50cm;腹板厚度b=12cm;截面面积A=3055cm2;惯性矩I x=572.4×104cm4。
Y max=5ql4/(384EI)=5×92×(1600)4/(384×2.06×105×572.4×104)=6.7mm<16000/600=26.7mm(满足挠度要求)2.若采用I100b工字钢,其截面几何参数:截面高度H=100cm;截面宽度B=50cm;腹板厚度b=12cm;截面面积A=2815cm2;惯性矩I x=356.4×104cm4。
Y max=5ql4/(384EI)=5×92×(1600)4/(384×2.06×105×356.4×104)=10.7 mm<16000/600=26.7mm(满足挠度要求)3.若采用I100a工字钢,其截面几何参数如下:截面高度H=100cm;截面宽度B=40cm;腹板厚度b=10cm;截面面积A=1975cm2;惯性矩I x=256.3×104cm4。
Y max=5ql4/(384EI)=5×92×(1600)4/(384×2.06×105×256.3×104)=14.9mm<16000/600=26.7mm(满足挠度要求)。
6.2.1、I25a 工字钢横向分配梁验算:I25a 工字钢截面参数:截面面积248.51A cm = 单位重量38.08/g kg m =截面惯性矩45017I cm = 截面抵抗矩3401.4W cm =半截面面积矩3230.7S cm = 翼缘平均厚 0.8w t cm =。
选择最不利工况,将荷载换算成88.8t 重车,横向轮距为2m ,履带长度4.6m 。
I25a 布置间距为150cm ,可知3根I25a 直接受力,则每根横梁受力为: P 活=88.8/3=29.6t=296KN恒载:桥面板和横梁自重q 恒=(8.4×15×79+8.4/0.3×15×13.987)÷(10×8.4)=188.4kg/m=1.9KN/m通过结构力学求解器建模:计算得到:弯矩图剪力图最大弯矩为:24.27KNm ,最大剪力为:89.5KN 。
弯曲应力:σ=M/W=24.27×106/401400 =60.5 MPa <140 MPa剪应力:τ= V 总/A =89.5×103/4851 =18.5 MPa <85 MPa满足规范要求。
6.2.2、I12工字钢纵向分配梁验算:I12a 工字钢截面参数:截面面积218.1A cm = 单位重量14.21/g kg m =截面惯性矩4488I cm = 截面抵抗矩377.4W cm =半截面面积矩344.2S cm = 翼缘平均厚 0.5w t cm =。
选择最不利工况,将荷载换算成88.8t 重车,履带宽度0.8m ,履带长度4.6m 。
I12布置间距问30cm ,可知2根I12直接受力。
I25a 布置间距为150cm ,可知3根I25a 直接受力,则每根横梁受力为:P 活=88.8/(2×2)=22.2t=222KN q 活=222/4.6=48.3KN/m恒载:桥面板和横梁自重q 恒=(15×8.4×79)÷(26×15)=25.5kg/m=0.3KN/m 。
工字钢截面验算过程
计算简图:
计算跨度:l=8.39米,计算均布荷载q=26.23KN/m(荷载考虑了砼自重、钢筋自重、模板自重,未考虑活载,竖向荷载有一部分被墩柱分担,此处未略去,此算法荷载偏大,但验算过程总体偏于安全,故此法适用)。
1、梁跨中最大弯矩为:Mmax=0.125*ql2=230.70 KN/m;
弯矩图如下图所示:
支座处最大剪力设计值为:Vmax=1/2*ql=110.03KN;剪力图如下:
2、初选截面
梁所需的截面抵抗军为:
W=Mmax/[σw]=230.70/145*103=15.9*10-4m3=15.9*105mm3;
查型钢表可知,选用I45a,Ix=3.2241*108mm4,Wx=14.33*105mm3
Ix/Sx=385mm,tw=11.5mm
梁的自重此处为简易计算可略去;
3、截面验算
弯矩正应力为:
σ=Mx/Wx=160.99MPa<1.3*145MPa (临时结构,取1.3的容许应力增大系数)
支座处剪应力为:
τ=Q*Sx/Ix*tw=24.99MPa<1.3*85 MPa
4、梁的跨中挠度验算
f=5ql4/384EIx=22.84mm>l/600=13.98mm
结论:通过以上验算得之弯矩正应力和支座处剪应力满足要求,而跨中挠度过大,所以刚度不满足要求,对应现场实际情况需采取加固措施或者换大一号的型钢。
工字钢截面强度校核工字钢作为一种常用的结构材料,在建筑工程和机械制造等领域得到广泛应用。
在使用工字钢时,我们需要对其截面强度进行校核,以确保结构的安全可靠。
下面将介绍工字钢截面强度校核的相关内容,并指导实际操作。
首先,我们需要了解工字钢的截面形状和尺寸。
工字钢由上下两个平行的翼缘和连接两者的腹板构成,形状呈工字形。
其中,翼缘宽度、厚度和腹板厚度是我们关注的重要参数。
其次,根据设计需求和荷载条件,确定工字钢的截面尺寸。
通过力学计算和结构分析,可以得出所需的截面面积、惯性矩和抗扭常数等参数。
然后,我们需要查找相应的工字钢型号和截面性能表,获取工字钢的强度参数。
常见的工字钢型号有16型、20型、25型等,每种型号都有不同的强度指标。
接下来,根据实际使用情况,确定所需要的校核强度等级。
一般情况下,工字钢的截面强度校核等级按照GB/T 1591-2018的要求进行选择,可分为Q235、Q345等不同等级。
在进行截面强度校核时,需要对工字钢的截面性能进行计算。
其中,校核强度的计算公式包括受压翼缘承载力、受拉翼缘承载力和抗剪承载力。
根据实际情况选择相应的计算公式进行计算,以确保工字钢的强度能够满足设计要求。
此外,我们还需关注工字钢的变形和屈曲问题。
在进行校核时,需要根据截面形状和工字钢的长度来计算其变形和屈曲的可能性,并进行相应的校核。
最后,通过工字钢的截面强度校核,我们可以得出结论:该工字钢的截面强度满足设计要求,可以安全使用。
如果计算结果显示不满足要求,就需要重新选择型号或者通过增加材料的厚度等方式来提高强度。
总之,工字钢截面强度校核是工程设计中必要的一步,通过对其截面性能的计算和校验,可以保证工字钢的安全使用,为结构的稳定性和可靠性提供保障。
在实际应用中,我们要根据具体情况选择合适的工字钢型号和进行准确的校核,以确保工程质量和安全。