400X流量控制阀
- 格式:doc
- 大小:133.00 KB
- 文档页数:6
产品名称:600X水力电动控制阀一、概述:600X水力电动控制阀由主阀、电磁导阀、针阀、球阀、微形过滤器和压力表组成水力控制接管系统。
通过电磁导阀可以实现对阀门开启和关闭的遥控。
加装附加装置后,可控制开启和关闭的速度。
当阀门从进口端给水时,水流流过针阀进入主阀控制室,当电磁导阀打开时控制室内的水经电磁导阀、球阀流出。
球阀开度大于针阀开度,主阀控制室内压力很低,主阀处于全开状态。
当电磁导阀关闭时,主阀控制室的水不能流出,控制室升压。
推动膜片关闭主阀。
本产品利用导阀控制阀门的开启和关闭,节省能源。
可代替其它阀门大型电动装置,广泛用于高层建筑、生活区等供水管网系统及城市供水工程。
二、主要外形连接尺寸产品名称:700X水泵控制阀一、概述700X水泵控制阀由主阀、电磁导阀、针阀、球阀、单向阀、行程开关、微形过滤器和压力表组成水力控制接管系统。
水泵需停止工作时,先由进口压使主阀关闭90%后,水泵停止运转。
剩余10%由回水关闭。
可防止水锤现象发生。
其工作原理:当水泵工作阀门向下游供水时,点此导阀全开,针阀调至适当开度,上游水经针阀、单向阀进入主阀控制室,经电磁导阀流出,此时主阀控制室的压力保持主阀处于合适的开度,保持下游正常供水。
当水泵停止工作时,电磁导阀先关闭,主阀控制室停止排水,控制室压力升高,主阀开始关闭。
当关闭至90%时,主阀上部行程开关输出停泵信号,水泵停止运转。
此时下游回水晶单向阀进入主阀控制室,控制室压力升高,主阀被关闭。
本产品利用电磁导阀控制,不需要其他装置和能源。
节约能源,保养简便,停泵平稳,广泛用于高层建筑、生活区等供水管网系统及城市供水工程。
产品名称:800X压差旁通阀一、概述800X压差旁通阀由主阀、压差控制导阀、针阀、球阀、微形过滤器和压力表组成水力控制接管系统。
通过专门设计的导阀控制室,对压力变化信号进行比较,输出主阀开度信号,控制主阀开度,从而控制主阀的进出口压差在设定值上。
其工作原理是,当主阀进出口间压差变化时,接管A与接管B间压差发生变化,此变导阀的开度。
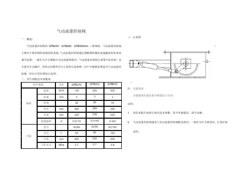
气动流量控制阀一、概述:
气动流量控制阀有QTB250、QTB300、QTB500mm三种规格,气动流量控制阀主要用于粉状物料流量控制系统,气动流量控制阀通过调整圆筒阀的流通截面的张角来调节流量,一般作为开关阀配合电动流量阀使用。
气动流量控制阀主要靠汽缸控制,也可使用手动操作,其传动布置形式分左装和右装两种,用户可根据需要选用气动流量控制阀,但在订货时要加以说明。
二、型号规格技术参数表
三、示意图
四、安装使用
安装使用时请注意分清进出口方向。
说明:
1. 因技术提升而修订相关技术参数,恕不单独通知,请予谅解。
2. 气动流量控制阀通常与电动流量控制阀配套使用,一般作为开关阀使用,订货时请
说明。
400X流量控制阀技术说明一,系统流量与系统总扬程及系统总水头损失有关。
二,设设定流量为Q0,系统总水头损失为ΔH=ΔH1+ΔH2 +ΔH3,其中ΔH1、ΔH2 、ΔH3分别为400X流量控制阀F1、400X阀后的手动阀F2、其它部分的水头损失。
(详见附图)三,控制原理1.若其它情况不变,当开大手动阀F2时,ΔH2减小,ΔH随之减小,流量瞬时增大;但同时孔板差压管引导400X向导阀F0开度减小,控制室充压,F1开度关小,ΔH1增大,使ΔH回到原来的平衡点,流量恢复原值Q0。
也即在此种情况下,400X流量控制阀起到限流的作用。
2.当小量关闭F2时,ΔH2增大,ΔH随之增大,流量瞬时减小;但同时孔板差压管引导400X向导阀F0开度增大,控制室泄压,F1开度增大,ΔH1减小,使ΔH回到原来的平衡点,流量恢复原值Q0。
也即在此种情况下,400X流量控制阀起到稳流的作用。
3.当关闭F2幅度较大时,ΔH2增大,ΔH随之增大,流量瞬时减小;同时孔板差压管引导400X向导阀F0开度增大,控制室泄压,F1开度增大,ΔH1减小,但ΔH1减小量不及ΔH2增加量,ΔH比原来增大,因此流量Q减少。
也即在此种情况下,400X流量控制阀F0已处于全开状态,流量控制权已转到手动阀F2上。
4.由以上分析可见,400X流量控制阀有限流、有条件的稳流功能。
若让它失去流量的控制权,可通过在设定流量情况下,让ΔH1尽可能的小。
这样使手动阀在关闭量较小情况下,就能控制系统的流量。
四,其它说明1.向导阀、主阀的灵敏度,是流量控制阀精确、稳定控制的保障。
本公司向导阀、主阀之核心部件均为美国进口品,能充分保证流量控制阀的控制可靠性。
2.若流量控制阀上游压力相对稳定,也可通过在400X控制阀本阀基础上增设功能导阀的方式实现更精确的控制。
上海冠龙阀门机械有限公司。
活塞式流量调节阀一、流量控制阀作用与用途:HCT43X过滤活塞式流动控制阀安装在配水管路需控制流量的管路中,保持预定流量不变,将过大流量限制在一个预定值,将上游高压减为下游低压.即使主阀上游的压力发生变化,也不会影响主阀下游的流量.二、流量控制阀技术参数:1、公称压力:1.0Mpa、1.6Mpa、2.5Mpa2、壳体试验压力:P=1.5PN3、密封试验压力:P=1.1PN4、适用介质:水5、适用温度:0℃~80℃订货须知:一、①活塞式流量调节阀产品名称与型号②活塞式流量调节阀口径③活塞式流量调节阀是否带附件二、若已经由设计单位选定公司的活塞式流量调节阀型号,请按活塞式流量调节阀型号三、当使用的场合非常重要或环境比较复杂时,请您尽量提供设计图纸和详细参数,流量控制阀可调式减压阀遥控浮球阀液压水位控制阀排泥阀紧急关闭阀压差旁通平衡阀水泵控制液动排泥阀泄压阀隔膜式多功能水泵控制阀缓闭式止回阀200X减压阀电磁遥控球阀定水位器遥控浮球阀液压水位控制阀WM3隔膜式多功能水泵控制阀H742X池底液动阀电动控制阀活塞式电动遥控阀多功能控制阀气囊活塞式水锤吸纳器防爆波阀防污隔断阀弹性座封偏心旋塞阀隔膜片池底卸泥阀活塞式安全泄压/持压阀活塞式可调减压稳压阀活塞式遥控浮球阀活塞式多功能水泵控制阀隔膜式电动遥控阀隔膜式安全泄压/持压阀隔膜式可调减压阀隔膜式遥控浮球阀水流指示器液压、气动角式快开排泥阀调节阀系列价格供用户或设计院工程项目做预算一、阀门的选型步骤1.明确阀门在设备或装置中的用途,确定阀门的工作条件:适用介质、工作压力、工作温度等等。
2.确定与阀门连接管道的公称通径和连接方式:法兰、螺纹、焊接等。
3.确定操作阀门的方式:手动、电动、电磁、气动或液动、电气联动或电液联动等。
4.根据管线输送的介质、工作压力、工作温度确定所选阀门的壳体和内件的材料:灰铸铁、可锻铸铁、球墨铸铁、碳素钢、合金钢、不锈耐酸钢、铜合金等。
给排水阀门给排水阀门常用于生活供水、消防系统及工业给水系统中。
用于控制流量、水位等。
常见的产品有:100X遥控浮球阀、200X减压阀、300X缓闭逆式回阀、400X流量控制阀、500X 泄压持压阀等。
以及各种不同用途的减压阀、止回阀等。
给排水阀门分类大全根据启闭阀门的作用不同,阀门的分类方法很多,这里介绍下列几种。
1. 按作用和用途分类(1) 截断阀:截断阀又称闭路阀,其作用是接通或截断管路中的介质。
截断阀类包括闸阀、截止阀、旋塞阀、球阀、蝶阀和隔膜等。
(2) 止回阀:止回阀又称单向阀或逆止阀,其作用是防止管路中的介质倒流。
水泵吸水关的底阀也属于止回阀类。
(3) 安全阀:安全阀类的作用是防止管路或装置中的介质压力超过规定数值,从而达到安全保护的目的。
(4) 调节阀:调节阀类包括调节阀、节流阀和减压阀,其作用是调节介质的压力、流量等参数。
(5) 分流阀:分流阀类包括各种分配阀和疏水阀等,其作用是分配、分离或混合管路中的介质。
2. 按公称压力分类(1) 真空阀:指工作压力低于标准大气压的阀门。
(2) 低压阀:指公称压力PN ≤1.6Mpa 的阀门。
(3) 中压阀:指公称压力PN 为2.5、4.0、6.4Mpa的阀门。
(4) 高压阀:指工称压力PN 为10~80Mpa的阀门。
(5) 超高压阀:指公称压力 PN≥100Mpa的阀门。
3. 按工作温度分类(1) 超低温阀:用于介质工作温度 t<-100℃的阀门。
(2) 低温阀:用于介质工作温度-100℃≤t≤-40℃的阀门。
(3) 常温阀:用于介质工作温度-40℃≤t≤120℃的阀门。
(4) 中温阀:用于介质工作温度120℃(5) 高温阀:用于介质工作温度t>450℃的阀门。
4. 按驱动方式分类(1) 自动阀是指不需要外力驱动,而是依靠介质自身的能量来使阀门动作的阀门。
如安全阀、减压阀、疏水阀、止回阀、自动调节阀等。
(2) 动力驱动阀:动力驱动阀可以利用各种动力源进行驱动。
流量控制阀流量控制阀就是通过改变节流口通流断面得大小,以改变局部阻力,从而实现对流量得控制。
流量控制阀有节流阀、调速阀与分流集流阀等。
节流阀1-阀体2-阀心3-调节螺钉4-阀套5-阀心上得螺旋断面6-阀口阀套上得窗口W与阀心上得螺旋曲线S之间得相对运动,形成了可变通流断面面积,实现了对流量得控制。
改变节流口通流断面得大小,在一定得压差下,可以控制节流阀得流量。
图形符号:常见得几种节流口形式:针式节流口、三角槽式节流口、转槽式节流口流量特性:节流阀得节流口一定时,其流量随压差得增加而增大。
节流口小到一定值时流量不稳定,出现时断时续现象,称为节流口堵塞(一般0、05L/min)。
不出现堵塞得最小流量叫最小稳定流量。
温度变化引起流体粘度变化使流量不稳定(可采用温度补偿装置加以补偿)。
调速阀调速阀就是具有恒流量功能得阀类,利用它能使执行元件匀速运动。
1-减压阀部分 2-减压口 3-行程限位装置 4-节流阀部分 5-节流口调速阀由两部分组成,一就是节流阀部分,二就是定差减压阀部分,两部分串联而成。
图形符号:工作原理:将节流阀前后压力p2与p3分别引到定压减压阀阀心下、上两端。
当负载压力p3增大即调速阀压差变小时,作用在定差减压阀心得力使阀心下移。
减压口增大,压降减少,使p2也增大,从而使节流阀压差△p=p2-p3保持不变;反之亦然,这样就使调速阀得流量不受其压差变化得影响,而保持恒定。
详细原理说明原理说明:通过阀得流量,不随阀前后得压差ΔP(ΔP = P1-P3)而变,而节流阀就无恒流功能。
比较下列曲线可见两者得区别。
调速阀可理解为两个串联节流口组成,Ⅰ为固定节流,Ⅱ为可变节流口。
执行元件工作时,流量Q稳定流过。
外负载F若减小,两个串联节流口得流量Q将会增大。
这时如果能够及时且自动地减小节流口Ⅱ得开度,使流量重回到原来得稳定值Q。
要做到这些就必需自动地保持(P2-P3)不变。
Ⅰ节流口用节流阀,Ⅱ节流口用定差减压阀,它可保证节流阀前后压差(P2-P3)不变,因此可实现恒流。
气动系统组成一.基本构成组成的气动回路是为了驱动用于各种不同目的的机械装置,其最重要的三个控制内容是:力的大小、力的方向和运动速度。
与生产装置相连接的各种类型的气缸,靠压力控制阀、方向控制阀和流量控制阀分别实现对三个内容的控制,即:压力控制阀——控制气动输出力的大小方向控制阀——控制气缸的运动方向速度控制阀——控制气缸的运动速度二.组成部分气源设备:包括空压机、气罐气源处理元件:包括后冷却器、过滤器、干燥器和排水器压力控制阀:包括增压阀、减压阀、安全服、顺序阀、压力比例阀、真空发生器润滑元件:油雾器、集中润滑元件方向控制阀:包括电磁换向阀、气控换向阀、人控换向阀、机控换向阀、单向阀、梭阀各类传感器:包括磁性开关、限位开关、压力开关、气动传感器流量控制阀:包括速度控制阀、缓冲阀、快速排气阀气动执行元件:气缸、摆动气缸、气马达、气爪、真空吸盘其他辅助元件:消声器、接头与气管、液压缓冲器、气液转换器三.压力控制阀压力控制阀是指用来对液压系统中液流的压力进行控制与调节的阀。
此类阀是利用作用在阀芯上的液体压力和弹簧力相平衡的原理来工作的。
3.1简述在液压传动系统中,控制油液压力高低的液压阀称为压力控制阀,简称压力阀。
这类阀的共同点是利用作用在阀芯上的液压力和弹簧力相平衡的原理工作。
压力控制阀在系统中起调压、定压作用,它是利用控制油同弹簧相平衡的原理工作的,其工作状态直接受控制压力的影响,其状态是变化的。
搞清各类压力阀的结构,便于掌握不同工况下阀的工作特性。
在具体的液压系统中,根据工作需要,对压力控制的要求是各不相同的:有的需要限制液压系统的最高压力,如安全阀;有的需要稳定液压系统中某处的压力值(或者压力差、压力比等),如溢流阀、减压阀等定压阀;还有的利用液压力作为信号控制其动作,如顺序阀、压力继电器等。
3.2基本原理压力阀是靠弹簧力与液体压力的平衡来控制阀体上油道的开闭,系统的最高压力是由溢流阀调定的,系统的工作压力由外载荷决定。
水利控制阀>>流量控制阀>>流量控制阀产品详细信息水力控制阀系列价格供用户或设计院工程项目做预算一、阀门的选型步骤1.明确阀门在设备或装置中的用途,确定阀门的工作条件:适用介质、工作压力、工作温度等等。
2.确定与阀门连接管道的公称通径和连接方式:法兰、螺纹、焊接等。
3.确定操作阀门的方式:手动、电动、电磁、气动或液动、电气联动或电液联动等。
4.根据管线输送的介质、工作压力、工作温度确定所选阀门的壳体和内件的材料:灰铸铁、可锻铸铁、球墨铸铁、碳素钢、合金钢、不锈耐酸钢、铜合金等。
5.确定阀门的型式:闸阀、截止阀、球阀、蝶阀、节流阀、安全阀、减压阀、蒸汽疏水阀、等。
6.确定阀门的参数:对于自动阀门,根据不同需要先确定允许流阻、排放能力、背压等,再确定管道的公称通径和阀座孔的直径。
7.确定所选用阀门的几何参数:结构长度、法兰连接形式及尺寸、开启和关闭后阀门高度方向的尺寸、连接的螺栓孔尺寸和数量、整个阀门外型尺寸等。
8.利用现有的资料:阀门产品目录、阀门产品样本等选型适当的阀门产品。
二、阀门的选型依据1.所选用阀门的用途、使用工况条件和操纵控制方式。
2.工作介质的性质:工作压力、工作温度、腐蚀性能,是否含有固体颗粒,介质是否有毒,是否是易燃、易爆介质,介质的黏度等等。
3.对阀门流体特性的要求:流阻、排放能力、流量特性、密封等级等等。
4.安装尺寸和外形尺寸要求:公称通径、与管道的连接方式和连接尺寸、外形尺寸或重量限制等。
⑤对阀门产品的可靠性、使用寿命和电动装置的防爆性能等的附加要求。
(在选定参数时应注意:如果阀门要用于控制目的,必须确定如下额外参数:操作方法、最大和最小流量要求、正常流动的压力降、关闭时的压力降、阀门的最大和最小进口压力。
)根据上述选型阀门的依据和步骤,合理、正确地选型阀门时还必须对各种类型阀门的内部结构进行详细了解,以便能对优先选用的阀门做出正确的抉择。
管道的最终控制是阀门。
温州阀门厂家直销水力阀门系列-最新价格表因阀门原材料变动比较大价格随时可能变动最新价格可联系厂家电话:153-2552-5373QQ:27522-51458遥控浮球阀100X-16/25C 可调式减压阀200X-16/25C缓闭逆止阀300X-16/25C泄压/持压阀500X-16/25C电动水力控制阀600X-16/25C泵浦控制阀700X-16/25CDN4047555055060047559065081065081010001250 DN5047555055060047559065081065081010001250 DN6553060062070053066070087070087011001380 DN806007007208006007508001000800100012001500 DN10075085087010007509409801220980122013801720 DN125100011001230135010001250123015401230154016002000 DN150127014001520160012701590152019001520190019002380 DN200182021002060230018202280206025802060258025003120 DN250270030002980310027003380298037202980372038004750 DN300365040003920400036504560392049003920490052006500 DN350448051004770520044805600477059604770596062007750 DN400558063005900650055806980590073805900738076009500 DN45077009600850010600770096008500106008500106001020012300 DN5008800110009500118008800110009500118009500118001250015000温州阀门厂家直销-水力阀门系列价格表球型止回阀HQ4-10/16消声止回阀HB41X-16/25C橡胶瓣止回阀H44X-16/25C静音式止回阀H42X-16/25CDRVZ-16/25C节能梭式止回阀HC41X-16/25C水位控制阀H142X-10/16DN50210210160200205260200250250310290290 DN65260260210260260350260325310390350350 DN80320320260325290390330410400500470470 DN100450450330410405530435540560700650650 DN1256306304205305607106157708501060910910 DN1508508505306606959007509401030129010601060 DN2001300137074093011501520122015201720215014401520 DN250180018901180148017302240213026602680335024802600 DN300240025201340168022602900276034503780472028202960 DN3503700388021502580280036003520DN400500052502750330033804750DN450568059603150378042506000DN5006690702052607250DN600120001260012600DN70016200温州阀门厂家直销-水力阀门系列价格表流量控制阀400X-16/16C压差旁通阀800X-16/16C气囊式水锤吸纳器LZMH-16C/P活塞式水锤消除器9000X-16C/PDN5065081085010607701190450650 DN65750940900112011001700600900 DN8080010009801220138022907001150 DN100950119010501310193029708801420 DN12511801480125015602550350010501700 DN15014501810150018803080488013502200 DN20020002500205025604200690019503800 DN250270033802800350032705500 DN300350043803600450041806100 DN350450056204600575052007200 DN4005700712058007250630012800温州阀门厂家直销-丝扣球阀最低价格表一片式丝扣球阀-16P二片式丝扣球阀-16P三片式丝扣球阀-16P 201201304304316201201304304316201201304304316轻重轻重重轻重轻重重轻重轻重重DN69.511.5161518.52326.53139 DN109.511.5161518.52326.53139 DN159.59.510.511.51613151518.5232226.525.53139 DN201313.515162317.522222833.5293734.54452 DN2517.518.521.52232.526.533.532.541.5513946475573 DN3226.529333548.5384848.5638264767792117 DN403538444563526869851158695106113153 DN505258657088709292120150123146150178232 DN659697115125175175185210235315265288322345443 DN80138155175210295255280310365470385425465506630 DN1004504605755857857137608608901135 Z15W丝扣闸阀-16P J11W B型丝扣截止-16P SY11W丝扣过滤器-16P H14W丝扣止回阀-16P Q14F Q15F丝扣三通球阀口径201304316201304316201304316201304316201304316 DN152427.5392326.537121423151826435268 DN203033.5472932.5451721.53519.52536587091 DN254245.56438.542592326.557.526.532.5458096126 DN326069.59756669333.5418039.54868132168225 DN407093.512582901264353103546490198246335 DN501021181651051151606074.51567084120240300420 DN65335380535245315138168264155200240DN80540600840335435230288420230290320温州阀门厂家直销-铸钢阀门最低价格表J41H铸钢截止阀Z41H铸钢闸阀铸钢球阀H41H铸钢止回阀H42H铸钢止回阀H44H铸钢止回阀中型铸钢中型铸钢重型16C重型25C中型铸钢中型铸钢重型16C重型25C铸钢美标中型铸钢中型铸钢重型16C重型25C中型铸钢重型16C中型铸钢中型铸钢重型16C重型25C16C25C16C25C150LB16C25C25C16C16C25CDN157575105105808011511575DN208585110110929212512580DN259898115115105105150150851051051251259292105105125125 DN32130130155155125125180180110120120140140105115120120140140 DN40160160210210160160210210120140140145145125140140140145145 DN50170185240240170195285285135175175185185150160175175185185 DN65230255360360220255385385220255255300300230265255255300300 DN80255310450450255315485485255300300345345265310300300345345 DN100350440605640345440575605365380415425460345370380415425460 DN125570620850880480615815835630520575630690470520520575630690 DN1507658351150120063577511001150800690750860920585690690750860920 DN2001175129518001925950118517001800120011001200144015509001035980110013251440 DN250217024002900302518551975290030251900200022002300132015001780190020702200 DN300300034703900412525302655385039602760300031003220200025302530265028753000 DN3505100530083008500330034005350550044004600470049503680390045004800温州阀门厂家直销-不锈钢阀门最低价格表法兰截止阀J41W-16P法兰闸阀Z41W-16P法兰止回阀H44W-16P法兰止回阀H41W-16P立式止回阀H42W-16P Y型过滤器GL41W-16P 304316304316304316304316304316304316 DN15155205180220135185135185120170105155 DN20175210180220150190150190135175110155 DN25200215185220170195160195140180130160 DN32245320260325205265220265165210150230 DN40295420315450260320255320195260180265 DN50380530420525310400310400240325225336 DN65535735540690440545440545320390335440 DN80680855680865520680520680405500395580 DN10083511348801125665845680845475600540756 DN125129016801260163011401330114013308409107751000 DN150180024001660218015601800156018001080126010801420 DN200294035202730357028003865288038651940273018402680 DN250472564005300693028353625 DN3006825903036755040 DN3501030011850DN4001330016300温州阀门厂家直销-球阀最低价格表Q41F-16P轻型Q41F-16P中型Q41F-16P重型Q41F-16中型Q41F-16C中型Q41F-16C重型Q41F-150LB304重量斤304重量斤304重量斤316重量斤铸钢重量斤铸钢重量斤304316重量斤DN158******** 5.8115560 5.5100140 4.2 DN2090510061207140665 6.51151605 DN2510071107.51408.51757.5708150210 6.5 DN3214091501018011.52101095101802608 DN4016010.519011.52301424511.510013.51101621030010.5 DN5019013.5220152801932014110161301926037015 DN6526518300213902440021160231952539055021 DN803402438025.55002851025.5205312303347066028 DN100425305103565039685352703933046750105040 DN1257305283055.5108060105055.54505911801650DN1501000691100761380801500766208415502170DN2001850120220014025502650118100013727003780DN2502050温州阀门厂家直销-对夹止回阀最近价格表H76W-16P蝶形对夹止回阀H77X-16P软密封双瓣对夹止回阀H74W-16P薄型对夹止回阀H71W-16P升级式对夹止回阀碳钢301304316碳钢硬301304316碳钢301304316规格碳钢201304轻304316 DN4080100110170808010011016050556590DN50901101201808090110120170556070100DN1528283050DN65120160170240110120150170230707085120DN2032323560DN801502002303201401501902202908090110140DN2535354070DN100180270300380160170240280370100120140170DN3240405080DN125220360400520200210350380500130160190230DN4045455063100DN150300470520750240260420480690160220260350DN5055556075115DN20040072078011503303706807501100240380420550DN65758090115180DN250620110012501800480530100011501600400620720900DN8085105130160240DN30092018002000290075085015001700260050095011501500DN100120135170210320DN35012502200260039009501050180021003500800130017002100DN125170*********DN4001650300035004700130015002700320043001000180023003000DN150240*********DN4502000420047006500160017003500400057001400230029003500DN2003704006501000DN5002300480055007500200022004600500068001800330042005200DN25055065010501500DN60033007000780011000280030006200720095002700500063007800DN30078098016002200温州阀门厂家直销-过滤器最低价格表铸钢Y过滤器价格蓝式过滤器价格T型过滤器铸钢中型铸钢重型重型中型中型304铸钢重型304重型铸钢中型304中型铸钢中型铸钢重型DN155864235450320460200350275435 DN206469235450320460200365275445 DN257075235460320520205375275480 DN328290280470320610210400300575 DN4094100330765390805235495320920 DN501001203408204259002605303451000 DN65158165410100051511003307053801300 DN80176200530140063015003759405151500 DN1002002556501880745200041010606301900 DN12528030594028201100293058514708052400 DN1503854251110300013203450765188010352760 DN20062070515904700184052001055340015003680 DN2501035111021007650287579501700447020705150 DN30014001650294094004000110002470576529008050 DN350212023503880111004770136002940400011300 4003175412045041205650500553068206009650823580017650温州阀门厂家直销-蝶阀最低价格表重型D343H法兰蝶阀重D373H对夹式蝶阀中型蝶阀10C16C25C30416C25C30410/16C10C16CDN50215215225455180180365175185185 DN65250250265515210210430190210210 DN80280280295680265265475210235235 DN100359359400744286286546218276276 DN1254904905401050385385735310360360 DN1506006006751250490490980370440440 DN20082082094518106106101350515625625 DN25011001140131525208208201810705885885 DN300143015001770378011251125240091511401140 DN3501750185021804800154015403375118515301560 DN4002390250028406300182019204150158019502000 DN4502860300034007900228026004800195023902490 DN50034303600457510200296032006690260031503400 DN60052505490590014300430045509360370047004940 DN700735080008450205005400610014900515064506700 DN8009620980010850230008000875020400715581008450。
流量调节阀工作原理
流量调节阀工作原理:
流量调节阀是一种用于调节液体或气体流量的阀门设备。
其工作原理基于阀芯在阀门内移动,从而改变流体通过阀门的截面积,从而实现流量的调节。
具体而言,流量调节阀通常由阀体、阀座、阀芯、驱动装置和传感器等部件组成。
当传感器检测到流量变化时,驱动装置会根据设定值,控制阀芯的位置来调节阀门的开度。
阀芯的位置通过驱动装置控制,可以使阀门开度变化。
当阀门完全关闭时,阀芯与阀座完全贴合,阻止流体通过。
当阀门打开时,阀芯从阀座内抬升,与阀座形成间隙,使得流体可以通过阀门。
阀门开度的变化会影响流体通过阀门的截面积,从而实现对流量的调节。
流体的通过过程中,阀芯与阀座的间隙大小决定了流体的通过量。
通常,阀芯的抬升高度与阀门开度成正比。
通过改变阀芯的位置,可以改变阀门的开度,从而实现对流量的控制。
阀门开度越大,流量越大,反之亦然。
综上所述,流量调节阀通过控制阀芯的位置来改变阀门的开度,从而调节流体的通过量。
这种机械调节方式可以应用于各种工业领域,以满足流体流量控制的需求。
I.Technical Conditions技术条款product: 物料Ordinary Cement 水泥bulk density: 物料容重:0.9 – 1.1 kg/dm³ (fluidized) 0.9 – 1.1 kg/dm³(流性)fineness: 粒度:max. 4200 cm²/g (Blaine) 最大布氏粒度4200 cm²/gtemperature: 物料温度:80° C max.最高温度80° Cmoisture: 物料湿度:0.5% H2O max. 最大含水率0,5%voltage:电压400 V, +/- 5%frequency:频率:50 cps, +/- 2% system configuration:系统设置:TNcontrol voltage:控制电压:220 VAC control voltage:控制电压:24 V DCinsulation class:绝缘等级:Ftype of protection:保护等级:IP54installation above main sea level:安装海拔:< 1000mRequired ambient temperature: 设备工作环境温度:max. +45 °C min. +5 °Cmachine type: 设备形式:HAVER-ROTO-Packer Type 8 RSC HAVER回转包装机,型号:8 RSCnet machine output: 设备产能Each max. 2,400 bags/h each 50 kg50千克包装袋,单台最大产量2,400袋/小时bag weights包装袋规格:50 kgkind of bag: 包装袋形式Sewn Woven PP valve bags.At least 100 sample bags are needed for the test before it is confirmed that the bag is suitable for the automatic bag placer.缝线编制阀口袋至少需要100条样袋来测试包装袋是否适合用于自动插袋机。
One-way flow control valves VFOFOne-way flow control valves VFOFKey features and product range overview Key features• Minimal height• High flow rate• Can be rotated horizontally by 360° in assembled state• Universal actuation direction [1] by converting the housing• More functionality – Function combi-nationsH--NoteWhen assembling the individual components, please note the follow-ing sequence as follows:1) Press thrust ring [2] into thehousing for a positive fit.2) Insert hollow bolt [3] into theopening.3) Slide sealing ring OK [4] over thethread of the hollow bolt.1) Standard nominal flow rate in flow control direction.2d I nternet: /catalogue/...Subject to change – 2023/08One-way flow control valves VFOF, function combinationType codes32023/08 – Subject to change d I nternet: /catalogue/...4d I nternet: /catalogue/...Subject to change – 2023/08One-way flow control valves VFOF, function combinationDatasheetOne-way flow control function Exhaust air-M- Standard nominal flow rate 240 ... 590 l/min -Q- Temperature range –10 ... +60°C -L-Operating pressure0.2 ... 10 barThe one-way flow control valve VFOF-LE-BAH is a valve with a function com -bination consisting of an exhaust air one-way flow control function and a pi -loted non-return function with manual exhaust function.The exhaust air one-way flow control function is used for manually adjustingthe speed at which the piston rod of a pneumatic drive advances/retracts.The flow control function is realised by an adjustable annular gap in the hous -ing. This gap can be increased or de -creased by turning the adjusting screw with internal hex.The piloted non-return function can be used for a temporary intermediate stop. If a control signal is applied, the exhaust air flow control takes effect. If no control signal is applied, the valve shuts off the exhaust air from the drive and the drive stops temporarily.By actuating the integrated manual ex -haust function, it is possible to manu -ally exhaust the pneumatic drive.G1/41)More information /x/topic/crc52023/08 – Subject to change d I nternet: /catalogue/...One-way flow control valves VFOF, function combinationDatasheetMaterialsSectional view Standard nominal flow rate qnN in flow control direction at 6 > 5 bar as a function of turns of the adjusting screw n Standard flow rate qn in flow control direction at 6 > 0 baras a function of turns of the adjusting screw n VFOF-LE-BAH/VBNF-LBA nq n N [l /m i n ]12345678910100200300400500600VFOF-LE-BAH/VBNF-LBAnq N [l /m i n ]12345678910100200300400500600700800900VFOF-…-G18-Q6VFOF-…-G14-Q8Flow rate value tolerance: ±20%VFOF-…-G18-Q6VFOF-…-G14-Q8Flow rate value tolerance: ±20%Minimum pilot pressure p21 as a function of operating pressure p1VFOF-LE-BAH/VBNF-LBAp1[bar]p 21[b a r ]123456789100123456451One-way flow control valves VFOF, function combinationDatasheet1)Unactuated6d I nternet: /catalogue/...Subject to change – 2023/08Festo - Your Partner in AutomationConnect with us/socialmedia 1Festo Inc.2Festo Pneumatic 3Festo Corporation 4Regional Service Center 5300 Explorer DriveMississauga, ON L4W 5G4CanadaAv. Ceylán 3,Col. Tequesquináhuac 54020 Tlalnepantla, Estado de México1377 Motor Parkway Suite 310Islandia, NY 117497777 Columbia Road Mason, OH 45040Festo Customer Interaction CenterTel:187****3786Fax:187****3786Email:*****************************Multinational Contact Center 01 800 337 8669***********************Festo Customer Interaction Center180****3786180****3786*****************************S u b j e c t t o c h a n g e。
400气动扇形阀参数1.引言1.1 概述概述部分内容:在工业生产和流体控制过程中,气动扇形阀是一种常见且重要的设备。
气动扇形阀通过控制气体或液体的流动来实现流量调节和流体控制的功能。
通过改变阀门的开闭程度,可以调节流体的流量,并实现对流体压力、温度、液位等参数的控制。
本文将对400气动扇形阀的参数进行详细分析和介绍。
这种型号的气动扇形阀由阀体、阀盖、阀杆、传动装置等组成,具有结构紧凑、操作方便、密封性能好等特点。
该阀门主要适用于工业流体控制系统中的高温、高压、腐蚀性介质等场合,广泛应用于石油化工、电力、冶金、造纸等行业。
文章将从以下几个方面对400气动扇形阀的参数进行介绍:阀门类型、尺寸参数、工作压力、工作温度、流量特性、控制方式等。
通过对这些参数的详细分析,读者可以更好地了解该型号气动扇形阀的性能特点和适用范围。
本文将围绕400气动扇形阀的参数展开,重点介绍其结构特点、工作原理、安装注意事项以及维护保养等方面的内容。
同时,将结合实际应用案例,分析该型号气动扇形阀在不同工况下的应用效果,并提出相应的优化建议。
通过本文的阅读,读者能够深入了解400气动扇形阀的参数,掌握其使用方法和注意事项,为工业生产和流体控制的应用提供有效的参考和指导。
同时,也有助于读者更好地选择和配置气动扇形阀,提高流体控制系统的性能和效率。
1.2文章结构文章结构部分的内容如下:1.2 文章结构本文主要包括三个部分:引言、正文和结论。
引言部分将首先对气动扇形阀的背景和重要性进行概述。
随后,将介绍文章的结构和目的,以便读者能够更好地理解和掌握文章内容。
正文部分将分为两个要点进行讲解。
第一个要点将详细介绍气动扇形阀的参数的定义、意义和计算方法。
将从外形尺寸、工作压力、流量特性等方面对这些参数进行分析,帮助读者全面了解气动扇形阀的性能和适用范围。
第二个要点将重点讨论气动扇形阀参数的优化方法和关键技术。
将介绍常见的优化算法和技术,如粒子群算法、遗传算法等,并结合具体案例进行说明,以提供实际应用中的参考和借鉴。
400X流量控制阀
恩光400X流量控制阀
400X流量控制阀是一种用于消防用水与生活用水并联的供水系统中,用来调配供水方向的阀门。
当火灾发生时,消防急需大量用水,立即切断生活用水,确保足够的消防用水;当消防停止用水压力减小时,阀门自动打开,呈常开状态,恢复生活供水。
该阀使系统无须另设专门的消防单独供水管网,大大地节约了建设成本和用水量。
阀门控制灵敏度高,安全可靠,调试简便,使用寿命长。
[1]水利控制阀就是水压控制的阀门,水力控制阀由一个主阀及其附设的导管﹑导阀﹑针阀﹑球阀和压力表等组成。
根据使用目的﹑功能及场所的不同可演变成遥控浮球阀﹑减压阀﹑缓闭止回阀﹑流量控制阀﹑泄压阀﹑水力电动控制阀、水泵控制阀等。
400X流量控制阀前要安装过滤器,并应便于排污的要求。
水利控制阀是一种利用水自润式阀体,无须另加机油润滑,如遇主阀内零部件损坏时,请按下列指示进行拆卸。
(注:内阀内一般消耗损伤品为膜片和 ...
但在工程中应用水力控制阀时,还存在一定误区,如阀的适用条件,阀的设计选用要求,安装要点等,为此,本文拟以 CECS 标准《水力控制阀应用设计规程》为基础,结合本人的体会来阐述上述诸方面的问题。
水利控制阀阀设计选用要点
( 1 )工程式中应用的水力控制阀是经过制造厂检验合格,各种标识齐全,技术资料符合要求的产品。
( 2 )根据功能要求,选择阀门种类,再根据管道输送介质、温度、建筑标准和业主要要求等,确定阀门的阀体和密封部位的材质。
常用的阀体材料有铸铁、铜铁、铜、塑料等。
常用的密封面和衬里材料有铜合金、塑料、钢、硬质合金、橡胶等。
阀体材料应与管道材料相匹配。
( 3 )阀门的公称压力有0.6、1.0、1.6、2.5和4.0MPa等不同级别,管道输送的介质,其工作压力应小于阀门的公称压力值。
( 4 )工程中水力控制阀的设置应当有足够的空间,以便管理、操作、安装和维修,并应符合管路对阀门的要求。
( 5 )管路采用法兰连接时,应采用法兰连接的水力控制阀;管路采用沟槽式连接时,应采用沟槽式连接的水力控制阀。
( 6 )水利控制阀应设置在介质单向流动的管路上。
( 7 )水利控制阀主阀体上的箭头方向必须与管路系统流向一致。