【JZ】工业管道年度检查报告
- 格式:doc
- 大小:52.50 KB
- 文档页数:3
企业压力管道年度自检报告一、引言企业压力管道是用于输送液体、气体、固体颗粒等材料的重要设施,承担着维持生产运营稳定的责任。
为确保管道安全运行,根据国家相关法律法规的要求,我公司每年都会进行压力管道的自检工作,并向相关部门提交年度自检报告。
本报告将对本年度的自检情况进行总结和分析。
二、自检内容在本年度的自检工作中,我公司对所有的压力管道进行了全面的检查,主要包括以下内容:1. 管道设备的完整性:主要检查管道的外观是否完好,是否存在用于修补的临时措施等。
2. 管道支持和固定设施:检查管道支撑架、固定设施的牢固度和完好度,确保管道处于稳定的状态。
3. 管道连接件的可靠性:检查管道连接接头处的螺纹是否损坏、密封是否良好等,以确保连接件的可靠性。
4. 安全阀和压力表:检查安全阀和压力表的工作状态,确保在管道中达到一定压力时,能够有效地进行安全控制和监测。
5. 管道绝热层和防腐层:检查绝热层和防腐层的完好性,以保护管道材料不受损害。
6. 管道的泄漏检测:采用专业仪器进行管道的泄漏检测,确保管道没有泄漏隐患。
三、自检结果经过全面的自检,我公司对所有压力管道的安全运行情况进行了评估,以下为自检结果的概述:1. 大部分压力管道设备的完整性良好,无临时修补措施和明显的损伤。
2. 管道支撑和固定设施表现稳定,无松动或破损现象。
3. 管道连接件的可靠性普遍较高,无明显的螺纹损坏和密封不良问题。
4. 安全阀和压力表的工作状态良好,能够有效地进行安全控制和监测。
5. 管道绝热层和防腐层完好,能够有效地保护管道材料。
6. 经过泄漏检测,所有管道均未发现泄漏情况,运行安全可靠。
四、存在问题与建议尽管在自检中发现了一些管道存在的问题,但总体来说,我公司的压力管道运行情况良好、安全可靠。
根据自检结果,我们提出以下存在的问题与建议:1. 部分管道的连接件需要更换,以确保连接的可靠性和密封性。
2. 部分管道的绝热层和防腐层存在破损,需要进行维修和更新,以提高管道材料的防腐能力。
机械管道年度检查报告
1. 概述
该报告旨在总结对机械管道进行的年度检查。
在本次检查中,我们对机械管道的运行状态、安全性能进行了详细的评估。
通过检查,我们发现了一些问题,并提出了相应的建议和解决方案。
2. 检查结果
2.1 机械管道运行状态
根据本次检查,我们评估了机械管道的整体运行状态。
经过观察和测试,我们发现机械管道的运行良好,未发现明显的损坏或故障。
2.2 安全性能评估
我们对机械管道的安全性能进行了细致的评估。
通过检查,我们发现了以下问题:
- 部分管道连接处存在轻微的泄漏情况
- 部分阀门操作不灵活,需要进行维修或更换
- 部分管道支架松动,需要进行紧固处理
3. 建议和解决方案
基于我们对机械管道的检查结果,我们提出以下建议和解决方案:
- 对发现的泄漏问题进行修补,确保管道连接处密封良好,防止泄漏产生安全隐患
- 对操作不灵活的阀门进行维修或更换,确保阀门的正常运行- 对松动的管道支架进行紧固处理,确保管道的稳定性和安全性
4. 结论
通过对机械管道的年度检查,我们确认了其良好的运行状态,但也发现了一些安全性问题。
我们提出了相应的建议和解决方案,
以确保机械管道的正常运行和安全性能。
在将来的维护工作中,我们建议定期进行管道连接、阀门和支架的检查和维护,以确保机械管道的长期稳定运行。
5. 执行人员
- 检查人员: [填写检查人员名字1]
- 审阅人员: [填写审阅人员名字1]
- 批准人员: [填写批准人员名字1]。
一、检查时间和地点本次工业管道年度检查于2024年3月1日至3月10日在XX工业区进行。
二、检查目的和内容1.目的:本次年度检查的目的是确保工业管道系统的正常运行,发现和解决可能存在的问题,提高安全生产水平。
2.内容:本次年度检查主要包括以下方面:-工业管道系统设备的完整性和运行状况检查;-管道材料的质量检查;-管道防腐蚀状态检查;-设备泄漏情况的检查;-工业管道系统的压力测试;-相关记录和文档的查阅。
三、检查结果1.设备完整性和运行状况:经过检查,工业管道系统的设备完整,运行状况良好。
未发现设备损坏或故障情况,各设备按照规定工作正常。
2.管道材料:对管道材料进行质量检查,未发现质量问题。
各管道材料符合相关标准要求,无明显腐蚀、氧化等情况。
3.管道防腐蚀状态:对工业管道系统的防腐蚀状况进行了检查,发现其中一段管道存在较轻微的腐蚀情况。
建议尽快进行修补和防腐处理,以避免进一步的损坏。
4.设备泄漏情况:对工业管道系统的泄漏情况进行了检查,未发现泄漏情况。
各设备连接紧固,密封状态良好,无明显的泄漏迹象。
5.压力测试:对工业管道系统进行了压力测试,测试结果显示系统的耐压性能正常。
系统在正常工作压力范围内,无异常泄压现象。
6.相关记录和文档:查阅了工业管道系统的相关记录和文档,记录齐全、完整,维修保养工作按时完成,各项操作符合规范要求。
四、存在问题及建议1.存在问题:-部分管道存在轻微腐蚀现象,建议尽快进行修补和防腐处理,以避免进一步的损坏。
2.建议:-加强对工业管道系统的定期检查和维修保养,确保设备的可靠性和安全性;-定期对管道材料进行质量检查,确保符合相关标准要求;-加强管道防腐蚀工作,定期检查防腐蚀层的厚度和完整性,并进行必要的修复;-做好紧固件的定期检查和维修工作,确保连接的可靠性和密封性;-加强人员培训,提高操作人员的安全意识和技能。
五、总结通过本次工业管道年度检查,发现了轻微的腐蚀问题,并提出了相应的修复建议。
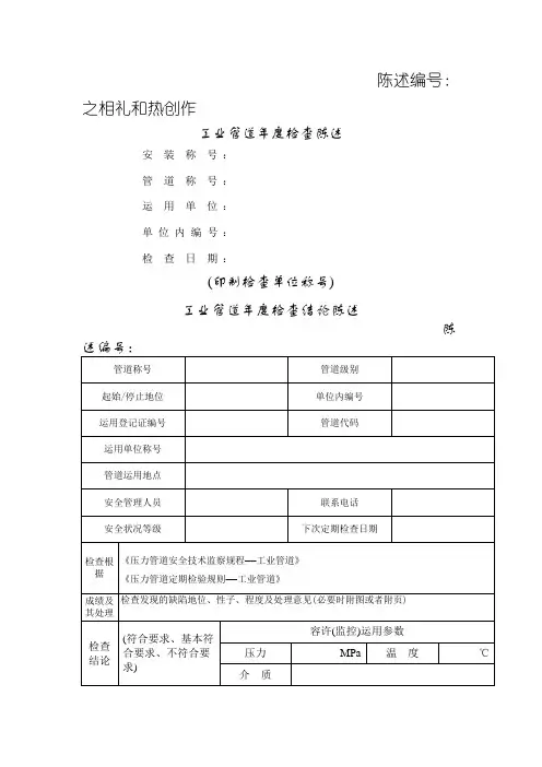
报告编号:
工业管道年度检查报告
装置名称:
管道名称:
使用单位名称:
单位内编号:
检查日期:
(检查单位名称)
工业管道年度检查结论报告
工业管道年度检查记录附页
注:
(1)本表是工业管道年度检查的基本要求,使用单位可以根据本单位工业管道使用特性增加和调整有关检查项目。
(2)无问题或者合格的检查项目在检查结果栏打“√”;有问题或者不合格的检查项目在检查结果栏打“×”,并且在备注中说明;实际没有的检查项目在检查结果栏填写“无此项”,或者按照实际的检查项目编制;无法检查的项目在检查结果栏中划“—”,并且在备注栏中说明原因。
压力管道年度检查报告一、检查目的。
本次年度检查的目的是为了确保压力管道的安全运行,及时发现和解决潜在的安全隐患,保障生产和人员的安全。
二、检查范围。
本次年度检查范围涵盖了公司所有压力管道的设备和管网,包括输送液体、气体等各类介质的管道系统。
三、检查内容。
1. 压力管道的材质、规格、安装方式等基本信息的核对;2. 管道的外观检查,包括腐蚀、变形、破损等情况;3. 管道的支架、固定设施是否完好;4. 管道的防腐蚀措施是否到位;5. 管道的运行压力、温度等参数是否正常;6. 管道的泄漏情况;7. 管道的安全阀、泄压装置是否正常可靠;8. 管道的防护措施是否完善。
四、检查方法。
1. 目视检查,对管道的外观进行仔细观察,发现异常情况及时记录;2. 测量检查,对管道的压力、温度等参数进行测量,确保管道正常运行;3. 探伤检查,对管道进行探伤,发现腐蚀、裂纹等问题;4. 系统检查,对管道的防护系统进行全面检查,确保安全措施完善。
五、检查结果。
经过本次年度检查,发现部分管道存在轻微腐蚀、支架松动等情况,已立即进行了修复和整改。
整体来看,管道系统运行良好,安全措施到位,符合相关安全标准和要求。
六、存在问题及整改措施。
1. 部分管道存在腐蚀情况,已立即进行了清理和防腐处理;2. 部分管道支架松动,已进行了加固和修复;3. 部分管道防护措施不完善,已进行了改进和完善。
七、建议。
1. 加强对压力管道的定期检查和维护,确保管道安全运行;2. 提高员工的安全意识,加强安全教育和培训;3. 完善管道安全管理制度,加强安全监管和应急预案的制定。
八、总结。
本次年度检查发现了一些问题,经过及时整改和改进,管道系统整体安全运行良好。
公司将进一步加强对压力管道的管理和维护,确保生产和人员的安全。
以上就是本次压力管道年度检查的报告内容,希望对公司的安全管理工作有所帮助。
感谢各位的配合和支持!。
工业管道自检报告一、概述自检报告编写目的是为了记录工业管道的自检情况,以确保管道的正常运行和安全性。
本报告对工业管道的自检结果进行了详细描述和分析,并提出了相应的改进建议。
二、自检范围本次自检涵盖了工业管道的主要组成部分,包括但不限于:1. 管道材质:包括金属管道、塑料管道等;2. 管道连接:包括法兰连接、螺纹连接等;3. 管道支持和固定设施;4. 管道阀门:包括控制阀、截止阀等;5. 管道附件:包括管道支架、补偿器等。
三、自检内容1. 管道外观检查对管道外观进行了全面检查,包括检查管道表面是否平整,是否存在明显的破损、腐蚀和变形等情况。
2. 管道连接检查对管道连接部分进行了仔细检查,包括检查连接是否紧固,是否存在漏气或渗漏等问题。
3. 管道支持设施检查对管道支持设施进行了检查,确保支持设施的牢固性和稳定性,避免管道因不良支持而受损。
4. 管道阀门检查对管道阀门进行了全面检查,包括检查阀门的开闭情况和密封性能,确保阀门的正常运行。
5. 管道附件检查对管道附件进行了检查,包括检查附件的完好性和可靠性,以确保附件不会对管道的正常运行产生不良影响。
四、自检结果分析经过对工业管道的全面自检,以下是我们对自检结果的分析和总结:1. 管道外观检查结果根据管道的外观检查结果显示,大部分管道表面平整,无明显破损、腐蚀和变形等情况,但部分管道存在轻微的腐蚀问题,需要及时采取措施进行修复和保护。
2. 管道连接检查结果根据管道连接的检查结果显示,绝大部分连接紧固可靠,未出现漏气或渗漏等问题,但部分连接需要重新紧固以确保连接的稳定性。
3. 管道支持设施检查结果根据管道支持设施的检查结果,支持设施整体牢固可靠,但个别部分存在损坏或松动的情况,需要及时进行修复和更换,以确保管道的稳定性。
4. 管道阀门检查结果根据管道阀门的检查结果,绝大部分阀门开闭灵活,密封性能良好,但个别阀门存在开关不灵活和泄漏的情况,需要及时进行维修或更换。
某石化工业设备检测工程公司使用登记证号: ___________ /_注册编号: /在用工业管道全面检验报告书某石化分公司贮运部贮运部L — 418柴油管线L —41820xx 年1月12日20xx — GD07(4#) — 002某石化工业设备检测工程公司使用单位:装置名称:管道名称:管道编号:检验日期:报告编号:检验单位:某石化工业设备检测工程公司压力容器检验所(1)在用工业管道全面检验结论报告装置名称:某石化分公司贮运部管道名称:L--418柴油管线管道编号:L--418 报告编号:20xx —GD07(4#) —002参照《在用工业管道定期检验规程》的规定,对本管道已完成如下检查和检验:资料审查宏观检查壁厚测定磁粉检测渗透检测射线检测超声波检测硬度测定压力试验腐蚀凹坑评定(目录中的序号),各项检验报告附后。
结论如下:一、安全状况等级为:3级二、允许继续使用的参数为:最大工作压力:常压Mpa 工作温度:常温C,介质:柴油三、监控使用的限制性条件为:/四、下次检验日期:2009年9月五、判废的依据为:/六、其它:/本检验单位经( )批准,具有法人地位,批准的检验工作范围是:检验许可证批准号:第1页共20页某石化工业设备检测工程公司(2)在用工业管道安全状况等级评定结果汇总某石化工业设备检测工程公司(3)在用工业管道原始资料审查报告第页共页文件编号GSJS/BG0504-5/1某石化工业设备检测工程公司(4)在用工业管道宏观检验报告002第页共页(5)在用工业管道测厚报告第页共页(5)在用工业管道测厚报告续页(1)第6 页共20页文件编号GSJS/BG0505-5/1某石化工业设备检测工程公司(5)在用工业管道测厚报告续页(2)某石化工业设备检测工程公司(6)在用工业管道磁粉检测报告第页共页某石化工业设备检测工程公司(6)在用工业管道磁粉检测报告续页(1)第页共页某石化工业设备检测工程公司(7)在用工业管道渗透检测报告002第页共页某石化工业设备检测工程公司(7)在用工业管道渗透检测报告续页(1)第页共页某石化工业设备检测工程公司(8) 在用工业管道射线检测报告报告编号:20xx — GD07(4#) — 002执行标准JB/T4730 — 2005管道名称 L--418柴油管线管道规格(外径 mn X 壁厚 mm)?159 X8 管道编号 L--418 管道材质 20# 管道级别 GC2源种类Ir192检测部位对接焊缝检测比例抽查% 15 mm第页共页某石化工业设备检测工程公司某石化工业设备检测工程公司某石化工业设备检测工程公司某石化工业设备检测工程公司某石化工业设备检测工程公司(9)在用工业管道超声波检测报告第页共页某石化工业设备检测工程公司(9)在用工业管道超声波检测报告续页(1)第页共页文件编号GSJS/BG05011-5/1工业设备检测工程公司(11)在用工业管道硬度测定报告第页共页文件编号GSJS/BG05013-5/1某石化工业设备检测工程公司(13)在用工业管道压力试验报告002在用工业管道腐蚀深坑安全评定报告经过对贮运部4#柴油罐区L--418 管线的腐蚀深坑进行测量,共测量分散型点蚀528 处,按国家质量监督检验检疫总局制定《在用工业管道定期检验规程》中要求进行腐蚀深坑安全评定,均不超标。
工业管道检查报告总结:本次工业管道检查报告旨在对工业管道的使用情况进行全面评估,并发现可能存在的问题和隐患。
通过对工业管道系统的检查,发现整体运行状况较好,但仍存在一定的问题和改进空间。
建议在日常维护中加强对工业管道的检修和保养,并对可能存在的问题进行及时的修复和处理,以确保工业管道系统的正常运行。
一、检查目的和范围:本次工业管道检查报告的目的是评估工业管道的使用情况,并发现可能存在的问题和隐患。
检查范围包括所有工业管道系统的各个部位和设备。
二、检查内容:1.工业管道系统的整体情况评估包括工业管道的布局、连接方式、管道材质、管道直径和长度等。
2.工业管道系统的设备评估对泵站、调节阀、流量计等设备进行检查和评估,确保设备的正常运行。
3.工业管道系统的安全评估检查工业管道系统的安全设施是否齐全,如泄漏报警器、防火设施等,并对其进行评估。
4.工业管道系统的维护情况评估评估工业管道系统的维护情况,包括定期保养、检修记录和维护费用等。
三、检查结果:1.工业管道系统布局合理,管道连接牢固,管道材质符合要求。
2.工业管道系统设备运行正常,无明显故障。
3.工业管道系统安全设施配备齐全,但部分设施使用时间较长,需要进行更新和维修。
4.工业管道系统的维护情况有待加强,部分维护记录不完善。
建议加强日常维护和检修工作,确保工业管道系统的正常运行。
五、存在的问题和建议:1.部分安全设施已使用时间较长,需要进行定期维修和更换。
2.部分工业管道连接处存在漏水和渗漏现象,需要进行密封处理。
3.部分工业管道设备需要进行定期保养和检修,确保设备的正常运行。
4.部分维护记录不完善,需要加强对维护情况的记录和管理。
建议:1.加强对工业管道系统的定期检查和维护,确保系统的正常运行。
2.定期维护和检修安全设施,确保设施的有效性和可靠性。
3.对工业管道系统的漏水和渗漏问题进行修复和处理,以确保管道的密封性。
4.定期保养和检修工业管道设备,确保设备的正常运行。
工业管道年度检查报告审核人审核人:XXX日期:XXXX年XX月XX日1. 概述本年度工业管道年度检查主要针对公司的各类工业管道进行了综合性的检查和评估。
通过检查,发现并解决了一些隐患,确保了管道的正常运行和安全性。
本报告将对年度检查的过程、结果和相关建议进行梳理和总结。
2. 检查过程2.1 检查范围本次年度检查覆盖了公司所有工业管道,包括输送管道、排放管道、回收管道等。
检查内容包括管道的设备状态、安全阀的运行情况、透明管道的外观、管道支架的牢固程度等。
2.2 检查方法年度检查采用了综合性的方法,包括现场检查、设备运行数据分析、设备保养记录查阅等。
同时,我们还参考了相关的法规和标准,确保检查的全面性和准确性。
2.3 检查人员为了确保年度检查的专业性、权威性和客观性,我们组织了一支由工程师、技术人员、质量控制人员等多个部门的专业人员组成的团队,共同完成了本次工业管道年度检查。
3. 检查结果3.1 管道设备状态经过检查,我们发现大部分管道设备运行状态良好,未出现任何异常情况。
但是也存在一些设备老化、磨损的现象,需要及时进行修复或更换,以确保设备的正常运行和延长使用寿命。
3.2 安全阀运行情况安全阀是保证管道安全的重要设备,经检查发现有部分安全阀存在无法及时调节压力的问题,需要进行维修或更换。
同时,建议加强对安全阀的定期检查和维护,确保其可靠性和准确性。
3.3 透明管道外观透明管道通常用于观察管道内部流体的情况,经检查发现存在一定程度的污垢和磨损。
建议加强管道清洁和保养工作,确保透明管道外观清晰,以方便实时观察管道内部流体的情况。
3.4 管道支架牢固程度管道支架是保证管道稳定性和安全性的关键因素,经检查发现有部分管道支架存在松动情况。
建议对松动的管道支架进行及时修复和加固,确保管道的稳定运行和安全性。
4. 建议与改进基于年度检查的结果,我们提出以下建议和改进措施:- 加强设备维护管理,定期检查和维护管道设备,及时修复或更换老化、磨损的设备。
工业管道养护年终总结今年,我公司工业管道养护项目取得了可喜的成绩。
经过一年的努力,我们对各种管道进行了全面的养护,确保了工业生产的正常进行,提高了工作效率。
一、工作内容本年度,我们主要开展了以下工作内容:1.定期检查维护:按照计划,对各个工业管道进行定期检查,发现并处理了一些潜在问题,避免了事故的发生。
2.疏通管道:对管道内的杂物和堵塞进行疏通,保证了管道的畅通,避免了流量减小和堵塞的问题。
3.清洗管道:对管道内的积垢进行清洗,减少了管道的阻力,提高了流量和传输效率。
4.维修更换:对老化、破损或有泄漏的管道进行维修或更换,确保了管道的正常使用,避免了漏水或其他意外事故的发生。
5.防腐防护:对管道进行防腐防护,延长了管道的使用寿命,减少了维修和更换的频率。
二、工作亮点1.加强科学管理:本年度,我们加强了对工业管道养护工作的科学管理,制定了详细的工作计划和流程,提高了工作的效率和质量。
2.技术升级:我们引进了新的管道养护设备和技术,提高了工作的效率和安全性。
3.加强培训:我们组织了相关培训,提高了员工的技能和专业知识,增强了他们的工作能力。
4.与客户密切合作:我们与各个客户保持了密切的合作,积极听取他们的需求和意见,不断改进工作质量,提高了客户满意度。
三、存在的问题和改进措施1.工作质量不稳定:由于工作量较大时,部分员工工作质量有所下降。
下一年度,我们将加强对员工的考核和培训,提高他们的工作质量和责任感。
2.设备老化:部分设备已经使用了多年,存在一定的老化问题。
下一年度,我们将进行设备更新和维护,确保设备的正常使用。
3.信息共享不畅:部分工作信息没有及时共享导致工作过程中出现了一些问题。
下一年度,我们将建立有效的信息共享机制,提高工作的协调性和效率。
总之,通过一年来的努力,我们取得了一定的成绩,但也发现了一些问题。
下一年度,我们将进一步提高工作质量和效率,为客户提供更好的服务。
同时,我们也希望能够继续得到各方的支持和帮助,共同推动工业管道养护工作的发展。