U型渠道板质量评定表(最新版)
- 格式:doc
- 大小:104.50 KB
- 文档页数:5
表号:U型渠-01
XX县水库移民后扶工程
防渗U型渠单位工程质量评定表
XX县水库移民后扶工程
渠基清理单元工程质量评定表
XX县水库移民后扶工程
土方填筑单元工程质量评定表
XX县水库移民后扶工程
渠道U型槽开挖单元工程质量评定表
XX县水库移民后扶工程
现浇混凝土U型渠单元工程质量评定表
XX县水库移民后扶工程
沥青砂浆伸缩缝单元工程质量评定表
XX县水库移民后扶工程
分水闸(口)单元工程质量评定表
表号:水池-01
XX县水库移民后扶工程
蓄水池单位工程评定表
编号:
表号:水池-02
XX县水库移民后扶工程
基础开挖单元(工序)工程质量评定表
表号:水池-03
XX县水库移民后扶工程
钢筋制安单元(工序)工程质量评定表
表号:水池-04
XX县水库移民后扶工程
模板单元(工序)施工质量评定表
表号:水池-05
XX县水库移民后扶工程
混凝土单元(工序)工程质量评定表
XX县水库移民后扶工程
抹灰工程单元(工序)施工质量评定表
XX县水库移民后扶工程
土方回填单元(工序)工程施工质量评定表
XX县水库移民后扶工程
附属工程单元(工序)施工质量评定表
XX县水库移民后扶工程
水池注水试验记录
编号:。
施工丈量报验表编号:工程名称天镇县旱作节水农业示范基地建设项目年月日(第三标段)日期致:山西正浩工程技术咨询有限企业(监理单位):我方已达成(部位)#蔬菜大棚(内容):土方开挖、U型槽预制、混凝土现浇、U型槽安装、土方回填的丈量放线,经自检合格,请予检验。
附件:1.□丈量的依照资料1页2.□丈量成就表1页丈量员(署名):检验人(署名):承包单位名称:天镇县市政工程有限企业技术负责人(署名):检验结果:检验结论:□合格□纠错后重报监理单位名称:监理工程师(署名):日期:注:本表由承包单位填报,项目肩负单位或其拜托的项目实行单位、监理单位、承包单位各存一份1工程质量报验表编号工程名称天镇县旱作节水农业示范基地建设项目日期年月日(第三标段)致:山西正浩工程技术咨询有限企业(监理单位):现我方已达成#蔬菜大棚部位的土方开挖、U型槽预制、混凝土现浇、U型槽安装、土方回填工程,经我方检验切合设计、规范要求,请予以查收。
附件:1.□质量控制资料汇总表(合用于单位工程报验)____页2.□隐蔽工程检查记录表____页3.□施工试验记录____页4.□工序(单元工程)工程质量检验记录____页5.□____页承包单位名称:天镇县市政工程有限企业负责人(署名):审察建议:审察结论:□合格□不合格监理单位名称:(总)监理工程师(署名):审察日期:2注:1、本表由承包单位填报,项目肩负单位或其拜托的项目实行单位、监理单位、承包单位各存一份3、单位工程报验时由总监理工程师署名。
2土方开挖单元工程质量查收记录表编号:单位工程名称天镇县旱作节水农业示范基地建设项目(第三标段)分部工程名称农田水利工程查收部位#蔬菜大棚施工单位天镇县市政工程有限企业项目经理施工履行标准名称及编号同意误差或同意值(mm)施工单位检查监理(建设)单评定记录位查收记录序号项目柱基挖方场地基(坑)槽地平坦管(路)切合设计要求沟面基水渠√人工机械础层1标高-50±30±50-50-50切合设计要求2长度、宽度(由设计中+200+300+500+10切合设计要求-----心线向两边-50-100-150-量)3边坡设计要求切合设计要求4表面平坦度2020502020切合设计要求5基层土性设计要求切合设计要求专业工长(施工员)施工班组长切合设计要求及施工质量查收规范要求。
现浇砼U型渠道衬砌单元工程质量评定表
单位工程名称单元工程量
分部工程名称检验日期
单元工程名称评定日期
项次检查项目质量标准检验记录1 砼质量
符合附表混凝土拌和质量
评定标准
2 砼表面
少量麻面,但累积面积不超
过0.5%
3 表面裂缝无
4 渠口顺直无折线、弯曲
5 渠床边坡符合设计要求,表面
平滑、密实
6 养护按规范规定,基本保持湿
润进行养护
项次检测项目允许偏差总测点数合格点数合格率(%)
1 渠底高程±20mm
2 渠口宽不小于设计要求
3 衬砌厚度不小于设计值
4 纵比降符合设计要求
5 渠顶
高程+50mm
不小于设计宽度
评定意见评定等级
检查项目全部符合质量标准,检测项目共检
测点,合格点数点,合格率%
施工单位年月日监理单位年月日。
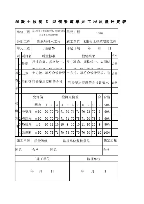
混凝土预制U型槽渠道单元工程质量评定表混凝土预制U型槽渠道单元工程质量评定表混凝土预制U型槽渠道单元工程质量评定表混凝土预制U型槽渠道单元工程质量评定表混凝土预制U型槽渠道单元工程质量评定表混凝土预制U型槽渠道单元工程质量评定表混凝土预制U型槽渠道单元工程质量评定表混凝土预制U型槽渠道单元工程质量评定表混凝土预制U型槽渠道单元工程质量评定表混凝土预制U型槽渠道单元工程质量评定表混凝土预制U型槽渠道单元工程质量评定表混凝土预制U型槽渠道单元工程质量评定表混凝土预制U型槽渠道单元工程质量评定表混凝土预制U型槽渠道单元工程质量评定表混凝土预制U型槽渠道单元工程质量评定表混凝土预制U型槽渠道单元工程质量评定表混凝土预制U型槽渠道单元工程质量评定表混凝土预制U型槽渠道单元工程质量评定表混凝土预制U型槽渠道单元工程质量评定表混凝土预制U型槽渠道单元工程质量评定表混凝土预制U型槽渠道单元工程质量评定表混凝土预制U型槽渠道单元工程质量评定表混凝土预制U型槽渠道单元工程质量评定表混凝土预制U型槽渠道单元工程质量评定表混凝土预制U型槽渠道单元工程质量评定表混凝土预制U型槽渠道单元工程质量评定表混凝土预制U型槽渠道单元工程质量评定表混凝土预制U型槽渠道单元工程质量评定表混凝土预制U型槽渠道单元工程质量评定表混凝土预制U型槽渠道单元工程质量评定表混凝土预制U型槽渠道单元工程质量评定表混凝土预制U型槽渠道单元工程质量评定表混凝土预制U型槽渠道单元工程质量评定表混凝土预制U型槽渠道单元工程质量评定表混凝土预制U型槽渠道单元工程质量评定表混凝土预制U型槽渠道单元工程质量评定表混凝土预制U型槽渠道单元工程质量评定表混凝土预制U型槽渠道单元工程质量评定表混凝土预制U型槽渠道单元工程质量评定表混凝土预制U型槽渠道单元工程质量评定表混凝土预制U型槽渠道单元工程质量评定表混凝土预制U型槽渠道单元工程质量评定表混凝土预制U型槽渠道单元工程质量评定表混凝土预制U型槽渠道单元工程质量评定表混凝土预制U型槽渠道单元工程质量评定表混凝土预制U型槽渠道单元工程质量评定表混凝土预制U型槽渠道单元工程质量评定表混凝土预制U型槽渠道单元工程质量评定表混凝土预制U型槽渠道单元工程质量评定表混凝土预制U型槽渠道单元工程质量评定表混凝土预制U型槽渠道单元工程质量评定表。
混凝土预制U型槽渠道单元工程质量评定表混凝土预制U型槽渠道单元工程质量评定表混凝土预制U型槽渠道单元工程质量评定表混凝土预制U型槽渠道单元工程质量评定表混凝土预制U型槽渠道单元工程质量评定表混凝土预制U型槽渠道单元工程质量评定表混凝土预制U型槽渠道单元工程质量评定表混凝土预制U型槽渠道单元工程质量评定表混凝土预制U型槽渠道单元工程质量评定表混凝土预制U型槽渠道单元工程质量评定表混凝土预制U型槽渠道单元工程质量评定表混凝土预制U型槽渠道单元工程质量评定表混凝土预制U型槽渠道单元工程质量评定表混凝土预制U型槽渠道单元工程质量评定表混凝土预制U型槽渠道单元工程质量评定表混凝土预制U型槽渠道单元工程质量评定表混凝土预制U型槽渠道单元工程质量评定表混凝土预制U型槽渠道单元工程质量评定表混凝土预制U型槽渠道单元工程质量评定表混凝土预制U型槽渠道单元工程质量评定表混凝土预制U型槽渠道单元工程质量评定表混凝土预制U型槽渠道单元工程质量评定表混凝土预制U型槽渠道单元工程质量评定表混凝土预制U型槽渠道单元工程质量评定表混凝土预制U型槽渠道单元工程质量评定表混凝土预制U型槽渠道单元工程质量评定表混凝土预制U型槽渠道单元工程质量评定表混凝土预制U型槽渠道单元工程质量评定表混凝土预制U型槽渠道单元工程质量评定表混凝土预制U型槽渠道单元工程质量评定表混凝土预制U型槽渠道单元工程质量评定表混凝土预制U型槽渠道单元工程质量评定表混凝土预制U型槽渠道单元工程质量评定表混凝土预制U型槽渠道单元工程质量评定表混凝土预制U型槽渠道单元工程质量评定表混凝土预制U型槽渠道单元工程质量评定表混凝土预制U型槽渠道单元工程质量评定表混凝土预制U型槽渠道单元工程质量评定表混凝土预制U型槽渠道单元工程质量评定表混凝土预制U型槽渠道单元工程质量评定表混凝土预制U型槽渠道单元工程质量评定表混凝土预制U型槽渠道单元工程质量评定表混凝土预制U型槽渠道单元工程质量评定表混凝土预制U型槽渠道单元工程质量评定表混凝土预制U型槽渠道单元工程质量评定表混凝土预制U型槽渠道单元工程质量评定表混凝土预制U型槽渠道单元工程质量评定表混凝土预制U型槽渠道单元工程质量评定表混凝土预制U型槽渠道单元工程质量评定表混凝土预制U型槽渠道单元工程质量评定表混凝土预制U型槽渠道单元工程质量评定表。
水利水电工程表2.3混凝土面板单元工程施工质量验收评定表单位工程名称阿勒泰市克孜加尔灌区牧民定居饲草料地一干渠工程(二标段)单元工程量分部工程名称现浇砼板工程施工单位新疆漠海工程建设有限责任公司单元工程名称、部位现浇砼板3+400-3+500施工日期年月日~年月日项次工序编号工序质量验收评定等级1 面板基面清理工序合格2 模板制作及安装工序合格3 △钢筋制作及安装工序/4 预埋件制作及安装工序/5 △混凝土浇筑工序合格6 混凝土外观质量检查工序合格施工单位自评意见各工序施工质量全部合格,其中优良工序占 %,且主要工序达到合格等级。
单元工程质量等级评定为:合格(签字,加盖公章)年月日监理单位复核意见经抽查并查验相关检验报告和检验资料,各工序施工质量全部合格,其中优良工序占 %,且主要工序达到等级单元工程质量等级评定为:(签字,加盖公章)年月日注1:对重要隐蔽单元工程和关键部位单元工程的施工质量验收评定应有设计、建设等单位的代表签字,具体要求应满足SL 176的规定。
注2:本表所填“单元工程量”不作为施工单位工程量结算计量的依据。
水利水电工程表2.3.1面板基面清理工序施工质量验收评定表单位工程名称阿勒泰市克孜加尔灌区牧民定居饲草料地一干渠工程(二标段)工序编号2.3.1分部工程名称现浇砼板工程施工单位新疆漠海工程建设有限责任公司单元工程名称、部位现浇砼板3+400-3+500施工日期年月日~年月日项次检验项目质量标准检查(测)记录合格数合格率趾板基础面处理主控项目1 基础面岩基符合设计要求/软基预留保护层已挖除;基础面符合设计要求/3 地表水和地下水妥善引排或封堵/一般项目1 岩面清理符合设计要求;清洗洁净、无积水、无积渣杂物/面板基面清理主控项目1 垫层坡面符合设计要求;预留保护层已挖除,坡面保护完成保护层已挖出,破比1:1.75、尺寸符合设计。
破面平整、无超挖。
/符合要求2 地表水和地下水妥善引排或封堵无任何地表水或地下水。
混凝土预制U型槽渠道单元工程质量评定表混凝土预制U型槽渠道单元工程质量评定表混凝土预制U型槽渠道单元工程质量评定表混凝土预制U型槽渠道单元工程质量评定表混凝土预制U型槽渠道单元工程质量评定表混凝土预制U型槽渠道单元工程质量评定表混凝土预制U型槽渠道单元工程质量评定表混凝土预制U型槽渠道单元工程质量评定表混凝土预制U型槽渠道单元工程质量评定表混凝土预制U型槽渠道单元工程质量评定表混凝土预制U型槽渠道单元工程质量评定表混凝土预制U型槽渠道单元工程质量评定表混凝土预制U型槽渠道单元工程质量评定表混凝土预制U型槽渠道单元工程质量评定表混凝土预制U型槽渠道单元工程质量评定表混凝土预制U型槽渠道单元工程质量评定表混凝土预制U型槽渠道单元工程质量评定表混凝土预制U型槽渠道单元工程质量评定表混凝土预制U型槽渠道单元工程质量评定表混凝土预制U型槽渠道单元工程质量评定表混凝土预制U型槽渠道单元工程质量评定表混凝土预制U型槽渠道单元工程质量评定表混凝土预制U型槽渠道单元工程质量评定表混凝土预制U型槽渠道单元工程质量评定表混凝土预制U型槽渠道单元工程质量评定表混凝土预制U型槽渠道单元工程质量评定表混凝土预制U型槽渠道单元工程质量评定表混凝土预制U型槽渠道单元工程质量评定表混凝土预制U型槽渠道单元工程质量评定表混凝土预制U型槽渠道单元工程质量评定表混凝土预制U型槽渠道单元工程质量评定表混凝土预制U型槽渠道单元工程质量评定表混凝土预制U型槽渠道单元工程质量评定表混凝土预制U型槽渠道单元工程质量评定表混凝土预制U型槽渠道单元工程质量评定表混凝土预制U型槽渠道单元工程质量评定表混凝土预制U型槽渠道单元工程质量评定表混凝土预制U型槽渠道单元工程质量评定表混凝土预制U型槽渠道单元工程质量评定表混凝土预制U型槽渠道单元工程质量评定表混凝土预制U型槽渠道单元工程质量评定表混凝土预制U型槽渠道单元工程质量评定表混凝土预制U型槽渠道单元工程质量评定表混凝土预制U型槽渠道单元工程质量评定表混凝土预制U型槽渠道单元工程质量评定表混凝土预制U型槽渠道单元工程质量评定表混凝土预制U型槽渠道单元工程质量评定表混凝土预制U型槽渠道单元工程质量评定表。
渠道工程外观质量评定表渠道工程外观质量评定表说明:(1)检测数量:全面检查后,抽测25%,且各项不少于10点。
(2)评定等级标准:测点中符合质量标准的点数占总测点数的百分率为100%时,为一级。
合格率为90~99.9%时,为二级。
合格率为70~89.9%时,为三级。
合格率∠70%时,为四级。
其下方的百分数为相应于所得标准分的百分数。
每项评定得分按下式计算各项评定得分=该项标准分*该项得分百分率(3)表中第13项混凝土表面缺陷指混凝土表面的蜂窝、麻面、挂帘、裙边、小于3cm 的错台、局部凹与凸及表面袭缝等。
如无上述缺陷,该项得分率为100%,缺陷面积超过总面积5%者,该项得分为0。
(4)表中带括号的标准分为工作量大时的标准分。
基础(隐蔽)工程验收报告单四川省渠道工程渠道工程外观质量评定表四川省渠道工程隧洞洞身开挖单元工程质量评定表表1.1四川省渠道工程表1.2四川省渠道工程表1.3四川省渠道工程岩基开挖单元工程质量评定表四川省渠道工程软基开挖单元工程质量评定表表1.5四川省渠道工程坡面清理及开挖单元工程质量评定表表1.6四川省渠道工程填方开挖单元工程质量评定表表2.1四川省渠道工程隧洞回填灌浆单元工程质量评定表四川省渠道工程明渠混凝土衬砌(现浇)单元工程质量评定表四川省渠道工程涵洞洞身混凝土单元工程质量评定表四川省渠道工程陡坡控制堰口混凝土单元工程质量评定表表3.3四川省渠道工程挑流鼻坎混凝土单元工程质量评定表四川省渠道工程现浇钢筋混凝土单元工程质量评定表四川省渠道工程管道支座、镇墩混凝土单元工程质量评定表表3.6四川省渠道工程混凝土单元工程质量评定表四川省渠道工程混凝土基础面或施工缝处理工序质量评定表表3.7-1四川省渠道工程砼模板工序质量评定表表3.7-2四川省渠道工程砼钢筋工序质量评定表表3.7-3四川省渠道工程砼止水及伸缩缝工序质量评定表混凝土浇筑工序质量评定表水闸闸室混凝土浇筑工序质量评定表隧洞洞身混凝土浇筑工序质量评定表渡槽槽身混凝土浇筑工序质量评定表四川省渠道工程混凝土现浇梁浇筑工序质量评定表四川省渠道工程排架(桁架)混凝土浇筑工序质量评定表四川省渠道工程墩式支承混凝土浇筑工序质量评定表四川省渠道工程(水闸、隧洞、渡槽)上游联接段混凝土浇筑工序质量评定表四川省渠道工程(水闸、隧洞、渡槽)下游联接段混凝土浇筑工序质量评定表四川省渠道工程整体板式(杯形)基础混凝土浇筑工序质量评定表表3.7-5-10四川省渠道工程重力墩式基础混凝土浇筑工序质量评定表表3.7-5-11四川省渠道工程管道支座、镇墩浆砌石质量评定表表4.1四川省渠道工程涵洞洞身浆砌石单元工程质量评定表四川省渠道工程浆砌石单元工程质量评定表表4.3四川省渠道工程浆砌石层面处理工序质量评定表四川省渠道工程浆砌石勾缝工序质量评定表四川省渠道工程隧洞洞身浆砌石砌筑工序质量评定表表4.3-3-1四川省渠道工程墩式支承砌石砌筑工序质量评定表表4.3-3-2四川省渠道工程板拱浆砌石(预制块)砌筑工序质量评定表表4.3-3-3四川省渠道工程(渡槽、隧洞、水闸等)上游联接段浆砌筑工序质量评定表四川省渠道工程(渡槽、隧洞、水闸等)下游联接段浆砌筑工序质量评定表表4.3-3-5四川省渠道工程明渠砌石衬砌砌筑工序质量评定表表4.3-3-6四川省渠道工程明渠砌石衬砌砌筑工序质量评定表表4.3-3-7四川省渠道工程渡槽槽身浆石砌砌筑工序质量评定表四川省渠道工程浆砌石砌筑工序质量评定表四川省渠道工程平面闸门埋件安装单元工程质量评定表。