混凝土预制板(槽)衬砌渠道单元工程施工质量评定表
- 格式:doc
- 大小:32.00 KB
- 文档页数:2
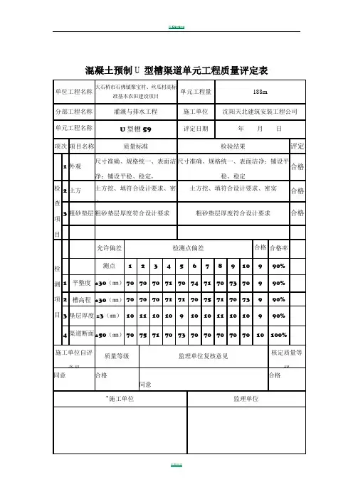
混凝土预制V型槽渠道单元工程质量评定表1. 概述本文档旨在评定混凝土预制V型槽渠道单元工程的质量情况。
通过对工程各项质量要求的检查和评估,确定其是否符合标准要求。
2. 质量评定内容2.1. 渠道壁厚度- 对渠道单元工程的壁厚度进行测量- 检查壁厚度是否符合设计要求- 评价壁厚度的一致性和质量2.2. 渠道尺寸- 对渠道单元工程的尺寸进行测量- 检查尺寸是否符合设计要求- 评估渠道尺寸的准确性和质量2.3. 渠道平整度- 观察渠道表面的平整度情况- 检查渠道表面是否平整、垂直和光滑- 评定渠道平整度是否符合标准要求2.4. 渠道连接- 检查渠道单元工程与相邻部分的连接情况- 评估连接结构的牢固性和稳定性- 确认连接是否符合要求,防止渗漏和渠道断裂2.5. 渠道表面质量- 检查渠道表面是否有裂缝、凹凸和起泡等缺陷- 评估渠道表面质量的平整度和光滑度- 确保渠道表面质量符合标准要求3. 质量评定方法根据工程质量评定要求,采用以下方法进行评定:- 对各项指标进行测量和检查- 利用相应的工具和设备进行检测和评估- 根据标准要求,对各项指标进行定性和定量评估4. 质量评定结果对各项质量指标进行评定后,根据评定结果确定该混凝土预制V型槽渠道单元工程是否合格。
评定结果应以详细的质量评定表形式呈现,包括每个质量指标的评定结果和评定依据。
5. 结论通过对混凝土预制V型槽渠道单元工程的质量评定,可以及时发现和解决工程质量问题,确保工程质量的合格和可靠。
同时,质量评定结果可作为后续质量控制和改进的依据,为类似工程的施工提供指导和参考。
以上是《混凝土预制V型槽渠道单元工程质量评定表》的内容,用于评定混凝土预制V型槽渠道单元工程的质量情况。
评定表应根据实际情况进行调整和完善,以确保评定过程准确、可靠。
渠道混凝土板衬砌单元工程质量评定表
表30
说明
保证项目:
检查数量:全数检查
检查方法:1、3项观察检查和检查试验报告和出厂合格证。
2项观察检查和用小锤轻击检查。
4项观察检查和检查施工记录。
基本项目:
检查数量:1项沿渠长每单元不少于40点。
检查方法:观察检查。
允许偏差项目:
检查数量:每单元检查10处,其中每处表面平整度,渠顶高程,沿渠两旁各测一点,其余均测一点。
检验方法:1、5项用水准仪检查,2项用经纬仪和尺量检查,3、6、
7、8、9、10项用尺量检查,4项用2m靠尺和楔形塞尺
检查。
混凝土预制U型槽渠道单元工程质量评定表混凝土预制U型槽渠道单元工程质量评定表混凝土预制U型槽渠道单元工程质量评定表混凝土预制U型槽渠道单元工程质量评定表混凝土预制U型槽渠道单元工程质量评定表混凝土预制U型槽渠道单元工程质量评定表混凝土预制U型槽渠道单元工程质量评定表混凝土预制U型槽渠道单元工程质量评定表混凝土预制U型槽渠道单元工程质量评定表混凝土预制U型槽渠道单元工程质量评定表混凝土预制U型槽渠道单元工程质量评定表混凝土预制U型槽渠道单元工程质量评定表混凝土预制U型槽渠道单元工程质量评定表混凝土预制U型槽渠道单元工程质量评定表混凝土预制U型槽渠道单元工程质量评定表混凝土预制U型槽渠道单元工程质量评定表混凝土预制U型槽渠道单元工程质量评定表混凝土预制U型槽渠道单元工程质量评定表混凝土预制U型槽渠道单元工程质量评定表混凝土预制U型槽渠道单元工程质量评定表混凝土预制U型槽渠道单元工程质量评定表混凝土预制U型槽渠道单元工程质量评定表混凝土预制U型槽渠道单元工程质量评定表混凝土预制U型槽渠道单元工程质量评定表混凝土预制U型槽渠道单元工程质量评定表混凝土预制U型槽渠道单元工程质量评定表混凝土预制U型槽渠道单元工程质量评定表混凝土预制U型槽渠道单元工程质量评定表混凝土预制U型槽渠道单元工程质量评定表混凝土预制U型槽渠道单元工程质量评定表混凝土预制U型槽渠道单元工程质量评定表混凝土预制U型槽渠道单元工程质量评定表混凝土预制U型槽渠道单元工程质量评定表混凝土预制U型槽渠道单元工程质量评定表混凝土预制U型槽渠道单元工程质量评定表混凝土预制U型槽渠道单元工程质量评定表混凝土预制U型槽渠道单元工程质量评定表混凝土预制U型槽渠道单元工程质量评定表混凝土预制U型槽渠道单元工程质量评定表混凝土预制U型槽渠道单元工程质量评定表混凝土预制U型槽渠道单元工程质量评定表混凝土预制U型槽渠道单元工程质量评定表混凝土预制U型槽渠道单元工程质量评定表混凝土预制U型槽渠道单元工程质量评定表混凝土预制U型槽渠道单元工程质量评定表混凝土预制U型槽渠道单元工程质量评定表混凝土预制U型槽渠道单元工程质量评定表混凝土预制U型槽渠道单元工程质量评定表。
混凝土预制U型槽渠道单元工程质量评定表混凝土预制U型槽渠道单元工程质量评定表混凝土预制U型槽渠道单元工程质量评定表混凝土预制U型槽渠道单元工程质量评定表混凝土预制U型槽渠道单元工程质量评定表混凝土预制U型槽渠道单元工程质量评定表混凝土预制U型槽渠道单元工程质量评定表混凝土预制U型槽渠道单元工程质量评定表混凝土预制U型槽渠道单元工程质量评定表混凝土预制U型槽渠道单元工程质量评定表混凝土预制U型槽渠道单元工程质量评定表混凝土预制U型槽渠道单元工程质量评定表混凝土预制U型槽渠道单元工程质量评定表混凝土预制U型槽渠道单元工程质量评定表混凝土预制U型槽渠道单元工程质量评定表混凝土预制U型槽渠道单元工程质量评定表混凝土预制U型槽渠道单元工程质量评定表混凝土预制U型槽渠道单元工程质量评定表混凝土预制U型槽渠道单元工程质量评定表混凝土预制U型槽渠道单元工程质量评定表混凝土预制U型槽渠道单元工程质量评定表混凝土预制U型槽渠道单元工程质量评定表混凝土预制U型槽渠道单元工程质量评定表混凝土预制U型槽渠道单元工程质量评定表混凝土预制U型槽渠道单元工程质量评定表混凝土预制U型槽渠道单元工程质量评定表混凝土预制U型槽渠道单元工程质量评定表混凝土预制U型槽渠道单元工程质量评定表混凝土预制U型槽渠道单元工程质量评定表混凝土预制U型槽渠道单元工程质量评定表混凝土预制U型槽渠道单元工程质量评定表混凝土预制U型槽渠道单元工程质量评定表混凝土预制U型槽渠道单元工程质量评定表混凝土预制U型槽渠道单元工程质量评定表混凝土预制U型槽渠道单元工程质量评定表混凝土预制U型槽渠道单元工程质量评定表混凝土预制U型槽渠道单元工程质量评定表混凝土预制U型槽渠道单元工程质量评定表混凝土预制U型槽渠道单元工程质量评定表混凝土预制U型槽渠道单元工程质量评定表混凝土预制U型槽渠道单元工程质量评定表混凝土预制U型槽渠道单元工程质量评定表混凝土预制U型槽渠道单元工程质量评定表混凝土预制U型槽渠道单元工程质量评定表混凝土预制U型槽渠道单元工程质量评定表混凝土预制U型槽渠道单元工程质量评定表混凝土预制U型槽渠道单元工程质量评定表混凝土预制U型槽渠道单元工程质量评定表。