排污许可证申请表
- 格式:doc
- 大小:1.01 MB
- 文档页数:31
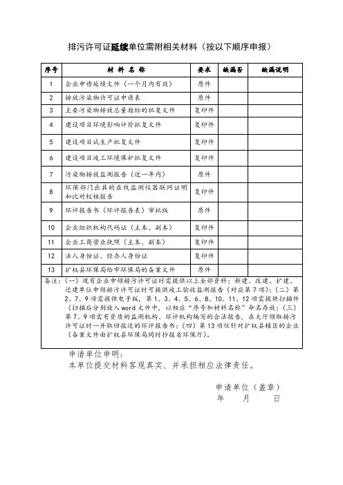
排污许可证延续单位需附相关材料(按以下顺序申报)本单位提交材料客观真实, 并承担相应法律责任。
申请单位(盖章)年月日山西省排放污染物许可证申请表申请单位:联系人:联系方式:电子邮箱:(以上各项均为必填项)山西环境保护厅制二、产品产量及原辅材料消耗情况燃料煤: 万吨/年, 热值: 兆焦/吨, 硫份: %, 灰份% 燃料油: 万吨/年, 硫份: %燃料气:万吨/年, 硫份:%四、用水基本情况计量单位: (万吨/年)五、废水排放总表计量单位: (万吨/年)六、废气排放总表计量单位: (万标立方/年)(此表可续)监测方式: ①在线自动监测仪器;②监督性监测;③自测;④物料衡算;⑤排污系数计算(此表可续)监测方式: ①在线自动监测仪器;②监督性监测;③自测;④物料衡算;⑤排污系数计算十一、生产工艺流程简图(此表可续)十二、废水处理工艺流程简图(此表可续)十三、废气处理工艺流程简图(此表可续)十四、环保部门审核意见填报说明《排放污染物许可证申请表》: 由排污单位在向环保部门申请《排污许可证》或《临时排污许可证》时填报, 一式二份, 其中一份报环保部门, 作为环保部门发放《排污许可证》或《临时排污许可证》的依据。
一、申请单位基本情况(表一):《生产总值》: 为本次申请前一年度实际创造的主营业务、副营业务和营业外业务总值。
《利税》: 为本次申请前一年度实际实现的利税总额。
《生产天数》: 为本次申请前一年度主营业务实际生产天数。
《年末职工人数》:为本次申请前一年年末在职正式职工总人数, 不包括离退休人员、待岗人员、下岗人员和临时工。
《年末固定资产》: 为本次申请前一年年末的固定资产帐面净值。
二、产品产量及原辅材料消耗情况(表二):本表填报的产品是本单位本次申请前一年度年产量居前两位的产品和该产品使用的主要原辅材料。
原辅材料超过4种的, 只填报消耗量最大的4种。
两种产品使用同样的原辅材料又没有分别计量的, 可以合并填报并注明。
排污许可证申请表(试行)(首次申请口延续口变更□)单位名称:注册地址:行业类别:生产经营场所地址:组织机构代码:统一社会信用代码:法定代表人(实际负责人):技术负责人:固定电话:移动电话:申请日期:年月日一、排污单位基本情况(一)排污单位基本信息二、大气污染物排放(一)排放口(2)对于不规则形状排气筒,填写等效内径。
表7废气污染物排放执行标准表(2)新增污染源必填。
(3)如火电厂超低排放浓度限值。
三、水污染物排放(一)排放口表11废水直接排放口基本情况表注:(1)对于直接排放至地表水体的排放口,指废水排出厂界处经纬度坐标:纳入管控的车间或车间处理设施排放口,指废水排出车间或车间处理设施边界处经纬度坐标;可手工填写经纬度.也可通过排污许可证管理信息平台中的GIS系统点选后自动生成经纬度。
(2)指受纳水体的名称,如南沙河、太子河、温榆河等。
(3)指对于直接排放至地表水体的排放口,其所处受纳水体功能类别,如11I类、IV类、V类等。
(4)对于直接排放至地表水体的排放口,指废水汇入地表水体处经纬度坐标;可手工填写经纬度.也可通过排污许可证管理信息平台中的GIS系统点选后自动生成经纬度。
(5)废水向海洋排放的,应当填写岸边排放或深海排放。
深海排放的,还应说明排污口的深度、与岸线直线距离。
在备注中填写。
四、环境管理要求(一)自行监测注:(1)指气量、水量、温度、含氧量等项目。
(2)指污染物采样方法,如对于废水污染物:”混合采样(3个、4个或5个混合)”“瞬时采样(3个、4个或5个瞬时样)”;对于废气污染物:“连续采样”“非连续采样(3个或多个)”。
(3)指一段时期内的监测次数耍求,如1次/周、1次/月等。
(4)指污染物浓度测定方法,如测定化学需氧量的重辂酸钾法、测定氨氮的水杨酸分光光度法等。
附件3:
排放污染物许可证申请表
(污水处理厂)
申请单位(盖章)
法定代表人(盖章)
申请日期
河北省环境保护厅制
填表说明
1、填写要实事求是,不得弄虚作假。
填表企业对所填内容的真实性负责;
2、申请书一律用钢笔/签字笔或电脑打印,字迹清晰、工整、不得涂改;
3、填写附表时如空间不够,可自行附页;
4、申请书封面必须加盖企业公章及法人章;
5、该表一式四份(企业公章复印无效),省环保厅、申报企业所在设区市环保局、县(市、区)环保局、申报企业
各留存一份。
企业承诺
1.所提供的数据、材料内容均真实有效,如有虚假情况,承担一切法律责任。
2.严格遵守《中华人民共和国环境保护法》、《河北省减少污染物排放条例》和《河北省达标排污许可管理办法》(试行)等相关法律法规及规章的管理规定。
法定代表人签字:
年月日
一、申请单位基本情况表
二、申请单位资源、能源指标消耗及污染物排放情况
三、污染物指标情况表
四、环境保护行政主管部门审核意见。
排污许可证申请表(试行)(首次申请)单位名称:注册地址:行业类别:污水处理及其再生利用生产经营场所地址:统一社会信用代码:法定代表人(主要负责人):技术负责人:固定电话:移动电话:企业盖章:申请日期:年月日一、排污单位基本情况表1 排污单位基本信息表—2—(2)2015年1月1日起,正在建设过程中,或者已建成但尚未投产的,选“否”;已经建成投产并产生排污行为的,选“是”。
(3)指已投运的排污单位正式投产运行的时间,对于分期投运的排污单位,以先期投运时间为准。
(4)、(5)指生产经营场所中心经纬度坐标,可通过排污许可管理信息平台中的GIS 系统点选后自动生成经纬度。
(6)“大气重点控制区”指生态环境部关于大气污染特别排放限值的执行范围。
(7)总磷、总氮控制区是指《国务院关于印发“十三五”生态环境保护规划的通知》(国发〔2016〕65号)以及生态环境部相关文件中确定的需要对总磷、总氮进行总量控制的区域。
(8)是指各省根据《土壤污染防治行动计划》确定重金属污染排放限值的矿产资源开发活动集中的区域。
(9)是指各级人民政府设立的工业园区、工业集聚区等。
(10)是指环境影响评价报告书、报告表的审批文件号,或者是环境影响评价登记表的备案编号。
(11)对于按照《国务院关于化解产能严重过剩矛盾的指导意见》(国发〔2013〕41号)和《国务院办公厅关于加强环境监管执法的通知》(国办发〔2014〕56号)要求,经地方政府依法处理、整顿规范并符合要求的项目,须列出证明符合要求的相关文件名和文号。
(12)指首次申请排污许可证时,存在未批先建或不具备达标排放能力的,且受到生态环境部门处罚的排污单位,应选择“是”,其他选“否”。
—3—(13)排污单位属于《固定污染源排污许可分类管理名录》中排污许可重点管理的,应选择“重点”,简化管理的选择“简化”。
(14)对于有主要污染物总量控制指标计划的排污单位,须列出相关文件文号(或者其他能够证明排污单位污染物排放总量控制指标的文件和法律文书),并列出上一年主要污染物总量指标;对于总量指标中包括自备电厂的排污单位,应当在备注栏对自备电厂进行单独说明。
附件2排污许可证申请表(试行)(首次申请□延续□变更□)单位名称:注册地址:行业类别:生产经营场所地址:统一社会信用代码:法定代表人(主要负责人):技术负责人:固定电话:移动电话:企业盖章:申请日期:年月日—3—一、排污单位基本情况(一)排污单位基本信息表1 排污单位基本信息表—4—注:(1)指生产经营场所地址所在地邮政编码。
(2)2015年1月1日起,正在建设过程中,或者已建成但尚未投产的,选“否”;已经建成投产并产生排污行为的,选“是”。
(3)指已投运的排污单位正式投产运行的时间,对于分期投运的排污单位,以先期投运时间为准。
(4)、(5)指生产经营场所中心经纬度坐标,可通过全国排污许可证管理信息平台中的GIS 系统点选后自动生成经纬度。
(6)“大气重点控制区”指生态环境部关于大气污染特别排放限值的执行范围。
(7)总磷、总氮控制区是指《国务院关于印发“十三五”生态环境保护规划的通知》(国发〔2016〕65号)以及生态环境部相关文件中确定的需要对总磷、总氮进行总量控制的区域。
(8)是指各省根据《土壤污染防治行动计划》确定重金属污染排放限值的矿产资源开发活动集中的区域。
(9)是指各级人民政府设立的工业园区、工业集聚区等。
(10)是指环境影响评价报告书、报告表的审批文件号,或者是环境影响评价登记表的备案编号。
(11)对于按照《国务院关于化解产能严重过剩矛盾的指导意见》(国发〔2013〕41号)和《国务院办公厅关于加强环境监管执法的通知》(国办发〔2014〕56号)要求,经地方人民政府依法处理、整顿规范并符合要求的项目,须列出证明符合要求的相关文件名和文号。
(12)指首次申请排污许可证时,存在未批先建或不具备达标排放能力的,且受到生态环境部门处罚的排污单位,应选择“是”,其他选“否”。
(13)排污单位属于《固定污染源排污许可分类管理名录》中排污许可重点管理的,选择“重点”;简化管理的,选择“简化”。
(14)对于有主要污染物总量控制指标计划的排污单位,须列出相关文件文号(或者其他能够证明排污单位污染物排放总量控制指标的文件和法律文书),并列出上一年主要污染物总量指标;对于总量指标中包括自备电厂的排污单位,应当在备注栏对自备电厂进行单独说明。
排污许可证申请表(试行)(首次申请)单位名称:注册地址:行业类别:电力生产生产经营场所地址:统一社会信用代码:法定代表人(主要负责人):技术负责人:固定电话:移动电话:企业盖章:申请日期:年月日一、排污单位基本情况表1 排污单位基本信息表—2—(2)2015年1月1日起,正在建设过程中,或者已建成但尚未投产的,选“否”;已经建成投产并产生排污行为的,选“是”。
(3)指已投运的排污单位正式投产运行的时间,对于分期投运的排污单位,以先期投运时间为准。
(4)、(5)指生产经营场所中心经纬度坐标,可通过排污许可管理信息平台中的GIS 系统点选后自动生成经纬度。
(6)“大气重点控制区”指生态环境部关于大气污染特别排放限值的执行范围。
(7)总磷、总氮控制区是指《国务院关于印发“十三五”生态环境保护规划的通知》(国发〔2016〕65号)以及生态环境部相关文件中确定的需要对总磷、总氮进行总量控制的区域。
(8)是指各省根据《土壤污染防治行动计划》确定重金属污染排放限值的矿产资源开发活动集中的区域。
(9)是指各级人民政府设立的工业园区、工业集聚区等。
(10)是指环境影响评价报告书、报告表的审批文件号,或者是环境影响评价登记表的备案编号。
(11)对于按照《国务院关于化解产能严重过剩矛盾的指导意见》(国发〔2013〕41号)和《国务院办公厅关于加强环境监管执法的通知》(国办发〔2014〕56号)要求,经地方政府依法处理、整顿规范并符合要求的项目,须列出证明符合要求的相关文件名和文号。
(12)指首次申请排污许可证时,存在未批先建或不具备达标排放能力的,且受到生态环境部门处罚的排污单位,应选择“是”,其他选“否”。
(13)排污单位属于《固定污染源排污许可分类管理名录》中排污许可重点管理的,应选择“重点”,简化管理的选择“简化”。
(14)对于有主要污染物总量控制指标计划的排污单位,须列出相关文件文号(或者其他能够证明排污单位污染物排放总量控制指标的文件和法律文书),并列出上一年主要污染物总量指标;对于总量指标中包括自备电厂的排污单位,应当在备注栏对自备电厂进行单独说明。
排污许可证申请表范本尊敬的环保局:我单位计划进行一项新的生产项目,需要申请排污许可证,特此向贵局提交相关申请材料,请求贵局的审批。
一、申请单位基本情况单位全称:XXX有限公司单位地址:XXX市XXX路XXX号单位法定代表人:XXX联系电话:XXX邮编:XXX二、申请项目基本情况项目名称:XXX生产项目项目地址:XXX市XXX路XXX号项目规模:预计年产能XXX吨项目开始时间:20XX年XX月XX日项目预计竣工时间:20XX年XX月XX日三、申请排污许可证的目的和理由本项目涉及某类工业原料的生产加工,排放的废水、废气等将对环境产生一定程度的影响,因此需要取得排污许可证以合法、规范地进行相关生产活动。
同时,我们也意识到环境保护的重要性,将致力于强化环境管理,减少污染物的排放,确保项目运行过程中对环境的影响最小化。
四、申请人自查情况我们单位近期对所生活动所排放废水、废气等进行了自查,已安装并正常运行废气处理设备和废水处理设备,确保排放达标。
五、申请排污许可证所需材料清单1. 申请表2. 单位法人代表身份证复印件3. 单位营业执照复印件4. 单位生产工艺流程图5. 废气处理设备安装及运行情况报告6. 废水处理设备安装及运行情况报告7. 排放口位置示意图8. 其他相关材料(如环评报告等)六、保证本单位将严格按照环保局的要求和相关法律法规执行,确保项目生产过程的环境卫生安全,不擅自改变生产工艺流程和废气、废水处理设备,并配合环保局进行公开监督和检查。
七、联系人及联系方式联系人:XXX联系电话:XXX最后,我们诚恳地希望贵局能尽快审核并发放排污许可证,以便我们按照规定开展相关生产活动,履行环境责任,感谢贵局的支持和配合。
此致敬礼XXX有限公司日期:20XX年XX月XX日。
排污许可证申请表(试行)(首次申请)单位名称:注册地址:行业类别:纸制品制造生产经营场所地址:统一社会信用代码:法定代表人(主要负责人):技术负责人:固定电话:移动电话:企业盖章:申请日期:年月日一、排污单位基本情况表1 排污单位基本信息表—2—(2)2015年1月1日起,正在建设过程中,或者已建成但尚未投产的,选“否”;已经建成投产并产生排污行为的,选“是”。
(3)指已投运的排污单位正式投产运行的时间,对于分期投运的排污单位,以先期投运时间为准。
(4)、(5)指生产经营场所中心经纬度坐标,可通过排污许可管理信息平台中的GIS 系统点选后自动生成经纬度。
(6)“大气重点控制区”指生态环境部关于大气污染特别排放限值的执行范围。
(7)总磷、总氮控制区是指《国务院关于印发“十三五”生态环境保护规划的通知》(国发〔2016〕65号)以及生态环境部相关文件中确定的需要对总磷、总氮进行总量控制的区域。
(8)是指各省根据《土壤污染防治行动计划》确定重金属污染排放限值的矿产资源开发活动集中的区域。
(9)是指各级人民政府设立的工业园区、工业集聚区等。
(10)是指环境影响评价报告书、报告表的审批文件号,或者是环境影响评价登记表的备案编号。
(11)对于按照《国务院关于化解产能严重过剩矛盾的指导意见》(国发〔2013〕41号)和《国务院办公厅关于加强环境监管执法的通知》(国办发〔2014〕56号)要求,经地方政府依法处理、整顿规范并符合要求的项目,须列出证明符合要求的相关文件名和文号。
(12)指首次申请排污许可证时,存在未批先建或不具备达标排放能力的,且受到生态环境部门处罚的排污单位,应选择“是”,其他选“否”。
(13)排污单位属于《固定污染源排污许可分类管理名录》中排污许可重点管理的,应选择“重点”,简化管理的选择“简化”。
(14)对于有主要污染物总量控制指标计划的排污单位,须列出相关文件文号(或者其他能够证明排污单位污染物排放总量控制指标的文件和法律文书),并列出上一年主要污染物总量指标;对于总量指标中包括自备电厂的排污单位,应当在备注栏对自备电厂进行单独说明。
附件3:
排放污染物许可证申请表
(污水处理厂)
申请单位(盖章)
法定代表人(盖章)
申请日期
省环境保护厅制
填表说明
1、填写要实事,不得弄虚作假。
填表企业对所填容的真实性负责;
2、申请书一律用钢笔/签字笔或电脑打印,字迹清晰、工整、不得涂改;
3、填写附表时如空间不够,可自行附页;
4、申请书封面必须加盖企业公章及法人章;
5、该表一式四份(企业公章复印无效),省环保厅、申报企业所在设区市环保局、县(市、区)环保局、申报企
业各留存一份。
企业承诺
1.所提供的数据、材料容均真实有效,如有虚假情况,承担一切法律责任。
2.严格遵守《中华人民国环境保护法》、《省减少污染物排放条例》和《省达标排污许可管理办法》(试行)等相关法律法规及规章的管理规定。
法定代表人签字:
年月日
一、申请单位基本情况表
二、申请单位资源、能源指标消耗及污染物排放情况
三、污染物指标情况表
四、环境保护行政主管部门审核意见。
排污许可证申请表(试行)(首次申请)单位名称:安徽喜丰收农业科技有限公司注册地址:肥东县桥头集镇合马路19公里处行业类别:化学农药制造生产经营场所地址:肥东县桥头集镇合马路19公里处组织机构代码:92312XO统一社会信用代码:92312XO法定代表人:程骏技术负责人:徐寿虎固定电话:6移动电话:申请日期:年月日一、排污单位基本情况(一)排污单位基本信息表1 排污单位基本信息表(2)2015年1月1日起,正在建设过程中,或已建成但尚未投产的,选“否”;已经建成投产并产生排污行为的,选“是”。
(3)指已投运的排污单位正式投产运行的时间,对于分期投运的排污单位,以先期投运时间为准。
(4)、(5)指生产经营场所中心经纬度坐标,可通过排污许可管理信息平台中的GIS 系统点选后自动生成经纬度。
(6)“重点区域”指《重点区域大气污染防治“十二五”规划》中提及的京津冀、长三角、珠三角地区,以及辽宁中部、山东、武汉及其周边、长株潭、成渝、海峡西岸、山西中北部、陕西关中、甘宁、新疆乌鲁木齐城市群等区域。
(7)须列出环评批复文件文号或备案编号。
(8)对于有“三同时”验收批复文件的排污单位,须列出批复文件文号。
(9)对于按照《国务院办公厅关于印发加强环境监管执法的通知》(国办发[2014]56号)要求,经地方政府依法处理、整顿规范并符合要求的项目,须列出证明符合要求的相关文件名和文号。
(10)对于有主要污染物总量控制指标计划的排污单位,须列出相关文件文号(或其他能够证明排污单位污染物排放总量控制指标的文件和法律文书),并列出上一年主要污染物总量指标;对于总量指标中同时包括钢铁行业和自备电厂的排污单位,应进行说明,如“二氧化硫总量指标(t/a)”处填写内容为“1000,包括自备电厂”。
(二)主要产品及产能表2 主要产品及产能信息表3 / 314 / 31注:(1)指主要生产单元所采用的工艺名称。
(2)指某生产单元中主要生产设施(设备)名称。
附件2排污许可证申请表(试行)(首次申请□延续□变更□)单位名称:注册地址:行业类别:生产经营场所地址:统一社会信用代码:法定代表人(主要负责人):技术负责人:固定电话:移动电话:—3—企业盖章:申请日期:年月日—4—一、排污单位基本情况(一)排污单位基本信息表1 排污单位基本信息表—5—注:(1)指生产经营场所地址所在地邮政编码。
(2)2015年1月1日起,正在建设过程中,或者已建成但尚未投产的,选“否”;已经建成投产并产生排污行为的,选“是”。
(3)指已投运的排污单位正式投产运行的时间,对于分期投运的排污单位,以先期投运时间为准。
(4)、(5)指生产经营场所中心经纬度坐标,可通过全国排污许可证管理信息平台中的GIS 系统点选后自动生成经纬度。
(6)“大气重点控制区”指生态环境部关于大气污染特别排放限值的执行范围。
(7)总磷、总氮控制区是指《国务院关于印发“十三五”生态环境保护规划的通知》(国发〔2016〕65号)以及生态环境部相关文件中确定的需要对总磷、总氮进行总量控制的区域。
(8)是指各省根据《土壤污染防治行动计划》确定重金属污染排放限值的矿产资源开发活动集中的区域。
(9)是指各级人民政府设立的工业园区、工业集聚区等。
(10)是指环境影响评价报告书、报告表的审批文件号,或者是环境影响评价登记表的备案编号。
(11)对于按照《国务院关于化解产能严重过剩矛盾的指导意见》(国发〔2013〕41号)和《国务院办公厅关于加强环境监管执法的通知》(国办发〔2014〕56号)要求,经地方人民政府依法处理、整顿规范并符合要求的项目,须列出证明符合要求的相关文件名和文号。
(12)指首次申请排污许可证时,存在未批先建或不具备达标排放能力的,且受到生态环境部门处罚的排污单位,应选择“是”,其他选“否”。
(13)排污单位属于《固定污染源排污许可分类管理名录》中排污许可重点管理的,选择“重点”;简化管理的,选择“简化”。
广东省排污许可证申请表一、申请单位基本情况(申请单位填报、环保部门核定)名称(公章) ××××制品(河源)有限公司(必填)组织机构代码□□□□□□□□-□(□□)(选填)排污申报登记代码□□□□□□□□□□□□□□□□□□(必填)中心位置经度□□□°□□′□□″(选填)中心位置纬度□□°□□′□□″(选填)通信地址联系电话××××××(必填)邮政编码517000 法定代表人张三(必填)环保联系人李四(必填)行业类别皮箱、包(袋)制造(1923) (必填)排污种类1、废水□√;2、废气□√;3、噪声□√项目类型1、新建项目□√;2、现有项目□;3、改扩建、技改项目□主要生产工艺裁剪→手工压折→车制→成品→包袋→出厂(必填)废水处理工艺三级化粪池、隔油池处理能力(吨/日)(选填)废气处理工艺油烟净化设施处理能力(标立方米/小时)(选填)格式文书一—1 ——2 —二、水污染物排放申请许可情况(申请单位填报、环保部门核定)—3 —三、大气污染物排放申请许可情况(申请单位填报、环保部门核定)—4 —四、厂界噪声污染排放申请许可情况(申请单位填报、环保部门核定)—5 —五、申请单位需附相关材料六、申请单位申明:本单位提交材料客观真实,并承担相应法律责任。
—6 —申请单位(盖章)2010 年4月1日七、发证单位审批意见(环保部门填报)—7 —广东省排污许可证变更申请表一、申请单位基本情况(申请单位填报、环保部门核定)—8 ——9 —二、水污染物排放申请许可情况(申请单位填报、环保部门核定)—10 —三、大气污染物排放申请许可情况(申请单位填报、环保部门核定)—11 —四、厂界噪声污染排放申请许可情况(申请单位填报、环保部门核定)—12 —五、申请单位需附相关材料六、申请单位申明:本单位提交材料客观真实,并承担相应法律责任。
排污许可证申请表(试行)(首次申请)单位名称:注册地址:行业类别:汽车制造业生产经营场所地址:统一社会信用代码:法定代表人(主要负责人):技术负责人:固定电话:移动电话:企业盖章:申请日期:年月日一、排污单位基本情况表1 排污单位基本信息表—2—(2)2015年1月1日起,正在建设过程中,或者已建成但尚未投产的,选“否”;已经建成投产并产生排污行为的,选“是”。
(3)指已投运的排污单位正式投产运行的时间,对于分期投运的排污单位,以先期投运时间为准。
(4)、(5)指生产经营场所中心经纬度坐标,可通过排污许可管理信息平台中的GIS 系统点选后自动生成经纬度。
(6)“大气重点控制区”指生态环境部关于大气污染特别排放限值的执行范围。
(7)总磷、总氮控制区是指《国务院关于印发“十三五”生态环境保护规划的通知》(国发〔2016〕65号)以及生态环境部相关文件中确定的需要对总磷、总氮进行总量控制的区域。
(8)是指各省根据《土壤污染防治行动计划》确定重金属污染排放限值的矿产资源开发活动集中的区域。
(9)是指各级人民政府设立的工业园区、工业集聚区等。
(10)是指环境影响评价报告书、报告表的审批文件号,或者是环境影响评价登记表的备案编号。
(11)对于按照《国务院关于化解产能严重过剩矛盾的指导意见》(国发〔2013〕41号)和《国务院办公厅关于加强环境监管执法的通知》(国办发〔2014〕56号)要求,经地方政府依法处理、整顿规范并符合要求的项目,须列出证明符合要求的相关文件名和文号。
(12)指首次申请排污许可证时,存在未批先建或不具备达标排放能力的,且受到生态环境部门处罚的排污单位,应选择“是”,其他选“否”。
(13)排污单位属于《固定污染源排污许可分类管理名录》中排污许可重点管理的,应选择“重点”,简化管理的选择“简化”。
(14)对于有主要污染物总量控制指标计划的排污单位,须列出相关文件文号(或者其他能够证明排污单位污染物排放总量控制指标的文件和法律文书),并列出上一年主要污染物总量指标;对于总量指标中包括自备电厂的排污单位,应当在备注栏对自备电厂进行单独说明。
排污许可证申请表(试行)(首次申请)单位名称:灵石县鑫鑫混凝土搅拌有限公司注册地址:灵石县翠峰镇河洲村行业类别:砼结构构件制造生产经营场所地址:灵石县翠峰镇河洲村组织机构代码:统一社会信用代码:91140729MA0HKTTM5N法定代表人:胡忠林技术负责人:肖魁固定电话:************移动电话:133****8887申请日期:2018年07月23日一、排污单位基本情况表1 排污单位基本信息表(2)2015年1月1日起,正在建设过程中,或已建成但尚未投产的,选“否”;已经建成投产并产生排污行为的,选“是”。
(3)指已投运的排污单位正式投产运行的时间,对于分期投运的排污单位,以先期投运时间为准。
(4)、(5)指生产经营场所中心经纬度坐标,可通过排污许可管理信息平台中的GIS 系统点选后自动生成经纬度。
(6)“大气重点控制区”指《关于执行大气污染物特别排放限值的公告》 2013年第14号中列明的47个市。
(7)总磷、总氮控制区是指《国务院关于印发“十三五”生态环境保护规划的通知》(国发〔2016〕65号)以及环境保护部相关文件中确定的需要对总磷、总氮进行总量控制的区域。
(8)须列出环评审批意见文号或者备案编号。
(9)对于按照《国务院办公厅关于印发加强环境监管执法的通知》(国办发[2014]56号)要求,经地方政府依法处理、整顿规范并符合要求的项目,须列出证明符合要求的相关文件名和文号。
(10)对于有主要污染物总量控制指标计划的排污单位,须列出相关文件文号(或者其他能够证明排污单位污染物排放总量控制指标的文件和法律文书),并列出上一年主要污染物总量指标;对于总量指标中同时包括钢铁行业和自备电厂的排污单位,应当在备注栏进行说明。
二、排污单位登记信息(一)主要产品及产能表2 主要产品及产能信息表3注:(1)指主要生产单元所采用的工艺名称。
(2)指某生产单元中主要生产设施(设备)名称。
4(3)指设施(设备)的设计规格参数,包括参数名称、设计值、计量单位。
(4)指相应工艺中主要产品名称。
(5)、(6)指相应工艺中主要产品设计产能。
(7)指设计年生产时间。
5(二)主要原辅材料及燃料表3 主要原辅材料及燃料信息表注:(1)指材料种类,选填“原料”或“辅料”。
(2)指原料、辅料名称。
(3)指万t/a、万m3/a等。
(4)指有毒有害物质或元素,及其在原料或辅料中的成分占比,如氟元素(0.1%)。
6(三)产排污节点、污染物及污染治理设施表4 废气产排污节点、污染物及污染治理设施信息表7注:(1)指主要生产设施。
(2)指生产设施对应的主要产污环节名称。
8(3)指产生的主要污染物类型,以相应排放标准中确定的污染因子为准。
(4)指有组织排放或无组织排放。
(5)污染治理设施名称,对于有组织废气,以火电行业为例,污染治理设施名称包括三电场静电除尘器、四电场静电除尘器、普通袋式除尘器、覆膜滤料袋式除尘器等。
(6)申请阶段排放编号由排污单位自行编制。
(7)指排放口设置是否符合排污口规范化整治技术要求等相关文件的规定。
9表5 废水类别、污染物及污染治理设施信息表注:(1)指产生废水的工艺、工序,或废水类型的名称。
(2)指产生的主要污染物类型,以相应排放标准中确定的污染因子为准。
(3)包括不外排;排至厂内综合污水处理站;直接进入海域;直接进入江河、湖、库等水环境;进入城市下水道(再入江河、湖、库);进入城市下水道(再入沿海海域);进入城市污水处理厂;直接进入污灌农田;进入地渗或蒸发地;进入其他单位;工业废水集中处理厂;其他(包括回喷、回填、回灌、回用等)。
对于工艺、工序产生的废水,“不外排”指全部在工序内部循环使用,“排至厂内综合污水处理站”指工序废水经处理后排至综合处理站。
对于综合污水处理站,“不外排”指全厂废水经处理后全部回用不排放。
(4)包括连续排放,流量稳定;连续排放,流量不稳定,但有周期性规律;连续排放,流量不稳定,但有规律,且不属于周期性规律;连续排放,流量不稳定,属于冲击型排放;连续排放,流量不稳定且无规律,但不属于冲击型排放;间断排放,排放期间流量稳定;间断排放,排放期间流量不稳定,但有周期性规律;间断排放,排放期间流量不稳定,但有规律,且不属于非周期性规律;间断排放,排放期间流量不稳定,属于冲击型排放;间断排放,排放期间流量不稳定且无规律,但不属于冲击型排放。
(5)指主要污水处理设施名称,如“综合污水处理站”、“生活污水处理系统”等。
(6)排放口编号可按地方环境管理部门现有编号进行填写或由排污单位根据国家相关规范进行编制。
(7)指排放口设置是否符合排污口规范化整治技术要求等相关文件的规定。
10三、大气污染物排放(一)排放口表6 大气排放口基本情况表注:(1)指排气筒所在地经纬度坐标,可手工填写经纬度,也可通过排污许可管理信息平台中的GIS系统点选后自动生成经纬度。
(2)对于不规则形状排气筒,填写等效内径。
表7 废气污染物排放执行标准表11注:(1)指对应排放口须执行的国家或地方污染物排放标准的名称、编号及浓度限值。
(2)新增污染源必填。
(3)如火电厂超低排放浓度限值。
12(二)有组织排放信息表8 大气污染物有组织排放表1314注:(1)如火电厂超低排放限值。
(2)指地方政府制定的环境质量限期达标规划、重污染天气应对措施中对排污单位有更加严格的排放控制要求。
(3)“全厂有组织排放总计”指的是,主要排放口与一般排放口之和数据。
申请年排放量限值计算过程:(包括方法、公式、参数选取过程,以及计算结果的描述等内容)15(三)无组织排放信息表9 大气污染物无组织排放表注:(1)主要可以分为设备与管线组件泄漏、储罐泄漏、装卸泄漏、废水集输储存处理、原辅材料堆存及转运、循环水系统泄漏等环节。
16(四)企业大气排放总许可量表10 企业大气排放总许可量注:(1)“全厂合计”指的是,“全厂有组织排放总计”与“全厂无组织排放总计”之和数据、全厂总量控制指标数据两者取严。
附表企业大气月许可排放量17四、水污染物排放(一)排放口表11 废水直接排放口基本情况表注:(1)对于直接排放至地表水体的排放口,指废水排出厂界处经纬度坐标;纳入管控的车间或车间处理设施排放口,指废水排出车间或车间处理设施边界处经纬度坐标;可手工填写经纬度,也可通过排污许可证管理信息平台中的GIS系统点选后自动生成经纬度。
(2)指受纳水体的名称,如南沙河、太子河、温榆河等。
(3)指对于直接排放至地表水体的排放口,其所处受纳水体功能类别,如Ⅲ类、Ⅳ类、Ⅴ类等。
(4)对于直接排放至地表水体的排放口,指废水汇入地表水体处经纬度坐标;可手工填写经纬度,也可通过排污许可证管理信息平台中的GIS系统点选后自动生成经纬度。
(5)废水向海洋排放的,应当填写岸边排放或深海排放。
深海排放的,还应说明排污口的深度、与岸线直线距离。
在备注中填写。
表12 废水间接排放口基本情况表18注:(1)对于排至厂外城镇或工业污水集中处理设施的排放口,指废水排出厂界处经纬度坐标;可手工填写经纬度,也可通过排污许可证管理信息平台中的GIS系统点选后自动生成经纬度。
(2)指厂外城镇或工业污水集中处理设施名称,如酒仙桥生活污水处理厂、宏兴化工园区污水处理厂等。
表13 废水污染物排放执行标准表注:(1)指对应排放口须执行的国家或地方污染物排放标准的名称及浓度限值。
19(二)申请排放信息表14 废水污染物排放20注:(1)排入城镇集中污水处理设施的生活污水无需申请许可排放量。
申请年排放量限值计算过程:(包括方法、公式、参数选取过程,以及计算结果的描述等内容)21附表企业废水月许可排放量22五、噪声排放信息表15 噪声排放信息六、固体废物排放信息表16 固体废物排放信息23七、环境管理要求(一)自行监测表17 自行监测及记录信息表24注:(1)指气量、水量、温度、含氧量等项目。
(2)指污染物采样方法,如对于废水污染物:“混合采样(3个、4个或5个混合)”“瞬时采样(3个、4个或5个瞬时样)”;对于废气污染物:“连续采样”“非连续采样(3个或多个)”。
(3)指一段时期内的监测次数要求,如1次/周、1次/月等。
(4)指污染物浓度测定方法,如“测定化学需氧量的重铬酸钾法”、“测定氨氮的水杨酸分光光度法”等。
25(二)环境管理台账记录表16 环境管理台账信息表注:(1)包括生产设施和污染防治设施等。
(2)包括基本信息、污染治理措施运行管理信息、监测记录信息、其他环境管理信息等。
(3)基本信息包括:生产设施、治理设施的名称、工艺等排污许可证规定的各项排污单位基本信息的实际情况及与污染物排放相关的主要运行参数等;污染治理措施运行管理信息包括:DCS曲线等;监测记录信息包括:手工监测的记录和自动监测运维记录信息,以及与监测记录相关的生产和污染治理设施运行状况记录信息等。
(4)指一段时期内环境管理台账记录的次数要求,如1次/小时、1次/日等。
(5)指环境管理台账记录的方式,包括电子台账、纸质台账等。
八、有核发权的地方环境保护主管部门增加的管理内容九、改正规定附图2728监测点位示意图2930。