450X1700梁及250板高低跨处高大模板支撑体系图
- 格式:dwg
- 大小:112.23 KB
- 文档页数:1
第九章高大模板支撑体系一、施工准备:1)、模板支撑采用Ф4.8×3.5mm钢管脚手架。
严禁使用弯曲、锈蚀、端口不平的钢管。
对有裂缝的扣件及松扣的螺丝帽必须更换。
质量应符合现行国家标准《碳素结构钢》(GB/T700)中Q235—A级钢及现行国家标准《钢管脚手架扣件》(GB15831)的规定。
支模架采用的扣件,在螺栓拧紧扭力短达65N.m时,不得发生破坏。
2)、梁、板采用18mm厚双面聚脂模板。
模板之间允许偏差1mm,不合格的退场。
所有模板统一在加工房加工成型,现场拼装。
3)、木枋统一刨成50×90mm、90×90mm,弯曲、腐朽和尺寸不合格的木枋退场。
尤其是有节和断裂的不能用于高支模中的梁底和板底。
4)、对拉螺杆采用Φ14普通螺杆,加套塑料套管。
5)、梁侧面的围檩均采用双钢管6)、梁板垫块全部选用砂浆垫块。
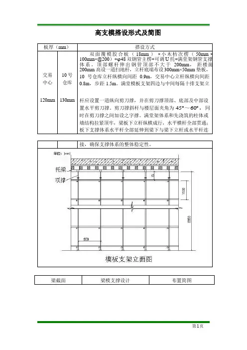
二、模板施工设计:1)、模板安装流程弹线→搭设满堂脚手架支撑→铺梁模底板→铺楼板模板→绑扎墙柱、梁钢筋→验收梁钢筋→封梁侧模板2)、梁板支撑架设计a、梁底支撑架:梁宽度<500㎜且梁高≤700时,架子间距800×1000㎜;梁宽度<500㎜且梁高≥700时架子间距为800×500㎜;梁宽度≥500㎜且700<梁高<1000时架子间距为600×1000㎜, 在梁底中部有一道竖向支撑;梁宽度≥500㎜且梁高≥1200时架子梁底立杆间距为600×500㎜,在梁底中部有一道竖向支撑;立杆间距为(横向×纵向)。
b、板底支撑架:立杆纵横间距为1000㎜。
c、梁下横纵向水平杆间距≤1800mm。
沿梁方向在梁两边设剪刀撑,垂直于梁方向设剪刀撑间距3000mm,剪刀撑与地面夹角45—60度,连续布置。
梁底立杆顶加顶托,水平杆接头采用直扣连接。
梁中间底水平杆下加双扣件,距地200mm设扫地杆,且每根梁底剪力撑不少于两道。
d、梁模板采用侧包底的形式, 梁高≤700的在梁两侧钉50㎜宽的层板压条压住梁侧板,梁侧中间加一根木枋并与旁边的钢管顶紧。
模板及加固支撑体系的优秀做法图示
这是一个样板工地的模板及加固支撑体系的优秀做法,比如工具式梁夹、门口过梁与建筑主体一体式施工方法等等,可能对项目施工过程有所助益。
图中模板了采用定型型钢加固体系,有不易变形,混凝土成型质量好,阴阳角方正的优点。
图中梁模板采用工具式梁夹对梁进行加固,定型化梁夹,施工操作方便、快捷,加固程度好。
图中模板阴阳角部位采用定型型钢加固,有阴阳角成型质量好的优点。
图中模板支撑架立杆托撑采用弧形切口,便于固定钢管。
图片放大后可以看到弧度。
图中梁模板角部采用双方木加固。
图中模板阳角采用压缝措施,浇筑混凝土时不易跑浆,阳角成型后,外观质量更好。
模板已刷油。
图中模板阴角部位采用了压方木处理措施。
先施工墙模板,后施工顶板模板。
图中模板竖向拼缝处采用方木压缝,增加模板强度,防治混凝土跑浆。
图中模板预埋螺栓采用五排,直径Φ14。
图中模板没有使用内撑条,对拉螺栓采用套管和堵头,混凝土成型质量好。
高大模板支撑体系的设计与施工发布时间:2022-12-23T02:29:52.895Z 来源:《建筑实践》2022年第16期作者:周迎春[导读] 泰和水厂深度处理改造工程施工中涉及大面积的高大模板,施工前结合本工程具体实际情况周迎春上海建工四建集团有限公司,上海 200000摘要:泰和水厂深度处理改造工程施工中涉及大面积的高大模板,施工前结合本工程具体实际情况,设计切实可行的高大模板支撑体系,对高大模板支撑体系进行全面验算,施工过程中针对重大危险源,采取对应措施,使高大模板工程得到顺利实施。
关键词:高大模板;钢管;立杆;施工中图分类号:TU755.2 文献标识:A 1工程概况1.1建筑概况泰和水厂现状总生产规模100万m3/d,规划总规模120万m3/d,自北向南分为4套基本独立的生产系统。
1系统规模20万m3/d, 2系统规模40万m3/d,3系统规模20万m3/d,4系统现状规模20万m3/d。
另在4系统用地南侧有另20万m3/d扩建的厂内预留用地。
工程主要建设内容为对现状4套生产系统进行深度处理改造,新建单体包括1~3系统预臭氧接触池、2系统预臭氧接触池、1~3系统提升泵房及臭氧接触池、深度处理排水回收池等单体。
1.2高支模概况依据建质[2009]254号文《建设工程高大模板支撑系统施工安全监督管理导则》的相关规定。
本工程高大模板概况如下表所示。
表1 集中线荷载≥20kN/m的超大梁排架搭设区域2 高大模板支撑设计2.1模板排架设计概况2.1.1平台模板采用15mm厚九夹板作面板,40×90mm木楞作搁栅,其中搁栅间距不大于200mm,Φ48×3.0扣件钢管搭设满堂排架。
2.1.2梁模板采用15mm厚九夹板作底模板和侧模板,40×90mm木楞作搁栅,扣件管搭设满堂排架。
梁净高大于600mm,梁侧模采用Φ14对拉螺杆拉接,其水平、垂直间距不大于600。
梁横向围檩采用40×90木格栅,竖向围檩及斜杆采用Φ48钢管组成。
梁、板、楼梯模板的支设(三维配图)
现在的建筑工程,基本上就二种形式的:一是钢筋混凝土结构,一种是钢结构,当然也可以二者混合。
钢筋混凝土结构建筑,主体就是由柱墙梁板构成。
柱子的很简单,但是梁板的做法,很多没上过工地的朋友肯定是不了解的。
今天就来说一说钢筋混凝土结构建筑中梁、板模板支设流程。
模板支设流程
高度≤ 500的梁模示意图
梁模板支设
高度≤ 500的梁模示意图
梁模板支设
阳台及楼梯模板支设:
阳台配置定型的竹胶板模板
楼板模板支设
楼板模板支设
楼梯底模宜采用18mm厚九层板,踏步为木方及木板加工制成的定型模板。
楼梯段侧模的安装采用侧模包底模的方法,应在平台段侧模板安装后再安装梯段侧模板,安装是在平台段侧模板顶部和楼梯梁侧模板顶部拉通线安装。
平台及楼梯模板支设:
楼梯支模必须结合结构图和建筑图,注意相邻楼地面的建筑做法,以确定楼梯结构施工标高与位置,并在楼梯模成型后严格按施工大样检查各部位的标高、位置、尺寸。
休息平台处,第一步台阶要与下跑最后步台阶背向错开不少于40mm,各步向上推,以保证装饰后台阶对齐。
楼梯施工缝应留设在梯段跨中1/3处。
楼梯施工缝位置
平台及楼梯模板支设:
楼梯模板
楼梯三维图形特殊部位模板:
厕所沉箱支模
电梯井筒体支模
怎么样?是不是很简单啊?
但是图中有一个问题,就是梁模板底的夹具,间距大了点,一般都是500左右一道,图上的由于做图的人不是专业人士,标错了。
还有什么错误欢迎大家指定。
高大模板支撑体系技术参数及构造措施A2商业首层大堂挑空层层高10.71m为本项目最高,框架梁截面尺寸400*1200,也超过其它高大模板部位梁截面尺寸,因此后附图模板支架平面布置图、抱柱装置图、剖面图等以A2商业首层大堂支撑架为主,其它部位参考A2商业首层大堂设置。
1地下室无梁楼盖高大模板支撑楼板厚500mm,模板采用40mm×90mm木方做板底支撑(次梁),木方间距200mm,用双钢管作为托梁并用U托支撑。
模板支撑脚手架立杆间距900mm×900mm,步距1500mm。
支撑端的自由端高度不大于400mm,楼板支撑根据要求在立杆下垫木方,底部距地200mm设纵横向扫地杆。
无梁柱帽上口四周设置立杆,立杆间距不大于900mm,步距1500mm,其它设置同楼板支撑体系。
2 A2商业大堂挑空超高模板支撑梁模板支撑立杆沿梁长方向间距1000mm,梁底中部1道立杆,梁两侧两道立杆,离梁边300mm,横杆步距1500mm。
面板采用15mm厚胶合面板,梁侧模次龙骨为40mm×90mm木方,次龙骨间距300mm,主龙骨为Φ48×3.0mm钢管,间距600mm,梁高大于600mm时,在梁中部间距600mm加一道M14对拉螺栓与主龙骨钢管固定,当梁高大于等于900mm时,沿梁长方向间距600mm加二道M14对拉螺栓与主龙骨钢管固定,沿梁高均匀布置;底模方向,梁底采用40mm×90mm方木支撑,木方间距小于200mm,沿梁长方向布置,托梁采用钢管,托梁水平杆与梁两侧立杆连接采用双扣件,与梁底立杆采用U托支撑。
承重架采用φ48×3.0钢管。
梁模板施工时应与楼板支撑架连成整体,提高稳定性。
楼板厚度110mm,模板采用40mm×90mm木方做板底支撑,木方间距200mm,用双钢管作为托梁并用U托支撑。
模板支撑脚手架立杆间距1000mm×1000mm,步距1500mm。
高支模---重点在下方一、高支模定义根据《危险性较大的分部分项工程安全管理办法》建办质[2017]39号规定:水平混凝土构件模板支撑系统高度超过8m,或跨度大于18m,均荷载大于15kN/m2,或集中线荷载大于20kN/m 的模板支撑系统;属于高大支模体系。
二、模板及支撑体系的材料选型梁模板采用16厚多层板,规格尺寸为1830×915×16;次楞采用木枋,木枋规格为50×100;主楞采用双钢管,规格为φ48.3×3.5。
模板选用:16mm 厚红色模板,弹性模量E=4200N/mm2,抗弯强度[f]=12N/mm2。
次龙骨:50×100x2000mm 木枋,抗剪强度设计值1.3N/mm2,抗弯强度设计值13N/mm2,弹性模量为8415N/mm2。
主龙骨采用Φ48.3×3.5 普通钢管,抗弯强度205.0N/mm2。
扣件拧紧力矩达40~65N.m,单扣件抗滑承载力可取8.0×0.6=4.8kN。
高支模区域楼板满堂支撑支撑体系采用扣件式钢管架(扣件式满堂支撑架体系),梁下支撑体系采用扣件式钢管架(梁底支撑采用顶托)。
高支模材料参数U型顶托直径14mm对拉螺杆三、架设方案1、大截面梁搭设方案1)架体平立面设计:梁板体系共立杆,高大模板支撑体系采用扣件式钢管支撑体系搭设,梁底位置增设扣件式钢管架与满堂架用扣件连接,尺寸为900×900mm,架体步距1200mm。
梁两侧立杆增设通长纵向水平找平杆;梁侧设置双钢管背楞,用M14对拉螺杆对拉加固,间距500mm。
2)架体构造措施:所有满堂支撑架体四周搭设连续竖向剪刀撑,支撑体系内部每隔4.5m搭设竖向和水平向剪刀撑。
水平剪刀撑设置在架体底部扫地杆位置一道、梁底下第一步水平杆位置一道,层高较高的楼层中间设置一道,在架体中间水平杆位置满铺一道水平安全兜网。
3)架体起步时立杆接头位置交错设置,用6m立杆和4m立杆、4m立杆和3m、2m和3m的立杆交错布置作为高支模起步立杆,1.2m步距范围内立杆接头无法错开时,在立杆接头处采用纵横向钢管加强处理。
专家论证方案超高模板支撑体系施工设计方案工程名称:编制日期:目录一、编制说明及依据1、施工图纸及施工组织设计 (2)2、标准、规范、规程及其他 (2)二、工程概况1、建筑概况 (3)2、模板概况 (3)3、结构概况 (7)三、施工要求和技术保证条件1、施工技术保证条件 (7)2、材质技术保证条件 (8)四、施工计划1、施工进度计划 (9)2、材料计划 (10)3、设备计划 (10)五、施工工艺技术1、支撑体系基础处理 (10)2、支撑体系搭设方法和工艺要求 (12)3、材料的力学性能指标 (13)4、构造设置 (13)5、检查和验收 (14)六、施工安全保证措施1、安全组织机构框图 (21)2、安全组织机构人员名单 (21)3、支撑体系搭设施工技术措施 (21)4、模板安装和拆除安全技术措施 (23)5、应急预案 (24)6、模板支撑体系监测监控 (27)七、劳动力计划1、专职安全生产管理人员名单 (28)2、特种作业人员名单 (28)八、计算书及相关图纸1、模板支撑体系构配件一览表 (29)2、模板支撑体系施工图 (34)3、计算书 (40)一、编制说明及依据1、施工图纸及施工组织设计2、标准、规范、规程及其他二、工程概况1、建筑概况及参建单位2、模板概况2.2、模板支撑区域楼层梁板结构图3、结构概况本工程采用独立基础,框架结构。
抗震设类别丙类设防,设计使用年限为50年,地面粗糙度B类,支撑体系设计取XX市XX区10年一遇基本风压0.3 KN/㎡,基底设计标高为-1.800m,基础完成后回填土素土夯实至-0.35m,3:7灰土夯实至-0.05m,夯实系数均要求不小于0.95。
三、施工要求和技术保证条件1、施工要求1)超高模板支撑体系区域一层框架结构与相邻结构整体施工,二层框架结构先浇筑框架柱至框架梁底设置施工缝,待其混凝土强度达到20MPa及其以上时,方可浇筑二层楼盖梁板混凝土,以便支撑体系水平杆件与框架柱及其周边支撑体系做好可靠连接。