调度指令模版(图纸)
- 格式:docx
- 大小:17.32 KB
- 文档页数:1
一、封锁、开通区间及向封锁区间开行救援(路用)列车l._站至_站间_行线,因_,自_时_分(_次列车到_站)起,至_时_分(到另有通知时)止,区间封锁。
⒉准_站开_次列车,进入_站至_站封锁区间_km_m至_km_m处,区间限速_km/h,返回开_次,凭引导(手)信号进站,限_时_分到站。
二、开通封锁区间⒈根据_报告,_站至_站间__行线_完毕(_次列车已到达_站),自_时_分起开通区间。
⒉_次列车在_站至_站间_km_m至_km_m处,限速_km/h运行。
三、临时变更或恢复原行车闭塞法及反方向行车1._站至_站间_行线因_,自_时_分(_次列车到_站)起基本闭塞法停用,改用电话闭塞法行车。
2.准_次列车在_站至_站间利用_行线反方向运行,_次列车到_站后,恢复基本闭塞法行车。
四、恢复原行车闭塞法_站至_站间_行线自接令时(_次列车到_站)起,恢复基本闭塞法行车。
五、双线改单线行车_站至_站间_行线因_,自_时_分(_次列车到_站)起区间封锁,_站至_站间改按单线行车,基本闭塞法停用,改用电话闭塞法行车。
六、恢复双线行车根据_报告,_站至_站间_行线_完毕(_次列车已到达_站),自_时_分起区间开通,同时恢复_站至_站间基本闭塞法及双线行车。
七、变更列车经路准_次列车由原_径路,改经_运行。
八、列车在区间内停车或返回1.自接令时(_次列车到_站)起,_站至_站间基本闭塞法停用,改用电话闭塞法行车。
_站开_次列车去_站至_站间_行线_km_m处,返回_次,限_时_分到_站,凭引导(手)信号进站,到后恢复基本闭塞法行车。
2._站开_次列车去_站至_站间_行线_km_m至km_m处,限_时_分到_站。
3.自接令时(_次列车到_站)起,_站至_站间_行线基本闭塞法停用,改用电话闭塞法行车。
准_站开_次列车反方向运行到_站至_站间_行线_km_m至_km_m;返回__次,限_时_分到_站,凭引导(手)信号进站,到后恢复基本闭塞法行车。
调度指令规范术语示例逐项操作令开关、刀闸的操作:拉开××(设备或线路名称)×××开关;合上××(设备或线路名称)×××开关;拉开××(设备或线路名称)×××刀闸;合上××(设备或线路名称)×××刀闸;拆挂地线:拆除×××(挂地线地点)地线(×)组;在×××(挂地线地点)挂地线(×)组。
核相:在××千伏的××#PT和××千伏的××#PT间进行核相;在××(设备或线路名称)的××刀闸两侧用核相杆进行核相。
解列、并列:用××(设备或线路名称)的×××开关解列;用××(设备或线路名称)的×××开关同期并列。
解环、合环:用××(设备或线路名称)的×××开关(或刀闸)解环;用××(设备或线路名称)的×××开关(或刀闸)合环;保护投、退跳闸:××(设备名称)的××保护投入跳闸;××(设备名称)的××保护退出跳闸;××线×××开关的××保护投入跳闸;××线×××开关的××保护退出跳闸。
投入、退出联跳:投入××(设备或线路名称)的×××开关联跳××(设备或线路名称)的×××开关的装置(压板);退出××(设备或线路名称)的×××开关联跳××(设备或线路名称)的×××开关的装置(压板);投入、退出某种装置跳某个开关的压板;投入××装置跳××(设备或线路名称)的×××开关的压板;退出××装置跳××(设备或线路名称)的×××开关的压板;保护改跳:××(设备或线路名称)的×××开关××保护,改跳××(设备或线路名称)的×××开关;××(设备或线路名称)的×××开关××保护,改跳本身开关。
配送人员调度制度模板范文一、总则1.1 为了优化配送人员的人力资源配置,提高配送效率,降低物流成本,确保顾客满意度,特制定本调度制度。
1.2 本制度适用于我国境内所有配送人员,包括全职、兼职和临时配送人员。
1.3 配送人员调度原则:公平、公正、公开、高效。
二、调度组织结构2.1 设立配送调度中心,负责全国范围内的配送人员调度工作。
2.2 配送调度中心设立调度经理、调度员、数据分析师等岗位,分别负责调度管理、配送人员安排、数据分析等工作。
三、调度流程3.1 订单处理(1)订单接收:配送调度中心收到订单后,进行订单审核,确保订单信息准确无误。
(2)订单分配:根据订单的具体要求,如配送区域、时间、物品重量等,调度员进行订单分配。
3.2 配送人员安排(1)根据订单分配结果,调度员查询配送人员数据库,筛选出符合要求的配送人员。
(2)考虑配送人员的地理位置、工作时间、技能水平等因素,进行合理的人员安排。
(3)发送调度指令:通过短信、微信、APP等方式,通知配送人员前往指定地点取货。
3.3 配送人员签到(1)配送人员收到调度指令后,应在规定时间内到达指定地点签到。
(2)签到方式:扫描二维码、输入密码、指纹识别等。
3.4 配送过程管理(1)配送人员开始配送后,配送调度中心对配送过程进行实时监控,确保配送顺利进行。
(2)遇到问题及时沟通:配送人员在配送过程中遇到问题,如路线不熟悉、货物损坏等,应及时与配送调度中心沟通,寻求帮助。
(3)配送完成后,配送人员应在规定时间内上传配送凭证,如签收单、货物照片等。
3.5 数据统计与分析(1)数据分析师负责收集、整理、分析配送人员的工作数据,如配送时长、配送距离、配送成功率等。
(2)根据数据分析结果,优化配送人员调度策略,提高配送效率。
四、人员管理4.1 配送人员招聘(1)制定招聘标准:年龄、学历、工作经验、身体素质等。
(2)招聘渠道:网络招聘、社会招聘、校园招聘等。
(3)面试与考核:对应聘人员进行面试与技能考核,确保招聘人员具备良好的职业素养和业务能力。
调度命令⽤语⼀、封锁、开通区间及向封锁区间开⾏救援(路⽤)列车l._站⾄_站间_⾏线,因_,⾃_时_分(_次列车到_站)起,⾄_时_分(到另有通知时)⽌,区间封锁。
⒉准_站开_次列车,进⼊_站⾄_站封锁区间_km_m⾄_km_m处,区间限速_km/h,返回开_次,凭引导(⼿)信号进站,限_时_分到站。
⼆、开通封锁区间⒈根据_报告,_站⾄_站间__⾏线_完毕(_次列车已到达_站),⾃_时_分起开通区间。
⒉_次列车在_站⾄_站间_km_m⾄_km_m处,限速_km/h运⾏。
三、临时变更或恢复原⾏车闭塞法及反⽅向⾏车1._站⾄_站间_⾏线因_,⾃_时_分(_次列车到_站)起基本闭塞法停⽤,改⽤电话闭塞法⾏车。
2.准_次列车在_站⾄_站间利⽤_⾏线反⽅向运⾏,_次列车到_站后,恢复基本闭塞法⾏车。
四、恢复原⾏车闭塞法_站⾄_站间_⾏线⾃接令时(_次列车到_站)起,恢复基本闭塞法⾏车。
五、双线改单线⾏车_站⾄_站间_⾏线因_,⾃_时_分(_次列车到_站)起区间封锁,_站⾄_站间改按单线⾏车,基本闭塞法停⽤,改⽤电话闭塞法⾏车。
六、恢复双线⾏车根据_报告,_站⾄_站间_⾏线_完毕(_次列车已到达_站),⾃_时_分起区间开通,同时恢复_站⾄_站间基本闭塞法及双线⾏车。
七、变更列车经路准_次列车由原_径路,改经_运⾏。
⼋、列车在区间内停车或返回1.⾃接令时(_次列车到_站)起,_站⾄_站间基本闭塞法停⽤,改⽤电话闭塞法⾏车。
_站开_次列车去_站⾄_站间_⾏线_km_m处,返回_次,限_时_分到_站,凭引导(⼿)信号进站,到后恢复基本闭塞法⾏车。
2._站开_次列车去_站⾄_站间_⾏线_km_m⾄km_m处,限_时_分到_站。
3.⾃接令时(_次列车到_站)起,_站⾄_站间_⾏线基本闭塞法停⽤,改⽤电话闭塞法⾏车。
准_站开_次列车反⽅向运⾏到_站⾄_站间_⾏线_km_m ⾄_km_m;返回__次,限_时_分到_站,凭引导(⼿)信号进站,到后恢复基本闭塞法⾏车。
一、总则1. 编制目的为提高铁路调度指挥系统的应急响应能力,确保在发生突发事件时能够迅速、有效地进行处置,最大限度地减少损失,特制定本预案。
2. 适用范围本预案适用于铁路调度指挥系统在发生自然灾害、事故灾难、公共卫生事件、社会安全事件等突发事件时的应急处置。
3. 工作原则(1)统一领导、分级负责;(2)预防为主、防治结合;(3)快速反应、协同应对;(4)以人为本、确保安全。
二、组织机构及职责1. 应急指挥部(1)成立铁路调度指挥应急预案应急指挥部,负责应急工作的统一领导和指挥。
(2)应急指挥部下设办公室,负责日常工作协调和应急处置。
2. 专业工作组(1)通信保障组:负责应急通信系统的维护和保障。
(2)运输保障组:负责铁路运输的调度、组织、指挥和恢复。
(3)安全监督组:负责现场安全检查、事故调查和风险评估。
(4)物资保障组:负责应急物资的储备、调配和供应。
(5)宣传报道组:负责应急信息的发布和舆论引导。
三、应急响应程序1. 预警(1)根据气象、地质、环保等部门提供的预警信息,及时发布预警信息。
(2)启动应急预案,组织相关部门和人员进入应急状态。
2. 初步响应(1)应急指挥部启动应急响应,下达应急处置指令。
(2)各专业工作组按照职责分工,迅速开展应急处置工作。
3. 综合响应(1)根据突发事件发展态势,调整应急响应级别。
(2)加强应急资源调配,确保应急处置工作顺利进行。
4. 后期处置(1)应急指挥部组织调查评估,总结应急处置经验教训。
(2)恢复正常生产秩序,确保铁路运输安全畅通。
四、应急保障措施1. 通信保障(1)确保应急通信系统畅通,实现应急信息快速传递。
(2)配备必要的通信设备,确保应急指挥、调度、救援等工作的正常进行。
2. 物资保障(1)储备必要的应急物资,确保应急需要。
(2)根据应急情况,及时调配物资,确保应急处置工作顺利进行。
3. 人员保障(1)加强应急队伍建设,提高应急处置能力。
(2)对应急人员进行专业培训,提高应急处置水平。
一、预案概述为保障公司在紧急情况下能够迅速、高效地调配车辆,确保人员和物资的安全运输,特制定本预案。
本预案适用于公司内部车辆调配,包括但不限于紧急救援、突发事件处置、大型活动保障等情况。
二、组织机构及职责1. 调配车辆应急指挥部负责统筹协调、指挥调度车辆调配工作。
指挥部由以下人员组成:(1)总指挥:由公司领导担任;(2)副总指挥:由相关部门负责人担任;(3)成员:各部门负责人及有关人员。
2. 调配车辆应急办公室负责具体执行车辆调配工作,包括调度、分配、协调等。
办公室由以下人员组成:(1)主任:由公司行政部负责人担任;(2)成员:行政部、人力资源部、财务部等相关人员。
三、应急预案启动条件1. 公司内部发生突发事件,如火灾、爆炸、地震等;2. 公司参与的大型活动,如展会、年会、庆典等;3. 公司员工或合作伙伴突发疾病、事故等需要紧急救援;4. 公司领导或相关部门临时交办的其他紧急任务。
四、应急响应程序1. 紧急响应(1)应急办公室接到报警或任务后,立即向指挥部报告;(2)指挥部迅速启动应急预案,下达调度指令;(3)应急办公室根据指令,协调相关部门进行车辆调配。
2. 车辆调配(1)应急办公室根据现场情况和任务需求,合理分配车辆;(2)车辆调配过程中,优先保障应急任务;(3)应急办公室与驾驶员沟通,确保驾驶员了解任务要求和注意事项。
3. 行驶途中(1)驾驶员遵守交通规则,确保行车安全;(2)驾驶员与应急办公室保持联系,及时汇报行驶情况;(3)遇到特殊情况,驾驶员应立即向应急办公室报告。
4. 任务完成(1)驾驶员完成任务后,将车辆驶回指定地点;(2)应急办公室对车辆进行检查,确保车辆完好无损;(3)应急办公室将任务完成情况报告指挥部。
五、应急保障措施1. 车辆储备公司应定期对车辆进行保养、检查,确保车辆处于良好状态。
同时,根据实际情况,储备一定数量的备用车辆。
2. 驾驶员培训公司应定期对驾驶员进行应急培训,提高驾驶员的应急处理能力。
常用行车调度命令用语一、封锁及开通区间1.封锁区间(1)受令处所:区间两端站(2)格式用语:站至站间行线因,自接令时(次列车到站)起(至时分止),区间封锁。
2.开通封锁区间(1)受令处所:区间两端站(2)格式用语:根据站报告,站至站间行线完毕,区间已空闲,自接令时起区间开通。
二、向封锁区间开行救援列车3.救援列车(救援队)出动(1)受令处所:救援列车(救援队)(2)格式用语因站至站间行线(站)发生事故,救援列车(救援队)立即出动。
4.救援列车开行(1)受令处所:沿途各站、救援列车司机(2)格式用语:站至站间加开次列车, 站时分开,按现时分办理。
5.向封锁区间开行救援列车(1)受令处所:两端站、救援列车司机(2)格式用语:准许站开次列车,进入站至站间行线封锁区间 km m处进行事故救援,将次列车返回开次列车至站(按事故救援指挥人的指挥办理)。
6.救援单机开行(1)受令处所:两端站、救援单机司机(2)格式用语:自接令时起,站至站间行线区间封锁。
准许站利用机车开行次列车进入 km m处救援,将次列车返回开次列车牵引至站。
7.列车分部运行(1)受令处所:两端站、救援单机司机(2)格式用语:根据站报告,次列车因,自接令时起站至站间行线区间封锁。
准许站利用机车开行次列车进入封锁区间 km m处挂取遗留车辆,将次列车返回开次列车至站。
三、临时变更行车闭塞法或恢复原行车闭塞法8.停用基本闭塞法,改用电话闭塞法(1)受令处所:两端站、列车司机、运转车长(2)格式用语:因,自接令时( 次列车到站)起,站至站间行线停用基本闭塞法,改用电话闭塞法行车。
9.恢复原行车闭塞法(1)受令处所:两端站(2)格式用语:自接令时(次列车到站)起,站至站间行线,恢复基本闭塞法行车。
10.双线反方向行车(未设双线双向闭塞设备或双线双向闭塞设备故障)(1)受令处所:两端站、列车司机、运转车长(2)格式用语:自接令时( 次列车到站)起,站至站间行线停用基本闭塞法,改用电话闭塞法行车。
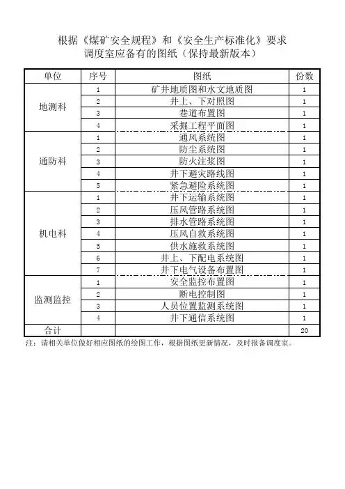
被指令单位:地测科、通风科、机电科
指令内容:
为进一步加强矿井应急管理和安全生产标准化建设,现要求机电科、地测科和通风科,按照《煤矿安全规程》第十四条规定,将各专业图纸向调度室备存一份。
同时,每月3日前,必须安排专业技术人员到调度室,确认图纸是否需要更新,调度室每月进行登记。
如未按要求备存图纸和逾期更新,调度室将在每月4日早会进行通报,并对单位负责人,按50元/次进行考核,望各单位认真遵照执行。
一、机电科负责图纸
二、地测科负责图纸。