江苏省工程质量整改完成报告
- 格式:doc
- 大小:13.50 KB
- 文档页数:1
工程质量整改完成报告范文一、引言质量是工程项目成功的关键因素之一,工程项目的质量问题关系到项目的顺利进行和最终交付的质量,对于保障工程项目的安全、可靠及使用寿命具有至关重要的意义。
在项目实施过程中,我们对于质量问题高度重视,并及时采取措施进行整改。
本报告旨在总结和展示我们在项目实施过程中所发现的质量问题及整改措施,以及整改后的质量效果。
二、整改前的质量问题在工程项目实施过程中,我们发现了以下几个主要的质量问题:1. 施工材料质量不符合要求:我们发现部分施工材料的质量未达到设计要求,包括材料的强度、耐久性等方面存在问题。
2. 施工过程中的缺陷:在施工过程中,我们发现了一些缺陷,包括施工工艺不规范、操作不规范、施工质量监控不到位等问题。
3. 施工图纸设计不准确:部分施工图纸的设计存在缺陷,导致施工过程中出现了一些不符合要求的情况。
4. 施工人员素质不高:部分施工人员的专业素质不高,对工程质量意识不强,操作不规范。
以上质量问题的存在严重影响了工程项目的质量和进度,为了保障项目的顺利进行,我们迅速采取了相应的整改措施。
三、整改措施为了解决上述质量问题,我们采取了以下几项整改措施:1. 对施工材料进行抽检,确保符合要求:我们对施工材料进行了抽检,并要求供应商提供合格证明,确保材料的质量符合设计要求。
2. 加强施工质量监控和管理:我们成立了质量管理小组,负责对施工过程进行全程监控和管理,确保施工工艺和操作规范,并及时发现和纠正问题。
3. 对施工图纸进行审核和调整:我们对已经发现的施工图纸问题进行了审核和调整,并加强了施工图纸的质量控制,确保施工图纸准确无误。
4. 提升施工人员素质:我们加强了对施工人员的培训,并组织了相关考核和评价,提升施工人员的专业素质和工程质量意识。
通过上述整改措施的实施,我们有效解决了工程质量问题,保障了项目的顺利进行和最终交付的质量。
四、整改后的质量效果经过对上述质量问题的整改,我们取得了如下的质量效果:1. 施工材料质量得到提升:通过抽检和合格证明的要求,我们保证了施工材料的质量符合设计要求,提高了工程的耐久性和安全性。
项目监理部工作质量整改完成报告
项目监理部工作质量整改完成报告
江苏建科建设监理有限公司:
根据公司日发出的《项目监理部工作质量检查表》的要求,对苏州市横山水厂迁建工程项目监理部工作质量存在的问题整改情况汇报如下:
1. 关于工程实际开工时,尚未图审、无许可证,监理未发备忘录提醒业主的问题,我监理部已补发备忘录。
2. 关于部分方案(如塔吊、临电)缺技术负责人审核手续问题,我部已找到施工方提供的授权书,并尽可能叫施工方完善签字程序。
3. 关于未见施工测量方案问题,我部现已补编施工测量方案。
4. 关于分包单位(浙大自控)缺安全员B类证,特工证不全问题,已要求施工方提供在我部备案。
5. 关于规划、细则针对性不强,安全、节能部分不完善问题,我部正在按照公司最新的安全节能细则模板进行更新完善。
6. 关于监理通知单未采用“三段式”、个别问题未处理结束、关闭不严问题,我部已根据实际情况要求施工方进行了整改并第二次回复,处理完毕。
7. 关于现场存在安全隐患(如休息亭脚手架)问题,已要求施工方进行了整改并整改到位。
质量方面我部拟启动第二轮的扫尾检查,要求施工方扫尾彻底。
江苏建科建设监理有限公司
苏州市横山水厂迁建工程项目监理部 2009年10月20日。
可编辑修改精选全文完整版
工程质量整改完成报告
监督注册号:
质量监督站:
根据你站年月日发出的编号《工程质量监督抽查整改通知书》的要求,对工程的部位存在的问题现已整改完毕,监理单位已进行现场复查,确认已整改,特此报告。
整改情况简述:
整改完成证明文件及资料(影像资料)由建设、监理、施工单位存档备查。
建设单位项目负责人(签字):
总监理工程师(签字):
施工单位项目经理(签字):
建设单位(盖章)监理单位(盖章)施工单位(盖章)
年月日年月日年月日
监督机构签收人:
说明:
1、应针对整改意见对应逐条描述整改结果;
2、整改回复用章如采用项目部章应经法人单位授权。
3、此报告一式4份,监督机构、建设、监理、施工单位各1份。
工程质量问题整改报告为了提高工程质量,确保工程安全与可靠性,经过对工程质量进行全面检查和评估,我们发现了一些问题,并采取了相应的整改措施。
现将具体情况报告如下:一、工程质量问题概述经过对工程项目进行全面检查和评估,我们发现以下问题存在:1. 施工过程中使用的材料不符合规格要求,并且质量无法得到保证;2. 施工现场存在安全隐患,没有按照相关规定进行围挡和警示设置;3. 工程进度延误,导致工期延长;4. 施工中存在违规操作,损害了工程设备的安全性能;5. 施工方在工程完工后未进行全面验收和测试,导致工程质量得不到保证。
二、整改措施针对以上发现的问题,我们制定了以下整改措施:1. 工程材料的选择与验收:对施工过程中所使用的材料进行全面检查,确保其符合规格要求,并委托第三方进行质量鉴定和测试,确保材料质量稳定可靠。
2. 安全隐患治理:加强施工现场的安全管理,在工程现场设置围挡和警示标志,保障人员安全,并严格按照相关规定要求进行施工。
3. 工程进度管理:优化工程计划,合理安排施工队伍和设备使用,加强协调和沟通,确保工程按期完成。
4. 加强施工管理和监督:加强对施工方的管理和监督,确保施工操作符合规定,不对工程设备造成损害,加强施工人员培训,提高施工质量和安全性。
5. 工程验收与测试:在工程完工后进行全面验收和测试,确保工程符合相关技术标准和要求。
三、整改效果评估我们将对整改措施进行评估和检查,确保问题得到彻底解决,达到以下效果:1. 工程质量得到保障,材料符合规格要求,并经过质量鉴定和测试;2. 施工现场安全隐患得到治理,围挡和警示标志设置完善,安全风险降至最低;3. 工程进度得到有效控制,工程按期完成,工期不再延长;4. 施工质量得到保证,施工方操作规范,不对工程设备造成损害;5. 工程验收和测试合格,保证工程符合相关技术标准和要求。
四、结论与建议通过对工程质量问题的整改措施的制定和实施,我们相信工程质量得以保障,并取得了良好的效果。
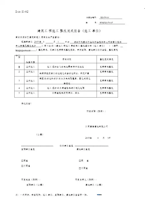
S-A-Ⅱ-02
监督备案号:T20190181
编号: TGZG20190139
建筑工程施工整改完成报告(施工单位)
南京市浦口区建筑安装工程安全生产监督站:
根据贵单位 2019 年 8 月 1 日对浦口区巩固社区临时综合服务中心项目商行服务
中心桩基及基坑支护TGZG20190139
如下:
工程下达的《建设工程施工局部停工整改通知书(施工单位)》(编号:)整改要求,我单位已按要求整改完毕,并经监理、建设单位验收合格,整改情况
序
抽查内容号存在问题整改完成情况
1 2 文明施工
文明施工
施工现场出入口未设置车辆冲洗设施已按要求整改
已按要求整改未按照规定进行场地硬化或者场地积尘、积泥严重
裸露的场地和对方的土方未采取覆盖、固化或绿化
等措施
3 文明施工已按要求整改
4 5
文明施工
文明施工
施工现场的主要道路未进行硬化处理
主要道路未定期清扫、洒水
已按要求整改
已按要求整改特此报告!
项目经理(签字):
江苏建峰建设有限公司
(公章)
2019年8 月 3日
--------------------------------------------- 验收单位意见 -----------------------------------------------
监理单位意见建设单位意见
□同意
□不同意
□同意
□不同意
项目总监(签字):
监理单位(公章)
项目负责人(签字):
建设单位(公章)
注:一式四份,安监机构、施工单位、监理单位、建设单位各留存一份。
工程质量整改完成报告范文一、前言本次工程质量整改工作是针对某工程项目发现的质量问题进行的整改工作。
通过全面梳理问题,制定整改方案,组织实施整改措施,最终取得了良好的整改效果。
本报告旨在总结整改过程中的经验和教训,以及展示整改的成果。
二、整改工作概述1. 整改目标根据原工程质量问题的性质和影响程度,确定整改目标为:消除已发现的质量问题,并且防止类似问题再次出现,最大程度上提升工程质量。
2. 整改原则(1)责任明确:明确每个环节的责任人,建立健全的质量管理体系。
(2)及时处置:发现问题立即进行整改,不留遗憾。
(3)全面整改:对所有发现的问题都要进行全面整改,做到不遗漏。
(4)追踪检查:整改后进行严格的追踪检查,确保整改措施的有效性。
3. 整改步骤(1)问题梳理:对原工程质量问题进行全面梳理,明确问题的性质、影响范围和原因。
(2)整改方案制定:根据问题梳理的结果制定详细的整改方案,包括整改措施、责任人和时间节点。
(3)整改措施实施:按照整改方案要求,组织相关责任人进行整改措施的实施。
(4)追踪检查:整改完成后对整改措施进行追踪检查,确保整改效果。
三、问题梳理在对工程项目进行现场巡检时,我们发现了以下质量问题,并对其进行了分类和分析。
1. 施工质量问题(1)混凝土浇筑质量不达标:混凝土强度未达到设计要求,且存在麻面、蜂窝等现象。
(2)焊接质量不合格:焊缝存在未焊透、未热处理等问题,影响结构的安全性。
(3)墙体质量不稳定:砌筑墙体的垂直度和水平度不合格,墙体存在裂缝和空鼓现象。
2. 材料质量问题(1)钢筋质量不达标:部分钢筋的抗拉强度和弯曲能力不符合要求。
(2)建筑材料进场不合格:部分建筑材料未经过合格检验即进场使用。
3. 工艺质量问题(1)水电工程质量问题:给排水管道的连接不牢固,存在漏水现象;电气线路接触不良,存在安全隐患。
(2)土方工程质量问题:挖土施工中未按要求保护周边建筑物,导致周边建筑物出现设置沉降。
工程质量监督整改报告尊敬的领导:经过对工程质量进行全面监督检查,我单位发现了一些质量问题,现将整改情况报告如下:一、问题描述及整改计划在本次工程中,我们发现了以下问题:1. 施工现场清理不及时。
施工过程中,我们注意到有大量的垃圾和废料没有及时清理,给施工进度和环境造成不良影响。
整改计划:加强现场管理,制定明确的清理计划,并明确责任人,确保施工现场的及时清理。
2. 施工质量不达标。
在检查中发现,部分施工过程中存在质量问题,如砌筑墙体时未按规范要求进行加固,以及水电工程中存在不合格的接缝问题等。
整改计划:全面检查已完工程、加强施工监管,确保按照规范要求进行施工,并设立严格的验收标准和流程。
3. 施工材料使用不符合规定。
发现有部分施工材料的质量不符合国家标准,严重影响了整体工程质量。
整改计划:建立材料采购质量管控机制,确保仅采购符合标准的优质材料,并加强对材料进场出厂进行抽检。
4. 施工人员技术不熟练。
监督过程中发现,有些施工人员的技术操作不规范、不熟练,存在操作失误和施工品质低下的问题。
整改计划:组织针对性的培训,提高施工人员的技术水平,并加强对施工过程的监督,确保操作规范和品质达标。
二、整改过程及效果评估针对上述问题,我们制定了详细的整改措施和时间计划,并在实施过程中对整改情况进行了督导和记录。
1. 清理工作整改:制定了每日清理计划,并通过在施工现场设置垃圾桶等设施来提醒施工人员及时清理工地。
经过整改,施工现场的卫生状况得到了显著改善。
2. 施工质量整改:我们进行了全面的检查并对不合格工程进行了拆除重建或修复。
同时,加强施工过程的监管,确保每个环节符合规范要求。
通过整改措施的实施,工程质量得到了有效提升。
3. 材料质量整改:加强了材料采购过程中的质量管控,建立了严格的抽检制度,并与供应商签署了合作协议,确保材料的质量符合标准。
整改后,工程施工材料的质量得到了有效保障。
4. 施工人员培训整改:组织了针对性的技术培训,并严格控制施工人员的准入标准,确保施工团队具备足够的技术能力和素质。
江苏省工程质量整改完成报告一、整改背景工程质量是建设工程的重要指标之一,直接关系到人民群众的生命财产安全和社会经济的可持续发展。
然而,近年来江苏省发生了一系列工程质量事故,严重影响了群众的正常生产和生活秩序。
为了加强工程质量管理,提高工程质量水平,江苏省政府决定对工程质量进行整改。
二、整改目标整改的目标是建设安全、高质量的工程项目,确保工程质量能够达到国家标准和要求。
具体目标如下:1.严格执行工程质量管理制度,确保各项质量管理措施得到有效执行;2.加强工程施工和监理人员的培训,提高工程质量管理的专业水平;3.加强工程质量监督和检查,强化对违法违规行为的处理;4.改善工程施工环境,提高工程质量管理的整体水平。
三、整改措施为了达到整改目标,江苏省政府采取了一系列措施:1.建立健全工程质量管理制度,明确各级责任,确保质量管理措施得到有效执行;2.加强对工程施工方和监理单位的监督和管理,建立工程质量黑名单制度,严惩违法违规行为;3.加强对施工人员和监理人员的培训,提高其工程质量管理的专业水平;4.加强工程质量检查和监督,对不合格的工程质量进行整改,确保工程质量达标;5.改善工程施工环境,加强对施工场地和材料的管理,提高整体工程质量管理水平。
四、整改成效经过一段时间的整改努力,江苏省工程质量得到了显著提升,整改成效如下:1.工程施工单位和监理单位的工程质量意识得到了提高,质量管理制度得到了有效执行;2.对违法违规行为的查处力度加大,违法违规行为明显减少,工程质量管理得到了有效改善;3.施工人员和监理人员的培训工作取得了良好效果,工程质量管理的专业水平得到了提高;4.工程质量检查和监督工作得到了加强,对不合格工程质量及时整改,确保了工程质量的达标;5.工程施工环境得到了改善,施工场地和材料管理得到了加强,整体工程质量管理水平提高。
五、存在问题在整改过程中,我们也发现了一些问题:1.工程质量监督和检查力度还不够大,有些不合格工程质量仍然存在;2.对工程施工和监理人员的培训还需进一步加强,尤其是一线作业人员的技能培训;3.工程质量管理制度还需要进一步完善,具体细化各项管理措施;4.施工场地和材料管理还有待提高,加强施工现场的整体管理水平。
工程质量整改完成报告_工程质量整改完成报告
一、前言
本次工程质量整改任务是根据上一阶段的工程验收情况而来,针对发现的质量问题,提出整改方案,并按照计划逐一整改。
在各位同仁的配合下,我们圆满完成了整改任务。
现将整改完成情况进行汇报。
二、整改情况
1. 整改任务
根据验收报告提出的问题,我们共计制定了10项整改任务,包括:施工过程中未按照设计方案施工、施工质量未符合相关标准、安全隐患等。
每项任务都制定了详细的整改计划和实施方法,并与相关负责人进行了明确沟通。
2. 整改进展
我司高度重视工程质量问题,各项整改任务得到了充分关注和支持。
我们在整改工作中明确了职责分工,责任到人,并按照计划顺利完成了整改任务。
在整改过程中,我们组织了多次现场会议进行问题排查和措施制定,并按照计划落实。
通过对整改进展情况的跟踪和审核,反复协商和讨论,我们最终解决了所有工程质量问题。
3. 整改成效
完成工程质量整改后,我们重新组织验收,所有问题基本得到解决,质量得到保障。
实测数据表明,各项指标符合要求,对施工过程中的危险隐患得到了排查和解决,工作安全得到了保障,获得了业主的认可和好评。
三、结论
本次工程质量整改任务,展现出我们公司对工程质量问题的高度重视,对整改方案的详尽制定和部署执行,对整改过程的严格监控和完成评估,让我们的工程质量得到了提升。
我们也认真吸取了整改过程中的经验教训,标准化工作流程和管理制度,确保我们今后的工程质量水平得到持续提升。
建筑工程施工质量检查整改报告为了确保建筑工程的质量和安全,本次施工质量检查以及整改是必要的。
根据检查结果,整改报告如下:一、整改原则1. 以安全为首要原则,确保工程不产生安全隐患;2. 以质量为核心,保证工程符合相关的标准和要求;3. 以合理的成本控制,确保整改措施的可行性和效果;4. 以进度为依据,合理安排整改工作,确保项目正常进行。
二、整改措施1. 地基处理:根据地质勘察报告,进行适当的地基处理,以提高地基的承载力和稳定性。
2. 结构设计优化:对工程中的结构设计进行优化调整,确保结构的强度、稳定性和可靠性,减轻荷载集中的问题。
3. 施工工艺改进:对施工过程中出现的工艺不合理现象进行改进,例如加强施工工艺的监管,提高施工质量和效率。
4. 施工材料更换:对不符合要求的施工材料进行更换或修复,确保施工材料的品质和可用性。
5. 设备更新:更新老化和损坏的设备,确保设备的稳定运行,提高施工效率。
6. 人员培训:加强施工人员的培训和学习,提高施工人员的专业素养和技能水平。
7. 监理加强:加强对施工过程的监理,确保施工符合相关法规和标准,及时发现和解决问题。
三、整改计划整改计划将根据实际情况和项目进度进行合理调整,具体整改措施将按照以下步骤进行:1. 制定整改方案:根据检查结果和整改要求,制定详细的整改方案,包括整改措施、工期和责任人等。
2. 完成整改工作:按照整改方案和时间节点,责任人将组织施工人员逐项进行整改工作。
3. 整改验收:在整改完成后,对整改工作进行验收,确保整改措施的有效性和可行性。
四、合同履约根据合同约定,承包商应保证工程质量符合相关标准和要求。
如有不符合的情况,承包商应按照整改要求进行整改,直至整改合格为止。
五、总结通过本次施工质量检查和整改,将有效地提高工程的质量和安全水平。
各相关方应共同努力,严格按照整改计划和要求进行整改工作,确保工程质量的稳定和可靠。
同时,在今后的施工过程中,应加强规范管理,强化质量监控,以确保工程质量的持续改进。
工程质量整改完成报告一、整改背景及目的工程质量整改是指针对工程项目中存在的质量问题进行纠正和改进的过程。
我公司承接的某工程项目在施工过程中,经过初步验收发现了一些质量问题,为了保证工程质量,提高工程的安全性和可靠性,决定对这些问题进行整改。
本次工程质量整改的目的是解决工程项目中存在的质量问题,确保工程质量符合相关标准和要求,提高工程项目的稳定性和可持续性。
二、整改内容及步骤1. 质量问题分析与整改方案制定通过对原有质量问题的分析,制定了相应的整改方案。
方案包括具体的整改内容、整改责任人、整改时限等。
整改方案经过相关专业人员的评估和审核,并获得了工程项目业主的认可。
2. 整改措施的实施根据整改方案,责任人按照规定的标准和时限进行工作。
整改措施包括但不限于以下几个方面:(1)材料质量:严格按照规定的检验标准进行材料的选择和采购,提高材料的合格率和稳定性。
(2)工艺流程:优化工艺流程,加强施工过程中的质量控制和监督,确保施工质量。
(3)施工管理:加强施工管理,明确责任人,合理安排施工进度,减少施工中的质量问题。
(4)质量检验:加强质量检验工作,建立科学合理的检验标准和流程,保证质量问题能够及时发现和解决。
3. 整改效果评估对整改后的工程项目进行效果评估,以验证整改措施的有效性。
评估主要包括从质量控制、安全性、稳定性等各个方面对整改效果进行评估。
评估结果表明,整改后的工程项目质量得到了显著提升,问题得到了解决。
三、整改成果及总结通过本次工程质量整改,取得了以下成果:1. 解决了原有工程项目中存在的质量问题,提高了工程项目的品质和可靠性;2. 提升了工程施工过程中的质量管理水平,加强了施工监督和控制;3. 建立了一套科学合理的工程质量管理体系,在今后的工程项目中能够有效预防和控制质量问题的发生;4. 增加了工程项目的可持续性和稳定性,为工程项目的长期运营提供了保障。
在整改过程中,我们也发现了一些问题和不足之处。
建筑工程施工整改完成报告为了改进施工质量,确保工程的安全与可行性,我们在前期施工过程中遇到了一些问题,并进行了整改工作。
现将整改情况进行报告如下:1.外墙防潮处理原问题:在施工过程中,由于没有很好地处理外墙防潮问题,导致部分墙体出现渗透漏水的情况。
整改措施:我们对外墙进行了重新处理,使用了防潮涂料进行施工,加强了防潮效果,并对原有渗漏部分进行了修补工作。
2.管道安装原问题:在管道安装过程中,由于部分接口没有进行严密连接,导致漏水问题。
整改措施:我们重新审视了管道安装方案,并对每一个接头进行了严密的连接工作。
同时,在安装过程中,我们增加了对管道的检测频率,确保没有漏洞。
3.钢筋绑扎工作原问题:在钢筋绑扎工作中,由于操作人员的工艺不规范,导致部分钢筋连接不牢固,存在安全隐患。
整改措施:我们对施工人员进行了技术培训,确保掌握了正确的钢筋绑扎工艺。
同时,我们严格落实了工艺要求,增加了对钢筋连接的复核工作,确保每个接头都是牢固可靠的。
4.材料质量把关原问题:在工程施工过程中,由于材料的质量存在一定问题,导致工程质量难以保证。
整改措施:我们与供应商建立了良好的合作关系,要求提供符合国家标准的优质材料,同时,我们加强了对材料的把关工作,从采购到使用的每一个环节都进行了质量检测,确保材料的可靠性和安全性。
5.安全要求原问题:在施工过程中,由于部分人员对安全规范意识不足,导致工地安全问题频发。
整改措施:我们开展了安全意识培训,要求每个施工人员必须严格按照安全规范操作,同时设置了安全警示标识和安全警示线,加强了工地的安全管理。
并且制定了应急预案,增加了应急演练,确保万一发生事故时能够做出正确应对。
通过以上整改措施的落实,我们已经取得了一定的效果。
现在工程施工的质量明显提高,没有出现漏水、渗漏等问题。
同时,工地的安全状况也有明显的改善,没有发生过任何安全事故。
然而,我们也意识到整改工作尚未完全结束,仍然需要不断地加强施工质量和安全管理。
工程质量验收改进规范整改报告一、前言根据工程质量验收规范的要求,我单位进行了工程质量验收改进工作。
现将验收改进情况进行报告,以便各位领导和相关部门了解,并提出宝贵意见和建议。
二、整改背景1. 工程质量验收的重要性:工程质量验收是工程建设的关键环节,对确保工程质量和项目安全具有重要意义。
2. 制定改进规范的必要性:针对过去验收工作中存在的问题,制定改进规范可提高验收质量和效率,确保工程质量符合要求。
三、整改目标1. 提高工程质量验收规范的科学性和准确性。
2. 强化工程质量验收的全过程监管和控制,确保验收过程符合规范要求。
3. 加强对工程质量验收人员的培训与管理,提升其专业水平和责任心。
四、整改措施1. 完善验收规范我们对现有的验收规范进行了全面梳理和修订,修订后的规范更加详细、系统,以及与时俱进。
新增了对工程质量验收评估体系的要求,增加了对新技术、新材料的应用规范等内容,确保验收规范科学准确。
2. 加强验收监管建立了全面的工程质量验收监管机制。
加强了对项目各阶段的验收工作监控,确保验收全过程符合规范,并且及时发现和解决问题。
同时,明确了相关责任部门和人员,保证每个环节都有专人负责,杜绝疏漏。
3. 提升验收人员素质通过加强培训和考核,提升工程质量验收人员的专业水平和责任心。
组织相关技术交流和培训,使验收人员了解最新的工程技术和质量验收标准,掌握相关工作技能。
同时,建立激励机制,推动验收人员积极参与、尽职尽责。
五、整改成效经过一段时间的整改工作,工程质量验收改进规范取得了一定的成效:1. 验收规范得到了全面贯彻和执行,工程质量验收工作得到了规范化和规范统一。
2. 工程质量验收全过程得到了有效的监管和控制,提高了验收的质量和效率。
3. 验收人员的专业素养得到了提升,全体人员的责任意识得到了有效唤醒。
六、存在问题与建议在整改过程中,我们也发现了一些问题,并提出了以下建议:1. 验收资源不足:应加强验收资源的管理和配置,确保有足够的人力和物力支持工程质量验收工作的进行。
工程质量整改完成报告工程质量整改完成报告尊敬的领导、各位同事:经过近期的努力,我们完成了本次工程质量整改工作。
现将整改情况做出如下报告:一、整改背景在上一阶段的施工中,我们意识到存在一些工程质量方面的问题,包括但不限于施工过程中使用不符合标准的材料、施工人员技术水平不够、工程管理不严格、安全措施不到位等。
这些问题直接影响到工程的质量和进度,需要及时整改。
二、整改措施根据问题的严重程度和影响范围,我们采取了以下整改措施:1. 深入排查问题根源,严格执行施工标准规范,杜绝使用不合格材料;2. 组织施工人员进行技术培训,提高技术水平和责任意识;3. 强化工程管理,严格按照管理规定执行施工计划和进度,保证施工过程质量可控;4. 增强工人安全意识,加强安全培训和工作检查,确保施工过程没有任何安全隐患。
三、整改成果经过全体施工人员的努力,我们已经取得了以下整改成果:1. 工程质量得到了明显改善,符合质量标准要求;2. 工程进度得到了保障,如期完成了各项工程节点;3. 持续加强施工管理和安全工作,大幅度降低了工作安全事故的发生率。
四、存在的问题和改进措施虽然整改取得了明显的成绩,但仍存在一些问题和不足之处。
1. 工程质量问题的检查和重视还需要进一步加强;2. 工作人员仍存在管理意识和精神上的不足,部分人员还缺乏责任感;3. 安全措施得到了较好的落实,但仍存在一些隐患和漏洞,需要进一步调查分析。
为此,我们将采取以下改进措施:1. 建立完善的工程质量检查机制,确保施工过程符合质量标准要求;2. 继续加强管理意识和责任感,提高工程管理水平和效率;3. 加强安全措施实施和检查,防范安全事故的发生。
五、结语再次感谢各位领导和全体施工人员的支持和配合,相信在今后的工作中,我们会更加严格要求自己,不断提升自身素质,以更好的状态投入到下一阶段的工作中,为公司的发展和建设贡献更大力量。
特此报告。
xx工程有限公司20xx年xx月xx日。
工程质量整改完成报告一、整改背景和目标根据相关法规和标准,本工程存在一些质量问题,为了确保工程质量,保证工程的安全性和可持续性发展,特制定了本次整改计划。
整改的目标是解决已发现的质量问题,并制定相应的措施和计划,确保整改工作的顺利进行。
二、整改情况1.问题描述(1)问题1:在施工过程中,发现某些材料质量不符合标准要求,存在安全隐患;(2)问题2:施工现场管理不规范,存在交通混乱的情况,容易发生安全事故;(3)问题3:施工过程中出现了工期延误的情况,对工程进度造成了影响。
2.整改措施和计划(1)问题1:针对材料质量不符合标准要求的情况,我们将与供应商进行沟通,要求其提供符合标准的材料,并进行严格的质量把关。
同时,加强检验和抽查工作,确保材料的质量符合要求。
(2)问题2:为了解决施工现场管理不规范的问题,我们将加强对施工现场的管理,严格按照施工规范进行施工,确保施工现场整洁有序,人员分工明确,防止交通混乱的情况出现。
(3)问题3:为了解决工期延误的情况,我们将加强对施工进度的监控和管理,合理安排施工计划,加强对施工过程中的关键节点和关键工序的管理,确保工程能按时完工。
三、整改效果经过一段时间的整改工作,现将整改效果进行总结如下:(1)问题1:经过与供应商的沟通和材料质量的把关,目前已经解决了部分材料质量不符合标准的问题,并重新采购了符合标准要求的材料。
(2)问题2:通过加强施工现场管理,我们有效地减少了交通混乱的情况,提高了施工现场的安全性,有力地预防了安全事故的发生。
(3)问题3:通过加强对工期的监控和管理,目前工期延误的情况得到了有效控制,工程的进度得到了恢复和加快。
四、存在的问题和改进措施通过整改工作,我们也发现了一些问题,现将问题和改进措施列举如下:(1)问题1:供应商提供的材料质量不稳定,存在一定的风险;改进措施:与供应商建立长期合作的关系,加强对其质量管理的监督,确保材料质量的稳定性。
(2)问题2:施工现场管理人员素质不高,存在管理不到位、责任心不强等问题;改进措施:加强对施工现场管理人员培训,提高其专业素质和责任意识,确保施工现场管理工作的有效进行。
工程验收优化整改报告尊敬的领导:根据您的要求,我们对近期完成的工程进行了验收,并在验收过程中发现了一些问题。
为了提高工程质量和确保项目的顺利进行,我们对这些问题进行了整改,并制定了相应的优化措施。
现将整改报告如下:一、问题描述及分析在工程验收过程中,我们发现了以下问题:1. 设备安装问题:某些设备的安装位置存在偏差,影响了正常使用。
此外,部分设备存在使用上的不便,如操作按钮设置不合理等。
2. 施工材料问题:部分使用的材料质量未达到预期标准,存在质量隐患。
例如,部分管道存在漏水情况。
3. 线路布局问题:工程中的线路布局存在一些混乱,未能充分考虑后期的维护和修理工作。
通过对以上问题进行深入分析,我们发现问题主要集中在施工质量、设备安装和工程设计方面。
二、整改措施为了解决上述问题并提高工程质量,我们制定了以下整改措施:1. 设备安装问题的整改措施:- 审核设备制造商的安装要求,并与工程实际情况进行对比,确保设备正确安装。
- 重新调整设备的位置,使其更符合实际使用的便利性。
- 对设备的操作按钮进行优化,确保用户能够方便、准确地进行操作。
2. 施工材料问题的整改措施:- 加强对施工材料的选购工作,确保符合相关标准要求。
- 引入第三方质检机构进行材料的抽检工作,确保质量达到预期标准。
- 对已经使用的质量不合格材料进行更换或修复,确保工程的可持续性和稳定性。
3. 线路布局问题的整改措施:- 重新评估线路布局,合理安排线路,降低维修成本和维护难度。
- 优化线路标识,提供清晰明了的线路布局图,方便维修人员进行维护工作。
三、优化效果预期通过以上整改措施的实施,我们预期可以达到以下优化效果:1. 设备安装问题的优化效果:- 确保设备准确安装,避免因位置偏差而造成的不便。
- 设备操作更加方便,用户能够快速掌握操作技巧,提高工作效率。
2. 施工材料问题的优化效果:- 选购符合标准的施工材料,降低施工质量隐患。
- 杜绝漏水现象的出现,确保工程运行的安全性和稳定性。
工程质量自查整改报告尊敬的领导:我司根据您的要求,经过全面细致的工程质量自查,并进行了相应的整改措施。
现将自查整改情况向您做出汇报如下:一、自查情况经过深入排查,我司发现工程质量存在以下问题:1. 设计问题:经查明,在施工前期,存在设计规划不完善的情况。
例如,某些设计图纸存在尺寸偏差,导致施工过程中无法顺利进行。
2. 施工材料问题:自查过程中我们发现,并非所有材料都符合工程质量要求。
某些材料的强度、耐用性未能达到标准要求,有些甚至存在严重缺陷。
3. 施工工艺问题:某些施工工艺存在疏漏或不当操作,例如地基处理不到位、墙面抹灰不匀等问题,导致工程质量出现明显瑕疵。
二、整改措施针对以上问题,我司制定了全面的整改措施,并已经开始逐项实施,主要包括:1. 设计问题的整改:重新审查设计图纸,与设计方进行沟通,整合完善设计方案,确保图纸符合实际情况,且尺寸精准。
2. 施工材料问题的整改:重新采购符合质量标准的材料,对已使用的低质量材料进行更换,确保施工质量和工程持久性。
3. 施工工艺问题的整改:加强对施工现场的管理监督,提高工人的操作技能,确保每一步施工工艺规范,避免不必要的失误和瑕疵。
三、整改效果评估为了确保整改措施的有效性,我司将采取以下措施进行整改效果评估:1. 抽查重点问题:在整改完成后,将对设计问题、材料问题以及工艺问题等进行抽查,核实整改效果并进行评估。
2. 举行验收会议:邀请相关专家和监理单位参加整改后的工程验收会议,听取他们关于工程质量的评估意见。
3. 建立长效监管机制:制定并执行质量管理制度,建立定期巡查和检查制度,确保工程质量的可持续稳定。
四、下一步计划为了确保工程质量的稳定和可持续发展,我司将采取以下措施:1. 加强内部培训:加大对员工的技术培训力度,提高员工的专业素质和技能水平,以确保工程质量能够持续符合标准要求。
2. 加强监督管理:建立健全的工程质量管理制度,加强监督管理力度,定期进行检查和评估,及时发现并解决质量问题。
工程质量整改完成报告
监督注册号:
质量监督站:
根据你站年月日发出的编号《工程质量监督抽查整改通知书》的要求,对工程的部位存在的问题现已整改完毕,监理单位已进行现场复查,确认已整改,特此报告。
整改情况简述:
整改完成证明文件及资料(影像资料)由建设、监理、施工单位存档备查。
建设单位项目负责人(签字):
总监理工程师(签字):
施工单位项目经理(签字):
建设单位(盖章)监理单位(盖章)施工单位(盖章)
年月日年月日年月日
监督机构签收人:
说明:
1、应针对整改意见对应逐条描述整改结果;
2、整改回复用章如采用项目部章应经法人单位授权。
3、此报告一式4份,监督机构、建设、监理、施工单位各1份。