蜗轮蜗杆减速器设计说明书样本
- 格式:doc
- 大小:406.50 KB
- 文档页数:23
燕山大学机械设计课程设计阐明书题目:蜗杆-齿轮二级减速器学院(系):机械工程学院年级专业:学号:学生姓名:指引教师:目录一.传动方案拟定 (1)二.电动机选取及传动比拟定 (1)1.性能参数及工况 (1)2.电动机型号选取 (1)三.运动和动力参数计算 (3)1.各轴转速 (3)2.各轴输入功率 (3)3.各轴输入转距 (3)四.传动零件设计计算 (4)1.蜗杆蜗轮选取计算 (4)2.斜齿轮传动选取计算 (8)五.轴设计和计算 (13)1.初步拟定轴构造及尺寸 (13)2.3轴弯扭合成强度计算 (17)六.滚动轴承选取和计算 (21)七.键连接选取和计算 (22)八、联轴器选取 (22)九.减速器附件选取 (23)十.润滑和密封选取 (24)十一.拆装和调节阐明 (24)十二.重要零件三维建模 (24)十三.设计小结 (28)十四.参照资料 (29)图2 蜗杆轴构造设计 1)初算轴头 按需用切应力初算d1 pd cn ≥d1段直接与电机相连,不受弯矩,查机械设计课本表10-2取c=112则 31 1.0011211.43940d mm ≥= 轴颈上有单键,轴颈虚增大3%,d 1=11.4×1.03=11.74 考虑到蜗杆轴刚度较小,需增大轴径,取d 1=18mm 查《机械设计指引手册》126页选用LT2型联轴器 l 1=42mm 2)计算d 2、l2 该段轴与联轴器想连,起定位作用,但不承受轴向力,且需要考虑密封圈内径为原则值,因此取d 2=20mm ,l 2需伸出端盖15~20mm ,由作图决定,作图后l 2=40mm 。
3)计算d 3、l3 该段与圆螺母配合,考虑圆螺母原则值。
因此取d 3=25mm ,l 3=17. 4)计算d 4、l4 该段与轴承配合,因此选用d 4=30mm ,选用7206C 轴承,长度l 4为两个轴承宽度16mm ,考虑到还需添加套筒和溅油板,故l 4=53mm 5)计算d 5、l5 该段重要是固定溅油板因此取d 5=36,其厚度为10,因此取l 5=5 6)计算d 6、l6 该段为轴向固定溅油板,因此取d 6=41mm ,长度取5mm 。
蜗轮蜗杆减速器设计说明书蜗轮蜗杆减速器设计说明书1. 引言本设计说明书旨在详细介绍蜗轮蜗杆减速器的设计过程和技术要求,为生产和使用蜗轮蜗杆减速器提供指导。
2. 设计要求2.1 减速比要求根据使用需求,确定蜗轮蜗杆减速器的减速比,确保输出转速满足要求。
2.2 功率传递要求根据输入功率和减速比,计算出减速器的输出功率,确保减速器能够稳定可靠地传递所需的功率。
2.3 结构材料要求选择适当的材料用于蜗轮蜗杆减速器的各个部件,考虑与其他部件的配合要求、强度要求和耐磨损要求等。
2.4 运行安全要求设计减速器时需考虑运行过程中的安全事项,例如温升、冷却要求、噪音控制等。
2.5 可维修性要求对于蜗轮蜗杆减速器的设计,应考虑到其维修和保养过程中的便捷性,方便进行零件更换和维修。
3. 设计参数3.1 输入转速和功率确定减速器的输入转速和功率,作为设计过程的基本参数。
3.2 输出转速和减速比根据输入转速和所需输出转速,计算蜗轮蜗杆减速器的减速比。
3.3 模块尺寸根据减速器的减速比、输入输出轴的直径,计算蜗轮蜗杆减速器的模块尺寸。
3.4 效率和传动比计算减速器的传动效率和传动比,以评估其性能。
4. 结构设计4.1 蜗轮和蜗杆的选择选择合适的蜗轮和蜗杆,确保配合公差满足要求,并且尽量减小间隙,以提高减速器的传动效率。
4.2 轴承选型选择适当的轴承,确保在减速器运行过程中承受的负载和力矩能得到有效的支撑和传递。
4.3 油封设计设计合适的油封结构,确保减速器不会发生润滑油泄漏问题,保持良好的工作环境。
4.4 外壳设计设计合理的外壳结构,使减速器的内部部件得到良好的保护,并方便进行维修和保养。
5. 附件本文档涉及附件,请参考附件表格。
6. 法律名词及注释6.1 著作权法著作权法是指保护作品权益的法律规定,包括著作权的取得、行使和保护等方面。
6.2 专利法专利法是指保护发明创造的法律规定,包括专利权的取得、行使和保护等方面。
6.3 商标法商标法是指保护商标权益的法律规定,包括商标的注册、使用和保护等方面。
目录一设计任务书 (1)二传动方案的拟定 (2)三电动机的选择和传动装置的运动和动力学计算 (3)四传动装置的设计 (6)五轴及轴上零件的校核计算 (11)1 蜗杆轴及其轴上零件的校核计算 (11)2 蜗轮轴及其轴上零件的校核计算 (14)六啮合条件及轴承的润滑方法、润滑机的选择 (16)七密封方式的选择 (18)八减速器的附件及其说明 (21)九设计小结 (23)十参考文献 (24)第一章.设计任务书1.1设计题目设计用于带速传输机的传动装置。
1.2工作原理及已知条件工作原理:工作传动装置如下图所示:设计数据:运输带工作拉力F=2500N运输带工作速度v=1.10m/s卷筒直径D=400mm工作条件:连续单向运转,工作时轻微冲击,灰尘较少;运输带速度允许误差±5%;一班制工作,3年大修,使用期10年(卷筒支承及卷筒与运输带间的摩擦影响在运输带工作拉力F中已考虑)。
加工条件:批量生产,中等规模机械厂,可加工7~8级齿轮。
设计工作量:1.减速器装配图1张;2.零件图1~3张;3.设计说明书1.3原始数据已知条件传送带工作拉力F(N) 传送带工作速度v(m/s)滚筒直径D(mm)参数2500 1.10 4001-电动机2、4-联轴器3-一级蜗轮蜗杆减速器5-传动滚筒6-输送带第二章. 传动方案选择2.1传动方案的选择该工作机采用的是原动机为Y系列三相笼型异步电动机,三相笼型异步电动机是一般用途的全封闭自扇冷式电动机,电压380 V,其结构简单、工作可靠、价格低廉、维护方便;另外其传动功率大,传动转矩也比较大,噪声小,在室内使用比较环保。
因为三相电动机及输送带工作时都有轻微振动,所以采用弹性联轴器能缓冲各吸振作用,以减少振动带来的不必要的机械损耗。
总而言之,此工作机属于小功率、载荷变化不大的工作机,其各部分零件的标准化程度高,设计与维护及维修成本低;结构较为简单,传动的效率比较高,适应工作条件能力强,可靠性高,能满足设计任务中要求的设计条件及环境。
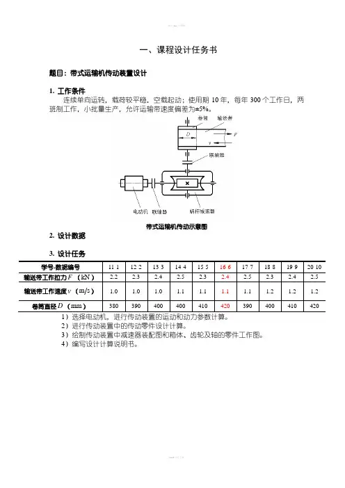
一、课程设计任务书题目:带式运输机传动装置设计1. 工作条件连续单向运转,载荷较平稳,空载起动;使用期10年,每年300个工作日,两班制工作,小批量生产,允许运输带速度偏差为±5%。
带式运输机传动示意图2. 设计数据3. 设计任务学号-数据编号11-1 12-2 13-3 14-4 15-5 16-6 17-7 18-8 19-9 20-10 输送带工作拉力F(kN) 2.2 2.3 2.4 2.5 2.3 2.4 2.5 2.3 2.4 2.5 输送带工作速度v(m s) 1.0 1.0 1.0 1.1 1.1 1.1 1.1 1.2 1.2 1.2 卷筒直径D(mm)380 390 400 400 410 420 390 400 410 420 2)进行传动装置中的传动零件设计计算。
3)绘制传动装置中减速器装配图和箱体、齿轮及轴的零件工作图。
4)编写设计计算说明书。
设计小结经过三个星期的实习,过程曲折可谓一语难尽。
在此期间我也失落过,也曾一度热情高涨。
从开始时满富盛激情到最后汗水背后的复杂心情,点点滴滴无不令我回味无长。
体会到作为设计人员在设计过程中必须严肃、认真,并且要有极好的耐心来对待每一个设计的细节。
在设计过程中,我们会碰到好多问题,这些都是平时上理论课中不会碰到,或是碰到了也因为不用而不去深究的问题,但是在设计中,这些就成了必须解决的问题,如果不问老师或是和同学讨论,把它搞清楚,在设计中就会出错,甚至整个方案都必须全部重新开始。
比如轴上各段直径的确定,以及各个尺寸的确定,以前虽然做过作业,但是毕竟没有放到非常实际的应用环境中去,毕竟考虑的还不是很多,而且对所学的那些原理性的东西掌握的还不是很透彻。
但是经过老师的讲解,和自己的更加深入的思考之后,对很多的知识,知其然还知其所以然。
刚刚开始时真的使感觉是一片空白,不知从何处下手,在画图的过程中,感觉似乎是每一条线都要有一定的依据,尺寸的确定并不是随心所欲,不断地会冒出一些细节问题,都必须通过计算查表确定。
机械设计课程设计蜗轮蜗杆减速器的设计一、选择电机1)选择电动机类型按工作要求和工作条件选用Y系列三相异步电动机。
2)选择电动机的容量工作机的有效功率为从电动机到工作机输送带间的总效率为=式中各按【1】第87页表9.1取η-联轴器传动效率:0.991η-每对轴承传动效率:0.982η-涡轮蜗杆的传动效率:0.803η-卷筒的传动效率:0.964所以电动机所需工作功率3)确定电机转速工作机卷筒的转速为所以电动机转速的可选范围是:符合这一范围的转速有:750、1000、1500三种。
综合考虑电动机和传动装置尺寸、质量、价格等因素,为使传动机构结构紧凑,决定选用同步转速为1000。
根据电动机的类型、容量、转速,电机产品目录选定电动机型号Y112M-6,其主要性能如下表1:/(9402 确定传动装置的总传动比和分配传动比:总传动比:3 计算传动装置各轴的运动和动力参数: 1)各轴转速:Ⅰ轴Ⅱ轴卷筒轴 2)各轴输入功率: Ⅰ轴 Ⅱ轴卷筒轴3) 各轴输入转矩:电机轴的输出转矩Ⅰ轴Ⅱ轴卷筒轴运动和动力参数结果如下表:940二、涡轮蜗杆的设计1、选择材料及热处理方式。
考虑到蜗杆传动传递的功率不大,速度也不高,蜗杆选用45号刚制造,调至处理,表面硬度220250HBW;涡轮轮缘选用铸锡磷青铜,金属模铸造。
2、选择蜗杆头数和涡轮齿数i=15.16 =2 =i=215.16303、按齿面接触疲劳强度确定模数m和蜗杆分度圆直径1)确定涡轮上的转矩,取,则2)确定载荷系数K=根据工作条件确定系数=1.15 =1.0 =1.1K==1.15 1.0 1.1=1.2653)确定许用接触应力由表查取基本许用接触应力=200MPa应力循环次数 N=故寿命系数4)确定材料弹性系数5)确定模数m和蜗杆分度圆直径查表取m=6.3mm,=80mm4、计算传动中心距a。
涡轮分度圆直径a=满足要求5、验算涡轮圆周速度、相对滑动速度及传动效率<3符合要求tan=0.16,得=8.95°由查表得当量摩擦角=1°47,所以=0.790.80与初值相符。
单级蜗杆减速器设计说明书设计题目:蜗杆减速器完成日期2011 年7 月12 日目录1)设计任务书2)电动机的选择3)带传动设计4)蜗轮蜗杆设计选材5)蜗轮蜗杆强度校核6)轴的设计、强度校核7)轴承的选择与校核8)螺栓螺钉的选择9)减速箱附件的选择10)减速箱结构、润滑、密封方式设计任务书设计题目:蜗杆减速器已知数据:主动轴功率P=11KW;主动轴转速n=1200r/mi n;传动比i=30本减速器用于搅拌装置的传动中。
工作机单向转动,双班制工作,单向运转,有轻微振动设计内容:减速器装配图一张;从动齿轮、从动轴零件图各一张;设计说明书一份。
P w =11KW P d =按表选定电动机功率为15KW 选用Y160L-4型电动机选SPZ 窄 V 带一、 拟定传动方案电动机驱动,电动机与减速器间用带转动连接 二、 电动机选择1、 根据电源及工作机工作条件,选用丫( IP44)系列三相交流异步电 动机。
2、 电动机功率的选择 P w =11KW设电动机到减速器传动效率为nII = 口叩n i 为带传动效率,n 2为联轴器传动效率查表得n i =n 2=则总的转动效率为H = 0.99 x 0.96 = 0.9504设电动机输出功率为PdPw则三、带传动件设计1、求计算功率P c载荷变动小,两班制工作,每天16小时,取K a =,I\-KaP= 1.2 x 1L6KW = 13,4kW选择V 带型号 选用窄V 带。
根据 P c =,n 1=1460r/min,选用 SPZ 型窄 V 带。
P*11方案1电动机同步转速太高,且电动机价格较贵,所以选2z 100 1460话而厂=7 6nVs中心距327mmd 1=100mmd 2=120mm7(di + <fc) +3、 求大、小带轮基准直径d i 、d 2 d i 应不小于63mm,现取d i =100mmdg = _di(l - E ) = x 100 h (1 - 0,02) = 119mm暂取 d 2=120mm4、 演算带速v带速在5~25m/s 范围内,合适。
目录一、电动机的选择 (3)二、传动比分配 (4)三、计算传动装置的运动和动力参数 (4)四、传动零件的设计计算 (4)五、轴的设计计算 (6)六、蜗杆轴的设计计算 (17)七、键联接的选择及校核计算 (18)八、减速器箱体结构尺寸确定 (19)九、润滑油选择: (21)十、滚动轴承的选择及计算 (21)十一、联轴器的选择 (22)十二、设计小结 (22)减速器种类:蜗杆—链条减速器减速器在室内工作,单向运转工作时有轻微震动,两班制。
要求使用期限十年,大修期三年,速度误差允许5%,小批量生产。
设计计算及说明结果一 .电动机的选择1、电动机类型选择按工作要求和工作条件,选用一般用途的卧式封闭型Y(112M-4)系列三相异步电动机。
2、电动机容量(1)工作机所需功率W P1000W FvP ==2x102=2.4kw (2)电动机的输出功率d Pηwd P P =传动装置的总效率7654321ηηηηηηηη⋅⋅⋅⋅⋅⋅= 式中,η1、η2…为从电动机至卷筒轴之间的各传动机构和轴承的效率。
由《机械设计课程设计》表2-4查得:单头蜗杆10.75η=;轴承20.98η=75(三对);联轴器30.99η=;滚筒40.95η= 链传动965.05=η则6624.07654321=⋅⋅⋅⋅⋅⋅=ηηηηηηηη故wd P P η==2.4/0.6624=3.6233kw3、电动机的转速(1)工作机滚筒主轴转速601000w v n Dπ⨯==45.84/min rW P =2.4kwη≈0.6624d P =3.6233kwn w =45.84/min r型号 额定功率 同步转速 满载转速 质量 Y112M-44.015001440470有表中数据可知两个方案均可行,但方案1的总传动比较小,传动装置结构尺寸较小,并且节约能量。
因此选择方案1,选定电动机的型号为Y112M-4,二.传动比分配a i =mn n= =114.55 2(0.03~0.06)i i ==3~5取i 涡=30所以2i =3.82三.计算传动装置的运动和动力参数1)各轴传速960minD m rn n ==11212324960960min 196032min 303232min 18.38minD D n rn i n rn i n rn i r n n ===========2) 各轴输入功率4D P P kw ==d 1 3.96d P P kw η==3 1212 2.9106P P kw ηη== 32 2.824P P kw ηη==23a i =114.55i 涡=30 2i =3.82D n =960min r1n =960min r 2n =32min r 3n =32min rn 工=8.38r/minD P =4kw3 2.63P P kw ηη==4w 工 3)各轴输入转矩T (N •m) T n =9550× p/ n iT 1=9550×3.96/960=39.393 N ·m T 2=9550×2.9106/32=868.63 N ·m T 3=9550×2.824/32=842.79 N ·m T 4=9550×2.63/8.38=2985.7995 N ·m将以上算得的运动及动力参数列表如下:轴号功率P/kw转矩T/(m N ⋅) 转速n/1min -⋅r电动机轴 4 2 960 Ⅰ轴 3.96 39.4 960 Ⅱ轴 2.824 868.63 32 Ⅲ轴 2.9106 842.79 32 工作轴2.6329854.79958.38四、传动零件的设计计算 ㈠ 蜗轮蜗杆1、选择蜗杆的传动类型根据GB/T10085-1988的推荐,采用渐开式蜗杆(ZI) 2、选择材料考虑到蜗杆传动功率不大,速度只是中等,故蜗杆采用45钢;因希望效率高些,耐磨性好些,故蜗杆螺旋齿面要求淬火,硬度为45~55HRC ,蜗轮用铸锡磷青铜ZC u S n 10P1,金属模铸造 3、按齿面接触疲劳强度进行设计1).在蜗轮上的转矩,即T 2 ,按Z=1,估取效率η=0.75,则T 2=868630 ⑴确定作用在蜗轮上的转矩,即T 2 ,按Z=1,估取效率η=0.75,1P =3.96kw 2P =2.9106kw 3P =2.824kw P =工 2.63kwT 1=39.393N ·m T 2=868.63 N ·m T 3=842.79 N ·m T 4=2985.7995 N ·m则T2=868630⑵确定载荷系数K因工作载荷较稳定,故取载荷分布不均系数KB=1,由书上(机械设计)表11-5,选取使用系数KA=1.15;由于转速不高,冲不大,可取载荷KV =1.05。
一级蜗轮蜗杆减速器设计解释书第一章绪论盘算机帮助设计及帮助制作(CAD/CAM)技巧是当今设计以及制作范畴广泛采取的先辈技巧.本次设计是蜗轮蜗杆减速器,经由过程本课题的设计,将进一步深刻地对这一技巧进行深刻地懂得和进修.1.1.1 本设计的设计请求机械零件的设计是全部机械设计工作中的一项重要的具体内容,是以,必须从机械整体动身来斟酌零件的设计.设计零件的步调平日包含:选择零件的类型;肯定零件上的载荷;零件掉效剖析;选择零件的材料;经由过程承载才能盘算初步肯定零件的重要尺寸;剖析零部件的构造合理性;作出零件工作图和不见装配图.对一些由专门工场大批临盆的尺度件主如果依据机械工作要乞降承载才能盘算,由尺度中合理选择.依据工艺性及尺度化等原则对零件进行构造设计,是剖析零部件构造合理性的基本.有了精确的剖析和盘算,而假如零件的构造不合理,则不但不克不及省工省料,甚至使互相组合的零件不克不及装配成合乎机械工作和维修请求的优越部件,或者根本装不起来.1.2.(1)国内减速机产品成长状态国内的减速器多以齿轮传动,蜗杆传动为主,但广泛消失着功率与重量比小,或者传动比大而机械效力过低的问题.别的材料品德和工艺程度上还有很多弱点.因为在传动的理论上,工艺水温和材料品德方面没有冲破,是以没能从根本上解决传递功率大,传动比大,体积小,重量轻,机械效力高级这些根本请求.(2)国外减速机产品成长状态国外的减速器,以德国.丹麦和日本处于领先地位,特殊在材料和制作工艺方面占领优势,减速器工作靠得住性好,应用寿命长.但其传动情势仍以定轴齿轮迁移转变为主,体积和重量问题也未能解决好.当今的减速器是向着大功率.大传动比.小体积.高机械效力以及应用寿命长的偏向成长.本设计的设计请求机械零件的设计是全部机械设计工作中的一项重要的具体内容,是以,必须从机械整体动身来斟酌零件的设计盘算,而假如零件的构造不合理,则不但不克不及省工省料,甚至使互相组合的零件不克不及装配成合乎机械工作和维修请求的优越部件,或者根本装不起来.机械的经济性是一个分解性指标,设计机械时应最大限度的斟酌经济性.进步设计制作经济性的重要门路有:①尽量采取先辈的现代设计理论个办法,力争参数最优化,以及应用CAD技巧,加速设计进度,下降设计成本;②合理的组织设计和制作进程;③最大限度地采取尺度化.系列化及通用化零部件;④合理地选择材料,改良零件的构造工艺性,尽可能采取新材料.新构造.新工艺和新技巧,使其用料少.质量轻.加工费用低.易于装配⑤努力改良机械的造型设计,扩展发卖量.进步机械应用经济性的重要门路有:①进步机械的机械化.主动化程度,以进步机械的临盆率和临盆产品的质量;②选用高效力的传动体系和支承装配,从而下降能源消费和临盆成本;③留意采取恰当的防护.润滑和密封装配,以延伸机械的应用寿命,并防止情形污染.机械在预定工作刻日内必须具有必定的靠得住性.进步机械靠得住度的症结是进步其构成零部件的靠得住度.此外,从机械设计的角度斟酌,肯定恰当的靠得住性程度,力争构造简略,削减零件数量,尽可能选用尺度件及靠得住零件,合理设计机械的组件和部件以及须要时拔取较大的安然系数等,对进步机械靠得住度也是十分有用的.1.4.研讨内容(设计内容)(1)蜗轮蜗杆减速器的特色蜗轮蜗杆减速器的特色是具有反向自锁功效,可以有较大的减速化,输入轴和输出轴不在统一轴线上,也不在统一平面上.但是一般体积较大,传动效力不高,精度不高.蜗轮蜗杆减速器是以蜗杆为主动装配,实现传动和制动的一种机械装配.当蜗杆作为传动装配时,在蜗轮蜗杆合营感化下,使机械运行起来,在此进程中蜗杆传动根本上战胜了以往带传动的摩擦损耗;在蜗杆作为制动装配时,蜗轮,蜗杆的啮合,可使机械在运行时停下来,这个进程中蜗杆蜗轮的啮合静摩擦达到最大,可使活动中的机械在刹时停滞.在工业临盆中既节俭了时光又增长了临盆效力,而在工艺设备的机械减速装配,深受用户的佳誉,是面前当代工业设备实现大小扭矩,大速比,低噪音,高稳固机械减速传动独揽装配的最佳选择.(2)计划订定A.箱体(1):蜗轮蜗杆箱体内壁线的肯定; (2):轴承孔尺寸的肯定;(3):箱体的构造设计;a.箱体壁厚及其构造尺寸的肯定b. 轴承旁衔接螺栓凸台构造尺寸的肯定c.肯定箱盖顶部外概况轮廓d. 外概况轮廓肯定箱座高度和油面e. 输油沟的构造肯定f. 箱盖.箱座凸缘及衔接螺栓的安插B.轴系部件(1) 蜗轮蜗杆减速器轴的构造设计a. 轴的径向尺寸的肯定b. 轴的轴向尺寸的肯定(2)轴系零件强度校核a. 轴的强度校核b. 滚动轴承寿命的校核盘算C.减速器附件a.窥视孔和视孔盖b. 通气器c. 轴承盖d. 定位销e. 油面指导装配f. 油塞g. 起盖螺钉h. 起吊装配第二章减速器的总体设计2.1.1 订定传动计划本传动装配用于带式运输机,工作参数:运输带工作拉力F=3KN,工作速度=1.2m/s,滚筒直径D=310mm,传动效力η=0.96,(包含滚筒与轴承的效力损掉)两班制,持续单向运转,载荷较安稳;应用寿命8年.情形最高温度80℃.本设计拟采取蜗轮蜗杆减速器,传动简图如图6.1所示.图6.1 传动装配简图1—电念头 2.4—联轴器 3—级蜗轮蜗杆减速器5—传动滚筒 6—输送带2.1.2 电念头的选择(1)选择电念头的类型按工作前提和请求,选用一般用处的Y系列三相异步电念头,关闭式构造,电压380V.(2)选择电念头的功率电念头所需的功率式中,单位为KW;η—电念头至工作机之间传动装配的总效力;,单位为KW;输送机所需的功率输送机所需的功率/1000=3000×1.2/1000×0.8=4.5 kW查表,(3)选择电念头的转速由表推举的传动比的合理规模,故电念头转速的可选规模为:(10~40)×73.96=740-2959r/min相符这规模的电念头同步转速有750.1000.1500.3000 r/min四种,现以同步转速1000 r/min和1500 r/min两种经常应用转速的电念头进行剖析比较.分解斟酌电念头和传动装配的尺寸.重量.价钱.传动等到市场供给情形,拔取比较适合的计划,现选用型号为Y132M—4.2.1.3 肯定传动装配的传动等到其分派减速器总传动等到其分派:减速器总传动比/73.96=19.47式中i—传动装配总传动比,单位r/min,单位r/min2.1.4 盘算传动装配的活动和动力参数(1)各轴的输入功率轴Ⅰ轴Ⅱ(2)各轴的转速轴Ⅰ:轴Ⅱ:/19.47=73.96 r/min(3)各轴的输入转矩d/nm=9550轴Ⅰ:1/n1=9550轴Ⅱ:2/n2=9550上述盘算成果汇见表3-1表3-1传动装配活动和动力参数2.2 传动零件的设计盘算2.2.1 蜗轮蜗杆传动设计一.选择蜗轮蜗杆类型.材料.精度依据GB/T10085-1988的推举,采取渐开线蜗杆(ZI)蜗杆材料选用45钢,整体调质,概况淬火,齿面硬度45~50HRC.蜗轮齿圈材料选用ZCuSn10Pb1,金属模锻造,滚铣后加载跑合,8级精度,尺度包管侧隙c.(1)选z1,z2:1=2,z2= z1×n1/n2=2×≈39.z2在30~64之间,故合乎请求.(2)蜗轮转矩T2:T2=T1×i106×××0.82/(3)载荷系数K:因载荷安稳,查表7.8取K=1.1(4)材料系数ZE查表(5)许用接触应力H]查表H]=220 Mpa N=60×jn2×L h=60××1××107H×220=178.5 Mpa(6):(7)初选的值:查表7.1取m=6.3,d1=63(8)导程角(9)滑动速度Vs(10)啮合效力由Vs=4.84 m/s查表得ν=1°16′(11取轴承效力T2=T1×i106(12)磨练的值原选参数知足齿面接触疲惫强度请求1=2,z2=39(1)中间距a(2)蜗杆尺寸分度圆直径d1 d1=63mm齿顶圆直径da1 da1=d1+2ha1=(63+2×齿根圆直径df1 df1=d1﹣2hf=63﹣2×导程角右旋轴向齿距 Px1=π×齿轮部分长度b1 b1≥×××取b1=90mm(2)蜗轮尺寸分度圆直径d2 d2=m×z2×齿顶高 ha2=ha*××齿根高 hf2= (ha*+c*)×m=(1+0.2)×齿顶圆直径da2 da2=d2+2ha2=245.7+2××齿根圆直径df2 df2=d2﹣﹣导程角右旋轴向齿距 Px2=Px1=π××齿宽角 sin(α蜗轮咽喉母圆半径 rg2=a—﹣(3)热均衡盘算①估算散热面积A②验算油的工作温度tiKs=20 W/(㎡·℃).80℃油温未超出限度(4)润滑方法依据Vs=4.84m/s,查表7.14,采取浸油润滑,油的活动粘度V40℃=350×10-6㎡/s(5)蜗杆.蜗轮轴的构造设计(单位:mm)①蜗轮轴的设计最小直径估算dmin≥cc查《机械设计》表11.3得 c=120 dmin≥=120×依据《机械设计》表11.5,选dmin=48d1= dmin+2a =56 a≥≈4d2=d1+ (1~5)mm=56+4=60d3=d2+ (1~5)mm=60+5=65d4=d3+2a=65+2×6=77 a≥≈6×≈8d5=d4﹣2h=77﹣2×5.5=66d6=d2=60l1=70+2=72②蜗杆轴的设计最小直径估算dmin≥cdmin=30d1=dmin+2a=20+2×2.5=35 a=(0.07~0.1)dmind2=d1+(1~5)=35+5=40d3=d2+2a=40+2×2=44 a=(0.07~0.1)d2d4=d2=40蜗杆和轴做成一体,即蜗杆轴.蜗轮采取轮箍式,青铜轮缘与锻造铁心采取H7/s6合营,并加台肩和螺钉固定,螺钉选6个几何尺寸盘算成果列于下表:2.3 轴的设计2.3.1 蜗轮轴的设计(1)选择轴的材料拔取45钢,调质,硬度HBS=230,由表查1.10-3)(2)初步估算轴的最小直径取C=120,得dmin≥=120依据《机械设计》表11.5,选dmin=63(3)轴的构造设计①轴上零件的定位.固定和装配单级减速器中,可将齿轮按排在箱体中心,相对两轴承对称散布,齿轮左面由轴肩定位,右面用套筒轴向固定,周向固定靠平键和过渡合营.两轴承分离以轴肩和套筒定位,周向则采取过渡合营或过盈合营固定.联轴器以轴肩轴向定位,右面用轴端挡,圈轴向固定.键联接作周向固定.轴做成阶梯形,左轴承从做从左面装入,齿轮.套筒.右轴承和联轴器依次右面装到轴上.②肯定轴各段直径和长度Ⅰ段d1=50mm L1=70mmⅡ段选30212型圆锥滚子轴承,其内径为60mm,宽度为22mm.故Ⅱ段直径d2=60mm.Ⅲ段斟酌齿轮端面和箱体内壁.轴承端盖与箱体内壁应有必定距离,则取套筒长为38mm.故L3=40mm,d3=65mm.Ⅳ段d4=77mm,L4=70mmⅤ段d5=d4+2h=77+2×5.5=88mm,L5=8mmⅥ段d6=65mm,L6=22mmⅦ段 d7=d2=760mm,L7=25(4)按弯扭合成应力校核轴的强度①绘出轴的构造与装配图 (a)图②绘出轴的受力简图 (b)图③绘出垂直面受力争和弯矩图(c)图轴承支反力:F RBV=Fr+F RAV盘算弯矩:截面C右侧弯矩截面C左侧弯矩④绘制程度面弯矩图 (d)图轴承支反力:截面C 处的弯矩⑤绘制合成弯矩图 (e)图图3.2 低速轴的弯矩和转矩(a)轴的构造与装配 (b)受力简图 (c)程度面的受力和弯矩图 (d)垂直面的受力和弯矩图 (e)合成弯矩图 (f)转矩图 (g)盘算弯矩图⑥绘制转矩图 (f)图105⑦绘制当量弯矩图 (g)图转矩产生的扭剪应力按脉动轮回变更,取0.6,截面C 处的当量弯矩为⑧校核安全截面C 的强度安然. 图3.3 蜗轮轴的构造图d M ECe 7.7771.01062.3511.03335=⨯⨯=⨯=σ2.3.3 蜗杆轴的设计(1)选择轴的材料拔取45钢,调质处理,硬度HBS=230,剪切疲惫极限(2) 初步估算轴的最小直径最小直径估算dmin≥取dmin=20(3)轴的构造设计按轴的构造和强度请求拔取轴承处的轴径d=35mm,初选轴承型号为30207圆锥滚子轴承(GB/T297—94),采取蜗杆轴构造,个中,齿顶圆长度尺寸依据中心轴的构造进行具体的设计,校核的办法与蜗轮轴相相似,经由具体的设计和校核,得该蜗杆轴构造是相符请求的,是安然的,轴的构造见图3.4所示:图3.4 蜗杆轴的构造草图第三章轴承的选择和盘算3.1 蜗轮轴的轴承的选择和盘算按轴的构造设计,初步选用30212(GB/T297—94)圆锥滚子轴承,内径d=60mm,外径D=110mm,B=22mm.(1)盘算轴承载荷①轴承的径向载荷轴承A轴承B②轴承的轴向载荷轴承的派生轴向力查表得:30212°38′32″所以无外部轴向力.轴承A被“压紧”,所以,两轴承的轴向力为③盘算当量动载荷由表查得圆锥滚子轴承30211轴承A e取X=1,Y=0,轴承B e取X=1,Y=0,3.2 蜗杆轴的轴承的选择和盘算按轴的构造设计,选用30207圆锥滚子轴承(GB/T297—94),经校核所选轴承能知足应用寿命,适合.具体的校核进程略.3.3 减速器锻造箱体的重要构造尺寸(单位:mm)(1) 8,(2) 8,(3) 箱座.箱盖.箱座底的凸缘厚度:(4) 地脚螺栓直径及数量:依据=154.35,得取d f=18,地脚螺钉数量为4个;(5)(6) 箱盖.箱座联络螺栓直径~14.4,取(7) 表2.5.1轴承端盖螺钉直径:(8) 检讨孔盖螺钉直径:本减速器为一级传动减速器,所以取(9) ,把数据代入上述公式,得数据如下:(10) 表2.5.2螺栓相干尺寸:(11)准尽量接近,(12) ;(13),由构造肯定;(14) 箱外壁至轴承座端面的距离:(15) 箱盖.(16)(17) 锻造斜度.过渡斜度.锻造外圆角.内圆角:锻造斜度:10,:20,第四章其他零件设计4.1.1高速轴键联接的选择和强度校核高速轴采取蜗杆轴构造,是以无需采取键联接.4.1.2 低速轴与蜗轮联接用键的选择和强度校核(1) 选用通俗平键(A型)按低速轴装蜗轮处的轴径d=77mm,查表,选用键22×14×63 GB1096—2003.(2) 强度校核键材料选用45钢,键的工作长度按公式的挤压应力故键的联接的强度是足够的.4.2 联轴器的选择和盘算4.2.1 高速轴输入端的联轴器盘算转矩,查表取,有查表选用TL5型弹性套柱销联轴器,材料为35钢,许用转矩,许用转速标识表记标帜:LT5联轴器30×50 GB4323—84.选键,装联轴器处的轴径为30mm,选用键8×7×45 GB1096—79,对键的强度进行校核,键同样采取45钢,有关机能指标见(2.6.2),按公式的挤压应力及格.所以高速级选用的联轴器为LT5联轴器30×50 GB4323—84,所用的联络键为8×7×45 GB1096—79.4.2.2 低速轴输出端的联轴器依据低速轴的构造尺寸以及转矩,选用联轴器LT8联轴器50×70 GB4323—84,所用的联络键为14×9×60 GB1096—79,经由校核盘算,选用的键是相符联络的强度请求的,具体的盘算进程与上面雷同,所以省略.4.3 减速器的润滑减速器中蜗轮和轴承都须要优越的润滑,起重要目标是削减摩擦磨损和进步传动效力,并起冷却和散热的感化.别的,润滑油还可以防止零件锈蚀和下降减速器的噪声和振动等. 本设计拔取润滑油温度C t ︒=40时的蜗轮蜗杆油,蜗轮采取浸油润滑,浸油深度约为h1≥1个螺牙高,但油面不该高于蜗杆轴承最低一个滚动体中间.4.4 部分零件加工工艺进程4.4.1 轴的加工工艺进程轴的工艺进程相对于箱盖,底座要简略很多,本设计输出轴的一般工艺进程为:(1) 落料.锻打(2) 夹短端.粗车长端端面.打中间孔(3) 夹短端.粗车长端各档外圆.倒角(4) 反向夹长端,粗车短端外圆.倒角.粗车短端端面.打中间孔(5) 热处理(6) 夹短端,半精车短端外圆(7) 反向夹长端,半精车短端外圆(8) 磨长端外圆(9) 反向磨短端外圆(10) 铣两键槽(11) 加工好的蜗轮轴4.4.2 箱体加工工艺进程蜗轮蜗杆减速器的箱盖和箱体,它们的工艺进程比较庞杂,先是箱盖和箱体分离单独进行某些工序,然后合在一路加工,最后又离开加工.箱盖单独先辈行的工序有:(1)箱盖锻造(2)回火.清沙.去毛刺.打底漆.毛坯磨练(3)铇视孔顶面(4)铇剖分面(5)磨剖分面(6)钻.攻起盖螺钉完成前述单独工序后,即可进行下列工序:(1)箱盖.箱体瞄准张开,夹紧;钻.铰定位销孔,敲入圆锥销(2)钻箱盖和箱体的联接螺栓孔,刮鱼眼坑(3)离开箱壳,消除剖分面毛刺.清算切屑(4)张开箱壳,敲入定位销,拧紧联接螺栓(5)铣两头面(6)粗镗各轴轴承座孔(7)精镗各轴轴承座孔(8)钻.攻两头面螺孔(9)拆开箱壳(10)装上油塞,箱体地脚螺栓孔划线(11)钻地脚螺栓孔.刮鱼眼坑(12)箱盖上固定视孔盖的螺钉孔划线(13)钻.攻固定视孔盖的螺钉孔(14)去除箱盖.箱体接合面毛刺,消除铁屑(15)内概况涂红漆结论此次经由过程对已知前提对蜗轮蜗杆减速器的构造外形进行剖析,得出总体计划.按总体计划对各零部件的活动关系进行剖析得出蜗轮蜗杆减速器的整体构造尺寸,然后以各个体系为模块分离进行具体零部件的设计校核盘算,得出各零部件的具体尺寸,再从新调剂整体构造,整顿得出最后的设计图纸和解释书.此次设计经由过程对蜗轮蜗杆减速器的设计,使我对成型机械的设计办法.步调有了较深的熟习.熟习了蜗轮.轴等多种经常应用零件的设计.校核办法;控制了若何选用尺度件,若何查阅和应用手册,若何绘制零件图.装配图;以及设计非尺度零部件的要点.办法. 此次设计贯串了所学的专业常识,分解应用了各科专业常识,查各类常识手册从中使我进修了很多日常平凡在教材中未学到的或未深刻的内容.我信任此次设计对今后的工作进修都邑有很大的帮忙. 因为本身所学常识有限,而机械设计又是一门异常深邃的学科,设计中肯定消失很多的缺少和须要改良的地方,愿望先生指出,在今后的进修工作中去完美它们.参考文献1 吴彦农,康志军.Solidworks2003实践教程. 淮阴:淮阴工学院,20032 叶伟昌. 机械工程及主动化简明手册(上册). 北京:机械工业出版社,20013 徐锦康. 机械设计. 北京:机械工业出版社,20014 成大先. 机械设计手册(第四版第4卷). 北京:化学工业出版社,20025 葛常清. 机械制图(第二版). 北京:中国建材工业出版社,20006 朱敬. 孙明,邵谦谦.AutoCAD2005.电子工业出版社,20047 董玉平. 机械设计基本.机械工业出版社,20018 曾正明. 机械工程材料手册. 北京:机械工业出版社,20039 周昌治. 杨忠鉴,赵之渊,陈广凌. 机械制作工艺学. 重庆:重庆大学出版社,199910 曲宝章. 黄光烨. 机械加工工艺基本. 哈尔滨:哈尔滨工业大学出版社,200211 张福润. 徐鸿本,刘延林. 机械制作基本(第二版). 武汉:华中科技大学出版社,200212 徐锦康. 机械设计. 北京:高级教导出版社,200413 宁汝新. 赵汝嘉. CAD/CAM技巧. 北京:机械工业出版社,200314 司徒忠. 李璨. 机械工程专业英语. 武汉:武汉理工大学出版社,200115 牛又奇. 孙开国. 新编Visual Basic程序设计教程. 姑苏:姑苏大学出版社,200216 甘登岱. AutoCAD2000.航空工业出版社,200017 夸克工作室.SolidWorks2001.科学出版社,200318 吴威望. SolidWorks2003.科学出版社,200419 甘永立. 几何量公役与检测.上海科学技巧出版社,2004。
蜗轮蜗杆减速器设计书一、二、传动装置总体设计:根据要求设计单级蜗杆减速器,传动路线为:电机——连轴器——减速器——连轴器——带式运输机。
(如图 2.1所示)图2.1根据生产设计要求可知,该蜗杆的圆周速度V≤4——5m/s,所以该蜗杆减速器采用蜗杆下置式见(如图2.2所示),采用此布置结构,由于蜗杆在蜗轮的下边,啮合处的冷却和润滑均较好。
蜗轮及蜗轮轴利用平键作轴向固定。
蜗杆及蜗轮轴均采用圆锥滚子轴承,承受径向载荷和轴向载荷的复合作用,为防止轴外伸段箱内润滑油漏失以及外界灰尘,异物侵入箱内,在轴承盖中装有密封元件。
图2.1 该减速器的结构包括电动机、蜗轮蜗杆传动装置、蜗轮轴、箱体、滚动轴承、检查孔与定位销等附件、以及其他标准件等。
图2.2三、电动机的选择:由于该生产单位采用三相交流电源,可考虑采用Y 系列三相异步电动机。
三相异步电动机的结构简单,工作可靠,价格低廉,维护方便,启动性能好等优点。
一般电动机的额定电压为380V根据生产设计要求,该减速器卷筒直径D=350mm 。
运输带的有效拉力F=6000N ,带速V=0.5m/s ,载荷平稳,常温下连续工作,工作环境多尘,电源为三相交流电,电压为380V 。
1、按工作要求及工作条件选用三相异步电动机,封闭扇冷式结构,电压为380V ,Y 系列 2、传动滚筒所需功率3、传动装置效率:(根据参考文献《机械设计基础课程设计》 陈立德主编 高等教育出版社 第6-7页表.-3得各级效率如下)其中: 蜗杆传动效率η1=0.70 滚动轴承效率(一对)η2=0.98 联轴器效率η3=0.99 传动滚筒效率η4=0.96 所以:ηw=η1•η23•η32•η4 =0.7×0.983×0.992×0.96 =0.626 r/min电动机所需功率: P r = P w /η =3.0/0.633=4.7KW传动滚筒工作转速: n =60×1000×v / ×400=62.1r/min按推荐的合理传动比范围,取蜗杆传动比i 1 =8-40 根据(《机械设计基础》 陈立德主编 高等教育出版社 第263页表13.5,故电动机可选范围为Nd=i ’•ηw=(8-40)×62.1 r/minNd=497-2484 r/min符合这一范围的同步转速的有;720 r/min , 970 r/min , 1440 r/min , 2900 r/min,根据(《机械设计基础课程设计指导书》陈立德主编 高等教育出版社 第119-120页 附表8.1如图表3-1表3-1方案1-2电动机转速低,外廓尺寸及重量较大,价格较高,导致传动装置尺寸较大。
蜗轮蜗杆齿轮减速器设计说明书蜗轮蜗杆齿轮减速器设计说明书一、引言本文档旨在提供蜗轮蜗杆齿轮减速器设计的详细说明。
减速器是一种常用于机械设备的传动装置,通过将高速旋转的输入轴转换成低速并具有更大扭矩的输出轴,以适应不同工作环境和需求。
二、设计要求本章详细描述蜗轮蜗杆齿轮减速器设计的要求,包括但不限于:1.减速比要求2.输出扭矩要求3.输入功率限制4.设计寿命要求等三、设计原理本章介绍蜗轮蜗杆齿轮减速器的设计原理,并详细阐述蜗杆传动、蜗轮传动和齿轮传动的工作原理,以便更好地理解减速器的工作方式和特点。
四、设计参数计算本章详细说明蜗轮蜗杆齿轮减速器设计过程中涉及的各项参数计算方法,包括蜗杆蜗轮的齿数、模数、齿宽等参数的计算方法,并给出具体的计算示例。
五、零件选型本章常用的蜗轮蜗杆齿轮减速器的相关标准,并介绍如何根据设计要求和参数计算结果进行零件的选型,包括蜗轮、蜗杆、齿轮和轴承等。
六、结构设计本章详细描述蜗轮蜗杆齿轮减速器的结构设计过程,包括各个零件的布局、装配方式、皮带传动装置的设计等。
七、强度校核本章介绍蜗轮蜗杆齿轮减速器的强度校核方法,包括齿轮强度校核、轴承强度校核和装配强度校核等。
八、润滑与密封本章介绍蜗轮蜗杆齿轮减速器的润滑和密封设计要求,包括润滑方式的选择、润滑油的选用和密封装置设计等。
九、安全与可靠性本章重点阐述蜗轮蜗杆齿轮减速器的安全与可靠性设计要求和考虑因素,以确保减速器的正常、安全、可靠运行。
十、附件本文档涉及的附件如下:1.设计图纸:包括装配图、零件图和尺寸图等。
2.计算数据表格:包括参数计算结果和零件选型结果等。
3.测试报告:包括减速器性能测试结果等。
附:法律名词及注释1.著作权:指法律对著作成果所赋予的权利和义务的总称。
2.专利权:指法律对发明创造者在技术领域所创造的技术方案所给予的专有权利。