拟配备本工程的主要工程施工机械、设备计划表.doc
- 格式:doc
- 大小:132.50 KB
- 文档页数:15
拟投入的主要施工机械设备情况
第一节主要施工机械设备配备
施工机械设备是现场人、材、机三大投入的重要组成部分,施工机械配备的合理与否,直接影响着进度计划的实施、劳动力的投入及成本的降低,特别是垂直运输的配备与工程的施工进度密切相关。
为了确保本工程的进度计划得以实施,并尽可能的缩短工期,减少劳动强度和降低成本,根据本工程的实际特点和建设方的工期要求,对主要施工机械的安排见表1。
主要机械设备配置计划
本工程所需各种大型机械设备目前均处在空闲保养阶段,我公司承诺如中标,上述机械设备均能立即开进现场组装就位,保证工程顺利进行。
施工机具设备配置第一节施工机械总体安排情况一、配置原则优选精良、先进的设备,并合理匹配,形成综合生产能力;设备能力大于进度指标要求的能力;同类设备尽可能采用同厂家同型号设备,以方便配件供应和维修;就近调配机械设备。
二、调配计划施工机械设备由我单位设备物资部门进行统一调配,以满足本合同段工程需要。
拟投入本合同工程的主要施工机械见下表。
开槽机PCR-30 1 凯联-美国辛姆莱2021年——养护13吨双钢轮压路机STR130C-8C1三一重工2021年119激振力(kn):169/119道路双钢轮液压振动压路机LTC208 1洛阳路通2021年74激振力(kn):160×2/90×2道路全液压单钢轮压路机XS123 1 徐工2021年93激振力280/190kN道路全液压单钢轮压路机XG626H 1 厦工2021年154激振力(高/低)480/375kN道路施工设备具体见附表五试验和检测仪器设备见附表六第二节施工机械性能先进、保证本工程措施一、施工机械性能先进除以上通用市政工程机械外,本工程为保证热力管道焊接质量,引入专门的先进管道焊机进行管道连接。
(一)HW-ZD-201 磁吸式全位置智能焊机满足各种工况的GMAE/FCAW-GS焊接工艺。
碳钢、不锈钢、合金钢、低温钢等(不可磁力吸附的材质应另配小车轨道)采用高清5寸彩色触摸界面,可实现焊接参数实时编辑输入,储存和调用。
实现360° 24个焊接分区参数预设,自动调用。
焊缝质量满足AUT/RT等探伤检测。
技术参数型号HW-ZD-201工作电压额定电压DC12-35V 典型DC24 额定功率:<100W电流控制范围大于等于80A小于500A电压控制范围16-35V焊接速度0-800mm/min,无线调速适用管径≥Φ168mm适用壁厚5-100mm外形尺寸(L*W*H)焊接小车275mm*172mm*220mm(二)YX-G168 轨道式全位置智能焊机(单炬)G168单炬外焊机是结合控制技术和焊接工艺技术的自动焊设备。
主要施工机械设备投入计划本工程施工所用垂直运输设备、混凝土输送泵等大中型机械设备将由我公司内部配置,个别无法调配或企业并不拥有,则考虑社会力量解决;混凝土的搅拌、运输由我公司混凝土搅拌站完成,砌筑抹灰等建筑砂浆以采用预拌砂浆为主。
根据施工进度计划、施工段划分、施工工艺、施工经验和现有可调配机械,编制机械设备供应计划以保证施工生产顺利进行。
第一节、垂直运输机械第一小节、塔吊的配备第一条、塔吊的选择我公司针对本工程采用1台TC6013型塔吊及若干汽车吊。
对本工程新建建筑的施工面形成90%以上覆盖。
第二条、多塔作业安全措施加强对各种机械设备安全管理,建立健全机械设备的使用和保养制度,使各种机械设备经常处于良好的使用状态,具有良好的机械性能。
塔吊安全操作措施:多塔作业时,任何相临的塔吊两塔之间的任何接近部位(包括吊重物)距离不得小于2m。
塔吊钩头的所吊材料必须符合塔吊安全限荷。
塔吊在工作时不得做360°回转。
塔吊停止工作时,必须拉闸断电,并将塔吊钩头进行固定。
指挥人员及起重司机的职责:指挥人员的职责:指挥人员对所指定的起重机械,必须熟悉其机械性能后方能指挥。
使用标准指挥信号与起重机司机联系。
指挥人员的作用就是使司机按指挥信号的要求操作,把负载或空钩向其目的地运行。
不能干涉起重机司机对手柄或旋组的选择。
负责负载的重量计算和绳索的正确选择。
在负载运行时,指挥人员应负责监视并随时引导,以对可能出现的事故采取必要的防范措施。
当负载到达目的地或指定区域时,指挥人员在发出吊钩或负载下降信号前,应保证降落地点的人身、设备安全。
指挥人员的指挥位置:保证与起重机司机之间视线清楚。
在所指定的区域内,始终能清楚地看到负载。
例当负载向指挥人员靠近时,不受威胁。
当指挥人员不能同时看见起重机司机和负载时,其位置应站到能看见他指挥的司机的一侧。
根据工作需要,也可临时增设辅助指挥人员,以通知负载的位置。
起重机司机的职责:把指挥人员发出的信号变成起重机械的运动,完成吊运任务。
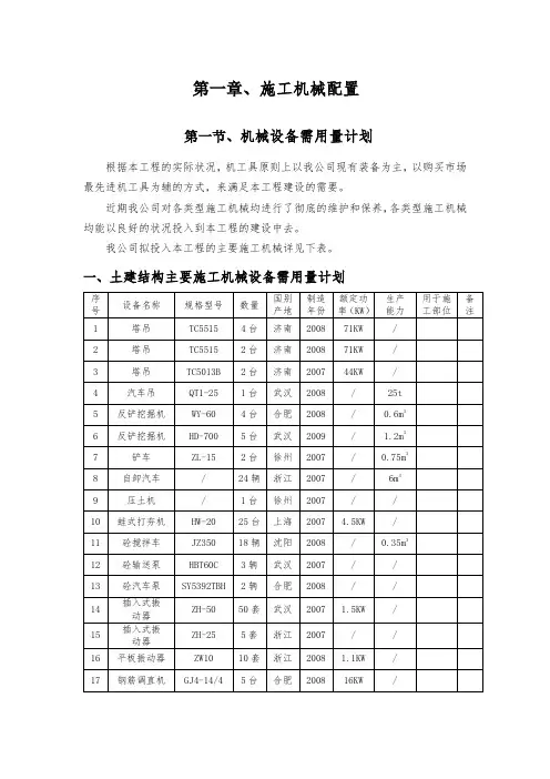
第一章、施工机械配置第一节、机械设备需用量计划根据本工程的实际状况,机工具原则上以我公司现有装备为主,以购买市场最先进机工具为辅的方式,来满足本工程建设的需要。
近期我公司对各类型施工机械均进行了彻底的维护和保养,各类型施工机械均能以良好的状况投入到本工程的建设中去。
我公司拟投入本工程的主要施工机械详见下表。
一、土建结构主要施工机械设备需用量计划序号设备名称规格型号数量国别产地制造年份额定功率(KW)生产能力用于施工部位备注1 塔吊TC5515 4台济南2008 71KW /2 塔吊TC5515 2台济南2008 71KW /3 塔吊TC5013B 2台济南2007 44KW /4 汽车吊QT1-25 1台武汉2008 / 25t5 反铲挖掘机WY-60 4台合肥2008 / 0.6m36 反铲挖掘机HD-700 5台武汉2009 / 1.2m37 铲车ZL-15 2台徐州2007 / 0.75m38 自卸汽车/ 24辆浙江2007 / 6m39 压土机/ 1台徐州2007 / /10 蛙式打夯机HW-20 25台上海2007 4.5KW /11 砼搅拌车JZ350 18辆沈阳2008 / 0.35m312 砼输送泵HBT60C 3辆武汉2007 / /13 砼汽车泵SY5392TBH 2辆合肥2008 / /14 插入式振动器ZH-50 50套武汉2007 1.5KW /15 插入式振动器ZH-25 5套浙江2007 / /16 平板振动器ZW10 10套浙江2008 1.1KW /17 钢筋调直机GJ4-14/4 5台合肥2008 16KW /号产地年份率(KW)能力工部位注18 钢筋切断机GQ40A 10台武汉2007 4KW /19 钢筋弯曲机GW40 10台长沙2007 4KW /20 闪光对焊机UN1-100 5台徐州2007 100KW /21 压力焊机/ 5台浙江2007 / /22 交流电焊机BX3-1-500 10台合肥2008 35.6KW /21 台锯MJ134 10台长沙2007 3KW /22 压刨机MB105A 5台武汉2006 4KW /二、装饰装修主要施工机械设备需用量计划序号设备名称规格型号数量国别产地制造年份额定功率(KW)生产能力用于施工部位备注1 物料提升机SSD100 6台义乌2007 / 0.5t2 手电据ZOSB 30把徐州2008 1.2KW /3 电焊机BX 30台长沙2009 1.2KW /4 空压机PUMA2030 20台长沙2007 1.5KW /5 电圆锯牧田C13 20把合肥2007 1.2KW /6 直钉枪飞意30把徐州2008 0.5KW /7 角向磨光机日立φ100 20台沈阳2009 0.5KW /8 腻子搅拌机牧田B01型40台合肥2008 0.3KW /9 玻璃磨光机S1M-WH-10010台徐州2009 0.5KW /10 水磨抛光机LFSM-23 40台徐州2007 0.8KW /11 压刨机MX504 20台长沙2007 0.8KW /12 玻璃吸盘KS-608 30个浙江2007 / /13 嵌缝枪/ 30把合肥2009 / /14 冲击钻TE15 40把上海2009 0.7KW /15 铆钉枪/ 20把徐州2008 / /16 两用冲击钻麦脱宝φ1220把兰州2007 0.8KW /17 台钻φ16 20把合肥2008 1.0KW /18 金属切割机沪产φ16 40台上海2007 1.0KW /号产地年份率(KW)能力工部位注19 石材切割机日立φ100 60台长沙2008 1.2KW /20 手电钻2X705 60把洛阳2007 0.8KW /21 自攻螺丝枪牧田6800 60把武汉2008 0.5KW /22 射钉枪/ 50把永康2008 0.8KW /23 罗机φ12 50台武汉2007 1.0KW /24 曲线锯/ 60把合肥2007 0.5KW /三、机电安装主要施工机械设备需用量计划序号设备名称规格型号数量国别产地制造年份额定功率(KW)生产能力用于施工部位备注1 交流电焊机BX3-330 3台武汉2008 / /2 交流电焊机BX200 3台武汉2008 / /3 交流氩弧焊机NSA-500-1 4台上海2008 / /4 焊条烘干箱ZYH-60 3台徐州2007 / /5 电动套丝机1/2”-4”3台上海2007 / /6 电动试压泵/ 3台长沙2008 / /7 手动试压泵/ 3台宁波2007 / /8 台钻φ13~φ151台浙江2008 1.5KW /9 液压弯管机12.7-60mm 2台武汉2007 1.0KW /10 砂轮切割机Φ400 3台浙江2008 / /11 磨光机Φ100 10台上海2007 / 5T12 冲击钻/ 3台武汉2008 / /13 手枪钻φ1.5~φ135台浙江2008 / /14 冲击钻φ30 5台徐州2009 / /15 电锤/ 6台沈阳2008 0.75KW /16 气焊机具/ 3台长沙2008 / /17 卷扬机/ 6台永康2009 / 3~5t18 千斤顶/ 5件长沙2008 / 1~10t四、钢结构主要施工机械设备需用量计划钢结构施工机械需用量计划及供应计划为根据钢结构施工建议方案建议需用量计划,实际投入量以本标段中标结果为准。
本工程拟投入的主要施工机械计划
一、挖掘机
1.悬臂挖掘机:悬臂挖掘机是工程施工中常用的挖掘机械之一,主要
用于深基坑、回填料基坑的施工以及回填料基坑、渗滤沟的施工等。
本工
程拟购入2台悬臂挖掘机,每台有功率不小于100kw,臂长不少于14m的
机型。
2.履带挖掘机:履带式挖掘机是施工场地中常见的挖掘机,适用于神
起积层、清除石砾垃圾、清理污水系统、砌筑墙壁、填埋管线等等,本工
程拟购入2台履带式挖掘机,每台有功率不小于100kw,臂长不少于14m
的机型,并配备1套有足够摩力的挖掘头。
3.挖掘机配件:本工程拟购入4台挖掘机,同时拟配备有功率不小于50kw,挖掘能力不低于500mm的液压挖掘铲,一个挖掘机对应一台液压挖
掘铲。
二、搬运机
1.滚筒搬运机:滚筒搬运机是施工现场中常用的搬运机械,主要用于
颗粒物料的搬运,本工程拟购入2台滚筒搬运机,每台功率不小于50kw,有单轴式、双轴式、多轴式其中一种结构的机型。
2.拖带搬运机:拖带式搬运机是施工现场中常用的搬运机械,主要用
于较长粗的颗粒物料的搬运,本工程拟购入2台拖带式搬运机,每台功率
不小于50kw,载重。
拟投入的主要施工机械设备计划及保证措施一、主要施工机械设备计划为了保证本项目的施工进度和质量,我们计划使用以下主要施工机械设备:1. 土方工程:我们将使用10台挖掘机进行土方开挖、运输和回填工作,以及5台装载机进行土方运输。
为了保证土方工程的进度,我们还将配备足够的翻斗车和胶轮压路机。
2. 混凝土工程:我们将使用2台混凝土搅拌机进行混凝土的制备工作,以及1台混凝土泵车进行混凝土的输送工作。
为了保证混凝土工程的质量和进度,我们还将配备足够的混凝土罐车和混凝土泵。
3. 钢筋工程:我们将使用5台钢筋弯曲机进行钢筋的加工工作,以及2台钢筋切断机进行钢筋的切割工作。
为了保证钢筋工程的质量和进度,我们还将配备足够的钢筋焊接机和钢筋绑扎机。
4. 结构工程:我们将使用1台塔式起重机进行构件的吊装工作,以及1台施工升降机进行人员物料的垂直运输工作。
为了保证结构工程的质量和进度,我们还将配备足够的脚手架和模板。
5. 装饰工程:我们将使用2台涂料喷涂机进行涂料的喷涂工作,以及1台砂浆搅拌机进行砂浆的制备工作。
为了保证装饰工程的质量和进度,我们还将配备足够的抹泥板和刷子。
二、保证措施为了保证上述施工机械设备的有效运行,我们将采取以下保证措施:1. 设备选购和验收:我们将选购符合国家质量标准的设备,并对设备进行验收,确保设备的质量和性能达到要求。
2. 设备维护和保养:我们将定期对设备进行维护和保养,确保设备的正常运行和延长设备的使用寿命。
对于重要设备,我们将建立设备档案,实行专人负责制。
3. 设备操作培训:我们将对设备操作人员进行培训,确保设备操作人员具备相应的操作技能和安全意识。
对于特种设备,我们将对设备操作人员进行专门的安全操作培训。
4. 设备安全管理:我们将制定设备安全管理制度,加强对设备的安全管理。
对于重要设备,我们将定期进行安全检查,确保设备的安全运行。
5. 设备调度和维修:我们将建立设备调度制度,确保设备能够及时到达施工现场。
拟配备本工程的主要施工机械、设备计划表拟配备本工程的主要施工机械、设备计划表本文档旨在列出拟配备本工程的主要施工机械和设备的计划表。
这将有助于确保工程的顺利进行,并提供所需的资源支持。
以下是拟配备的主要施工机械和设备列表:1. 起重机- 数量:2台- 型号:XCMG QY25K5- 承载能力:25吨- 用途:用于起吊重物、安装结构等2. 塔吊- 数量:3台- 型号:Zoomlion QTZ50- 最大起重量:5吨- 最大起升高度:40米- 用途:适用于高层建筑施工、重物起吊等3. 混凝土搅拌车- 数量:2辆- 型号:SANY SY5250GJB1- 搅拌容量:8立方米- 用途:用于混凝土搅拌和运输4. 推土机- 数量:1台- 型号:Caterpillar D6R- 最大推土能力:200千瓦- 用途:用于土地平整、挖掘和推土作业5. 挖掘机- 数量:2台- 型号:Komatsu PC200-8- 功率:110千瓦- 铲斗容量:0.9立方米- 用途:适用于土方开挖、基础工程等6. 升降机- 数量:1台- 型号:KONE MiniSpace- 最大载重量:1000千克- 最大提升高度:100米- 用途:用于运送工人和物料到施工现场的高处7. 打桩机- 数量:1台- 型号:JUNJIN JM-500C- 最大冲击力:500吨- 最大冲击频率:2200次/分钟- 用途:用于打桩、地基处理等8. 环保设备- 数量:根据环评要求配置- 包括:扬尘防护设备、噪声控制设备等- 用途:确保施工过程中的环境保护和安全以上是拟配备本工程的主要施工机械和设备的计划表。
这些设备将为工程提供必要的支持,确保施工的顺利进行。
请根据实际情况进行调整,并根据需要添加其他设备。
同时,为确保施工安全和环境保护,需要根据环评要求配置相应的环保设备。
拟投入本项目的主要机械设备情况一、机械设备投入计划根据工程施工进度和劳动力安排配备各类施工机具,并在施工实施过程中根据实际情况做进一步调整。
本工程所配备各类施工机具,均属本公司所有,在开工三天内进场,并可供本工程使用至竣工验收。
投入本工程的主要机具设备一览表装饰机具的安全操作和维护保养装饰机具的普遍使用,有利于加快施工速度,提高质量和工效,减轻操作工人的劳动强度。
但如果不能正确使用,不能遵守安全操作规程,不能很好地对施工机具进行正确的维修、保养,很容易发生机具损坏,甚至机械事故和安全事故。
所以使用装饰机具进行施工,务必严格遵守安全操作规程,及时对施工机具进行有效的良好的维护、维修和保养,避免在使用中发生事故,提高机具的利用率,延长使用寿命,降低成本支出。
一、施工机具的安全操作不同的施工机具对安全操作有不同的特殊规定和要求,以后在介绍每种机具时,对有些特殊的规定和要求另加叙述,这里只对一些共同需要遵守的操作要求作些说明。
(1)根据施工的具体条件,正确选用施工机具。
施工机具的选用必须与施工的具体条件相适应。
如动力源情况,施工部位的技术条件等。
在潮湿的环境条件下使用电动机具,应选择双绝缘的。
又比如需要在混凝土结构上开洞,到底是选用手电钻、电锤好呢,还是选择专用开孔机具或冲击钻好,这就要考虑结构的厚度,混凝土强度等级,具体施工部位,操作的方便与否等。
其原则是一要满足开孔的要求准确地在混凝土结构上开出孔,不破坏结构的其他部分;二是要有利于安全操作,保证操作人员顺利地完成开孔任务,而不发生任何机械、人身伤害。
(2)认真阅读机具的产品说明书,审核安全操作规程。
尤其是临时借用的机具,要同时借阅产品说明书和安全操作规程。
机具出厂时,都附有产品说明书,从产品说明书上要了解该机具的动力源情况,使用电源的机具,必须知道该机具适用的电压、电流等情况,同时核对现场提供的电源是否与施工机具所需的电压、电流相适应。
特殊要求的安全操作规程,操作人员必须牢记,违反操作规程很容易发生机具损坏甚至人身事故。
拟投入的主要施工机械、设备、物资计划一、劳动力配备保证工程施工的作业工人素质,投入本工程施工的特殊及重要工种等均使用我公司长期合作的、自身管理力量技术素质较强的劳动队伍。
所有工人进场时均需进行操作技术和安全知识等方面的考核和岗前培训。
各专业工种人员必须持证上岗,要求各专业班组设置兼职质量员和安全员,纳入项目质量、安全管理体系。
根据本工程施工工期安排需要,按两班制进行施工,公司将按需要抽调各专业优秀作业班组投入施工,细化专业分工,提高专业操作技术和熟练程度及分项工程施工质量。
二、劳动力的管理对现场的施工队伍进行严格的资格审查,施工班组必须配备兼职质量员,随做随清。
对已进场的队伍实施动态管理,以确保施工队伍的素质和人员相对稳定。
加强对劳务单位的管理,凡进场的劳务班组必须配备一定数量的专职协调、质量、安全的管理人员。
三、劳动力组织和管理的关键环节施工现场项目经理及主办施工员做到全盘考虑,认真学习和研究施工图纸,领会设计意图。
拟定出本工程各阶段施工所需投入的人力什么时间进场、什么时间退场,做到心中有数,在使用人力上执行竞争上岗制度。
劳动力需用量计划一、工程用材施工材料计划是按照工程合同规定,承包范围所需材料设备量编制的,所需材料按施工图实物工程量计算得出,材料的进场日期是根据综合施工网络计划中各分部分项工程施工进度计划日程分类、分期、分批进场,工程材料的计划、进货品质检验等由项目材料组负责。
二、施工周转用材为加快施工进度、保证工程质量,施工过程中将加大周转材料的投入,以防止停工待料现象的出现。
施工用材料计划由项目经理、技术负责人、施工负责人等共同提交,由材料员负责采购。
三、材料控制与管理1、物资管理机构现场项目部材料员、材料保管员在项目经理的领导下,行使材料管理职能,并实行一级供应,分级管理。
材料管理人员应按甲、乙双方签订的工程合同规定和材料分工协议,全面完成工程所需物资的供应。
2、验收入库1)一般要求进入现场的材料应按采购文件、订货合同及有关标准规范进行数量、质量和资料的验收,并做好验收记录。
拟投入的主要施工机械设备计划施工机具是保证工程施工按预期目标进行的重要保证,是加快工程进度、提高工程质量的必要手段。
为确保本工程顺利完工,达到预期的目标,本工程机械组织由公司主管生产经理亲自抓,公司机械设备部门精心组织调配,以满足工程需要。
我方承诺的主要施工机械必须在承诺的时间内准时到场。
第一节施工机械设备投入计划及组织供应施工机械设备,由项目经理部根据施工进度计划及工程量提出机械设备需用计划,公司机械设备部门依据是否满足施工需要进行审核,在公司经理统一指导下,由机械设备部门按计划组织进场,并进行安装调试,经公司安全部门、机械设备部门验收后,以确保正常使用。
一、垂直运输机械本工程平面布局复杂,根据本工程这一特点,结构施工期间现场布置1台55米臂长QTZ60塔吊及1台施工电梯,砌体、装修施工期间增设1台施工电梯。
塔吊、施工电梯主要负责本工程的垂直运输,经验算,均能完全满足本工程在施工阶段的垂直运输需要。
二、碎、砂浆施工机械整个工程的碎采用商品碎,地下室结构施工时采用2台汽车泵及1 台固定泵负责位浇筑;厂4层采用汽车泵进行碎浇筑;4层以上碎固定泵浇筑时在现场布置1台碎输送泵供应本工程的碎。
该输送泵的位置靠近施工现场道路边,能方便商品校车的进出场。
砂输送泵位置见主体施工阶段平面布置详图。
在砌块使用开始之前,砂浆搅拌机械便开始进入现场,以及随着砂浆搅拌机的砂堆场及水泥库房。
本工程砂浆搅拌机共布置2台以确保现场砂浆的使用需要。
为了确保在使用期不出现因设备故障而影响工期,我们还另行配置必要的塔吊、碎输送泵等主要设备易损配件,做到预防在先,确保工期目标的万无一失。
三、拟投入本工程的主要施工机械设备表先进办公设备与精密的仪器是确保工程质量进度的源泉,为创造经济效益,加快工程进度提供了保障平台,为此我公司特向本工地投入以下办公设备与仪器:1.主要办公设备第三节现场机械设备的管理与使用措施本工程建筑面积较大,工期较紧,故工程投入的机械设备较多,切实做好现场施工机械设备的管理与使用是保证该工程进度的一个重要环节。
拟投入的主要施工机械设备情况及主要施工机械进场时间计划由于xxxx工程量大、施工面分布广、工期紧、交叉作业多等诸多因素,在施工机具设备组织方面必须根据工期开展的实际进度与现场施工条件的具体情况,进行现场科学管理,对人力资源进行交替、穿插等合理调配,科学地安排。
1.1拟配备施工机械进场计划1.2材料试验/质检仪器设备1.3主要办公设备用量表1.4设备管理(1)机械设备在施工过程中的使用管理是机械设备管理的基本环节。
机械设备的使用管理应包括机械设备的正确选择,合理地组合使用,适时地维护和保养等环节。
这样才能使机械设备在使用过程中保持良好的工作状态,充分发挥生产效率,并延长使用寿命,保证安全生产。
(2)机械设备的正确选择施工方案是选择机械设备的依据。
在拟定施工方案时必须考虑工程环境、技术经济条件,以及供应机械设备的装饰性能。
在使用中,必须严格按照机械设备的性能规定,不允许超性能使用。
在施工方案允许的范围内,选择机械设备将考虑以下因素:机械设备的生产效率。
所有机械的生产效率必须适应工程任务的要求。
机械设备必须保证工程质量,不能由于机械设备的性能不适应而采取一些不合理的措施,因而影响工程质量。
选用轻便多功能的机械设备或稍加改装就能适应工程需要的机械设备。
机械设备的能源耗费要少,要保证工程的正常运行和资源消耗的最佳限度。
机械设备对环境的影响要小,机械噪声和排废等都会对环境产生有害的影响,必须严加控制。
合理地组合使用机械设备采用机械设备进行施工,一方面要注意发挥单机的效率,同时更应注意配套协调的组织工作,有效地发挥配套机组的作用。
在机械的使用过程中,组织协调工作是非常重要的,要制定严密的计划,合理的安排。
同时要实行岗位责任制,明确职责调动机组专职人员的积极性和责任感。
选择可靠的厂家供货保证质量选择可靠的维修厂家提供及时的维修服务和良好配件供应。
设备的日常管理是设备管理中的经常性工作。
设备投入正式使用以后就面临着一个如何管好、用好、维护好的问题。
主要施工机械设备配置计划一、主要施工机械、设备:施工机械设备是现场人、材、机三大投入的重要组成部分,施工机械配备的合理与否,直接影响着进度计划的实施、劳动力的投入及成本的降低,特别是垂直运输的配备与工程的施工进度密切相关。
为了确保本工程的进度计划得以实施,并尽可能的缩短工期,减少劳动强度和降低成本,根据本工程的实际特点和建设方的工期要求,对主要施工机械的安排如下。
主要施工机械设备一览表二、主要测量设备配备:三、主要施工机械设备进场计划:本工程所需各种大型机械设备目前均处在空闲保养阶段,我公司承诺如中标,上述机械设备均能立即开进现场组装就位,保证工程顺利进行。
四、主要施工机械设备操作规程:(一)运输机械操作规程1、严格遵守《城市和公路交通管理规则》的有关规定和不得超载。
2、运送超宽、超高和超长物件时,除严格遵守交通部门有关规定外,应事先制定妥善的运输方法和安全措施。
3、起动前,应重点检查转向机构和制动器、轮胎、气压、仪表,灯光、嗽叭、燃油,冷却水各连接件等,确认无误后,方可起动,燃油箱盖必须加锁。
4、起动前,将变速杆置于空挡位置,拉紧手刹制动器。
5、寒冷季节应彩措施使内燃机预热后再起动,不得以明火预热化油器、油管及没箱,严禁拖项起动。
6、起动后,观察各仪表指示值,检查内燃机的运转情况,待水温升到40摄氏度以上,方可起步。
7、水温未达到70摄氏度时,不得高速行驶,变速时应逐步增减,正确使用离合器,避免挂挡时齿轮撞击。
8、行驶中,如发现有异晌、异味、发热等异常情况应立即停车检查,排队故障后方可继续运行。
9、行驶中,不得把脚放在离合器踏板上,不得无故猛踩制动器。
lO、由前进挡变为倒挡或由倒挡变为前进挡时,需待车停稳后方可换挡,并观察四周无障碍物,方可倒退或前进。
11、下坡时,不得熄灭火滑行。
在坡道上停车时,除拉紧手制动器并挂好低速挡外,应将轮胎楔牢。
12、泞滑、冰雪的路面上应减速行驶,不得快速急转弯或紧急制动。
第一章拟投入主要施工机械设备及机械设备投入计划
第一节机械设备管理
第一小节机具准备
第二小节本公司针对本工程实际情况和和各专业各种工艺、工序的需要, 合理地配置先进的施工机具、设备。
挑选高水平的技术操作人员和管理人员, 最大限度的满足施工需要, 确保施工进度、安全和装饰效果。
在本工程中, 本公司配置机具设备的原则
1.贯彻机械化、半机械化和改良机具相结合的方针、重点配置中、小型和手持电动机具。
2.为充分发挥机具设备的效率, 在条件允许的情况下, 合理调整施工进度和施工质量。
3.首先配备工程中为保证施工质量和进度所必须的机具设备和能代替劳动强度大、作业条件差的机具设备。
根据施工部署, 按区段、分工种、多层次、进行机具配备, 注意施工不同的要求, 配备不同的类型的机具。
机具、设备性能要求:
先进性: 技术性能优越, 生产率高
可靠性: 在使用程中, 能保持稳定的技术性能, 可靠的运行
安全性: 使用进程中, 有安全保障性能, 便于维修保养和检查
经济性: 在满足技术和生产要求基础上, 能达到最低运行成本
环保性:在使用进程中, 噪音低, 造成环境污柒(如粉尘等)小,
耗能低
第三小节适应性: 能适应不同的作业备件, 具有一机多用功能第四小节机具的管理
第二节以“谁领用、谁保管、谁负责”的原则建立机具设备管理制度, 对机具的领用、保管、故障排除、维修保养, 存放作出明确的规定, 并监督执行。
第三节机具设备计划
拟投入本标段的主要施工设备一览表
测量检测仪器设备投入一览表。
施工主要机械设备配置计划表5.6试验设备、测量及检测仪器配置计划表5.7、周转性材料配置计划表5.8 劳动力及工种计划用量根据本工程合同工期、施工条件、施工强度等因素, 组织精干高效的施工队伍。
本工程拟调配工种齐全、技术精练的施工人员, 经过定额分析计算, 主要工种为机械操作工、钢筋工、木工、水石工、安装工、电工、普工等, 按照本工程进度计划安排施工人员按计划分批投入。
开工后若发现进度落后的工序, 立即采取措施, 增加劳动力和机械设备, 把进度落后的工序抓上去。
主要配备机械操作工40人;水石工30人;钢筋工15人;木工15人;安装工120人;电工5人;普通工人60人。
各施工阶段劳动力分配详见劳动力计划表。
劳动力计划表5.9 主要材料和水、电计划需用量根据定额分析, 本工程主要材料需用量分别为: 水泥160t;黄砂380t;碎石420t;砖198千块;水28000m3;电80000度。
主要施工方案施工方法及措施6.1主体工程施工方案本合同工程包括A厂、B厂, 每个水厂主要由泵房、管理房、管道安装及附属构筑物构成。
由于该工程涉及2个乡镇, 作业面宽阔, 相距较远, 可以根据工程不同结构特点, 分别组织平行施工。
每个性质的工程按照各自程序先土建后安装;先主后次, 先低后高的顺序施工, 局部可采用流水搭接施工。
6.2施工工艺流程6.3土方工程施工方案6.3.1土方开挖施工工艺(1)基槽开挖: 按照设计管道铺设方向设置探制网点, 在管道中心线上每隔30—50m打一木桩, 并在管线的转折点、出水口、闸阀等处地形变化较大的地方加桩, 并在桩上标注开挖深度。
基槽开挖采用机械开挖, 根据基槽大小选择1.0m3或0.6m3挖掘机配合人工修整的方法。
根据我单位从事类似工程施工经验, 结合当地土质, 管道沟土方开挖计划采用梯形断面型式开挖, 开挖边坡控制在1: 2左右, 管槽开挖深度宜使管道工作在冻土层以下, 且埋深不小于70cm, 行车道以下埋深不小于100cm。
施工机械设备配备
1施工机械化
我公司近年来加强了施工机械设备及相关实验检测仪器的更新和配套,现拥有各类机械设备及相关实验检测仪器。
2本工程机械设备配置原则
(1)、满足施工技术与施工质量的需求。
(2)、满足施工组织设计,机械配置先进合理。
(3)、重点部位优先配置。
(4)、采用先进的、新型的机械设备。
(5)、注意机械的配套使用,充分发挥其功能效率。
3拟投入本工程的主要施工机械设备
根据施工进度计划安排,综合平衡各施工作业面的设备用量,并考虑适当的备用量,力求合理使用设备资源,初步拟订投入本工程的开挖施工设备如下表。
表6-1 拟投入本工程的主要施工机械设备表。
附表一:拟投入本工程的主要施工设备表拟投入本工程的主要施工设备表序号机械或设备名称规格或型号单位数量制造年份用于施工部位备注1 挖掘机Kx135-3s 辆 5 2014 种植穴、弃土方的挖掘2 装载机ZL-50G 辆 6 2014 弃方的装运3 吊车YQ20A 辆 3 2013 乔木的吊栽4 自卸汽车YQ-300 辆15 2013 运输市场租赁5 发电机YG-Y55 台 2 2014 施工用电的供给自有6 发电机YG-Y55 台 3 2016 施工用电的供给新购7 油锯MS381 台 5 2016 大乔木的修剪新购8 油锯MS381 台 3 2014 大乔木的修剪自有9 电动打药机3WX-100H 台 1 2014 病虫害防治新购10 电动打药机3WX-100H 台 2 2016 病虫害防治自有11 水准仪DSZ3 套 2 2014 测量控制自有12 绿篱机HC-30ES 台 5 2015 灌木修剪附表二:拟配备本工程的试验和检测仪器设备表拟配备本工程的试验和检测仪器设备表序号仪器设备名称型号规格数量国别产地制造年份已使用台时数用途备注1 水准仪 1 中国2018 4 测量2 电子经纬仪ET-02 1 中国2018 4 测量3 测量标杆、塔尺、测绳、钢卷尺、卡尺等2 中国2018 4测量附表三:劳动力计划表劳动力计划表单位:人按工程施工阶段投入劳动力情况工种、级别一、二月份三月份四月份五月份六、七、八月份九、十月份十一、十二月份项目经理 1 1 1 1 1 1 1技术负责人 2 2 2 2 2 2 2植物保护工 2 2 2 2 2 2 2辖区固定绿化养护工20 35 35 35 35 35 20电工 1 1 2 2 1 1 1油漆工------- ------- 2 2 ------- ------- ------- 木工------- ------- 2 2 ------- ------- -------花卉工------- 按设计要求根据甲供花数量,合理增加安排花卉工栽摆。
拟投入的主要施工机械计划本工程为按期完工必须配备足够的施工机械才能满足和应付施工的需要。
为达到工程质量好,速度快,必须多使用机械化施工,提高机械利用率,减轻劳动强度,有利于安全生产,保证各个施工环节顺利运转。
1、拟投入本工程施工的机械设备表2、测量、计量、检测及质检仪器设备表3、主要施工机具管理措施将从组织机构、基础管理、维修保养、现场设备管理、使用管理、油料管理、设备安全管理等几方面来保证施工机具设备的良好运转。
(1)组织机构由项目副经理分管设备工作。
设设备物资部对设备进行专业管理。
设备物资部配备2名机械专业工程师。
各级设备管理人员职责明确。
定期召开设备管理工作会议,解决设备管理工作中的问题。
(2)基础管理掌握设备的动态和状况,有图板显示或建立卡片。
设备操作规程齐全,并在适当地点张贴。
设备台帐、统计报表完整、原始资料保存完好。
设备档案齐全,档案内设备履历书、操作说明书、维修手册齐全。
坚持开展设备检查、评比活动,做到有奖罚、有登记。
根据实际情况制定《现场设备管理制度》和《奖罚措施》。
(3)维修保养按要求配备设备维修人员及修理机具、检测器、仪表。
有设备保养计划,按计划落实,保养记录完整,内容有据可查。
落实设备维修费用、及时修理机械故障。
设备定检、定修、大修有计划、有措施、有验收,查有记录。
购(配)置简易检测仪器,并开展简易油水化验分析工作。
(4)施工现场设备管理上场设备配置合理,闲置设备不超过设备投入量的10%。
现场有维修保养间、机库(棚)等基础设施。
动力设备均设有机房,设备安装、各种管线布置符合规范。
机械行走道路平坦,畅通。
现场设备安装要因地制宜,合理布置,避免相互干扰,避开污染源(如水泥库、搅拌站)对设备和人员造成损害,同时要有利于人员和设备的进出,有利于防火、防洪、防坍塌等安全防范,有利于机械效率的发挥,便于操作维修。
坚持设备操作司机持证上岗和专业技术培训制度。
(5)设备使用管理设备按规定装配管理标牌和喷刷管理号码。
1.3拟配备本工程的主要施工机械、设备计划###小区智能化()项目投标本次招标的范围包括安全防范系统、信息网络子系统、配套子系统及智能化系统集成等智能化系统工程设备、材料、软件的供应及施工安装、联动调试(硬件及软件)、线缆的敷设工程及其相关服务(培训及维护等),直至整个系统能够满足设计及功能要求,通过验收合格、交付并投入正常运行使用全过程,售后服务等。
1、安全防范子系统:包括视频监控、停车场管理管理、出入口控制、可视对讲、电子巡更、电梯控制等系统;2、信息网络子系统:包括无线对讲覆盖系统、完善除运营商布设外的通讯网络、电话、电视系统;3、信息管理子系统:包括背景音乐与紧急广播、信息发布、五方通话、小区物业管理系统、智能化系统集成;4、配套子系统:包括中心机房和弱电机房建设、电子信息系统防雷与接地系统、总平智能管网等;5、综合布线:包括设备网材料、外网综合布线,以上各子系统的室内外管线路和桥架敷设等;附表一:拟投入本工程的主要施工设备表附表二:拟配备本工程的试验和检测仪器设备表赠送以下资料工程合同发包人(全称):(以下简称:甲方)承包人(全称);(以下简称:乙方)依照《中华人民共和国合同法》《中国人民共和国建筑法》及其他有关法律、行政法规,遵循平等、自愿、公平和诚实信用的原则,双方就本建设工程项目协商一致,订立本合同。
一、工程概况工程名称:工程地点:工程内容:工程立项批准文号:资金来源:二、工程承包范围:本合同全部工程建筑安装(各单项工程建筑安装面积详见工程项目一览表)。
三、合同工期开工日期:年月号竣工日期:年月号合同工期总日历天数天。
四、质量标准工程质量标准: 3五、工程造价合同总金额为人民币(大写)。
¥:(小写)(各单项工程造价详见工程项目一览表,验收合格后工程量据实结算)。
六、组成合同的文件组成本合同的文件包括:1. 招标文件及投标文件、中标通知书2.投标函及其附录3. 本合同协议书4.标准、规范及有关技术文件5.图纸及工程量清单6.工程报价单或预算书在合同订立及履行过程中形成的与合同有关的文件均构成合同文件组成部分。
上述各项合同文件包括合同当事人就该项合同文件所作出的补充和修改,属于同一类内容的文件,应以最新签署的为准。
对本合同专业术语,本协议有约定的从其约定,本协议未约定的,按照《建设工程施工合同(示范文本)》(GF-2013-0201)中通用合同条款执行。
七、乙方向甲方承诺按照合同约定进行施工、竣工并在质量保修期内承担工程质量保修责任。
甲方向乙方承诺按照合同约定的期限和方式支付合同价款。
八、工程款支付时间方式及质保金工程竣工,甲方验收合格后,甲方支付95%工程款,人民币(大写)(¥)。
剩余5%作为工程质量保证金,人民币(大写)(¥;)。
工程在质保期内(质保期:验收合格后壹年)无售后服务质量等问题,甲方一次性退还乙方(保证金不计息,质保金计算时间以甲方开具给乙方的收据日期为起始时间)。
九、开工前三天,乙方向甲方发出开工通知书。
十、在组织施工过程中,如遇下列情况,顺延工期,双方应及时进行协商,并通过书面形式确定顺延期限:1..因不可抗力原因被迫停工者;2..因甲方提出变更计划或变更施工图而不能继续施工者;3..按施工准备规定,不能提供施工场地、水、电源,道路未能畅通,障碍物未能清除,影响进场施工;4.因甲方不能按期供图、供料、供设备或其所供材料以及设备不合规格要求,被迫停工或不能顺利施工者;5.在施工中如因停电、停水8小时以上或连续间歇性停水、停电3天以上(每次连续4小时以上),影响正常施工。
十一、工期提前。
施工中如需提前竣工,双方协商一致后签订提前竣工协议,合同竣工日期可以提前。
乙方按此修订进度计划,报甲方批准。
甲方应在5天内给予批准,并为赶工提供方便条件。
提前竣工协议应该包括以下主要内容。
(1)提前的时间;(2)乙方采取的赶工措施;(3)甲方为赶工提供的条件;(4)赶工措施的经济支出和承担;(5).提前竣工收益分享。
十二、甲方在开工前应解决施工用水源和电源;并向乙方提供所有工程设计图纸;组织设计、施工单位进行工程设计交底。
十三、乙方在开工前应组织有关人员研究和熟悉图纸,参与设计交底;编好施工图预算;负责编制施工组织设计或施工方案;进行施工场地的平整,施工界区内的用水、用电、道路以及搭建施工临时设施,安排施工总进度计划,储备材料,加工构件,做好一切施工准备。
十四、乙方采购的材料、设备,必须附有产品合格证才能用于工程。
十五、本工程质量经双方研究要求达到:GB50300-2013。
十六、乙方必须严格按照施工图纸、说明文件和国家颁发的建筑工程规范、规格和标准进行施工,并接受甲方派驻代表的监督。
十七、施工与设计变更1、乙方要依据国家颁发的施工验收规范和质量检验标准以及设计要求组织施工,要全部达到合格。
2、除甲方书面同意外,乙方应该严格按照图纸施工,不得随意变更设计。
3、施工中如发现设计有错误或严重不合理的地方,乙方应以书面形式通知甲方,由甲方在7天内与原设计单位商定,提出修改或变更设计文件,经甲乙双方签订协议后,方可继续施工。
4、在施工中,如遇中途停建、缓建,甲乙双方对在建工程,应商定做好安全保障工作。
5、因政府或者财政不能按时拨付工程进度款导致中途停建、缓建,给乙方造成损失的,双方协商解决。
十八、安全施工1、乙方有责任教育工人严格执行操作规程,安全施工,防火防盗。
在施工中因乙方责任发生的伤亡事故和乙方管理不善造成的其他损失,均由乙方负责。
2、发生重大伤亡事故,乙方应按有关规定立即上报有关部门并通知甲方代表。
同时按政府有关部门要求处理。
甲方为抢救提供必要条件。
发生的费用由事故责任方承担。
3、非乙方责任造成的伤亡事故,由责任方承担责任和有关费用。
十九、工程分包1. 乙方可按协议条款约定分包部分工程。
2. 乙方与分包单位签订分包合同后,将副本送甲方代表。
分包合同与本合同发生抵触,以本合同为准。
二十、违约责任1、在合同履行过程中发生的下列情形,属于乙方违约:(1)乙方违反合同约定进行转包或违法分包的;(2)乙方违反合同约定采购和使用不合格的材料和工程设备的;(3)因乙方原因导致工程质量不符合合同要求的;(4)乙方未经批准,私自将已按照合同约定进入施工现场的材料或设备撤离施工现场的;(5)乙方未能按施工进度计划及时完成合同约定的工作,造成工期延误的;(6)乙方在缺陷责任期及保修期内,未能在合理期限对工程缺陷进行修复,或拒绝按甲方要求进行修复的;(7)乙方明确表示或者以其行为表明不履行合同主要义务的;乙方发生上述违约行为,应该承担合同总价款5%的违约金。
违约金不足以弥补实际损失的,应该承担赔偿责任。
乙方未能按照合同约定履行其他义务的,应该承担实际损失的赔偿责任。
2、乙方违反上述第(7)目约定的违约情况时,甲方有权解除合同。
合同解除后,因继续完成工程的需要,甲方有权使用乙方在施工现场的材料、设备、临时工程、乙方文件和由乙方或以其名义编制的其他文件。
甲方继续使用的行为不免除或减轻乙方应承担的违约责任。
3、因乙方违约解除合同后的按下列约定处理:合同解除后28天内完成估价、付款和清算,并按以下约定执行:(1)合同解除后,商定或确定乙方实际完成工作对应的合同价款,以及乙方已提供的材料、工程设备、施工设备和临时工程等的价值;(2)合同解除后,乙方应支付的违约金;(3)合同解除后,因解除合同给甲方造成的损失;(4)合同解除后,乙方应按照甲方要求完成现场的清理和撤离;(5)甲方和乙方应在合同解除后进行清算,出具最终结清付款证书,结清全部款项。
因乙方违约解除合同的,甲方有权暂停对乙方的付款,查清各项付款和已扣款项。
甲方和乙方未能就合同解除后的清算和款项支付达成一致的,按照争议解决的约定处理。
4、采购合同权益转让因乙方违约解除合同的,甲方有权要求乙方将其为实施合同而签订的材料和设备的采购合同的权益转让给甲方,乙方应在收到解除合同通知后14天内,协助甲方与采购合同的供应商达成相关的转让协议。
5、在履行合同过程中,因乙方原因与第三人之间发生纠纷,依照法律规定或者按照约定解决。
甲方必须参与处理的,甲方律师费由乙方承担。
6、工程未经验收,甲方提前使用或擅自动用,由此而发生的质量或其他问题,由甲方承担责任。
7、甲方无正当理由,没有按合同约定支付相关工程款的,应该承担应付款项5%的违约金。
二十一、纠纷解决办法建设工程承包合同发生纠纷时,当事人双方应及时协商,协商不成时,双方约定向签约地人民法院提起诉讼。
由败诉方承担对方的律师代理费。
二十二、合同的生效与终止1、合同一式五份,甲方四份,乙方一份。
2、本合同自双方代表签字,加盖双方公章即生效日起生效;工程竣工验收符合要求,结清工程款后终止。
3、本合同签订后,双方如需要提出修改时,经双方协商一致后,可以签订补充协议,作为本合同的补充合同。
合同签约地点:发包人:(公章)承包人:(公章)法定代表人:法定代表人;委托代理人:委托代理人:电话:电话:开户银行:开户银行:账号:账号:年月日赠送以下资料考试知识点技巧大全一、考试中途应饮葡萄糖水大脑是记忆的场所,脑中有数亿个神经细胞在不停地进行着繁重的活动,大脑细胞活动需要大量能量。
科学研究证实,虽然大脑的重量只占人体重量的2%-3%,但大脑消耗的能量却占食物所产生的总能量的20%,它的能量来源靠葡萄糖氧化过程产生。
据医学文献记载,一个健康的青少年学生30分钟用脑,血糖浓度在120毫克/100毫升,大脑反应快,记忆力强;90分钟用脑,血糖浓度降至80毫克/100毫升,大脑功能尚正常;连续120分钟用脑,血糖浓度降至60毫克/100毫升,大脑反应迟钝,思维能力较差。
我们中考、高考每一科考试时间都在2小时或2小时以上且用脑强度大,这样可引起低血糖并造成大脑疲劳,从而影响大脑的正常发挥,对考试成绩产生重大影响。
因此建议考生,在用脑60分钟时,开始补饮25%浓度的葡萄糖水100毫升左右,为一个高效果的考试加油。
二、考场记忆“短路”怎么办呢?对于考生来说,掌握有效的应试技巧比再做题突击更为有效。
1.草稿纸也要逐题顺序写草稿要整洁,草稿纸使用要便于检查。
不要在一大张纸上乱写乱画,东写一些,西写一些。
打草稿也要像解题一样,一题一题顺着序号往下写。
最好在草稿纸题号前注上符号,以确定检查侧重点。
为了便于做完试卷后的复查,草稿纸一般可以折成4-8块的小方格,标注题号以便核查,保留清晰的分析和计算过程。
2.答题要按先易后难顺序不要考虑考试难度与结果,可以先用5分钟熟悉试卷,合理安排考试进度,先易后难,先熟后生,排除干扰。
考试中很可能遇到一些没有见过或复习过的难题,不要蒙了。
一般中考试卷的题型难度分布基本上是从易到难排列的,或者交替排列。