机械设备计划表
- 格式:doc
- 大小:157.50 KB
- 文档页数:4
主要施工机械设备计划表(见下表)附表一:拟投入本工程的主要施工设备表序机械设型号数国别号备名称规格量产地1吊车QTZ401山东2挖掘机WY601日本3自卸汽车斯太尔3重汽混凝土汽41山东车泵5砂浆机HJ2001山东钢筋切断6GQ401山东机钢筋波折7GW401山东机钢筋调直8YGT6/121山东机9平刨MB105A1山东10电锯JD-4001济南11电焊机ZX7-4002上海,施工时依照工程进度计划安排进场。
额定制造用于施工部功率生产能力备注位年份KW2010 基础与主体圆满×12009 60 m3 基础圆满2009 25 m3 基础圆满2010 80m3/h 基础备用20115.5 ×基础与主体圆满1 n20115.5 ×40/min 基础与主体圆满12011 3× 1 5v/min 基础与主体圆满20117.5 ×10/min 基础与主体圆满12011 2× 12基础与主体圆满50m/h20112.5 ×基础与主体圆满12011 112KVA 基础与主体圆满×212 闪光对焊1 山东VX100机13 插入振动3ZN50 河南器20112011100×11.1 ×330/h33m/h基础与主体圆满基础与主体圆满14 打夯机HW20 1 河南15 平板振动ZW7 2 河南器16 发电机tzh-120 1 山东17 施工电梯SCD200/200J 1 山东18 混凝土输HBT60 1 湖北送泵19 混凝土喷PZ-5 1 济南射机20 电动套丝1 江苏机21 砂轮切割J3G-400A 1 杭州机22 切割机J3G-400A 2 杭州23 钻孔机SG200A 1 山东24 弯管机SWG-25 1 上海25 倒链5T 1 山东2011201120112011201120112012201120112012201120123× 1200(n.m)1.5 ×2120m/h2100×150×160m3/h10×11m3/min12基础与主体圆满主体与装修圆满主体圆满主体与装修圆满主体圆满基础圆满安装圆满安装圆满安装圆满安装圆满安装圆满安装圆满附表二:拟装备本工程的试验和检验仪器设备表序仪器设备名号称1经纬仪2水平仪3全站仪4钢卷尺5钢卷尺6磅称7塔尺8塔尺9质量检测尺检测组合工10具11砼回弹仪型号数国别规格量产地J2 1中国31中国DSNTS-312B1中国50m 1 中国5m 4 中国1000kg 1 中国5m 1 中国3m 1 中国JZC-8 1 中国JZC 1 中国ZC3-W 1 中国制造已使用用途年份台时数定位,轴线、2009垂直度引测、控制2010标高水平控制2008定位放线楼层弹线,轴2011线和标高丈量复核模板尺寸、标2011高、门窗洞口丈量复核2009配比计量标高引测、控2011制标高引测、控2010制垂直、平展检2010测平展、阴阳角2010方正等检测2011砼强度备注圆满圆满圆满圆满圆满圆满圆满圆满圆满圆满圆满12钢筋探测仪13坍落度筒14台称多功能温度15计16压力表17兆欧表接地电阻测18试仪19钳形电流表HC-GY10 1JK-WQ61M/TLD 1TCS-A 1Dtm-4911YPF 1ST2550 1ET2571 1ETCR 1钢筋间距、保中国2011护层厚度、位圆满移中国2011砼和易性圆满中国2011试验称重圆满中国2011温度、湿度圆满中国2011压力试验中国2011绝缘电阻圆满接地阻抗、接中国2011 地电阻、接地圆满电抗中国2011漏电盘问圆满一、保障进度计划所需劳动力计划及保证措施我企业技术力量雄厚,专业施工队伍齐全,企业内各个总承包企业互相协作、配合默契,拥有多方面的施工经验,为优异高效地完成该工程确定了优异的基础。
园林绿化施工机械设备配备表劳动力表本文主要介绍施工机械设备配置计划表和劳动力配备计划表。
为了保证施工质量和进度,合理配置机械设备和劳动力是非常重要的。
施工机械设备配置计划表如下:序号机械/设备/仪器名称规格型号单位数量新旧程度(%)自有租赁度备注1.工程指挥车斗容量1.7m3 辆 1 100% 临时用1.1 捷达卡特320 辆 1 100%2.土石方机械 50 台 1 100%2.1 轮胎式装载机夯击能力20~62N.m 台 2 100%2.2 履带式单斗挖掘机 250T/H 台 2 100%2.3 小型挖掘机解放、斯太尔15T 辆 2 80%2.4 打夯机徐工16T 辆 6 100%2.5 多合土搅拌设备 1T 台 1 100%3.运输机械斯蒂尔HS75 台 1 100%3.1 运输车本田6马力台 1 100%3.2 起重机斯蒂尔-FS100 台 1 100%3.3 机动翻斗车 30KW 套 1 100% 用电4.园林机械 ET-02 台 1 100%4.1 绿篱机辆 6 100%5.草坪修剪机台 2 100%5.1 割灌机台 2 100%5.2 播草器台 1 100%5.3 电源柴油发电机组台 1 100%测量仪器水准仪台 1 100%电子经纬仪台 1 100%测量标杆、塔尺、测绳、钢卷尺、卡尺等套 6 100%劳动力配备计划表如下:工种级别施工准备定点放线场地平整施工养护管理给排水技术员 2 2 40 2 1土建工 20 6 40 50 20装饰工 10 6 15 20 10瓦工 10 8 20 10 10安装工 20 2 8 20 20绿化工 2 4 2 100 5花卉工 2 1 4 60 5草坪工 2 1 2 28 1养护工 3 1 1 20 1电焊工 2 1 1 5 1管道工 5 1 1 20 1电工 1 1 1 2 1驾驶员 1 1 1 3 1机械师 1 1 1 2 1测量员 1 1 1 5 1质检员 1 1 1 1 1经济员 1 1 1 1 1统计员 1 1 1 1 1劳务人员 40 20 60 200 60根据本标段具体特点结合各施工队伍的具体情况,合理安排工期和人员的调配,以满足业主要求。
主要施工机械、机具设备表及计划————————————————————————————————作者:————————————————————————————————日期:机械设备进退场计划表序号机械设备名称型号规格台数产地制造年份功率(kw)生产能力进场时间1 载重汽车2 机动翻斗车3 自卸汽车站4 打夯机5 井架卷扬机6 张拉卷扬机7 钢筋对焊机8 钢筋弯曲机9 钢筋切断机10 交流孤焊机11 砼搅拌机12 砂浆搅拌机13 插入式振动器14 平板振动器15 氧割设备16 小圆锯17 钻床18 冲击电钻19 石材切割机20 柴油发电机21 塔吊22 泵送机23 空压机24劳动力计划表工种工程施工所需投入劳动力情况(单位:人)4月5月6月7月8月9月10月11月12月1月木工细木钢筋砼工架子油漆防水机械电焊水管电工普工合计检测设备计划表序号型号数量进场日期退场日期1、经纬仪J2 1台2003年2 月2004年8 月2、水准仪2台2003年2月2004年8 月3、坠准仪1台2003年2月2004年8 月4、磅称5台2003年3 月2005年3 月5、天秤称2台2003年3 月2005年3 月6、钢卷尺5米12把2003年3 月2005年3 月7、钢卷尺50米3把2003年3 月2005年3 月8、游标卡尺4把2003年3 月2005年3 月9、坍落度筒2只2003年3 月2005年3 月10、工程检查尺7把2003年3 月2005年3 月11、吊线锤10公斤10只2003年5月2005年3 月12、湿度计1只2003年5 月2005年3 月13、温度计2只2003年5 月2005年3 月14、砼抗压试模150×150×150 5组2003年5 月2004年9 月15、砼抗渗试模2组2003年5 月2004年9月16、砂浆抗压试模3组2003年5 月2005年3月机械设备进退场计划表序号型号功率数量进场日期退场日期1、载重汽车7 辆2003年4月2005年3月2、机动翻斗车8 辆2003年4月2005年3月3、塔吊TN11 40kw 4 台2003年5月2005年3月4、平板振动器ZB11 1.5 10 台2003年5月2005年3月5、井架卷扬机JJIK-3 7.5 4 台2003年8月2005年3月6、张拉卷扬机JJZ-1 7.0 3 台2003年5月2004年8月7、钢筋对焊机UN-100 60KVA 2 台2003年5月2004年8月8、钢筋弯曲机WJ40 3.0 3 台2003年5月2004年8月9、钢筋切断机QJ40 2.8 2 台2003年5月2004年8月10、交流孤焊机BX3-300-2 20 2 台2003年5月2005年3月11、自卸汽车站5T 12台2003年5月2005年3月12、插入式振动器XZ50c 1.5 15台2003年5月2005年3月13、打夯机HZD250 4.0 1 台2003年4月2005年3月14、小圆锯MJ106 5.5 2 台2003年4月2005年3月15、冲击电钻博士 1.0 7 台2003年4月2005年2月16、石材切割机QGJ-500 5.5 1 台2003年8月2005年2月18、柴油发电机2B0150KW 1 台2003年4月2005年2月19、抽水机 4.0 10 台2003年5月2005年2月20、高速井架1t 15 2 台2003年5月2005年3月21、砂浆搅拌机 3.0 8 台2003年4月2005年3月22、空压机15 1 台2003年5月2005年3月23、氧割设备 2 套2003年5月2005年3月24、钢筋弯箍机GJ4/12 4台2003年5月2004年8月25、施工电梯SCD100/100A 1台2003年11月2005年3月26、人货电梯1台2003年5月2005年3月27、砼搅拌机30 2台2003年5月2005年3月28、钻床 2.5 12台2003年5月2005年3月主要材料进场计划表材料名称型号、规格单位数量备注钢材(T)4070.29水泥(T)11499.73木材(m3)5384.23砂(m3)6933砾石(m3)12549中砖(千块)220标砖(千块)128SBS卷材(㎡)6083钢管(千米)209防火门(㎡)1035铝合金门、窗(100㎡)83塑料给水管(千米)55塑料排水管(千米)10外墙涂料(kg)25278碎石防火窗m3)56212(个)450机械设备进退场计划表序号型号功率(KW)数量进场日期退场日期1、蛙式夯土机HW-60 2.5 3台2003年4月2005年3月2、塔式起重机QT50/2A 55.5 2台2003年4月2005年3月3、卷扬机JJM-5 11 3台2003年5月2005年3月4、砼搅拌机J-250 5.5 2台2003年5月2005年3月5、灰浆搅拌机UJ325 3 4台2003年8月2005年3月6、插入式振动器HZ6X-30 1.1 10台2003年5月2005年3月7、平板式振动器PZ-501 0.5 6台2003年5月2005年3月8、钢筋调直机GJ8-8/4 5.5 2台2003年5月2005年3月9、张拉卷扬机JJZ-1 7.0 2台2003年5月2005年3月10、钢筋对焊机UN-100 60KVA 2台2003年6月2005年3月11、钢筋切断机GJ5-40 7 3台2003年6月2005年3月12、钢筋弯曲机GJ7-45 2.8 3台2003年6月2005年3月13、交流电孤焊BX3-300-2 23.4 1台2003年6月2005年3月14、直流电焊机AX4-300-1 10 4台2003年8月2005年3月15、木工圆锯机MJ106 5.5 6台2003年8月2005年2月16、抽水机HZJ-40 4.0 10台2003年8月2005年2月18、施工外用电梯上海76-Ⅱ11 1台2003年4月2005年2月19、冲击电钻博士 1.0 2台2003年5月2005年2月20、石材切割机QGJ-500 5.5 1台2003年5月2005年3月21、柴油发电机2B0150KW 1台2003年4月2005年3月22、空压机YXK-30M 22 1台2003年5月2005年3月23、载重汽车15T 6台2003年5月2005年3月24、机动翻斗车5T 6台2003年5月2005年3月25、自卸汽车5T 5台2003年5月2005年3月。
房屋修缮工程施工机械计划表以下是修缮工程施工机械计划表,其中包括设备名称、型号规格、数量、国别制造年、额定功率和生产能力等信息:序号设备名称型号规格数量国别制造年额定功率生产能力1 圆锯木工机2 台日本 2012 1150W 良好2 砂轮切割机3 台日本 2013 430W 良好3 万能木工机 SDQ-307 15 台国产 2013 1380W 良好4 曲线锯5 台日本 2013 50W 良好5 射钉枪6 台国产 2012 1.2焦良好6 冲击钻 JIZ-MH60 26 台国产 2012 600W 良好7 手电钻 MIQ-MH-65 35 台日本 2013 240W 良好8 机梳机 JLC型F30 30 台日本 2013 520W 良好9 大小锣机 P-622 Φ3-Φ5mm 12 台国产 2013 430W 良好10 施工检测工具 VV-0.3 16 台国产 2012 0.4-0.7-Mpa 良好11 单钉枪 24 台国产 2012 0.4-0.7-Mpa 良好12 纹钉枪 22 台国产 2012 12mm 良好13 拉钉枪 18 台国产 2012 3 良好14 空气压缩机 PALMA 2012/2013 16 台台湾 2013 15 良好15 气钉枪 MIA-MH-6 20 台国产 2012 20 良好16 风批 15 台国产 2012 15 良好17 电刨 6 台国产 2012 26 良好18 台钻 26 台国产 2012 35 良好19 开孔器 30 台国产 2013 30 良好20 大风泵 12 台国产 2013 12 良好21 小风泵 16 台国产 2013 16 良好22 卷板机 24 台国产 2012 18 良好23 弯管机 22 台国产 2012 16 良好24 总配电箱 18 台国产 2012 20 良好25 分配电箱 16 台国产 2012 22 良好26 手提云石切割机 PTK14 20 台日本 2012 13 良好27 手提抛光机 M311-111 13 台台湾 2013 18 良好28 手提磨光机 9710U 18 台日本 2013 18 良好29 水磨抛光机 JK-16 24 台国产 2013 - 良好30 云石磨光机Φ45 22 台日本 2013 - 良好31 水力云石切割机 W-0.9-8Kg 18 台国产 2013 - 良好32 云石毕孔机 W-0.5-8Kg 16 台国产 2012 - 良好这份计划表详细列出了各种设备的数量、国别制造年、额定功率和生产能力等信息,以便施工人员根据需要选择合适的设备进行修缮工程。
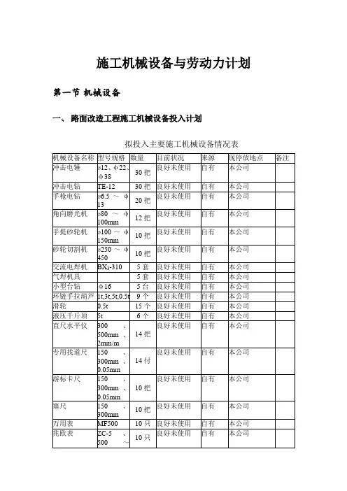
施工机械设备与劳动力计划第一节机械设备一、路面改造工程施工机械设备投入计划拟投入主要施工机械设备情况表二、装修改造工程施工机械设备投入计划1、定人定机,实行机械使用、保养责任制,将机械设备的使用效益与个人经济利益联系起来。
2、特种设备的机操人员必须持有效的特种设备操作证作业。
3、现场环境、施工平面布置应满足机械作业的要求,施工路线畅通无障碍,施工照明良好。
4、操作人员要严格执行机械设备操作规程和机械设备维护保养制度,按时进行设备维护保养。
5、操作工作要坚持“清洁、紧固、调整、润湿、防腐”“十字”作业。
运转中发出异常,要及时停机检修,不得带病运转作业。
6、机械设备要杜绝“三违”(违章操作、违章指挥、违反劳动纪律)现象,确保机械设备按规程和使用说明书要求作业。
三、电梯工程施工机具及检测设备仪器的配置第二节劳动力计划一、劳动力计划1、劳动力素质构成及特点(1)参建队伍将抽调思想好、身体健康、具有丰富施工经验的职工组成,人员素质构成比例技工占70%,其中高级技工占30%。
(2)工人均从事过类似工程的施工,经验丰富、技术过硬、素质较高。
(3)管理层人员精干高效、年富力强,在以往类似工程施工中工作优异。
(4)技术人员均具有较高的理论水平和深厚的技术功底,接受能力强,工作作风严谨。
(5)进场人员先进行安全生产、质量意识、施工规范、操作规程、验收标准、治安消防、法则法规、文明施工、安全维护、环境保护等教育和培训。
根据需要配备的特种作业人员全部持证上岗。
2、劳务人员分类选择第一类为专业性较强的技术工种,包括机操工、机修工、电工、焊工等。
这些人员均具有丰富的施工经验,持有相应上岗操作证及特种作业上岗证。
组织时优先选派曾参与过类似工程施工的职工。
第二类为熟练技术工种,包括木工、钢筋工、混凝土工、砌筑工、抹灰工、防水工等。
这些人员主要以来自施工过类似工程的劳务公司为主。
第三类为非技术工种,此类人员均来自长期与我单位合作的成建制劳务公司,进场人员均具备相当素质。
机械加工生产计划明细表---------------------------------------------------------------------------项目编号:MJC-2024-001项目名称:汽车零部件生产计划时间:2024年1月1日-2024年12月31日---------------------------------------------------------------------------序号产品名称计划数量计划日期所需原材料机械设备生产工艺工时1发动机1001月1日-1月15日铝、钢铁机床、车床铣削、钻孔40小时2制动器5001月16日-2月28日铝、碳素冲床、车床压铸、钻孔30小时3底盘2003月1日-4月15日铝、钢铁机床、车床铣削、热压50小时4转向系统3004月16日-5月31日钢铁、橡胶机床、车床钻孔、搅拌35小时5电子控制系统1506月1日-7月15日电子元器件焊接设备、测试设备焊接、测试25小时6空调系统2507月16日-8月31日铝、塑料注塑机、测试设备注塑、测试30小时7轮胎&排气系统4009月1日-10月15日橡胶、钢铁模具、注塑设备注塑、模具45小时8内饰10010月16日-11月30日皮革、布料缝纫机、切割机裁剪、缝纫20小时9外观5012月1日-12月31日粉末喷涂材料喷涂设备、测试设备喷涂、测试15小时注:以上计划时间仅为参考,具体调整视实际情况而定。
所需原材料和机械设备可以根据实际供应情况进行调整。
生产工艺和工时可以根据项目进展和技术要求进行适当调整。
机械加工生产计划明细表的制定有助于组织和管理机械加工生产过程,确保生产计划的执行和顺利进行。
通过明细表可以清晰地记录和跟踪每个项目的进展情况,以及所需的原材料和设备,从而保证生产进度和产品质量的控制。
同时,明细表也可以为生产部门和供应链提供参考,以便进行资源的分配和协调。
施工机械投入计划表
主要施工机械设备配置原则
施工机械化水平的高低,不仅体现企业的技术装备实力,而且对施工进度、生产成本、劳动效率具有重要影响,因此,必须重视机械配置和选型问题。
本着“技术先进,满足需求,性能可靠,适当备用”的原则对本标段的设备进行配备,确保满足施工生产需要,全项目设备由项目经理根据施工的不同阶段,按照保重点促一般的要求统一调配、合理使用,确保控制工程顺利施工。
根据本标段实际情况和采用的施工工艺合理配备机械设备。
储备一定数量、型号常用机械配件,并与生产厂家签订配件供应合同,保证设备维修保养及时恢复,保证设备完好。
主要施工机械设备管理制度
根据公司有关《物资机械管理办法》,本工程施工机械采取以下制度,不断提高完好率和利用率,最大限度的发挥机械化优势。
岗位责任制度。
人机固定制度。
持证上岗制度。
交接班制度。
设备检查和维修保养制度。
安全操作制度。
主要施工机械设备进场计划
接到中标通知书后,立即将全站仪、水准仪、经纬仪等测量设备运至现场,施工中用的机械设备根据工程进度安排进场时间,并安装调试好,确保每台机械设备都运行良好,满足施工需要。
其中土方机械在桩基快结束前进场,塔吊在桩基快结束前立好,保证基础施工的使用。
快速提升架在主体结构施工完毕后或装修施工前立好,保证机械设备及时投入使用,有效保证工期。
主要施工机械设备配置计划一、主要施工机械、设备:施工机械设备是现场人、材、机三大投入的重要组成部分,施工机械配备的合理与否,直接影响着进度计划的实施、劳动力的投入及成本的降低,特别是垂直运输的配备与工程的施工进度密切相关。
为了确保本工程的进度计划得以实施,并尽可能的缩短工期,减少劳动强度和降低成本,根据本工程的实际特点和建设方的工期要求,对主要施工机械的安排如下。
主要施工机械设备一览表二、主要测量设备配备:三、主要施工机械设备进场计划:本工程所需各种大型机械设备目前均处在空闲保养阶段,我公司承诺如中标,上述机械设备均能立即开进现场组装就位,保证工程顺利进行。
四、主要施工机械设备操作规程:(一)运输机械操作规程1、严格遵守《城市和公路交通管理规则》的有关规定和不得超载。
2、运送超宽、超高和超长物件时,除严格遵守交通部门有关规定外,应事先制定妥善的运输方法和安全措施。
3、起动前,应重点检查转向机构和制动器、轮胎、气压、仪表,灯光、嗽叭、燃油,冷却水各连接件等,确认无误后,方可起动,燃油箱盖必须加锁。
4、起动前,将变速杆置于空挡位置,拉紧手刹制动器。
5、寒冷季节应彩措施使内燃机预热后再起动,不得以明火预热化油器、油管及没箱,严禁拖项起动。
6、起动后,观察各仪表指示值,检查内燃机的运转情况,待水温升到40摄氏度以上,方可起步。
7、水温未达到70摄氏度时,不得高速行驶,变速时应逐步增减,正确使用离合器,避免挂挡时齿轮撞击。
8、行驶中,如发现有异晌、异味、发热等异常情况应立即停车检查,排队故障后方可继续运行。
9、行驶中,不得把脚放在离合器踏板上,不得无故猛踩制动器。
lO、由前进挡变为倒挡或由倒挡变为前进挡时,需待车停稳后方可换挡,并观察四周无障碍物,方可倒退或前进。
11、下坡时,不得熄灭火滑行。
在坡道上停车时,除拉紧手制动器并挂好低速挡外,应将轮胎楔牢。
12、泞滑、冰雪的路面上应减速行驶,不得快速急转弯或紧急制动。
施工主要机械设备配置计划表5.6试验设备、测量及检测仪器配置计划表5.7、周转性材料配置计划表5.8 劳动力及工种计划用量根据本工程合同工期、施工条件、施工强度等因素, 组织精干高效的施工队伍。
本工程拟调配工种齐全、技术精练的施工人员, 经过定额分析计算, 主要工种为机械操作工、钢筋工、木工、水石工、安装工、电工、普工等, 按照本工程进度计划安排施工人员按计划分批投入。
开工后若发现进度落后的工序, 立即采取措施, 增加劳动力和机械设备, 把进度落后的工序抓上去。
主要配备机械操作工40人;水石工30人;钢筋工15人;木工15人;安装工120人;电工5人;普通工人60人。
各施工阶段劳动力分配详见劳动力计划表。
劳动力计划表5.9 主要材料和水、电计划需用量根据定额分析, 本工程主要材料需用量分别为: 水泥160t;黄砂380t;碎石420t;砖198千块;水28000m3;电80000度。
主要施工方案施工方法及措施6.1主体工程施工方案本合同工程包括A厂、B厂, 每个水厂主要由泵房、管理房、管道安装及附属构筑物构成。
由于该工程涉及2个乡镇, 作业面宽阔, 相距较远, 可以根据工程不同结构特点, 分别组织平行施工。
每个性质的工程按照各自程序先土建后安装;先主后次, 先低后高的顺序施工, 局部可采用流水搭接施工。
6.2施工工艺流程6.3土方工程施工方案6.3.1土方开挖施工工艺(1)基槽开挖: 按照设计管道铺设方向设置探制网点, 在管道中心线上每隔30—50m打一木桩, 并在管线的转折点、出水口、闸阀等处地形变化较大的地方加桩, 并在桩上标注开挖深度。
基槽开挖采用机械开挖, 根据基槽大小选择1.0m3或0.6m3挖掘机配合人工修整的方法。
根据我单位从事类似工程施工经验, 结合当地土质, 管道沟土方开挖计划采用梯形断面型式开挖, 开挖边坡控制在1: 2左右, 管槽开挖深度宜使管道工作在冻土层以下, 且埋深不小于70cm, 行车道以下埋深不小于100cm。
主要施工机械设备计划表(见下表),施工时根据工程进度计划安排进场。
附表一:拟投入本工程的主要施工设备表一、保障进度计划所需劳动力计划及保证措施我公司技术力量雄厚,专业施工队伍齐全,集团内各个总承包公司互相协作、配合默契,具有多方面的施工经验,为优质高效地完成该工程奠定了良好的基础。
本工程体量大、质量要求高,除配备施工管理经验丰富、组织能力强的项目班子外,还必须投入技术精湛、作风过硬、曾参加过同类工程建设的施工力量。
根据本工程的承包内容和特点,我集团计划由我集团劳务公司统一协调组织,投入土建结构施工队、防水施工队、装饰装修施工队、管道安装施工队、设备工程施工队、电气工程施工队、给排水施工队、架工队等施工作业队。
本工程劳动力组织安排按施工准备、基础工程、主体结构、装饰装修等不同阶段,分别考虑和安排。
根据本工程特点,合理划分施工段,每个区段包括土建结构施工队、防水施工队、装饰装修施工队、管道安装施工队、设备工程施工队、电气工程施工队、给排水施工队、架工队;为保证施工质量,提高效率,便于核算,作业班组应保持相对稳定,并隶属于项目部统一安排、统筹调度。
我公司将该工程列为重点工程,直接从我公司的劳务公司中调配素质高、人数充足的各类专业施工人员人员进场施工。
如果施工过程中出现个别工种人员不能满足需要时,随时进行更换或者重新调配人员。
我单位有着善打硬仗的优良传统,保证农忙、节假日不放假,其措施:不放假、不停工,具体措施如下:1、工人尽可能使用自有职工;2、做好职工的思想政治工作,个人利益服从企业,信守"献身、实干、进取、守信"的企业精神;3、全体动员,进行重点工程教育,使全体职工在两收期间集中精力,想工程所想,干工程所干。
4、树立全员质量、工期意识,从思想上确保工程按期交付业主使用。
5、与职工订立两收期间劳动力合同,制定详细的劳动力稳定措施,以保证切实可行。
首先解决好工人的后顾之忧,由总公司解决一线家在农村的施工人员的家庭收入问题,使前方工人能安心一线建筑工作。
机械设备投入计划
5.3施工机械的维修及养护
1.3.1各种设备、车辆都必须认真进行日常维护保养。
5.3.2设备、车辆外表保持清洁无油污,无黄袍,表面无水泥结
渣,砂粒等杂物,各转动机构清洁无尘垢。
6.3.3按规范加润滑油,油质可靠,保持油表、油跟、油毡、油线、油咀完整清洁,过路畅通。
7.3.4设备附件,专用工具完整齐全,照明装置、操作零件、指示牌完整无损,各电气接地装置安全可靠。
8.3.5实行周末重点保养制,检查时,如发现有不合格者,按规定作罚款处理。
5.4施工机械设备的布置
5.4.1施工机械设备布置的原则
1根据现场的总工程量及工程特点,配备充足的施工机械。
但注意施工机械
的合理布置,防止设备工时浪费。
2对大型施工机械的需求量和时间,向公司内部有关设备科联系,提早安排进场时间,并做好现场准备工作。
5.4.2施工机械布置
搅拌机械布置在搅拌站处;垂直运输机械布置于建筑物旁,其余机械设备全线流动施工。
机械设备投入计划1 机械设备计划布置施工期间的机械布置主要为塔吊、井架、搅拌机、输送泵、钢筋加工机械、木工加工机械等。
1、塔吊的布置本工程共投入2台塔吊,塔吊安装在地基处理阶段提前安装,以提高工程施工效率,加快施工进度。
塔吊基础采用承载式基础。
2、混凝土输送泵的布置本工程共投入3台混凝土拖式混凝土泵,统一调配使用。
根据流水作业的进度,混凝土泵浇筑混凝土。
3、外用电梯的布置根据总体部署和进度计划,结构施工到中期阶段,在每栋楼中各设置一台双笼电梯,用于砌块、砂浆等材料的垂直运输。
2 大型机械的选择拟投入的主要施工机械设备表5.3 主要计量器具配备:施工进度计划和施工进度、施工工期的保证措施1 施工进度计划进度计划详见后附表--施工进度计划图表。
2 施工进度、施工工期的保证措施为保证计划的如期完成,我们将把该工程作为本公司重点工程,委派一名公司领导作为该工程的总协调,参加每月度施工协调会议,同时选派具有类似工程管理经验的施工总承包项目经理担任该工程的施工总承包项目经理,再配置施工经验丰富的项目副经理、项目总工程师等专业技术管理人员,组成强有力的施工总承包项目经理部。
在绝对保证工程质量和安全的前提下,充分利用施工空间和时间,合理安排工序,科学组织各工序的立体立叉作业。
对各专业施工队伍实施严格的管理控制。
各专业队伍进场后,必须根据施工总承包项目经理部总进度计划编制各专业施工进度计划,各分包单位必须参加施工总承包项目经理部定期或不定期召开的生产例会,把每天存在的问题以及需要协调的问题落实解决。
如因某专业队伍影响总进度计划关键工期,则要求其编制追赶计划,采取相应措施并实施。
严格工序施工质量,确保一次验收合格,杜绝返工,以一次成优的施工过程,获取缩短工期的效果。
建筑施工综合性强,牵涉面广,可能因难以预见的因素而拖延工期。
尤其在装修、安装阶段,为保证工期,应在结构施工阶段就对装修材料、做法进行认定,选定材料,确定样板,进行落实。