(完整版)华东电力设计院汽水管道支吊架设计手册
- 格式:doc
- 大小:81.01 KB
- 文档页数:9
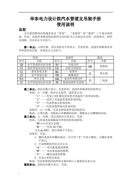
华东电力设计院汽水管道支吊架设计手册使用讲明总则支吊架的整体结构通常是由“管部”、“连接件”和“根部”三个部分所组成,管部、连接件和根部的结构型式均以标号方式表达其名称、结构型式、材料及规格,具本表示方式如下:第二单元:阿拉伯数字表示,代表管部、连接件和根部的结构型式管部:占一位数,除弯头支架外,通常表示为:“1”——代表≤555摄氏度各种介质温度下的管部结构;“2”——适用于无保温管道的管部结构;“3”——代表焊接式管部结构。
“4”——代表加强焊接式管部结构。
连接件:占一位数,代表各种连接件的结构型式。
根部:占两位数,奇数表示单槽钢的结构,偶数表示双槽钢的结构。
第三单元:占一位数,用汉语拼音字母表示,代表管部:与管道表面接触部分所使用的管部材料:“H”——代表合金钢;“R”——代表20号钢;当为A3钢时,则可省略不予表示。
连接件:代表:1.螺纹连接件的螺纹旋向,以字母“Z”代表左螺纹,右螺纹者则不表示:2.中部弹簧组件的支吊方式“A”——单吊板连接的弹簧;“B”——双吊架连接的弹簧;“C”——螺纹连接的弹簧。
3.未表示者则无要求。
根部:代表悬臂梁结构和简支梁结构与土建梁的支承方式:管部:管子的外径(毫米)连接件:1.拉杆及其附件和标准件的直径(毫米)和拉杆的长度(毫米);2.弹簧编写及其冷态荷载(公斤力);3.滚筒的直径(毫米);4.其他连接件的编号。
根部:表示编号及支吊点距离(毫米)和要紧型钢的长度(毫米)。
第五单元:占一位数,用汉语拼音字母表示,代表:管部:1.表示荷载等级:“Q”——轻荷载;“Z”——重荷载;“J”——减震支架管夹。
2.表示支架支座上的专门要求,当支座上需要带有聚四氟乙烯板作滑动材料时,应注明有“F”字样。
连接件:表示支承底板的专门要求,同“管部(2)”根部:空白。
各种管部、连接件和根部型号的具体表达方式,可参阅本手册中各种结构型式的“标记示例”。
本手册所使用的单位,除专门标明外,分不是长度——毫米(mm)面积——平方毫米(mm2)重量——公斤(kg)荷载——公斤力(kgf)力矩——公斤力—米(kgf---m)设计方面一、管部1.手册中的“管部”适用于555摄氏度蒸汽和265摄氏度水及以下介质温度的汽水管道,关于油、气管道亦可使用。
《火力发电厂汽水管道支吊架设计手册83版》是一本经典的工程设计手册,对于火力发电厂汽水管道的支吊架设计提供了详尽的指导和规范。
本文将通过对该手册的全面评估和深度探讨,帮助读者更好地理解其中的内容和要点。
1. 对《火力发电厂汽水管道支吊架设计手册83版》的评估1.1 内容概述该手册系统地介绍了火力发电厂汽水管道支吊架的设计原理、材料选用、结构形式、安装要求等内容,涵盖了工程实践中的基本要求和关键技术。
通过对其内容的梳理和总结,可见该手册内容全面,逻辑严谨。
1.2 专业性《火力发电厂汽水管道支吊架设计手册83版》是一本经典的专业性工程手册,其内容涵盖了大量的工程知识和实践经验,具有较高的专业性和可操作性。
对于从事火力发电厂汽水管道工程设计和施工的工程师和技术人员来说,具有很高的参考价值。
1.3 实用性该手册所介绍的内容不仅理论知识丰富,而且贴近实际工程应用,对于解决实际工程中的设计和施工难题具有很高的实用性和指导意义。
读者可以通过学习该手册,将其中的理论知识应用于实际项目中,提高设计和施工水平。
2. 以简入繁,深入探讨《火力发电厂汽水管道支吊架设计手册83版》2.1 原理和规范手册中详细介绍了汽水管道支吊架设计的理论原理和相关规范,包括静载和动载下的受力分析、材料强度和刚度计算、支吊架结构形式选用等内容。
这为工程师在实际设计中提供了系统的理论指导和依据。
2.2 材料选用手册对汽水管道支吊架所使用的材料进行了详细的介绍和评估,包括金属材料、橡胶材料等,对其性能要求和使用注意事项进行了系统说明。
这对工程师在实际采购和使用材料时提供了重要的参考依据。
2.3 结构形式根据实际工程中的需求和条件,手册对不同结构形式的支吊架进行了分类和介绍,并对其优缺点进行了比较分析。
这为工程师在实际设计中选择合适的支吊架结构形式提供了依据。
2.4 安装要求手册对汽水管道支吊架的安装要求和注意事项进行了系统的阐述,包括安装位置、固定方式、防腐要求等内容。
火力发电厂汽水管道支吊架设计手册一、引言火力发电厂汽水管道支吊架设计是火力发电厂建设中的重要组成部分,具有着至关重要的作用。
在火力发电厂中,汽水管道是承载着巨大压力和热力的设备,因此其支吊架设计需要十分严谨和精准。
本文将从火力发电厂汽水管道支吊架设计的基本要求、设计原则、常见问题及解决方法等方面进行详细探讨。
二、基本要求1. 承受力:汽水管道支吊架的设计要求能够承受管道本身的重量,以及其中流体的重量和压力,确保管道在运行过程中不会出现位移或者变形。
2. 热膨胀:由于汽水管道在运行过程中会受热膨胀影响,因此支吊架设计需要考虑管道的热膨胀问题,减少热膨胀造成的影响。
3. 安全可靠:支吊架设计需要具备良好的安全性和可靠性,确保在各种特殊情况下,如地震、台风等自然灾害,管道能够正常运行并不会造成人员伤亡或者设备损坏。
三、设计原则1. 合理布局:在设计支吊架时,需要根据汽水管道的布局和走向,合理地设置支吊架的位置和数量,保证整个管道系统能够稳定地受力。
2. 选材精准:在支吊架的材料选用上,需根据管道的工作条件和环境特点,选择合适的材料,如钢材和橡胶制品等,以确保支吊架能够承受住各种外界作用力。
3. 结构稳固:支吊架的结构设计需要稳固可靠,能够承受管道在运行过程中的各种力,包括静载、动载和风载等,保证管道系统的安全运行。
四、常见问题及解决方法1. 热膨胀问题:在管道运行过程中,由于温度变化,管道会出现热膨胀,导致支吊架的受力情况发生变化。
解决方法是在支吊架设计中考虑热膨胀因素,采用伸缩支架或者设置补偿器等措施。
2. 振动问题:管道在运行时会受到流体和设备振动的影响,需要在支吊架设计中加入减振措施,如设置减振器或者增加支吊架的刚度和强度。
3. 材料老化:支吊架作为长期承受载荷的设备,容易出现材料老化和疲劳断裂等问题,因此需要定期检测和维护,确保支吊架的可靠性和安全性。
五、个人观点和理解火力发电厂汽水管道支吊架设计是一个综合性的工程问题,需要考虑材料、结构、热力学等多个方面的因素。
华东电力设计院汽水管道支吊架手册使用说明总则支吊架的整体结构通常是由“管部”、“连接件”和“根部”三个部分所组成,管部、连接件和根部的结构型式均以标号方式表达其名称、结构型式、材料及规格,具本表示方式如下:第一单元:占两位数,用汉语拼音字母表示,代表管部、连接件和根部各零件和部件的名称,具体表示方式如下:第二单元:阿拉伯数字表示,代表管部、连接件和根部的结构型式管部:占一位数,除弯头支架外,通常表示为:“1”——代表≤555摄氏度各种介质温度下的管部结构;“2”——适用于无保温管道的管部结构;“3”——代表焊接式管部结构。
“4”——代表加强焊接式管部结构。
连接件:占一位数,代表各种连接件的结构型式。
根部:占两位数,奇数表示单槽钢的结构,偶数表示双槽钢的结构。
第三单元:占一位数,用汉语拼音字母表示,代表管部:与管道表面接触部分所使用的管部材料:“H”——代表合金钢;“R”——代表20号钢;当为A3钢时,则可省略不予表示。
连接件:代表:1.螺纹连接件的螺纹旋向,以字母“Z”代表左螺纹,右螺纹者则不表示:2.中部弹簧组件的支吊方式“A”——单吊板连接的弹簧;“B”——双吊架连接的弹簧;“C”——螺纹连接的弹簧。
3.未表示者则无要求。
根部:代表悬臂梁结构和简支梁结构与土建梁的支承方式:第四单元:用阿拉伯数字表示,代表:管部:管子的外径(毫米)连接件:1.拉杆及其附件和标准件的直径(毫米)和拉杆的长度(毫米);2.弹簧编写及其冷态荷载(公斤力);3.滚筒的直径(毫米);4.其他连接件的编号。
根部:表示编号及支吊点距离(毫米)和主要型钢的长度(毫米)。
第五单元:占一位数,用汉语拼音字母表示,代表:管部:1.表示荷载等级:“Q”——轻荷载;“Z”——重荷载;“J”——减震支架管夹。
2.表示支架支座上的特殊要求,当支座上需要带有聚四氟乙烯板作滑动材料时,应注明有“F”字样。
连接件:表示支承底板的特殊要求,同“管部(2)”根部:空白。
支吊架零部件目录使用说明-------------------------------------------------------------------------------------------------1 管部、连接件、根部索引----------------------------------------------------------------------------5 组装示意图----------------------------------------------------------------------------------------------11 管部-------------------------------------------------------------------------------------------------------16 连接件----------------------------------------------------------------------------------------------------63 根部-------------------------------------------------------------------------------------------------------88 附录一、焊接符号表----------------------------------------------------------------------------------------131二、螺纹吊杆允许荷载-------------------------------------------------------------------------------131三、钢材基本许用应力-------------------------------------------------------------------------------131四、管道支吊架间接表-------------------------------------------------------------------------------132五、管道断面力学性质-------------------------------------------------------------------------------158六、根部材料表----------------------------------------------------------------------------------------160七、弹簧系列特性数据表----------------------------------------------------------------------------184八、常用武钢特性数据表----------------------------------------------------------------------------186九、吊杆长度计算有关尺寸参考表----------------------------------------------------------------192使用说明编制说明一、适用范围:1.容量:30万瓩及以下的机组。
火力发电厂汽水管道应力计算技术规定SDGJ6—90主编部门:能源部华东电力设计院批准部门:能源部电力规划设管理局施行日期:1991年3月1日能源部电力规划设计管理局关于颁发SDGJ6—90《火力发电厂汽水管道应力计算技术规定》的通知(90)电规技字第44号为适应电力建设发展的需要,我局委托华东电力设计院对原SDGJ6—78《火力发电厂汽水管道应力计算技术规定》进行了修订。
经组织审查,现批准颁发SDGJ6—90《火力发电厂汽水管道应力计算技术规定》为行业标准,自1991年3月1日起执行,原颁发的SDGJ6—78《火力发电厂汽水管道应力计算技术规定》同时停止执行。
各单位在执行过程中如发现不妥或需要补充之处,请随时函告我局及负责日常管理工作的华东电力设计院。
1990年5月5日第一章总则第1.0.1条管道应力计算的任务是:验算管道在内压、自重和其他外载作用下所产生的一次应力和在热胀、冷缩及位移受约束时所产生的二次应力,以判明所计算的管道是否安全、经济、合理以及管道对设备的推力和力矩是否在设备所能安全承受的范围内。
第1.0.2条本规定适用于以低碳钢、低合金钢和高铬钢为管材的火力发电厂汽水管道的强度计算。
第1.0.3条管道的热胀应力按冷热态的应力范围验算。
管道对设备的推力和力矩按在冷状态下和在工作状态下可能出现的最大值分别进行验算。
第1.0.4条恰当的冷紧可以减少管道运行初期的热态应力和管道对端点的热态推力,并可减少管系的局部过应变。
冷紧与验算的应力范围无关。
第1.0.5条进行管系的挠性分析时,可假定整个管系为弹性体。
第1.0.6条使用本规定进行计算的管道,其设计还应遵守《火力发电厂汽水管道设计技术规定》。
管道零件和部件的结构、尺寸、加工等,应符合《汽水管道零件及部件典型设计》的要求。
第二章钢材的许用应力第2.0.1条钢材的许用应力,应根据钢材的有关强度特性取下列三项中的最小值:σ20b/3,σt s/1.5或σt s(0.2% )/1.5,σt D/1.5其中σ20b——钢材在20℃时的抗拉强度最小值(MPa);σt s——钢材在设计温度下的屈服极限最小值(MPa);σt s(0.2%)——钢材在设计温度下残余变形为0.2%时的屈服极限最小值(MP a);σt D——钢材在设计温度下的105h持久强度平均值(MPa)。
华东电力设计院汽水管道支吊架手册使用说明总则支吊架的整体结构通常是由“管部”、“连接件”和“根部”三个部分所组成,管部、连接件和根部的结构型式均以标号方式表达其名称、结构型式、材料及规格,具本表示方式如下:第一单元:占两位数,用汉语拼音字母表示,代表管部、连接件和根部各零件和部件的名称,具体表示方式如下:第二单元:阿拉伯数字表示,代表管部、连接件和根部的结构型式管部:占一位数,除弯头支架外,通常表示为:“1”——代表≤555摄氏度各种介质温度下的管部结构;“2”——适用于无保温管道的管部结构;“3”——代表焊接式管部结构。
“4”——代表加强焊接式管部结构。
连接件:占一位数,代表各种连接件的结构型式。
根部:占两位数,奇数表示单槽钢的结构,偶数表示双槽钢的结构。
第三单元:占一位数,用汉语拼音字母表示,代表管部:与管道表面接触部分所使用的管部材料:“H”——代表合金钢;“R”——代表20号钢;当为A3钢时,则可省略不予表示。
连接件:代表:1.螺纹连接件的螺纹旋向,以字母“Z”代表左螺纹,右螺纹者则不表示:2.中部弹簧组件的支吊方式“A”——单吊板连接的弹簧;“B”——双吊架连接的弹簧;“C”——螺纹连接的弹簧。
3.未表示者则无要求。
根部:代表悬臂梁结构和简支梁结构与土建梁的支承方式:第四单元:用阿拉伯数字表示,代表:管部:管子的外径(毫米)连接件:1.拉杆及其附件和标准件的直径(毫米)和拉杆的长度(毫米);2.弹簧编写及其冷态荷载(公斤力);3.滚筒的直径(毫米);4.其他连接件的编号。
根部:表示编号及支吊点距离(毫米)和主要型钢的长度(毫米)。
第五单元:占一位数,用汉语拼音字母表示,代表:管部:1.表示荷载等级:“Q”——轻荷载;“Z”——重荷载;“J”——减震支架管夹。
2.表示支架支座上的特殊要求,当支座上需要带有聚四氟乙烯板作滑动材料时,应注明有“F”字样。
连接件:表示支承底板的特殊要求,同“管部(2)”根部:空白。
本手册作标准设计(修改本)用根据1983年5月20日水利电力部电力规划设计院(83)水电电规技字第39号文“关于发送一九八三年电力设计标准化计划项目的通知”,本手册应正名为“汽水管道支吊架标准设计”。
考虑到生产施工实践尚不充分,故定名为手册,并作“汽水管道支吊架标准设计”(修改本)使用,待在工程中总结经验并进行必要修改后再正式报此为标准设计。
水利电力部西北电力设计院一九八三年七月西安前言在电站汽水管道的设计和安装中支吊架是一项相当重要的工作。
随着机组容量和参数的提高,对支吊架的功能及型式也提出了新的要求:除承受管道自重的一般支吊架型式外,还产生了限制管道位移的限位装置,保持管道在冷热状态时支吊点的荷载恒定不变的恒力支吊架,以及防止或减缓管道振动的减振器等。
支吊架设计得好坏,及结构型式选用得恰当与否将影响管道(特别是高温高压管道)的应力状态和管道的安全运行。
支吊架工厂化专业生产是电力工业高速发展的一个重要措施。
它不仅提高了劳动生产率、加快管道的安装速度,而且保证了支吊架制造质量。
本手册系根据原电力部建设总局<80>火电技字第23号文和原电力部机械制造局<81>机计字第52号文下达的由我院负责,兰州电力修造厂配合的“火电厂汽水管道支吊架结构型式研究”项目进行编制的。
本手册的内容分两部分:第一部分:支吊架零部件及附录;第二部分:特殊用途支吊架装置(恒力支吊架、限位装置及减振器)支吊架零部件目录使用说明-------------------------------------------------------------------------------------------------1管部、连接件、根部索引----------------------------------------------------------------------------5组装示意图----------------------------------------------------------------------------------------------11管部-------------------------------------------------------------------------------------------------------16连接件----------------------------------------------------------------------------------------------------63根部-------------------------------------------------------------------------------------------------------88附录一、焊接符号表----------------------------------------------------------------------------------------131二、螺纹吊杆允许荷载-------------------------------------------------------------------------------131三、钢材基本许用应力-------------------------------------------------------------------------------131四、管道支吊架间接表-------------------------------------------------------------------------------132五、管道断面力学性质-------------------------------------------------------------------------------158六、根部材料表----------------------------------------------------------------------------------------160七、弹簧系列特性数据表----------------------------------------------------------------------------184八、常用武钢特性数据表----------------------------------------------------------------------------186九、吊杆长度计算有关尺寸参考表----------------------------------------------------------------192使用说明编制说明一、适用范围:1.容量:30万瓩及以下的机组。
本手册作标准设计(修改本)用根据1983年5月20日水利电力部电力规划设计院(83)水电电规技字第39号文“关于发送一九八三年电力设计标准化计划项目的通知”,本手册应正名为“汽水管道支吊架标准设计”。
考虑到生产施工实践尚不充分,故定名为手册,并作“汽水管道支吊架标准设计”(修改本)使用,待在工程中总结经验并进行必要修改后再正式报此为标准设计。
水利电力部西北电力设计院一九八三年七月西安前言在电站汽水管道的设计和安装中支吊架是一项相当重要的工作。
随着机组容量和参数的提高,对支吊架的功能及型式也提出了新的要求:除承受管道自重的一般支吊架型式外,还产生了限制管道位移的限位装置,保持管道在冷热状态时支吊点的荷载恒定不变的恒力支吊架,以及防止或减缓管道振动的减振器等。
支吊架设计得好坏,及结构型式选用得恰当与否将影响管道(特别是高温高压管道)的应力状态和管道的安全运行。
支吊架工厂化专业生产是电力工业高速发展的一个重要措施。
它不仅提高了劳动生产率、加快管道的安装速度,而且保证了支吊架制造质量。
本手册系根据原电力部建设总局<80>火电技字第23号文和原电力部机械制造局<81>机计字第52号文下达的由我院负责,兰州电力修造厂配合的“火电厂汽水管道支吊架结构型式研究”项目进行编制的。
本手册的内容分两部分:第一部分:支吊架零部件及附录;第二部分:特殊用途支吊架装置(恒力支吊架、限位装置及减振器)支吊架零部件目录使用说明-------------------------------------------------------------------------------------------------1 管部、连接件、根部索引----------------------------------------------------------------------------5 组装示意图----------------------------------------------------------------------------------------------11 管部-------------------------------------------------------------------------------------------------------16 连接件----------------------------------------------------------------------------------------------------63 根部-------------------------------------------------------------------------------------------------------88 附录一、焊接符号表----------------------------------------------------------------------------------------131二、螺纹吊杆允许荷载-------------------------------------------------------------------------------131三、钢材基本许用应力-------------------------------------------------------------------------------131四、管道支吊架间接表-------------------------------------------------------------------------------132五、管道断面力学性质-------------------------------------------------------------------------------158六、根部材料表----------------------------------------------------------------------------------------160七、弹簧系列特性数据表----------------------------------------------------------------------------184八、常用武钢特性数据表----------------------------------------------------------------------------186九、吊杆长度计算有关尺寸参考表----------------------------------------------------------------192使用说明编制说明一、适用范围:1.容量:30万瓩及以下的机组。
上海宝钢工程技术有限公司工程项目设计阶段管道支吊架设计手册第1版二○○七年十一月编审人员名单负责人:智西巍技术负责人:潘仲编写人:陆志毅、贺道红三维编写:华跃、滕彦审查人:王晓东、姜创业、张志义、张淑贵、顾德俊、周光升、庄国伟、徐支越、胡倩、瞿大元、葛生浩、薛炳才前言 (1)第1章概要 (2)1.1 管道支吊架分类 (2)1.2 管道系统分级 (2)1.3 管道支吊架的构成 (3)1.4 支吊架管部结构的公称尺寸系列表和管部结构最小内径表 (3)1.5 支吊架间距 (3)1.6 管道支吊架工作荷载和设计荷载 (6)1.7 吊杆 (8)1.8 辅助钢结构 (9)1.9 塑料管道支吊架 (9)第2章支吊架管部、连接件和根部图示 (12)第3章管部、连接件和根部配合表 (16)第4章使用说明 (18)4.1 支吊架管部、连接件和根部编号说明 (18)第5章支吊架管部、连接件和根部详细尺寸 (20)为了使公司各项目中管道支吊架设计更加经济、快捷、统一、合理,特制定本手册。
本手册适用于宝钢工程技术有限公司所承担项目中轧钢专业、公辅热力专业、给排水专业、化产专业的管道支吊架设计、采购、制作和安装全过程。
本标准编写过程中主要参考宝钢工程技术有限公司内轧钢专业、公辅热力专业、给排水专业、化产专业,以及华东电力设计院支吊架设计手册(84年版)和国家标准GB/T 17116-1997中支吊架设计的内容。
本手册的设计原则是基于支吊架的特性将其分成三部分,包括管部、根部和中间连接件。
该手册将为公司购买的支吊架三维设计软件PlantSpace SupportModeler提供支吊架三维数据库建库依据。
本手册编写过程中参考了大量设计手册及文献,能较好的保证手册的质量和实用性。
但是由于引用标准以及资料有限,文中不足之处在所难免,还需各位设计同仁指正。
第1章概要1.1 管道支吊架分类管道支吊架(pipe supports and hanger)包括用以承受管道荷载,限制管道位移,控制管道振动,并将荷载传递至承载结构上的各类组件或装置(以下简称“支吊架”)。
浅析电厂热力管道支吊架问题李凯;周元超;刘征远【摘要】随着火力发电企业单台机组容量的不断增加,汽水系统参数逐步升高,甚至超临界参数也被广泛采用.热力管道的耐压耐温性能一直是关注的重点,其实管道支吊技术也应该得到足够的重视,支吊架一旦出现问题,则热力管道的安全运行就无法得到保障.管道支吊技术是管道技术的重要组成部分,是专门研究和解决正确合理地对管道支承、悬吊、限位或固定的技术,是控制管系的应力水平及其对设备的推力和力矩、保证管道和设备长期安全运行的技术,涉及管道支吊架的设计、制造、安装、调整、维护等方面的内容.【期刊名称】《中州大学学报》【年(卷),期】2018(035)002【总页数】4页(P125-128)【关键词】热力管道;支吊架;支承;悬吊;限位【作者】李凯;周元超;刘征远【作者单位】国家电投集团河南电力有限公司技术信息中心,郑州450001;华润电力控股有限公司东南分公司,福州350001;国家电投集团河南电力有限公司开封发电分公司,河南开封475001【正文语种】中文【中图分类】TK223.2目前我国火力发电机组单机容量已经发展到1000MW或者更大容量,机组的汽水参数已经发展到超(超)临界参数,必然对安全提出更高的要求,除了应重视热力管道耐温耐压等特性外,对热力管道起到支吊和固定作用的支吊系统也应该得到足够的重视。
管道支吊架包括用以承受管道荷载、限制管道位移和控制管道振动,并将荷载传递至承载结构上的各类组件或装置。
支吊架包括:从下面支承管道的“支架”,其构件主要受压;从上方悬吊管道的“吊架”,其构件主要受拉。
在许多情况下,支架或吊架的构件同时承受拉伸和压缩荷载。
1 概述火力发电企业支吊架的设计、制造主要参照国家标准GB/T 17116.1-1997《管道支吊架》,该规范中规定的材料许用应力主要是参照美国标准MSS SP-58 (1993)《管道支吊架——材料、设计和制造》 (已于 2002 年对许用应力进行了修订)制定的,而GB/T 17116.1-1997《管道支吊架》尚未升版。
华东电力设计院汽水管道支吊架手册使用说明总则支吊架的整体结构通常是由“管部”、“连接件”和“根部”三个部分所组成,管部、连接件和根部的结构型式均以标号方式表达其名称、结构型式、材料及规格,具本表示方式如下:第一单元:占两位数,用汉语拼音字母表示,代表管部、连接件和根部各零件和部件的名称,具体表示方式如下:第二单元:阿拉伯数字表示,代表管部、连接件和根部的结构型式管部:占一位数,除弯头支架外,通常表示为:“1”——代表≤555摄氏度各种介质温度下的管部结构;“2”——适用于无保温管道的管部结构;“3”——代表焊接式管部结构。
“4”——代表加强焊接式管部结构。
连接件:占一位数,代表各种连接件的结构型式。
根部:占两位数,奇数表示单槽钢的结构,偶数表示双槽钢的结构。
第三单元:占一位数,用汉语拼音字母表示,代表管部:与管道表面接触部分所使用的管部材料:“H”——代表合金钢;“R”——代表20号钢;当为A3钢时,则可省略不予表示。
连接件:代表:1.螺纹连接件的螺纹旋向,以字母“Z”代表左螺纹,右螺纹者则不表示:2.中部弹簧组件的支吊方式“A”——单吊板连接的弹簧;“B”——双吊架连接的弹簧;“C”——螺纹连接的弹簧。
3.未表示者则无要求。
根部:代表悬臂梁结构和简支梁结构与土建梁的支承方式:第四单元:用阿拉伯数字表示,代表:管部:管子的外径(毫米)连接件:1.拉杆及其附件和标准件的直径(毫米)和拉杆的长度(毫米);2.弹簧编写及其冷态荷载(公斤力);3.滚筒的直径(毫米);4.其他连接件的编号。
根部:表示编号及支吊点距离(毫米)和主要型钢的长度(毫米)。
第五单元:占一位数,用汉语拼音字母表示,代表:管部:1.表示荷载等级:“Q”——轻荷载;“Z”——重荷载;“J”——减震支架管夹。
2.表示支架支座上的特殊要求,当支座上需要带有聚四氟乙烯板作滑动材料时,应注明有“F”字样。
连接件:表示支承底板的特殊要求,同“管部(2)”根部:空白。
华东电力设计院汽水管道支吊架手册使用说明总则支吊架的整体结构通常是由“管部”、“连接件”和“根部”三个部分所组成,管部、连接件和根部的结构型式均以标号方式表达其名称、结构型式、材料及规格,具本表示方式如下:第一单元:占两位数,用汉语拼音字母表示,代表管部、连接件和根部各零件和部件的名称,具体表示方式如下:第二单元:阿拉伯数字表示,代表管部、连接件和根部的结构型式管部:占一位数,除弯头支架外,通常表示为:“1”——代表≤555摄氏度各种介质温度下的管部结构;“2”——适用于无保温管道的管部结构;“3”——代表焊接式管部结构。
“4”——代表加强焊接式管部结构。
连接件:占一位数,代表各种连接件的结构型式。
根部:占两位数,奇数表示单槽钢的结构,偶数表示双槽钢的结构。
第三单元:占一位数,用汉语拼音字母表示,代表管部:与管道表面接触部分所使用的管部材料:“H”——代表合金钢;“R”——代表20号钢;当为A3钢时,则可省略不予表示。
连接件:代表:1.螺纹连接件的螺纹旋向,以字母“Z”代表左螺纹,右螺纹者则不表示:2.中部弹簧组件的支吊方式“A”——单吊板连接的弹簧;“B”——双吊架连接的弹簧;“C”——螺纹连接的弹簧。
3.未表示者则无要求。
根部:代表悬臂梁结构和简支梁结构与土建梁的支承方式:第四单元:用阿拉伯数字表示,代表:管部:管子的外径(毫米)连接件:1.拉杆及其附件和标准件的直径(毫米)和拉杆的长度(毫米);2.弹簧编写及其冷态荷载(公斤力);3.滚筒的直径(毫米);4.其他连接件的编号。
根部:表示编号及支吊点距离(毫米)和主要型钢的长度(毫米)。
第五单元:占一位数,用汉语拼音字母表示,代表:管部:1.表示荷载等级:“Q”——轻荷载;“Z”——重荷载;“J”——减震支架管夹。
2.表示支架支座上的特殊要求,当支座上需要带有聚四氟乙烯板作滑动材料时,应注明有“F”字样。
连接件:表示支承底板的特殊要求,同“管部(2)”根部:空白。
华东电力设计院汽水管道支吊架手册使用说明总则支吊架的整体结构通常是由“管部”、“连接件”和“根部”三个部分所组成,管部、连接件和根部的结构型式均以标号方式表达其名称、结构型式、材料及规格,具本表示方式如下:第一单元:占两位数,用汉语拼音字母表示,代表管部、连接件和根部管部:占一位数,除弯头支架外,通常表示为:“1”——代表≤555摄氏度各种介质温度下的管部结构;“2”——适用于无保温管道的管部结构;“3”——代表焊接式管部结构。
“4”——代表加强焊接式管部结构。
连接件:占一位数,代表各种连接件的结构型式。
根部:占两位数,奇数表示单槽钢的结构,偶数表示双槽钢的结构。
第三单元:占一位数,用汉语拼音字母表示,代表管部:与管道表面接触部分所使用的管部材料:“H”——代表合金钢;“R”——代表20号钢;当为A钢时,则可省略不予表示。
3连接件:代表:1.螺纹连接件的螺纹旋向,以字母“Z”代表左螺纹,右螺纹者则不表示:2.中部弹簧组件的支吊方式“A”——单吊板连接的弹簧;“B”——双吊架连接的弹簧;“C”——螺纹连接的弹簧。
3.未表示者则无要求。
根部:代表悬臂梁结构和简支梁结构与土建梁的支承方式:第四单元:用阿拉伯数字表示,代表:管部:管子的外径(毫米)连接件:1.拉杆及其附件和标准件的直径(毫米)和拉杆的长度(毫米);2.弹簧编写及其冷态荷载(公斤力);3.滚筒的直径(毫米);4.其他连接件的编号。
根部:表示编号及支吊点距离(毫米)和主要型钢的长度(毫米)。
第五单元:占一位数,用汉语拼音字母表示,代表:管部:1.表示荷载等级:“Q”——轻荷载;“Z”——重荷载;“J”——减震支架管夹。
2.表示支架支座上的特殊要求,当支座上需要带有聚四氟乙烯板作滑动材料时,应注明有“F”字样。
连接件:表示支承底板的特殊要求,同“管部(2)”根部:空白。
各种管部、连接件和根部型号的具体表达方式,可参阅本手册中各种结构型式的“标记示例”。
附件1 技术规范1 总则1.1 本技术规范用于xxxx“上大压小”新建项目工程的四大管道(包括主蒸汽管道、高压旁路管道、高温再热蒸汽管道、低压旁路管道、低温再热蒸汽管道、高压给水管道(含汽泵再循环管道)、高旁减温水、以及主汽和热段管道的暖管、疏水管道,以下简称(四大管道))支吊架支吊架。
它提出了四大管道支吊架的功能设计、结构、性能、安装和试验等方面的技术要求。
锅炉厂供货范围内的四大管道支吊架由锅炉厂负责,不属于本次招标范围。
1.2 本技术规范提出的是最低限度的技术要求,并未对一切技术要求做出详细规定,也未充分引述有关标准和规范的条文,投标方应提供一套满足本招标文件和所列标准要求的高质量产品及其相应服务。
对国家有关安全、环保等强制性标准,投标方必须满足其要求。
在签订合同之后,招标方保留对本规范书提出补充要求和修改的权力,投标方应承诺予以配合。
如提出修改,具体项目和条件由买卖双方商定。
1.3 投标方如对本招标文件有偏差(无论多少或微小)都必须清楚地表示在本招标文件的“技术差异表”中。
否则招标人将认为投标方完全接受和同意本招标文件的要求。
禁止更改本招标书内各条款序号。
1.4 投标人对四大管道支吊架(包括附件)负有全责,包括分包(或采购)的产品。
分包(或采购)的产品制造商应事先征得招标方的认可。
1.5 本技术规范书所使用的标准,如遇与投标方所执行标准发生矛盾时,按较高标准执行。
投标方在设备设计和制造中所涉及的各项规程、规范和标准必须遵循现行最新标准版本。
1.6 在合同签订后,按本招标文件的要求,投标方提出合同设备的设计、制造、检验/试验、装配、安装、调试、试运、验收试验、运行和维护等标准清单给招标方,由招标方确认。
招标方有权因协议、标准、规程发生变化而提出一些补充要求,具体内容双方共同商定。
1.7 投标设备采用的专利涉及到的全部费用均被认为已包含在设备报价中,投标方保证招标方不承担有关设备专利的一切责任。
火力发电厂汽水管道应力计算技术规定SDGJ6—90主编部门:能源部华东电力设计院批准部门:能源部电力规划设管理局施行日期:1991年3月1日能源部电力规划设计管理局关于颁发SDGJ6—90《火力发电厂汽水管道应力计算技术规定》的通知(90)电规技字第44号为适应电力建设发展的需要,我局委托华东电力设计院对原SDGJ6—78《火力发电厂汽水管道应力计算技术规定》进行了修订。
经组织审查,现批准颁发SDGJ6—90《火力发电厂汽水管道应力计算技术规定》为行业标准,自1991年3月1日起执行,原颁发的SDGJ6—78《火力发电厂汽水管道应力计算技术规定》同时停止执行。
各单位在执行过程中如发现不妥或需要补充之处,请随时函告我局及负责日常管理工作的华东电力设计院。
1990年5月5日r′第一章总则第管道应力计算的任务是:验算管道在内压、自重和其他外载作用下所产生的一次应力和在热胀、冷缩及位移受约束时所产生的二次应力,以判明所计算的管道是否安全、经济、合理以及管道对设备的推力和力矩是否在设备所能安全承受的范围内。
第本规定适用于以低碳钢、低合金钢和高铬钢为管材的火力发电厂汽水管道的强度计算。
第管道的热胀应力按冷热态的应力范围验算。
管道对设备的推力和力矩按在冷状态下和在工作状态下可能出现的最大值分别进行验算。
第恰当的冷紧可以减少管道运行初期的热态应力和管道对端点的热态推力,并可减少管系的局部过应变。
冷紧与验算的应力范围无关。
第进行管系的挠性分析时,可假定整个管系为弹性体。
第使用本规定进行计算的管道,其设计还应遵守《火力发电厂汽水管道设计技术规定》。
管道零件和部件的结构、尺寸、加工等,应符合《汽水管道零件及部件典型设计》的要求。
第二章钢材的许用应力第钢材的许用应力,应根据钢材的有关强度特性取下列三项中的最小值:σ20b/3,σt s/1.5或σt/1.5,σt D/1.5其中σ20b——钢材在20℃时的抗拉强度最小值(MPa);σt s——钢材在设计温度下的屈服极限最小值(MPa);σt s(0.2%)——钢材在设计温度下残余变形为0.2%时的屈服极限最小值(MP a);σt D——钢材在设计温度下的105h持久强度平均值(MPa)。
华东电力设计院汽水管道支吊架手册使用说明总则支吊架的整体结构通常是由“管部”、“连接件”和“根部”三个部分所组成,管部、连接件和根部的结构型式均以标号方式表达其名称、结构型式、材料及规格,具本表示方式如下:第一单元:占两位数,用汉语拼音字母表示,代表管部、连接件和根部各零件和部件的名称,具体表示方式如下:第二单元:阿拉伯数字表示,代表管部、连接件和根部的结构型式管部:占一位数,除弯头支架外,通常表示为:“1”——代表≤555摄氏度各种介质温度下的管部结构;“2”——适用于无保温管道的管部结构;“3”——代表焊接式管部结构。
“4”——代表加强焊接式管部结构。
连接件:占一位数,代表各种连接件的结构型式。
根部:占两位数,奇数表示单槽钢的结构,偶数表示双槽钢的结构。
第三单元:占一位数,用汉语拼音字母表示,代表管部:与管道表面接触部分所使用的管部材料:“H”——代表合金钢;“R”——代表20号钢;当为A3钢时,则可省略不予表示。
连接件:代表:1.螺纹连接件的螺纹旋向,以字母“Z”代表左螺纹,右螺纹者则不表示:2.中部弹簧组件的支吊方式“A”——单吊板连接的弹簧;“B”——双吊架连接的弹簧;“C”——螺纹连接的弹簧。
3.未表示者则无要求。
根部:代表悬臂梁结构和简支梁结构与土建梁的支承方式:第四单元:用阿拉伯数字表示,代表:管部:管子的外径(毫米)连接件:1.拉杆及其附件和标准件的直径(毫米)和拉杆的长度(毫米);2.弹簧编写及其冷态荷载(公斤力);3.滚筒的直径(毫米);4.其他连接件的编号。
根部:表示编号及支吊点距离(毫米)和主要型钢的长度(毫米)。
第五单元:占一位数,用汉语拼音字母表示,代表:管部:1.表示荷载等级:“Q”——轻荷载;“Z”——重荷载;“J”——减震支架管夹。
2.表示支架支座上的特殊要求,当支座上需要带有聚四氟乙烯板作滑动材料时,应注明有“F”字样。
连接件:表示支承底板的特殊要求,同“管部(2)”根部:空白。
各种管部、连接件和根部型号的具体表达方式,可参阅本手册中各种结构型式的“标记示例”。
本手册所使用的单位,除特殊标明外,分别是长度——毫米(mm)面积——平方毫米(mm2)重量——公斤(kg)荷载——公斤力(kgf)力矩——公斤力—米(kgf---m)设计方面一、管部1.手册中的“管部”适用于555摄氏度蒸汽和265摄氏度水及以下介质温度的汽水管道,对于油、气管道亦可使用。
选用时应根据管道运行时的介质温度选择合适的钢材。
2.“管部”中的PMAX值系指在介质温度下所允许的最大了承载能力。
因此应根据管道在不同的运行工况下可能出现的最大荷载选择使用。
当选用有“荷载等级”的结构时,应根据管道的设计荷载正确选用。
当水平管道支吊架的设计荷载超过于荷载超过手册中允许的最大荷载时,除可缩短支吊架的设计跨距外,尚可按图1所表示的方法选择使用。
3.在吊架拉杆偏移角≤4度时,“管部”中的吊架结构强度已考虑到由于管道水平位移所产生的水平力的影响,当吊架拉杆长度较短时和支架有较大的水平位移时,应将支吊架进行偏移安装,偏移安装值和偏移安装方向应在设计方件中标明。
4.对于高温高压管道和水平力要求严格控制的支架,应在支架的支座底面和滑动、导向底板的表面装设聚四氟乙烯板作滑动材料以减少水平力的产生。
5.手册中的部份“管部”除可作支吊架的管部结构外,还可作减震支架和限位支架的管部结构。
6.焊接式管部(个别结构型式除外)一般使用在介质温度≤350摄氏度的管道上,与非焊接式管部并存。
为了减少现场焊接和加快施工进度,在一般情况下应优先选用非焊接式管部结构。
7.在进行支吊架整体结构设计时,应遵循本手册《管部、连接件、根部配合表》中所指定的搭配原则选择使用。
二、连接件8.本手册中的吊架连接件,大部份采用螺纹连接结构,选用时要特别注意左螺纹的使用,谨防搭配错误。
为了防上止螺纹连接发生松脱,因此在螺纹连接处必须装设扁螺母予以锁紧。
9.当吊架的根部与管部之间无拉杆长度调节措施时,一般应装设“花篮螺丝”。
“花篮螺丝”应装设在便于调节的地方。
10.本手册对每种直径的拉杆编制了10种标准长度,可以组合成以分米进位的任何长度的拉杆。
例如,拉杆长度为2200mm.。
当拉杆直径为Ø12~Ø20时,l=2000+200当拉杆直径为Ø24~Ø80时,l=1500+700拉杆与拉杆之间通常采用“连接螺母”连接。
“连接螺母”没有调节长度的作用。
11.在任何情况下,确定拉杆长度应留有一定的安装和调节裕度。
当拉杆与花篮螺丝配合时,拉杆的计算长度按下列原则确定:例:拉杆直径Ø48,设L=3136,则l1+l2为3000mm可选用l1-l2=1500mm;或l1=1000mml2=2000mm当拉杆与中间弹簧配合时,拉杆的计算长度按下列原则确定:12.当拉杆与槽钢的垫板直接配合时,为减小拉杆的局部应力,通常应装设球面垫圈。
拉杆端部露出的长度不小于表5所示的尺寸。
13.当吊架的拉杆长度无法满足管道的水平位移时,除进行偏移安装外,在管道应力许可的情况下,可装设限位支架,在水平位移很大而又无法解决时,还可以装设单向或双向“滚动滑车”。
14.在减震支架的支撑杆摆动角度较大的情况,一般应装设万向接头,以改善支撑杆和根部的受力状况。
15.恒力弹簧具有承受位移大,荷载稳定的优点,一般当串联两只长弹簧后尚无法满足管道的垂直位移时应选用恒力弹簧为宜。
三、根部16.本手册中以槽钢拼装的“根部”结构,均以普通热轧槽为强度计算依据,因此,在设计选用时,不得以轻型槽钢代替,否则,必须进行强度校核。
16.各种类型的“根部”,系根据其规定的受力情况进行强度计算,如作为导向支架或固定支架时,应根据该支架受力的具体情况进行强度复核。
18.根部预埋件的位置、大小及厚度必须满足所选用的根部的几何尺寸、施焊面积和焊缝高度的需要。
19.对于钢筋混凝土结构的厂房,应优先采用带有预埋件的焊接结构根部,只有在无预埋件的条件下,才考虑采用螺纹结构的根部。
20.在荷载相同、同样受力的条件下,应优先采用双槽钢结构;在条件许可、特别是荷载较大的情况下,应优先采用“三角架”结构型式,少采用“悬臂梁”结构型式。
21.除结构特殊需要外,一般应力求避免在型钢上开孔,以确保构件的强度。
当必须开孔时,应视具体情况采取必要的补强措施。
22.当在单槽钢结构下翼悬吊荷载时,应用槽钢补强板进行补强。
四.其他23.支吊架零件、部件的开列,对于“管部”和“连接件”均以“件”为单位开列数量“根部”则可参阅本手册附录“根部材料明细表”开列具体的型钢规格及数量。
24.使用本手册的“管部”、“连接件”和“根部”所组合成的支吊架整体结构的组装图示例和表格化的表达方式,可参阅附录“支吊架表格化和整体组装图示例。
”施工方面25.安装前应对现场的支吊架零件及部件进行质量验收,并核对到货的规格和数量是否与设计部门所开列的相符。
必要时应进行分类,分项保管,防止在安装时弄错。
26.在进行支吊架整体组装时,施工人员将支吊架零件及部件按支吊架组装图或表格所规定的顺序进行组合搭配,防止上下左右搭配错误。
27.在安装有水平位移的支吊架时,应注意水平位移的方向,并根据设计提出的要求进行偏移安装。
27.对于高温管道的“管部”凡需要与主管道焊接时,其焊接的工艺及热处理的技术要求,均应与主管道相同,对于垂直管道管夹式吊架,其支撑板的受力点应焊接在主管道截面的同一水平面上,以确保每块支撑板均能起到支承管道重量的作用。
28.在安装带有聚四氟乙烯板的“管部”和“连接件”时必须注意以下几点要求:聚四氟乙烯板可以在-180摄氏度+250摄氏度的温度范围内长期使用,摩擦系数极低,是良好的滑动材料。
然而,聚四氟乙烯板材料不能直接触明火,当温度高至+415摄氏度以上时即产生热老化,将激剧分解成有有剧毒气体,因此使用该材料时必须确保不得超过热老化的温度界限,以免发生中毒等意外事故。
在加工聚四氟乙烯材料时,一般车削速度不宜太快,加工时禁止吸烟,避免四氟粉与火接触吸入体内。
在支吊架安装时最好在焊接工作量结束后再装配聚四氟乙烯板,当无法满足上述条件时,在施焊过程中,可聚四氟乙烯板的表面用石棉布等隔热材妥善复盖,以防止电焊熔渣溅落在四氟板上。
本手册中管部配置的聚四氟乙烯板的厚度为1.5毫米,连接件配置的聚四氟乙烯板的厚度为4毫米。
聚四氟乙烯板与管部或连接件的固定方式()。
聚四氟乙烯板及固定的零件均由制造厂随支吊架本体一起供货。
29.在安装弹簧组件时,应将位移指示的一面放在便于检查的方向。
弹簧上的定位销应在管道水压试验后或机组启动前方可取出,在定位销取出的过程中,对弹簧承受的荷载应进行适当的调节,以使定位销能自由地取出。
30.每根标准长度的双头螺丝拉杆,一端为短螺纹(右旋),另一端为长螺纹(右旋或左旋),短螺纹的一端通常与连接件搭配,长螺纹的一段通常与花兰螺丝或根部和水平管道双拉杆管部的槽钢横担搭配,以利于拉杆长度的调节。
31.安装带有螺纹的零件或部件时,应保证螺纹旋至足够的深度,以确保螺纹部分的承载面积。
为了防止螺纹连接件之间的发生松脱,锁紧用的扁螺母应拧紧。
32.当普通螺母和扁螺母串连在一起使用时,普通螺母应安装在直接受力的位置,而扁螺母仅起锁紧作用。
33.减震支架的支撑杆的长度调节应在热状态下进行,以使减震器的弹簧作用力能自行平衡。
当在运行条件下管道继续震动时,可适当调节减震上的“连接螺母”可以增加减震效果。
34.在工字钢下翼安装“工字梁夹”时,应将其双头螺柱两端的螺母拧到最小的距离,以确保夹钳与工字钢紧固定在一起。
35.当需要在施工现场加工配制的“根部”和其他零件及部件时,对槽钢和钢板允许以气割进行落料,但外形应保持整齐,尺寸力求准确。
对于需要开孔的地方,则应采用机械钻孔,不得使用气割。
无论是气割或机械切削加工,均应进行毛边处理,工件上不应留有毛剌。
36.在“根部”加工和施工中,应按手册中各结构型式所要求的焊缝高度和施焊面积进行焊接,以确保加工及安装质量。
在“根部”与土建结构施焊过程中,为了使焊接所产生的高温不致影响预埋件和钢筋混凝土的强度,因此,在施焊过程中,应力求缩短焊接时间,必要时,可采用时间间隔焊接。
37.当在单槽钢结构的根部承受荷载时,尽可能避免在槽钢上开孔,当必须开孔时,应考虑必要的补强措施,单槽钢结构的受力点,在条件许可时,应尽量靠近槽钢的腹部,以减小对槽钢的弯扭影响。
38.在安装土建结构上无预埋件而又需要敲凿土建结构构件的根部时,应尽可能地缩小对土建构件的敲凿面积和深度,力求减少由此对土建构件强度的影响。
39.本手册编制的≤350摄氏度的管部,连接件和根部,均采用A3镇静钢,施工时不得以沸腾钢代替使用。