火灾种类及灭火器选择表
- 格式:docx
- 大小:7.28 KB
- 文档页数:1
火灾的分类A类火灾:固体可燃物质的火灾,例如木材、纸张、棉等。
B类火灾:可燃液体或可溶化的固体物质的火灾,例如汽油、甲醇、石蜡等。
C类火灾:可燃气体火灾,例如煤气、氢气、甲烷等。
D类火灾:易燃和可燃金属,例如钾、钠、镁、铝等。
E类火灾:带电物体燃烧的火灾。
(这个不用举例吧,你们知道的)灭火器通常分手提式和推车式两种。
灭火器的选择和使用A类火灾场所选择:水型灭火器、磷酸铵盐(ABC)干粉灭火器、泡沫灭火器。
原因:1.水能冷却并能穿透燃烧物灭火,有效防止复燃。
2.磷酸铵盐(ABC)干粉灭火器是应为粉剂可以附着燃烧物表面,窒息火焰,隔绝空气灭火。
3.泡沫灭火器可以冷却和覆盖燃烧物表面,隔绝空气。
禁用:碳酸氢钠干粉灭火器和二氧化碳灭火器。
原因:1.碳酸氢钠干粉灭火器的碳酸氢钠对固体可燃物无粘附作用,可以控制火势但不可以灭火。
2.二氧化碳灭火器喷出的二氧化碳量小,无液滴,都是气体,所以对固体灭火基本无效。
B类火灾场所选择:磷酸铵盐(ABC)干粉灭火器、碳酸氢钠干粉灭火器、二氧化碳灭器。
可以但不推荐:泡沫灭火器。
原因:1.磷酸铵盐(ABC)干粉灭火器和碳酸氢钠干粉灭火器同属于干粉灭火器可以快速窒息火焰还有中断燃烧过程中的链锁反映的化学活性。
2.二氧化碳灭器的气体堆积燃烧表面可以稀释并隔绝空气。
禁用:水型灭火器原因:水流冲击油面,激溅油火,导致火势蔓延,灭火困难。
不建议使用泡沫灭火器是因为它虽然可以覆盖燃烧物体表面,起到隔绝空气的效果而灭火,但是由于极性性溶剂破坏泡沫,故不适用。
C类火灾场所选择:干粉型灭火器和二氧化碳灭火器。
原因:1.干粉灭火剂可以快速扑灭气体火焰,中断燃烧过程中的链锁反映的化学活性。
2.二氧化碳灭火器可以窒息灭火,并且不损坏设备。
禁用:水型灭火器、泡沫灭火器。
原因:1.细小水流对气体火焰效果甚小。
2.泡沫对平面火焰有效,但是对立体火焰无效,这个应该不难理解,就如二氧化碳灭固体火一个原理。
温馨提示:1.在使用二氧化碳灭火器时要尽快撤离现场,特别是地下或狭小空间,以防灭火人员窒息,佩戴手套防止冻伤。
火灾分类6类及灭火器型号火灾是一种常见的安全事故,如果没有得到及时有效的处理,可能会给人们带来严重的生命财产损失。
在火灾处理过程中,灭火器是一个非常有用的设备,不同类型的火灾需要使用不同类型的灭火器进行有效的处理。
因此,在这篇文档中,我们将讨论火灾的分类以及相应的灭火器类型。
火灾分类火灾可以根据火源、燃烧物和其它相关因素,分为不同的类型。
根据国际标准,火灾可以分为以下6类。
1. A类火灾A类火灾是指发生在固体燃料上的火灾,如木材、纸张、泡沫塑料等。
这类火灾最常见且能够燃烧最久,因此需要特殊处理。
灭火器的类型需要能够扑灭燃烧物表面的火焰并消灭正在燃烧的余烟。
例如,使用含化学成分的“ABC干粉灭火器”可以很好地处理这类火灾。
2. B类火灾B类火灾是指液体燃料或可燃气体上的火灾,如汽油、酒精、天然气等。
这类火灾燃烧爆发力强,需要有抑制火焰的压制力。
在这种情况下,干粉灭火器依然可以使用,不过需要使用具有较高含量的化学成分的“BC干粉灭火器”。
3. C类火灾C类火灾是指由气体引起的火灾,如液化气、天然气等。
这类火灾需要具有隔离燃烧源的能力,同时防止火势蔓延。
使用干粉灭火器可以有效地消灭这类火灾。
4. D类火灾D类火灾是指由金属轻金属、钾等引起的火灾。
这类火灾燃烧时需要使用特殊的灭火剂进行扑灭,因为普通的灭火器可能会引起爆炸。
对于这类火灾,最好使用专用的灭火器,如汞、钠、钾、镁等。
5. E类火灾E类火灾是指由电器或电气设备引起的火灾。
在这种情况下,不应使用含水或其他易导电的灭火剂。
相反,需要使用干粉或二氧化碳灭火器。
6. F类火灾F类火灾是指由烹饪油脂、动物脂肪等易燃的食品引起的火灾。
在这种情况下,需要使用化学灭火剂来抑制火势。
这种类型的灭火器称为“油脂灭火器”。
灭火器型号现在,我们已经知道了不同类型的火灾需要使用不同类型的灭火器来消灭。
下面是一些标准的类型和对应的灭火器型号。
1. 干粉灭火器干粉灭火器适用于A、B、C、E类火灾。
火灾种类及使用的灭火器型号是火灾种类及使用的灭火器型号是火灾是一种不能忽视的危险,它可以瞬间摧毁一切,并造成人员和财物的巨大损失。
为防范火灾,我们可以采取各种防火措施,其中最为常见且有效的方法之一就是配备灭火器。
然而,不同类型的火灾需要不同的灭火器来扑灭。
因此,在本文中,我们将介绍各种火灾类型以及需要使用的灭火器型号。
1. Class A 火灾Class A 火灾是指产生从固体材料,如纸张、木材或塑料等产生的火灾。
扑灭Class A 火灾时,使用的灭火器型号为 A 类灭火器。
A 类灭火器是一种电解液灭火器,将阳极电解为消极氧离子,混合在介质中的水分解,释放出氧气,从而扑灭火灾。
2. Class B 火灾Class B 火灾是指发生在液体或挥发性固体物质的火灾,如汽油、燃料、油脂、涂料或溶剂等。
扑灭Class B 火灾时,需要使用 B 类灭火器。
B 类灭火器使用二氧化碳(CO2) 或干粉来灭火,二氧化碳可以剥夺火灾燃料的氧气,从而扑灭火灾。
干粉则可以在火灾上形成一种惰性干粉层,从而防止火灾扩散。
3. Class C 火灾Class C 火灾是指以电器设备为主的火灾,如电视机、电脑、打印机或灯具等。
在Class C 火灾事件中,使用 C 类灭火器。
C 类灭火器是一种二氧化碳灭火器,其工作原理是在火灾的电流源周围形成气体屏障,从而防止电火花对挥发性液体的引燃。
4. Class D 火灾Class D 火灾是指以金属熔化点高于600°C 的金属为主的火灾,如镁铝合金、镁钾合金、钛等。
扑灭Class D 火灾时,需要使用 D 类灭火器。
D 类灭火器使用干粉或其他天然矿物粉末作为活性物质,可以在火灾上形成一层干粉层,从而防止火灾扩散。
5. Class K 火灾Class K 火灾是指发生在餐厅或厨房的深油炸食品的火灾,如食用油、油脂等。
在扑灭Class K 火灾时,需要使用K 类灭火器。
K 类灭火器使用一种名为“浓缩氢氧化钾”(POTASSIUM ACETATE)的化学物质。
各类灭火器适用火灾种类表各类灭火器适用火灾种类表灭火器是一种常用的消防设备,用于扑灭各种类型的火灾。
在不同的火灾种类中,使用合适的灭火器可以有效地降低火势和保护人员和财产安全。
在选择灭火器时,需要根据火灾类型、场所大小和客观条件等因素进行选择。
下面是一份关于各类灭火器适用火灾种类表,希望对大家有所帮助。
1. 普通水灭火器适用火灾种类:A类火灾(可燃物质火灾)适用场所:家居、学校、办公场所、商场等2. 泡沫灭火器适用火灾种类:A类、B类火灾(可燃液体和可燃气体火灾)适用场所:油库、车间、加油站、船舶等3. 二氧化碳灭火器适用火灾种类:B类、C类火灾(可燃气体和电气设备火灾)适用场所:实验室、电子厂、计算机室、办公场所等4. 干粉灭火器适用火灾种类:A类、B类、C类、E类火灾(可燃物质、可燃液体、可燃气体、电气设备火灾)适用场所:车祸现场、厨房、木材加工厂、办公场所等5. 清洁剂灭火器适用火灾种类:A类、B类、C类、E类火灾(可燃物质、可燃液体、可燃气体、电气设备火灾)适用场所:危化品仓库、车间、实验室等6. 水基泡沫灭火器适用火灾种类:A类、B类火灾(可燃液体和可燃气体火灾)适用场所:油库、车间、加油站、船舶等7. 氨水灭火器适用火灾种类:A类火灾(可燃物质火灾)适用场所:家居、学校、办公场所、商场等以上是常用的灭火器种类及其适用火灾种类、适用场所。
在选购、存放和使用灭火器时,需要注意以下几点:1. 选择正规的灭火器品牌和型号,保证其质量和可靠性;2. 存放位置要合适。
灭火器应该放置在易燃物旁边,便于使用;3. 定期检验和维护。
灭火器要按照规定周期进行检验和维护,确保其正常使用;4. 灭火器使用时要认真阅读说明书,正确使用,不得对于非适用种类的火灾使用不适用的灭火器。
总之,对于不同类型的火灾,选购和正确使用适合的灭火器是十分重要的。
建议大家在学习灭火知识的同时,购置好几个不同种类的灭火器,以备不时之需。
火灾种类和灭火器的使用火灾种类和灭火器的使用火灾是一种常见的突发事件,烈火能够带来极大的破坏和危险。
在生活和工作中,我们要预防和控制火灾,应该了解不同类型火灾和应对措施,以及适合不同火灾的灭火器的使用方法。
火灾种类一、A类火灾:由可燃性固体材料引起的火灾,例如:木材、纸张、布料、塑料等。
如:建筑物内部的家具、装修材料、纸张、棉绸制品等易燃物物品引起的火灾。
二、B类火灾:是由可燃液体或可燃蒸汽引起的火灾,例如:汽油、酒精、煤油、柴油、液化气等。
如:加油站、油仓库、药店等地方的易燃液体油料引起的火灾。
三、C类火灾:是由可燃气体引起的火灾,例如:氢气、乙炔、天然气等。
如:气体储罐、煤气爆炸引起的火灾。
四、D类火灾:主要是由金属粉尘、颗粒引起的火灾,例如:镁粉、钠、铝粉等。
如:金属加工车间、烟花制造厂等的金属起火导致的火灾。
五、E类火灾:是由电器设备引起的火灾,例如电线、插座等。
如:电气线路故障、短路、电器设备过热等造成的火灾,也称电火灾。
六、F类火灾:主要是由油脂、油脂类污物和油脂类混合物引起的火灾,例如:食用油、动物油、植物油等。
如:餐馆厨房、油烟机堵塞等油烟火灾。
灭火器的使用不同类型的火灾应该使用不同种类的灭火器进行扑灭。
一、干粉灭火器干粉灭火器是一种多用途灭火器,适合对A、B、C类火灾进行扑灭。
在使用干粉灭火器时应该注意,使用距离要与火源保持一定的距离。
扑灭火源时,应该从火源上方喷洒,并保持喷射方向,直至火源被扑灭。
二、二氧化碳灭火器二氧化碳灭火器主要适合对B、E类火灾进行扑灭,因为它对传导电流的电机、电器和设备不能产生破坏。
在使用二氧化碳灭火器时应该注意,喷嘴不要直接对着人,否则会导致机体缺氧。
而且,瓶首页也要避免接触高温物体,防止爆炸。
三、泡沫灭火器泡沫灭火器主要适合于A、B、F类火灾进行扑灭。
泡沫灭火器有两种形式,一种是固体泡沫灭火器,另一种是移动泡沫灭火器。
固体泡沫灭火器可用于一般建筑物、机房、厂房等室内场所的火灾扑灭,而移动泡沫灭火器适用于外部场所和车辆火灾。
灭火器的种类及适用火灾类型在日常生活和工作中,火灾是一种常见的灾害。
为了有效地应对各种类型的火灾,灭火器成为了必不可少的消防设备。
灭火器根据其工作原理和灭火剂的种类可以分为不同的类型,每种类型的灭火器适用于不同类型的火灾。
下面将介绍几种常见的灭火器类型及其适用火灾类型。
干粉灭火器适用火灾类型:- A类火灾:包括可燃固体火灾,如木材、纸张、家具等。
- B 类火灾:包括可燃液体火灾,如汽油、液化气等。
- C类火灾:包括可燃气体火灾,如天然气、丙烷等。
工作原理: 干粉灭火器采用干粉作为灭火剂,通过抑制火灾氧气供应和冷却燃烧物表面来达到灭火的目的。
泡沫灭火器适用火灾类型:- A类火灾:包括可燃固体火灾,如木材、纸张、织物等。
- B 类火灾:包括可燃液体火灾,如汽油、酒精等。
工作原理: 泡沫灭火器使用泡沫作为灭火剂,通过隔离燃烧物表面和灭火剂之间的氧气,达到灭火的效果。
二氧化碳灭火器适用火灾类型:- B类火灾:包括可燃液体火灾,如汽油、酒精等。
- C类火灾:包括可燃气体火灾,如天然气、丙烷等。
- E类火灾:包括电器设备火灾。
工作原理: 二氧化碳灭火器使用二氧化碳气体作为灭火剂,通过排出大量的二氧化碳气体,减少火灾所需的氧气从而达到灭火的效果。
金属气雾灭火器适用火灾类型:- A类火灾:包括可燃固体火灾,如木材、纸张、纺织品等。
- B类火灾:包括可燃液体火灾,如汽油、柴油等。
工作原理: 金属气雾灭火器利用金属粉末与空气产生化学反应产生灭火剂,通过燃烧产生的热量和灭火剂吸收燃烧过程中的热量来达到灭火的效果。
以上是几种常见的灭火器类型及其适用火灾类型。
在选择灭火器时,要根据实际情况和火灾风险来确定合适的灭火器类型,从而提高应对火灾的效果。
火灾虽然无法完全避免,但是通过科学的预防和应对措施,可以最大程度地减少损失和危害。
保持警惕,学会正确使用灭火器,让我们的生活和工作环境更加安全。
火灾分类及对应灭火器火灾是一种常见的灾害,它的产生会对人们的生命和财产造成极大的危害。
为了有效的控制火灾,人们发明了许多种不同类型的灭火器,每种灭火器都能应对不同的火灾类型。
本文将介绍不同类型的火灾及对应的灭火器。
1. A类火灾A类火灾指的是可燃物质着火的情况,例如木材、纸张、布料和塑料等。
这种火灾在随处可见的环境中会很常见,因此,需要使用一种特殊的灭火器来扑灭这种火灾。
对于A类火灾,最常见的灭火器是水。
水能够有效地稀释可燃物质的热源,将可燃物质灭火。
2. B类火灾B类火灾指的是可燃液体火灾,如油,油漆,汽油和柴油等。
这种火灾在工业领域中很常见。
对于B类火灾,最常见的灭火器是泡沫灭火器。
泡沫灭火器是能够有效扑灭液体火灾的一种灭火装置,通过喷射泡沫将热源冷却下来并将其削弱。
这种灭火器的优点是,它可以覆盖整个火源,并隔绝空气,这样可以降低火灾反应的速度。
3. C类火灾C类火灾通常发生在带电设备周围的区域,如电线、变压器、电机等。
在C类火灾中,火焰的热量和电场之间的相互作用通常会使火焰变得更加活跃和难以扑灭。
对于C类火灾,最常见的灭火器是二氧化碳灭火器。
二氧化碳灭火器能够有效地扑灭火灾,并迅速和彻底地消除有害气体。
4. D类火灾D类火灾指的是在金属材料上发生的火灾,如钠、钾、铝等。
使用其他灭火器很容易激发这些金属的反应,增加火灾反应的危险。
对于D类火灾,最常用的灭火器是干粉灭火器。
干粉灭火器可以完全覆盖这些金属,并迅速降低火灾反应的速度。
5. K类火灾K类火灾指的是在厨房或其他厨房用具中发生的火灾。
由于这些火灾通常涉及油、脂肪和其他油性的物质,使用不适当的灭火器可能会让火变得更加严重。
对于K类火灾,最好的灭火器是化学泡沫灭火器。
总的来说,不同类型的火灾需要不同类型的灭火器才能扑灭。
了解灭火器的种类和功能,能够有效地减少火灾对生命和财产的威胁。
因此,在了解火灾分类和对应的灭火器后,应该配备适当的灭火器,从而在火灾发生后能够第一时间做出不同的灭火措施。
灭火器的种类和选择指南灭火器是现代生活中必不可少的消防设备,它能够在火灾发生时提供紧急灭火的功能,保护人们的生命财产安全。
然而,不同类型的火灾需要使用不同种类的灭火器才能达到最佳效果。
因此,了解灭火器的种类和选择指南对于每个家庭和工作场所都非常重要。
一、灭火器的种类1. 干粉灭火器:干粉灭火器是最常见和广泛使用的灭火器之一。
它适用于各种类型的火灾,包括可燃液体、固体和气体。
干粉灭火器通过释放化学粉末来扑灭火焰,可迅速降低火灾的温度,并形成绝缘层以防止火势蔓延。
2. 二氧化碳灭火器:二氧化碳灭火器适用于电气设备火灾和易燃液体火灾。
它通过释放压缩二氧化碳来消除火焰,能够快速降低火灾的温度,不会导致电气设备短路,并且不会留下任何残留物。
3. 泡沫灭火器:泡沫灭火器适用于可燃液体和固体火灾。
它通过释放泡沫来形成隔绝层,并迅速扑灭火焰。
泡沫具有保护作用,可以防止火势扩散。
4. 气体灭火器:气体灭火器适用于针对特定的火灾类型,如油类和化学品火灾。
常见的气体灭火剂包括七氟丙烷、卤代烷和氮气。
这些灭火器通常用于特殊环境或高值区域。
二、灭火器的选择指南1. 火灾类型:首先要根据可能发生的火灾类型选择适当的灭火器。
根据不同的火灾类型,选择干粉灭火器、二氧化碳灭火器或泡沫灭火器。
2. 灭火器容量:灭火器的容量应根据需要保护的面积和火灾大小来选择。
大型区域或易燃物质的储存区域可能需要更大容量的灭火器。
3. 使用便捷性:选择灭火器时,要确保其容易使用。
这包括选择合适的尺寸、合适的重量和易于操作的设计。
4. 使用指南:购买灭火器后,务必阅读和了解使用指南。
掌握正确的使用方法和注意事项,例如,避免在风向下使用灭火器、保持适当的距离等。
5. 定期维护和检查:定期维护和检查灭火器对于确保其正常工作至关重要。
定期检查灭火器的压力、喷嘴和阀门是否正常,并在过期或出现任何故障时及时更换。
6. 培训和教育:购买灭火器后,最好参加灭火器使用培训和教育。
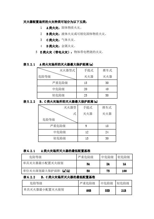
灭火器配置场所的火灾种类可划分为以下五类:1 A类火灾:固体物质火灾。
2 B类火灾:液体火灾或可熔化固体物质火灾。
3 C类火灾:气体火灾。
4 D类火灾:金属火灾。
5E类火灾(带电火灾):物体带电燃烧的火灾。
表5.2.1 A类火灾场所的灭火器最大保护距离(m)表5.2.2 B、C类火灾场所的灭火器最大保护距离(m)表6.2.1A类火灾场所灭火器的最低配置基准表6.2.2 B、C类火灾场所灭火器的最低配置基准表A.0.1 手提式灭火器类型、规格和灭火级别续表A.0.1表A.0.2 推车式灭火器类型、规格和灭火级别7 灭火器配置设计计算7.1 一般规定7.1.1灭火器配置的设计与计算应按计算单元进行。
灭火器最小需配灭火级别和最少需配数量的计算值应进位取整。
7.1.2每个灭火器设置点实配灭火器的灭火级别和数量不得小于最小需配灭火级别和数量的计算值。
7.1.3 灭火器设置点的位置和数量应根据灭火器的最大保护距离确定,并应保证最不利点至少在1具灭火器的保护范围内。
7.2 计算单元7.2.1 灭火器配置设计的计算单元应按下列规定划分:1 当一个楼层或一个水平防火分区内各场所的危险等级和火灾种类相同时,可将其作为一个计算单元。
2 当一个楼层或一个水平防火分区内各场所的危险等级和火灾种类不相同时,应将其分别作为不同的计算单元。
3 同一计算单元不得跨越防火分区和楼层。
7.2.2 计算单元保护面积的确定应符合下列规定:1 建筑物应按其建筑面积确定;2 可燃物露天堆场,甲、乙、丙类液体储罐区,可燃气体储罐区应按堆垛、储罐的占地面积确定。
7.3 配置设计计算7.3.1 计算单元的最小需配灭火级别应按下式计算:SQ = K——( 7.3.1 )U式中Q——计算单元的最小需配灭火级别(A或B);S ——计算单元的保护面积(m2);U——A类或B类火灾场所单位灭火级别最大保护面积(m2/A 或 m2/B);K——修正系数。
7.3.2 修正系数应按表7.3.2的规定取值。
火灾种类及灭火器选择要求标准在我们的日常生活中,火灾时有发生,给我们的生命、财产带来了极大的威胁。
为了在发生火灾时能够及时有效地进行灭火,我们需要了解不同类型的火灾种类及选择合适的灭火器。
本文将从火灾种类、灭火器分类以及灭火器选择要求标准三方面进行分析和阐述。
一、火灾种类在日常生活中,火灾种类有很多,可根据火源、燃料分类。
具体如下:1. A类火灾:常见的为固体物质火灾,如木材、纸张、布物等。
此种火灾需要采用水、二氧化碳或泡沫剂进行灭火。
2. B类火灾:燃料通常为液体或可燃气体,如汽油、煤气等。
此种火灾需要采用干粉灭火器或泡沫灭火器进行灭火。
3. C类火灾:燃料通常为气体,如甲烷、氢气等。
此种火灾需要采用二氧化碳灭火器或泡沫灭火器进行灭火。
4. D类火灾:燃料通常为金属,如锂、铝、镁等。
此种火灾需要采用金属灭火剂进行灭火。
5. E类火灾:带有电气元件的火灾,此种火灾需要采用二氧化碳灭火器或干粉灭火器进行灭火。
以上五种情况为最常见的火灾类别,也是我们在生活和工作中遇到的常见火灾种类。
二、灭火器分类灭火器是灭火时的重要工具,根据不同的灭火原理,灭火器可以分为以下几种:1. 杀灭一类火灾的灭火器:包括干粉灭火器、泡沫灭火器和二氧化碳灭火器等。
2. 杀灭二类火灾的灭火器:包括泡沫灭火器、泡沫气体复合灭火器和干粉灭火器等。
3. 杀灭三类火灾的灭火器:包括干粉灭火器和二氧化碳灭火器等。
4. 金属灭火器:包括干粉金属灭火器、金属化合物灭火器等。
灭火器的分类主要是为了在不同情况下选择合适的灭火器,从而最大程度地保护人们的生命和财产安全。
三、灭火器选择要求标准在灭火时选择一款合适的灭火器是非常重要的,以下是选择灭火器时需要考虑的标准:1. 火灾类型:选择灭火器时需要根据不同的火灾类型选择不同的灭火器。
例如固体物质火灾需要采用水,二氧化碳或泡沫灭火器;燃料是液体或者气体的火灾需要采用干粉灭火器或泡沫灭火器等。
2. 灭火剂的安全性:在灭火时需要考虑灭火剂的安全性,避免灭火器的使用带来了新的伤害。
火灾分类对应的灭火器
在日常生活和工作中,火灾是一种常见的灾害,因此灭火器的选择和使用显得
至关重要。
根据不同类型的火灾,我们需要选择不同类型的灭火器,以确保灭火效果最大化。
下面将介绍常见的火灾分类及对应的灭火器选择。
A 类火灾
A 类火灾主要是由普通可燃物质引起的,如木材、纸张、布料等。
在这种情况下,最适合使用的灭火器是干粉灭火器。
干粉灭火器具有快速扑灭火焰的特点,能够有效地对付A 类火灾。
B 类火灾
B 类火灾多是液体或可燃气体引起的,如汽油、油漆、液化气等。
对于B 类火灾,最适合使用的是二氧化碳灭火器。
二氧化碳灭火器是一种非常有效的灭火器,它能够迅速降低火焰的温度,从而扑灭火灾。
C 类火灾
C 类火灾主要是由气体引起的火灾,如丙烷、甲烷等。
对于C 类火灾,最适合
使用的是干粉灭火器。
干粉灭火器能够有效地扑灭气体火灾,并且不会导致火灾进一步扩大。
D 类火灾
D 类火灾主要是由金属引起的火灾,如镁、锂等。
在这种情况下,最适合使用
的是金属火灾专用灭火器。
金属火灾专用灭火器能够迅速扑灭金属火灾,避免火势蔓延。
综上所述,选择合适的灭火器能够在火灾发生时迅速扑灭火灾,减少人员伤亡
和财产损失。
在购买和配置灭火器时,务必根据不同类型的火灾选择相应的灭火器,以确保灭火效果最佳。
火灾分6类适应那些灭火器使用火灾是现代社会中常见的一种灾难事件,而在面对火灾时,正确地使用灭火器不仅可以有效的控制火势,还可以减少人员伤亡,保护财产安全。
然而,由于不同类型的火灾火源、火势、火场环境等情况不同,所以适用的灭火器也不同。
因此,在日常生活和工作中,我们需要掌握不同类型火灾的特点,并了解不同类型火灾适用的灭火器种类。
目前,国际灭火器标准把火灾分为六大类,即A类火灾、B类火灾、C类火灾、D类火灾、E类火灾以及F类火灾。
下面将逐一介绍各类火灾的特点,并列出适用的灭火器种类。
一、A类火灾A类火灾也就是固体物质火灾,是指可燃物质为固体的火灾,例如:木材、纸张、布料、塑料等。
A类火灾的特点是明火较大,燃烧速度较快,很容易被风吹烧开,且会产生大量烟雾和火星。
适用于A类火灾的灭火器是干粉灭火器,因为干粉灭火器具有大量扑救面积和灭火迅速的优点,而对于易燃易爆的物质而言,干粉灭火器比液体灭火器更加适宜。
二、B类火灾B类火灾也就是液态火灾,是指液体或可蒸汽着火的物质所引起的火灾,如汽油、油漆、酒精等。
B类火灾的特点是火势猛烈、热量大,流动性较强,因此火势扩散比较快,远距离灭火效果不佳。
适用于B类火灾的灭火器有二氧化碳灭火器和泡沫灭火器。
二氧化碳灭火器的优点是可以快速灭火,且不会留下残留物,不会对周围环境造成二次污染;而泡沫灭火器主要是通过泡沫覆盖灭火物质表面,隔绝空气使火灭。
三、C类火灾C类火灾也就是气体火灾,是指天然气、液化气等引起的火灾,典型的例子是气体泄漏遇热引发的火灾。
特点是火焰在空气中上升,火势较大,而且可能造成气体爆炸。
适用于C类火灾的灭火器有干粉灭火器和二氧化碳灭火器。
与干粉灭火器相比,二氧化碳灭火器更适用于易燃易爆的气体类火灾,因为二氧化碳灭火器以高速的二氧化碳气流吹散空气中的氧气,有效地扼杀了火源,而同时也不会对天然气、液化气等气体造成影响。
四、D类火灾D类火灾是指金属火灾,包括锂、钠、钾、镁等易燃金属的火灾。
火灾的分类及灭火剂的选择2016年6月火灾的种类与灭火剂的选择(一)一、火灾的种类火灾种类根据着火物质及其燃烧特性划分为以下6类:A类火灾:指含碳固体可燃物,如木材、棉、毛、麻、纸张等燃烧的火灾;B类火灾:指甲、乙、丙类液体甲醇、乙醚、丙酮等燃烧的火灾;C火灾:指可燃气体,如煤气、天然气、甲烷、丙烷、乙炔、氢气等燃烧的火灾;D类火灾:指可燃金属,如钾、钠、镁、钛、锆、锂、铝镁合金等燃烧的火灾;E类火灾:带电火灾,指带电物体燃烧的火灾。
F类火灾:烹饪器具内的烹饪物(如动植物油脂)火灾。
根据国家火灾统计管理规定,按照一次火灾事故所造成的人员伤亡、受灾户数和直接财产损失,把火灾危害等级化为特大火灾、重大火灾、一般火灾。
特大火灾:具有下列情形之一的,为特大火灾:死亡10人以上(含本数,下同);重伤20人以上;死亡、重伤20人以上;受灾50户以上;直接经济损失100万元以上。
重大火灾:具有下列情形之一的,为重大火灾:死亡3 人以上;重伤10人以上;死亡、重伤10人以上;受灾30 户以上;直接经济损失30万元以上。
一般火灾:不具有前两项情形的火灾,为一般火灾。
二、灭火剂的选择为了能迅速扑灭火灾,必须按照现代的防火技术、生产工艺过程的特点、着火物质的性质、灭火剂的性质及取用是否便利等原则来选择灭火剂。
常用的灭火剂有水、水蒸气、泡沫液、二氧化碳、干粉、卤代烷等。
下面就这几类灭火剂的性能及应用范围作一简单的介绍。
(一)水1.水的灭火作用水是最常用的灭火剂,它资源丰富,取用方便。
水的热容量大,lkg水温度升高1℃,需要4. 1868J(1 keal)的热量;lkgl00℃的水汽化成水蒸气则需要吸收2. 2567 J(539eal)的热量。
因此水能从燃烧物中吸收很多热量,使燃烧物的温度迅速下降,使燃烧终止。
水在受热汽化时,体积增大1700多倍,当大量的水蒸气笼罩于燃烧物的周围时,可以阻止空气进入燃烧区,从而大大减少氧的含量,使燃烧因缺氧而窒息熄灭。
火灾类型与灭火器的选用
火灾类型与灭火器的选用
火灾是一种常见的自然灾害。
火灾可分为五类,包括 A、B、C、D 和 K 类。
这些类型基于火源本身的特征以及燃料的种类。
灭火器
是一种非常重要的灭火工具,但是不同类型的灭火器适用于不同类
型的火灾。
在本文中,我们将了解每种火灾类型及灭火器的选用方法。
A 类火灾
A 类火灾是由易燃固体物质引起的火灾,如木材、布料、纸张
和塑料。
A 类火灾计视物质表面积和燃烧速度两个因素。
灭火器的
最佳选择是 ABC 干粉灭火器,因为它可以扑灭 A、B 和 C 类火灾。
干粉灭火器中的氧割削措施能够熄灭这类火源,同时将火源物表面
的可燃物割断。
B 类火灾
B 类火灾是由易燃液体引起的火灾,如油、油漆、清洁剂和液
化气。
B 类火灾的大部分特征是火源物质的挥发性和可流动性。
由
于这些特点,火源的灭火需要使用表面活性剂类物质,如消防泡沫
灭火器。
消防泡沫中的表面活性剂能够将火源物表面上的液态油类
物质保持稳定,形成一层厚厚的封锁层,防止油类物质再度蒸发挥发。
所以,B 类火灾的最佳选择是珠光宝泡沫灭火器。
C 类火灾
1。
各类火灾对应的灭火器适用范围随着社会的发展,火灾越来越成为我们日常生活和工作中的一种常见的风险。
正确选择和使用灭火器可以帮助我们更好地应对不同类型的火灾。
不同类型的火灾对应着不同种类的灭火器,下面我们来看一下各种类型的火灾对应的灭火器适用范围。
一、A类火灾A类火灾是最为常见的火灾,一般是指任何可燃物着火所引起的火灾,如纸张、塑料、木材、布料、棉花等。
对于A类火灾,我们需要使用的是干粉灭火器。
干粉灭火器包含了干粉剂和压缩空气,主要通过干粉剂的化学反应作用,有效地杀灭火源。
干粉灭火器具有灭火速度快、使用范围广泛、设备简单的特点,适用于大部分的A类火灾。
二、B类火灾B类火灾是指油类、液体类、气体类等可燃液体着火所引起的火灾。
这种火灾的危险性较高,因为可燃物的挥发性较大,容易引起灾难性后果。
对于B类火灾,我们需要使用的是二氧化碳灭火器。
二氧化碳灭火器通常使用二氧化碳作为灭火介质,其具有灭火速度快、不留残余物等优点。
但是,由于二氧化碳会吸取空气中的氧气,因此在使用时需要尽量避免人员的死亡。
三、C类火灾C类火灾是指引起火灾的原因是电气设备,如线路、插座、电器设备等。
这种火灾具有动态性、随时可能发生的特点,因此应该引起足够的重视。
对于C类火灾,我们需要使用的是二氧化碳灭火器。
二氧化碳灭火器能够有效地灭灭电气设备引起的火灾,但使用时需要注意,必须切断电源,以避免二氧化碳灭火器产生的电击伤害。
当然,也可以使用干粉灭火器进行灭火,但这种灭火器会对电气设备造成损坏。
四、D类火灾D类火灾是指具有金属、瓷、钛、铜、铝等易燃金属物质着火所引起的火灾。
这种火灾的特点是熔化温度较高,不易灭火。
对于D类火灾,我们需要使用的是金属灭火剂。
金属灭火剂由于其特殊的化学成分,能够迅速与发生火灾的金属表面反应,阻止其继续热反应,从而实现灭火的目的。
金属灭火剂还具有不导电、不腐蚀、无毒等优点,适用于D类火灾。
五、K类火灾K类火灾是指涉及到厨房或美食制作工作区域的油脂、脂肪、蛋白质、淀粉等易燃食物着火所引起的火灾。
各类灭火器及适用的火灾类型火灾是一种非常危险的情况,如果没有及时有效的灭火措施,往往会造成严重的后果。
为了防止火灾的发生,我们可以采取一些预防措施,如安装烟雾探测器、添置灭火器等。
而灭火器是消防工作中常用的一种灭火设备,根据不同的火灾类型,我们需要选择适当的灭火器,本文将简单介绍各类灭火器及其适用的火灾类型。
1. 水灭火器水灭火器是常见的一种灭火设备,常用于灭木材、纸张、棉花等可燃物的火灾。
水灭火器有两种类型,喷水式灭火器和气体混合式灭火器。
喷水式灭火器是指将水喷入火源处进行灭火,可以灭掉较小的火源;而气体混合式灭火器则是将水和压缩空气气体混合后,将混合物喷出灭火。
需要注意的是,水灭火器不适用于灭油类和电器火灾,因为水的导电性可能会导致火势恶化。
2. 泡沫灭火器泡沫灭火器通常用于灭油类火灾,如油锅着火、油路漏气导致的火灾。
泡沫灭火器的工作原理是通过将泡沫喷射到火源处,使火焰得不到氧气,从而达到灭火的效果。
同时,泡沫灭火器也可以用于灭化学品、溶剂甚至是塑料等可燃物的火灾。
3. 干粉灭火器干粉灭火器是目前最常用的灭火器之一,具有普遍适用性,可用于灭木材、纸张、油类、电器等各种火灾类型。
干粉灭火器的工作原理是通过干粉粒子隔断氧气,使火源得不到氧气从而达到灭火的效果。
但需要注意的是,干粉灭火器的使用会产生大量的粉尘和污染,若使用不当还可能对人体造成伤害,因此必须掌握正确的使用方法。
4. 二氧化碳灭火器二氧化碳灭火器主要用于灭电器、仪器及液体类的火灾。
二氧化碳灭火器的工作原理是通过将压缩二氧化碳气体喷射到火源处,使氧气被压缩,从而减缓火源的燃烧速度,最终灭火。
而且,二氧化碳灭火剂在灭火过程中不存在二次污染,使用方便快捷,因此比较受欢迎。
5. 氨水灭火器氨水灭火器主要用于灭氢气及氢气混合氧气的火灾,如气体管道泄露发生爆炸时的火灾。
氨水灭火器的工作原理是通过将氨水喷射到火源处,能够与火焰反应,迅速降低火焰温度并化解氢气,从而灭火。