第三方检测机构组织架构图及部门职能2012
- 格式:doc
- 大小:44.50 KB
- 文档页数:6
PMC部组织职责架构图
部门职能:
1、负责主导销售订单交期评审,保障订单按期完成。
2、负责编制生产指令单下达、计划排产表,跟进生产进度,出货计划交期。
3、负责订单数据汇总与异常分析,调整生产计划排期,使生产更加顺畅的生产,按照客户交期达成。
4、负责定期组织召开PMC周例会,协调各部门订单生产进度与订单的详细具体情况、生产状态。
5、负责整个订单状况的汇总,并每一个周统计,一个月后做出订单异常的问题分析、改善
及预防。
6、负责订单的交期进行汇总,分类整理好每一个客户完成订单明细,及统计每个月的订单交期达成率。
7、负责订单的异常沟通民协调处理,并对客诉情况追溯处理,分析,执行,改善后预防。
8、负责成品仓库的收、发、管的管理与监督,在保障交期的同时提高库存周转率和准确率。
9、负责成品仓库的定期盘点和稽查,准确反应库存,做到账物卡相符。
10、负责做好成品仓库5S管理执行及现场环境进行监督,且执行检查;
11、负责主导成品仓库的成品呆滞时间进行复检,库存周转率和库存准确率,并提出优化库存管理。
PMC经理岗位说明书
PMC计划岗位说明书
PMC跟单岗位说明书
PMC文员岗位说明书
PMC部仓库主管岗位说明书
PMC部仓库组长岗位说明书
PMC部装箱组长岗位说明书
PMC部物流组长岗位说明书
仓管员岗位说明书
录单文员岗位说明书
装箱员岗位说明书
装箱检查员岗位说明书
送货员岗位说明书。
论多场所检验检测机构管理体系运行的有效性作者:何海朱浙辉赵春艳邵强来源:《数码设计》2020年第02期摘要:随着检验检测机构快速发展,多场所检验检测机构越来越多。
本文探讨多场所检验检测机构管理体系运行的有效性。
关键词:多场所;检验检测机构;管理体系;有效性中图分类号:F203;R126.4; 文献标识码:A; 文章编号:1672-9129(2020)02-0100-02Abstract: With the rapid development of inspection and testing institutions, there are more and more multi-site inspection and testing institutions. This article discusses the effectiveness of the management system of multi-site inspection and testing institutions.Keywords: multi-site; inspection and testing agency; management system; effectiveness检验检测机构的场所有固定的、临时的、可移动的或多个地点。
多场所是指检验检测机构存在两个及以上不同地址的检测场所。
随着第三方检验检测机构运行的市场化,为了更加便捷、高效地服务客户,提供更多优质产品,越来越多的检验检测机构从单一的场所向多场所转变,以实现市场利益最大化。
按照检验检测机构组织结构模式,对多场所检验检测机构进行如下分类。
A类型:总公司之外设立的独立法人的子公司、分公司,注册地不限。
各分支机构有自己完整的管理体系,单独申请实验室资质认定或认可,独立承担相应的法律责任,与总公司在业务、人、财、物等资源上相对独立。
或各分公司之间相对独立,归总公司统筹管理。
爆破企业组织架构及部门职能2012股东大会是公司的最高权力机构。
董事会是公司的决策机构,对股东大会负责。
下设战略与投资委员会、审计委员会、薪酬与考核委员会以及提名委员会,董事会秘书负责董事会的日常事务。
监事会是公司的监督机构,对公司股东大会负责。
总经理负责公司的日常经营活动,执行公司董事会决议。
本公司各主要部门的职责如下:工程事业部负责制定工程事业部的相关制度;制定部门的年度经营计划、财务预算;落实民爆一体化战略,促进混装业务在工程领域的应用;制定年度市场计划并组织实施工程信息获取、市场推广、客户交流等活动;组织客户拜访、项目投标、工程造价、合同签署、售后服务等工作;落实工程技术的改进及应用;制定并落实安全生产管理制度,开展安全教育及检查等活动。
民爆事业部负责民爆发展规划、民爆事业部内部制度建设,年度经营计划、财务预算;负责民爆生产、销售、设备、安全等管理;负责民爆原材料、设备采购、安装、维护等管理;负责民爆的技术支持、工艺优化、技改,产品质量监督;组织民爆团队建设、人员管理及绩效考核;促进民爆牌照的吸收合并工作;制定年度销售计划并大力推广混装业务,组织客户拜访、产品销售、合同签署等工作等。
审计部拟定和完善审计部管理相关的制度、流程和操作规范,监督和检查审计部管理相关制度、流程和操作规范的执行情况,对集团公司经营成果及财务收支的真实性及合法性、资产的使用、管理及保值增值情况、全面预算的执行和财务决算情况、公司业绩快报、关联交易、重大资产处置、募集资金使用进行审计,定期向审计委员会汇报内部审计工作情况,根据审计委员会的意见改进审计制度、方法及沟通程序。
证券事务部负责本公司首次公开发行股票的准备工作;协助董事会秘书组织开展集团公司股权并购投资、证券融资、“三会”、信息披露等各项工作。
拟定公司股权、债券融资方案,负责上市筹备相关事宜,检查推动全公司对上市及再融资工作的配合,根据国家有关上市公司信息披露制度,组织编制相关报告,审查公司需要对外发布的各类信息,执行公司对外信息披露工作,研究公司的投资战略,制定、执行和改进投资策略,负责公司董事会、股东会及监事会的会务组织和管理,建立投资者档案,协助董秘做好公司投资者相关联系事宜,安排来访接待等工作等。
兽用生物制品—疫苗企业组织架构及部门职能2012股东大会是公司的最高权力机构;董事会是公司的决策机构,对公司股东大会负责,董事会下设董事会秘书负责董事会的日常事务;监事会是公司的监督机构,对公司股东大会负责;经理层负责公司的日常经营,执行公司董事会的决议。
1、审计部负责公司审计监察工作,对公司财务收支、经营绩效和其有关的经济活动进行审计;对预算内外资金的管理和使用情况进行审计;对内部控制制度的健全性和有效性以及风险管理进行评审;对经营规范性进行审查;处理公司各类法律事务,对公司重大经营决策进行法律论证。
2、董事会办公室负责董事会、股东大会、监事会有关决策的执行;负责公司董事会日常工作;推进和组织实施公司上市及后续工作,监督促使公司按法律法规执行各项决议。
3、总经理办公室负责公司公共关系处理、行政文秘、档案资料管理、信息系统维护、消防安全、后勤服务及对外联络等工作。
4、生产部组织编制、实施生产计划,控制生产进度;负责生产成本的管理和控制;管理控制生产过程与安全监督,组织实施在制品的质量检验负责组织产能负荷的分析与调整;负责产品工艺改善,并对生产现场提供技术支持;协调各生产单位的工作,并进行绩效考核。
5、研发中心负责制定并实施公司新产品研发规划;负责公司新技术、新产品发展方向和研发项目的市场分析;负责新技术、新产品、新工艺的研究与开发;负责新产品在大生产转化过程中相关技术问题的指导与处理;对产品质量改进进行技术攻关;负责对专利进行管理;负责新产品报批、研发项目的申报和专利申请等工作。
6、营销中心制定并实施公司营销战略及销售计划;进行市场调研,整合营销资源,开拓并完善营销网络;负责与客户建立融洽、稳定的合作关系,树立良好的企业形象与品牌形象;处理销售内务,统计管理销售数据;监督、考核销售过程与销售进度;协调、管理产品发运事务及投标工作;整理、保管各类销售档案;为客户提供技术咨询、服务与培训,受理客户投诉。
成都恩威道源圣城旅游开发有限公司公司文件2012-DY-0412号关于公司架构、部门职能、人员任命调整通知司各部门:公司研究决定,对公司架构和部门职能调整如下:1公司组织架构:Array2运营板块人员架构图:3.1开发板块3.1.1开发副总经理负责根据项目的战略规划和发展目标编制工程、设计、开发的年度计划;全面负责公司项目的项目设计管理、工程管理,对项目进度、质量负责,有效保障公司项目顺利建设,由代季副总经理负责;3.1.2投融资副总经理负责根据公司战略发展,通过与金融机构合作,完成融资项目,保障公司持续发展;新增加项目在资金方面可顺利进行,并对项目进程及结果进行控制、管理;管理公司日常财务工作(包括资金使用、内部调拨、帐务往来),确保公司财务工作有序良性发展,由刘圆副总经理负责;3.1.3延伸产业副总经理负责道源延伸产业的前期策划、项目推进、项目执行等工作,有效保障延伸产业的发展进度及质量;延伸产业包括:道源香厂、恩威养生酒庄、旅游商品公司、祈福珠宝玉器公司,及其与周边延伸产业,由君梓名副总经理负责;3.1.4投资部主要负责公司项目前期策划、选址、项目立项、规划定位、土地获得等项目工前期作,有效保障公司项目前期工作的效率及质量,由张楠经理负责;3.1.5财务管理部下设预算管理部、账务管理部、现金管理部,由王君平经理负责。
3.1.5.1预算管理部负责公司年度预算及现金流编制、过程管控及评估管理;负责项目前期盈利测算;负责工程项目预算编制、执行监督及评估,由王君平经理代管;3.1.5.2账务管理部负责日常会计账务管理、核算及财务监督,负责合同及应收应付管理;负责财务费用管理;负责税收管理及及时办理相关涉税事项,由王君平经理代管;3.1.5.3现金管理部负责现金管理,保障现金安全及有效使用,由王君平代管;3.1.6融资管理部负责根据公司年度策略、目标计划,合理统筹公司资金使用方向,通过各种融资手段保障资金充足性及安全性,由刘圆副总经理代管;3.1.7审计部负责公司审计管理,参与重大项目的审计与监督工作;对公司各职能部门的财务与经营活动、效益进行定期审计,保障公司有效运营,由孔祥羽总监负责;3.1.8营销中心:根据公司运营目标,负责各板块品牌创建、推广及管理,负责各板块销售策略制定、执行、监督及绩效改进,对公司核心收益目标负责。
CNAS-CI01-G001检验机构能力认可准则的应用说明(ILAC P15:06/2014)Application of Accreditation Criteria for the Competence of Inspection Bodies中国合格评定国家认可委员会引言本文件为检验机构认可提供了CNAS—CI01:2012(ISO/IEC 17020:2012)《检验能力机构认可准则》的应用说明。
认可机构可使用本文件对检验机构进行认可评审。
检验机构也可通过使用本文件对自身的运作进行管理,从而满足认可要求。
为了便于参照,每个应用说明都用CNAS-CI01(ISO/IEC 17020)对应的条款号加上后缀来标注。
例如4.1.4a是标准第4.1.4条款的第一个应用说明。
术语“应”在本文件中表示相应的条款是强制性的。
这些条款表明了CNAS-CI01(ISO/IEC 17020)的要求,或有些情况下表明了对认可机构的运作要求。
术语“宜”在本文件中表示相应的条款尽管不是强制性的,却是CNAS用来确认满足要求的方法/途径。
术语“可”表示允许。
术语“能”表示可能或能力。
如果检验机构的制度没有遵循本CNAS文件中与“宜”相关条款的规定,只有能够向认可机构证明他们的解决方案等效或更好地满足CNAS-CI01(ISO/IEC 17020)相关条款的要求, 检验机构才有资格获得认可。
个别的检验方案可指定附加认可要求。
本文件并不想识别这类要求或确认如何予以实施。
使用CNAS-CI01(ISO/IEC 17020)和本应用文件时,CNAS既不宜增加也不宜减少CNAS-CI01(ISO/IEC 17020)的要求。
本文件代替:CNAS-CI02:2015。
本次为换版修订,相对于CNAS-CI02:2015,本次换版仅涉及文件编号改变。
检验机构能力认可准则的应用说明3 术语和定义3.1a 术语“安装”可定义为“对一批元件进行组装,以实现单个元件所不能实现的功能的活动”。
手机厂商组织架构及部门职责2012 手机厂商组织架构及部门职责20121、组织结构及运行情况法人治理结构由股东大会、董事会、监事会组成。
其中股东大会是公司的权力机构;董事会执行股东大会决议,按《公司章程》行使职权,董事会由6 人组成,其中2 名为独立董事;监事会按《公司章程》行使职权,对董事会、经理层的履职情况及公司的日常经营、财务进行监督,监事会由3 人组成。
目前,公司股东大会、董事会、监事会运行情况良好。
2、内部职能部门情况公司根据业务经营及管理的需要设置了研发中心、生产物流中心、营销中心、质量中心、管理中心等五大职能中心以及董事会办公室、审计部、总经理办公室等三个职能部门,其中,五大职能中心分别由若干职能部门组成。
公司各职能部门的职责如下:(1)董事会办公室董事会办公室为公司信息披露事务的日常管理部门,由董事会秘书直接领导。
董事会办公室主要负责公司股东大会和董事会会议的筹备、文件保管以及公司股东资料的管理,办理信息披露事务等事宜。
(2)审计部审计部为公司内部审计部门,对审计委员会负责,向审计委员会报告工作。
审计部负责对公司内部控制制度的建立和实施、公司财务信息的真实性和完整性等情况进行检查监督。
(3)总经理办公室总经理办公室负责协助总经理日常经营管理中的事务性工作;协助参与公司发展规划的编制和公司重大决策的事项讨论;协助总经理草拟向董事会提报的经营计划的草案;协调组织公司内部、外部专业部门对公司重大投资进行可行性研究和评估,并拟定投资方案;负责公司对政府主管部门联系。
(4)营销中心公司营销中心由营销办公室、市场部、海外销售部组成。
?营销办公室负责公司营销中心内外部工作统筹协调;负责公司市场及产品规划管理。
?市场部负责市场调查及产品规划,对全球手机市场特别是客户需求、市场竞争情况进行调查,分析市场已有产品特色及新技术、新应用的发展趋势;根据市场导向结合公司产品定位和客户需求规划公司产品线;负责产品管理,管控产品进度及产品评审、协助管理产品成本;负责产品品牌策划、培训和推广,制定产品整体品牌策划方案、培训方案及在不同国家的推广方式,安排展会。
质检部组织架构及职责一.质检部组织架构:二 质检部岗位职责:1. 质检经理:1) 贯彻QEO 体系方针、目标,维护管理体系的运行、公司体系文件与资料控制管理;2) 负责产品认证工厂检查;3) 负责策划、制定、监督、实施部门工作计划和目标;4) 负责产品质量策划、质量控制、质量保证;5) 负责本部门文件制订、审核、确认;6) 负责重大质量事故处理与协调;7) 管理和协调本部门的日常事务;8) 负责本部门环境因素的识别、评价、环境绩效的改进;9) 负责产品可靠性验证的评审;10)负责部门人员日常工作指导与监督;质检经理过程&成品质检(PQC&FQC ) QEO 体系 文控 质量工程师(QE ) 出货质检(OQC ) 进料质检(IQC )11)负责制订、实施部门培训计划,监督考核培训效果;2.质量工程师:1)负责产品可靠性试验并记录;2)组织实施质量监督检查;3)负责产品认证、体系认证工作主导、监督、实施;4)负责组织产品重大质量事故调查分析;5)负责检测仪器管理、校正、申购,设计检测用工装、治具;6)负责制定产品检验标准、规范并监督实施;7)负责公司工程施工质量相关资料的管理、传递、分析、培训;8)完成本部门环境因素、危险源识别与控制;9)负责供应商质量管理;10)完成部门经理交办的临时工作任务;3.QEO体系文控:1)对各部门QEO体系文件、资料管理工作进行监督、指导和检查。
2)协助管理者代表制订和组织实施公司QEO体系文件管理规章制度。
3)负责公司QEO体系有关资料的收集、征集、整理、分类、鉴定、保管、保护、统计等工作。
4)组织公司各部门QEO体系文件管理员的学习与培训,负责指导他们的工作。
5)做好防火、防盗、防虫等工作,确保文件资料安全。
6)负责质检部5S执行、监督、管理,质检部资料文件归口管理;7)完成质检经理交办的临时工作任务;4. 进料质检:1)负责监督供应商提供的半成品和原材料《出货检验报告》、《质量保证书》以及《环境物质管理报告》;2)负责公司原材料、外协产品、购进物资的外观、尺寸、结构、功能检测、状态标识;3)负责原材料、外协产品、购进物资等不合格标识、责任归属鉴别、异常原因初步分析,质量信息收集、传递、返馈;4)负责处理生产线上发现的原材料、外协产品、购进物资品质异常;5)负责做好(因为技术图纸或更换供方)原材料、外协产品、购进物资试样检验工作,并做好《样品检验报告》反馈给工程部或供应商,以便及时改善;6)负责进料检验各类检测仪器的管理、维护、日常保养;7)负责协助质检经理管理供应商产品质量;8)负责执行和维护公司QEO体系要求本岗位相关制度、流程的正常运行;9)负责完成质检经理交办的临时工作任务;5.过程&成品质检:1)熟悉公司质量检验标准、技术资料、图纸等;2)负责零件质量装配前抽查检测、产品装配过程质量稽核、产品首/末件、成品检测;3)负责产品状态标识、填写检验记录、质量信息收集、传递、反馈;4)负责不合格品标识、隔离,质量问题责任归属鉴别与初步分析与处理;5)负责执行和维护本岗位相关制度及流程的正常运行;6)负责过程&成品检验各类检测仪器管理、日常维护、保养; 7)完成质量经理交办的临时工作任务;6.出厂质检:1)负责出厂产品质量检测、包装确认、资料确认、装车运输过程确认,填写检验记录、合格证填写;2)负责不合格标识、隔离,责任归属鉴别、初步分析;3)负责工程或客户退回零件、产品的分析、处理;4)负责呆滞产品、包装破损等产品重检、标识记录;5)负责本岗位各类检测仪器管理、日常维护、保养;5)负责完成质检经理交办的临时工作任务;------------下面黄颜色是赠送的简历模板不需要的可以下载后编辑删除男| 已婚| 1988 年月生| 户口:湖南| 现居住于广东深圳-宝安区3年工作经验 | 团员|广东省深圳市宝安区福永镇陈屋村2巷518101E-mail:求职意向·工作性质:全职·期望职业:销售业务、销售管理、市场·期望行业:专业服务/咨询(财会/法律/人力资源等)、教育/培训/院校、通信/电信运营、增值服务·工作地区:深圳·期望月薪:4001-6000元/月·目前状况:我目前处于离职状态,可立即上岗职业目标喜欢营销管理类工作,喜欢有挑战的工作,大学四年一直在挑战自己,挑战自己的极限,一直在做营销的兼职,坚信“也精于勤而荒于嬉”一直严于律己,在各方面都要从严要求自己。
城市燃气企业组织架构及部门职责2012本公司已按照现代企业制度的要求,结合公司的业务经营特点建立了相应的职能部门,各职能部门的主要职责如下:1、董事会办公室负责董事会的日常事务;负责董事会议题的审核和议案的组织;负责董事会资料的收集、整理和归档;负责董事会办公室决定事项的督察督办工作等职责。
2、办公室(信访办公室)负责文秘、档案、保密、信访、接待、会务、文印、机关车队等管理协调工作;负责行政会议、相关会议决定事项及领导指示的督察督办工作;负责信息沟通交流综合协调工作等职责。
3、策划与管理部负责集团公司经营发展战略规划;负责组织实施企业改革;负责企业资源整合、企业重组;负责开展企业管理及拟定企业管理规章制度;负责建立并完善业绩评价体系,牵头拟定、下达年度业绩考核指标;牵头拟定所属单位负责人薪酬、方案并组织实施;负责公司城市燃气经营资质、企业规模申报等职责。
4、市场部负责组织编制和修订集团公司年度生产经营、基本建设、投资、技措安措、设备购置及维修等计划;负责基本建设项目的报批、审查及审核;负责编制年度供气计划,与石油单位开展气源协调工作和年度供用气合同签订工作;负责组织市场调研、开发,制定市场发展策略;负责燃气销售价格、安装及经营服务性收费价格方案的测算和申报;负责综合统计事宜;负责输差管理和输差考核;负责组织、协调工矿企业生产生活用气剥离等职责。
5、调度中心负责燃气输、储、配和管网设施运行、维护、抢险的生产运行管理;负责供气调度管理,统一指挥各级生产调度部门,控制、协调生产活动;负责建立调度工作制度、供气应急预案制订与实施;负责运行数据、资料管理;负责燃气管网设施大型抢险、检修、碰口方案的制订、实施和指挥工作,并对各单位抢险、维修、碰口工作进行指导与监督;负责“110 联动”接警、处警的管理工作等职责。
6、财务部(财务结算中心)负责开展财务日常经营、利润分配等财务收支活动;负责财务收支预算和会计核算;负责开展财务预算管理,建立健全财务管理制度;负责资金调度及管理,办理财务结算;负责集团公司税务的申报和缴纳;开展全成本目标管理和财务运行分析;负责内部资金信贷和调剂融通;负责资金票据审核、收发和传递等职责。
文件名称:组织架构和部门职责管理办法文件编号:FSL-QR/A-21 版本号: 3.0生效日期:2012-06-01 受控状态:受控文件更改记录№更改页码、条款更改内容描述更改人更改日期☆此份文件未经管理者代表的特别授权,不得转借、复印或应用于其它目的。
批准吴峻审核朱道兵编制谢孝群组织架构和部门职责管理办法1.0目的为规范公司组织架构和部门职责设置与调整,建立高效、职责明确的组织机构,特制订本办法。
2.0适用范围本制度适用于公司一二级组织架构及职责的设置与调整。
子公司组织架构及职责设置与调整可参照本办法执行,方案报公司办公室备案。
3.0职责3.1总经理办公会负责审核、批准公司一级、二级组织架构及职责的设置与调整。
3.2办公室办公室为公司一二级组织架构及其职责设置的归口管理部门;根据公司总体战略和管理定位,制订公司组织架构设置管理办法并提出组织架构改进建议;按管理权限,核定、审批管控范围内的机构设置;监督、检查公司及子公司架构设置执行情况。
3.3人事总务部人事总务部负责审核各部门岗位设置、制定M序列编制、审核P序列编制;根据公司组织机构及职责进行岗位调整,并对E-HR系统设置进行维护。
3.4作业管理部作业管理部为公司作业部门三级机构(班、组)及其职责设置的归口管理部门,负责审核、批准作业部门三级机构及其职责的设置与调整,并报办公室备案;负责审核作业部门F序列岗位及编制设定。
3.5公司各部门及事业部公司各部门、事业部按照公司发布的组织架构和部门职责进行组织机构的设置与管理,并履行相应的职责。
4.0定义4.1一级组织机构公司直接下设机构,包括事业部、职能部门(室)、作业部门等。
4.2二级组织机构事业部、职能部门(室)、作业部门直接下设的机构,包括科、系、作业中心、分库等。
4.3三级组织机构作业部门科、系、作业中心、分库直接下设机构,包括班、组等;职能部门不设三级组织机构。
5.0控制要点5.1组织机构设立原则(1)必须支持公司整体发展战略;(2)应有利于客户与市场的开拓;(3)应有利于部门、业务单元之间的高效沟通与合作。
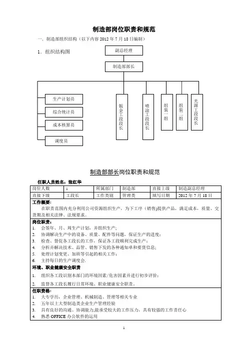
第三方检测机构组织架构图及部门职能2012 第三方检测机构组织架构图及部门职能2012
1、董事会办公室
主要负责公司股票的发行、上市工作,负责投资者关系管理及对外联络,组织和筹备董事会会议、监事会会议和股东大会的会务工作,会议文件及公司治理各项文件的整理和保存,负责公司对外投资、企业并购、资产重组等资本项目的可行性研究和具体实施工作。
2、办公室
(1)总经理、副总经理机要秘书,负责日常各项事务处理;(2)文档管理,公司重要文档,包括大客户协议书,重要采购合同,公司资质证书,内部管理文件、通知文件等的管理;(3)本公司各部门、各子公司、各联络点的联络、协调,各项制度的制作发文,监督实施等;(4)本公司内部各项考核体系(实验室、客服、销售考核等)的协助制定、修正,监督实施。
3、财务部
(1)负责公司日常财务管理工作;(2)多渠道融资,提高资金利用率,保证公司资金需求;(3)参与公司资本运作,负责公司税收的合理筹划;(4)参与公司综合计划的编制、控制、执行、考核与分析工作;(5)负责公司财务制度、流程、基础工作及核算体系建设;(6)负责工商、税务、银行等外联工作。
4、人力资源部
(1)全面统筹规划公司的人力资源战略,并向公司高层决策者提供有关人力资源战略、组织建设等方面的建议,致力于提高公司的综合管理水平;(2)建立并完善人力资源管理体系,研究、设计人力资源管理模式(包含招聘、绩效、培训、薪酬及员工发展等体系的全面建设),制定和完善人力资源管理制度;(3)组织制定公司人力资源发展的各种规划,并监督各项计划的实施,为公司主管以上的管理者进行职业生涯规划设计;(4)塑造、维护、发展和传播企业文化;(5)为各子公司提供人力资源管理制度政策咨询、指导。
5、法务部
(1)检测合同、检测协议、采购合同、后勤保障相关合同、劳动保障合同等的审核;(2)公司法务风险的预警,定期或不定期总结并提醒日常出现的法律方面的不规范问题:(3)诉讼仲裁;(4)商标、专利等无形资产管理。
6、企划部
策划工作、品牌管理、展业文件统筹、图文设计、培训管理及公
关工作管理。
企划部下辖资讯部,负责维护公司电脑和网络的正常运作,负责维护公司信息系统的正常运行,并根据公司运营需要有计划地开发管理软件。
7、行政部
建立健全各项行政制度,负责全公司日常行政事务和固定资产的管理。
行政部下辖采购部,负责公司仪器设备、生产耗材、行政办公用品的采购。
8、质量部
(1)负责公司的资质认证和资质维护,认证准备、现场评审及不符合项整改;(2)负责公司质量手册和体系文件管理,包括编写、修订、换版等;(3)负责外部质量控制,公司参加能力验证活动和实验室间比对;(4)审核公司设备采购;(5)组织和实施内部质量控制;(6)标准有效性追踪,标准方法和非标准方法管理;(7)负责第二方(客户)及第三方审核;(8)设备管理,包括验收、联系安装、建账、组织和安排检定、维护保养、期间核查、故障维修、调配等;(9)负责标准物质、供应商管理;(10)负责组织质量、技术培训和考核以及人员技术档案建立和维护。
9、研发部
(1)负责完成公司年度研发计划中新分析方法的建立和验证,在突发事件(如食品安全事件)发生时对紧急研发项目迅速进行方法建立和方法确认;(2)负责受客户委托,并按客户要求进行分析方法的建立或改进,以及对该类方法的对比和确
认;(3)负责对公司
现行疑难检测项目及细则的解释、说明和整合优化,负责相关方法的传递和培训、验收,负责公司现行检测项目中疑难项目的改进和完善;(4)负责公司专利申报过程中专利申请的书写及技术内容修改,负责公司细则中非标方法的不确定度报告编写和审查,负责相关技术文件的撰写;(5)负责对各实验室进行检测方法和分析仪器的技术支持,并对公司参与各类认证进行技术支持;(6)负责公司与社会、政府相关团体研究项目的申请与完成,负责与科研院所、高校合作研究项目的完成;(7)负责对欧盟、美国及日本等市场相关准入标准的跟踪,按照准入标准对现行检测方法和判定依据进行修改和制定。
10、审计部
(1)拟定公司内部审计管理办法和规章制度及审计工作计划;(2)对公司的财务
收支及各类经营活动进行审计监督;(3)对公司和部门内部制度的执行情况进行审计并提出改进建议;(4)对经济合同的签订及执行情况进行审计监督;(5)负责对公司的
招投标过程及结果进行审核监督;(6)独立开展公司的审计监控工作,规范公司的生产经营及财务收支行为,随时掌握盈亏情况及潜亏因素,并提出审计建议,促进经营管理,为公司领导和各部门了解实际情况,制定政策提供依据;(7)对在审计过程中提出的意见、建议及整改措施的落实情况进行跟踪检查,对整改不力的主要领导有权向上一级领导提出意见和建议。
11、各事业部
制定本事业部的发展战略,报总经理批准后组织实施。
在公司总
体战略下进行事业部的市场营销策划,进行销售、客户服务活动,组织安排实验室检测等,完成公司下达的业务目标,进行市场拓展、品牌宣传,检测销售,客户群建立和维护的任务和目标,并根据业务发展,建设本事业部的业务团队和技术团队。
各事业部下设销售部、客服部、实验室部门。
销售部:(1)完成公司(本区域)年度营销目标以及其他任务,对营销思路进行定位;(2)制定和改进销售政策、规范、制度,使其不断适应市场的发展;(3)协调公司内外部关系,对公司市场营销战略计划的执行进行监督和控制;(4)进行市场调查并发现新市场机会,拓展销售渠道;(5)制定公司新检测领域市场推广方案,并开展前期各项公关工作直至取得各相关部门的认可使得该检测领域具有一定的市场占有率。
客服部:下设客户服务部、报告厅、校核部。
客户服务部职责:(1)完成公司(本区域)年度营销目标以及其他任务;(2)做好电话咨询、Email 咨询记录;(3)维护跟进客户关系;(4)及时解决客户投诉问题,内部交由质量部查找原因,以适当的理由妥善处理客户投诉;(5)支持各地子公司、联络点销售人员的检测咨询;(6)作为技术支持为各地销售提供解决方案,为各地分公司、联络点的销售、实验室提供相应服务;(7)了解、收集竞争对手信息及动态并上报公司。
报告厅职责:编制检测报告,发放检测报告,协助催款,报告管理。
校核部职责:校核检测报告。
实验室:(1)负责完成公司下达的检测任务;(2)负责完成检测报
告的审核;(3) 负责对实验员的管理、工作监督、培训及考核;(4)负责实验室仪器设备的管理,包括维护、保养和日常记录等;(5)负责对实验室的安全管理和监督;(6)负责业务部门技术咨询,处理日常有关技术的问题;(7)负责完成相关能力验证,数据比对等检测工作;(8)负责样品的接收、流转、保存、销毁等管理工作;(9)配合质量部完成实验室认证要求的各项工作;(10)配合公司完成相关领域的质量管理工作。
内部资料,
请勿外传~
精品资料精品资料精品资料精品资料精品资料
精品资料
型号 ,
制造厂家
额定功率,KW, 560
额定电压,V, 400
额定电流,A, 1010
额定频率,Hz, 50
额定转速,r/min, 1500
功率因数 0.8,滞后,
励磁电流,A, 2
励磁电压,V, 40
定子绕组接线 Y 0
冷却方式风冷
励磁方式强励倍数2
绝缘等级 H
防护等级
蓄电池容量,Ah, 92
1
型号
形式闭式循环水冷却、涡轮增压
额定功率,KW, 628
额定转速,r/min, 1500
冷却方式闭式循环水带热交换器
起动方式 24V直流电起动
燃油消耗,L,h,
保护与报警定值与结果保护与报警定值与结果
过载大于110%报警~大于120%延时5秒跳闸出口电压高卸载大于108% 短路 200%~延时0.08秒跳闸出口电压低卸载低于85% 电流不平衡不平衡电流大于20%~延时5秒跳闸电压高跳闸大于110% 漏电电流大于30%~延时10秒三相电压不平衡电压差大于10% 逆功率大于8%~延时0.5秒过频率大于110%
超速大于115%~延时5秒跳闸低频率小于85% 蓄电池电压低小于21V 蓄电池电压高大于30V 差动保护 0秒跳闸失磁保护跳闸单相接地保护跳闸过电流保护跳闸润滑油压低跳闸三次自起动失败发信并闭锁自起动冷却水温高发信润滑油温度高发信
机油油压过低跳闸机油油压低发信
冷却水断水跳闸燃油量过低发信
油箱油位低发信冷却水水位低发信。