个体工商户定额核定(调整)申请表
- 格式:doc
- 大小:1.65 MB
- 文档页数:3
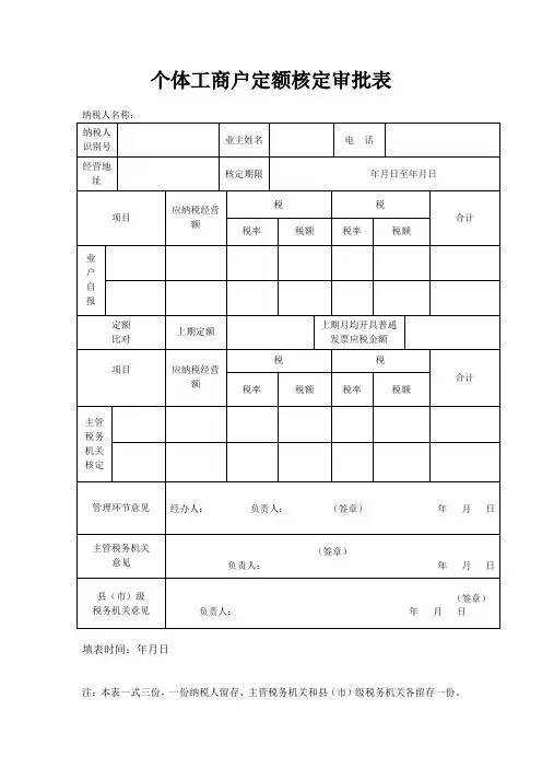
个体工商户定额核定审批表纳税人名称:填表时间:年月日注:本表一式三份,一份纳税人留存、主管税务机关和县(市)级税务机关各留存一份。
个体工商户定额信息采集表(商业)单位名称:采集日期:年月日定期定额个体工商户纳税分月汇总申报表税款所属期限:年月日至年月日单位:人、元填表说明:1、本表由实行定期定额征收的个体工商户在定额执行期结束后根据实际生产、经营情况分月如实填写,并按照主管税务机关规定的申报期限进行申报。
2、应纳税额:当“实际月应纳税经营额”≥“核定月应纳税经营额”时,应纳税额=实际月应纳税经营额×税率(征收率);当“实际月应纳税经营额”< “核定月应纳税经营额”时,应纳税额=核定月应纳税经营额×税率(征收率)。
3、已申报纳税额:是指纳税人每月实际已申报纳税的数额,包括核定的纳税人应纳税额和代开发票金额超过核定的应纳税经营额所缴纳的税额。
应补税额=应纳税额-已申报纳税额。
个体工商户开业登记申请书备注:申请人填写本表前请详细阅读背面的填写说明。
住所(经营场所)使用证明工商行政管理局:兹有,地址在,面积平方米。
以上场所之所有权属所有,使用单位已取得该场所的合法使用权,同意作为市场主体住所(经营场所)使用。
取得方式为:□1、向房屋所有权人□租赁□借用;□2、□转租赁□转借用,并已征得所有权人的同意;□3、市场主体自有(注:无产权证或购房合同);谨此证明以上情况属实。
使用单位盖章(或拟任法定代表人/负责人签字):(方式1、2、3均需填写本栏)住所(经营场所)所有权人签字盖章:(方式2需填写本栏,其他方式无须填写)证明单位盖章:(方式3需填写本栏,其他方式无需填写)日期:年月日市场主体工商登记告知承诺书工商登记机关告知如下:一、本次登记系依照现行的登记法律法规和《泉州市工商登记管理规定(试行)》、《泉州市市场主体工商登记若干规定(试行)》等规定办理,在申请登记前和登记过程中,申请人应当详细了解法律法规及有关规范性文件的规定。
个体工商户定额核定申请表个体工商户定额核定(调整)申请表纳税人识别号纳税编码纳税人名称业务类型□商业□工业、加工修理修配□应税服务行业大类是否位于专业市场内□是□否行业小类所在专业市场面积(平方米)经营地址是否申请免于建帐□是□否联系电话征收方式是否开通储蓄扣税□是□否商业(以下栏目由商业类型个体户填列)工业及应税劳务(以下栏目由生产、加工修理修配的个体户填列)雇工人数雇工人数其中固定工人其中固定工人临时工人临时工人工资成本工资成本其中固定工资其中固定工资提成工资提成工资租金租金其中非营业区租金其中非营业区租金水电、物业管理等费水电、物业管理等费用其中水费其中水费电费电费其他与产销有关费用其他与产销有关费用行政事业性收费等费用行政事业性收费等费用毛利率毛利率销售货物月平均总值单件产品价值代销货物月平均总值固定资产总值购进货物月平均总值其中机器设备存货月平均总值生产用交通工具存货月周转率低值易耗品总值原材料月平均总值产成品月平均总值是否批发□是□否生产加工方式□生产□加工是否季节性销售□是□否是否季节性生产□是□否业主自报月营业额业主自报月营业额应税服务(以下栏目由服务业类型个体户填列)雇工人数其中固定工人临时工人工资成本其中固定工资提成工资租金其中非营业区租金水电、物业管理等费其中水费电费其他与经营有关费用行政事业性收费等费用毛利率是否季节性销售□是□否业主自报月营业额填表说明 1.本表条形码具有唯一性,表格复印使用无效;条形码区域请保持整洁; 2.请在指定区域内盖纳税人公章;3.本表所有数据均不带小数,所在专业市场不含肉菜市场;4.若是核定申请,请划掉标题中的“调整”二字(即调整);反之,若是调整申请,请划掉标题中的“核定”二字即核定)。
5.从事应税服务的纳税人,“行业大类”填写应税服务;“行业小类”填写交通运输业、现代服务业等。
个体工商户定额核定(调整)申请表工业、加工修理修配类商业类001 电器、仪器仪表、机械制造00101 电气零配件00102 通风设备00103 机械自动化设备及配件00104 仪器仪表(不含钟表计时仪器)00105 其它002 造纸、印刷、招牌及包装材料00201 招牌广告制作00202 书、报、刊印刷00203 包装装潢及其它印刷00204 承印办公、文化等用品00205 造纸00206 日用纸成品制造00207 包装纸成品制造00208 其它003 塑料制品业00301 塑料板、管、型材等00302 泡沫塑料制品00303 塑胶模具加工00304 硅胶制品00305 塑料包装材料制品00306 其它004 文体用品及玩具制造00401 体育器材制造00402 文化用品制造00403 玩具制造00404 婴幼儿用品制造00405 其它005 皮、毛、羽绒制品业00501 皮毛制品(皮鞋、手袋、皮带)00502 羽绒制品00503 其它006 纺织服装、鞋、袋制造00601 成衣类00602 鞋、袋(非皮毛)00603 针织、纺织用品00604 缝纫用线、带类00605 其它007 化学原料及化学制品00701 织带类00702 防火阻燃材料等00703 化工原料类00704 电镀材料类00705 化学油漆类00706 其它008 家具制造00801 木质、藤质家具制造00802 金属家具制造00803 塑料家具制造00804 其它009 五金制品、金属制品、玻璃制品00901 五金制品00902 金属制品00903 玻璃制品00904 其它010 通讯设备、影音设备、计算机及电子制造01001 通讯设备及配件01002 电子计算机设备及配件01003 家用音响设备及配件01004 家用影视设备及配件01005 电子元件及组件01006 其它011 工艺品制造01101 木制工艺(木雕等)01102 布质工艺(玩具等)01103 玻璃纤维工艺(水晶等)01104 抽纱刺绣工艺品01105 石质工艺(石雕等)01106 金属工艺品01107 花画工艺品01108 塑胶工艺01109 其它012 珠宝首饰、钟表眼镜制造01201 金银首饰01202 珠宝首饰01203 钟表及计时仪器加工01204 眼镜01205 其它013 食品制造业01301 粮食、饲料类01302 食用油类01303 糕点、面包制造01304 三鸟加工01305其它014 模具制造01401 模具01402 其它015 农林牧01501 自产农业产品01502 花木、绿化等01503 牲畜、三鸟类01504 其它016 应税劳务修理修配01601 汽车、摩托车修理修配01602 自行车修理修配01603 家用电器修理修配01604 其它017 应税劳务加工01701 各种首饰加工01702 建材加工01703 其他加工01704 其它018 应税劳务居民服务01801 居民服务业01802 其它019 商场、日用百货01901 小型超市01902 小卖部01903 其它020 食品、副食、水果02001 果品、蔬菜等02002 糕点、面包类02003 肉、禽、蛋及水产品02004 粮油零售02005 饮用水02006 其它021 茶烟酒02101 茶02102 烟酒02103 其它022 花卉、钓具02201 花卉类02202 钓鱼用具02203 其它023 药材、保健品02301 中、西药品(材)02302 保健品(食、饮品)02303 其它024 文化、劳保用品,办公用品02401 音像制品及电子出版物02402 图书、报刊02403 文具用品02404 体育用品02405 劳保用品02406 办公用品(非电器、家私)02407 其它025 服装02501 床上用品类(专营)02502 服装(混营类)02503 服装(专营类)02504 鞋、帽、袋类02505 纺织品及针织品02506 其它026 珠宝首饰、工艺品、化妆品、钟表眼镜02601 珠宝首饰02602 工艺美术品02603 化妆品02604 钟表02605 眼镜02606 其它027 五金配件02701五金配件02702 交电配件零售02703 模具钢材02704 电热器材、小五金(兼)02705 其它028 家用电器及办公电器02801 家用电器02802 办公器材及设备(不含计算机、通讯设备)02803 空调(纯营)及配件02804 厨柜、厨具类02805 其它029 机电设备及配件02901 机(械)电设备及配件02902 建筑机械及配件02903 发电机及配件02904 叉车设备及配件02905 空压机及配件02906 丝印器材及材料02907 消防器材类02908 包装器材及设备02909 其它030 建筑材料03001 水泥、砖、沙、灰等(通用)03002 钢材03003 不锈钢及配件03004 铝合金03005 石膏板03006 夹板、木材03007 胶管及配件03008 石材03009 其它031 装修装饰材料03101 木地板03102 洁具03103 陶瓷、瓷砖03104 防盗门、室内门等03105 布艺(窗帘等)03106 地毯03107 艺术玻璃03108 门锁类(纯营)03109 其它032 家私、灯饰03201 家私、办公用具03202 灯饰03203 其它033 包装材料03301 包装材料03302 其它034 化学材料03401 塑胶材料及其制品03402 绝缘、塑胶材料03403 不干胶、胶粘剂等03404 润滑油(专营)03405 工业气体类03406 防水材料03407 涂料03408 其它035 电脑、通讯及其配件、电子材料03501 计算机、软件及辅助设备03502 通讯产品及配件03503 电子材料及配件03504 其它036 汽车、摩托车、自行车配件03601 汽车及配件03602 摩托车及配件03603 自行车及配件03604 其它037 废品回收03701 非金属性废品收购03702 金属性废品收购03703 生活性废品收购03704 其它038 其它03801 其它。
个体工商户定额核定表(样表)
纳税人识别号
9133xxxx(据实填
写)业主姓名
张某
(据实填写)
电话
xx(据实
填写)
经营地址
浙江省xx市xx区
xx(据实填写)核定期限年月曰至年月日(据实填写)
项目应纳税
经营额
税税税税
合计税率税额税率税额税率税额税率税额
业户自报
(据实
填写)
(据
实填
写)
(据
实填
写)
定额
比对
上期定额
上期月均开具普通发票应税金额
项目
应纳税
经营额
税税税税
合计税率税额税率税额税率税额税率税额
主管税
务机关
核定
1
2
管理坏吊意见经办人:负责人:(签章)年月日
主管税务机关
意见(签章)
负责人:年月日
县(市)级税务机关意见(签章)
负责人:年月日
【表单说明】
注:本表一式三份,一份纳税人留存、主管税务机关和县(市)级税务机关。
定税——定期定额户申请核定(调整)纳税定额一、业务概述个体工商户税收定期定额征收,是指税务机关依照法律、行政法规的规定,对个体工商户在一定经营地点、一定经营时期、一定经营范围内的应纳税经营额(包括经营数量)或所得额(以下简称定额)进行核定,并以此为计税依据,确定其应纳税额的一种征收方式。
二、办理条件适用于经主管税务机关认定和县以上税务机关(含县级)批准的生产、经营规模小,达不到《个体工商户建账管理暂行办法》规定设置账簿标准的个体工商户的税收征收管理。
在执行期中定期定额户生产经营情况变化需重新调整定额的。
三、所需资料一、初次申请核定1. 《个体工商户定期定额申请表》2. 经营场所租赁合同、房产证等能够证明经营地点和经营面积的材料3. 其他相关材料二、申请重新核定1. 《个体工商户重新核定定额申请表》2. 因经营行业、经营路段、经营面积、经营状况等定税指标发生变化而申请重新核定的,提供相应证明材料。
3. 因对税务机关核定的定额有争议而申请重新核定的,提供足以说明其生产、经营真实情况的证据4. 其他相关材料四、业务流程一、新开业纳税人申请初次核定(一)初次核定程序1、自行申报。
新开业定期定额户应如实填写《个体工商户定期定额申请表》和其他相关材料,并按照税务机关规定的申报期限到主管税务机关的办税服务厅自行申报。
2、核定定额。
办税服务厅受理后应根据定期定额户自行申报情况,运用个体双定户定税审批系统核定暂定定额,计算暂定应纳税额。
并当场打印《核定定额通知书》和《个体工商户定税等级卡》送达定期定额户暂时执行。
3、调查核实。
税源管理岗应在30日内对定期定额户自行申报的内容进行核实,对存在问题的应当及时对其定额进行重新核定。
4、定额公示。
主管税务机关应当将核定定额的暂定结果或调查核实后的重新核定结果进行公示,公示期限为五个工作日。
公示地点、范围、形式应当按照便于定期定额户及社会各界了解、监督的原则,由主管税务机关确定。
纳税人识别号纳税编
码
条形码
9CM*3CM 税务登记证号
填表说明:
1.本表条形码具有唯一性,表格复印使用无效,条形码区域请保持整洁;
2.请在指定区域内盖纳税人公章;
3.从事应税服务的纳税人,“行业大类”填写应税服务;“行业小类”填写交通运输业、现代服务业等;
4.从事减免税项目、享受减免税优惠的纳税人不需选择储蓄扣税,请采取网上申报或上门申报;当季有开发票或发票结存情况的双定户不需选择储蓄扣税;已开通储蓄扣税的双定户领用发票时,自动取消储蓄扣税;当季发生代开发票业务的纳税人,暂停当季的储蓄扣税。
5.双定户兼营免税和应税项目的,应申请取消定期定额征收方式。