数控铣床对刀教学设计
- 格式:doc
- 大小:88.00 KB
- 文档页数:5
表JX—2淮海技师学院教案编号:SHJD—508—14 版本号:A/0 流水号:授课日期班级课题:数控铣床对刀教学目的、要求: 1. 掌握对刀的目的。
2. 掌握数控铣的分中对刀方法。
教学重点:数控铣床对刀目的教学难点:数控铣床分中对刀方法授课方法:教师示范,行动导向教学参考及教具(含电教设备):数控铣床、多媒体板书设计数控铣床对刀【复习与回顾】1、数控铣床的操作界面及六种工作方式。
2、数控铣床的机床坐标系、工件坐标系及它们之间的关系。
【新课导入】【新课讲解】一、对刀的目的二、试切法(分中)对刀1、回参考点2、对X方向3、对Y方向4、对Z方向【内容小结】注:要求以一块黑板的版面来进行板书设计教学过程教学环节教学内容师生活动学时分配一、【复习与回顾】二、【新课导入】三、【新课讲解】【复习与回顾】1、数控铣床的操作界面及六种工作方式。
2、数控铣床的机床坐标系、工件坐标系及它们之间的关系。
【新课导入】如右图,机床坐标系是机床运动控制的参考基准。
而工件坐标系是编程时的参考基准;机床坐标系建立在机床上,是固定的物理点。
而工件坐标系是建立在工件上,是根据编程习惯位置可变的。
在加工时通过对刀手段确定工件原点与机床原点的位置关系。
【新课讲解】一、对刀的目的数控程序是在工件坐标系下编制,而刀具进给运动是在机床坐标系下监控的。
前者是在工件上设定,而后者则是在机床上建立的。
只有二者建立起确定的位置关系,数控系统才能正确按照程序坐标控制刀具的加工轨迹。
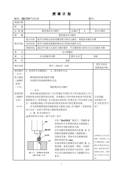
二、试切法(分中)对刀(一)工件为方料,以工件中心为工件坐标系原点。
步骤:1、回参考点2、对X方向将刀具碰工件左端面,【设置】【X轴清零】,抬刀,碰工件右端面,调整【显示切换】到工件坐标系界面,将显示的X坐标数值除以2,记下此数值X1。
温故知新,教师提问:学生回答。
然后导入新课。
对刀手段确定工件原点与机床原点的位置关系。
【提问】如果不对刀,机床默认的原点在哪里?【总结】对刀的目的,就是在机床坐标系中确立工件坐标系位置的过程,即告知数控系统工件原点在哪儿。
《数控车床对刀操作技能实训教案》章节一:数控车床对刀操作概述教学目标:1. 了解数控车床对刀操作的基本概念。
2. 掌握数控车床对刀操作的重要性和意义。
3. 理解数控车床对刀操作的基本步骤。
教学内容:1. 数控车床对刀操作的定义。
2. 数控车床对刀操作的作用。
3. 数控车床对刀操作的基本步骤。
教学方法:1. 讲解:讲解数控车床对刀操作的基本概念、作用和步骤。
2. 互动:引导学生提问和解答疑问。
教学评价:1. 考核学生对数控车床对刀操作概念的理解。
2. 考核学生对数控车床对刀操作重要性的认识。
3. 考核学生对数控车床对刀操作步骤的掌握。
章节二:数控车床对刀操作准备工作教学目标:1. 掌握数控车床对刀操作前的准备工作。
2. 了解数控车床对刀操作所需工具和设备。
3. 学会数控车床对刀操作的安全注意事项。
教学内容:1. 数控车床对刀操作前的准备工作。
2. 数控车床对刀操作所需工具和设备。
3. 数控车床对刀操作的安全注意事项。
教学方法:1. 讲解:讲解数控车床对刀操作前的准备工作、所需工具和设备以及安全注意事项。
2. 演示:演示数控车床对刀操作的准备工作和安全注意事项。
教学评价:1. 考核学生对数控车床对刀操作前的准备工作的掌握。
2. 考核学生对数控车床对刀操作所需工具和设备的了解。
3. 考核学生对数控车床对刀操作安全注意事项的认知。
章节三:数控车床对刀操作步骤教学目标:1. 掌握数控车床对刀操作的具体步骤。
2. 学会数控车床对刀操作的方法和技巧。
3. 理解数控车床对刀操作的注意事项。
教学内容:1. 数控车床对刀操作的具体步骤。
2. 数控车床对刀操作的方法和技巧。
3. 数控车床对刀操作的注意事项。
教学方法:1. 讲解:讲解数控车床对刀操作的具体步骤、方法和技巧以及注意事项。
2. 演示:演示数控车床对刀操作的具体步骤和方法。
教学评价:1. 考核学生对数控车床对刀操作具体步骤的掌握。
2. 考核学生对数控车床对刀操作方法和技巧的了解。
授课计划
操作步骤如下。
①在手动或手摇模式下,将所用铣刀装到主轴上并使主轴中速旋转。
②移动铣刀沿X(或y)方向靠近被测边,直到铣刀周刃轻微接触到工件表面听到刀刃与工件的摩擦声(但没有切屑)。
③保持X、Y坐标不变,将铣刀沿Z向退离工件。
④将机床相对坐标x置零,并沿x向工件方向移动刀具半径的距离。
⑤将此时机床坐标系下的x值输入系统偏置寄存器中,该值就是被测边
坐标。
电子寻边器,也叫电子感应器,使用时将其夹持在主轴上,其轴线与主轴轴重合,采用手动进给,缓慢地将标准钢球与工件靠近,在钢球与工件定位基准面接触的瞬间,由机床、件、电子感应器组成的电路接通,指示灯亮,从而确定其基准面的位置。
使用电子感器时,是人为目测定位,随机误差较大,需重复操作几次,以确定其正确位置。
机外对刀仪用来测量刀具的长度、直径和刀具形状、角度。
刀库中存放的刀具其主要参数都要有准确的值,这些参数值在编制加工程序时
都要加以考虑。
使用中因刀具损坏需要更换新刀具时,
以测出新刀具的主要参数值,便掌握与原刀具的偏差,
补值确保其正常加工。
此外用机外对刀仪还可测量刀具切削刃角度和形
状等对数,有利于提高加工质量。
对刀仪由刀柄定位机构、测头与测量
机构、测量数据处理装置三分组成。
向对刀数据与刀具在刀柄上的装夹长度及工件坐标系的
它确定工件坐标系的零点在坐标系中的位置。
可以采用刀具直接碰刀对刀,也可以采用Z向设定器进行精确对刀。
熟练掌握对刀方式及基本操作步骤
编定日期:年月日教师(签字):审批日期:年月日教研室主任:。
数控铣床对法方法
教学重点
①对刀的原理②对刀的目的③对刀的种类④对刀的方法
教学内容
一、对刀的原理
工件在机床上定位装夹后,必须确定工件在机床上的正确位子,以便与机床原有的坐标系联系起来。
二、对刀的目的
对刀的目的是确定对刀点(或工件原点)在机床坐标系中的绝对坐标值,测量刀具的到位偏差值。
对刀点找正的精确度之间影响加工精度。
三、对刀的种类
(1)直接对刀
用已安装在主轴上的刀具,通过手轮移动工作台,使旋转的刀具与工件的表面做微量的接触(产生切屑或摩擦声),这种方法简单方便,但会在工件上留下切削痕迹,且对刀精度较低。
(2)使用寻边器对刀
寻边器的种类:
①械式寻边器②光电式寻边器③验棒
机械式寻边器分上下两部分,中间用弹簧链接,上部分用刀柄加持,下半部分接触工件。
用的时候必须注意主轴转速,避免因转速
过高损坏寻边器。
光电式寻边器主要有两部分,柄体,测量头(Φ10㎜的圆球)使用时主轴不需要转动,使用简单,操作方便。
使用时应避免测量头与工件碰撞,应该慢慢的接触工件。
验棒具有一定精度的圆棒(如铣刀刀柄),对刀时用塞尺配合使用,用这种工具对刀时应注意塞尺的松紧度,过松或过紧都会影响对打精度。
四、对刀方法
分中法。
数控铣对刀操作实训教案
教学内容:
一.工件的分中对刀操作(试切法)
二.设置工件坐标系
教学目标:
一.能力目标
能够对工件进行分中对刀操作,设置工件坐标系
二.知识目标
1.掌握工件的分中对刀
2.工件坐标系的设置
教学过程:
一.课前准备
1. 实训设备数控铣床的准备
2. 实训材料PVC方板的准备
3. 使用刀具的准备
二.组织教学
1.集中学生,清点人数
2.布置今天实习内容
3. 针对单机教学,学生轮流上机操作
三.新课讲解
1.建立工件坐标系与机床坐标系的关系,为零件加工,程序运行作准备,主要是寻找工件原点在机械坐标系中的位置而进行的操作,
2.设置有G54-G59六个可供选择的工件坐标系的工件原点偏值,以G54
四.示范操作
1.示范讲解对刀的操作步骤。
2.示范讲解工件坐标系的设定步骤及G54参数的设置方法。
3.操作要规范,动作要慢,讲解介绍要清晰
五.轮流上机,实时指导
1.实训过程操作规范,学生依次轮流上机操作
2.每个同学都要按规定的内容进行规范练习一遍
3.观察学生的对刀操作过程,及时指正
课题小结
1.巩固复习对刀与工件坐标设定操作步骤
2.指出实训中对刀常见的相对位置设置问题和解决措施
现场整理
1.实训场地卫生清理清扫
2.整理实训工具,材料和清扫保养设备。
实验五:数控铣床对刀及参数设置一、实验目的1、掌握数控铣床对刀方法2、学会数控铣刀刀补输入及编辑3、掌握铣削刀具补偿功能的建立及应用二、实验器材及设备KVC650立式加工中心、45#方料一块、常见数控铣削刀具。
三、实验内容及步骤1、对刀步骤:(此处假设编程原点在零件上表面的几何中心)(1)按工艺要求装夹工件;(2)按编程要求,安装刀具和设定刀号;*刀具的安装左手握紧刀具,右手按Z轴上的气动开关,对准主轴上的定位键槽,松开气动开关,刀具被自动拉紧。
*刀具号的设定按照工艺的要求,选好刀具并装上刀柄和拉钉,按程序设定的刀具号逐次装入刀库,其操作步骤如下:把模式选择打到MDI方式,输入要设定的第一个刀具号(TХХ),然后执行换刀指令(M06),此时主轴上的刀具好就是第一个刀具号,把第一把刀装入主轴,第一个刀具号设定完备。
其它刀具按此操作方法依次设定。
(3)对照编程说明,在工件上找到编程原点的位置;(4)启动主轴,若主轴启动过,可打到手动模式,按主轴正转即可。
若主轴没有启动过,可在MDI方式下输入M03 Sxx启动主轴。
(5)在“手轮移动”模式下,快速移动X、Y、Z轴到接近工件的位置,再移动Z轴到工件上表面以下的某个位置,此时按“POS”,在综合坐标中,按面板上的“Z”,当CRT上的“Z”闪动时,按“起源”,或按“Z0预定”,Z轴相对坐标就变为零。
(其它坐标的清零方法一样,进行这个操作的目的是保证在对X、Y时,Z方向是同一高度),移动X轴到与工件的一边接触(为了不破坏表面,操作时常在表面贴一块薄薄的纸片),把X坐标清零;提刀,移动刀具到工件的另一边,使其与工件接触,再次提刀,把X的相对坐标值除以2,使刀具移到X/2位置,该点就是编程坐标系X的原点。
Y、Z原点的求法其操作请参照以上步骤(X、Y、Z三个坐标对完以后,可以把X、Y、Z的相对坐标再次清零,此时相对坐标系的零点就是编程坐标系的零点)。
2、工件坐标系G54设定(图5.1)对刀完成以后,按“综合”,记下此时机械坐标系的X、Y Z的值。
《数控车床对刀操作技能实训教案》一、实训题目:数控车床对刀操作二、实训目标:1、知识目标:了解数控仿真软件的应用、理解对刀的目的及过程。
理解对刀点、刀位点、换刀点的含义。
2、技能目标:理解并掌握数控车床试切法对刀操作。
三、实训重点:对刀的含义、目的及试切法对刀操作的步骤。
四、实训难点:试切法对刀操作的步骤及过程。
五、实训要求及操作注意事项:1、认真理解各种刀具的对刀操作步骤。
2、严格按照机床的操作规则操作。
3、认真完成实训操作任务。
4、认真操作机床,遵守实训纪律。
5、认真擦拭机床,认真搞好车间卫生。
6、认真完成实训报告。
六、实训内容及过程:(一)、组织实训:1、检查班级出勤情况,填写课堂教学信息卡;2、检查学生复习情况并提问;(1)机床坐标系的含义?(2)工件坐标系的含义?3、检查学生预习情况并提问;(1)什么是对刀,对刀的目的是什么?(2)对刀的方法及过程?4、回顾上节课内容,引出本节课内容。
(二)、讲解新课Ⅰ、提出任务:1、什么是对刀,对刀的目的是什么?2、对刀点、刀位点、换刀点的含义?3、对刀的方法、如何在数控车床上进行对刀?Ⅱ、讨论任务:<一>、理论知识:1、宇龙数控仿真软件的使用(要求了解)。
(略)2、对刀的目的及过程(要求理解掌握)。
编程人员所编的程序是按照零件轮廓在工件坐标系上的坐标编写的,而机床在加工零件时是按照刀具在机床坐标系的坐标进行加工的,那么,工件坐标系和机床坐标系是如何建立联系的呢?就是通过对刀。
对刀的目的:就是确定工件坐标系的原点(称工件原点、程序原点、编程原点、加工原点)在机床坐标系中的位置。
即工件坐标系与机床坐标系的关系。
对刀的过程:对刀的过程实际上就是设置刀具偏移值(工件原点偏置值——工件原点到机床原点的距离),即设定工件坐标系的过程。
如图所示:对刀示意图在加工时,工件随夹具安装在机床上,这时我们测量工件原点与机床原点之间的距离(X偏置、Z偏置),称作工件原点偏置。
任务七建立工件坐标系(对刀)[教学目标]1.了解工件坐标系的建立方法;2.掌握工件坐标系参数表的设置;3.了解寻边器、Z轴设定器结构;3.掌握试切法对刀的方法及步骤;4.掌握使用寻边器、Z轴设定器对刀的方法及步骤;5.能通过对刀操作建立工件坐标系。
[教学重点]1.了解工件坐标系的建立方法;2.掌握工件坐标系参数表的设置[教学难点]1.了解工件坐标系的建立方法;2.掌握工件坐标系参数表的设置。
[教学过程]新课教学所谓对刀,其目的就是确定工件坐标系原点在机床坐标系中的位置,从而建立机床坐标系,即将对刀后的数据输入工件坐标系G54-G59的参数表中,在程序中调用该坐标系。
工件坐标系G54-G59的参数是该原点在机床坐标系的坐标值,它储存在机床内,无论停电、关机或者换班后,它都能保持不变。
同时,通过对刀可以确定加工刀具和基准刀具的刀补,即通过对刀确定出加工刀具与基准刀具在Z轴方向上的长度差,以确定其长度补偿值。
根据工件表面是否已经被加工,可将对刀分为试切法对刀和借助仪器或量具对刀两种方法。
一、试切法对刀试切法对刀适用于尚需加工的毛坯表面或加工精度要求较低的场合。
具体操作步骤如下:(1)首先启动主轴。
按下按钮机床操作面板上的MDI按钮和数控操作面板上的程序按钮,输入“M03 S800”,然后按下循环启动按钮,主轴开始正转。
(2)按下手动操作按钮,然后通过操作按钮,将刀具移动到工件附近,并在X轴方向上使刀具离开工件一段距离, Z轴方向上使刀具移动到工件表面以下,然后换用手轮将刀具慢慢移向工件的左表面,当刀具稍稍切到工件时,停止X方向的移动。
此时,按下数控操作面板上的位置功能键,显示出机床的机械坐标值,并记录该数值。
将刀具离开工件左边一定距离,抬刀,移至工件的右侧,再下刀,在工件的右表面再进行一次试切,并记录下该处的机械坐标值。
将两处的机械坐标值相加再除以2,就得到该工件的中心坐标的机械坐标值,将所得的值输入到G54的X坐标中即可。
数控铣床实训教案——认识数控铣床的对刀及刀具补偿课堂教学安排图2-1刀具左半径补偿指令G41,右半径补偿指令G42在编写数控程序半径补偿程序时,只需写出所需刀具半径补偿参数所对应的寄存器编号即可。
如,D01调用存在半径补偿寄存器编号为1的地址内半径补偿值。
实际加工时,数控系统将该编号对应的刀具半径偏置寄存器中存放的刀具半径取出,对刀具中心轨迹进行补偿计算,生成实际的刀具中心运动轨迹。
(3)G40、G41、G42指令格式刀具半径补偿指令的格式如下:G00/G01 G41/G42 X~Y~D~;G00/G01 G40 X~Y~;其中:G41为左偏置刀具半径补偿指令,G42为右偏置刀具半径补偿指令。
G40 取消刀具半径补偿。
如图2-1所示,当沿着刀具前进方向看,刀具中心在零件轮廓左边时为左偏置,刀具中心在零件轮廓右边时为右偏置。
a、G41 建立半径补偿b、G40取消半径补偿2-2半径补偿建立和取消(4)半径补偿的建立、执行和撤销在轮廓加工过程中,刀具半径补偿的执行过程一般分为刀具半径补偿的建立、刀具半径补偿的执行和刀具补偿撤销三步。
如图2-2,用半径补偿功能编写轮廓加工程序。
设φ24立铣刀编号为T01,半径补偿号为D01,存储器的D01中存放半径补偿值D01=12。
编写轮廓加工程序O5402如下:O5402 主程序号N1 G54 G90 G40;建立工件坐标系,程序初始设定;S300 M03;主轴旋转;N2 G00 X-42 Y-42;快进到点S;N3 Z-2.0;Z轴下刀到Z= -2;N4 G41 G01 X0 Y-24 F200 D1;在SP直线运动中建立半径补偿;N5 G01 Y40 F100;直线插补至A;N6 X110 Y69.47;直线插补至B;N7 Y20;直线插补至C;N8 G02 X90 Y0 R20;顺圆插补至D;刀具因磨损、重磨、换新而引起刀具直径改变后,不必修改程序,只需在刀具参数设置中输入变化后刀具直径。
数控铣对刀教案机电体育教研室邵加发教学目标:1.掌握华中系统基本操作。
2.熟练掌握系统面板操作。
3.熟知华中系统常见问题和解决方法。
4.了解工件坐标系的建立和对刀。
5.掌握相对坐标清零。
6. 能完成寻边器分中对刀,并掌握双边对中对刀方法衍生的单边对刀方法。
教学重点:1.了解数控铣床的基本操作。
2.认识并会使用寻边器。
3.初步了解加工工件时寻边器的找正方法。
教学难点:1.寻边器的使用2.工件的对刀方法及其工件坐标系设定教学手段:实物演练、多媒体、电子课件等相互结合。
教学课时:2学时。
教学过程:一、上节课知识回顾:二、课题导入:提问题:1、网上查到些什么资料?数控铣床面板会操作了吗?2、你做了解的对刀方法有哪些,各种对到方法看懂了吗?对刀原理理解了吗?各种方法分析了吗?讲这些干嘛呢?就是给我们今天的课坐铺垫。
好了今天我们所学内容是:数控铣床基本操作和及其对刀。
三、新课教学:试切法对刀试切法对刀,这种方法就是用已安装在主轴上的刀具,通过手轮移动各轴,使旋转刀具与工件表面做微量的接触,这种方法简单方便,但会在工件上留下切削痕迹,切对刀精度较低。
这种方法主要使用在毛坯零件,或工件外轮廓粗加工的情况下。
对刀步骤:X方向对刀:刀具移到X1位置处,下刀5mm左右试切,X轴坐标值相对清零;提刀,移动刀具到X2处,下刀5mm左右试切,记下X2处相对坐标值为X2。
计算X2/2;提刀,将刀具移动到X2/2处,此点位X方向中点。
X轴坐标值相对清零;。
Y方向对刀:刀具移到Y1位置处,下刀5mm左右试切,Y轴坐标值相对清零;提刀,移动刀具到Y2处,下刀5mm左右试切,记下Y2处相对坐标值为Y2,计算Y2/2;提刀,将刀具移动到Y2/2处,此点位Y方向中点。
Y轴坐标值相对清零。
Z方向对刀:在对Z轴的时候,我们需要换上当前刀具,使用试切法或塞尺来对Z轴进行对刀找正。
在需要精度较高的时候,我们还可以采用Z轴设定器来对工件进行对刀。
课题二面板操作、坐标系的确定和对刀(一)课前准备:1、考勤点名,检查学生着装是否符合实习教学要求2、强调有关安全文明生产的要求(二)教学要求:1、掌握FANUC 0i-MB和广数983数控铣床的面板操作2、掌握数控铣的对刀3、了解数控机床的坐标系的确定(三)重点与难点:1、熟练准确的设定工件坐标系——对刀2、对刀后能检查、判别对刀是否正确(四)教学主要内容:数控铣床操作面板操作面板的功能和开关的布局随机床的不同而异,因为我们现在学习的机床系统有两种,这里我们介绍我们学校有的要用到的两种操作面板,一种广数983M系统的,另一种FANUC 0i-MB数控铣床加工中心操作面板。
一、广数983系统数控铣床操作面板的了解1、急停(红色)在紧急情况下,按急停按钮,机床所有轴运动立即停止。
同时按钮一直被闭锁在停止位置。
通常是通过按下按钮作顺时针旋转来释放。
注1:按下此按钮,电机电源被切断。
注2:控制单元处于复位状态。
注3:在按钮释放前要排除故障。
注4:按钮释放后,用手动操作或用G28指令返回参考点。
2、方式选择(1)编辑(EDIT)1)程序记录入存贮器2)程序的修改。
插入和删除3)存贮器内程序输出和编辑其他程序(2)自动(MEMORY)1)可执行存贮器内存的程序2)可执行存贮器内程序的顺序号检索(3)录入(MDI) 1)通过 MDI 和机床操作面板可以实现手动数据输入(4)手动(JOG) 1)可执行点动进给(5)手轮(HANDLE) 1)可执行手摇进给(6)回零(JOG)回机床零点,与手动运行有关的操作(7)点动进给点动进给能够使机床移动。
1) 把方式选择开关设定在“手动”位置2) 选择运动轴机床沿选择方向移动注1:用手动操作可同时控制2轴。
注 2:电源接通后,即使“方式选择”开关定在“点动”位置,机床被选择的轴也不立即运动,此时必须对轴重新进行选择。
(8)快速移动按着此按钮,可使轴在选定方向上作快速移动注1:手动快速移动时的进给速度,时间常数和加减速方式与用G00程序指令时的快速移动速度相同。
《数控车床对刀操作技能实训教案》章节一:数控车床对刀操作概述1.1 学习目标了解数控车床对刀操作的基本概念。
掌握数控车床对刀操作的重要性和目的。
熟悉数控车床对刀操作的基本步骤。
1.2 教学内容数控车床对刀操作的定义。
数控车床对刀操作的作用。
数控车床对刀操作的基本步骤。
1.3 教学方法采用讲授法讲解数控车床对刀操作的基本概念和作用。
通过演示法展示数控车床对刀操作的基本步骤。
1.4 教学评估进行课堂提问,检查学生对数控车床对刀操作概念的理解。
观察学生在模拟操作中的表现,评估学生对数控车床对刀操作步骤的掌握程度。
章节二:数控车床对刀操作准备工作2.1 学习目标掌握数控车床对刀操作前的准备工作。
2.2 教学内容数控车床对刀操作前的准备工作内容。
2.3 教学方法采用讲授法讲解数控车床对刀操作前的准备工作。
2.4 教学评估进行课堂提问,检查学生对数控车床对刀操作前准备工作的理解。
章节三:数控车床对刀操作步骤3.1 学习目标掌握数控车床对刀操作的步骤。
3.2 教学内容数控车床对刀操作的具体步骤。
3.3 教学方法采用讲授法讲解数控车床对刀操作的具体步骤。
通过演示法展示数控车床对刀操作的步骤。
3.4 教学评估进行课堂提问,检查学生对数控车床对刀操作步骤的理解。
观察学生在模拟操作中的表现,评估学生对数控车床对刀操作步骤的掌握程度。
章节四:数控车床对刀操作注意事项4.1 学习目标掌握数控车床对刀操作的注意事项。
4.2 教学内容数控车床对刀操作的注意事项。
4.3 教学方法采用讲授法讲解数控车床对刀操作的注意事项。
4.4 教学评估进行课堂提问,检查学生对数控车床对刀操作注意事项的理解。
章节五:数控车床对刀操作实训5.1 学习目标掌握数控车床对刀操作的实际操作技能。
5.2 教学内容数控车床对刀操作的实训指导。
5.3 教学方法采用讲授法讲解数控车床对刀操作的实训指导。
通过演示法展示数控车床对刀操作的实际操作。
5.4 教学评估观察学生在实训中的表现,评估学生对数控车床对刀操作实际操作技能的掌握程度。
“数控铣床对刀”教案讲义教案讲义:数控铣床对刀一、教学目标:1.了解数控铣床对刀的概念和重要性;2.掌握数控铣床对刀的基本步骤;3.熟悉数控铣床对刀中的常见问题和解决方法;4.培养学生良好的操作习惯和安全意识。
二、教学内容:1.数控铣床对刀的概念和重要性;2.数控铣床对刀的基本步骤;3.数控铣床对刀中的常见问题和解决方法;4.操作习惯和安全意识的养成。
三、教学过程:Step 1:导入(5分钟)教师简要介绍数控铣床对刀的概念和重要性,引发学生的兴趣。
Step 2:讲解数控铣床对刀的基本步骤(25分钟)1.准备工作:a.确保数控铣床电源和电气线路正常;b.检查数控铣床刀具和工件的准备情况。
2.轴向对刀:a.将数控铣床主轴调至刀片轴线中心,用铣床主轴上刀杆对准刀片切刃中心;b.记录刀片外圈与数控铣床主轴端面的应有距离。
3.径向对刀:a.调整刀杆径向位置,使刀片与工件表面接触;b.使用专用的定位销或手感来校准刀具几何位置。
4.轴向初始化:a.起动数控铣床主轴;b.按照数控铣床的工艺程序,调整数控铣床主轴至工艺所需的轴向刀具长度。
Step 3:数控铣床对刀常见问题及解决方法(25分钟)1.轴向对刀不准确的问题及解决方法;2.径向对刀不准确的问题及解决方法;3.零点坐标偏差的问题及解决方法;4.缺少对刀工具的问题及解决方法。
Step 4:操作习惯和安全意识的培养(20分钟)1.讲解操作数控铣床的基本规范和安全操作要点;2.强调对刀的重要性和操作时要保持机床整洁的意识。
四、教学总结(5分钟)教师对本节课的内容进行总结,并强调学生对数控铣床对刀的重视程度。
五、教学评价:1.学生的问题回答情况;2.学生对数控铣床对刀基本步骤的掌握情况;3.学生对数控铣床对刀常见问题和解决方法的理解情况。
六、教学反思:本节课主要通过讲解数控铣床对刀的基本步骤、常见问题和解决方法,培养学生良好的操作习惯和安全意识。
在教学过程中,可以加入一些实际案例和操作演练,提高学生的实际操作能力。
《数控铣床的对刀》教学设计方案
使用教材:《数控铣工实习与考级》(高等教育出版社)
授课班级:15机电(1)班(中职二年级学生)
学生人数:40人
授课内容:数控铣床的对刀
计划学时:4课时
一教材分析
本课程所使用的教材为高等教育出版社编写的《数控铣工实习与考级》中等职业学校数控技术应用专业教学用书。
教学对象是我校机电、数控专业学生,本课程是数控技术专业的一门核心专业课。
本课程的任务是让学生熟练掌握数控机床加工程序编制的基础知识和基本加工操作方法,重点培养学生掌握常用数控铣床床编程方法及基本操作加工技能。
为数控加工考证及其他后续课程的学习奠定基础,是一门职业技能课,专业核心课。
二学情分析
我所授课对象是中职二年级学生,他们已经掌握了一定的专业知识及机床的基本操作,好奇心强,动手能力强,合作能力也很好,但理论基础普遍较差,对单纯的理论学习缺乏兴趣,因此在学习中采用小组合作的方法,既可以培养学生的团队合作精神,又可以让所有的同学都参与到教学活动中来,从而更好地发挥
学生的主体作用。
优势:学生喜欢实操型课程,动手能力强;对职业技能课程有较深厚的兴趣;
学生具有数控铣床的操作技能。
劣势:学生语言表达和逻辑能力相对较弱;对课程中涉及理论计算的部分不太感兴趣;缺乏机械制造工艺知识和经验;部分学生学习基础相对薄弱。
三教学目标
(一)知识目标:
1.理解数控铣床的对刀原理。
2.掌握数控铣床的对刀方法。
(二)能力目标:
1.掌握数控铣床对刀操作技术以及刀具的安装方法。
2.能查阅资料,培养学生搜集信息的能力。
3.培养学生的团队合作意识。
(三)情感目标:
1.通过任务驱动式教学教学,让学生体验学习乐趣,实现学中教、做中学。
2. 培养学生不怕困难和勇于探索、创新的精神。
重点:数控铣床对刀操作步骤。
难点:铣床对刀原理和思想。
五教法与学法
教法:任务驱动式教学法、理实一体教学法、情景教学法、演示教学法
学法:小组学习法、探究学习、自主学习,本课将通过指导学生采用自主学习和协作学习等方法,帮助学生在不断探索,不断交流、不断评价中自然达成学习目标,转变学习方式,提高学习能力。
六教具
数控铣床实训室
主要设备:机床、毛坯料、刀库、刀架扳手、直尺
七教学过程
讲解任务的要求
(二)任务实施
(1)数控铣床检查、开机、润滑、回零等基本操作。
(2)将工件用夹具装夹在机床工作台上,夹紧并找正。
装夹时,工件的六个面应先加工处理为基准面。
(3)将加工铣刀装夹在主轴刀柄上。
(4)主轴正转,在增量(手摇)方式下,将铣刀手摇至(速度先快后慢)工件左侧与工件左侧面刚好接触,此时记下数控系统显示机床坐标X值,即图示X1值,抬起铣刀准备下一点试切对刀,按图示位置依次完成左、右、前、后侧面试切,并记录对应X1、X2、Y1、Y2值。
上表面试切完毕后记录Z值。
(5)数控系统坐标系设置。
将记录数值按表9-1计算输入到机床相应工件坐标系(如G54)的存储位置即可。
序号
寄存器输入值
X Y Z
1 X1 Y1 Z
2 X1 Y2 Z
3 X2 Y2 Z 观看微课过程中,学生通过观看微视频了解对刀操作的方法,不会可以反复观看。
学生通过学习,可以培养学生的方法主动解决问题的能力。
教师阐述对刀的原理,讲解操作步骤,可让学生清楚对刀的重要性;通过动手操作,充分发挥学生的主动性,让学生参与到教学中来。
教师将学生进行分组,采用小组学习法,
讲解对刀的原理和思想观看
微视
频
学生动
手操作
找出
问题
解决存
在的不
足
八、教学反思
本教学设计使用的信息化手段有PPT课件,微课的交替使用可将知识形象化,直观化,充分调动和激发了学生的学习兴趣。
将理论知识和操作相结合,真正地实现了“学中教,做中学”。
在教学中采用任务驱动式教学法和小组学习法,小组角色分工,使学生在课堂变成了真正学习的主人,学生的动手操作能力得到很大提高。