25 抗滑桩评定 (2)
- 格式:xls
- 大小:23.00 KB
- 文档页数:1
抗滑桩防护方案计算验算抗滑桩原设计长度为15米,桩基埋入承台深度为4.5米,桩基另侧采用万能杆件支撑(见附后图)。
由于承台基坑开挖较深,在承台施工时万能杆件横向支撑干扰较大,给施工带来很大的不便。
为此提出抗滑桩防护修改方案:1、取消万能杆件横向支撑;2、加大抗滑桩入土埋置深度,由4.5米增至9米,总桩长增至19米;3、在桩顶部设1.2m×0.8m系梁连接所有抗滑桩,加强桩顶部的整体稳定性。
具体验算如下:一、桩长及桩身最大弯矩计算开挖深度10米,桩下土层为新黄土和圆砾土,土的内摩擦角取35°,土的重度γ=18KN/m3,无地下水,采用人工挖孔灌注桩支护。
取1米为计算单元,计算桩入土深度及最大弯矩。
顶部车辆荷载P=10KN/m2。
1、桩的入土深度14.06224.0696.64)(67.632/77.284283.1083.010837.0)(49.51271.010271.0181069.3)245(271.0)245(/191056.0101856.0181032'223'''=====-====⨯⨯+⨯⨯⨯==+=+==-==⨯+⨯⨯=⨯+⨯⨯==+==-==+⨯=+⨯====∑∑∑l K E n l K E m r K K K mh m KN K P h K h l E h l rK K e K P K h e tg K tg K m KN h h h m Ph P P aa P γγαγααααααααγμμγϕϕγγγ由m ,n 值查图(布氏理论曲线)得:62.0=ωm x t m l x 89.82.171.662.083.10=+==⨯==μω故挖孔桩总长为10+8.89=18.9m (按19m 施工) 2、桩的最大弯矩计算∑∑•=-=---+==-=m KN x K K x l E M mK K E x mP m P m 8.174607.28185.20276)()(96.2')(23'maxγαγαα设桩中心距按1.5米布置则每根桩最大弯矩为1746.8×1.5=2620KNm 最大弯矩在承台底2.96m 处。
抗滑桩质量控制要点引言概述:抗滑桩是一种用于防止建造物或者结构物在地震或者风力作用下发生滑移的一种基础工程措施。
为了确保抗滑桩的质量,需要严格控制各个环节的施工过程。
本文将从五个大点出发,详细阐述抗滑桩质量控制的要点。
正文内容:1. 抗滑桩设计要点:1.1. 基础条件评估:对地质条件、土壤性质、地下水位等进行全面评估,确定抗滑桩的设计参数。
1.2. 抗滑桩布置:根据建造物的结构特点和地质条件,合理布置抗滑桩的位置、间距和深度。
1.3. 桩身材料和尺寸:选择适当的桩身材料和尺寸,确保抗滑桩的强度和稳定性。
1.4. 桩顶锚固:采用合适的桩顶锚固措施,确保抗滑桩与建造物之间的连接坚固可靠。
1.5. 荷载计算:根据建造物的荷载特点和地质条件,合理计算抗滑桩的承载力和变形特性。
2. 抗滑桩施工要点:2.1. 桩身施工:采用适当的施工方法和设备,确保抗滑桩的垂直度、直径和长度符合设计要求。
2.2. 桩顶锚固施工:采用专业的锚固施工工艺,确保抗滑桩与建造物之间的连接坚固可靠。
2.3. 桩基检测:在施工过程中进行桩基检测,及时发现和解决施工中的质量问题。
2.4. 施工质量控制:严格按照设计要求和施工规范进行施工,确保抗滑桩的质量和稳定性。
2.5. 施工记录和验收:做好施工记录,进行抗滑桩的验收,确保施工质量符合要求。
3. 抗滑桩质量监控要点:3.1. 施工过程监控:对抗滑桩的施工过程进行实时监控,发现问题及时处理。
3.2. 桩基检测监控:对抗滑桩的桩基进行定期检测,确保抗滑桩的质量和稳定性。
3.3. 施工记录和档案管理:做好施工记录和档案管理,便于后期的质量追溯和问题处理。
4. 抗滑桩质量评估要点:4.1. 抗滑桩质量评估标准:制定抗滑桩质量评估的标准和方法,对抗滑桩的质量进行评估。
4.2. 桩基检测数据分析:对桩基检测数据进行分析,评估抗滑桩的质量和稳定性。
4.3. 质量问题处理:对抗滑桩存在的质量问题进行处理,确保抗滑桩的质量符合要求。
XXXXX工程NO.2标段K1+8XXX~K2+2XX抗滑桩试验检测方案一、试验目的按设计要求,分别进行抗滑桩单桩水平静载试验和抗滑桩桩身完整性检测,检验抗滑桩是否满足设计和有关规范要求。
二、试验方案设计依据1.XXXXX工程NO.2标段K1+8XXX~K2+2XX左抗滑桩、右挡土墙施工图设计,XXX市城市规划设计院,2005.5;2.《建筑边坡工程技术规范》(GB50330-2002),中华人民共和国国家标准;3.《建筑基桩检测技术规范》(JGJ106-2003),中华人民共和国行业标准。
三、试验工作量及位置1.单桩水平静载试验XXX市XXX路工程NO.2标段K1+8XXX~K2+2XX处有两个中小型滑坡,根据设计文件,本场地设140根抗滑桩,其中K1+8XXX~K2+2XX右侧设桩板式挡墙,桩径1.4m,桩距5m,桩长20m,共82根,根据《建筑基桩检测技术规范》(JGJ106-2003)第3.3.8款规定、施工图设计及本场地工程地质条件,拟进行单桩水平静载试验检测的桩数为3根,水平承载力设计值730KN,试桩最大加荷值为设计值的1.2倍,876KN。
单桩水平静载试验的参数如表1所示。
表1 单桩水平静载试验参数2.桩身完整性检测桩基完整性按《建筑地基工程施工质量验收规范》(GB50202-2002)第5.1.6条规定,检测频率应达到100%,即82根进行低应变动力检测,以检查桩身完整性。
四、试验方法(一)桩身完整性检测1.测试方法依据中华人民共和国行业标准《建筑基桩检测技术规范》(JGJ106-2003),本次抗滑桩桩身完整性检测采用低应变动力检测法,采用反射波法对基桩结构完整性进行评定。
低应变动力检测法测桩的示图1 低应变检测法示意图意图如图1所示,其基本原理为:用锤激励桩头,所产生的应力波将沿着桩身向下传播,在传播过程中,如遇到波阻抗界面,将产生声波的反射和透射,应力波反射和透射能量的大小取决于两种介质波阻抗的大小。
2013年最新公路工程质量检验评定标准(JTGF80/1-2004)目录1总则 ...................................................................................................................................................................... - 10 - 2术语 ...................................................................................................................................................................... - 10 - 3工程质量评定 ...................................................................................................................................................... - 10 - 4路基土石方工程 .................................................................................................................................................. - 13 -4.2土方路基 .................................................................................................................................................. - 13 -表4.2.2土方路基实测项目 ......................................................................................................................... - 13 -4.3石方路基 .................................................................................................................................................. - 14 -表4.3.2石方路基实测项目 ......................................................................................................................... - 14 -4.4软土地基处治 .......................................................................................................................................... - 15 -表4.4.2-1砂垫层实测项目 ......................................................................................................................... - 15 - 表4.4.2-2袋装砂井、塑料排水板实测项目.............................................................................................. - 15 - 表4.4.2-3碎石桩(砂桩)实测项目 ............................................................................................................. - 16 - 表4.4.2-4粉喷桩实测项目 ......................................................................................................................... - 16 -4.5土工合成材料处治层 .............................................................................................................................. - 16 -表4.5.2-1加筋工程土工合成材料实测项目.............................................................................................. - 16 - 表4.5.2-2隔离工程土工合成材料实测项目.............................................................................................. - 16 - 表4.5.2-3过滤排水工程土工合成材料实测项目...................................................................................... - 17 - 表4.5.2-4防裂工程土工合成材料实测项目.............................................................................................. - 17 - 5排水工程 .............................................................................................................................................................. - 17 -5.2管节预制 .................................................................................................................................................. - 17 -表5.2.2管节预制实测项目 ......................................................................................................................... - 18 -5.3管道基础及管节安装 .............................................................................................................................. - 18 -表5.3.2管道基础及管节安装实测项目 ..................................................................................................... - 18 -5.4检查(雨水)并砌筑 .................................................................................................................................. - 19 -表5.4.2检查(雨水)井砌筑实测项目 ......................................................................................................... - 19 -5.5土沟 .......................................................................................................................................................... - 19 -表5.5.2土沟实测项目 ................................................................................................................................. - 19 - 表5.6.2浆砌排水沟实测项目 ..................................................................................................................... - 20 -5.7盲沟 .......................................................................................................................................................... - 20 -表5.7.2盲沟实测项目 ................................................................................................................................. - 20 -5.8排水泵站 .................................................................................................................................................. - 21 -表5.8.2排水泵站(沉井)实测项目 ............................................................................................................. - 21 - 6挡土墙、防护及其它砌筑工程 .......................................................................................................................... - 21 -6.2砌体挡土墙 .............................................................................................................................................. - 21 -见表6.2.2-1及6.2.2-2。
桩孔检验批质量验收记录表说明主控项目1.抗滑桩桩孔断面尺寸不得小于桩身设计断面尺寸加护壁厚度。
检验数量:施工单位检验5~10个断面。
监理单位见证检验1~2个断面。
检验方法:尺量。
2.桩孔孔型应符合设计要求。
检验数量:施工单位、监理单位全部检查。
检验方法:观察、测量。
3.桩孔孔底持力层应符合设计要求。
检验数量:施工单位、监理单位全部检查。
检验方法:现场鉴别。
一般项目1.桩孔中心位置、断面尺寸、孔底高程、桩孔垂直度允许偏差及检验方法应符合下表的规定。
桩孔中心位置、断面尺寸、孔底高程、桩孔垂直度允许偏差及检验方法钢筋骨架检验批质量验收记录表说明主控项目1.钢筋的品种、规格、质量应符合设计要求,其进场检验应符合《铁路路基工程施工质量验收标准》(TB10414─2003)附录E的规定。
2.钢筋骨架的规格、数量、钢筋骨架形式、钢筋连接方式应符合设计要求。
检验数量:施工单位全部检查;监理单位按施工单位检验数量的10%平行检验。
检验方法:观察、尺量。
3.竖向主钢筋或其他钢材的接头应避开土石分界和滑动面处。
接头分布应符合设计要求。
检验数量:施工单位、监理单位全部检查。
检验方法:观察、尺量。
4.桩身钢筋接头的施工质量应符合铁道部现行《铁路混凝土与砌体工程施工质量验收标准》(TB10424)的有关规定。
一般项目1.抗滑桩钢筋骨架安装尺寸允许偏差及检验方法应符合下表的规定。
抗滑桩钢筋骨架安装尺寸允许偏差及检验方法主控项目1.抗滑桩混凝土所用水泥、粗、细骨料、外加剂等原材料的品种、规格、质量应符合设计要求,其进场检验应符合《铁路路基工程施工质量验收标准》(TB10414─2003)附录E的规定。
2.抗滑桩桩身混凝土强度等级应符合设计要求。
检验数量:施工单位每100 m3混凝土取1组试件,不足100 m3亦制取1组试件。
监理单位按施工单位检验数量的10%平行检验,且不少于1组。
检验方法:抗压强度试验。
3.抗滑桩桩身混凝土应连续、完整。
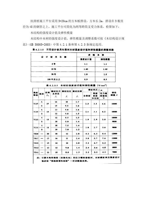
抗滑桩施工平台采用5*20cm的方木板搭设,方木长2m,搭设在3根直径为48的钢管之上,施工平台可简化为两等跨简支受力体系,检算如下:木结构的强度设计值及弹性模量
木结构中木材的强度设计值、弹性模量及调整系数可按《木结构设计规范》(GB 50005-2003)中第4.2.1条和第4.2.3条规定选用。
方木搁置于48钢管上,楞木间距80cm 。
方木的力学性能指标按《木结构设计规范》(JT 50005-2003)中的TC-13类木材并考虑露天条件、设计使用年限、湿材等条件进行调整,则:
130.9 1.10.911.6m f MPa ⨯⨯⨯==,3310100.85 1.10.98.410E MPa =⨯⨯⨯⨯=⨯。
按三跨连续梁来计算,模型如下:
方木截面参数指标:
3223.833336502006mm bh W =⨯==;43
33.208333312
5020012mm bh I =⨯==
(1)方木检算
钢管间距0.8m ,因此方木计算跨度为0.8m 。
① 集中荷载
抗滑桩施工时,施工平台上只有施工人员及施工机具,因此取集中荷载为
2.5kN 。
kN P 5.2=
②强度检算
m KN pl M .406.08.05.2203.0203.0max =⨯⨯==
MPa MPa W M 6.1187.43.8333310406.06
max max ≤=⨯==σ 满足要求
② 刚度检算
mm mm EI pL 2400800
00027.0833333384001008005.2497.1100497.13
3=≤=⨯⨯⨯⨯
==δ
满足要求。
抗滑动桩验算计算项目:万源太平镇先农坛村四社廖清平民宅周边PX2------------------------------------------------------------------------原始条件:墙身尺寸:桩总长: 15.000(m)嵌入深度: 6.700(m)截面形状: 方桩桩宽: 1.000(m)桩高: 1.500(m)桩间距: 5.000(m)嵌入段土层数: 2桩底支承条件: 铰接计算方法: K法土层序号土层厚(m) 重度(kN/m3) 内摩擦角(度) 土摩阻力(kPa) K(MN/m3) 被动土压力调整系数1 2.000 22.500 25.00 170.00 50.0001.0002 50.000 24.500 30.00 180.00 100.000 1.000桩前滑动土层厚: 0.000(m)锚杆(索)参数:锚杆道数: 0锚杆号锚杆类型竖向间距水平刚度入射角锚固体水平预加筋浆强度( m ) ( MN/m ) ( 度 ) 直径(mm) 力(kN) fb(kPa)物理参数:桩混凝土强度等级: C30桩纵筋合力点到外皮距离: 50(mm)桩纵筋级别: HRB400桩箍筋级别: HPB235桩箍筋间距: 200(mm)挡土墙类型: 一般挡土墙墙后填土内摩擦角: 35.000(度)墙背与墙后填土摩擦角: 19.000(度)墙后填土容重: 19.500(kN/m3)横坡角以上填土的土摩阻力(kPa): 25.00横坡角以下填土的土摩阻力(kPa): 180.00坡线与滑坡推力:坡面线段数: 9折线序号水平投影长(m) 竖向投影长(m)1 1.500 0.0002 0.000 1.5813 7.019 0.0004 0.000 2.0005 9.983 0.0006 0.000 -2.0007 0.580 0.0008 0.369 2.0009 20.000 0.000地面横坡角度: 19.000(度)墙顶标高: 0.000(m)参数名称参数值推力分布类型梯形梯形荷载(q1/q2) 0.500桩后剩余下滑力水平分力 341.000(kN/m)桩后剩余抗滑力水平分力 0.000(kN/m)采用土压力计算时考虑了桩前覆土产生的被动土压力覆土重度(kN/m3): 19.600覆土内摩擦角(度): 15.000覆土粘聚力(kPa): 0.000覆土被动土压力调整系数: 0.100钢筋混凝土配筋计算依据:《混凝土结构设计规范GB 50010--2002》注意:内力计算时,滑坡推力、库仑土压力分项(安全)系数 = 1.200===================================================================== 第 1 种情况: 滑坡推力作用情况[桩身所受推力计算]假定荷载梯形分布桩后: 上部=136.948(kN/m) 下部=273.896(kN/m)桩前: 上部=0.000(kN/m) 下部=0.000(kN/m)桩前分布长度=0.000(m)(一) 桩身内力计算计算方法: K 法背侧——为挡土侧;面侧——为非挡土侧。
黄色文字感觉不需要,最尾部附上桩基平面、立面、锚索、锚杆A3图冼屋村边坡支护检测方案第一章编制依据一、主要图纸及规程、规范第二章工程概况一、工程概述项目位于深圳市宝安区田贝至大水坑道路工程(龙观快速路北段)ZF2+780~ZF2+900段东侧边坡受坡顶村道及现状不能拆迁的厂房等建筑限制,原道路路堑边坡不能实施,需对该段边坡重新进行支挡防护设计。
本工程基础采用人工挖孔桩,桩入土深度不小于6m,且进入强风化岩层不小于1m,桩间距3m,本工程总桩数为26根,设计桩长分别为12.4m~14.2m;桩身采用矩形截面C30钢筋混凝土挖孔抗滑桩,b×h=1.2×1.5m;钢筋直径分别为φ12~φ25;桩身砼及护壁砼强度为C30级商品混凝土;桩顶设置1.7×0.8m 冠梁,冠梁1/2处设一排锚索。
二、岩土分层及其特性2.1场地地形与地貌工程场地位于深圳市龙华新区观澜街道,茜坑水库以东。
场地原始地貌为低丘陵,开挖道路后形成本边坡。
补充勘察段边坡约160m,高约7~8m,开挖形成的现状边坡坡度约50~60°,坡顶地面高程75.56~75.77m,坡底道路设计地面高程67.11~69.17m。
2.2场地工程地质条件根据地质调查及钻探揭露,本边坡工程场地地层自上而下为第四系残积层(Q el)、燕山期花岗岩的全、强风化层,分述如下:2.2.1第四系残(Q el)砾质粘性土(层号①):褐红、褐黄色,由粗粒花岗岩风化残积而成,矿物成份除石英外已全部风化成土,硬塑状态为主,局部为可塑状态。
3)2.2.2第四系沼泽相沉积层(γ5本场地下伏基岩为中生代燕山期花岗岩,粗粒花岗结构,块状构造,本次勘察公揭露到其全、强风化层,分述如下:(1)全风化花岗岩()(层号②):褐红、褐黄色,岩石完全风化,矿物成份除石英外已全部风化成土,原岩结构可辨,岩芯呈坚硬土状。
(2)强风化花岗岩()(层号③):褐黄色,岩石强烈风化,暗色矿物已风化成土,钾长石手捏不碎,岩芯呈土状~砂砾状。
黄色文字感觉不需要,最尾部附上桩基平面、立面、锚索、锚杆A3图冼屋村边坡支护检测方案第一章编制依据一、主要图纸及规程、规范序号内 容设计图纸1冼屋村边坡支护设计变更方案施工规范及法规1《建筑桩基检测技术规范》(JGJ106-2003 J256-2003)2《公路工程基桩动测技术规范》(JGJ/T F81-01-2004)3《建筑边坡工程技术规范》(GB50330-2002)4《建筑桩基技术规范》(JGJ94-2008)5《深圳市基坑支护技术规范》(SJG05-2011)6粤交监督[2005]381号文件第二章工程概况一、工程概述项目位于深圳市宝安区田贝至大水坑道路工程(龙观快速路北段)ZF2+780~ZF2+900段东侧边坡受坡顶村道及现状不能拆迁的厂房等建筑限制,原道路路堑边坡不能实施,需对该段边坡重新进行支挡防护设计。
本工程基础采用人工挖孔桩,桩入土深度不小于6m,且进入强风化岩层不小于1m,桩间距3m,本工程总桩数为26根,设计桩长分别为12.4m~14.2m;桩身采用矩形截面C30钢筋混凝土挖孔抗滑桩,b×h=1.2×1.5m;钢筋直径分别为φ12~φ25;桩身砼及护壁砼强度为C30级商品混凝土;桩顶设置1.7×0.8m冠梁,冠梁1/2处设一排锚索。
二、岩土分层及其特性2.1场地地形与地貌工程场地位于深圳市龙华新区观澜街道,茜坑水库以东。
场地原始地貌为低丘陵,开挖道路后形成本边坡。
补充勘察段边坡约160m,高约7~8m,开挖形成的现状边坡坡度约50~60°,坡顶地面高程75.56~75.77m,坡底道路设计地面高程67.11~69.17m。
2.2场地工程地质条件根据地质调查及钻探揭露,本边坡工程场地地层自上而下为第四系残积层(Q el)、燕山期花岗岩的全、强风化层,分述如下:2.2.1第四系残(Q el)砾质粘性土(层号①):褐红、褐黄色,由粗粒花岗岩风化残积而成,矿物成份除石英外已全部风化成土,硬塑状态为主,局部为可塑状态。
抗滑桩失效模式和安全评价指标研究摘要:在滑坡治理中应用得最多的就是抗滑桩这种工程结构。
不过其隐蔽性较强,在对其进行检查的时候会有很多技术上的难题,很多这样或者那样的问题会影响到整个边坡的防护。
一旦抗滑桩出现了破坏,就会给国家和人民带来严重的损失,同时还会破坏生态平衡和环境景观,因此抗滑桩的安全评价指标显得非常重要。
关键词:抗滑桩;失效模式;安全性;评价指标;滑坡治理边坡是由在自然条件下或者人工条件下形成的斜坡,同时也是人类工程活动中最基本的地质环境之一,也是最为常见的一种工程形式。
全球性的地质灾害可以分成三种,分别是地震、洪水、崩塌滑坡泥石流,其中之一的崩塌滑坡泥石流会造成边坡失去稳定性,严重的话还会导致坡下的建筑物遭受损坏,给国家和人民带来巨大的经济损失。
边坡破坏失稳的事故在全球很多地区都发生过,就在近20年来的世界范围内,由于自然条件和人为诱发等导致的崩塌事故,每年都会给世界造成高达上百亿美元的损失。
我国也是遭受边坡危害较为严重的国家之一,边坡危害给我国的很多行业造成了重大的损失,同时严重地影响到了人民的正常生活与生产活动。
1 抗滑桩失效模式1.1 病害分析抗滑桩的破坏大致可以分成以下的几种形式:第一种,内力不够,例如桩身在滑动面处被剪断,在最大弯矩处被拉断。
第二种,埋深不够或者根没有过滑面,锚固力不够,桩被推倒。
第三种,间距过大,如果滑体的含水量过高,就会导致其呈现流塑状,使得滑体土从桩间流出。
第四种,抗滑桩高柱高出滑面的高度不足或者桩位选择不恰当,致使滑坡从桩顶以上位置剪出,这就是越顶现象。
1.2 抗滑桩失效类型前人积累的相关经验以及大量的现场调查研究表明,很多的学者、专家先后都研究出了相关的一些规律,将失效的类型进行了一定的总结。
1.2.1 折断或剪断折断或剪断的表现都是使桩体产生永久性的破坏,也就会使其对滑体的支撑能力丧失,不过研究其原因,其产生破坏的机制还是有一定的区别的,因为下滑力的作用在桩体上的分布还是不够均匀,这样桩体危险的截面位置也不能够得到固定,可能会使其在滑动面之下,也可能会使其出现在滑动面之上。