99.后置埋件拉拔力检测报告(C3-4-24)
- 格式:xls
- 大小:21.00 KB
- 文档页数:1
山西省建筑工程施工资料填表范例及说明上册目录第一部分工程准备阶段和竣工验收文件A1、工程开工文件A41。
1建设工程规划许可证1。
2建筑工程施工许可证1。
3施工图设计文件审查合格书1。
4建筑节能设计认定书2、工程质量监督文件A52.1建设工程质量监督注册申报书(A5-1)2。
2建筑工程施工许可证(A5-2)2。
3施工图设计文件审查合格书(A5-3)3、工程竣工验收备案文件A63.1山西省工程竣工验收备案表(A6—1)3.2建筑工程竣工验收报告(A6—2)3.3建筑工程设计文件质量检查报告(A6-3)3.4建筑工程消防验收意见书3.5电梯验收检验报告4、其他文件A74.1建设工程概况(建筑工程类)(A7-1)第二部分施工监理资料B1、监理管理资料B11。
1监理规划1。
2监理实施细则1。
3监理月报1。
4监理工作总结1。
5监理专题报告1.6监理会议纪要(B1—1)1。
7监理日记(B1-2)1。
8建设工程质量评估报告(B1-3)1。
9监理工作联系单(B1—4)1。
10见证单位及见证人授权书(B1—5)2、进度控制资料B22.1工程开工/复工报审表(B2-1)2.2施工进度计划报审表(B2-2)2.3工程暂停令(B2—3)2。
4监理工程师通知单(B2-4)2.5监理工程师通知回复单(B2—5)3、质量控制资料B33.1施工组织设计(方案)报审表(B3—1)3。
2工程材料/构造件/设备报验表(B3-2)3.3工程报验单(B3-3)3。
4工程竣工预验报验单(B3-4)3。
5见证取样记录表(B3-5)3.6混凝土浇灌申请书(B3—6)3。
7工程质量问题/事故报告单(B3-7)3.8工程质量整改通知(B3—8)3。
9工程质量事故处理方案报审表(B3—9)3。
10监理抽检记录(B1-5)3。
11工程变更单(B3—11)3。
12施工试验见证取样汇总表(B3—12)4、造价控制资料B44.1工程款支付申请表(B4—1)4。
2023年质量员之装饰质量专业管理实务通关试题库(有答案)单选题(共30题)1、检查口、清扫口的设置:设计有规定时按设计要求设置,设计无规定时,应满足r)的规定。
直线管段上应按设计要求设置清扫口。
A.《室内管道支架及吊架》03S402B.《建筑给水排水及采暖工程施工质量验收规范》GB50242C.《给水排水管道工程施工及验收规范》GB50268-2008D.《采暖工程施工质量验收规范》GB50244【答案】 B2、对建设工程项目而言,不属于直接影响建设工程项目质量的自然因素()。
A.所在地点的水文B.所在地点的气象C.所在地点的气象D.施工现场的通风【答案】 D3、事中质量控制的重点不包括()。
A.确保工序质量合格B.坚持质量标准C.杜绝质量事故发生D.控制工作质量【答案】 D4、在施工项目成本控制中,为降低材料费所采取的措施不包括()。
A.制定好材料采购的计划B.改进材料的采购、运输、保管等方面工作,减少各个环节的损耗C.定期对机械设备进行保养和维护D.合理堆放现场材料,避免和减少二次搬运和摊销损耗【答案】 C5、下列不属于室内防水工程的质量缺陷的是()。
A.地面板材安装不牢固B.地漏周围渗漏C.墙身返潮和地面渗漏D.地面汇水倒坡【答案】 A6、石材在()、二次加工、安装过程中注意不要磕碰。
A.加工B.运输C.拼接D.分解【答案】 B7、地面面砖工程的施工质量控制点的预防措施中,施工前地面砖需要挑选,将颜色、花纹、()的砖挑选出来备用。
A.尺寸相同B.厚度相同C.性能相同D.材料相同【答案】 A8、装饰抺灰分项工程室外每个检验批每()应至少抽查一处,每处不得小于10㎡。
A.50㎡B.100㎡C.500㎡D.1000㎡【答案】 B9、隐框、半隐框幕墙所采用的结构粘结材料必须是中性硅酮结构密封胶,其性能必须符合()的规定。
A.《建筑用硅酮结构密封胶》GB16776B.《检测用硅酮结构密封胶》GB16776C.《结构用硅酮结构密封胶》GB17667D.《试验用硅酮结构密封胶》GB17667【答案】 A10、对施工现场场容、文明形象管理做出总体策划和部署的部门是()。
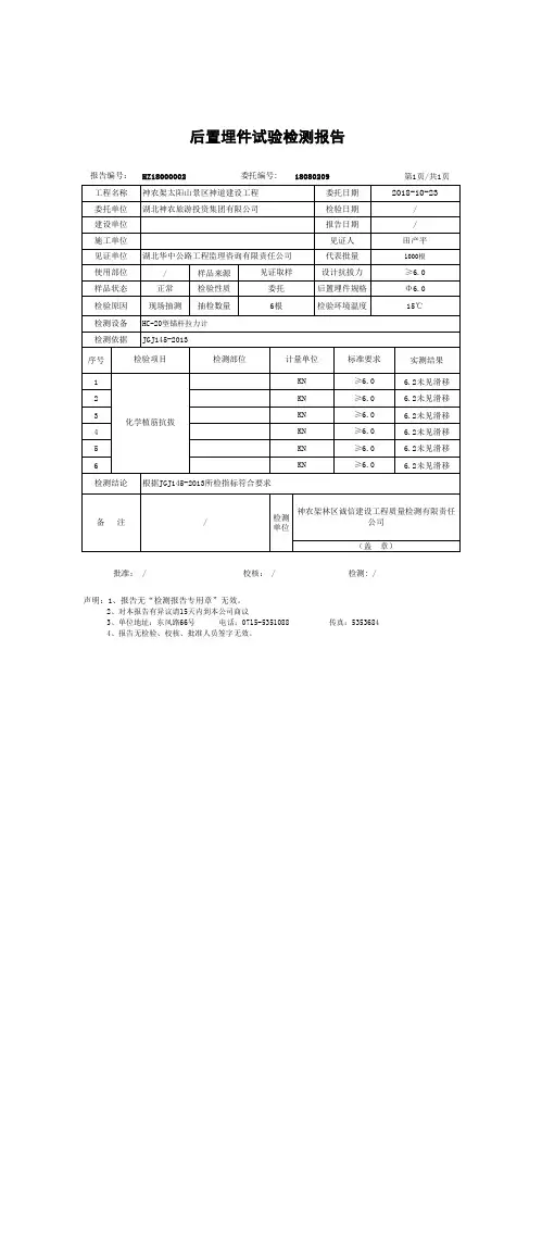
预埋/后置锚固件抗拔性能检验报告
委托单位:检验单位:(检测报告专用章)
工程名称:1
工程部位: 5.2.15、预埋/后置锚固件抗拔性能检验报告报告编号:
检评依据:
见证单位:检验类别:
见证人员:监督登记号:
养护条件:检验日期:年 月 日报告日期:年 月 日
声明: 1、本检验报告涂改、换页无效。
未经本单位书面批准,不得部分复制本检验报告。
(完全复制除外) 2、对本报告如有异议,应在收到报告15日内以书面形式向本单位提出,过期不予受理。
检验单位地址:电话:
批准:审核:主检:。
GB50210-2018《建筑装饰装修工程质量验收标准》原材料资料检查与复试项目要求一览表5 后置埋件和槽式预埋件的现场拉拔力检验报告;6 封闭式幕墙的气密性能、水密性能、抗风压性能及层间变形性能检验报告;7 注胶、养护环境的温度、湿度记录;双组分硅酣结构胶的混匀性试验记录及拉断试验记录;8 幕墙与主体结构防雷接地点之间的电阻检测记录;剥离粘结性试验;石材用密封胶的污染性;4 中空玻璃的密封性能;5 防火、保温材料的燃烧性能;6 铝材、钢材主受力杆件的抗拉强度。
9 12 涂饰工程12. 1. 2:材料的产品合格证书、性能检验报告、有害物质限量检验报告和进场验收记录;无要求10 13 被糊与软包工程13. 1. 2:2.饰面材料的样板及确认文件;3. 材料的产品合格证书、性能检验报告、进场验收记录和复验报告;4 饰面材料及封闭底漆、胶粘剂、涂料的有害物质限量检验报告;13. 1. 3 软包工程应对木材的含水率及人造木板的甲醒释放量进行复验。
11 14 细部工程14. 1. 2: 2 材料的产品合格证书、性能检验报告、进场验收记录和复验报告;14. 1. 3:细部工程应对花岗石的放射性和人造木板的甲醒释放量进行复验。
注:一、根据本国标规定:1. 0. 3 本标准应与现行国家标准《建筑工程施工质量验收统一标准》GB 50300 配套使用。
1. o. 4 建筑装饰装修工程的质量验收除应执行本标准外,尚应符合国家现行有关标准的规定。
二、《GB50300-2013建筑工程质量验收统一标准》相关原材料与功能检测规定(一)条文“3 基本规定”:3.0.3 建筑工程的施工质量控制应符合下列规定:1 建筑工程采用的主要材料、半成品、成品、建筑构配件、器具和设备应进行进场检验。
凡涉及安全、节能、环境保护和主要使用功能的重要材料、产品,应按各专业工程施工规范、验收规范和设计文件等规定进行复验,并应经监理工程师检查认可;2 各施工工序应按施工技术标准进行质量控制,每道施工工序完成后,经施工单位自检符合规定后,才能进行下道工序施工。
一、单项选择题1、硅酸盐水泥适用于(A)的混凝土工程。
A早期强度要求高 B、大体积 C、有耐高温要求 D、有抗渗要求2、结构设计中钢材强度的取值依据是(C)A、比例极限B、弹性极限C、屈服极限D、强度极限3、大体积混凝土应采用(D)振捣A、外部振动器B、振动台C、内部振动器D、振捣棒3、建筑钢材伸长率越大,说明钢材的(A)A、塑性越大B、强度越大C、耐疲劳性越好D、可焊性越好4、矿渣硅酸盐水泥包装袋两侧应采用(B)印刷水泥名称和强度等级。
A、红色B、绿色C、黑色D、蓝色5、水泥强度等级中,“R”表示(D)。
A、缓凝型B、速凝型C、膨胀型D、早强型6、观察验槽的重点应选择在(C)A、基坑中心点B、基坑边角处C、受力较大的部位D、最后开挖的部位7、硅酸盐水泥的细度用(C)表示。
A、颗粒粒径B、筛余率C、比表面积D、细度模数8、C30表示混凝土的(C)应大于或等于30MPa,且小于35MPa。
A、立方体抗压强度B、轴心抗压强度C、立方体抗压强度标准值D、轴心抗压强度标准值9、混凝土的耐久性包括混凝土的(A)A、炭化B、温度变形C、抗拉强度D流动性10、高温季节施工的混凝土工程,常用外加剂是(C)。
A、早强剂B、引起剂C、缓凝剂D、速凝剂11、、只能用于室内不能用于室外的陶瓷面砖品种是(B)。
A、劈离砖B、有釉陶瓷砖C、炻质砖D、无釉陶质砖12、当大体积混凝土平面尺寸过大时,可以适当设置(C),以减小外应力和温度应力;同时也有利于散热,降低混凝土的内部温度。
A、沉降缝B、温度缝C、变形缝D、后浇缝13、下列情况中所选用的外加剂,正确的是(A)A、炎热夏季施工时采用混(缓)凝剂B、低温季节施工时采用减水剂,(应用早强剂或防冻剂)C、有抗渗要求的工程采用早强剂(引气剂)D、为改变混凝土流变性能时采用膨胀剂(速凝剂)14、暗龙骨吊顶工程下列项不需防腐处理的是(C)A、金属吊杆B、木龙骨C、石膏板D、金属龙骨15、装饰饰面防火板属于(C)。
埋件抗拔拉力检测报告埋件抗拔拉力检测报告为了确保埋件的质量和稳定性,我们进行了一项埋件抗拔拉力检测。
本次检测的主要目的是确定埋件在受到拉力时的抗拔能力和稳定性,以评估其在实际使用中的性能。
检测方法:1. 准备一根长度适当的金属杆作为拉力装置。
2. 将待检测的埋件牢固地固定在地面上,确保其稳定性。
3. 将拉力装置与埋件相连接,并施加逐渐增大的拉力。
4. 在施加拉力的同时,通过力传感器测量拉力的大小,并记录下来。
5. 持续施加拉力直至埋件完全脱离地面或拉力达到设计要求。
检测结果:经过多次检测,我们得出了如下结果:埋件1:拉力达到设计要求的8000牛顿时,埋件未脱离地面,显示出很好的抗拔能力和稳定性。
埋件2:拉力达到设计要求的10000牛顿时,埋件未脱离地面,显示出很好的抗拔能力和稳定性。
埋件3:拉力达到设计要求的6000牛顿时,埋件未脱离地面,显示出很好的抗拔能力和稳定性。
综合评价:根据以上的检测结果,我们可以得出结论,本次检测的埋件具有较好的抗拔拉力能力和稳定性。
埋件在受到高强度拉力时仍能保持良好的牢固性,不会脱离地面。
因此,在实际使用中,这些埋件可以承受一定的压力和外力,确保工程的安全和稳定。
此外,我们还建议在实际使用中对埋件进行定期检测和维护,以确保其长期的使用效果。
在安装过程中要注意正确的安装方法和固定方式,以提高埋件的抗拉力能力。
总结:本次埋件抗拔拉力检测结果显示,所检测的埋件具有较好的抗拔能力和稳定性。
这些结果可以作为工程设计和实施中的参考,以确保埋件在实际使用中的安全性和可靠性。
以上是本次埋件抗拔拉力检测报告的内容。
感谢您的支持和配合。
如有任何疑问,请随时与我们联系。
2023年质量员之装饰质量专业管理实务通关提分题库(考点梳理)单选题(共40题)1、对新版GB/T19001—2008标准中的三个方面策划不包括()。
A.对质量管理体系的策划B.产品实现过程的策划C.测量分析改进策划D.产品发展前景策划【答案】 D2、当门窗框周边是砖墙或轻质墙时,砌墙时可()以便与连接件连接。
A.砌入混凝土预制块B.砌入防腐木砖C.打入膨胀螺栓D.预埋不锈钢件【答案】 A3、对建设工程项目而言,属于直接影响建设工程项目质量的劳动作业环境()。
A.所在地点的水文B.所在地点的气象C.所在地点的气象D.施工现场的通风【答案】 D4、吊顶工程中对吊杆的控制,吊杆的()及连接方式是保证吊顶质量的关键点。
A.尺寸、位置B.位置、间距、规格C.大小、方向D.抗拉、弯性能【答案】 B5、在混凝土或抹灰基层涂刷溶剂型涂料时,含水率不得大于()。
A.8%B.10%C.12%D.15%【答案】 A6、根据《陶瓷砖》GB/T4100,陶瓷砖按()分为瓷质砖(吸水率≤0.5%)、烤瓷砖(0.5%<吸水率≤43%)、细炻砖(3%<吸水率≤6%)、炻质砖(6%<吸水率≤10%)、陶质砖(吸水率>10%)。
A.材质B.含水率C.吸水率D.成型方法【答案】 A7、当卫生间有非封闭式洗浴设施时,花洒所在及其邻近墙面防水层的高度不应小于()m。
A.0.2B.0.8C.1.2D.1.8【答案】 D8、隐蔽工程在隐蔽前,应由()通知有关单位进行验收,并形成验收文件。
A.建设单位B.监理单位C.业主D.施工单位【答案】 D9、施工()检查是施工质量验收的基础。
A.工程方案B.工程进度C.人员调度D.工程质量【答案】 D10、门窗工程应对材料()指标进行复验。
A.人造木板的苯含量B.人造木板的甲醛含量C.人造木板的氨含量D.人造木板的TVOC含量【答案】 B11、工序施工条件控制依据不包括()。
A.设计质量标准B.材料质量标准C.人员的调度D.机械设备技术性能标准【答案】 C12、细木工板的检查评价分类中,不属于规格尺寸和偏差()。
土建工程师题库精选一、填空题(30题)11、混凝土严重缺陷是指对结构构件的()或安装使用性能有决定性影响的缺陷。
受力性能12、施工企业实行的“过程三检制”是一种有效的企业内部质量控制方法,“过程三检制”是指()、()、()。
自检、互检、交接检13、屋面工程所用的防水、保温材料应有()和(),材料的品种、规格、性能等必须符合国家现行产品标准和设计要求。
产品合格证书、性能检测报告14、屋面防水工程完工后,应进行观感质量检查和雨后观察或淋水、蓄水试验,不得有()、()现象。
渗漏,积水15、檐口端部应抹聚合物水泥砂浆,其下端应做成()和()。
鹰嘴和滴水槽16、采用水泥砂浆及细石混凝土作保护层时,表面应抹平压光,不得有裂纹、()、麻面()、等缺陷。
脱皮、起砂17、保温材料的()、表观密度或干密度、抗压强度或压缩强度、燃烧性能,必须符合设计要求。
导热系数18、变形缝处混凝土结构的厚度不应小于()mm。
30019、地下工程迎水面主体结构应采用(),并应根据()的要求采取其他防水措施。
防水混凝土防水等级20、地下防水工程涂料防水层的平均厚度应符合设计要求,最小厚度不得小于设计厚度的()%。
9021、变形缝处的中埋式止水带埋设位置应准确,其中间空心圆环与变形缝的中心线应()。
重合22、当被验收的地下工程有()现象时,不宜进行渗漏水检测。
结露23、金属板面层采用()、()、复合钢板、彩色涂层钢板、铸铁板、不锈钢板、铜板及其他合成金属板铺设。
镀锌板、镀锡板24、建筑物施工控制网,应根据建筑物的设计形式和特点,布设成()和()控制网。
十字轴线矩形控制网25、搭设高度()及以上的落地式钢管脚手架工程应编制专项施工方案。
搭设高度()及以上落地式钢管脚手架工程应组织专家论证。
24m、50m 26、地下管线的开挖、调查,应在安全的情况下进行。
()和()管道的开挖,必须有专业人员的配合。
电缆和燃气管道27、建筑装饰装修工程必须进行设计,并出具完整的()文件。
121第四章 后置埋件的力学性能检测1 总 则1.0.1 后置埋件的力学性能检测依据标准为《混凝土结构后锚固技术规程》(JGJ145-2004)、《建筑装饰装修工程质量验收规范》(GB50210—2001)、《玻璃幕墙工程质量检验标准》(JGJ/T139—2001)、《金属与石材幕墙工程技术规范》(JGJ/T133—2001)。
1.0.2 本规程适用于后置埋件力学性能现场检测;不适用于试验室内的模拟检测。
1.0.3 后置埋件的力学性能检测,除满足本规程的规定外,尚应符合国家现行有关强制性标准的规定。
2 术语、符号2.1 术语2.1.1 后置埋件通过相关技术手段在既有工程结构上设置的连接件。
2.1.2 锚栓将被连接件锚固到混凝土基材上的锚固组件。
2.2 符号cRmN —— 锚栓极限抗拔力实测平均值; Sd N —— 锚栓拉力设计值;cR N min —— 锚栓极限抗拔力实测平均值;Rk N —— 锚栓极限抗拔力标准值,根据破坏类型的不同,分别按有关规定计算;[]u γ ——锚固承载力检验系数允许值,近似取[]u γ=1.1R γ,R γ按表 取用;0D —— 加荷设备支撑环内径;ef h —— 锚栓有效锚固深度,对于膨胀型锚栓及扩孔型锚栓,为膨胀锥体与孔壁最大挤压点的深度;s A —— 锚栓应力截面面积和截面抵抗矩;yk f —— 锚栓屈服强度标准值;c Rk N , —— 非钢材破坏承载力标准值。
stk f —— 锚栓极限抗拉强度标准值;122 3 基本规定3.1 检测方法及适用范围3.1.1 检测前宜具有下列资料;1 工程名称及建设单位、设计单位、施工单位和监理单位名称;2 结构或构件名称、施工图纸、工程验收记录以及相关的施工技术资料;3 后置埋件品种、规格、数量、分布及位置等;4 结构或构件存在的质量问题。
3.1.2 锚栓抗拔承载力现场检验可分为非破坏性检验和破坏性检验。
对于一般结构及非结构构件,可采用非破坏性检验;对于重要结构构件及生命线工程非结构构件,应采用破坏性检验。
山西建工集团大同分公司清水湾一期项目(A-16#楼)山西建工集团大同分公司清水湾一期项目(A-16#楼)山西建工集团大同分公司清水湾一期项目(A-16#楼)山西建工集团大同分公司清水湾一期项目(A-16#楼)案卷号(一)案卷号(二)案卷号(三)案卷号(四)建筑与结构建筑与结构建筑与结构建筑与结构类别类别类别类别C0、C1 C2 C2 C3文号文号文号文号工程管理与验收资料、施工管理资料施工技术资料施工技术资料质量控制资料日期日期日期日期2011年2011年2011年2011年S X J G S X J G S X J G S X J G山西建工集团大同分公司清水湾一期项目(A-16#楼)山西建工集团大同分公司清水湾一期项目(A-16#楼)山西建工集团大同分公司清水湾一期项目(A-16#楼)山西建工集团大同分公司清水湾一期项目(A-16#楼)案卷号(五)案卷号(六)案卷号(七)案卷号(八)建筑与结构建筑与结构建筑与结构桩(地)基工程类别类别类别类别C4 C4 C5 C1、C2、C3、C4、C5文号文号文号文号施工质量验收资料施工质量验收资料工程安全和主要功能核查资料施工管理资料、施工技术资料、质量控制资料、施工质量验收资料、日期日期日期日期2011年2011年2011年2011年S X J G S X J G S X J G S X J G卷内目录工程名称清水弯小区A-16#楼资料类别技术资料卷号组卷名称序号组卷资料目录编制(档案)日期页次备注一卷C0、C1工程管理与验收资料、施工管理资料C0-1 开工报告C0-2竣工报告建设工程施工竣工报告(文字部分)C0-4 竣工验收证明C0-5 工程质量事故处理记录见《山西省建筑工程质量验收规程》单位(子单位)工程竣工验收记录单位(子单位)工程质量控制资料核查记录单位(子单位)工程安全和功能检查资料核查及主要功能抽查记录单位(子单位)工程观感质量检查记录施工单位单位企业资质证书及相关专业人员岗位证书见DBJ04-226-2003施工现场质量管理检查记录C1-1 砌体工程施工质量控制等级检查记录C1-2 施工日志卷内目录工程名称清水弯小区A-16#楼资料类别技术资料卷号组卷名称序号组卷资料目录编制(档案)日期页次备注二卷C2施工技术资料C2-1、B3-1施工组织设计(方案)审批表、报审表施工单位施工组织设计(方案)及深化设计文件工程名称清水弯小区A-16#楼资料类别技术资料卷号组卷名称序号组卷资料目录编制(档案)日期页次备注三卷C2施工技术资料C2-2 技术、安全交底记录C2-3 图纸会审、设计交底记录C2-4 设计变更通知单B3-11 工程变更单C2-5 工程洽商联系单工程名称清水弯小区A-16#楼资料类别技术资料卷号组卷名称序号组卷资料目录编制(档案)日期页次备注四卷C3质量控制资料一工程测量放线记录C3-1-1 工程定位测量放线记录C3-1-2 基槽及各层测量放线记录测量单位C3-1-4沉降观测记录五隐蔽工程验收记录C3-5-1 隐蔽工程验收记录(通用)C3-5-2 钢筋隐蔽工程验收记录C3-5-3 地下防水隐蔽工程验收记录六施工记录C3-6-1 施工记录(通用)C3-6-2 预检工程记录C3-6-3 地基验槽记录C3-6-4 地基钎探记录C3-6-5 地基处理验收记录C3-6-6 混凝土施工记录B3-6 混凝土浇灌申请书C3-6-7混凝土结构同条件试件等效养护龄期温度记录C3-6-8 预拌混凝土交验单C3-6-9 混凝土开盘鉴定C3-6-10 混凝土拆模申请C3-6-11 冬期混凝土原材料搅拌及浇灌测温记录C3-6-12 混凝土养护测温记录C3-6-13 大体积混凝土测温记录C3-6-14 构件吊装记录工程名称清水弯小区A-16#楼资料类别技术资料卷号组卷名称序号组卷资料目录编制(档案)日期页次备注五卷C4施工质量验收资料参照《山西省建筑工程施工质量验收规程》中的表格见DBJ04-226-2003检验批质量验收记录工程名称清水弯小区A-16#楼资料类别技术资料卷号组卷名称序号组卷资料目录编制(档案)日期页次备注六卷C4施工质量验收资料参照《山西省建筑工程施工质量验收规程》中的表格见DBJ04-226-2003检验批质量验收记录分项工程验收记录分部(子分部)工程验收记录结构实体混凝土强度检验记录结构实体钢筋保护层厚度检验记录检测单位C3-4-13混凝土强度非破损或局部破损检验报告C3-4-19 钢筋保护层厚度检验报告检测单位C3-4-24饰面板后置埋件拉拔力检测报告C3-4-15 饰面砖粘结强度检测报告工程名称清水弯小区A-16#楼资料类别技术资料卷号组卷名称序号组卷资料目录编制(档案)日期页次备注七卷C5工程安全和主要功能核查资料检测单位地面用天然石材、胶粘剂、沥青胶结料、涂料等的质量证明资料C5-1 屋面淋水试验记录C5-2 地下室防水效果检查试验记录C5-1 有防水要求的地面蓄水试验记录C5-3 建筑物垂直度、标高、全高测量记录C5-4 抽气(风)道检查记录检测单位建筑外窗气密性、水密性、耐风压检测报告C3-1-4 建筑物沉降观测记录检测单位建筑节能、保温测试记录检测单位室内环境检测报告工程名称清水弯小区A-16#楼资料类别技术资料卷号组卷名称序号组卷资料目录编制(档案)日期页次备注八卷C1、C2、C3、C4、C5施工管理资料、施工技术资料、质量控制资料、施工质量验收资料、施工单位企业资质证书及相关专业人员岗位证书见DBJ04-226-2003施工现场质量管理检查记录B2-1 工程开工报审表C1-2 施工日志C2-1B3-1施工组织设计(方案)审批表、报审表施工单位编制施工组织设计(方案)及深化设计文件C2-2 技术、安全交底记录C2-3 图纸会审记录、设计交底记录C2-4 设计变更通知单B3-11 工程变更单C2-5 工程洽商、联系单一工程测量放线记录C3-1-2 基槽及各层测量放线记录C3-1-3 桩基、支护测量放线记录五隐蔽工程验收记录C3-5-1 隐蔽工程验收记录C3-5-4 灌注桩工程验收汇总表六施工记录C3-6-1 桩(地)基施工记录(通用)C3-6-2 预检工程记录C3-6-6 混凝土工程施工记录C3-6-9 混凝土开盘鉴定C3-6-23 灌注桩混凝土浇注记录C3-6-27长螺旋钻孔泵压灌注混凝土(CFG)桩施工记录参照《山西省建筑工程施工质量验收规程》用表检验批质量验收记录分项工程质量验收记录子分部工程质量验收记录检测单位。
煤巷锚杆拉拔力检测报告(统一样本)
施工地点:
施工单位:
施工日期:2011年月日--- 月日
检测单位:
检测日期:2011年月日
检测机具:
工作面基本情况:锚杆种类(树脂、管缝):
拉拔力检测记录表
1、拉拔力设计值为70 kN,全煤60 kN,检测结果要符合设计要求及《煤矿井巷工程质量检验评定标准》的规定。
2、正常掘进时,每300根锚杆或以下,检测不少于一组,每组不少于3根,并有检测报告。
遇地质变化带时,以地测科下发的地质变化通知单为准,以满足安全生产需要为目的,随时进行检测,每次检测不少于一组,每组不少于3根,每次检测并有检测报告。
3、现场参检人员由生产技术科或由生产技术科委托施工单位有资质的技术人员完成。
现场参检人:(签字)
审核单位(盖章):生产技术科
审核人签字:
注:有效长度指:锚杆设计长度减去锚杆外露长度,锚杆外露长度指锚杆托盘以外长度之和(包括托盘厚度,锚母长度及锚杆外露);kN=4*MPa。
幕墙工程后置埋件现场拉拔检测报告填写要求是什么
幕墙工程后置埋件现场拉拔检测报告填写要求:
(1)幕墙工程后置埋件应有现场拉拔试验报告。
其现场拉拔强度属于涉及安全和功能的重要检测项目,是进行工程验收的必要资料。
(2)锚固螺栓现场拉拔试验应按标准要求进行,现场抽查,10个螺栓为一组,工程用螺栓总数在5000个以下,检一组;5000个到10000个之间,检二组;多于10000个,检三组。
应随机抽取最不利位置的螺栓。
(3)建筑幕墙设计单位必须提供单个螺栓的锚固力设计计算值F,现场检测时对螺栓进行拉拔的锚固力标准值为设计计算值f乘以安全系数K, F3KN时,K=2.0;3KN<F4KN 时,K=1.8;F>4KN时,K=1.6。
(4)检测结果不小于标准的,单向评定为合格。
(5)在检测试件中,若由一个或两个螺栓的锚固力低于锚固力验收值而破坏,要加倍螺栓数量复检,并分析破坏原因。
在复检中仍有螺栓的锚固力不合格,则对该工程锚固螺栓锚固力检测结论评定为不合格。
在检测试件中若由三个螺栓的锚固力低于锚固力验收值而破坏,则对该工程锚固螺栓锚固力检测结论评定为不合格,不再进行复检。
以上内容均根据学员实际工作中遇到的问题整理而成,供参考,如有问题请及时
沟通、指正。
2016国监延续注册继续教育房建试题(70分)1.单选题【本题型共60道题】1.轻型木结构工程中普通圆钉的最小屈服强度应符合设计要求,每种长度的圆钉至少随即抽取()枚,进行受弯试验。
A.5B.10C.15D.202.安装在卫生间及厨房内的穿墙套管,其顶部应高出装饰地面()mm。
A.20B.40C.50D.1003.承重木结构原木材质为Ⅱa级的受拉构件或拉弯构件,扭纹斜率不大于()。
A.6B.8C.12D.154.施工时所用的混凝土砌块、轻骨料混凝土小型空心砌块的产品龄期不应小于()。
A.3天B.7天C.14天D.28天5.屋面细石混凝土防水层混凝土水灰比不应大于()。
A.0.4B.0.6C.0.55D.0.456.地下防水工程施工期间,明挖法的基坑以及暗挖法的的竖井、洞口必须保持地下水位稳定在基底()以下,必须时应采取降水措施。
A.0.8mB.1mC.0.5mD.1.2m7.要求抹灰层具有防水、防潮功能时,应采用()。
A.防水砂浆B.水泥砂浆C.石灰砂浆D.水泥石灰砂浆8.Ⅲ级屋面防水采用高聚物改性沥青防水卷材一道设防时,卷材厚度不应小于()。
A.2mmB.3mmC.1.5mmD.4mm9.对跨度不小于4m的现浇钢筋混凝土梁、板,其模板应按设计要求起拱,当设计无具体要求是,起拱高度为跨度的()。
A.1/1000B.3/1000C.1/1000~3/1000D.L/100010.安装锅炉送、引风机,转动应灵活无卡碰等现象,送、引风机的传动不问应设置()。
A.安全防护装置B.安全接地装置C.安全报警系统D.手动起、停按钮11.螺栓孔孔壁表面粗糙使用()检验。
A.游标卡尺B.卡尺C.螺旋测微器D.钢尺12.当()或塑料窗组合时,其拼樘料的尺寸、规格、壁厚应符合设计要求。
A.木门窗B.钢门窗C.铝合金门窗D.金属窗13.相邻两块架空隔热制品高低差不得大于()。
A.5mmB.2mmC.4mmD.3mm14.编制混凝土结构工程检验批一般项目的合格点率应达到()%及以上,且不得有严重缺陷。
2016国监延续注册继续教育房建试题(70分)1.单选题【本题型共60道题】1.轻型木结构工程中普通圆钉的最小屈服强度应符合设计要求,每种长度的圆钉至少随即抽取()枚,进行受弯试验。
A.5B.10C.15D.202.安装在卫生间及厨房内的穿墙套管,其顶部应高出装饰地面()mm。
A.20B.40C.50D.1003.承重木结构原木材质为Ⅱa级的受拉构件或拉弯构件,扭纹斜率不大于()。
A.6B.8C.12D.154.施工时所用的混凝土砌块、轻骨料混凝土小型空心砌块的产品龄期不应小于()。
A.3天B.7天C.14天D.28天5.屋面细石混凝土防水层混凝土水灰比不应大于()。
A.0.4B.0.6C.0.55D.0.456.地下防水工程施工期间,明挖法的基坑以及暗挖法的的竖井、洞口必须保持地下水位稳定在基底()以下,必须时应采取降水措施。
A.0.8mB.1mC.0.5mD.1.2m7.要求抹灰层具有防水、防潮功能时,应采用()。
A.防水砂浆B.水泥砂浆C.石灰砂浆D.水泥石灰砂浆8.Ⅲ级屋面防水采用高聚物改性沥青防水卷材一道设防时,卷材厚度不应小于()。
A.2mmB.3mmC.1.5mmD.4mm9.对跨度不小于4m的现浇钢筋混凝土梁、板,其模板应按设计要求起拱,当设计无具体要求是,起拱高度为跨度的()。
A.1/1000B.3/1000C.1/1000~3/1000D.L/100010.安装锅炉送、引风机,转动应灵活无卡碰等现象,送、引风机的传动不问应设置()。
A.安全防护装置B.安全接地装置C.安全报警系统D.手动起、停按钮11.螺栓孔孔壁表面粗糙使用()检验。
A.游标卡尺B.卡尺C.螺旋测微器D.钢尺12.当()或塑料窗组合时,其拼樘料的尺寸、规格、壁厚应符合设计要求。
A.木门窗B.钢门窗C.铝合金门窗D.金属窗13.相邻两块架空隔热制品高低差不得大于()。
A.5mmB.2mmC.4mmD.3mm14.编制混凝土结构工程检验批一般项目的合格点率应达到()%及以上,且不得有严重缺陷。
1.单选题【本题型共60道题】1.对跨度不小于4m的现浇钢筋混凝土梁、板,其模板应按设计要求起拱,当设计无具体要求是,起拱高度为跨度的()。
A.1/1000B.3/1000C.1/1000~3/1000D.L/10002.同条件养护试件的强度代表值应根据强度试验结果按现行国家标准《混凝土强度检验评定标准》GBJ107的规定确定后,乘折算系数,折算系数易取为()。
A.0.95B.1C.1.05D.1.13.混凝土用的粗骨料,其最大颗粒径不得超过构件截面最小尺寸的(),且不得超过钢筋最小净间距的()。
A.3/4,1/4B.1/3,3/4C.1/3,1/4D.1/4,3/44.水泥混凝土垫层的厚度不应小于()。
A.60mmB.55mmC.50mmD.65mm5.Ⅲ级屋面防水采用高聚物改性沥青防水卷材一道设防时,卷材厚度不应小于()。
A.2mmB.3mmC.1.5mmD.4mm6.厕浴间和有防水要求的楼板四周除门洞外,应作混凝土翻边,其高度不应小于()mm。
A.100B.150C.120D.1407.在冻胀环境和条件的地区,地面以下或防潮层以上的砌体,不宜采用()。
A.烧结普通砖B.烧结多孔砖C.蒸压灰砂砖D.粉煤灰砖8.施工时所用的混凝土砌块、轻骨料混凝土小型空心砌块的产品龄期不应小于()。
A.3天B.7天C.14天D.28天9.对抗震设防烈度6度、7度的地区,拉结钢筋的埋入长度从流槎处算起,不应小于()mm,末端应有90度弯钩。
A.500B.700C.800D.100010.锅炉在烘炉、煮炉合格后,应进行()h的带负荷连续试运行。
A.24B.36C.48D.7211.厕浴间和有防滑要求的建筑地面的板块材料应符合()。
A.国家规范规定B.设计要求C.地方标准D.无要求12.钢主梁、次梁及受压杆件的垂直度和侧向弯曲矢高的检查数量按同类构件数抽查10%,且不应小于()个。
A.1B.2C.3D.413.底层室内地面以下或防潮层以下的砌体,应采用强度等级不低于()的混凝土灌实小砌块的孔洞。