伤亡事故统计分类详细版
- 格式:docx
- 大小:105.71 KB
- 文档页数:10
伤亡事故分类统计表工程名称:
安全生产管理机构情况
安全生产主要负责人安全生产专职安全员
联系方式
联系方式
电话
电话本年度安全事故情况
月份死亡
(人)
受伤
(人)
直接经济损失
(万元)
事故类型
一般事故(起)较大事故(起) 重大事故(起)特别重大事故(起)
1
2
3
4
5
6
7
8
9
10
11
12
备注:特别重大事故,是指造成30人以上死亡,或者100人以上重伤,或者一亿元以上直接经济损失的事故;重大事故,是指造成10人以上30人以下死亡,或者50人以上100人以下重伤,或者5000万元以上一亿元以下直接经济损失事故;较大事故,是指造成3人以上10人以下死亡,或者10人以上50人以下重伤的事故,或者1000万元以上5000万元以下直接经济损失的事故;一般事故,是指造成3人以上死亡,或者10人以下重伤,或者1000万元以下直接经济损失的事故。
其中,事故造成的急性工业中毒人数,也属于中毒的范围。
企业职工伤亡事故分类标准(GB6441-1986)本标准是劳动安全管理的基础标准,适用于企业职工伤亡事故统计工作。
1.名词、术语1.1伤亡事故:指企业职工在生产劳动过程中,发生的人身伤害(以下简称伤害)、急性中毒(以下简称中毒)。
1.2损失工作日:指被伤害者失能的工作时间。
1.3暂时性失能伤害:指伤害及中毒者暂时不能从事原岗位工作的伤害。
1.4永久性部分失能伤害:指伤害及中毒者肢体或某些器官部分功能不可逆的丧失的伤害。
1.5永久性全失能伤害:指除死亡外,一次事故中,受伤者造成完全残废的伤害。
2.事故类别01物体打击02车辆伤害03机械伤害04起重伤害05触电06淹溺07灼烫08火灾09高处坠落010坍塌011冒顶片帮012透水013放炮014火药爆炸015瓦斯爆炸016锅炉爆炸017容器爆炸018其它爆炸019中毒和窒息020其它伤害3.伤害分析3.1受伤部位指身体受伤的部位(细分类详见附录A.1)。
3.2受伤性质指人体受伤的类型。
确定原则:a.应以受伤当时的身体情况为主,结合愈后可能产生的后遗障碍全面分析确定;b.多处受伤,按最严重的伤害分类,当无法确定时,应鉴定为“多伤害”(细分类详见附录A.2)。
3.3起因物导致事故发生的物体、物质,称为起因物(细分类详见附录A.3)。
3.4致害物指直接引起伤害及中毒的物体或物质(细分类详见附录A.4)。
3.5伤害方式指致害物与人体发生接触的方式(细分类详见附录A.5)。
3.6不安全状态指能导致事故发生的物质条件(细分类详见附录A.6)。
3.7不安全行为指能造成事故的人为错误(细分类详见附录A.7)。
4.伤害程度分类4.1轻伤指损失工作日低于105日的失能伤害。
4.2重伤指相当于表定损失工作日等于和超过105日的失能伤害。
4.3死亡5.事故严重程度分类5.1轻伤事故指只有轻伤的事故。
5.2重伤事故指有重伤无死亡的事故。
5.3死亡事故a.重大伤亡事故指一次事故死亡1 ̄2人的事故。
企业职工伤亡事故分类标准(GB6441企业职工伤亡事故分类标准(GB6441--86)本标准是劳动安全管理的基础标准,适用于企业职工伤亡事故统计工作。
1.1伤亡事故:指企业职工在生产劳动过程中,发生的人身伤害9以下简称伤害)、急性中毒(以下简称中毒)。
1.2损失工作日:指被伤害者失能的工作时间。
1.3暂时性失能伤害:指伤害及中毒者暂时不能从事原岗位工作的伤害。
1.4永久性部分失能伤害:指伤害及中毒者肢体或某些器官部分功能不可逆的丧失的伤害。
1.5永久性全失能伤害:指除死亡外一次事故中,受伤者造成完全残废的伤害。
2.事故类别2.1物体打击 2.2车辆伤害 2.3机械伤害 2.4起重伤害 2.5触电2.6淹溺 2.7灼烫 2.8火灾2.9高处坠落 2.10坍塌 2.11冒顶片帮 2.12透水 2.13放炮2.14火药爆炸 2.15瓦斯爆炸2.16锅炉爆炸 2.17容器爆炸 2.18其它爆炸 2.19中毒和窒息2.20其它伤害3.伤害分析3.1受伤部位指身体受伤的部位(细分类详见附录A.1)。
3.2受伤性质:指人体受伤的类型。
定原则:a.应以受伤当时的身体情况为主,结合愈后可能产生的后遗障碍全面分析确定;b.多处受伤,按最严重的伤害分类,当无法确定时,应鉴定为“多伤害”(细分类详见附录A.2)。
3.3起因物: 导致事故发生的物体、物质,称为起因物(细分类详见附录A.3)。
3.4致害物: 指直接引起伤害及中毒的物体或物质(细分类详见附录A.4)。
3.5伤害方式:指致害物与人体发生接触的方式(细分类详见附录A.5)。
3.6不安全状态:指能导致事故发生的物质条件(细分类详见附录A.6)。
3.7不安全行为:指能造成事故的人为错误(细分类.详见附录A.7)。
4.伤害程度分类4.1轻伤:指损失工作日低于105日的失能伤害。
4.2重伤:指相当于表定损失工作日等于和超过105日的失能伤害。
4.3死亡5.事故严重程度分类5.1轻伤事故:指只有轻伤的事故。
( 安全管理 )单位:_________________________姓名:_________________________日期:_________________________精品文档 / Word文档 / 文字可改伤亡事故统计分类(标准版)Safety management is an important part of production management. Safety and production are inthe implementation process伤亡事故统计分类(标准版)一、伤亡事故划分原则伤亡事故类别的划分是根据导致事故发生的起因物确定的,而不是依据施害物来确定的。
例如:1979年9月7日,浙江温州某厂发生一起液氯钢瓶容器爆炸特大伤亡事故,炸毁厂房建筑物417平方米,10吨液氯扩散,波及7.35公里,造成59人死亡、779人中毒住院、400多人门诊治疗,临时疏散居民8万多人,直接经济损失60多万元,影响100多个企业生产。
这是建国以来发生最惨重的一起液氯钢瓶爆炸事故。
这起事故发生的致因是在充装液氯时没有洗罐,罐内残留杂质引起化学反应,造成钢瓶爆炸。
导致事故发生的起因物是钢瓶容器爆炸,直接引起死亡或中毒的施害物是液氯,所以这起事故类别为“其它爆炸”(容器爆炸),而不认定为“中毒窒息”事故。
二、生产中职工受伤害方式根据《企业职工伤亡事故月(年)报表》(劳字1-2表),职工受伤害方式分为以下19种:1、物体打击:指由失控物体的惯性力造成的人身伤害事故。
如落物、滚石、锤击、碎裂、崩倒、砸伤等伤害,但不包括因爆炸引起的物体打击;2、提升和车辆伤害:指本企业内机动车辆和提升运输设备引起的人身伤害事故。
如机动车辆在行驶中发生的挤、压、撞以及倾覆事故及车辆行驶中上、下车和提升运输中的伤害等;3、机械伤害:指机械设备与机械工具引起的绞、辗、碰、割、戳等人身伤害事故。
如机械零部件、工件飞出伤人,切屑伤人,人的肌体或身体被旋转机械卷入,脸、手或其他部位被刀具碰伤等;4、起重伤害:指从事起重作业时引起的伤害事故。
伤亡事故的分类为了加强事故管理特别是统一事故统计口径的需要,为了评价企业安全状况并提高可比性,为了便于对事故的科学分析和事故资料的积累,一般对伤亡事故进行如下分类。
(一)按事故类别分类依据国家标准《企业职工伤亡事故分类》(GB6441—86),按事故类别即按致害原因进行的分类如下:1.物体打击(不包括爆炸引起的物体打击):指失控物体的惯性力造成的人身伤害事故。
2.车辆伤害:指本企业机动车辆引起的机械伤害事故。
3.机械伤害:指机械设备或工具引起的绞、碾、碰、割、戳、切等伤害。
但不包括车辆、起重设备引起的伤害。
4.起重伤害:指从事各种起重作业时发生的机械伤害事故,但不包括上下驾驶室时发生的坠落伤害和起重设备引起的触电以及检修时制动失灵引起的伤害。
5.触电:由于电流流经人体导致的生理伤害。
6.淹溺:由于水大量经口、鼻进入肺内,导致呼吸道阻塞,发生急性缺氧而窒息死亡的事故。
它适用于船舶、排筏、设施在航行、停泊、作业时发生的落水事故。
7.灼烫:指强酸、强碱溅到身体上引起的灼伤,或因火焰引起的烧伤,高温物体引起的烫伤,放射线引起的皮肤损伤等事故;不包括电烧伤及火灾事故引起的烧伤。
8.火灾:指造成人身伤亡的企业火灾事故。
不适用于非企业原因造成的、属消防部门统计的火灾事故。
9.高处坠落:指由于危险重力势能差引起的伤害事故。
适用于脚手架、平台、陡壁施工等场合发生的坠落事故,也适用于由地面踏空失足坠入洞、沟、升降口、漏斗等引起的伤害事故。
10.坍塌:指建筑物、构筑物、堆置物等倒塌以及土石塌方引起的事故。
不适用于矿山冒顶片帮事故及因爆炸、爆破引起的坍塌事故。
11.冒顶片帮:指矿井工作面、巷道侧壁由于支护不当、压力过大造成的坍塌(片帮)以及顶板垮落(冒顶)事故。
适用于从事矿山、地。
( 安全管理 )单位:_________________________姓名:_________________________日期:_________________________精品文档 / Word文档 / 文字可改生产安全事故等级划分标准及统计规定事故等级分类(最新Safety management is an important part of production management. Safety and production are inthe implementation process生产安全事故等级划分标准及统计规定事故等级分类(最新版)根据事故造成的人员伤亡或者直接经济损失,煤矿事故分为以下等级:一、特别重大事故:是指造成30人以上死亡,或者100人以上重伤(包括急性工业中毒,下同),或者1亿元以上直接经济损失的事故。
二、重大事故:是指造成10人以上30人以下死亡,或者50人以上100人以下重伤,或者5000万元以上1亿元以下直接经济损失的事故。
三、较大事故:是指造成3人以上10人以下死亡,或者10人以上50人以下重伤,或者1000万元以上5000万元以下直接经济损失的事故。
四、一般事故:是指造成3人以下死亡,或者10人以下重伤,或者1000万元以下直接经济损失的事故。
本条各款所称的“以上”包括本数,所称的“以下”不包括本数。
按GB6441-86《企业职工伤亡事故分类标准》工矿商贸(不含煤矿)事故类型有物体打击、车辆伤害、机械伤害、起重伤害、触电、淹溺、灼烫、火灾、高处坠落、坍塌、冒顶片帮、透水、爆破、火药爆炸、瓦斯爆炸、锅炉爆炸、容器爆炸、其他爆炸、中毒窒息和其他伤害等二十类。
根据《生产安全事故统计报表制度》(安监总统计[2016]116号)道路交通运输事故类型有:碰撞、碾压、刮擦、翻车、坠车、爆炸、失火。
根据《生产安全事故统计报表制度》,煤矿事故类型分为:顶板、瓦斯、机电、运输、爆破、水害、火灾、其他等八类。
企业职工伤亡事故分类标准企业职工伤亡事故分类标准是劳动安全管理的基础标准,适用于企业职工伤亡事故统计工作。
其中,伤亡事故指企业职工在生产劳动过程中发生的人身伤害和急性中毒。
损失工作日指被伤害者失能的工作时间。
而暂时性失能伤害是指伤害及中毒者暂时不能从事原岗位工作的伤害;永久性部分失能伤害是指伤害及中毒者肢体或某些器官部分功能不可逆的丧失的伤害;永久性全失能伤害则是指除死亡外,一次事故中,受伤者造成完全残废的伤害。
事故类别包括物体打击、车辆伤害、机械伤害、起重伤害、触电、淹溺、灼烫、火灾、高处坠落、坍塌、冒顶片帮、透水、放炮、火药爆炸、瓦斯爆炸、锅炉爆炸、爆炸、其它爆炸、中毒和窒息以及其它伤害。
在伤害分析方面,受伤部位指身体受伤的部位;受伤性质指人体受伤的类型,应以受伤当时的身体情况为主,结合愈后可能产生的后遗障碍全面分析确定;起因物指导致事故发生的物体、物质;致害物指直接引起伤害及中毒的物体或物质;伤害方式指致害物与人体发生接触的方式;不安全状态指能导致事故发生的物质条件;不安全行为指能造成事故的人为错误。
伤害程度分类包括轻伤、重伤和死亡,其中轻伤指损失工作日低于105日的失能伤害;重伤指相当于表定损失工作日等于和超过105日的失能伤害;死亡则是最严重的伤害。
事故严重程度分类包括轻伤事故、重伤事故和死亡事故。
重大伤亡事故指一次事故死亡1~2人的事故;特大伤亡事故指一次事故死亡3人以上的事故(含3人)。
最后,伤亡事故的计算方法需要根据以上分类标准进行统计和计算。
4.14 机械设备4.14.10 金属切削机床4.14.11 公路建筑机械4.14.12 矿山机械4.14.13 冲压机4.14.14 印刷机械4.14.15 压辊机4.14.16 筛选、分离机4.14.17 纺织机械4.14.18 木工刨床4.14.19 木工锯机4.14.20 其他木工机械4.14.21 皮带传送机4.14.22 其他4.15 金属件4.15.1 钢丝绳4.15.2 铸件4.15.3 铁屑4.15.4 齿轮4.15.5 飞轮4.15.6 螺栓4.15.7 销4.15.8 丝杠、光杠4.15.9 绞轮4.15.10 轴4.15.11 其他4.16 起重机械4.16.1 塔式起重机4.16.2 龙门式起重机4.16.3 梁式起重机4.16.4 门座式起重机4.16.5 浮游式起重机4.16.6 甲板式起重机4.16.7 桥式起重机4.16.8 缆索式起重机4.16.9 履带式起重机4.16.10 叉车4.16.11 电动葫芦4.16.12 绞车4.16.13 卷扬机4.16.14 桅杆式起重机4.16.15 壁上起重机4.16.16 铁路起重机4.16.17 千斤顶4.16.18 其他4.17 噪声4.18 蒸气4.19 手工具(非动力)4.20 电动手工具4.21 动物4.22 企业车辆5 伤害方式5.01 碰撞5.01.1 人撞固定物体5.01.2 运动物体撞人5.01.3 互撞5.02 撞击5.02.1 落下物5.02.2 飞来物5.03 附落5.03.1 由高处坠落平地5.03.2 由平地坠入井、坑洞5.04 跌倒5.05 坍塌5.06 淹溺5.07 灼烫5.08 火灾5.09 辐射5.10 爆炸5.11 中毒5.11.1 吸入有毒气体5.11.2 皮肤吸收有毒物质5.11.3 经口5.12 触电5.13 接触5.13.1 高低温环境5.13.2 高低温物体5.14 掩埋5.15 倾覆6 不安全状态6.01 防护、保险、信号等装置缺乏或有缺陷6.01.1 无防护6.01.1.1 无防护罩6.01.1.2 无安全保险装置6.01.1.3 无报警装置6.01.1.4 无安全标志6.01.1.5 无护栏或护栏损坏6.01.1.6 (电气)未接地6.01.1.7 绝缘不良6.01.1.8 局扇无消音系统、噪声大6.04.7地面滑地面滑是造成工作场所事故的主要原因之一。
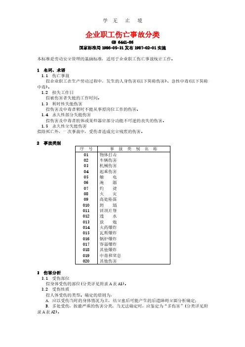
企业职工伤亡事故分类GB 6441-86国家标准局1986-05-31发布1987-02-01实施本标准是劳动安全管理的基础标准,适用于企业职工伤亡事故统计工作。
1 名词、术语1.1 伤亡事故指企业职工在生产劳动过程中,发生的人身伤害(以下简称伤害)、急性中毒(以下简称中毒)。
1.2 损失工作日指被伤害者失能的工作时间。
1.3 暂时性失能伤害指伤害及中毒者暂时不能从事原岗位工作的伤害。
1.4 永久性部分失能伤害指伤害及中毒者肢体或某些器官部分功能不可逆的丧失的伤害。
1.5 永久性全失能伤害指除死亡外,一次事故中,受伤者造成完全残废的伤害。
2 事故类别3 伤害分析3.1 受伤部位指身体受伤的部位(分类详见附录A表A1)。
3.2 受伤性质指人体受伤的类型。
确定的原则为:A. 应以受伤当时的身体情况为主,结全愈后可能产生的后遗障碍全面分析确定;B. 多处受伤,按最严重的伤害分类,当无法确定时,应鉴定为“多伤害”(分类详见附录A表A2)。
3.3 起因物导致事故发生的物体、物质,称为起因物(分类详见附录A表A3)。
3.4 致害物指直接引起伤害及中毒的物体或物质(分类详见附录A表A4)。
3.5 伤害方式指致害物与人体发生接触的方式(分类详见附录A表A5)。
3.6 不安全状态指能导致事故发生的物质条件(分类详见附录A表A6)。
3.7 不安全行为指能造成事故的人为错误(分类详见附录A表A7)。
4 伤害程度分类4.1 轻伤指损失工作日低于105日的失能伤害。
4.2 重伤指相当于附录B表定损失工作日等于和超过105日的失能伤害。
4.3 死亡5 事故严重程度分类5.1 轻伤事故指只有轻伤的事故。
5.2 重伤事故指有重伤无死亡的事故。
5.3 死亡事故A. 重大伤亡事故指一次事故死亡1--2人的事故。
B. 特大伤亡事故指一次事故死亡3人以上的事故(含3人) 。
6 伤亡事故的计算方法适用于企业以及各省、市、县上报伤亡事故时使用的计算方法有:6.1 千人死亡率表示某时期内,平均每千名职工中,因伤亡事故造成死亡的人数。
企业职工伤亡事故分类
标准
HEN system office room 【HEN16H-HENS2AHENS8Q8-HENH1688】
目录
1 名词、术语
2 事故类别
3 伤害分析
受伤部位
受伤性质
起因物
致害物
不安全状态
不安全行为
4 伤害程度分类
轻伤
重伤
死亡
5 事故严重程度分类
轻伤事故
重伤事故
死亡事故
6 伤亡事故的计算方法
千人死亡率
千人重伤率
伤害频率
伤害平均严重率
按产品产量计算的死亡率
附录A (补充件)
受伤部位
受伤性质
起因物
致害物
伤害方式
不安全状态
不安全行为
附录B 损失工作日计算表(补充件)
表1 截肢或完全失去机能部位损失工作日换算表
表2 骨折损失工作换算表
表3 功能损伤损失工作日换算表
编制说明。
GB-6441-1986-企业职工伤亡事故分类标准企业职工伤亡事故分类标准(GB6441-86)是劳动安全管理的基础标准,适用于企业职工伤亡事故统计工作。
本标准定义了伤亡事故、损失工作日、暂时性失能伤害、永久性部分失能伤害和永久性全失能伤害等术语。
事故类别包括物体打击、车辆伤害、机械伤害、起重伤害、触电、淹溺、灼烫、火灾、高处坠落、坍塌、冒顶片帮、透水、放炮、火药爆炸、瓦斯爆炸、锅炉爆炸、爆炸、其它爆炸、中毒和窒息以及其它伤害。
伤害分析包括受伤部位、受伤性质、起因物、致害物、伤害方式、不安全状态和不安全行为等方面。
受伤部位和受伤性质的确定应以受伤当时的身体情况为主,结合愈后可能产生的后遗障碍全面分析确定。
多处受伤的情况下,按最严重的伤害分类,当无法确定时,应鉴定为“多伤害”。
伤害程度分类包括轻伤、重伤和死亡。
轻伤指损失工作日低于105日的失能伤害,重伤指相当于表定损失工作日等于和超过105日的失能伤害。
事故严重程度分类包括轻伤事故、重伤事故和死亡事故。
重大伤亡事故指一次事故死亡1-2人的事故。
特大伤亡事故是指一次事故死亡人数超过3人(包括3人)。
伤亡事故的计算方法包括千人死亡率、千人重伤率、伤害频率、伤害严重率和伤害平均严重率等。
千人死亡率表示某一时期内,平均每千名职工中因伤亡事故死亡的人数,其计算公式为千人死亡率=死亡人数÷平均职工人数×10^3.千人重伤率表示某一时期内,平均每千名职工因工伤事故造成的重伤人数,其计算公式为千人重伤率=重伤人数÷平均职工人数×10^3.伤害频率表示某一时期内,每百万工时的事故造成伤害的人数,其计算公式为百万工时伤害率A=伤害人数÷实际总工时×10^6.伤害严重率表示某一时期内,每百万工时事故造成的损失工作日数,其计算公式为伤害严重率B=总损失工作日÷实际总工时×10^6.伤害平均严重率表示每人次受伤害的平均损失工作日,其计算公式为N=总损失工作日÷伤害人数。
企业职工伤亡事故分类标准企业职工伤亡事故分类标准为了准确、完整地统计工伤事故,国务院于1984年公布了《企业职工伤亡事故分类标准》。
这一标准将企业职工伤亡事故定义为在生产劳动过程中,发生的对人造成伤、亡、残、丧失劳动能力和影响职工身体健康的意外事件。
该标准具体将企业职工伤亡事故分为以下五大类:1、物体打击:指落物、滚石、锤击、碎裂、崩块、砸伤等造成的人身伤害,不包括因机械、车辆、电器设备所引起的伤害。
2、机械伤害:指被机械设备、工具等运动部件所造成的伤害,不包括因车辆、起重机械引起的伤害。
3、起重伤害:指从事起重作业时,被起重物(包括吊具、索具)打击造成的人身伤害。
4、触电:包括雷击伤害。
5、灼烫伤:包括烧烫伤。
除了这五大类,其他造成职工生理机能或组织器官不可逆的损伤,或者因此而引起死亡、残废、丧失劳动能力或影响职工正常工作能力的意外事件,也都视为企业职工伤亡事故。
为了更好地执行这一标准,企业应建立安全管理制度,加强安全教育,提高职工的安全意识。
同时,针对这些事故分类,企业应制定相应的预防措施,以减少工伤事故的发生。
此外,对于工伤事故的报告和处理,也有明确的规定。
按照《企业职工伤亡事故报告和处理规定》,企业应立即报告工伤事故,并进行调查和分析,找出原因,采取措施,防止类似事故的再次发生。
总的来说,《企业职工伤亡事故分类标准》为企业提供了一个明确的标准来统计和处理工伤事故,有助于提高企业的安全水平,保障职工的生命安全和健康。
企业职工伤亡事故分类标准_GB202486随着工业化进程的加速,企业职工伤亡事故的发生频率和影响范围也在不断扩大。
为了更好地预防和处理这些事故,我国制定了企业职工伤亡事故分类标准。
本文将详细介绍该标准的制定背景、分类方法以及实施效果,以期提高大家对安全生产的认识和重视程度。
企业职工伤亡事故是指在企业生产过程中发生的人员伤亡事件。
这些事故不仅给企业和员工带来巨大的经济损失,还会严重影响企业的生产效率和声誉。
企业职工伤亡事故分类标准GB6441-86时间:2010-02-22 14:46 来源:未知作者:rl 点击: 14805次企业职工伤亡事故分类标准(GB6441-86)目录•1 名词、术语•2 事故类别•3 伤害分析3.1 受伤部位3.2 受伤性质3.3 起因物3.4 致害物3.6 不安全状态3.7 不安全行为•4 伤害程度分类4.1 轻伤4.2 重伤4.3 死亡•5 事故严重程度分类5.1 轻伤事故5.2 重伤事故5.3 死亡事故•6 伤亡事故的计算方法6.1 千人死亡率6.2 千人重伤率6.3 伤害频率6.5 伤害平均严重率6.6 按产品产量计算的死亡率•附录A (补充件)A.1 受伤部位A.2 受伤性质A.3 起因物A.4 致害物A.5 伤害方式A.6 不安全状态A.7 不安全行为•附录B 损失工作日计算表(补充件)表1 截肢或完全失去机能部位损失工作日换算表表2 骨折损失工作换算表表3 功能损伤损失工作日换算表•编制说明本标准是劳动安全管理的基础标准,适用于企业职工伤亡事故统计工作。
1 名词、术语1.1 伤亡事故:指企业职工在生产劳动过程中,发生的人身伤害9以下简称伤害)、急性中毒(以下简称中毒)。
1.2 损失工作日:指被伤害者失能的工作时间。
1.3 暂时性失能伤害:指伤害及中毒者暂时不能从事原岗位工作的伤害。
1.4 永久性部分失能伤害:指伤害及中毒者肢体或某些器官部分功能不可逆的丧失的伤害。
1.5 永久性全失能伤害:指除死亡外一次事故中,受伤者造成完全残废的伤害。
2 事故类别01 物体打击02 车辆伤害03 机械伤害04 起重伤害05 触电06 淹溺07 灼烫08 火灾09 高处坠落010 坍塌011 冒顶片帮012 透水013 放炮014 火药爆炸015 瓦斯爆炸016 锅炉爆炸017 容器爆炸018 其它爆炸019 中毒和窒息020 其它伤害3 伤害分析3.1 受伤部位指身体受伤的部位(细分类详见附录a.1)。
企业职工伤亡事故分类(GB6441-86)企业职工伤亡事故分类GB 6441-86批准日期1986-05-31 实施日期1987-02-01本标准是劳动安全管理的基础标准,适用于企业职工伤亡事故统计工作。
1 名词、术语1.1 伤亡事故指企业职工在生产劳动过程中,发生的人身伤害(以下简称伤害)、急性中毒(以下简称中毒)。
1.2 损失工作日指被伤害者失能的工作时间。
1.3 暂时性失能伤害指伤害及中毒者暂时不能从事原岗位工作的伤害。
1.4 永久性部分失能伤害指伤害及中毒者肢体或某些器官部分功能不可逆的丧失的伤害。
1.5 永久性全失能伤害指除死亡外,一次事故中,受伤者造成完全残废的伤害。
2 事故类别3 伤害分析3.1 受伤部位指身体受伤的部位(分类详见附录A表A1)。
3.2 受伤性质指人体受伤的类型。
确定的原则为:a. 应以受伤当时的身体情况为主,结全愈后可能产生的后遗障碍全面分析确定;b. 多处受伤,按最严重的伤害分类,当无法确定时,应鉴定为“多伤害”(分类详见附录A表A2)。
3.3 起因物导致事故发生的物体、物质,称为起因物(分类详见附录A表A3)。
3.4 致害物指直接引起伤害及中毒的物体或物质(分类详见附录A表A4)。
3.5 伤害方式指致害物与人体发生接触的方式(分类详见附录A表A5)。
3.6 不安全状态指能导致事故发生的物质条件(分类详见附录A表A6)。
3.7 不安全行为指能造成事故的人为错误(分类详见附录A表A7)。
4 伤害程度分类4.1 轻伤指损失工作日低于105日的失能伤害。
4.2 重伤指相当于附录B表定损失工作日等于和超过105日的失能伤害。
4.3 死亡5 事故严重程度分类5.1 轻伤事故指只有轻伤的事故。
5.2 重伤事故指有重伤无死亡的事故。
5.3 死亡事故a. 重大伤亡事故指一次事故死亡1--2人的事故。
b. 特大伤亡事故指一次事故死亡3人以上的事故(含3人) 。
6 伤亡事故的计算方法适用于企业以及各省、市、县上报伤亡事故时使用的计算方法有:6.1 千人死亡率表示某时期内,平均每千名职工中,因伤亡事故造成死亡的人数。
企业职工伤亡事故分类标准(GB6441--86)本标准是劳动安全管理的基础标准,适用于企业职工伤亡事故统计工作。
1.1伤亡事故:指企业职工在生产劳动过程中,发生的人身伤害9以下简称伤害)、急性中毒(以下简称中毒)。
1.2损失工作日:指被伤害者失能的工作时间。
1.3暂时性失能伤害:指伤害及中毒者暂时不能从事原岗位工作的伤害。
1.4永久性部分失能伤害:指伤害及中毒者肢体或某些器官部分功能不可逆的丧失的伤害。
1.5永久性全失能伤害:指除死亡外一次事故中,受伤者造成完全残废的伤害。
2.事故类别2.1物体打击 2.2车辆伤害 2.3机械伤害 2.4起重伤害 2.5触电 2.6淹溺 2.7灼烫 2.8火灾2.9高处坠落 2.10坍塌 2.11冒顶片帮 2.12透水 2.13放炮 2.14火药爆炸 2.15瓦斯爆炸2.16锅炉爆炸 2.17容器爆炸 2.18其它爆炸 2.19中毒和窒息 2.20其它伤害3.伤害分析3.1受伤部位指身体受伤的部位(细分类详见附录A.1)。
3.2受伤性质:指人体受伤的类型。
定原则:a.应以受伤当时的身体情况为主,结合愈后可能产生的后遗障碍全面分析确定;b.多处受伤,按最严重的伤害分类,当无法确定时,应鉴定为“多伤害”(细分类详见附录A.2)。
3.3起因物: 导致事故发生的物体、物质,称为起因物(细分类详见附录A.3)。
3.4致害物: 指直接引起伤害及中毒的物体或物质(细分类详见附录A.4)。
3.5伤害方式:指致害物与人体发生接触的方式(细分类详见附录A.5)。
3.6不安全状态:指能导致事故发生的物质条件(细分类详见附录A.6)。
3.7不安全行为:指能造成事故的人为错误(细分类.详见附录A.7)。
4.伤害程度分类4.1轻伤:指损失工作日低于105日的失能伤害。
4.2重伤:指相当于表定损失工作日等于和超过105日的失能伤害。
4.3死亡5.事故严重程度分类5.1轻伤事故:指只有轻伤的事故。
伤亡事故分类等级的划分伤亡事故分类等级的划分
1、特别重大事故,是指造成30人以上死亡,或者100人以上重伤,或者1亿元以上直接经济损失的事故;
2、重大事故,是指造成10人以上30人以下死亡,或者50人以上100人以下重伤,或者5000万元以上1亿元以下直接经济损失的事故;
3、较大事故,是指造成3人以上10人以下死亡,或者10人以上50人以下重伤,或者1000万元以上5000万元以下直接经济损失的事故;
4、一般事故,是指造成3人以下死亡,或者10人以下重伤,或者1000万元以下100万元以上直接经济损失的事故。
最新伤亡事故分类标准近年来,各种类型的伤亡事故层出不穷,给人们的生命财产安全带来了巨大威胁。
为了更好地防范和应对各类事故,对伤亡事故进行科学合理的分类是非常必要的。
针对最新的伤亡事故情况,我们制定了以下分类标准,以期为相关部门的决策提供参考。
一、交通事故。
交通事故是指在道路交通运输活动中,由于车辆、行人、动物等交通参与者之间的相互作用而造成的人身伤亡和财产损失的事件。
根据伤亡程度和事故原因,可将交通事故分为轻伤事故、重伤事故和特大事故。
轻伤事故指造成轻伤或财产损失较小的事故;重伤事故指造成重伤或部分财产损失的事故;特大事故指造成重大人员伤亡或严重财产损失的事故。
二、工业事故。
工业事故是指在生产、加工、储存、运输等工业领域中发生的事故。
根据事故类型和原因,可将工业事故分为火灾事故、爆炸事故、化学泄漏事故、机械伤害事故等。
火灾事故指因火灾导致的伤亡和财产损失;爆炸事故指因爆炸导致的伤亡和财产损失;化学泄漏事故指因化学品泄漏导致的伤亡和环境污染;机械伤害事故指因机械设备故障或操作不当导致的伤亡和财产损失。
三、自然灾害。
自然灾害是指由自然力量引起的灾害,如地震、台风、洪涝、滑坡等。
根据灾害类型和影响范围,可将自然灾害分为地质灾害、气象灾害、水文灾害等。
地质灾害指由地质因素引起的灾害,如地震、滑坡、泥石流等;气象灾害指由气象因素引起的灾害,如台风、暴雨、干旱等;水文灾害指由水文因素引起的灾害,如洪涝、山洪等。
四、公共安全事故。
公共安全事故是指在公共场所或公共设施中发生的事故,如建筑坍塌、群体性事件、食品安全事件等。
根据事故性质和影响范围,可将公共安全事故分为建筑事故、群体性事件和食品安全事件。
建筑事故指建筑物、构筑物或设施发生的事故,如坍塌、倒塌等;群体性事件指在公共场所或集会中发生的突发性事件,如踩踏事件、恐慌事件等;食品安全事件指与食品相关的安全事故,如食物中毒、食品添加剂超标等。
以上就是最新伤亡事故分类标准,希望能够为相关部门的事故防范和应对提供参考,减少伤亡事故对人民生命财产安全造成的损失。
文件编号:GD/FS-5066
(安全管理范本系列)
伤亡事故统计分类详细版
In Order To Simplify The Management Process And Improve The Management Efficiency, It Is Necessary To Make Effective Use Of Production Resources And Carry Out Production Activities.
编辑:_________________
单位:_________________
日期:_________________
伤亡事故统计分类详细版
提示语:本安全管理文件适合使用于平时合理组织的生产过程中,有效利用生产资源,经济合理地进行生产活动,以达到实现简化管理过程,提高管理效率,实现预期的生产目标。
,文档所展示内容即为所得,可在下载完成后直接进行编辑。
一、伤亡事故划分原则
伤亡事故类别的划分是根据导致事故发生的起因物确定的,而不是依据施害物来确定的。
例如:1979年9月7日,浙江温州某厂发生一起液氯钢瓶容器爆炸特大伤亡事故,炸毁厂房建筑物417平方米,10吨液氯扩散,波及7.35公里,造成59人死亡、779人中毒住院、400多人门诊治疗,临时疏散居民8万多人,直接经济损失60多万元,影响100多个企业生产。
这是建国以来发生最惨重的一起液氯钢瓶爆炸事故。
这起事故发生的致因是在充装液氯时没有洗罐,罐内残留杂质引起化学反应,造成钢瓶爆炸。
导致事故发生的起因物是钢瓶容器爆炸,直
接引起死亡或中毒的施害物是液氯,所以这起事故类别为“其它爆炸”(容器爆炸),而不认定为“中毒窒息”事故。
二、生产中职工受伤害方式
根据《企业职工伤亡事故月(年)报表》(劳字1-2表),职工受伤害方式分为以下19种:
1、物体打击:指由失控物体的惯性力造成的人身伤害事故。
如落物、滚石、锤击、碎裂、崩倒、砸伤等伤害,但不包括因爆炸引起的物体打击;
2、提升和车辆伤害:指本企业内机动车辆和提升运输设备引起的人身伤害事故。
如机动车辆在行驶中发生的挤、压、撞以及倾覆事故及车辆行驶中上、下车和提升运输中的伤害等;
3、机械伤害:指机械设备与机械工具引起的绞、辗、碰、割、戳等人身伤害事故。
如机械零部
件、工件飞出伤人,切屑伤人,人的肌体或身体被旋转机械卷入,脸、手或其他部位被刀具碰伤等;
4、起重伤害:指从事起重作业时引起的伤害事故。
如在起重作业中,脱钩砸人,移动吊物撞人,钢丝绳继裂抽入,安装或使用过程中倾覆事故以及起重设备本身有缺陷等;
5、触电(包括雷击)伤害:指电流流经人体造成的人身伤害事故。
如人体接触裸露的临时线或接触带电设备的金属外壳,触摸漏电的手持电动工具,以及触电后坠落和雷击等事故;
6、淹溺:指人落水之后,因呼吸阻塞导致的急性缺氧而窒息死亡的事故。
如船舶在运输航行、停泊作业和在水上,从事各种作业时发生的落水事故以及在水下施工作业发生的淹溺事故。
在内河、海上作业中,已发现或证实是落水失踪,虽未捞获尸体也按淹
溺死亡事故分类;
7、灼烫:指生产过程中因火焰引起的烧伤,高温物体引起的烫伤,放射线引起的皮肤损伤,或强酸、强碱引起人体的烫伤,化学灼伤等伤害事故。
但不包括电烧伤以及火灾事故引起的烧伤;
8、火灾:指企业发生火灾事故及在扑救火灾过程中造成本企业职工或非本企业的人员伤亡事故;
9、高处坠落:指由于重力势能差引起的伤害事故。
如从各种架子、平台、陡壁、梯子等高于地面位置的坠落或由地面踏空坠入坑洞、沟以及漏斗内的伤害事故。
但由于其他事故类别为诱发条件而发生的高处坠落,如高处作业时由于人体触电坠落,不属于高处坠落事故;
10、坍塌:指建筑物、堆置物等倒塌和土石塌
方引起的伤害事故。
如因设计、施工不合理造成的倒塌以及土方、岩石发生的塌陷事故。
但不包括由于矿山冒顶、片帮或因爆破引起的坝塌的伤害事故;
11、冒顶片帮:指在矿山工作面、通道上部、侧壁由于支护不当,侧压力过大造成的坍塌伤害事故。
顶板塌落为冒顶,侧壁坍塌为片帮。
一般因二者同时发生,称为冒顶片帮。
如矿山、地下开采及其他坑道作业发生的坍塌事故;
12、透水:指在地下开采或其它坑道作业时,意外水源造成的伤亡事故。
如地下含水带或被淹坑道涌水造成的事故。
但不包括地面水害事故;
13、放炮:指施工时放炮作业造成的伤亡事故。
如各种爆破作业、采石、采矿、采煤、修路、开山、拆除建筑物等工程进行放炮作业引起的伤亡事故;
14、火药爆炸:指火药与炸药在生产、运输、贮藏过程中发生的爆炸事故;
15、瓦斯煤尘爆炸:指可燃性气体瓦斯、煤尘与空气混合形成的浓度达到爆炸极限,混合物接触火源时引起的化学性爆炸事故;
16、其它爆炸:凡不属上述爆炸事故均列为其它爆炸事故:
锅炉爆炸:指固定或承压锅炉发生物理性爆炸事故。
压力容器爆炸:指承压容器在一定的压力载荷下引起的爆炸事故。
如容器内盛装的蒸汽、液化气以及其他化学成份物质在一定条件下反应后导致的容器爆炸。
可燃性气体与空气混合形成的爆炸,如煤气、乙炔、氢气、液化石油气体等。
可燃性蒸汽与空气混合形成的爆炸,如酒精、汽油挥发气等。
可燃性粉尘与空气混合形成的爆炸,如铝粉、镁粉、有机玻璃粉、聚乙烯塑料粉,面粉、谷物粉、糖粉、煤粉、木粉、煤尘以及可燃性纤维,麻纤维(亚麻)、棉纤维、晴纶纤维、涤纶纤维、维纶纤维、烟草粉尘等爆炸事故。
间接形成的可燃性气体与空气相混合,或者可燃蒸汽与空气混合,如可燃固体、易自燃物、水氧化剂的作用迅速反应,分解出可燃气体与空气混合形成爆炸性气体,遇明火爆炸的事故。
如锅炉在点火过程中发生的炉膛爆炸,以及钢水包爆炸事故等;
17、煤与瓦斯突出;
18、中毒和窒息:中毒指人接触有毒物质,吃有毒食物、呼吸有毒气体引起的人体急性中毒事故。
如煤气、油气、沥青、化学、一氧化碳中毒等;窒息指在坑道、深井、涵洞、管道、发酵池等通风不良处作业,由于缺氧造成的窒息事故;
19、其它伤害:凡不属上述伤害的事故均称为其它伤害。
如扭伤、跌伤、冻伤、钉子扎伤、野兽咬伤等。
直接受伤害方式有两种以上时,按原发的、主要的一种分类。
三、事故原因
事故原因指由于企业安全生产管理方面存在的问题,即人的不安全行为和物(环境)的不安全状态因素作用下,而造成的事故的直接原因。
根据《非矿山企业职工伤亡事故月(年)报表》(综合表二),事故原因有以下11种:
1、技术和设计上有缺陷;
2、设备、设施、工具、附件有缺陷;
3、安全设施缺少或有缺陷;
4、生产场地环境不良;
5、个人防护用品缺少或有缺陷;
6、没有安全操作规程或不健全;
7、违反操作规程或劳动纪律;
8、劳动组织不合理;
9、对现场工作缺乏检查或指导错误;
10、教育培训不够、缺乏安全操作知识;
11、其他。
可在这里输入个人/品牌名/地点
Personal / Brand Name / Location Can Be Entered Here。