一建市政管道供热管道及其附件+补偿器
- 格式:ppt
- 大小:1.05 MB
- 文档页数:21
20XX年一级建造师市政公用工程管理与实务精讲城市供热管道工程施工(三)1K415023 供热管网附件及供热站设施安装要点一、供热管网附件(一)补偿器(3)补偿器类型分为自然补偿器和人工补偿器两种:1)自然补偿是利用管路几何形状所具有的弹性来吸收热变形。
最常见的是将管道两端以任意角度相接,多为两管道垂直相交。
自然补偿的缺点是管道变形时会产生横向的位移,而且补偿的管段不能很大。
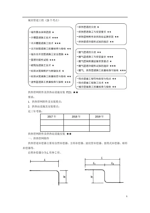
自然补偿器分为L形(管段中90o~150o弯管)和Z形(管段中两个相反方向90°弯管),安装时应正确确定弯管两端固定支架的位置。
2)人工补偿是利用管道补偿器来吸收热变形的补偿方法,常用的有方形补偿器(Ⅱ形补偿器)、波形补偿器、球形补偿器和填料式补偿器等。
方形补偿器,其优点是制造方便,补偿量大,轴向推力小,维修方便,运行可靠;缺点是占地面积较大。
填料式补偿器又称套筒式补偿器填料式补偿器安装方便,占地面积小,流体阻力较小,抗失稳性好,补偿能力较大;缺点是轴向推力较大,易漏水漏气,需经常检修和更换填料,对管道横向变形要求严格。
球形补偿器球形补偿器(如图1K415023-3所示)是由外壳、球体、密封圈压紧法兰组成,它是利用球体管接头转动来补偿管道的热伸长而消除热应力的,适用于三向位移的热力管道。
其优点是占用空间小,节省材料,不产生推力;但易漏水、漏汽,要加强维修。
波形补偿器是靠波形管壁的弹性变形来吸收热胀或冷缩量。
它的优点是结构紧凑,只发生轴向变形,与方形补偿器相比占据空间位置小;缺点是制造比较困难,耐压低,补偿能力小,轴向推力大。
上述补偿器中,自然补偿器、方形补偿器和波形补偿器是利用补偿材料的变形来吸收热伸长的,而填料式补偿器和球形补偿器则是利用管道的位移来吸收热伸长的。
近年来,又发展起来一种新型补偿器,即旋转补偿器(二)阀门1.闸阀闸阀是用于一般汽、水管路作全启或全闭操作的阀门。
闸阀的特点是安装长度小,无方向性;全开启时介质流动阻力小;密封性能好;加工较为复杂,密封面磨损后不易修理。
2020年一级建造师市政工程考点:供热管网附件及供热站设施安装一、供热管网附件及安装要点(一)补偿器(1)作用:补偿因供热管道升温导致的管道热伸长,从而释放温度变形,消除温度应力,避免因热伸长或温度应力的作用而引起管道变形或破坏,以确保管网运行安全。
(2)供热管道的热伸长量及热膨胀应力值计算:热伸长量———?L = α·L ·?tα:管材膨胀系数,碳素钢:12×10 -6 m/m ·℃L:管段长度(m)?t:运行时的温度与安装时的温度差热膨胀应力——δ= E ·α·?tE:管材弹性模量,碳素钢:20.14×10 4 MPa类型补偿器补偿能力轴向推力其他特点补偿原理自然补偿L型较小管道变形会产生横向位移补偿材料变形Z型较小人工补偿方形量大小维修方便;占地面积大波形小大占据空间小;只发生轴向变形球形——无三向位移;易露水、汽,要加强维修位移填料式(套筒)较大较大易露水、汽,需经常检修和更换填料对管道横向变形要求严格(三)阀门【启闭,调节流向、压力、流量】阀门适用/用途特点闸阀全启或全闭操作;汽、水无方向;流阻小;密封好管径DN50mm截止阀切断介质通路直通式:直线管路处直角式:管路转弯处安装长度大,流阻较大密封较闸阀差,易磨损维修安装方向:低进高出柱塞阀密封要求高;汽、水密封好;,启闭灵活,寿命长,维修方便;价格相对较高止回阀水泵或疏水器的出口升降式:小口径水平管道旋启式:大口径水平或垂直使介质只单向流动3 . 阀门安装要点(1)吊装搬运时钢丝绳应拴在法兰处,不得拴在手轮或阀杆上。
清理干净,严格按标记及介质流向确定安装方向,自然连接,严禁强力对口。
(2)法兰或螺纹方式连接:关闭状态安装。
焊接方式连接:采用氩弧焊打底,不得关闭。
焊机地线应搭在同侧焊口的钢管上,严禁搭在阀体上。
承插式阀门:承插端头留有1.5mm的间隙。
二、供热站设施及安装要点2 . 供热站设备的安装要点(1)供热站房设备间的门应向外开。
管道(供热)篇供热管道包括一级管网、热力站和二级管网。
热媒种类分:蒸汽热网【高、中、低压】、热水热网】高温热水网(水温超过100℃)和低温热水网(水温不超过95℃)】所处位置方分:一级管网【由热源至热力站的供热管道】、二级管网【由热力站至热用户的供热管网】城镇供热管网管道应采用无缝钢管、电弧焊或高频焊接钢管。
管道的连接应采用焊接,管道与设备、阀门等连接宜采用焊接。
当设备、阀门需要拆卸时,应采用法兰连接。
为保证管道安装工程质量,焊接施工单位应符合下列规定【多选】:1、有负责焊接工艺的焊接技术人员、检查人员和检验人员;2、有符合焊接工艺要求的焊接设备且性能稳定可靠;3、有进度等级符合要求、灵敏度可靠的焊接检查设备;4、有保证焊接工程质量达到标准的措施。
【三人两设备一措施】施工单位首次使用的钢材、焊接材料、焊接方法,应在焊接前进行焊接工艺试验,编制焊接工艺方案。
直径≥0.4m的钢管和现场制作的管件,焊缝根部应进行封底焊接。
封底焊接宜采用应氩气保护焊,必要时也可采用双面焊接方法。
供热管道焊接质量检验【重点】:在施工过程中,焊接质量检验依次为:对口质量检验、表面质量检验、无损探伤检验、强度和严密性试验【对表无强严】。
管道的无损检验保证应符合设计要求和规范规定。
焊缝无损探伤检验必须由具备资质的检验单位完成。
应对每位焊工至少检验一个转动焊口和一个固定焊口。
转动焊口经无损检验不合格时,应取消该焊工对本工程的焊接资格;固定焊口经无损检验不合格时,应对该焊工焊接的接口按规定的检验比例加倍抽检,仍有不合格时,取消该焊工焊接资格。
对取消焊接资格的焊工所焊的全部焊缝应进行无损探伤检验。
钢管与设备、管件连接处的焊缝应进行100%无损探伤检验;管线折点处现场焊接的焊缝应进行100%无损探伤检验;焊缝返修后应进行表面质量及100%无损探伤检验,其检验数量不在规定检验数量中;现场制作的各种管件,数量按100%进行,其合格标准不得低于管道无损检验标准。
20XX年一级建造师市政公用工程管理与实务精讲城市供热管道工程施工(二)1K415022供热管道施工与安装要求一、施工前的准备工作(一)技术准备(1)组织有关技术人员熟悉施工图纸,搞好各专业施工图纸的会审,参加设计交底。
组织编制施工组织设计和施工方案,履行相关的审批手续。
编制危险性较大的分部分项工程安全专项施工方案,按要求组织专家论证、修改完善,履行相关的审批手续。
(2)资料、标准的准备工作。
(3)做好施工平面布置。
(4)对施工影响范围内的建(构)筑物、地下管线等设施状况进行探查,确定与热力管道的位置关系,制定相应的保护措施。
各种保护措施应取得所属单位的同意和配合,给水、排水、燃气、电缆等地下管线及其构筑物应能正常使用,加固后的线杆、树木等应稳固,各相邻建筑物和地上设施在施工中和施工后,不得发生沉降、倾斜或塌陷。
(二)物资准备(1)按照计划落实好主要材料的货源,做好订货采购、催交和验货工作,并根据施工进度,组织好材料、设备、施工机具的进场接收和检验工作。
属于特种设备的压力管道元件(管道、弯头、三通、阀门等),制造厂家还应有相应的特种设备制造资质,其质量证明文件、验收文件还应符合特种设备安全监察机构的相关规定。
实物、标识应与质量证明文件相符。
钢外护管真空复合保温管和管件应逐件进行外观检验和电火花检测。
(2)供热管网中所用的阀门等附件,必须有制造厂的产品合格证。
一级管网主干线所用阀门及与一级管网主干线直接相连通的阀门,支干线首端和供热站入口处起关闭、保护作用的阀门及其他重要阀门,应由工程所在地有资质的检测部门进行强度和严密性试验,合格后方可使用。
二、施工技术及要求(1)管道沟槽到底后,地基应由施工、监理、建设、勘察和设计等单位共同验收。
对不符合要求的地基,由设计或勘察单位提出地基处理意见。
(3)管道对接时,管道应平直,在距接口中心200mm处测量,允许偏差1mm,对接管道的全长范围内,最大偏差值应不超过lOmm。
一级建造师考试《市政工程》考点27:供热管网附件及供热站设施安装要点一、供热管网附件及安装要点(一)补偿器1.补偿器的作用及管道热伸长量、热膨胀应力计算2.补偿器类型及特点供热管道采用的补偿器种类很多,主要有自然补偿器、方形补偿器、波纹管补偿器、套筒式补偿器、球形补偿器等。
(1)自然补偿器:自然补偿,是利用管路几何形状所具有的弹性来吸收热变形。
最常见的是将管道两端以任意角度相接,多为两管道垂直相交。
自然补偿的缺点是管道变形时会产生横向的位移,而且补偿的管段不能很大。
自然件偿器分为L形(管段中90º~150º弯管)和Z形(管段中两个相反方向90º弯管),安装时应正确确定弯管两端固定支架的位置。
(2)方形补偿器:方形补偿器,由管子弯制或由弯头组焊而成,利用刚性较小的回折管挠性变形来消除热应力及补偿两端直管部分的热伸长量。
其优点是制造方便,补偿量大,轴向推力小,维修方便,运行可靠;缺点是占地面积较大。
(3)波纹管补偿器:波纹管补偿器,是靠波形管壁的弹性变形来吸收热胀或冷缩量,按波数的不同分为一波、二波、三波和四波,按内部结构的不同分为带套筒和不带套筒两种。
它的优点是结构紧凑,只发生轴向变形,与方形补偿器相比占据空间位置小;缺点是制造比较困难,耐压低,补偿能力小,轴向推力大。
(4)套筒式补偿器:套筒式补偿器,又称填料式补偿器,主要由三部分组成:带底脚的套筒、插管和填料。
内外管的间隙用填料密封,内插管可以随温度变化自由活动,从而起到补偿作用。
填料式补偿器安装方便,占地面积小,流体阻力较小,抗失稳性好,补偿能力较大;缺点是轴向推力较大,易漏水漏气,需经常检修和更换填料,对管道横向变形要求严格。
(5)球形补偿器:球形补偿器,是由外壳、球体、密封圈压紧法兰组成,它是利用球体管接头转动来补偿管道的热伸长而消除热应力的,适用于三向位移的热力管道。
其优点是占用空间小,节省材料,不产生推力;但易漏水、漏汽,要加强维修。
2020一级建造师《市政公用工程管理与实务》考点精讲班【考点】供热管网附件及供热站设施安装要点一、供热管网附件及安装要点(一)补偿器1.补偿器的作用及管道热伸长量、热膨胀应力计算(1)补偿器的作用:需要计算供热管道的热伸长量及热膨胀应力值来设置合适的补偿器。
(2)供热管道的热伸长量及热膨胀应力值计算:已知一条供热管道的某段长200m,材料为碳素钢,安装时环境温度为0℃,运行时介质温度为125℃,设定此段管道两端刚性固定,中间不设补偿器,求运行时的最大热伸长量△L及最大热膨胀应力σ。
解:△L=αL△t=12×10-6×200×(125-0)=0.3mσ=Eα△t=20.14×104×12×10-6×(125-0)=302.1MPa[σ]≈140MPa),从而确保供热管道的安全运行。
2.供热管道采用的补偿器种类很多,主要有自然补偿器、方形补偿器、波纹管补偿器、套筒式补偿器、球形补偿器等。
L形(管段中90º~150º弯管)和Z形(管段中两个相反方向90º弯管),安(2)方形补偿器:(4)套筒式补偿器:又称填料式补偿器,主要由三部分组成:带底脚的套筒、插管和填料。
内外管的间隙用填料密封,内插管可以随温度变化自由活动,从而起到补偿作用。
(5)球形补偿器:由外壳、球体、密封圈压紧法兰组成,它是利用球体管接头转动来补偿管道的热伸长而消除热应力的,适用于三向位移的热力管道。
自然补偿器、方形补偿器和波纹管补偿器是利用补偿材料的3.(1过程中应采取措施保证预拉伸不被释放。
(4)L形、Z形、方形补偿器一般在施工现场制作,制作应采用优质碳素钢无缝钢管。
方形补偿器应水平安装,平行臂应与管线坡度及坡向相同,垂直臂应呈水平。
垂直安装(6)球形补偿器安装时,与球形补偿器相连接的两垂直臂的倾斜角度应符合设计要求,外伸部分应与管道坡度保持一致。
2024年一级建造师之一建市政公用工程实务题库附答案(典型题)单选题(共45题)1、大体积混凝土出现的裂缝按深度不同分为表面裂缝、深层裂缝和()三种。
A.收缩裂缝B.贯穿裂缝C.应力裂缝D.结构裂缝【答案】 B2、施工企业在向社会提供产品和服务的同时,就是要获得()。
A.最好的安全B.最大的经济效益C.最佳的质量D.最美的社会效益【答案】 B3、关于水泥土,以下说法不正确的是()。
A.水泥土有良好的板体性B.水稳定性比石灰土好C.低温时不会冷缩D.抗冻性比石灰土好【答案】 C4、高压和中压A燃气管道应采用下面哪种管材()。
A.钢管B.机械接口铸铁管C.聚乙烯管材D.聚氯乙烯管材【答案】 A5、当基坑开挖较浅,还未设支撑时,不论对刚性墙体还是柔性墙体,均表现为()A.墙顶位移最大,向基坑方向水平位移B.墙顶位移最大,背离基坑方向水平位移C.墙底位移最大,向基坑方向水平位移D.墙底位移最大,背离基坑方向水平位移【答案】 A6、关于喷锚暗挖法二衬混凝土施工的说法,错误的是()。
A.可采用补偿收缩混凝土B.可采用组合钢模板和钢模板台车两种模板体系C.采用泵送入模浇筑D.混凝土应两侧对称,水平浇筑,可设置水平和倾斜接缝【答案】 D7、不能进行角度测量的仪器是()。
A.全站仪B.激光准直仪C.光学水准仪D.GPS【答案】 C8、城市道路工程的施工单位应当具有相应的(),并按照资质等级承担相应的城市道路的设计、施工任务。
A.营业执照B.资质等级C.施工业绩D.施工经验隐藏答案解析【答案】 B9、城建档案应分专业按()分类组卷。
A.单位工程B.分部工程C.检验批D.单项工程【答案】 A10、当构筑物无抗浮设计时,雨期水池施工过程抗浮措施不包括()A.排除积水B.基坑四周设防汛墙C.使水池内外无水位差D.构筑物增设锚杆【答案】 D11、在移动模架上浇筑预应力混凝土连续梁时,浇筑分段施工缝一般设在()零点附近。
A.拉力B.弯矩C.剪力D.扭矩【答案】 B12、关于基坑开挖说法,以下说法错误的是()。
设置在管道上的补偿器的作用是:补偿因供热管道升温导致的管道热伸长,从而释放温度变形,消除温度应力,避免因热伸长或温度应力的作用而引起的管道变形或破坏,以确保管见运行安全。
供热管道采用的补偿器种类很多,主要有自然补偿器、方形补偿器、波纹补偿器、套筒式补偿器、环形补偿器等。
自然补偿,是利用管路几何形状具有的弹性来吸收热变形。
自然补偿的缺点是管道变形时会产生横向的位移,而且补偿的管段不能很大。
方形补偿器,优点是制造方便,补偿量大,轴向推力小,维修方便,运行可靠;缺点是占地面积较大。
波纹管补偿器靠波形管壁的弹性变形来吸收热胀或冷缩量,按波数的不同分为一波、二波、三波和四波,按内部结构的不同分为带套筒和不带套筒两种。
它的优点是结构紧凑,只发生轴向变形,与方形补偿器相比占据空间位置小;缺点是制造比较困难,耐压低,补偿能力小,轴向推力大。
套筒式补偿器安装方便,占地面积小,流体阻力较小,抗失稳性好,补偿能力较大;缺点是轴向推力较大,易漏水漏气,需经常检修和更换填料,对管道横向变形要求严格。
球形补偿器,优点是占用空间小,节省材料,不产生推力;但易漏水、漏汽、要加强维修。
补偿器安装要点:(1)有补偿器装置的管段,补偿器安装前,管道和固定支架之间不得进行固定。
补偿器的临时固定装置在管道安装、试压、保湿完毕后,应将坚固件松开,保证在使用中可自由伸缩。
(2)直管段设置补偿器的最大距离和补偿器弯头的弯曲半径应符合设计要求。
在靠近补偿器的两端,应设置导向支架,保证运行时管道沿轴线自由伸缩。
(3)当安装时的环境温度低于补偿零点(设计的最高温度与最低温度差值的1/2)时,应对补偿器进行预拉伸,拉伸的具体数值应符合设计文件的规定。
(4)L形、Z形、方形补偿器一般在施工现场制作,制作应采用优质碳素钢无缝钢管。
(5)波纹管补偿器或套筒式补偿安装时,补偿器应与管道保持同轴,不得偏斜,有流向标记(箭头)的补偿器,流向标记与介质流向一致。
(6)球形补偿器安装时,与球形补偿器相连接的两垂直臂的倾斜角度应符合设计要求,外伸部分应与管道保持一致。
城市管道工程(23个考点)供热管网附件及供热站设施安装 P221 ★★要求:1. 供热管网附件及安装要点;2. 供热站设施及安装要点;近三年考情:2017年2018年2019年供热管网附件及供热站设施安装★★一、供热管网附件供热管道补偿器主要有自然补偿器、方形补偿器、波纹管补偿器、套筒式补偿器、球形补偿器等。
自然补偿器分为L形和Z形。
供热管网附件及供热站设施安装★★名称补偿量空间面积轴向推力其他自然补偿较小产生横向位移方形补偿器大占地大小方便可靠波型补偿器小空间小大制造困难耐压低套筒补偿器较大占地小较大抗失稳好易泄露球形补偿器大空间小无易泄露,三向位移自然补偿器、方形补偿器和波纹管补偿器是利用补偿材料的变形来吸收热伸长的,而套筒式补偿器和球形补偿器则是利用管道的位移来吸收热伸长的。
3. 补偿器安装要点(1)有补偿器装置的管段,在补偿器安装前,管道和固定支架之间不得固定。
补偿器的临时固定装置在管道安装、试压、保温完毕后,应将紧固件松开,保证在使用中可自由伸缩。
(2)靠近补偿器的两端,应设置导向支架,保证运行时自由伸缩。
供热管网附件及供热站设施安装★★(3)安装时环境温度低于补偿零点(设计最高温度与最低温度差值的1/2)时,应对补偿器进行预拉伸。
供热管网附件及供热站设施安装★★(4)L形、Z形、方形补偿器一般在现场制作,采用优质碳素钢无缝钢管。
方形补偿器水平安装时,平行臂应与管线坡度及坡向相同,垂直臂应呈水平。
(5)波形补偿器或套筒式补偿器安装时,补偿器应与管道保持同轴;有流向标记(箭头)的补偿器,安装时应使流向标记与管道介质流向一致。
供热管网附件及供热站设施安装★★供热管道安装补偿器的目的是()。
【2014】A. 保护固定支架B. 消除温度应力C. 方便管道焊接D. 利于设备更换【答案】B供热管网附件及供热站设施安装★★下列供热管道的补偿器中,属于自然补偿方式的是()。
【2012】A. 波形补偿器B. Z型补偿器C. 方型补偿器D. 填充式补偿器【答案】B供热管网附件及供热站设施安装★★利用管道的位移吸收热伸长的补偿器有()。
一级建造师《市政工程》讲义:掌握热力管道施工与安装1K415017 了解水管网系统1.排水系统主要有合流制和分流制两种系统。
2.合流制排水系统是将生活污水、工业废水和雨水混合在同一套沟道内排除的系统。
3.分流制排水系统是将污水和雨水分别在两套或两套以上各自独立的沟道内排除的系统。
由于排除雨水的方式不同,分流制排水系统又分为完全分流制、不完全分流制和半分流制三种。
1K415020 城市热力管道工程施工对此节内容,因为只有我国北方地区才有热力管道,不具有普遍性。
历年考试的分值均有限,选择题在0~2分左右。
出案例题的可能性较小。
第一部分考试要点从历年考试情况来看,热力管道、燃气管道、生活垃圾部分出题分量比较少,对此部分知识点建议对重要的知识点理解记忆即可,其他一些知识点可简单看一下,有印象即可。
1K415021 掌握热力管道施工与安装一、施工前的准备工作2.对管材和附件进行入场检验,钢管的材质和壁厚偏差应符合国家现行钢管制造技术标准,必须具有制造厂的产品证书,证书中所缺项目应作补充检验;热力管网中所用的阀门等附件,必须有制造厂的产品合格证和工程所在地阀门检验部门的检验合格证明。
二、施工要求1.土方开挖至槽底后,应有设计人参与验收地基,对松软地基及坑洞应由设计人提出处理意见。
2.管道安装前应完成支架安装,支架的位置应准确、平整、牢固,坡度符合设计规定。
管件制作和可预组装的部分宜在管道安装前完成,并经检验合格。
3.热力管道施工的连接方式主要有:螺纹连接、法兰连接及焊接连接。
螺纹连接仅适用于小管径、小压力和较低温度的情况。
热力网管道的连接一般应采用焊接连接方式。
4.对接管口时,应检查管道平直度,在距接口中心200mm处测量,允许偏差lmm,在所对接管子的全长范围内,最大偏差值应不超过10mm.5.施工间断时,管口应用堵板封闭,雨季用的堵板尚应具有防止泥浆进人管腔的功能。
6.管道穿过墙壁、楼板处,应安装套管。
2023年一级建造师之一建市政公用工程实务题库附答案(基础题)单选题(共60题)1、热力管道对接管口时,应检查管道(),在距接口中心200m处测量。
A.强度B.焊接口C.平直度D.质量【答案】 C2、供热管道安装补偿器的目的是()。
A.保护固定支架B.消除温度应力C.方便管道焊接D.利于设备更换【答案】 B3、盾构管片贮存可采用内弧面向上或单片侧立的方式码放,每层管片之间正确设置()。
A.垫木B.混凝土块C.型钢D.垫圈【答案】 A4、以下选项中不属于城镇道路路基工程施工特点的是()。
A.路基施工以人工作业为主,机械配合为辅B.施工区域内的专业类型多、结构物多、各专业管线纵横交错C.专业之间及社会之间配合工作多、干扰多,导致施工变化多D.施工处于露天作业,受自然条件影响大【答案】 A5、现浇二次衬衬砌混凝土应采用()混凝土,且应具有良好的抗裂性能。
A.早强B.速凝C.补偿收缩D.自流平【答案】 C6、直接同行车和大气相接触,承受行车荷载引起的竖向力、水平力和冲击力的作用,同时易受降水的侵蚀作用和温度变化影响的沥青路面结构层是()。
A.垫层B.路基C.基层D.面层【答案】 D7、开挖深度超过()m或开挖深度未超过()m,但现场地质情况和周围环境复杂的基坑工程均应实施基坑工程监控测量。
A.5,5B.8,6C.5,4D.10,5【答案】 A8、(2017 年真题)某供热管网设计压力为0.4MPa,其严密性试验压力为()MPa。
A.0.42B.0.46C.0.50D.0.60【答案】 D9、下列沥青混合料面层施工质量验收主控项目中,能够直接反映项目和企业技术质量管理水平的是()。
A.压实度B.面层厚度C.弯沉值D.平整度【答案】 B10、污水处理厂试运行基本程序有(1)单机试车;(2)设备机组充水试验;(3)设备机组负荷试运行;(4)设备机组自动开停机试运行;(5)设备机组空载试运行。
下面顺序正确的是()。
一建市政管理与实务第 1题:单选题(本题1分)下列关于燃气管道补偿器安装的说法,错误的是()。
A、安装在阀门的下侧B、安装在架空管道上C、应便于阀门的拆卸和检修D、填料补偿器支座导向应防止运行时自由伸缩【正确答案】:D【答案解析】:考点应为城市燃气管道补偿器安装知识,属于专业技术型考题。
需要说明的是,从四个选项可以判断出,题干所指的管道是天然气管道,而非煤气管道。
可参考内容有:(1)燃气管道的补偿器作用是消除管段的胀缩应力,可分为波纹补偿器和填料补偿器。
燃气管道的补偿器通常安装在架空管道和需要进行蒸汽吹扫的管道上。
(2)燃气管道的补偿器安装要求:1)补偿器常安装在阀门的下侧(按气流方向),利用其伸缩性能,方便阀门的拆卸和检修。
2)安装应与管道同轴,不得偏斜;不得用补偿器变形调整管位的安装误差。
3)填料补偿器支座导向应保证运行时自由伸缩。
4)填料补偿器的安装长度,应满足设计要求,留有剩余的收缩量。
D选项有悖于上述内容,属于本题的正确选项。
第 2题:单选题(本题1分)承插接口管道应在沟槽地基、管基质量检验合格后安装;安装宜自下游开始,()应朝向施工前进的方向。
A、插口B、法兰C、胶圈D、承口【正确答案】:D【答案解析】:考点为开槽施工管道内容,属于沟埋管道施工常识型考题。
D选项“承口”为正确答案。
《给水排水管道工程施工及验收规范》GB 50268第5.1.9条规定:无压管道应在沟槽地基、管基质量检验合格后安装;安装时宜自下游开始,承口应朝向施工前进的方向(即迎着水流方向),边坡较大的压力管道也应如此。
有关内容还有:(1)下管、排管顺序应自下游排向上游,承口向上游方向,插口向下游方向,井室与管道接口处采用半节短管,管道承口端应排在井室的进水入向,插口端应排在井室的出水方向。
(2)管节连接时,在管节的承口内表和插口外表用钢丝刷将油均匀、平顺、无扭曲涂抹,在橡胶圈表面和前节管子的内表涂抹防水涂料,以防渗水。
每日一练丨一级建造师《市政实务》3.24每日一学【考点展示】一、供热管网附件(一)补偿器(1)作用:释放温度变形,消除温度应力。
(3)类型:自然补偿器和人工补偿器(3)补偿器类型1)自然补偿利用管路几何形状所具有的弹性来吸收热变形。
分为:L形、Z形。
缺点:管道变形时会产生横向位移;补偿的管段不能很大(即:补偿能力差)。
1)人工补偿①方形补偿器(Ⅱ形补偿器)由管子弯制或由弯头组焊而成。
优点:制造方便,补偿量大,轴向推力小,维修方便,运行可靠;缺点:占地面积较大。
②填料式补偿器(套筒式补偿器)主要由三部分组成:带底脚的套筒、插管和填料。
内外管的间隙用填料密封,内插管可以随温度变化自由活动,从而起到补偿作用。
优点:安装方便,占地面积小,流体阻力较小,抗失稳性好,补偿能力较大;缺点:轴向推力较大,易漏水漏气,需经常检修和更换填料。
③球形补偿器优点:占用空间小,节省材料,不产生推力;缺点:易漏水、漏汽。
④波形补偿器优点:结构紧凑,只发生轴向变形,与方形补偿器相比占据空间位置小;缺点:制造比较困难,耐压低,补偿能力小,轴向推力大。
⑤新型补偿器——旋转补偿器突出特点是其在管道运行过程中处于无应力状态。
其他特点:补偿距离长;无内压推力;密封性能好。
【考点解析】上述补偿器中①自然补偿器、方形补偿器和波形补偿器是利用补偿材料的变形来吸收热伸长的,②而填料式补偿器和球形补偿器则是利用管道的位移来吸收热伸长的。
评价补偿器的关键指标:①补偿能力、②轴向推力、③密封性能①“自然补偿”(L型、Z型);其余(波纹管补偿器、球形补偿器、套筒补偿器、方形补偿器、旋转补偿器)均属“人工补偿”,补偿能力大,波纹管补偿器相对于其他人工补偿器补偿量较小。
②内压轴向推力大的补偿器:波纹管补偿器、套筒补偿器③热媒易泄露的补偿器:球形补偿器、套筒补偿器④先进的补偿器——旋转补偿器:补偿距离长、无内压推力、密封性能好每日一练1.现浇钢筋混凝土预应力箱梁模板支架刚度验算时,在冬期施工的荷载组合包括( )。