防护栏杆及钢平台安全要求
- 格式:docx
- 大小:112.04 KB
- 文档页数:9
固定式钢梯及平台安全要求GB4053.3-2009第3部分:工业防护栏杆及钢平台1 范围本部分规定了固定式工业防护栏杆及钢平台的设计、制造和安装方面的基本安全要求。
本部分适用于工业企业内工作场所中使用的防护栏杆及钢平台(另有标准规定的除外)。
2 规范性引用文件下列文件中的条款通过GB4053的本部分的引用而成为本部分的条款。
凡是注日期的引用文件,其随后所有的修改单(不包括勘误的内容)或修订版均不适用于本部分,然而,鼓励根据本部分达成协议的各方研究是否可使用这些文件的最新版本。
凡是不注日期的引用文件,其最新版本适用本部分。
GB50205 钢结构工程施工质量验收规范3 术语和定义下列术语和定义适用于本部分。
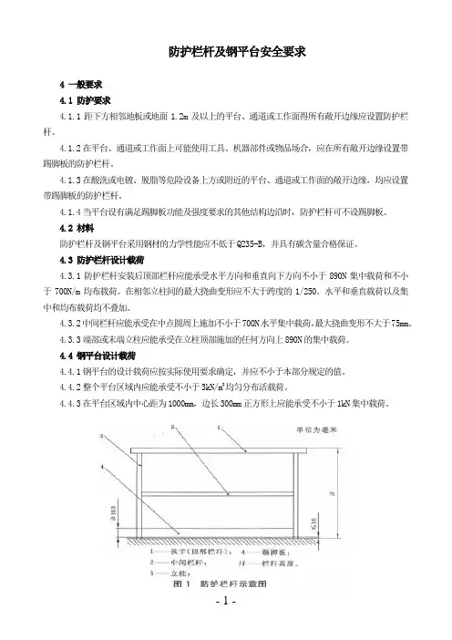
3.1 固定式工业防护栏杆 fixed industrial guardrail永久性安装在梯子、平台、通道、升降口及其他敞开边缘防止人员坠落的框架结构,简称护栏(见图1)。
3.2 扶手(顶部栏杆) handrail(top-rail)可供手握作为支撑并有阻挡功能的防护栏杆顶部构件。
3.3 中间栏杆(横杆) intermediate rail(knee-rail)安装在顶部栏杆和地板之间的防护栏杆水平构件。
3.4 立柱(支柱) post(stanchion)与平台或其他固定结构连接,支撑防护栏杆的垂直构件。
3.5 脚踏板(挡板) toe board(toe plate,kick,plate)沿平台、通道或其他敞开边缘垂直设置,用来防止物体坠落(或人员滑出)的防护栏杆构件。
3.6 平台 platform在周围区域平面以上有可供人员工作或站立的平面结构。
3.7 固定式工业平台 fixed industrial steel platform永久性安装在建筑物或设备上供人员工作、休息或通行的钢制平台。
3.7.1 工作平台 work platform装有要求的防护装置,供人员进行工作活动的平台。
3.7.2 梯间平台(中间平台、休息平台) landing(intermediate platform,rest platform)相邻梯段间供人员休息或改变行进方向的平台。
防护栏杆及钢平台安全要求4 一般要求4.1 防护要求4.1.1距下方相邻地板或地面1.2m及以上的平台、通道或工作面得所有敞开边缘应设置防护栏杆。
4.1.2在平台、通道或工作面上可能使用工具、机器部件或物品场合,应在所有敞开边缘设置带踢脚板的防护栏杆。
4.1.3在酸洗或电镀、脱脂等危险设备上方或附近的平台、通道或工作面的敞开边缘,均应设置带踢脚板的防护栏杆。
4.1.4当平台设有满足踢脚板功能及强度要求的其他结构边沿时,防护栏杆可不设踢脚板。
4.2 材料防护栏杆及钢平台采用钢材的力学性能应不低于Q235-B,并具有碳含量合格保证。
4.3 防护栏杆设计载荷4.3.1防护栏杆安装后顶部栏杆应能承受水平方向和垂直向下方向不小于890N集中载荷和不小于700N/m均布载荷。
在相邻立柱间的最大挠曲变形应不大于跨度的1/250。
水平和垂直载荷以及集中和均布载荷均不叠加。
4.3.2中间栏杆应能承受在中点圆周上施加不小于700N水平集中载荷,最大挠曲变形不大于75mm。
4.3.3端部或末端立柱应能承受在立柱顶部施加的任何方向上890N的集中载荷。
4.4 钢平台设计载荷4.4.1钢平台的设计载荷应按实际使用要求确定,并应不小于本部分规定的值。
4.4.2整个平台区域内应能承受不小于3kN/m2均匀分布活载荷。
4.4.3在平台区域内中心距为1000mm,边长300mm正方形上应能承受不小于1kN集中载荷。
4.4.4平台地板在设计载荷下的挠曲变形应不大于10mm或跨度的1/200,两者取小值。
4.5 制造安装4.5.1防护栏杆及钢平台应采用焊接连接,焊接要求应符合GB50205的规定。
当不便焊接时,可用螺栓连接,但应保证设计的结构强度。
安装后的防护栏杆及钢平台不应有歪斜、扭曲、变形及其他缺陷。
4.5.2防护栏杆制造安装工艺应确保梯子及其所有构件及其连接部分表面光滑、无锐边、尖角、毛刺或其他可能对人员造成伤害或妨碍其通过的外部缺陷。
直梯、斜梯、防护栏杆和工作平台安全标准化评定标准直梯、斜梯、防护栏杆和工作平台应符合《固定式直梯安全技术条件》(GB4053.1)、《固定式钢梯安全技术条件》(GB4053.2)、《固定式工业防护栏杆安全技术条件》(GB4053.3)、《固定式工业工业钢平台》(GB4053.4)的规定。
)的规定。
一、评定标准1) 工作平台的四周临空部分应设置安全护栏,栏杆的高度不应低于1.2m :预热器塔架护栏高度不应低于1.2m :栏杆从平台面向上0.15m高度内,应为整体实心板或网状护栏,栏杆除应保证有足够的刚度及强度外,尚应考虑安全感,设于屋面及库顶上的栏杆高度不应低于1.2m ,且应设有防护网。
,且应设有防护网。
2) 楼梯的一个梯段高度不宜超过3.5m,当受楼层高度限制或位置狭窄时,不宜超过5m ,楼梯休息平台的宽度至少应比楼梯宽度大0.20m 。
3) 各种物料筒仓的顶部,需设带盖可锁入孔,在大型筒仓的下部,亦应设置入孔。
亦应设置入孔。
4) 在楼面供垂直及检修用孔洞,应设置活动盖板或周围加防护栏。
5) 车间的坑洞、沟道,应设有与地面相平的盖板:外部的坑洞及沟道(如电缆隧道、暖气沟等)入孔的顶部应高出地面0.15m 以上(排水检查井及道路上坑、洞除外)。
6) 设在高处的料仓和管道的捅料孔及其取样的检查点,设在高处的料仓和管道的捅料孔及其取样的检查点,应按需要设应按需要设置平台的安全设施。
置平台的安全设施。
7) 回转窑窑尾除尘系统的增湿塔、喷雾降温用水,或其它喷雾用水设备和管道,应有耐压及预防接口喷漏、防振等措施。
设备和管道,应有耐压及预防接口喷漏、防振等措施。
8) 各种物料筒仓的顶部应设置可锁入孔门,在直径15m 以上的筒仓的下部应设置可锁入空门。
的下部应设置可锁入空门。
二、技术要求 防护栏杆1)防护栏杆的高度宜为1200mm ,在离地高度等于或大于20m 高的平台、通道及作业场所的防护栏杆不得低于1200 mm 。
固定式钢梯及平台安全要求GB4053.3-2009第3部分:工业防护栏杆及钢平台1 范围本部分规定了固定式工业防护栏杆及钢平台的设计、制造和安装方面的基本安全要求。
本部分适用于工业企业内工作场所中使用的防护栏杆及钢平台(另有标准规定的除外)。
2 规范性引用文件下列文件中的条款通过GB4053的本部分的引用而成为本部分的条款。
凡是注日期的引用文件,其随后所有的修改单(不包括勘误的内容)或修订版均不适用于本部分,然而,鼓励根据本部分达成协议的各方研究是否可使用这些文件的最新版本。
凡是不注日期的引用文件,其最新版本适用本部分。
GB50205 钢结构工程施工质量验收规范3 术语和定义下列术语和定义适用于本部分。
3.1 固定式工业防护栏杆 fixed industrial guardrail永久性安装在梯子、平台、通道、升降口及其他敞开边缘防止人员坠落的框架结构,简称护栏(见图1)。
3.2 扶手(顶部栏杆) handrail(top-rail)可供手握作为支撑并有阻挡功能的防护栏杆顶部构件。
3.3 中间栏杆(横杆) intermediate rail(knee-rail)安装在顶部栏杆和地板之间的防护栏杆水平构件。
3.4 立柱(支柱) post(stanchion)与平台或其他固定结构连接,支撑防护栏杆的垂直构件。
3.5 脚踏板(挡板) toe board(toe plate,kick,plate)沿平台、通道或其他敞开边缘垂直设置,用来防止物体坠落(或人员滑出)的防护栏杆构件。
3.6 平台 platform在周围区域平面以上有可供人员工作或站立的平面结构。
3.7 固定式工业平台 fixed industrial steel platform永久性安装在建筑物或设备上供人员工作、休息或通行的钢制平台。
3.7.1 工作平台 work platform装有要求的防护装置,供人员进行工作活动的平台。
3.7.2 梯间平台(中间平台、休息平台) landing(intermediate platform,rest platform)相邻梯段间供人员休息或改变行进方向的平台。
工业防护栏杆及钢平台安全技术要求一、术语及定义1、固定式工业防护栏杆指:永久性安装在梯子、平台、通道、升降口及其他敞开边缘防止人员坠落的框架结构。
2、扶手(顶部栏杆) 可供手握作为支撑并有阻挡功能的防护栏杆顶部构件。
3、中间栏杆(横杆)安装在顶部栏杆和地板之间的防护栏杆水平构件。
4、立柱(支柱) 与平台或其他固定结构连接,支撑防护栏杆的垂直构件。
5、踢脚板(档板) 沿平台、通道或其他敞开边缘垂直设置,用来防止物体坠落(或人员滑出)的防护栏杆构件。
6、平台在周围区域平面以上有可供人员工作或站立的平面结构。
7、固定式工业钢平台指:永久性安装在建筑物或设备上供人员工作、休息或通行的钢制平台。
1)、工作平台装有要求的防护装置,供人员进行工作活动的平台。
2)、梯间平台(中间平台,休息平台) 相邻梯段间供人员休息或改变行进方向的平台。
3)、通行平台(通道) 供人员由一个区域到另一个区域行走的平台。
二、一般要求1、防护要求1)、距下方相邻地板或地面1.2 m及以上的平台、通道或工作面的所有敞开边缘应设置防护栏杆。
2)、在平台、通道或工作面上可能使用工具、机器部件或物品场合,应在所有敞开边缘设置带踢脚板的防护栏杆。
3)、在酸洗或电镀、脱脂等危险设备上方或附近的平台、通道或工作面的敞开边缘,均应设置带踢脚板的防护栏杆。
4)、当平台设有满足踢脚板功能及强度要求的其他结构边沿时,防护栏杆可不设踢脚板。
2、材料防护栏杆及钢平台采用钢材的力学性能应不低于Q235-B,并具有碳含量合格保证。
3、防护栏杆设计载荷1)、护栏杆安装后顶部栏杆应能承受水平方向和垂直向下方向不小于890 N集中载荷和不小于700 N/m均布载荷。
在相邻立柱间的最大挠曲变形应不大于跨度的1/250。
水平和垂直载荷以及集中和均布载荷均不叠加。
2)、中间栏杆应能承受在中点圆周上施加的不小于700 N水平集中载荷,最大挠曲变形不大于75 mm。
3)、端部或末端立柱应能承受在立柱顶部施加的任何方向上890 N的集中载荷。
固定式钢直梯、钢斜梯、工业防护栏杆及钢平台安全技术条件一、固定式钢直梯安全技术条件1、技术要求1.1钢直梯应采用性能不低于Q235-A·F的钢材。
1.2梯梁应采用不小于50×50×5角钢或60×8扁钢。
1.3踏棍宜采用不小于Φ20mm的圆钢,间距宜为300mm等距离分布。
1.4支撑应采用角钢、钢板或钢板组焊成T型钢制作,埋设或焊接时必须牢固可靠。
1.5无基础的钢直梯,至少焊两对支撑,支撑竖向间距,不宜大于3000mm,最下端的踏棍距基准面距离不宜大于450mm。
1.6钢直梯每级踏棍的中心线与建筑物或设备外表面之间的净距离不得小于150mm(见图1)。
1.7侧进式钢直梯中心线至平台或屋面的距离为380~500mm,梯梁与平台或屋面之间的净距离为180~300mm(见图2)。
1.8梯段高度越过3000mm时应设护笼,护笼下端距基准面为2000~2400mm,护笼上端高出基准面应与GB4053.3中规定的栏杆高度一致。
1.9护笼直径应为700mm,其圆心距踏棍中心线为350mm。
水平圈采用不小于40×4扁钢,间距为450~750mm,在水平圈内侧均布焊接五根不小于25×4扁钢垂直条。
1.10钢直梯最佳宽度为500mm。
由于工作面所限,攀登高度在5000mm以下时,梯宽可适当缩小,但不得小于300mm。
1.11钢直梯上端的踏棍应与平台或屋面平齐,其间隙不得大于300mm,并在直梯上端设置高度不低于1050mm的扶手。
1.12梯段高不宜大于9m。
超过9m时宜设梯间平台,以分段交错设梯。
攀登高度在15m 以下时,梯间平台的间距为5~8m,超过15m时,每5m设一个梯间平台。
平台应设安全防护栏杆。
1.13钢直梯全部采用焊接连接,焊接要求应符合GBJ205。
所有构件表面应光滑无毛刺。
安装后的钢直梯不应有歪斜、扭曲、变形及其他缺陷。
1.14固定在平台上的钢直梯,应下部固定,其上部的支撑与平台梁固定,在梯梁上开设长圆孔,采用螺栓铰接。
防护栏杆及钢平台安全要求1. 前言防护栏杆和钢平台是工业界和建筑界中常见的结构,用于保障工人和公众在高处、危险区域的安全。
然而,由于建设类似设施时的安全角度考虑不足,这些设施常常存在着安全隐患。
本文旨在介绍防护栏杆和钢平台的基本构造和材料及其安全使用要求。
2. 防护栏杆和钢平台的基本构造和材料2.1 防护栏杆防护栏杆是一种用于保护工人无意中从高处坠落的结构,有很多种不同材料的防护栏杆,比如钢、铝、木材、玻璃、链条和钢丝绳等。
非常轻便的防护栏杆可能会使用聚合物和碳纤维构造,而对于需要高强度和高可靠性的应用,不锈钢也是一种常用材料。
2.2 钢平台钢平台是一种广泛应用于建筑和公共工程中的结构品种。
钢平台采用钢板焊接而成,固定在建筑主体部分的筋、梁或支架等上面,并且可以方便地移动、装配和拆卸。
钢平台可以为工人在高处停留,提供安全的支架和装载基础等功能。
3. 防护栏杆和钢平台的安全使用要求3.1 构造要求防护栏杆和钢平台应当是充分稳定的结构,能防止工人意外坠落的高度,安装时需按设计要求安装,且应确保其能承受设计荷载。
3.2 材料要求防护栏杆和钢平台应当使用合适的材料,且这些材料应满足国家标准和行业标准。
3.3 尺寸要求防护栏杆和钢平台的尺寸应符合设计标准,且必须足够高,以满足标准要求,并能防止工人在工作时意外坠落。
3.4 安装要求防护栏杆和钢平台的安装必须按照设计要求进行,安装施工人员应该满足有资质的施工专业人员。
3.5 工作人员要求工人应该在安全防护衣服、草鞋或安全靴,和防护头盔下操作。
3.6 日常检查防护栏杆和钢平台每天应进行非正式的眼检,以确保永久连接和螺丝的安装,并且每三年,工程师应进行一次体系和安全检修。
3.7 周期检定防护栏杆和钢平台应至少在安装后每五年接受一次周期检定,检定结果应记录。
4. 结论防护栏杆和钢平台是安全种类的结构,非常重要,应重视其安装和使用,以确保工人和公众的安全。
通过遵循本文列出的防护建设杆和钢平台的安全使用要求,可以降低意外事故的发生率,增加安全生产。
防护栏杆及钢平台安全要求在建筑工地、工厂车间、公共场所等多个领域中,防护栏杆及钢平台的应用极为广泛。
为确保人员的安全和身体的稳定,有必要对防护栏杆及钢平台的安全要求进行规范和制定。
以下是对防护栏杆及钢平台安全要求的详细介绍。
1.高度要求:根据不同的工作环境和用途,防护栏杆及钢平台的高度要求也不尽相同。
一般在建筑工地及其他工业场所,栏杆的高度要求为1.1米至1.2米,能够有效地防止人员坠落。
而在公共场所,例如购物中心、火车站等,栏杆的高度应该按照当地的建筑法规来规定,并且需要满足无障碍标准。
2.承载能力:防护栏杆及钢平台的承载能力也是至关重要的一个要求。
栏杆及钢平台必须能够经受得住人体的碰撞和改变方向的力量,从而保证人员的安全。
具体的承载能力要求需要根据不同的使用环境和需求进行评估,并选择适当的材料和结构。
3.材料选择:防护栏杆及钢平台的材料选择决定了其使用寿命和耐久性。
一种常用的材料是不锈钢,具有耐腐蚀、抗氧化和耐磨损的特点,能够长期使用而不易生锈。
此外,也有一些防护栏杆及钢平台采用铝合金材料,具有轻便、坚固和耐腐蚀的特点,适用于室内和室外使用。
4.结构稳定性:防护栏杆及钢平台的结构稳定性对于人员的安全至关重要。
栏杆及钢平台必须能够承受额外的力量,例如风力、振动等,以确保其不会发生倾斜、断裂或其它结构故障。
因此,在设计和制造过程中,需要经过严格的工程计算和测试,以确保防护栏杆及钢平台的结构稳定性。
5.防护措施:为了确保人员的安全,防护栏杆及钢平台上应该设置适当的防护措施。
例如,在栏杆顶部应增加防爬装置,防止人员通过攀爬或翻越栏杆的方式进入危险区域。
此外,在栏杆的水平部分应有合适的间距,以防止小物体滑过或掉落。
钢平台上也应设置防滑装置,以提供更安全的工作环境。
6.安装要求:在安装防护栏杆及钢平台时,需根据相关的标准和规范进行操作。
首先,必须确保栏杆及钢平台与周围结构之间有足够的牢固连接,防止发生松动或脱落的情况。
固定式钢梯及平台平安要求之五兆芳芳创作第3部分:产业防护栏杆及钢平台1 规模本部分规则了固定式产业防护栏杆及钢平台的设计、制造和装置方面的根本平安要求.本部分适用于产业企业内任务场合中使用的防护栏杆及钢平台(另有尺度规则的除外).2 标准性引用文件下列文件中的条款通过GB4053的本部分的引用而成为本部分的条款.但凡注日期的引用文件,其随后所有的修改单(不包含勘误的内容)或修订版均不适用于本部分,然而,鼓动勉励按照本部分达成协议的各方研究是否可使用这些文件的最新版本.但凡不注日期的引用文件,其最新版本适用本部分.GB50205 钢结构工程施工质量验收标准3 术语和定义下列术语和定义适用于本部分.3.1 固定式产业防护栏杆 fixed industrial guardrail永久性装置在梯子、平台、通道、升降口及其他封闭边沿避免人员坠落的框架结构,简称护栏(见图1).3.2 扶手(顶部栏杆) handrail(top-rail)可供手握作为支撑并有阻挡功效的防护栏杆顶部构件.3.3 中间栏杆(横杆)intermediate rail(knee-rail)装置在顶部栏杆和地板之间的防护栏杆水平构件.3.4 立柱(支柱) post(stanchion)与平台或其他固定结构连接,支撑防护栏杆的垂直构件.3.5 脚踏板(挡板)toe board(toe plate,kick,plate)沿平台、通道或其他封闭边沿垂直设置,用来避免物体坠落(某人员滑出)的防护栏杆构件.3.6 平台platform在周围区域平面以上有可供人员任务或站立的平面结构.3.7 固定式产业平台 fixed industrial steel platform永久性装置在修建物或设备上供人员任务、休息或通行的钢制平台.3.7.1任务平台 work platform装有要求的防护装置,供人员进行任务勾当的平台.3.7.2 梯间平台(中间平台、休息平台)landing (intermediate platform,rest platform)相邻梯段间供人员休息或改动行进标的目的的平台.3.7.3 通行平台(通道)walking platform (walkway,runway)供人员由一个区域到另一个区域行走的平台.4 一般要求4.1 防护要求4.1.1距下方相邻地板或地面1.2m及以上的平台、通道或任务面得所有封闭边沿应设置防护栏杆.4.1.2在平台、通道或任务面上可能使用东西、机械部件或物品场合,应在所有封闭边沿设置带踢脚板的防护栏杆.4.1.3在酸洗或电镀、脱脂等危险设备上方或邻近的平台、通道或任务面的封闭边沿,均应设置带踢脚板的防护栏杆.4.1.4当平台设有满足踢脚板功效及强度要求的其他结构边沿时,防护栏杆可不设踢脚板.4.2 资料防护栏杆及钢平台采取钢材的力学性能应不低于Q235-B,并具有碳含量及格包管.4.3 防护栏杆设计载荷4.3.1防护栏杆装置后顶部栏杆应能承受水平标的目的和垂直向下标的目的不小于890N集中载荷和不小于700N/m均布载荷.在相邻立柱间的最大挠曲变形应不大于跨度的1/250.水平和垂直载荷以及集中和均布载荷均不叠加.4.3.2中间栏杆应能承受在中点圆周上施加不小于700N水平集中载荷,最大挠曲变形不大于75mm.4.3.3端部或末端立柱应能承受在立柱顶部施加的任何标的目的上890N的集中载荷.4.4 钢平台设计载荷4.4.1钢平台的设计载荷应按实际使用要求确定,并应不小于本部分规则的值.2均匀散布活载荷.4.4.3在平台区域内中心距为1000mm,边长300mm 正方形上应能承受不小于1kN集中载荷.4.4.4平台地板在设计载荷下的挠曲变形应不大于10mm或跨度的1/200,两者取小值.4.5 制造装置4.5.1防护栏杆及钢平台应采取焊接连接,焊接要求应适合GB50205的规则.当便利焊接时,可用螺栓连接,但应包管设计的结构强度.装置后的防护栏杆及钢平台不该有歪斜、扭曲、变形及其他缺陷.4.5.2防护栏杆制造装置工艺应确保梯子及其所有构件及其连接部分概略滑腻、无锐边、尖角、毛刺或其他可能对人员造成伤害或妨害其通过的外部缺陷.4.5.3钢平台和通道不该仅靠自重装置固定.当采取仅靠拉力的固定件时,其任务载荷系数应不小于 1.5.设计时应考虑腐化和疲劳应力对固定件寿命的影响.4.5.4装置后的平台钢梁应平直,铺板应平整,不该有歪斜、翘曲、变形及其他缺陷.4.6 防锈及防腐化4.6.1防护栏杆及钢平台应使其积村水和湿气最小,以削减锈蚀和腐化.4.6.2按照防护栏杆及钢平台使用场合及情况条件,应对其进行适合的防锈及防腐涂装.4.6.3防护栏杆及钢平台装置后,应对其至少涂一层底漆或一层(或多层)面漆或采取等效的防锈防腐涂装.5防护栏杆结构要求5.1 结构形式5.1.1防护栏杆应采取包含扶手(顶部栏杆)、中间栏杆和立柱的结构形式或采取其他等效的机构.5.1.2防护栏杆各构件的不知应确保中间栏杆(横杆)与上下构件间形成的空隙间距不大于500mm.构件设置方法应阻止攀爬.5.2 栏杆高度5.2.1当平台、通道及作业场合距基准面高度小于2m 时,防护栏杆高度应不低于900mm.5.2.2当距基准面高度大于等于2m并小于20m的平台、通道及作业场合的防护栏杆高度应不低于1050mm.5.2.3在距基准面高度不小于20m的平台、通道及作业场合的防护栏杆高度应不低于1200mm.5.3 扶手5.3.1扶手的设计应允许手能连续滑动.扶手末端应以曲折端结束,可转向支撑墙,或转向中间栏杆,或转向立柱,或安插成避免扶手末端突出结构.5.3.2扶手宜采取钢管,外径应不小于30mm,不大于50mm.采取非圆形截面扶手,截面外接圆直径应不大于57mm,圆角半径不小于3mm.5.3.3扶手后应有不小于75mm的净空间,以便于手握.5.4 中间栏杆5.4.1在扶手和踢脚板之间,应至少设置一道中间栏杆.25mm×4mm扁钢或直径16mm的圆钢.中间栏杆与上、下方构件的空隙间距不大于500mm.5.5 立柱5.5.1防护栏杆端部应设置立柱或确保与修建物或其他固定结构牢固连接,立柱间距应不大于1000mm.5.5.2立柱不该在踢脚板上装置,除非踢脚板为承载的构件.50mm×50mm×4mm角钢或外径30mm~50mm钢管.5.6 踢脚板5.6.1踢脚板顶部在平台地面之上高度应不小于100mm,其底部距地面应不大于10mm.踢脚板宜采取不小于100mm×2mm的钢板制造.5.6.2在室内的平台、通道或地面,如果没有排水或排除有害液体妖气,踢脚板下端可不留空隙.6 钢平台结构要求6.1 平台尺寸6.1.1任务平台的尺寸应按照预定的使用要求及功效确定,但应不小于通行平台和梯间平台(休息平台)的最小尺寸.6.1.2通行平台的无障碍宽度应不小于750mm,单人偶尔通行的平台宽度可适当减小,单应不小于450mm.6.1.3梯间平台(休息平台)的宽度应不小于梯子的宽度,且对直梯应不小于700mm,斜梯应不小于760mm,两者取较大值.梯间平台(休息平台)在行进标的目的的长度应不小于梯子的宽度,且对直梯应不小于700mm,斜梯应不小于850mm,两者取较大值.6.2 上方空间6.2.1平台地面到上方障碍物的垂直距离应不小于2000mm.6.2.2对于仅限于单人偶尔使用的平台,上方障碍物的垂直距离可适当削减,但不该少于1900mm.6.3 支撑结构平台应装置在牢固可靠的支撑结构上,并与其刚性连接;梯间平台(休息平台)不该悬挂在梯段上.6.4 平台地板6.4.1平台地板宜采取不小于4mm厚的斑纹钢或经防滑处理的钢板铺装,相邻钢板不该搭接.相邻钢板上概略的高度差应不大于4mm.6.4.2任务平台和梯间平台(休息平台)的地板应水平设置.通行平台地板与水平面的倾角应不大于10°,倾斜的地板应采纳防滑措施.。
固定式钢梯及平台安全要求第3部分:工业防护栏杆及钢平台Safety requirements for fixed steel ladders and platformPart 3:Industrial guardrails and steel platform自2009-12-1 起执行前言本部分除第3章外为强制性。
GB 4053《固定式钢梯及平台安全要求》分为以下几个部分:——GB 4053.1 钢直梯;——GB 4053.2 钢斜梯;——GB 4053.3 工业防护栏杆及钢平台。
本部分为GB 4053《固定式钢梯及平台安全要求》的第3部分。
本部分是对GB 4053.3—1993《固定式工业防护栏杆安全技术条件》和GB4053.4—1983《固定式工业钢平台》的修订,修订后两个部分合并为一个标准。
本部分与GB 4053.3—1993相比主要变化如下:——增加了防护栏杆设置的高度要求和条件;——修改了对材料的要求;——修改了扶手设计载荷的规定;——增加了中间栏杆和立柱的载荷要求;——修改了防锈及防腐蚀的要求;——修改了防护栏杆推荐高度及最低高度的规定;——增加了扶手结构、非圆截面扶手尺寸及扶手周围空间的要求;——修改了中间栏杆与上下方构件间距的规定;——增加了立柱安装的要求;——修改踢脚板结构的要求,增加了踢脚板高度的规定。
本部分与GB 4053.4—1983相比主要变化如下:——修改了对材料的要求;——修改了平台设计载荷的规定;——修改了防锈及防腐蚀的要求;——修改了平台宽度的规定;——修改了平台行进方向长度的规定;——修改了平台上方空间高度的要求;——增加了通行平台倾角的规定。
本部分由国家安全生产监督管理总局提出。
本部分由全国安全生产标准化技术委员会归口。
本部分负责起草单位:吉林省安全科学技术研究院、长春工业大学、长春工程学院。
本部分主要起草人:肖建民、曲生、郑凡颖、孙伟、韩连英。
本部分所代替标准的历次版本发布情况为:——GB 4053.3—1983,GB 4053.3—1993;——GB 4053.4—1983。
固定式钢梯及平台平安要求之欧侯瑞魂创作第3部分:工业防护栏杆及钢平台1 范围本部分规定了固定式工业防护栏杆及钢平台的设计、制造和装置方面的基本平安要求。
本部分适用于工业企业内工作场合中使用的防护栏杆及钢平台(另有尺度规定的除外)。
2 规范性引用文件下列文件中的条款通过GB4053的本部分的引用而成为本部分的条款。
凡是注日期的引用文件,其随后所有的修改单(不包含勘误的内容)或修订版均不适用于本部分,然而,鼓励根据本部分达成协议的各方研究是否可使用这些文件的最新版本。
凡是不注日期的引用文件,其最新版本适用本部分。
GB50205 钢结构工程施工质量验收规范3 术语和定义下列术语和定义适用于本部分。
3.1 固定式工业防护栏杆 fixed industrial guardrail永久性装置在梯子、平台、通道、升降口及其他关闭边沿防止人员坠落的框架结构,简称护栏(见图1)。
3.2 扶手(顶部栏杆) handrail(top-rail)可供手握作为支撑并有阻挡功能的防护栏杆顶部构件。
3.3 中间栏杆(横杆)intermediate rail(knee-rail)装置在顶部栏杆和地板之间的防护栏杆水平构件。
3.4 立柱(支柱) post(stanchion)与平台或其他固定结构连接,支撑防护栏杆的垂直构件。
3.5 脚踏板(挡板)toe board(toe plate,kick,plate)沿平台、通道或其他关闭边沿垂直设置,用来防止物体坠落(或人员滑出)的防护栏杆构件。
3.6 平台platform在周围区域平面以上有可供人员工作或站立的平面结构。
3.7 固定式工业平台 fixed industrial steel platform永久性装置在建筑物或设备上供人员工作、休息或通行的钢制平台。
3.7.1工作平台 work platform装有要求的防护装置,供人员进行工作活动的平台。
3.7.2 梯间平台(中间平台、休息平台)landing (intermediate platform,rest platform)相邻梯段间供人员休息或改变行进方向的平台。
固定式钢梯及平台安全要求GB4053.3-2009第3部分:工业防护栏杆及钢平台1 范围本部分规定了固定式工业防护栏杆及钢平台的设计、制造和安装方面的基本安全要求。
本部分适用于工业企业内工作场所中使用的防护栏杆及钢平台(另有标准规定的除外)。
2 规范性引用文件下列文件中的条款通过GB4053的本部分的引用而成为本部分的条款。
凡是注日期的引用文件,其随后所有的修改单(不包括勘误的内容)或修订版均不适用于本部分,然而,鼓励根据本部分达成协议的各方研究是否可使用这些文件的最新版本。
凡是不注日期的引用文件,其最新版本适用本部分。
GB50205 钢结构工程施工质量验收规范3 术语和定义下列术语和定义适用于本部分。
3.1 固定式工业防护栏杆 fixed industrial guardrail永久性安装在梯子、平台、通道、升降口及其他敞开边缘防止人员坠落的框架结构,简称护栏(见图1)。
3.2 扶手(顶部栏杆) handrail(top-rail)可供手握作为支撑并有阻挡功能的防护栏杆顶部构件。
3.3 中间栏杆(横杆) intermediate rail(knee-rail)安装在顶部栏杆和地板之间的防护栏杆水平构件。
3.4 立柱(支柱) post(stanchion)与平台或其他固定结构连接,支撑防护栏杆的垂直构件。
3.5 脚踏板(挡板) toe board(toe plate,kick,plate)沿平台、通道或其他敞开边缘垂直设置,用来防止物体坠落(或人员滑出)的防护栏杆构件。
3.6 平台 platform在周围区域平面以上有可供人员工作或站立的平面结构。
3.7 固定式工业平台 fixed industrial steel platform永久性安装在建筑物或设备上供人员工作、休息或通行的钢制平台。
3.7.1 工作平台 work platform装有要求的防护装置,供人员进行工作活动的平台。
3.7.2 梯间平台(中间平台、休息平台) landing(intermediate platform,rest platform)相邻梯段间供人员休息或改变行进方向的平台。
GB固定式钢梯及平台安全要求第部分工业防护栏杆及钢平台工业防护栏杆及钢平台是工业环境中非常重要的安全设备,其主要功能是为工作人员提供安全的工作环境,并防止事故的发生。
因此,对于工业防护栏杆及钢平台的安全要求非常高。
首先,工业防护栏杆及钢平台应该具备足够的强度和稳定性。
它们需要能够承受工作人员的重量以及附加的载荷,如材料和设备的重量。
因此,它们应该采用优质的钢材制成,并采取适当的结构设计,以确保其强度和稳定性。
此外,钢平台的支撑点也应够稳固,确保不会发生塌陷或倾斜的情况。
其次,工业防护栏杆及钢平台应具备适当的安全保护措施。
例如,工业防护栏杆应该具备足够的高度,以防止工作人员从平台上跌落。
栏杆的高度应不低于1.1米,并且应该具备足够的坚固性,能够承受工作人员对其的冲击力。
此外,栏杆的间距也应不大于0.15米,以防止工作人员的头或身体部分卡入栏杆之间。
工业钢平台的安全要求也非常重要。
首先,钢平台应具备足够的宽度,以提供足够的工作空间。
通常,钢平台的宽度应不小于0.8米,并且平台的边缘应具备安全防护装置,以防止工作人员从平台边缘摔落。
工业防护栏杆及钢平台应该具备适当的表面处理。
例如,它们应该具备足够的摩擦系数,以防止工作人员在湿滑或者污染的环境中滑倒。
此外,它们的表面也应该平整且没有尖锐的边缘,以防止工作人员受伤。
最后,工业防护栏杆及钢平台应具备适当的标识。
例如,在栏杆的顶部应该设立明显的标志,以提醒工作人员注意栏杆的位置,并避免意外碰撞。
此外,钢平台的入口处也应该设立明显的标志,以防止未经许可的人员进入。
总的来说,工业防护栏杆及钢平台的安全要求非常严格,其设计和制造需要满足相关的标准要求。
这些安全要求的目的是为了保证工作人员的安全,并防止事故的发生。
只有严格遵守这些安全要求,才能够确保工业防护栏杆及钢平台的安全性能。
编号:SY-AQ-06793
( 安全管理)
单位:_____________________
审批:_____________________
日期:_____________________
WORD文档/ A4打印/ 可编辑
防护栏杆及钢平台安全要求Safety requirements for protective railings and steel platforms
防护栏杆及钢平台安全要求
导语:进行安全管理的目的是预防、消灭事故,防止或消除事故伤害,保护劳动者的安全与健康。
在安全管理的四项主要内容中,虽然都是为了达到安全管理的目的,但是对生产因素状态的控制,与安全管理目的关系更直接,显得更为突出。
4一般要求
4.1防护要求
4.1.1距下方相邻地板或地面1.2m及以上的平台、通道或工作面得所有敞开边缘应设置防护栏杆。
4.1.2在平台、通道或工作面上可能使用工具、机器部件或物品场合,应在所有敞开边缘设置带踢脚板的防护栏杆。
4.1.3在酸洗或电镀、脱脂等危险设备上方或附近的平台、通道或工作面的敞开边缘,均应设置带踢脚板的防护栏杆。
4.1.4当平台设有满足踢脚板功能及强度要求的其他结构边沿时,防护栏杆可不设踢脚板。
4.2材料
防护栏杆及钢平台采用钢材的力学性能应不低于Q235-B,并具有碳含量合格保证。
4.3防护栏杆设计载荷
4.3.1防护栏杆安装后顶部栏杆应能承受水平方向和垂直向下方向不小于890N集中载荷和不小于700N/m均布载荷。
在相邻立柱间的最大挠曲变形应不大于跨度的1/250。
水平和垂直载荷以及集中和均布载荷均不叠加。
4.3.2中间栏杆应能承受在中点圆周上施加不小于700N水平集中载荷,最大挠曲变形不大于75mm。
4.3.3端部或末端立柱应能承受在立柱顶部施加的任何方向上890N的集中载荷。
4.4钢平台设计载荷
4.4.1钢平台的设计载荷应按实际使用要求确定,并应不小于本部分规定的值。
4.4.2整个平台区域内应能承受不小于3kN/m2均匀分布活载荷。
4.4.3在平台区域内中心距为1000mm,边长300mm正方形上应能承受不小于1kN集中载荷。
4.4.4平台地板在设计载荷下的挠曲变形应不大于10mm或跨度的1/200,两者取小值。
4.5制造安装
4.5.1防护栏杆及钢平台应采用焊接连接,焊接要求应符合GB50205的规定。
当不便焊接时,可用螺栓连接,但应保证设计的结构强度。
安装后的防护栏杆及钢平台不应有歪斜、扭曲、变形及其他缺陷。
4.5.2防护栏杆制造安装工艺应确保梯子及其所有构件及其连接部分表面光滑、无锐边、尖角、毛刺或其他可能对人员造成伤害或妨碍其通过的外部缺陷。
4.5.3钢平台和通道不应仅靠自重安装固定。
当采用仅靠拉力的固定件时,其工作载荷系数应不小于1.5。
设计时应考虑腐蚀和疲劳应力对固定件寿命的影响。
4.5.4安装后的平台钢梁应平直,铺板应平整,不应有歪斜、翘曲、变形及其他缺陷。
4.6防锈及防腐蚀
4.6.1防护栏杆及钢平台应使其积村水和湿气最小,以减少锈蚀和腐蚀。
4.6.2根据防护栏杆及钢平台使用场合及环境条件,应对其进行合适的防锈及防腐涂装。
4.6.3防护栏杆及钢平台安装后,应对其至少涂一层底漆或一层(或多层)面漆或采用等效的防锈防腐涂装。
5防护栏杆结构要求
5.1结构形式
5.1.1防护栏杆应采用包括扶手(顶部栏杆)、中间栏杆和立柱的结构形式或采用其他等效的机构。
5.1.2防护栏杆各构件的不知应确保中间栏杆(横杆)与上下构件间形成的空隙间距不大于500mm。
构件设置方式应阻止攀爬。
5.2栏杆高度
5.2.1当平台、通道及作业场所距基准面高度小于2m时,防护栏杆高度应不低于900mm。
5.2.2当距基准面高度大于等于2m并小于20m的平台、通道
及作业场所的防护栏杆高度应不低于1050mm。
5.2.3在距基准面高度不小于20m的平台、通道及作业场所的防护栏杆高度应不低于1200mm。
5.3扶手
5.3.1扶手的设计应允许手能连续滑动。
扶手末端应以曲折端结束,可转向支撑墙,或转向中间栏杆,或转向立柱,或布置成避免扶手末端突出结构。
5.3.2扶手宜采用钢管,外径应不小于30mm,不大于50mm。
采用非圆形截面扶手,截面外接圆直径应不大于57mm,圆角半径不小于3mm。
5.3.3扶手后应有不小于75mm的净空间,以便于手握。
5.4中间栏杆
5.4.1在扶手和踢脚板之间,应至少设置一道中间栏杆。
5.4.2中间栏杆宜采用不小25mm×4mm扁钢或直径16mm的圆钢。
中间栏杆与上、下方构件的空隙间距不大于500mm。
5.5立柱
5.5.1防护栏杆端部应设置立柱或确保与建筑物或其他固定结构牢固连接,立柱间距应不大于1000mm。
5.5.2立柱不应在踢脚板上安装,除非踢脚板为承载的构件。
5.5.3立柱因采用不小于50mm×50mm×4mm角钢或外径30mm~50mm钢管。
5.6踢脚板
5.6.1踢脚板顶部在平台地面之上高度应不小于100mm,其底部距地面应不大于10mm。
踢脚板宜采用不小于100mm×2mm的钢板制造。
5.6.2在室内的平台、通道或地面,如果没有排水或排除有害液体妖气,踢脚板下端可不留空隙。
6钢平台结构要求
6.1平台尺寸
6.1.1工作平台的尺寸应根据预定的使用要求及功能确定,但应不小于通行平台和梯间平台(休息平台)的最小尺寸。
6.1.2通行平台的无障碍宽度应不小于750mm,单人偶尔通行
的平台宽度可适当减小,单应不小于450mm。
6.1.3梯间平台(休息平台)的宽度应不小于梯子的宽度,且对直梯应不小于700mm,斜梯应不小于760mm,两者取较大值。
梯间平台(休息平台)在行进方向的长度应不小于梯子的宽度,且对直梯应不小于700mm,斜梯应不小于850mm,两者取较大值。
6.2上方空间
6.2.1平台地面到上方障碍物的垂直距离应不小于2000mm。
6.2.2对于仅限于单人偶尔使用的平台,上方障碍物的垂直距离可适当减少,但不应少于1900mm。
6.3支撑结构
平台应安装在牢固可靠的支撑结构上,并与其刚性连接;梯间平台(休息平台)不应悬挂在梯段上。
6.4平台地板
6.4.1平台地板宜采用不小于4mm厚的花纹钢或经防滑处理的钢板铺装,相邻钢板不应搭接。
相邻钢板上表面的高度差应不大于4mm。
6.4.2工作平台和梯间平台(休息平台)的地板应水平设置。
通行平台地板与水平面的倾角应不大于10°,倾斜的地板应采取防滑措施。
这里填写您的公司名字
Fill In Your Business Name Here。