南昌大学电子设计实验实验报告
- 格式:doc
- 大小:4.86 MB
- 文档页数:19
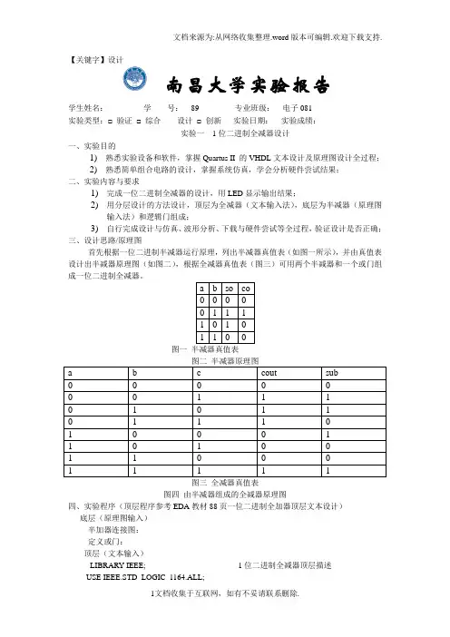
【关键字】设计南昌大学实验报告学生姓名:学号:89 专业班级:电子081实验类型:□ 验证□ 综合设计□ 创新实验日期:实验成绩:实验一1位二进制全减器设计一、实验目的1)熟悉实验设备和软件,掌握Quartus II 的VHDL文本设计及原理图设计全过程;2)熟悉简单组合电路的设计,掌握系统仿真,学会分析硬件尝试结果;二、实验内容与要求1)完成一位二进制全减器的设计,用LED显示输出结果;2)用分层设计的方法设计,顶层为全减器(文本输入法),底层为半减器(原理图输入法)和逻辑门组成;3)自行完成设计与仿真、波形分析、下载与硬件尝试等全过程,验证设计是否正确;三、设计思路/原理图首先根据一位二进制半减器运行原理,列出半减器真值表(如图一所示),并由真值表设计出半减器原理图(如图二),根据全减器真值表(图三)可用两个半减器和一个或门组成一位二进制全减器。
a b so co0 0 0 00 1 1 11 0 1 01 1 0 0图一半减器真值表a b c cout sub0 0 0 0 00 0 1 1 10 1 0 1 10 1 1 1 01 0 0 0 11 0 1 0 01 1 0 0 01 1 1 1 1图三全减器真值表图四由半减器组成的全减器原理图四、实验程序(顶层程序参考EDA教材88页一位二进制全加器顶层文本设计)底层(原理图输入)半加器连接图:定义或门:顶层(文本输入)LIBRARY IEEE; --1位二进制全减器顶层描述USE IEEE.STD_LOGIC_1164.ALL;ENTITY f_m IS --定义f_m实体PORT (ain,bin,cin :IN STD_LOGIC;cout,sub:OUT STD_LOGIC);END ENTITY f_m;ARCHITECTURE one OF f_m IS --描述结构体COMPONENT h_m --定义h_m各引脚PORT ( a,b : IN STD_LOGIC ;co,so : OUT STD_LOGIC) ;END COMPONENT ;COMPONENT or2a --定义or2a各引脚PORT (a,b : IN STD_LOGIC;c : OUT STD_LOGIC) ;END COMPONENT ;SIGNAL d,e,f : STD_LOGIC ; --定义信号d,e,f的类型BEGIN --描述底层各元件的连接u1 : h_m PORT MAP (a=>ain, b=>bin, co=>d, so=>e) ;u2 : h_m PORT MAP (a=>e, b=>cin, co=>f, so=>sub);u3 : or2a PORT MAP (a=>d, b=>f, c=>cout);END ARCHITECTURE one ; --结束结构体描述五、实验步骤1.建立工作库文件夹和编辑设计文件1)在D盘新建立一个文件夹命名为f_m,选择ACEX1K芯片,保存下面的工程文件;2)打开quartus II,选择菜单File→New→Block diagram/schematic file,点击OK,输入半减器原理图,保存为h_m.bdf并选择菜单file→create/update→createVHDL component declaration files for current file2.选择菜单File→New→Block diagram/schematic file,点击OK,定义或门,保存为or2a.bdf并选择菜单file→create/update→create VHDL component declarati on filesfor current file3.选择菜单File→New→VHDL file,点击OK后在打开的界面下输入已设计的程序,保存为f_m.vhd;4.对f_m.vhd进行编译5.创建仿真文件f_m.vwf,将所有引脚拉入仿真文件,设定end time以及ain,bin,cin输入值,进行仿真6.选择assignments→pins 设置各引脚,并编译;7.下载程序,验证实验结果;六、仿真波形分析下图为实验所得的波形图:a b c d e f g h i区间ain bin cin cout sub LED6 LED5 a-b 0 0 0 0 0 灭灭b-c 0 0 1 1 1 亮亮c-d 0 1 0 1 1 亮亮d-e 0 1 1 1 0 亮灭e-f 1 0 0 0 1 灭亮f-g 1 0 1 0 0 灭灭g-h 1 1 0 0 0 灭灭h-i 1 1 1 1 1 亮亮借位情况,cout为本位输出,sub为向上借位的值,由上表可知,仿真结果与理论值(全减器真值表)一致,故仿真成功。
南昌大学电力电子实验报告..《电力电子技术基础》实验报告班级:学号:姓名:时间:XXXX年06月word教育资料..目录实验一正弦波同步移相触发电路实验................................................1实验二锯齿波同步移相触发电路实验......................................................3实验三单相桥式半控整流电路实验.........................................................6实验四单相桥式全控整流电路实验 (9)实验五三相半波可控整流电路实验……………………………………………....11实验六三相桥式全控整流电路实验……………………………………………....12实验七直流降压斩波电路实验…………………………………………..……......14实验八直流升压斩波电路实验…………………………………………..……......16 ..实验一正弦波同步移相触发电路实验一.实验目的1.熟悉正弦波同步触发电路的工作原理及各元件的作用。
2.掌握正弦波同步触发电路的调试步骤和方法。
二.实验内容1.正弦波同步触发电路的调试。
2.正弦波同步触发电路各点波形的观察。
三.实验线路及原理电路分脉冲形成,同步移相,脉冲放大等环节,具体工作原理可参见“电力电子技术”有关教材。
四.实验设备及仪器1.MCL系列教学实验台主控制屏2.MCL—18组件(适合MCL—Ⅱ)或MCL—31组件(适合MCL—Ⅲ)3.MCL—05组件4.二踪示波器5.万用表五.实验方法1.将MCL—05面板上左上角的同步电压输入端接MCL—18的U、V端(如您选购的产品为MCL—Ⅲ、Ⅴ,则同步电压输入直接与主控制屏的U、V输出端相连),将“触发电路选择”拨至“正弦波”位置。
2.三相调压器逆时针调到底,合上主电路电源开关,调节主控制屏输出电压Uuv=2XXXX年06月word教育资料..目录实验一正弦波同步移相触发电路实验…………………………………………1实验二锯齿波同步移相触发电路实验…………………………………………......3实验三单相桥式半控整流电路实验……………………………………………......6实验四单相桥式全控整流电路实验………………………………………..……....9实验五三相半波可控整流电路实验……………………………………………....11实验六三相桥式全控整流电路实验……………………………………………....12实验七直流降压斩波电路实验…………………………………………..……......14实验八直流升压斩波电路实验…………………………………………..……......16 ..实验一正弦波同步移相触发电路实验一.实验目的1.熟悉正弦波同步触发电路的工作原理及各元件的作用。
南昌⼤学EDA实验报告实验六信号发⽣器
南昌⼤学实验报告
学⽣姓名:xx 学号:xx 专业班级:xx
实验类型:□验证□综合□设计□创新实验⽇期:2016.11.04 实验成绩:
实验六LPM信号发⽣器
(⼀)实验要求
1、LPM定制⽅法实现。
2、信号数字值存储在ROM中,可以是64个或128个,位长8位。
3、产⽣的信号可以是正弦波或⽅波、三⾓波、锯齿波等,⾃选。
4、⽤SignalTap逻辑分析/或输出到DAC⽰波器观察
(⼆)实验原理
定制LPM-ROM模块,并利⽤其设计⼀个信号发⽣器,该信号发⽣器由以下三部分组成:
(1)计数器或地址信号发⽣器;
(2)信号数据存储器ROM(6位地址线,8位数据线)(3)VHDL顶层程序设计
本实验中待测信号ar和q。
时钟选择clk;使能信号为en,⾼电平触发。
(三)实验步骤
1、定制初始化波形数据⽂件:建⽴.mif格式⽂件。
2、定制LPM_ROM元件:利⽤定制信号数据ROM宏功能块,并将以上波形加载与ROM中。
3、⽤VHDL语⾔完成信号发⽣器的顶层设计。
(四)实验仿真波形
(五)管脚分配
(六)下载测试。
将FPGA板接⽰波器,可实现⽅波,正弦波,三⾓波的波形输出。
控制按键s1,s2,s3,s4可改变波形的频率幅度⼤⼩。
(七)实验⼩结
本次实验我⽤到了创建mif⽂件rom存储,以及嵌⼊式逻辑分析仪的使⽤。
南昌大学电子工艺实习报告电气实习报告实习内容:教学实习(生产)实习形式:集中实验名称:中夏品牌ZX-05调频,调幅收音机组装实习地点:南昌大学电气电子中心(基础实验楼)学生姓名:林秋荣学习号。
:5802111071专业课:环境工作者112实习单位:南昌大学电子技术实习中心实习时间:11月23日,XXXX前言:随着社会的发展,未来要满足社会发展对人才的需求,我们不仅需要较强的理论知识,还需要较强的实践能力。
这就要求我们所学的只能应用于实际工作。
只有这样,我们才能在未来的职业生涯和社会工作中立于不败之地。
我们已经学习了电子电气技术的理论知识,但是我们不熟悉真正的炒作。
为此,学校安排了这次无线电组装练习来训练我们的操作能力。
1,实习目的1。
了解常用电子设备的类型、型号、规格、性能和使用范围,并能查阅相关的电子设备书籍2。
掌握电子元器件的识别和质量检验3.学习和掌握超外差收音机的工作原理4。
熟悉手工焊接常用工具的使用、维护和维修,基本掌握手工电烙铁的焊接技术。
5。
了解电子产品的焊接、调试和维护方法提高动手能力的电子产品调试方法初探原理是电台通过变频级电路将接收到的电台高频信号转换成固定频率的中频信号,然后对中频信号进行多级放大、解调和低放大。
这样,灵敏度和选择性可以大大提高,并且整个波段的接收灵敏度可以是均匀的。
由于中频较低且固定,中频调谐放大器电路可以实现良好的选择性、高增益且不易自激所谓超外差式是通过输入环路接收无线电台的高频调制波,将其与本地振荡环路产生的本地信号一起发送到混频器,然后通过中频环路选择频率,以获得固定的中频载波(例如,465千赫或455千赫为国际调幅中频)超外差的本质是将不同频率的调制波载波转换成固定和较低频率的中频载波。
在广播、电视和通信领域,超外差接收被广泛使用。
图2图2超外差原理在超外差设计中,本地频率高于输入频率同轴双可变电容用于同步改变输入环路电容C1-2和本振环路电容C1-1,使频率差始终大致相同,且为中频,即如果接收信号频率为256±199±600千赫,本振频率为1055千赫;;1000千赫,本地频率为1455千赫;;1500千赫,本机振荡频率为1955千赫;;由于谐振电路的谐振频率,F和C不会线性变化,因此必须提供补偿电容来校正其特性,以便在监听范围内获得F和C之间的近似线性变化,并确保F(本地振荡器)-f(信号)=f(中频)是一个固定的中频信号。
南昌大学电子实习报告一、实习目的与意义随着科技的飞速发展,电子技术已经渗透到各个领域,对人们的生活和工作产生了深远的影响。
为了适应这一时代的发展,提高我们的实践能力和创新能力,南昌大学为我们提供了电子实习这一宝贵的机会。
通过这次实习,我们旨在了解电子技术的基本原理,掌握电子设备的操作方法,培养我们的团队协作精神和动手能力,为将来的学习和工作打下坚实的基础。
二、实习内容与过程在实习期间,我们学习了电子技术的基本原理,了解了电子设备的构造和功能,并通过实际操作,掌握了电子设备的调试和维修技巧。
以下是实习的主要内容和过程:1. 学习电子元器件的知识,包括电阻、电容、电感、二极管、三极管等,了解它们的性能、特点和应用。
2. 学习电子电路的基本分析方法,包括电压、电流、功率的计算,以及串并联电路、振荡电路、放大电路等的设计和分析。
3. 学习电子设备的操作方法,包括调试、维修、测量等,了解各种电子测试仪器的作用和使用方法。
4. 完成实习任务,包括电子电路的设计、焊接、调试和报告撰写。
三、实习成果与收获通过这次实习,我们取得了丰硕的成果,主要包括以下几点:1. 掌握了电子技术的基本原理,了解了电子设备的构造和功能,为今后的学习和工作打下了坚实的基础。
2. 培养了团队协作精神,学会了与他人共同解决问题,提高了我们的沟通能力和组织协调能力。
3. 提高了动手能力,学会了电子设备的操作和调试方法,为今后的工作积累了宝贵的经验。
4. 增强了创新意识,学会了独立思考和解决问题,为今后的发展奠定了基础。
5. 培养了良好的职业道德,学会了遵守纪律、尊重他人、认真负责的工作态度。
四、实习总结与展望通过这次电子实习,我们对电子技术有了更深入的了解,收获颇丰。
然而,电子技术的发展日新月异,我们还需要不断学习,不断提高自己的实践能力和创新能力。
在今后的学习和工作中,我们将以此为契机,努力拓宽知识面,提高自己的综合素质,为我国电子事业的发展贡献自己的力量。
实验报告实验课程:电子线路设计与测试学生姓名:学号:专业班级:通信工程2014年 5月目录信号发生器设计直流稳压电源设计音频功率放大电路设计温度控制电路设计信号发生器设计一、实验任务设计一信号发生器,能产生方波、三角波和正弦波并进行仿真。
二、实验要求基本性能指标:(1)频率范围100Hz~1kHz;(2)输出电压:方波U p-p≤24V,三角波U p-p=6V,正弦波U p-p>1V。
扩展性能指标:频率范围分段设置10Hz~100Hz, 100Hz~1kHz,1kHz~10kHz;波形特性方波t r<30u s(1kHz,最大输出时),三角波r△<2%,正弦波r~<5%。
三、实验方案信号发生器设计方案有多种,图1是先产生方波、三角波,再将三角波转换为正弦波的组成框图。
图1 信号发生器组成框图主要原理是:由迟滞比较器和积分器构成方波——三角波产生电路,三角波在经过差分放大器变换为正弦波。
方波——三角波产生基本电路和差分放大器电路分别如图2和图4所示。
图2所示,是由滞回比较器和积分器首尾相接形成的正反馈闭环系统,则比较器A1输出的方波经积分器A2积分可得到三角波,三角波又触发比较器自动翻转形成方波,这样即可构成三角波、方波发生器。
其工作原理如图3所示。
图2 方波和三角波产生电路图3 比较器传输特性和波形利用差分放大器的特点和传输特性,可以将频率较低的三角波变换为正弦波。
其基本工作原理如图5所示。
为了使输出波形更接近正弦波,设计时需注意:应接近差分放大器的传输特性曲线越对称、线性区越窄越好;三角波的幅值Vm晶体管的截止电压值。
图4 三角波→正弦波变换电路图5 三角波→正弦波变换关系在图4中,RP1调节三角波的幅度,RP2调整电路的对称性,并联电阻RE2用来减小差分放大器的线性区。
C1、C2、C3为隔直电容,C4为滤波电容,以滤除谐波分量,改善输出波形。
波形发生器的性能指标:①输出波形种类:基本波形为正弦波、方波和三角波。
实验报告实验课程:电子电子技术基础学生姓名:学号:专业班级:2018年 1 月 16 日目录实验一正弦波同步移相触发电路实验-----------------------3实验二锯齿波同步移相触发电路实验-----------------------8实验三单相桥式半控整流电路实验--------------------------14实验四单相桥式全控整流电路实验--------------------------21实验五三相半波可控整流电路实验--------------------------26实验六三相桥式全控整流电路实验--------------------------33实验七直流降压斩波电路实验--------------------------------43实验八直流升压斩波电路实验--------------------------------49实验一正弦波同步移相触发电路实验六.实验报告1、画出 =60O时,观察孔“1”~“7”及输出脉冲电压波形。
1孔和2孔波形(黄色为1孔,蓝色为2孔)3孔和4孔波形(黄色为3孔,蓝色为4孔)5孔和6孔波形(黄色为5孔,蓝色为6孔)7孔2.指出Uct增加时,α应如何变化?移相范围大约等于多少度?指出同步电压的哪一段为脉冲移相范围。
答:Uct增加时,α逐渐减小至0,移相范围大约等于180°,平均电压取最大值和取零值之间称为脉冲移相范围(即 所能取到的电角度)。
七.注意事项双踪示波器有两个探头,可以同时测量两个信号,但这两个探头的地线都与示波器的外壳相连接,所以两个探头的地线不能同时接在某一电路的不同两点上,否则将使这两点通过示波器发生电气短路。
为此,在实验中可将其中一根探头的地线取下或外包以绝缘,只使用其中一根地线。
当需要同时观察两个信号时,必须在电路上找到这两个被测信号的公共点,将探头的地线接上,两个探头各接至信号处,即能在示波器上同时观察到两个信号,而不致发生意外。
南昌大学高频电子线路实验报告篇一:高频电子线路实验报告实验报告实验课程:高频电子线路学生姓名:学号:专业班级:指导教师:目录实验一、仪器的操作使用………………………………………实验二、高频小信号调谐放大器………………………………实验三、功率放大器设计………………………………………实验四、LC正弦波振荡器………………………………………实验五、晶体振荡器设计………………………………………实验六、集成模拟乘法器混频…………………………………实验七、二极管双平衡混频器…………………………………实验八、集电极调幅……………………………………………实验九、基极调幅电路…………………………………………实验十、模拟乘法器调幅(AM,DSB,SSB )……………………实验一仪器的操作使用一、实验目的1.学会高频实验室基本仪器的使用与操作,并能够运用仪器进行简单的实验;2.运用仪器调出相应要求的信号,并进行测试。
二、实验仪器示波器,信号发生器,频率特性测试仪三、实验内容1.用信号发生器产生所需要的信号,通过示波器的信号输入线加入到示波器,按一下AUTO SET键,示波器自动识别,显示出信号波形,在按一下Measure键,示波器出现信号频率、幅度等参数。
2.设置高频正弦波信号的频率为10.8MHz,按照表格分别设置信号的幅度,测出对应的输出信号的峰峰值。
3.按调幅键键,进行调幅波信号的产生和观测。
四、实验数据实验误差:接负载:(1)×1档 100mv 22.1 % 150mv 19% 200mv 16% 250mv 15.3%(2)×10档 100mv 1.4% 150mv 1.9%200mv 1.6%250mv 1.8%空载:(1)×1档 100mv 6.0 % 150mv 15.4% 200mv 14.1% 250mv 12.2%(2)×10档 100mv:7150mv 9.1% 200mv 8.1%250mv 6.3%实验二高频小信号调谐放大器实验五、实验目的1、掌握高频小信号谐振电压放大器的电路组成与基本工作原理。
低频电子线路实验报告—基于Multisim的电子仿真设计班级:卓越(通信)091班姓名:杨宝宝学号:6100209170辅导教师:陈素华徐晓玲学生姓名:杨宝宝学号:6100209170 专业班级:卓越(通信)091班实验类型:□验证□综合□设计□创新实验日期:实验成绩:实验一基于Multisim数字电路仿真实验一、实验目的1.掌握虚拟仪器库中关于测试数字电路仪器的使用方法,入网数字信号发生器和逻辑分析仪的使用。
2.进一步了解Multisim仿真软件基本操作和分析方法。
二、实验内容用数字信号发生器和逻辑分析仪测试74LS138译码器逻辑功能。
三、实验原理实验原理图如图所示:四、实验步骤1.在Multisim软件中选择逻辑分析仪,字发生器和74LS138译码器;学生姓名:杨宝宝学号:6100209170 专业班级:卓越(通信)091班实验类型:□验证□综合□设计□创新实验日期:实验成绩:2.数字信号发生器接138译码器地址端,逻辑分析仪接138译码器输出端。
并按规定连好译码器的其他端口。
3.点击字发生器,控制方式为循环,设置为加计数,频率设为1KHz,并设置显示为二进制;点击逻辑分析仪设置频率为1KHz。
相关设置如下图学生姓名:杨宝宝学号:6100209170 专业班级:卓越(通信)091班实验类型:□验证□综合□设计□创新实验日期:实验成绩:五、实验数据及结果逻辑分析仪显示图下图实验结果分析:由逻辑分析仪可以看到在同一个时序74LS138译码器的八个输出端口只有一个输出为低电平,其余为高电平.结合字发生器的输入,可知.在译码器的G1=1,G2A=0,G2B=0的情况下,输出与输入的关系如下表所示学生姓名:杨宝宝学号:6100209170 专业班级:卓越(通信)091班实验类型:□验证□综合□设计□创新实验日期:实验成绩:当G1=1,G2A=0,G2B=0中任何一个输入不满足时,八个输出都为1六、实验总结通过本次实验,对Multisim的基本操作方法有了一个简单的了解。
实习报告实习内容:□认识实习(社会调查)□教学实习(□生产□临床□劳动)□毕业实习实习形式:□集中□分散学生姓名:马超学号: 6100311092学院专业班级:信息工程学院自动化112班实习单位:南昌大学电工电子实习中心实习时间: 2012.10.22-2012.10.26 2012年10月26日(以下内容由学生书写,要求实习报告用A4纸张书写,正文用小四号字体,行间距1.25倍。
)一、实习目的1、了解常用电子器件的类别、型号、规格、性能及其使用范围,能查阅有关的电子器件图书。
2、掌握电子元器件的识别及质量检验。
3、学习并掌握中夏牌ZX-05型调频、调幅收音机、贴片收音机的工作原理。
4、熟悉手工焊锡的常用工具的使用及其维护与修理,基本掌握手工电烙铁的焊接技术。
5.了解电子产品的焊接、调试与维修方法。
初步学习调试电子产品的方法,提高动手能力。
二、实习器材1、电烙铁2、螺丝刀、镊子、钳子等必备工具3、中夏牌ZX-05型调频、调幅收音机实验套件4、焊锡丝: 为锡铅合金,中间为松香。
通常用于电子设备的锡焊。
其锡前铅比为60/40。
它的熔点低,焊接时,焊锡能迅速散步在金属表面焊接牢固,焊点光亮美观。
三、时间安排三、实习内容1.焊接锡焊原理锡焊技术采用以锡为主的锡合金材料作焊料,在一定温度下焊锡熔化,金属焊件与锡原子之间相互吸引、扩散、结合,形成浸润的结合层。
外表看来印刷板铜铂及元器件引线都是很光滑的,实际上它们的表面都有很多微小的凹凸间隙,熔流态的锡焊料借助于毛细管吸力沿焊件表面扩散,形成焊料与焊件的浸润,把元器件与印刷板牢固地粘合在一起,而且具有良好的导电性能。
锡焊接的条件是:焊件表面应是清洁的,油垢、锈斑都会影响焊接;能被锡焊料润湿的金属才具有可焊性,对黄铜等表面易于生成氧化膜的材料,可以借助于助焊剂,先对焊件表面进行镀锡浸润后,再行焊接;要有适当的加热温度,使焊锡料具有一定的流动性,才可以达到焊牢的目的,但温度也不可过高,过高时容易形成氧化膜而影响焊接质量.(1)烙铁的使用烙铁是焊接的主要工具之一,焊接收音机应选用30W~50W电烙铁。
南昌大学电工电子实习报告学院:信息工程学院班级: 自动化121学号:6100312235姓名:熊林林实习时间:4.14--4.18目录1.实习内容2.实习目的3.实习器材及介绍4.实验原理5.实习步骤6. 心得体会一.实习内容(1) 学习识别简单的电子元件与电子线路;(2) 学习并掌握收音机的工作原理;(3)按照图纸焊接元件,组装收音机,并掌握其调试方法。
二.实习目的1.熟悉手工焊锡的常用工具的使用及其维护与修理。
2.基本掌握手工电烙铁的焊接技术,能够独立的完成简单电子产品的安装与焊接。
熟悉电子产品的安装工艺的生产流程。
3.熟悉印制电路板设计的步骤和方法,熟悉手工制作印制电板的工艺流程,能够根据电路原理图,元器件实物设计并制作印制电路板。
三.实习器材及介绍1.由于焊接的元件多,所以使用的是外热式电烙铁,功率为30w,烙铁头是铜制。
2.螺丝刀、镊子等。
3.焊锡丝:它的熔点低,焊接时,焊锡能迅速散步在金属表面焊接牢固,焊点光亮美观。
4.元件清单。
四.实习原理收音机是把接收到的电台高频信号,用一个变频级电路将它转化为频率固定的中频信号,然后在对这个中频信号进行多级放大,再检波,低放。
这样灵敏度和选择性都可大幅度改善,而且可使整个波段接受灵敏度均匀。
由于中频频率较低又是固定的,所以中频调谐放大电路可以做到选择性好、增益高又不易自激。
由天线接收的信号经输入回路选频后与本机产生的正弦波振荡信号(其频率总比输入回路选出的信号的频率高465kHz),共同送入变频级进行混频,产生一个固定的差频信号,即465kHz。
465kHz 中频信号经过几级中频选频放大电路的放大后,加至检波级进行检波。
解调出的音频信号经前置低放级电压放大、功率放大级放大后推动喇叭发出声音。
检波级输出的波动直流成分信号能反映输入的高频信号强弱,将它经自动增益控制电路后去控制中放级的增益。
这样可使高频信号强时中放级增益下降,从而使输出音量不随高频信号强弱变化而发生变化,也使中放级工作稳定、性能提高。
电子设计实验报告电子设计实验报告引言电子设计实验是电子工程专业的基础实验之一,通过实践操作和实验数据的分析,帮助学生巩固和拓展所学的电子设计理论知识。
本文将对我在电子设计实验中的实验内容、实验过程和实验结果进行详细阐述。
实验内容本次电子设计实验的主题是“放大器设计与实现”。
实验要求我们设计并实现一个特定功能的放大器电路,并通过实验数据验证其性能指标。
放大器是电子设备中非常重要的一种电路,它能够将输入信号放大到所需的幅度,并保持其波形不失真。
在实验中,我们需要选择合适的放大器类型、电路拓扑和元器件参数,以满足给定的放大倍数、频率响应和失真要求。
实验过程首先,我们在实验前进行了必要的理论学习,包括放大器的基本原理、不同类型放大器的特点和应用场景等。
然后,我们根据实验要求选择了适合的放大器类型和电路拓扑,并设计了相应的电路图。
在设计过程中,我们需要考虑电路的稳定性、抗干扰能力和功耗等因素,以及元器件的可获得性和成本等因素。
接下来,我们准备了所需的元器件和实验设备,并进行了电路的组装和连接。
在组装过程中,我们需要注意元器件的正确安装和连接,以及电路的可靠性和稳定性。
一旦电路组装完成,我们就可以进行实验测试了。
在实验测试中,我们首先对电路进行了静态工作点的调整,以确保电路在正常工作范围内。
然后,我们通过信号发生器输入不同频率和幅度的信号,测量输出信号的幅度、相位和失真程度等参数。
通过对实验数据的分析,我们可以评估电路的增益、带宽、噪声和非线性失真等性能指标,以及对不同频率信号的放大效果。
实验结果根据实验数据的分析,我们得出了以下结论:1. 电路的放大倍数在设计要求范围内,并且在整个频率范围内保持相对稳定。
2. 电路的频率响应满足要求,能够在给定的频率范围内放大信号。
3. 电路的失真程度较低,能够保持输入信号的波形基本不失真。
4. 电路的噪声水平较低,对输入信号的干扰较小。
结论通过本次电子设计实验,我深入理解了放大器的工作原理和设计方法,并通过实践操作和实验数据的分析,巩固了所学的电子设计理论知识。
电子CAD实验报告学院:信息工程学院专业班级:姓名:学号:直流稳压电源电路原理图设计一.实验目的:(1)熟悉原理图编辑器(2)掌握原理图的实体放置与编辑(3)熟练完成双路直流稳压电路原理图设计。
二:实验内容:绘制双路直流稳压电源电路原理图如图所示图1双路直流稳压电源电路原理三:实验步骤:(1)启动Protel99SE,新建文件“双路直流稳压电源电路.sch”进入原理图编辑界面。
(2)设置图纸。
将图号设置为A4即可。
(3)添加元件库。
GB4728——85(4)放置元件。
根据双路直流稳压电源电路的组成情况,在屏幕左方的元件管理器中取相应的元件,并放置于屏幕编辑区。
(5)设置元件属性。
在元件放置后,用鼠标双击相应元件,出现元件属性菜单,更改元件标号及名称。
(6)调整元件位置,注意布局合理。
(7)连线。
根据电路原理,在元件引脚之间连线。
注意连线平直。
(8)放置节点。
一般情况下,“T”字连接处的节点是在连线时由系统自动放置的,而所有“十”字连接处的节点必须手动放置。
(9)放置输入输出点.电源.地.,均使用Power Objects工具菜单即可画出。
(10)放置注释文字。
(11)进行电路的修饰及整理。
在电路绘制基本完成后,还需要进行相关整理,使其更加规范整洁。
(12)保存文件。
四:实验中碰到的疑难问题及总结:(1)原理图中需要的变压器元件需要自己绘制并添加,这个感觉还是很生疏,在老师指导下才完成的,需要多练习。
(2)这次巩固了前面学的东西,已能熟练地掌握原理图的实体放置与编辑了,但仍需多练习。
南昌大学低频电子线路multisim仿真实验报告南昌大学实验报告电子线路multisim仿真学生姓名:学号:班级:实验类型:□ 验证□ 综合■ 设计□ 创新实验日期:2011-06-05 实验成绩:(一)实验前沿1、了解multisim仿真软件基本操作和分析方法;2、multisim仿真软件的使用。
(二)实验要求1、基于multisim数字电路仿真实验;2、基于multisim 的仪器放大器设计;3、基于multisim 的逻辑电平测试器设计;4、基于multisim的场效应管放大电路设计;5、集成运算放大器的电压比较器基本应用。
(三)仿真软件介绍Multisim是美国国家仪器有限公司推出的以Windows为基础的仿真工具,适用于板级的模拟/数字电路板的设计工作。
它包含了电路原理图的图形输入、电路硬件描述语言输入方式,具有丰富的仿真分析能力。
工程师们可以使用Multisim交互式地搭建电路原理图,并对电路进行仿真。
Multisim提炼了SPICE 仿真的复杂内容,这样工程师无需懂得深入的SPICE技术就可以很快地进行捕获、仿真和分析新的设计,这也使其更适合电子学教育。
通过Multisim和虚拟仪器技术,PCB设计工程师和电子学教育工作者可以完成从理论到原理图捕获与仿真再到原型设计和测试这样一个完整的综合设计流程。
特点如下:可以根据自己的需求制造出真正属于自己的仪器;所有的虚拟信号都可以通过计算机输出到实际的硬件电路上;所有硬件电路产生的结果都可以输回到计算机中进行处理和分析。
(四)实验内容基于multisim数字电路仿真实验1、实验目的:1 南昌大学实验报告学生姓名:学号:班级:实验类型:□ 验证□ 综合■ 设计□ 创新实验日期:2011-06-05 实验成绩:掌握虚拟仪器库中关于测试数字电路仪器的使用方法,如数字信号发生器和逻辑分析仪的使用,从而进一步了解multisim仿真软件的基本操作和分析方法。
电力电子技术实验报告目录实验一锯齿波同步移相触发电路实验 (1)实验二正弦波同步移相触发电路实验 (4)实验三单相桥式全控整流电路实验 (7)实验四单相桥式半控整流电路实验 (11)实验五三相桥式全控整流及有源逆变电路实验 (16)实验六直流斩波电路实验 (19)实验七三相半波可控整流电路的研究 (21)实验一锯齿波同步移相触发电路实验一.实验目的1.加深理解锯齿波同步移相触发电路的工作原理及各元件的作用。
2.掌握锯齿波同步触发电路的调试方法。
二.实验内容1.锯齿波同步触发电路的调试。
2.锯齿波同步触发电路各点波形观察,分析。
三.实验线路及原理锯齿波同步移相触发电路主要由脉冲形成和放大,锯齿波形成,同步移相等环节组成,其工作原理可参见“电力电子技术”教材。
四.实验设备及仪器1.NMCL系列教学实验台主控制屏2.NMCL-32组件和SMCL-组件3.NMCL-05组件4.双踪示波器5.万用表五.实验方法图1-1 锯齿波同步移相触发电路1.将NMCL-05面板左上角的同步电压输入接到主控电源的U、V端,“触发电路选择”拨向“锯齿波”。
2. 将锯齿波触发电路上的Uct接着至SMCL-01上的Ug端,‘7’端地。
3.合上主电路电源开关,并打开NMCL-05面板右下角的电源开关。
用示波器观察各观察孔的电压波形,示波器的地线接于“7”端。
同时观察“1”、“2”孔的波形,了解锯齿波宽度和“1”点波形的关系。
观察“3”~“5”孔波形及输出电压U G1K1的波形,调整电位器RP1,使“3”的锯齿波刚出现平顶,记下各波形的幅值与宽度,比较“3”孔电压U3与U5的对应关系。
4.调节脉冲移相范围将SMCL-01的“Ug”输出电压调至0V,即将控制电压Uct调至零,用示波器观察U1电压(即“1”孔)及U5的波形,调节偏移电压Ub(即调RP2),使=180˚。
调节NMCL-01的给定电位器RP1,增加Uct,观察脉冲的移动情况,要求Uct=0时,=180˚,Uct=Umax时,=30˚,以满足移相范围=30˚~180˚的要求。
EDA实验报告姓名:曾维鋆学号:6102213863老师:杨鼎成班级:通信工程132班目录实验一半加器及全加器的设计 (3)实验二模可变计数器的设计 (6)实验三序列信号检测器的设计 (11)实验四交通灯控制器设计 (15)实验五多功能数字钟设计 (22)实验六出租车计费器的设计 (34)实验七16*16 点阵显示实验 (40)南昌大学实验报告学生姓名:曾维鋆学号:61002213863 专业班级:通信132班实验类型:□验证□综合█设计□创新实验日期:2015.10.19 实验成绩:实验一半加器及全加器的设计(一)实验目的1、熟悉实验装置和QuartusⅡ软件的使用;2、熟悉和掌握EDA设计流程;3、学习简单组合、时序电路的EDA设计;4、熟悉例化语句的应用。
(二)实验内容设计一个一位全加器。
先设计一个半加器h_adder.v作为预存文件。
然后设计顶层文件对h_adder.v文件进行调用,实现全加器的功能。
(三)实验原理由3个逻辑模块组成,其中两个为半加器,一个是或门。
真值表(四)实验步骤1.建立工作库文件夹,输入半加器和全加器的Verilog HDL代码并分别存盘。
a.半加器module h_adder(A,B,SO,CO);input A,B;3output SO,CO;assign SO=A^B;assign CO=A&B;endmoduleb.全加器module f_adder(ain,bin,cin,cout,sum);output cout,sum;input ain,bin,cin;wire net1,net2,net3;h_adder U1(ain,bin,net1,net2);h_adder U2(.A(net1),.SO(sum),.B(cin),.CO(net3));or U3(cout,net2,net3);endmodule2.选目标器件CycloneII中的EP2C35F672C8并编译。
实验报告实验课程:电子线路设计与测试学生姓名:学号:专业班级:指导老师:年月日目录实验一:直流稳压电源设计实验二:信号发生器设计实验三:音频功率放大电路设计实验四:温度控制电路设计实验五:实物制作实验一、直流稳压电源设计一、设计任务设计一直流稳压电源并进行仿真。
二、设计要求基本性能指标:(A1)输出直流电压+5V,负载电流200mA。
(B1) +3V~ +9V,连续可调;(B2) I Omax=200mA;(B3) 稳压系数S r≤5×10-3;(B4) △U O≤5mV。
扩展性能指标:扩展直流稳压电源的输出电流使10mA≤I O≤1.5A。
三、设计方案直流稳压电源设计框图和直流稳压电源基本电路分别如图1和图2所示:图1 直流稳压电源框图图2 直流稳压电源基本电路主要原理是:电源变压器将交流电网220V的电压降压为所需的交流电压,然后通过整流电路将交流电压变成单极性电压,再通过滤波电路加以滤除,得到平滑的直流电压。
但这样的电压还随电网电压波动(一般有±10%左右的波动)、负载和温度的变化而变化。
因而在整流、滤波电路之后,还需接稳压电路。
稳压电路的作用是当电网电压波动、负载和温度变化时,维持输出直流电压稳定。
一般情况下,选用降压的电源变压器。
整流电路主要有半波整流电路、桥式整流电路和全波整流电路,一般情况下多用桥式整流电路,桥式整流输出脉动电压平均值为:222200110902O oU u t d t td t U|()|sin.ππωωωπππ===≈⎰⎰通过每只二极管的平均电流为:20452OOL LU UIR R.=≈每只二极管承受的最大反向电压为:2RMU=滤波电路亦可分为电容滤波、电感滤波、Π型滤波等多种滤波电路,而在小功率电源电路设计中多用电容滤波电路。
当在接上滤波电容后,U O会明显增大,其大小与时间常数R L C有关,通常情况下,RLC=(3~5)T/2(T为电网电压周期)。
稳压电路有二极管稳压电路、串联型稳压电路和集成稳压电路等,可根据具体要求选择合适的电路形式(具体原理可查阅相关资料)。
稳压电源的性能指标:最大输出电流I Omax:电源的输出电压U O应不随负载电流I OL而变化,随着负载R L阻值的减少,I OL增大,U O减小,当U O的值下降5%时,此时流经负载的电流定义为I Omax(记下I Omax后迅速增大R L,以减小稳压电源的功耗)。
输出电压:指稳压电源的输出电压,也是稳压器的输出电压。
当输入电压为额定值时,可直接用电压表测量。
纹波电压:指叠加在输出电压U O上的交流分量。
可用示波器观测其峰-峰值或者有效值。
稳压系数:指在负载电流、环境温度不变的情况下,输入电压的相对变化引起输出电压的相对变化,即OIO Ir TO IU USU U/|∆∆===常数常数输出电阻:稳压电路输入电压一定时,输出电压变化量△U O与输出电流变化量△I O之比,即OOo IUR∆∆=(U I为常数)四、电路仿真与分析电路图为可调(3V——9V)的直流稳压电源3V5V9V(1)根据设计所要求的性能指标,选择集成三端稳压器。
因为要求输出电压可调,所以选择三端可调式集成稳压器,可调式集成稳压器,常见主要有CW317、CW337、LM317、LM337。
317系列稳压器输出连续可调的正电压,337系列稳压器输出连可调的负电压,可调范围为3V~9V,最大输出电流为1.5A。
稳压内部含有过流、过热保护电路,具有安全可靠,性能优良、不易损坏、使用方便等优点。
其电压调整率和电流调整率均优于固定式集成稳压构成的可调电压稳压电源。
输出电压表达式为:式中,1.25是集成稳压块输出端与调整端之间的固有参考电压,此电压加于给定电阻两端,将产生一个恒定电流通过输出电压调节电位器,一般使用精密电位器,与其并联的电容器C 可进一步减小输出电压的纹波。
输出电压可调范围:3V~9V输出负载电流:1.5A能满足设计要求,故选用LM317组成稳压电路。
电路中滤波电容承受的最高电压为,所以所选电容器的耐压应大于17V。
注意:因为大容量电解电容有一定的绕制电感分布电感,易引起自激振荡,形成高频干扰,所以稳压器的输入、输出端常并入瓷介质小容量电容用来抵消电感效应,抑制高频干扰。
文波电压也满足要求。
实验二、信号发生器设计一、设计任务设计一信号发生器,能产生方波、三角波和正弦波并进行仿真。
二、设计要求基本性能指标:(1)频率范围100Hz~1kHz;(2)输出电压:方波U p-p≤24V,三角波U p-p=6V,正弦波U p-p>1V。
扩展性能指标:频率范围分段设置10Hz~100Hz, 100Hz~1kHz,1kHz~10kHz;波形特性方波t r<30u s(1kHz,最大输出时),三角波r△<2%,正弦波r~<5%。
三、设计方案信号发生器设计方案有多种,图1是先产生方波、三角波,再将三角波转换为正弦波的组成框图。
图1 信号发生器组成框图主要原理是:由迟滞比较器和积分器构成方波——三角波产生电路,三角波在经过差分放大器变换为正弦波。
方波——三角波产生基本电路和差分放大器电路分别如图2和图4所示。
图2所示,是由滞回比较器和积分器首尾相接形成的正反馈闭环系统,则比较器A1输出的方波经积分器A2积分可得到三角波,三角波又触发比较器自动翻转形成方波,这样即可构成三角波、方波发生器。
其工作原理如图3所示。
图2 方波和三角波产生电路图3 比较器传输特性和波形利用差分放大器的特点和传输特性,可以将频率较低的三角波变换为正弦波。
其基本工作原理如图5所示。
为了使输出波形更接近正弦波,设计时需注意:差分放大器的传输特性曲线越对称、线性区越窄越好;三角波的幅值V应接近晶体管的截止电压值。
m图4 三角波→正弦波变换电路图5 三角波→正弦波变换关系在图4中,RP 1调节三角波的幅度,RP 2调整电路的对称性,并联电阻R E2用来减小差分放大器的线性区。
C 1、C 2、C 3为隔直电容,C 4为滤波电容,以滤除谐波分量,改善输出波形。
波形发生器的性能指标:①输出波形种类:基本波形为正弦波、方波和三角波。
②频率范围:输出信号的频率范围一般分为若干波段,根据需要,可设置n 个波段范围。
③输出电压:一般指输出波形的峰-峰值U p-p 。
④波形特性:表征正弦波和三角波特性的参数是非线性失真系数r ~和r △;表征方波特性的参数是上升时间t r 。
四、电路仿真与分析信号发生器设计方案有多种,本次设计中采用先是产生方波、三角波、再将三角波转换为正弦波的方案。
1、方波产生电路2、三角波发生器电路3、正弦波发生器利用差分放大器的特点和传输特性,可以将频率较低的三角波变换为正弦波。
为了使输出波形更接近正弦波,设计时需注意:差分放大器的传输特性曲线越对称、线性区越窄越好;三应接近晶体管的截止电压值。
电路图如下:角波的幅值Vm总的电路图为:输出最低频率:中间频率:最高频率:实验三、音频功率放大电路设计一、设计任务设计一小功率音频放大电路并进行仿真。
二、设计要求已知条件:电源9±V;输入音频电压峰值为5mV;8Ω/0.5W扬声器;集成运算放±V或12大器(TL084);三极管(9012、9013);二极管(IN4148);电阻、电容若干。
基本性能指标:Po≥200mW(输出信号基本不失真);负载阻抗R L=8Ω;截止频率f L=300Hz,f H=3400Hz扩展性能指标:Po≥1W(功率管自选),我未达到扩展性能指标;三、设计方案音频功率放大电路基本组成框图如下:音频功放组成框图由于话筒的输出信号一般只有5mV左右,通过话音放大器不失真地放大声音信号,其输入阻抗应远大于话筒的输出阻抗;滤波器用来滤除语音频带以外的干扰信号;功率放大器在输出(扬声器)提供一定的输出功率。
信号失真尽可能小的前提下,给负载RL应根据设计要求,合理分配各级电路的增益,功率计算应采用有效值。
基于运放TL084构建话音放大器与宽带滤波器,频率要求详见基本性能指标。
功率放大器可采用使用最广泛的OTL(Output Transformerless)功率放大电路和OCL(Output Capacitorless)功率放大电路,两者均采用甲乙类互补对称电路,这种功放电路在具有较高效率的同时,又兼顾交越失真小,输出波形好,在实际电路中得到了广泛的应用。
对于负载来说,OTL电路和OCL电路都是射极跟随器,且为双向跟随,它们利用射极跟随器的优点——低输出阻抗,提高了功放电路的带负载能力,这也正是输出级所必需的。
由于射极跟随器的电压增益接近且小于1,所以,在OTL电路和OCL电路的输入端必须设有推动级,且为甲类工作状态,要求其能够送出完整的输出电压;又因为射极跟随器的电流增益很大,所以,它的功率增益也很大,这就同时要求推动级能够送出一定的电流。
推动级可以采用晶体管共射电路,也可以采用集成运算放大电路,请自行查阅相关资料。
在Multisim软件仿真时,用峰值电压为5mV的正弦波信号代替话筒输出的语音信号;用性能相当的三极管替代9012和9013;用8Ω电阻替代扬声器。
由于三极管(9012、9013)最大功率为500mW,要特别注意工作中三极管的功耗,过大会烧毁三极管,最好不超过400mW。
如制作实物,因扬声器呈感性,易引起高频自激,在扬声器旁并入一容性网络(几十欧姆电阻串联100nF电容)可使等效负载呈阻性,改善负载为扬声器时的高频特性。
四、电路仿真与分析仿真电路图如下:输出参数:实验四、温度控制电路设计一、设计任务设计一温度控制电路并进行仿真。
二、设计要求基本功能:利用AD590作为测温传感器,TL 为低温报警门限温度值,TH为高温报警门限温度值。
当T小于TL 时,低温警报LED亮并启动加热器;当T大于TH时,高温警报LED亮并启动风扇;当T介于TL 、TH之间时,LED全灭,加热器与风扇都不工作(假设TL=20℃,TH=30℃)。
扩展功能:用LED数码管显示测量温度值(十进制或十六进制均可)。
三、设计方案AD590是美国ANALOG DEVICES公司的单片集成两端感温电流源,其输出电流与绝对温度成比例。
在4V至30V电源电压范围内,该器件可充当一个高阻抗、恒流调节器,调节系数为1µA/K。
AD590适用于150℃以下、目前采用传统电气温度传感器的任何温度检测应用。
低成本的单芯片集成电路及无需支持电路的特点,使它成为许多温度测量应用的一种很有吸引力的备选方案。
应用AD590时,无需线性化电路、精密电压放大器、电阻测量电路和冷结补偿。
主要特性:流过器件的电流(μA) 等于器件所处环境的热力学温度(K) 度数;AD590的测温范围为- 55℃~+150℃;AD590的电源电压范围为4~30 V,可以承受44V正向电压和20V反向电压,因而器件即使反接也不会被损坏;输出电阻为710mΩ;精度高,AD590在-55℃~+-150℃范围内,非线性误差仅为±0.3℃。