某煤矿资源储量块段厚度计算表
- 格式:xls
- 大小:37.00 KB
- 文档页数:5
文字目录1 前言 (1)1.1概况 (1)1.1.1目的任务 (1)1.1.2位置及交通 (2)1.2以往地质工作 (7)1.2.1以往地质工作情况 (7)1.2.2参与整合各矿上次整合情况 (9)1.3生产矿井、小窑老窑及采空区 (10)1.4本次工作情况 (12)2 井田地质 (15)2.1地层 (15)2.2构造 (18)2.3岩浆岩 (18)3 煤层 (19)3.1含煤性 (19)3.2可采煤层 (19)3.3煤岩层对比 (20)3.3.1对比方法和依据 (20)3.3.2各煤层的对比特征 (21)4 煤质 (22)4.1煤的物理性质和煤岩特征 (22)4.1.1煤的物理性质及宏观煤岩类型 (22)4.1.2显微煤岩特征 (22)4.2煤的化学性质 (23)4.3煤的工艺性能及可选性 (28)4.3.1煤的工艺性能 (28)4.3.2可选性 (28)4.4煤类 (32)4.5煤的风化和氧化 (32)4.6煤质综合评价 (32)5水文地质工程地质及其它开采技术条件 (34)5.1水文地质条件 (34)5.1.1区域水文地质概况 (34)5.1.2井田水文地质条件 (37)5.1.3矿井充水因素分析及矿井涌水量 (40)5.2工程地质条件 (45)5.2.1 主要可采煤层的顶底板岩石特征 (45)5.2.2岩石力学性质 (47)5.3其它开采技术条件 (47)5.3.1瓦斯 (47)5.3.2煤尘爆炸性 (50)5.3.3 煤的自燃倾向 (50)5.3.4地温、地压 (51)5.4.1井田环境地质条件现状评价 (51)5.4.2地质灾害 (52)5.4.3有害物质 (53)6核实地质工作及质量评述 (54)6.1以往资料的利用 (54)6.2新增工程的质量 (54)6.2.1 测量工作 (54)6.2.2 地质填图 (56)6.2.3钻探及测井 (56)6.2.4 水文地质工作 (61)6.2.5 采样与化验测试 (61)6.3探采对比结果 (63)7资源储量估算 (64)7.1资源储量估算范围及工业指标 (64)7.2资源储量估算方法选择依据 (64)7.3资源储量估算参数 (65)7.3.1煤层厚度 (65)7.3.2块段面积 (66)7.3.3视密度 (66)7.4资源储量估算各类边界确定原则 (66)7.5块段划分 (66)7.7资源储量估算结果 (67)7.7.1资源储量估算 (67)7.7.2资源储量变化对比 (69)7.7.3煤层气及其它有益矿产 (69)8结束语 (70)8.1取得主要成果 (70)8.2问题与建议 (72)顺序号图号图名比例尺1 1 山西省宁武煤田宁武县山西忻州神达南岔煤业有限公司区域地质及矿井分布图1:500002 2 山西省宁武煤田宁武县山西忻州神达南岔煤业有限公司地形地质图1:50003 3 山西忻州神达南岔煤业有限公司综合地层柱状图1:5004 4 山西省宁武煤田宁武县山西忻州神达南岔煤业有限公司水文地质及工程环境地质图1:50005 5 山西忻州神达南岔煤业有限公司2#煤层采掘工程平面图1:50006 6 山西忻州神达南岔煤业有限公司3#煤层采掘工程平面图1:50007 7 山西忻州神达南岔煤业有限公司5#煤层采掘工程平面图1:50008 8 山西忻州神达南岔煤业有限公司2#煤层矿井井巷水文地质图1:50009 9 山西忻州神达南岔煤业有限公司3#煤层矿井井巷水文地质图1:500010 10 山西忻州神达南岔煤业有限公司5#煤层矿井井巷水文地质图1:500011 11 山西忻州神达南岔煤业有限公司煤岩层柱状对比图1:20012 12 山西忻州神达南岔煤业有限公司A-A′勘探线剖面图1:200013 13 山西忻州神达南岔煤业有限公司B-B′勘探线剖面图1:200014 14 山西忻州神达南岔煤业有限公司C-C′勘探线剖面图1:200015 15 山西忻州神达南岔煤业有限公司D-D′勘探线剖面图1:200016 16 山西忻州神达南岔煤业有限公司B-B′勘探线水文地质剖面图1:200017 17 山西忻州神达南岔煤业有限公司2#煤层底板等高线及资源/储量估算平面图1:500018 18 山西忻州神达南岔煤业有限公司3#煤层底板等高线及资源/储量估算平面图1:500019 19 山西忻州神达南岔煤业有限公司5上煤层底板等高线及资源/储量估算平面图1:500020 20 山西忻州神达南岔煤业有限公司5#煤层底板等高线及资源/储量估算平面图1:5000顺序号图号图名比例尺21 21 山西忻州神达南岔煤业有限公司6#煤层底板等高线及资源/储量估算平面图1:500022 22 山西忻州神达南岔煤业有限公司2#煤层资源/储量估算套合图1:500023 23 山西忻州神达南岔煤业有限公司5#煤层资源/储量估算套合图1:500024 24 山西忻州神达南岔煤业有限公司补1号钻孔柱状图1:20025 25 山西忻州神达南岔煤业有限公司补2号钻孔柱状图1:20026 26 山西忻州神达南岔煤业有限公司补3号钻孔柱状图1:20027 27 山西忻州神达南岔煤业有限公司补4号钻孔柱状图1:20028 28 山西忻州神达南岔煤业有限公司补5号钻孔柱状图1:20029 29 山西忻州神达南岔煤业有限公司补6号钻孔柱状图1:20030 30 山西忻州神达南岔煤业有限公司补7号钻孔柱状图1:20031 31 山西忻州神达南岔煤业有限公司补8号钻孔柱状图1:20032 32 山西忻州神达南岔煤业有限公司补9号钻孔柱状图1:20033 33 山西忻州神达南岔煤业有限公司补10号钻孔柱状图1:20034 34 山西忻州神达南岔煤业有限公司X3号钻孔柱状图1:20035 35 山西忻州神达南岔煤业有限公司X4号钻孔柱状图1:20036 36 山西忻州神达南岔煤业有限公司X7号钻孔柱状图1:20037 37 山西忻州神达南岔煤业有限公司X8号钻孔柱状图1:20038 38 山西忻州神达南岔煤业有限公司X13号钻孔柱状图1:20039 39 山西忻州神达南岔煤业有限公司501号钻孔柱状图1:20040 40 山西忻州神达南岔煤业有限公司701号钻孔柱状图1:20041 41 山西忻州神达南岔煤业有限公司1001号钻孔柱状图1:20042 42 山西忻州神达南岔煤业有限公司1201号钻孔柱状图1:20043 43 山西忻州神达南岔煤业有限公司补8孔煤系砂岩含水层抽水试验综合成果图44 44 山西忻州神达南岔煤业有限公司补8号孔奥陶系灰岩含水层注水试验综合成果图附表1 钻孔施工情况一览表附表2 煤层综合成果表附表3 钻孔煤芯煤样化验成果表附表4 各煤层煤质化验测试成果表附表5 煤层煤质化验测试成果汇总表附表6 瓦斯含量试验成果表附表7 岩石物理力学性质试验成果表附表8 水文地质孔抽(注)水试验成果表附表9 块段平均厚度计算表附表10 块段资源/储量估算表附表1 1 资源/储量估算汇总表附表1 2 山西忻州神达南岔煤业有限公司未批采6号煤资源/储量汇总表附件目录附件一报告提交单位资料真实性承诺书附件二报告编制单位资料真实性承诺书附件三报告初审意见书附件四参与兼并重组各矿采矿许可证副本复印件附件五资源储量备案文件复印件1 前言1.1概况1.1.1目的任务根据晋煤重组办发[2009]83号《关于忻州市宁武县煤矿企业兼并重组整合方案的批复》文件精神,山西忻州神达能源集团有限公司作为主体企业兼并重组山西宁武泰华煤业有限公司、山西宁武南岔煤业有限公司2处地方煤矿整合为1处,关闭整合山西宁武新堡煤业有限公司,重组后面积5.6532km2,新增面积2.3866km2,批准开采2、3、5号煤层。
矿体及岩层厚度计算公式
1、矿体厚度计算公式
一、平硐、探槽矿体厚度计算公
平硐、探槽矿体真厚度计算公式:L真厚=l•sin(α±β)sinγ
平硐、探槽矿体水平厚度计算公式:M水平=l•sin(α±β)/sinα
平硐、探槽矿体垂厚度计算公式:M垂厚=l•sin(α±β) sinγ/cosα
式中:L真厚—单工程矿体真厚度(m);
M水平—单工程矿体水平厚度(m)
M垂厚—单工程矿体垂厚度(m)
l—样长(m);
α—矿体倾角(°);
β—样槽坡度角(°),坡向与矿体倾向相同时为-,相反时为+;
γ—样槽方向与矿体走向的夹角(°)。
二、钻孔矿体厚度计算公式
当钻孔为垂直钻进且与矿层不垂直时,此时真厚度的计算公式为:
L真厚=l•cosβ
当钻孔倾斜的方向垂直于矿体走向时(即无方位角偏差),其厚度的计算公式为:
L真厚=l•cos(β-α)
M水平=l•cos (β-α)/sinβ
M垂厚=l•cos (β-α)/ cosβ
当钻孔穿过矿体处,钻孔倾斜的方向不垂直于矿体走向时,其厚度的计算公式为:
L真厚=l•(sinαsinβcosγ±cosαcosβ)
M水平=l•(sinαcosγ±cosαctgβ)
M垂厚=l•(sinαtgβcosγ±cosα)
式中:l—矿体长度(m);
α—钻孔截穿矿体时的天顶角;
β—矿体的倾角;
γ—钻孔截穿矿体处之方位角与矿体倾向间之夹角。
以上各式中,凡是钻孔倾斜方向与矿体倾斜方向相反时,前后两项间为正号连接;若钻孔倾斜方向与矿体倾斜方向一致时为负号连接。
矿体水平厚度、垂直厚度、真厚度计算公式矿产资源储量估算过程中,常用到三种厚度:水平厚度、垂直厚度、真厚度。
选取那种厚度,视估算方法而定。
采用纵投影面积时,应计算平均水平厚度;采用水平投影面积时,应计算平均垂直厚度;采用真面积时,应计算平均真厚度。
平均厚度,一般采用算术平均法计算,当工程分布很不均匀或厚度变化很大时,应当采用影响长度和面积加权计算。
一、单工程矿体厚度的计算单工程矿体厚度=在单工程中所圈定的矿体内各样品(含不能剔除的夹石或带入的低品位样)代表厚度(真厚度、水平厚度或铅垂厚度)之和。
1、厚度计算公式(1)样品真厚度的计算公式①探槽、坑道中样品的真厚度计算(通用)公式:M=L•(sinβ• cosα• cosγ±cosβ•sinα)式中:M—样品真厚度(米);L—样品长度(米);β—矿体倾角(度);α—采样线坡角(度);γ—采样线与矿体倾向夹角(度)一般γ小于20°,矿体厚度在5米以下者,误差甚少,可不进行修正,直接用简便公式计算。
上式中,凡工程倾斜方向与矿体倾斜方向相反时用“+”号,反之用“-”号。
β、α、γ均为正的锐角。
实际测量中坡角有正负之分,这时γ直接计算结果不一定为锐角,为能直接计算可用下列公式:M = |L(sinβcosαcosγ±(注) cosβsinα) |运用Excel表处理数据,方便快捷。
②钻孔中样品真厚度计算公式:M=L•sinQ式中:M—样品真厚度(米);L—样品长度(米);Q—钻孔中矿心中轴夹角(度)【当采样线垂直矿体走向时,可分情况使用简便公式计算。
有了计算机技术后一般不用。
①采样线的倾向与矿体的倾向相反时,求真厚度公式:M =Lcos(β-θ) 或M =Lsin(α+β)。
②采样线与矿体的倾斜同向时,如果切穿矿体采样线与水平线的夹角大于矿体倾斜角,则用公式:M=Lcos(β+θ)或M=Lsin(α-β)。
如果矿体的倾斜角度大于采样线与水平线的夹角时则用公式M=Lsin(β-α)式中:M—矿体真厚度;L—在工程中测量的矿体假厚度(采样线长度);α—工程切穿矿体时的倾角或坡度(工程与水平线的夹角)。
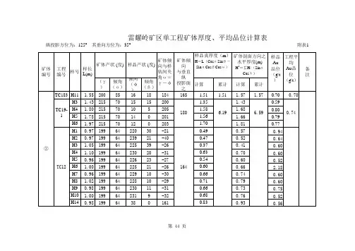
雷耀岭矿区单工程矿体厚度、平均品位计算表
纵投影方位为:125° 其垂向方位为:35° 附表1
第 44 页
雷耀岭矿区单工程矿体厚度、平均品位计算表
纵投影方位为:125° 其垂向方位为:35° 附表1
第 45 页
雷耀岭矿区单工程矿体厚度、平均品位计算表
纵投影方位为:125° 其垂向方位为:35° 附表1
第 46 页
雷耀岭矿区单工程矿体厚度、平均品位计算表
纵投影方位为:125° 其垂向方位为:35° 附表1
第 47 页
雷耀岭矿区单工程矿体厚度、平均品位计算表
纵投影方位为:125° 其垂向方位为:35° 附表1
第 48 页
雷耀岭矿区单工程矿体厚度、平均品位计算表
纵投影方位为:125° 其垂向方位为:35° 附表1
第 49 页
雷耀岭矿区单工程矿体厚度、平均品位计算表
纵投影方位为:125° 其垂向方位为:35° 附表1
第 50 页
雷耀岭矿区单工程矿体厚度、平均品位计算表
纵投影方位为:125° 其垂向方位为:35° 附表1
第 51 页
雷耀岭矿区单工程矿体厚度、平均品位计算表
纵投影方位为:125° 其垂向方位为:35° 附表1
第 52 页
雷耀岭矿区单工程矿体厚度、平均品位计算表
纵投影方位为:125° 其垂向方位为:35° 附表1
第 53 页。
油米塘煤矿煤矿工作面开采量、损失量计算表
日期:
油米塘煤矿煤矿截至2019年末固体矿产资源储量报表
油米塘煤矿煤矿2019年探煤厚度台账巷道名称:
油米塘煤矿煤矿2019年度损失煤量台帐
油米塘煤矿煤矿地质及水文地质损失台帐
油米塘煤矿煤矿储量动态台帐
单位:千吨
油米塘煤矿煤矿2019年永久性煤柱及摊销台账
制表:审核:
回采煤量计算成果表单位:年度:单位:万吨
技术负责人:制表:
准备煤量计算成果表单位:年度:单位:万吨
技术负责人:
制表:
开 拓 煤 量 计 算 成 果 表
单位: 年度: 单位:万吨
技术负责人:制表:
矿井储量增减、变动审批情况矿名:年度:
制表:审核:
储量计算成果台账目录
(一)分月回采工作面开采量、回采率计算基础台账(二)矿井期末保有储量计算基础台账
(三)探煤厚台账
(四)年度损失煤量台账
(五)地质及水文地质损失台账
(六)矿井储量动态台账
(七)矿井永久煤柱及损失量摊销台账
(八)“三量”计算成果台账
(九)矿井储量增减、变动审批台帐
油米塘煤矿煤矿储量计算成果台账
二〇一九年。
单工程矿体厚度及加权平均品位计算表
矿体块段平均水平厚度及加权平均品位计算表
矿体块段面积测定表
矿体各块段矿石量、金属量估算表
资源量估算结果总表
1、矿体厚度计算
首先计算出各工程中各有关样品的真厚度(Lz),再根据真厚度计算样品水平厚度(Ls )。
单样真厚度的计算,根据不同情况分别应用下列公式: Lz=L ×(cos θsin βcos γ±sin θcos β) Lz= L ×sin(θ+β)
Lz=L ×sin(θ-β)或Lz=L ×sin(β-θ) Lz=L ×sin φ
式中:L —样品长度;θ—样品坡度;β—矿体倾角;γ—样品方位与矿体倾向之夹角;φ—钻孔中矿体与岩心中轴线夹角。
矿体水平厚度(Ls )按下式计算:
Ls =
单工程矿体水平厚度为该工程各样品相应厚度之和,矿(块)体水平厚度则用算术平均法求得。
2、矿体平均品位计算
单工程平均品位(C GP )采用厚度加权平均法按下式计算: C 1L 1+C 2L 2……+CnLn ∑CL
L 1+L 2
……+Ln ∑L 式中:C 1、C 2、……Cn —各个样品的品位, L 1、L 2、……Ln —各个样品的水平长度
矿(块)体平均品位均采用算术平均法求得。
Lz
sin β C GP = =
单工程矿体厚度及加权平均品位计算表
矿体块段平均水平厚度及加权平均品位计算表
矿体块段面积测定表
矿体各块段矿石量、金属量估算表
资源量估算结果总表。