2013年福建卷理综生物试题解析
- 格式:docx
- 大小:2.99 MB
- 文档页数:28
2013福建省高中理科综合能力测试试题相对原子质量:N-14 O-16 Mg-24第一卷(选择题 共108分)1.人肝细胞合成的糖原储存在细胞内,合成的脂肪不储存在细胞内,而是以VLDL(脂肪与蛋白质复合物)形式分泌出细胞外。
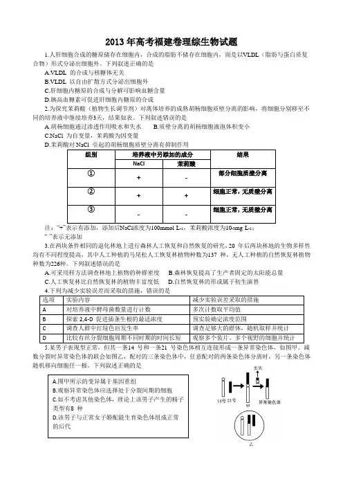
下列叙述正确的是A .VLDL 的合成与核糖体无关B .VLDL 以自由扩散方式分泌出细胞外C .肝细胞内糖原的合成与分解可影响血糖含量D .胰高血糖素可促进肝细胞内糖原的合成2.为探究茉莉酸(植物生长调节剂)对离体培养的成熟胡杨细胞质壁分离的影响,将细胞分别移到不同的培养液中继续培养3天,结果如表。
下列叙述错误..的是“+”表示有添加,添加后NaCl 浓度为100mmol·L -1,茉莉酸浓度为10-3mg·L -1;“-”表示无添加。
A .胡杨细胞通过渗透作用吸水和失水B .质壁分离的胡杨细胞液泡体积变小C .NaCl 为自变量,茉莉酸为因变量D .茉莉酸对NaCl 引起的胡杨细胞质壁分离有抑制作用3.在两块条件相同的退化林地上进行森林人工恢复和自然恢复的研究,20年后两块林地的生物多样性均有不同程度提高,其中人工种植的马尾松人工恢复林植物种数为137种,无人工种植的自然恢复林植物种数为226种。
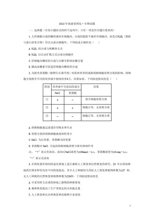
下列叙述错误..的是 A .可采用样方法调查林地上植物的种群密度 B .森林恢复提高了生产者固定的太阳能总量C .人工恢复林比自然恢复林的植物丰富度低D .自然恢复林的形成属于初生演替4.下列为减少实验误差而采取的措施,错误的是 5.某男子表现型正常,但其一条14号和一条21号染色体相互连接形成一条异常染色体,如图甲。
减数分裂时异常染色体的联会如图乙,配对的三条染色体中,任意配对的两条染色体分离时,另一条染色体随机移向细胞任一级。
下列叙述正确的是A.图甲所示的变异属于基因重组B.观察异常染色体应选择处于分裂间期的细胞C.如不考虑其他染色体,理论上该男子产生的精子类型有8种D.该男子与正常女子婚配能生育染色体组成正常的后代6. 化学与社会、生产、生活紧切相关。
2013年福建省普通高中毕业班质量检查理科综合-生物试题(电子解析版)1.下列有关生命活动调节的描述,正确的是A.细胞外液渗透压升高能促使抗利尿激素释放增加B.甲状腺激素分泌受到下丘脑的直接影响C.神经递质作用于突触后膜导致电信号向化学信号转变D.植物生长素从产生部位运送到作用部位直接参与细胞代谢解析:抗利尿激素释的作用促进肾小管和集合管对水分的重吸收,细胞外液渗透压升高说明体内水分缺少,垂体释放抗利尿激素释就增加,从而减少对水分的排出,故A正确;下丘脑分泌促甲状腺激素释放激素作用于垂体,使垂体释放促甲状腺激素释作用于甲状腺,从而使甲状腺分泌甲状腺激素释,故甲状腺激素分泌受到下丘脑的间接影响,B错;神经递质作用于突触后膜导致突触后膜膜电位发生变化,从而使下一个神经元兴奋或抑制,故应为化学信号向电信号转变,C错;激素种类多、量极微,既不组成细胞结构,又不提供能量,也不起催化作用,而是随体液到达靶细胞,使靶细胞原有的生理活动发生变化,故D错。
2.右图为某种细胞的结构示意图,正常生理状态下,下列选项中的变化都会在该种细胞中发生的是A.氨基酸胰岛素;ATP ADP+PiB.葡萄糖淀粉;H2O [H]+O2C.氨基酸 RNA聚合酶;[H]+O2 H2OD.葡萄糖丙酮酸;染色质染色体解析:从图可以看出该种细胞可以分泌胰高血糖素,应为人的胰岛A细胞,故此细胞不能合成胰岛素,A错;淀粉是植物所特有的多糖,H2O分解成[H]和O2是在光合作用的光反应阶段,在动物细胞内不能进行光合作用,葡萄糖也不能合成淀粉,故B错;RNA聚合酶的化学本质是蛋白质,合成场所在核糖体,[H]和O2生成H2O是有氧呼吸的第三阶段,人的胰岛A细胞有核糖体,也有线粒体,故这两个反均能进行,C正确;由于该图为正常生理状态下,细胞不进行细胞增殖,也就无染色质转变为染色体,故D错。
3.外来物种薇甘菊入侵某生态系统后,随时间推移,植物种类数及碳储量变化如右表。
2013年高考福建卷理综生物试题1.人肝细胞合成的糖原储存在细胞内,合成的脂肪不储存在细胞内,而是以VLDL (脂肪与蛋白质复合物)形式分泌出细胞外。
下列叙述正确的是A.VLDL 的合成与核糖体无关B.VLDL 以自由扩散方式分泌出细胞外C.肝细胞内糖原的合成与分解可影响血糖含量D.胰高血糖素可促进肝细胞内糖原的合成2.为探究茉莉酸(植物生长调节剂)对离体培养的成熟胡杨细胞质壁分离的影响,将细胞分别移至不同的培养液中继续培养3天,结果如表。
下列叙述错误的是A.胡杨细胞通过渗透作用吸水和失水B.质壁分离的胡杨细胞液泡体积变小C.NaCl 为自变量,茉莉酸为因变量D.注:“+”表示有添加,添加后NaCl 浓度为100mmol·L -1,茉莉酸浓度为10-3mg·L -1;“-”表示无添加3.在两块条件相同的退化林地上进行森林人工恢复和自然恢复的研究,20 年后两块林地的生物多样性均有不同程度提高,其中人工种植的马尾松人工恢复林植物种数为137 种,无人工种植的自然恢复林植物种数为226种。
下列叙述错误的是A.可采用样方法调查林地上植物的种群密度 B.森林恢复提高了生产者固定的太阳能总量 C.人工恢复林比自然恢复林的植物丰富度低 D.自然恢复林的形成属于初生演替5.某男子表现型正常,但其一条14 号和一条21 号染色体相互连接形成一条异常染色体,如图甲。
减数分裂时异常染色体的联会如图乙,配对的三条染色体中,任意配对的两条染色体分离时,另一条染色体随机移向细胞任一极。
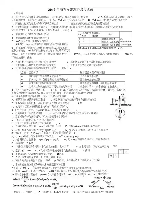
下列叙述正确的是26.为研究淹水时KNO3 对甜樱桃根呼吸的影响,设四组盆栽甜樱桃,其中一组淹入清水,其余三组分别淹入不同浓度的KNO3 溶液,保持液面高出盆土表面,每天定时测定甜樱桃根有氧呼吸速率,结果如图。
请回答:(1)细胞有氧呼吸生成CO2 的场所是,分析图中A、B、C 三点,可知点在单位时间内与氧结合的[H]最多。
2013福建省高中理科综合能力测试试题相对原子质量:N-14 O-16 Mg-24第一卷(选择题 共108分)1.人肝细胞合成的糖原储存在细胞内,合成的脂肪不储存在细胞内,而是以VLDL(脂肪与蛋白质复合物)形式分泌出细胞外。
下列叙述正确的是A .VLDL 的合成与核糖体无关B .VLDL 以自由扩散方式分泌出细胞外C2.为探究茉莉酸(植物生长调节剂)对离体培养的成熟胡杨细胞质壁分离的影响,将细胞分别移到不同的培养液中继续培养3天,结果如表。
下列叙述错误..的是 注:“+”表示有添加,添加后NaCl 浓度为100mmol·L -1,茉莉酸浓度为10-3mg·L -1;“-”表示无添加。
A .胡杨细胞通过渗透作用吸水和失水B .质壁分离的胡杨细胞液泡体积变小C .NaCl 为自变量,茉莉酸为因变量D .茉莉酸对NaCl 引起的胡杨细胞质壁分离有抑制作用3.在两块条件相同的退化林地上进行森林人工恢复和自然恢复的研究,20年后两块林地的生物多样性均有不同程度提高,其中人工种植的马尾松人工恢复林植物种数为137种,无人工种植的自然恢复林植物种数为226种。
下列叙述错误..的是 A .可采用样方法调查林地上植物的种群密度B .森林恢复提高了生产者固定的太阳能总量C .人工恢复林比自然恢复林的植物丰富度低D .自然恢复林的形成属于初生演替4.下列为减少实验误差而采取的措施,错误的是 5.某男子表现型正常,但其一条14号和一条21号染色体相互连接形成一条异常染色体,如图甲。
减数分裂时异常染色体的联会如图乙,配对的三条染色体中,任意配对的两条染色体分离时,另一条染色体随机移向细胞任一级。
下列叙述正确的是A .图甲所示的变异属于基因重组B .观察异常染色体应选择处于分裂间期的细胞C .如不考虑其他染色体,理论上该男子产生的精子类型有8种D.该男子与正常女子婚配能生育染色体组成正常的后代6. 化学与社会、生产、生活紧切相关。
2013福建省高中理科综合能力测试试题相对原子质量:N-14 O-16 Mg-24第一卷(选择题 共108分)1.人肝细胞合成的糖原储存在细胞内,合成的脂肪不储存在细胞内,而是以VLDL(脂肪与蛋白质复合物)形式分泌出细胞外。
下列叙述正确的是A .VLDL 的合成与核糖体无关B .VLDL 以自由扩散方式分泌出细胞外C2.为探究茉莉酸(植物生长调节剂)对离体培养的成熟胡杨细胞质壁分离的影响,将细胞分别移到不同的培养液中继续培养3天,结果如表。
下列叙述错误..的是 注:“+”表示有添加,添加后NaCl 浓度为100mmol·L -1,茉莉酸浓度为10-3mg·L -1;“-”表示无添加。
A .胡杨细胞通过渗透作用吸水和失水B .质壁分离的胡杨细胞液泡体积变小C .NaCl 为自变量,茉莉酸为因变量D .茉莉酸对NaCl 引起的胡杨细胞质壁分离有抑制作用3.在两块条件相同的退化林地上进行森林人工恢复和自然恢复的研究,20年后两块林地的生物多样性均有不同程度提高,其中人工种植的马尾松人工恢复林植物种数为137种,无人工种植的自然恢复林植物种数为226种。
下列叙述错误..的是 A .可采用样方法调查林地上植物的种群密度B .森林恢复提高了生产者固定的太阳能总量C .人工恢复林比自然恢复林的植物丰富度低D .自然恢复林的形成属于初生演替4.下列为减少实验误差而采取的措施,错误的是 5.某男子表现型正常,但其一条14号和一条21号染色体相互连接形成一条异常染色体,如图甲。
减数分裂时异常染色体的联会如图乙,配对的三条染色体中,任意配对的两条染色体分离时,另一条染色体随机移向细胞任一级。
下列叙述正确的是A .图甲所示的变异属于基因重组B .观察异常染色体应选择处于分裂间期的细胞C .如不考虑其他染色体,理论上该男子产生的精子类型有8种D.该男子与正常女子婚配能生育染色体组成正常的后代6. 化学与社会、生产、生活紧切相关。
2013年福建省高考理科综合生物试题1.人肝细胞合成的糖原储存在细胞内,合成的脂肪不储存在细胞内,而是以VLDL(脂肪与蛋白质复合物)形式分泌出细胞外。
下列叙述正确的是A .VLDL 的合成与核糖体无关B .VLDL 以自由扩散方式分泌出细胞外C .肝细胞内糖原的合成与分解可影响血糖含量D .胰高血糖素可促进肝细胞内糖原的合成2.为探究茉莉酸(植物生长调节剂)对离体培养的成熟胡杨细胞质壁分离的影响,将细胞分别移到不同的培养液中继续培养3天,结果如表。
下列叙述错误的是 注:“+”表示有添加,添加后NaC 浓度为100mmol ·L -1,茉莉酸浓度为10-3mg ·L -1;“-”表示无添加。
A .胡杨细胞通过渗透作用吸水和失水B .质壁分离的胡杨细胞液泡体积变小C .NaCl 为自变量,茉莉酸为因变量D .茉莉酸对NaCl 引起的胡杨细胞质壁分离有抑制作用3.在两块条件相同的退化林地上进行森林人工恢复和自然恢复的研究,20年后两块林地的生物多样性均有不同程度提高,其中人工种植的马尾松人工恢复林植物种数为137种,无人工种植的自然恢复林植物种数为226种。
下列叙述错误..的是 A .可采用样方法调查林地上植物的种群密度B .森林恢复提高了生产者固定的太阳能总量C .人工恢复林比自然恢复林的植物丰富度低D .自然恢复林的形成属于初生演替4.下列为减少实验误差而采取的措施,错误的是D 比较有丝分裂细胞周期不同时期的时间长短观察多个装片,多个视野的细胞并统计5.某男子表现型正常,但其一条14号和一条21号染色体相互连接形成一条异常染色体,如图甲。
减数分裂时异常染色体的联会如图乙,配对的三条染色体中,任意配对的两条染色体分离时,另一条染色体随机移向细胞任一级。
下列叙述正确的是A.图甲所示的变异属于基因重组B.观察异常染色体应选择处于分裂间期的细胞C.如不考虑其他染色体,理论上该男子产生的精子类型有8种D.该男子与正常女子婚配能生育染色体组成正常的后代26.(12分)为研究淹水时KNO3对甜樱桃根呼吸的影响,设四组盆栽甜樱桃,其中一组淹入清水,其余三组分别淹入不同浓度的KNO3溶液,保持液面高出盆土表面,每天定时测定甜樱桃根有氧呼吸速率,结果如图。
2013年福建卷理综·生物试题一、选择题(在每小题给出的四个选项中,只有一项是符合题目要求的)1.人肝细胞合成的糖原储存在细胞内,合成的脂肪不储存在细胞内,而是以VLDL(脂肪与蛋白质复合物)形式分泌出细胞外。
下列叙述正确的是()A.VLDL 的合成与核糖体无关B.VLDL 以自由扩散方式分泌出细胞外C.肝细胞内糖原的合成与分解可影响血糖含量D.胰高血糖素可促进肝细胞内糖原的合成2.为探究茉莉酸(植物生长调节剂)对离体培养的成熟胡杨细胞质壁分离的影响,将细胞分别移至不同的培养液中继续培养3天,结果如表。
下列叙述错误的是()A.胡杨细胞通过渗透作用吸水和失水B.质壁分离的胡杨细胞液泡体积变小C.NaCl 为自变量,茉莉酸为因变量D.茉莉酸对NaCl 引起的胡杨细胞质壁分离有抑制作用注:“+”表示有添加,添加后NaCl浓度为100mmol·L-1,茉莉酸浓度为10-3mg·L-1;“-”表示无添加3.在两块条件相同的退化林地上进行森林人工恢复和自然恢复的研究,20 年后两块林地的生物多样性均有不同程度提高,其中人工种植的马尾松人工恢复林植物种数为137 种,无人工种植的自然恢复林植物种数为226种。
下列叙述错误的是A.可采用样方法调查林地上植物的种群密度B.森林恢复提高了生产者固定的太阳能总量C.人工恢复林比自然恢复林的植物丰富度低D.自然恢复林的形成属于初生演替4.下列为减少实验误差而采取的措施,错误的是5.某男子表现型正常,但其一条14 号和一条21 号染色体相互连接形成一条异常染色体,如图甲。
减数分裂时异常染色体的联会如图乙,配对的三条染色体中,任意配对的两条染色体分离时,另一条染色体随机移向细胞任一极。
下列叙述正确的是( )A.图甲所示的变异属于基因重组B.观察异常染色体应选择处于分裂间期的细胞C.如不考虑其他染色体,理论上该男子产生的精子类型有8 种D.该男子与正常女子婚配能生育染色体组成正常的后代26.为研究淹水时KNO 3 对甜樱桃根呼吸的影响,设四组盆栽甜樱桃,其中一组淹入清水,其余三组分别淹入不同浓度的KNO 3 溶液,保持液面高出盆土表面,每天定时测定甜樱桃根有氧呼吸速率,结果如图。
福建卷理综生物试题一、选择题1.人肝细胞合成的糖原储存在细胞内,合成的脂肪不储存在细胞内,而是以VLDL(脂肪与蛋白质复合物)形式分泌出细胞外。
下列叙述正确的是A.VLDL 的合成与核糖体无关B.VLDL 以自由扩散方式分泌出细胞外C.肝细胞内糖原的合成与分解可影响血糖含量D.胰高血糖素可促进肝细胞内糖原的合成2.为探究茉莉酸(植物生长调节剂)对离体培养的成熟胡杨细胞质壁分离的影响,将细胞分别移至不同的培养液中继续培养3天,结果如表。
下列叙述错误的是A.胡杨细胞通过渗透作用吸水和失水B.质壁分离的胡杨细胞液泡体积变小C.NaCl 为自变量,茉莉酸为因变量D.茉莉酸对NaCl 引起的胡杨细胞质壁分离有抑制作用组别培养液中另添加的成分结果NaCl 茉莉酸①+ - 部分细胞质壁分离②+ + 细胞正常,无质壁分离③- - 细胞正常,无质壁分离注:“+”表示有添加,添加后NaCl浓度为100mmol·L-1,茉莉酸浓度为10-3mg·L-1;“-”表示无添加3.在两块条件相同的退化林地上进行森林人工恢复和自然恢复的研究,20 年后两块林地的生物多样性均有不同程度提高,其中人工种植的马尾松人工恢复林植物种数为137 种,无人工种植的自然恢复林植物种数为226种。
下列叙述错误的是A.可采用样方法调查林地上植物的种群密度B.森林恢复提高了生产者固定的太阳能总量C.人工恢复林比自然恢复林的植物丰富度低D.自然恢复林的形成属于初生演替4.下列为减少实验误差而采取的措施,错误的是选项实验内容减少实验误差采取的措施A 对培养液中酵母菌数量进行计数多次计数取平均值B 探索2,4-D 促进插条生根的最适浓度预实验确定浓度范围C 调查人群中红绿色盲发生率调查足够大的群体,随机取样并统计D 比较有丝分裂细胞周期不同时期的时间长短观察多个装片、多个视野的细胞并统计5.某男子表现型正常,但其一条14 号和一条21 号染色体相互连接形成一条异常染色体,如图甲。
2009年普通高校招生统一考试福建卷(理综)一、选择题(本题共12小题。
在每小题给出的四个选项中,只有一个选项符合题目要求。
)1.下列对有关实验的叙述,正确的是A.在观察洋葱细胞有丝分裂实验中,将已经解离、漂洗、染色的根尖置于载玻片上,轻轻盖上盖玻片后即可镜检B.对酵母菌计数时,用吸管吸取培养液滴满血球计数板的计数室及其四周边缘,轻轻盖上盖玻片后即可镜检C.在叶绿体色素提取实验中,研磨绿叶时应加一些有机溶剂,如无水乙醇等D.检测试管中的梨汁是否有葡萄糖,可加入适量斐林试剂后,摇匀并观察颜色变化答案C【解析】观察洋葱细胞有丝分裂实验中,根尖经过解离、漂洗、染色、制片以后,才可以用于观察;对酵母菌计数时,用抽样检测的方法:先将盖玻片放在计数室上,用吸管吸取培养液,滴于盖玻片边缘,让培养液自行渗入,多余培养液用滤纸吸去,稍待片刻,待酵母菌细胞全部沉降到计数室底部,将计数板放到载物台上镜检;因为在叶绿体中的色素不溶于水,而易溶于有机溶剂,因此在研磨绿叶时应加一些有机溶剂,如无水乙醇等;检测试管中的梨汁是否有葡萄糖,可加入适量斐林试剂后摇匀,应用50~65℃水浴加热2min,再观察颜色变化。
所以C正确。
2.下列有关生态系统稳定性的叙述,不正确...的是A.生态系统具有自我调节能力,这是生态系统稳定性的基础B.生态系统内部结构与功能的协调,可以提高生态系统稳定性C.生物多样性对维持生态系统稳定性具有重要作用,体现了其间接价值D.生态系统中的组成成分越多,食物网越复杂,生态系统恢复力稳定性就越强答案D【解析】生态系统所具有的保持或恢复自身结构和功能相对稳定的能力叫生态系统的稳定性,生态系统的自我调节能力,是生态系统稳定性的基础;生态系统内部结构与功能的协调,能提高生态系统稳定性;生物多样性间接价值是对生态系统起到重要的调节功能;生态系统中的组成成分越多,食物网越复杂,其自我调节能力就越强,抵抗力稳定性就越强。
2013年福建省高考生物试卷一、选择题(共5小题,每小题6分,满分30分)1.(6分)人肝细胞合成的糖原储存在细胞内,合成的脂肪不储存在细胞内,而是以VLDL(脂肪与蛋白质复合物)形式分泌出细胞外.下列叙述正确的是()A.VLDL的合成与核糖体无关B.VLDL以自由扩散方式分泌出细胞外C.肝细胞内糖原的合成与分解可影响血糖含量D.胰高血糖素可促进肝细胞内糖原的合成2.(6分)为探究茉莉酸(植物生长调节剂)对离体培养的成熟胡杨细胞质壁分离的影响,将细胞分别移到不同的培养液中继续培养3天,结果如表。
下列叙述错误的是()组别培养液中另添加的成分结果NaCl茉莉酸①+﹣部分细胞质壁分离②++细胞正常,无质壁分离③﹣﹣细胞正常,无质壁分离注:“+”表示有添加,添加后NaCl浓度为100mmol•L﹣1,茉莉酸浓度为10﹣3mg•L ﹣1;“﹣”表示无添加。
1A.胡杨细胞通过渗透作用吸水和失水B.质壁分离的胡杨细胞液泡体积变小C.NaCl为自变量,茉莉酸为因变量D.茉莉酸对NaCl引起的胡杨细胞质壁分离有抑制作用3.(6分)在两块条件相同的退化林地上进行森林人工恢复和自然恢复的研究,20年后两块林地的生物多样性均有不同程度提高,其中人工种植的马尾松人工恢复林植物种数为137种,无人工种植的自然恢复林植物种数为226种.下列叙述错误的是()A.可采用样方法调查林地上植物的种群密度B.森林恢复提高了生产者固定的太阳能总量C.人工恢复林比自然恢复林的植物丰富度低D.自然恢复林的形成属于初生演替4.(6分)下列为减少实验误差而采取的措施,错误的是()实验内容减少实验误差采取的措施选项A对培养液中酵母菌数量进行计数多次计数取平均值B探索2,4﹣D促进插条生根的最适浓预实验确定浓度范围度C调查人群中红绿色盲发生率调查足够大的群体,随机取样并统2计D比较有丝分裂细胞周期不同时期的时间长短观察多个装片,多个视野的细胞并统计A.A B.B C.C D.D5.(6分)某男子表现型正常,但其一条14号和一条21号染色体相互连接形成一条异常染色体,如图甲.减数分裂时异常染色体的联会如图乙,配对的三条染色体中,任意配对的两条染色体分离时,另一条染色体随机移向细胞任一级.下列叙述正确的是()A.图甲所示的变异属于基因重组B.观察异常染色体应选择处于分裂间期的细胞C.如不考虑其他染色体,理论上该男子产生的精子类型有8种D.该男子与正常女子婚配能生育染色体组成正常的后代二、非选择题(共4小题,满分50分)6.(12分)为研究淹水时KNO3对甜樱桃根呼吸的影响,设四组盆栽甜樱桃,其中一组淹入清水,其余三组分别淹入不同浓度的KNO3溶液,保持液面高出盆土表面,每天定时测定甜樱桃根有氧呼吸速率,结果如图。
2013年福建理科综合27题分析福州一中廖岩松一、27题题干和参考答案27.(16分)为探究铅中毒对大鼠学习记忆的影响,将大鼠分为四组,其中一组饮水,其余三组饮醋酸铅溶液,60天后进行检测。
检测a:用下图水迷宫(池水黑色,大鼠无法看到平台)进行实验,大鼠从入水点入水,训练其寻找水面下隐蔽平台,重复训练4天后撤去平台,测定大鼠从入水点到达原平台水域的时间;检测b:测定脑组织匀浆铅含量及乙酰胆碱脂酶(AchE)活性。
AchE活性检测原理:AchE可将乙酰胆碱(Ach)水解为胆碱和乙酸,胆碱与显色剂显色,根据颜色深浅计算活性。
请回答:(1)表中用于评价大鼠学习记忆能力的指标是____,通过该指标可知____组大鼠学习记忆能力最弱。
(2)ACh是与学习记忆有关的神经递质,该递质由突触前膜释放进入____,与突触后膜上的受体结合,引发突触后膜____变化。
ACh发挥效应后在____酶的催化下水解,本实验是通过检测单位时间内____的生成量,进而计算该酶的活性。
(3)表中结果表明:脑组织铅含量越高,ACh水解速度越____。
(4)水迷宫实验过程中,使短期记忆转化为长期记忆的措施是____,以此强化神经元之间的联系。
【答案】(16 分)(1)到达原平台水域时间④(2)突触间隙电位乙酰胆碱酯胆碱(3)慢(4)重复训练二、27题题干分析本题干考查的知识点范围主要是必修3第2章第1节通过神经系统的调节和必修1的酶和ATP章节,从考试知识点范围来看,考查知识点比较少。
但从2013年《考试说明》命题应遵循原则看,本题主要考查考生的能力,关注学生的发展潜能,注重对学科能力和学科思想、方法应用的考查。
本试题除了考查了考生对生物基本知识突触的结构的考查,还考查了考生对图表信息的提取能力,并通过图表信息分析脑组织中铅含量对Ach水解速度的影响等。
所以该题干即有考查学生的基础知识、基本技能又有考查考生的学科能力和应用方法,因此本试题对试卷的信度、效度和可信度具有一定的贡献。
2013年福建卷理综生物试题解析一、选择题1.人肝细胞合成的糖原储存在细胞内,合成的脂肪不储存在细胞内,而是以VLDL(脂肪与蛋白质复合物)形式分泌出细胞外。
下列叙述正确的是A.VLDL 的合成与核糖体无关B.VLDL 以自由扩散方式分泌出细胞外C.肝细胞内糖原的合成与分解可影响血糖含量D.胰高血糖素可促进肝细胞内糖原的合成【答案】C【解析】VLDL 是脂肪和蛋白质的复合物,蛋白质是在核糖体上合成的,A 错误;VLDL是高分子化合物,不能穿膜运输,必须是胞吐,B 错误;肝细胞内肝糖原的合成会降低血糖浓度,分解成葡萄糖进血液会升高血糖浓度,C 正确;胰高血糖素是升高血糖浓度的,应该是促进肝糖原分解而非合成,D 错误。
【试题点评】本题以肝细胞为核心考察了脂蛋白、肝糖原的合成分解及运输方式,以及胰高血糖素的作用,旨在考察学生对化合物、物质运输方式、内环境稳态知识的识记和理解能力。
2.为探究茉莉酸(植物生长调节剂)对离体培养的成熟胡杨细胞质壁分离的影响,将细胞分别移至不同的培养液中继续培养3天,结果如表。
下列叙述错误的是A.胡杨细胞通过渗透作用吸水和失水B.质壁分离的胡杨细胞液泡体积变小C.NaCl 为自变量,茉莉酸为因变量D.茉莉酸对NaCl 引起的胡杨细胞质壁分离有抑制作用组别培养液中另添加的成分结果NaCl 茉莉酸①+ - 部分细胞质壁分离②+ + 细胞正常,无质壁分离③- - 细胞正常,无质壁分离注:“+”表示有添加,添加后NaCl浓度为100mmol·L-1,茉莉酸浓度为10-3mg·L-1;“-”表示无添加【答案】C【解析】植物细胞吸水和失水都是通过渗透作用,A 正确;质壁分离后液泡因失水体积缩小,B 正确;自变量是最初变动的量因变量是由于自变量变动而引起变动的量,实验中NaCl 和茉莉酸显然是自变量,细胞正常与否及有无质壁分离是因变量,C 错误;通过实验①②对照知道茉莉酸对NaCl 引起的细胞质壁分离有抑制作用,D 正确。
【试题点评】通过探究茉莉酸(植物生长调节剂)对离体培养的成熟胡杨细胞质壁分离的影响的实验,考察了学生对渗透作用、质壁分离、自变量因变量的概念的理解,也考察了学生对实验结果的分析能力。
3.在两块条件相同的退化林地上进行森林人工恢复和自然恢复的研究,20 年后两块林地的生物多样性均有不同程度提高,其中人工种植的马尾松人工恢复林植物种数为137 种,无人工种植的自然恢复林植物种数为226种。
下列叙述错误的是A.可采用样方法调查林地上植物的种群密度B.森林恢复提高了生产者固定的太阳能总量C.人工恢复林比自然恢复林的植物丰富度低D.自然恢复林的形成属于初生演替 【答案】D【解析】样方法可以用来调查植物和活动能力弱的动物的种群密度,A 正确;森林恢复扩大了植被面积和垂直高度,提高了生产者固定的太阳能总量,B 正确;人工恢复林中植物种数为137 种,无人工种植的自然恢复林植物种数为226 种,自然前者的植物丰富度低,C 正确;初生演替是发生在沙丘、火山岩、冰川泥上等从来没有被植物覆盖过的地面,或者原来存在过植物,但别彻底消灭了的地方发生的演替,退化林地显然不属此例,应属次生演替,D 错误。
【试题点评】通过比较人工恢复林和自然恢复林中的植物种类数,考察了种群密度的调查方法、流经生物群落的太阳能总量、物种丰富度、群落演替等概念的识记和理解能力。
4.下列为减少实验误差而采取的措施,错误的是 选项 实验内容 减少实验误差采取的措施 A 对培养液中酵母菌数量进行计数 多次计数取平均值 B 探索2,4-D 促进插条生根的最适浓度 预实验确定浓度范围 C 调查人群中红绿色盲发生率 调查足够大的群体,随机取样并统计 D 比较有丝分裂细胞周期不同时期的时间长短 观察多个装片、多个视野的细胞并统计【答案】B【解析】对培养液中酵母菌数量进行计数时,多次计数取平均值,而且次数越多越接近真实值,可以减少实验误差,A 正确;探索2,4-D 促进插条生根的最适浓度,应该是找到浓度范围后,再细分浓度梯度,反复实验,找到最适合浓度,B 错误;调查人群中某病的发生率,确实应该调查足够大的群体,随机取样并统计,C 正确;比较有丝分裂细胞周期不同时期的时间长短,确应观察多个装片、多个视野的细胞并统计,而且样本数量越大越准确,D 正确。
【试题点评】通过采取措施,减少实验误差的实验,考察了学生对减少实验误差的不同方法的理解和应用能力。
5.某男子表现型正常,但其一条14 号和一条21 号染色体相互连接形成一条异常染色体,如图甲。
减数分裂时异常染色体的联会如图乙,配对的三条染色体中,任意配对的两条染色体分离时,另一条染色体随机移向细胞任一极。
下列叙述正确的是【答案】D【解析】图甲看出,一条14 号和一条21 号染色体相互连接时,还丢失了一小段染色体,明显是染色体结构变异,A 错误;观察染色体的最佳时期是中期,B错误;减数分裂时同源染色体发生分离,应该产生13 和2 和1 和23 和12 和3 六种精子,C 错误;该男子减数分裂时能产生正常的精子13,自然可以产生正常的后代,D 正确。
【试题点评】通过染色体变异和精子形成过程图例的分析,考察了学生对染色体变异和基因重组的区别、减数分裂过程、非同源染色体自由组合等知识的理解和应用能力。
26.为研究淹水时KNO3 对甜樱桃根呼吸的影响,设四组盆栽甜樱桃,其中一组淹入清水,其余三组分别淹入不同浓度的KNO3 溶液,保持液面高出盆土表面,每天定时测定甜樱桃根有氧呼吸速率,结果如图。
请回答:(1)细胞有氧呼吸生成CO2 的场所是,分析图中A、B、C 三点,可知点在单位时间内与氧结合的[H]最多。
(2)图中结果显示,淹水时KNO3 对甜樱桃根有氧呼吸速率降低有作用,其中mmol·L-1 的KNO3 溶液作用效果最好。
(3)淹水缺氧使地上部分和根系的生长均受到阻碍,地上部分叶色变黄,叶绿素含量减少,使光反应为暗反应提供的[H]和减少;根系缺氧会导致根细胞无氧呼吸增强,实验过程中能否改用CO2 作为检测有氧呼吸速率的指标?请分析说明。
【答案】(1)线粒体基质A(2)减慢30(3)ATP 不能,因为无氧呼吸可能会产生CO2【解析】(1)细胞有氧呼吸第二阶段生成CO2,进行场所是线粒体基质;由图示可知,A、B、C 三点中A 点有氧呼吸速率最高,在单位时间内生成的[H]最多。
(2)据图可知,加KNO3 溶液组与清水组对照,有氧呼吸速率在相同时间都高于清水组,说明KNO3 溶液对甜樱桃根有氧呼吸速率降低有减缓作用,其中30mmol·L-1 的KNO3溶液组速率最高,作用效果最好。
(3)淹水缺氧使叶绿素含量减少,使光反应减弱,为暗反应提供的[H]和ATP 减少;根系缺氧会导致根细胞无氧呼吸增强,但不能改用CO2 作为检测有氧呼吸速率的指标,因为无氧呼吸可能会产生CO2。
【试题点评】本题主要考查有氧呼吸和无氧呼吸的场所、反应过程中的物质变化及影响因素,旨在考查学生识图分析及理解能力。
27.为探究铅中毒对大鼠学习记忆的影响,将大鼠分为四组,其中一组饮水,其余三组饮醋酸铅溶液,60 天后进行检测。
检测a:用下图水迷宫(池水黑色,大鼠无法看到平台)进行实验,大鼠从入水点入水,训练其寻找水面下隐蔽平台,重复训练4 天后撤去平台,测定大鼠从入水点到原平台水域的时间;检测b:测定脑组织匀浆铅含量及乙酰胆碱酯酶(AchE)活性。
AchE 活性检测原理:AchE 可将乙酰胆碱(Ach)水解为胆碱和乙酸,胆碱与显色剂显色,根据颜色深浅计算酶活性。
组别醋酸铅溶液浓度/g·L-1 脑组织铅含量/g·gprot-1AchE 活性/U·mgprot-1到达原平台水域时间/s①0 0.18 1.56 22.7②0.05 0.29 1.37 23.1③ 1 0.57 1.08 26.9④ 2 1.05 0.76 36.4请回答:(1)表中用于评价大鼠学习记忆能力的指标是,通过该指标可知组大鼠学习记忆能力最弱。
(2)Ach是与学习记忆有关的神经递质,该递质由突触前膜释放进入,与突触后膜上的受体结合,引发突触后膜变化。
Ach 发挥效应后在酶的催化下水解,本实验是通过检测单位时间内的生成量,进而计算该酶的活性。
(3)表中结果表明:脑组织铅含量越高,Ach 水解速度越。
(4)水迷宫实验过程中,使短期记忆转化为长期记忆的措施是,以此强化神经元之间的联系。
【答案】(16 分)(1)到达原平台水域时间④(2)突触间隙电位乙酰胆碱酯胆碱(3)慢(4)重复训练【解析】(1)表中用于评价大鼠学习记忆能力的指标是到达原平台水域时间,通过该指标可知④组大鼠学习记忆能力最弱。
(2)Ach 是与学习记忆油管道额神经递质,该递质由突触前膜释放进入突触间隙,与突触后膜上的受体结合,引发突触后膜电位变化。
Ach 发挥效应后在乙酰胆碱酯酶的催化下水解,本实验通过检测单位时间内胆碱的生产量,进而计算该酶的活性。
(3)表中结果表明:脑组织铅含量越高,Ach 水解速度越慢。
(4)水迷宫实验过程中,使短期记忆转化为长期记忆的措施是重复训练,以此强化神经元之间的联系。
【试题点评】此题以实验为出发点,考查学生从题干和图表中获取信息的能力,但同时也考查了学生的基础知识掌握和运用的能力,只要认真读题和审题,在题干和表格中可以找得到相关的答案,对突触的考查十分基础,学生只要牢固掌握了,便可回答正确。
此题总体难度中等,对学生的信息提取能力有一定的要求。
28.(12 分)甘蓝型油菜花色性状由三对等位基因控制,三对等位基因分别位于三对同源染色体上。
花色表现型与基因型之间的对应关系如表。
表现型白花乳白花黄花金黄花基因型AA---- Aa ----aaB _ _ _aa _ _D_aabbdd请回答:(1)白花(AABBDD)×黄花(aaBBDD),F1 基因型是,F1 测交后代的花色表现型及其比例是。
(2)黄花(aaBBDD)×金黄花,F1 自交,F2 中黄花基因型有种,其中纯合个体占黄花的比例是。
(3)甘蓝型油菜花色有观赏价值,欲同时获得四种花色表现型的子一代,可选择基因型为的个体自交,理论上子一代比例最高的花色表现型是。
【答案】(1)AaBBDD 乳白花∶黄花=1∶1(2)8 1/5(3)AaBbDd 乳白花【解析】(1)AABBDD×aaBBDD 的后代基因型为AaBBDD,其测交后代的基因型为1AaBbDd 和1aaBbDd,对照表格可知其表现型及比例为乳白花∶黄花=1∶1。
(2)黄花(aaBBDD)×金黄花(aabbdd),F1 基因型为aaBbDd,,其自交后代基因型有9 种,表现型是黄花(9aaB_D_、3 aaB_dd、3aabbD_)和金黄花(1 aabbdd),故F2 中黄花基因型有8 种,其中纯合个体占黄花的比例是3/15=1/5。