Multisim模拟电路仿真实例
- 格式:ppt
- 大小:3.20 MB
- 文档页数:92
multisim数字电路仿真实验电⼦表电路仿真Multisim 数字电路仿真实验电⼦表电路仿真汽车⼯程系汽13班张昊 010975实验⽬的⽤Multisim的仿真软件,对数字电路进⾏仿真研究实验内容电⼦表电路的框图如图19.3 所⽰,其⼯作要求如下:时钟输⼊为秒脉冲。
秒计数器为60 进制,BCD 码输出。
秒计数器的进位脉冲送给分计数器,分计数器也是60 进制,BCD 码输出。
分计数器的进位脉冲送给⼩时计数器,⼩时计数器是24 进制,BCD 码输出。
各计数器的输出送显⽰译码器,显⽰译码器的输出送七段数码管。
设⼀个开关,开关合向⾼电平(+5V 电源),计时开始;开关合向地,各计数器清除。
电⼦表电路Multisim 仿真设计图如图19.4 所⽰。
其电路结构是:计数器芯⽚采⽤74290N,其中U1、U2 组成秒计数器,U3、U4组成分计数器,U5、U6 组成⼩时计数器。
显⽰译码器采⽤7448N。
开关J1控制计数和清除。
其他门电路实现进位或清除逻辑功能。
3.选做实验(1)修改图19.4 电路,实现时、分、秒的对表逻辑。
(2)⾃拟⼀个电路进⾏仿真实验。
电路分析本实验中最重要的部分是由两⽚74LS90组成100以内任意进制计数器的原理。
原实验电路图分为两部分,⼀是计数器部分,⼆是译码显⽰部分。
计数器部分由六个74LS90芯⽚组成的两个60进制计数器和⼀个24进制计数器级连⽽成,由秒脉冲使其实现对时,分,秒的计时功能。
其中通过逻辑电路保证分钟计数器的输⼊信号为秒计数器的进位脉冲,时计数器的输⼊脉冲为分计数器的进位脉冲。
另外,还具有同时⼿动清零的功能。
译码显⽰部分由译码器7448N和七段数码显⽰管组成,实现将计数器的值⽤数码显⽰的功能。
对原电路的改进由上述对原电路各部分功能的分析,为⽅便实验,在不影响其功能的前提下,我认为有⼏个地⽅可以作如下修改。
⾸先,可以选⽤四输⼊的带有译码电路的数码管代替原有译码显⽰部分,这样可以使得电路更加简洁,便于分析。
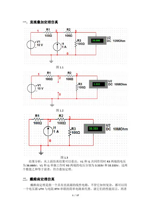
一.直流叠加定理仿真图1.1图1.2图1.3结果分析:从上面仿真结果可以看出,V1和I1共同作用时R3两端的电压为36.666V;V1和I1单独工作时R3两端的电压分别为3.333V和33.333V,这两个数值之和等于前者,符合叠加定理。
二.戴维南定理仿真戴维南定理是指一个具有直流源的线性电路,不管它如何复杂,都可以用一个电压源UTH与电阻RTH串联的简单电路来代替,就它们的性能而言,两者是相同的。
图2.1如上图2.1电路所示,可以看出在XMM1和XMM2的两个万用表的面板上显示出电流和电压值为:IRL=16.667mA,URL=3.333V。
图2.2如上图2.2所示电路中断开负载R4,用电压档测量原来R4两端的电压,记该电压为UTH,从万用表的面板上显示出来的电压为UTH=6V。
图2.3在图2.2所测量的基础之上,将直流电源V1用导线替换掉,测量R4两端的的电阻,将其记为RTH,测量结果为RTH=160Ω。
图2.4在R4和RTH 之间串联一个万用表,在R4上并接一个万用表,这时可以读出XMM1和XMM2上读数分别为:IRL1=16.667mA ,URL1=3.333V 。
结果分析:从图2.1的测试结果和图2.4的测试结果可以看出两组的数据基本一样,从而验证了戴维南定理。
三.动态电路的仿真1、一阶动态电路:V1 1 VR110kΩC110uF12图3.12、二阶动态电路分析:图3.2 2、二阶动态电路:V110 VC11uFR12kΩL11H123图3.3一阶动态电路中V2随时间的变化可以看出,在0~500ms之间随时间的增大而非线性增大,大于500ms后趋于稳定。
图3.4当R1电位器阻值分别为500Ω,2000Ω,4700Ω时,输出瞬态波形的变化如上图所示。
四.交流波形叠加仿真图4.1图4.2结果分析:在信号分析中,一个周期的波形只要满足狄利克雷条件,该波形就可以分解为傅里叶级数。
图4.1为波形叠加仿真电路,将1kHz 15V,3kHz 5V和5kHz 3V的3路正弦信号通过电阻网络予以叠加,从图4.2可以看出示波器D通道的波形正好是示波器A,B,C通道波形的叠加,满足交流波形叠加。
菜单系统工具栏设计工具栏仪器仪表工具栏电路图编辑窗口四、定制Multisim用户界面操作:设置菜单栏Option /Preferences中各属性选择元件的符号标准ANSI:美国标准DIN:欧洲标准。
元器件和背景的颜色一、电源库电源库中共有30个电源器件,分别是:●接地端●数字接地端● VCC电压源● VDD数字电压源●直流电压源●直流电流源●正弦交流电压源●正弦交流电流源●时钟电压源●调幅信号源●调频电压源●调频电流源● FSK信号源●电压控制正弦波电压源●电压控制方波电压源●电压控制三角波电压源●电压控制电压源●电压控制电流源●电流控制电压源●电流控制电流源●电流控制电压源●电流控制电流源●脉冲电压源●脉冲电流源图●指数电压源●指数电流源●分段线性电压源●分段线性电流源●压控分段电压源●受控单脉冲●多项式电源●非线性相关电源4、时钟电压源实质上是一个频率、占空比及幅度皆可调的方波发生器二、基本元件库●电阻●虚拟电阻●电容●虚拟电容●电解电容●上拉电容●电感●虚拟电感●电位器●虚拟电位器●可变电容●虚拟可变电容●可变电感●虚拟可变电感●开关●继电器●变压器●非线性变压器●磁芯●无芯线圈●连接器●插座●半导体电阻●半导体电容●封装电阻● SMT电阻● SMT电容● SMT电解电容● SMT电感现实元件虚拟元件“GeneralGeneral””页:元件的一般性资料,包括元件的名称、制造商、创建时间、制作者。
“SymbolSymbol””页:元件的符号。
“ModelModel””页:元件的模型,提供电路仿真时所需要的参数。
Footprint””页:元件封装,提供“Footprint给印制电路板设计的原件外形。
Electronic Parameters””页:“Electronic Parameters元件的电气参数,包括元件在实际使用中应该考虑的参数指标。
编辑电阻元件“User FieldsUser Fields””页:用户使用信息。
模拟电子电路multisim仿真1.1 晶体管基本放大电路1.1.1 共射极基本放大电路按下图搭建共射极基本放大电路,选择电路菜单电路图选项(Circuit/Schematic Option )中的显示/隐藏(Show/Hide)按钮,设置并显示元件的标号与数值等。
1. 静态工作点分析选择分析菜单中的直流工作点分析选项(Analysis/DC Operating Point)(当然,也可以使用仪器库中的数字多用表直接测量)分析结果表明晶体管Q1工作在放大状态。
2. 动态分析用仪器库的函数发生器为电路提供正弦输入信号Vi(幅值为5mV,频率为10kH),用示波器观察到输入,输出波形。
由波形图可观察到电路的输入,输出电压信号反相位关系。
再一种直接测量电压放大倍数的简便方法是用仪器库中的数字多用表直接测得。
3. 参数扫描分析在上图所示的共射极基本放大电路中,偏置电阻R1的阻值大小直接决定了静态电流IC 的大小,保持输入信号不变,改变R1的阻值,可以观察到输出电压波形的失真情况。
选择分析菜单中的参数扫描选项(Analysis/Parameter Sweep Analysis),在参数扫描设置对话框中将扫描元件设为R1,参数为电阻,扫描起始值为100k,终值为900k,扫描方式为线性,步长增量为400k,输出节点5,扫描用于暂态分析。
4.频率响应分析选择分析菜单中的交流频率分析项(Analysis/AC Frequency Analysis)在交流频率分析参数设置对话框中设定:扫描起始频率为1Hz,终止频率为1GHz,扫描形式为十进制,纵向刻度为线性,节点5做输出节点。
由图分析可得:当共射极基本放大电路输入信号电压VI为幅值5mV的变频电压时,电路输出中频电压幅值约为0.5V,中频电压放大倍数约为100倍,下限频率(X1)为14.22Hz,上限频率(X2)为25.12MHz,放大器的通频带约为25.12MHz。
一、实验目的1.认识并了解Multisim的元器件库;2.学习使用Multisim绘制电路原理图;3.学习使用Multisim里面的各种仪器分析模拟电路;二、实验内容【基本单管放大电路的仿真研究】1.仿真电路如图所示。
2.修改参数,方法如下:双击三极管,在Value选项卡下单击EDIT MODEL;修改电流放大倍数BF为60,其他参数不变;图中三极管名称变为2N2222A*;双击交流电源,改为1mV,1kz;双击Vcc,在Value选项卡下修改电压为12V;双击滑动变阻器,在Value选项卡下修改Increment值为0.1% 或更小。
三、数据计算1.由表中数据可知,测量值和估算值并不完全相同。
可以通过更精细地调节滑动变阻器,使V E更接近于1.2V.2.电压放大倍数测量值A u =−13.852985 ;估算值A u =−14.06 ;相对误差=−13.852985−(−14.06)−14.06×100% =−1.47%由以上数据可知,测量值和估算值并不完全相同,可能的原因有:1) 估算值的计算过程中使用了一些简化处理,如动态分析时视电容为短路,r be =300+(β+1)∙26I E等与仿真电路并不完全相同。
2) 仿真电路的静态工作点与理想情况并不相同,也会影响放大倍数。
3. 输入输出电阻验相同的原因外(不再赘述),还有:万用表本身存在电阻。
4.去掉R E1后,电压放大倍数增大,下限截止频率和上限截止频率增大,输入电阻减小。
说明R E1减小了放大倍数,增大了输入电阻。
四、感想与体会电子实验中,估算值与仿真值、仿真值与实际测量值往往并不完全一致。
在设计电路时可以通过估算得到大致的判断,再在电脑中进行仿真,最后再实际测量运行。
用电脑仿真是很必要的,一方面可以及早发现一些简单错误,防止功亏一篑,另一方面还可以节省材料和制作时间。
但必须考虑实际测量与仿真的不同之处,并应以实测值为准。
实验19 Multisim模拟电路仿真实验1.实验目的(1)学习用Multisim实现电路仿真分析的主要步骤。
(2)用仿真手段对电路性能作较深入的研究。
2.预习内容对仿真电路需要测量的数据进行理论计算,以便将测量值与理论值进行对照。
3.实验内容实验19-1 基本单管放大电路的仿真研究射极电流负反馈放大电路的仿真电路如下图所示。
三极管的电流放大系数设置为60。
(1)调节R w,使V E=1.2V;(2)用“直流工作点分析”功能进行直流工作点分析,测量静态工作点,并与估算值比较;(3)用示波器观测输入、输出电压波形的幅度和相位关系,并测量电压放大倍数,与估算值比较;(4)用波特图仪观测幅频特性和相频特性,并测量电压放大倍数和带宽(测出下线截止频率和上限截止频率即可);(5)用“交流分析”功能测量幅频特性和相频特性;(6)加大输入信号幅度,观测输出电压波形何时会出现失真,并用失真度分析仪测量信号的失真度;(7)设计测量输入电阻、输出电阻的方法并测量之。
(测输入电阻采用“加压求流法”,测输出电阻采用改变负载电阻测输出电压进而估算输出电阻的方法,即。
式中,U oO是输出端空载时的输出电压,U oL是接入负载R L时的输出电压。
输入信号频率选用1000H Z)。
(8)将去掉,将的值改为1.2kΩ,即静态工作点不变,重测电压放大倍数、上下限截止频率及输入电阻。
将测得的放大倍数、上下限截止频率和输入电阻进行列表对比,说明对这三个参数的影响。
实验结果如下:(1)静态直流工作点分析理论上,;;。
实际测量结果如下:;相对误差为0.018%;相对误差为0.018%;相对误差为2.698%;; 相对误差为0.061%;相对误差为0.029%;由此可见,静态工作点的理论预测值与实际测量值十分接近。
其中误差最大,其主要影响因素应当是根据模拟的参数设置,该三极管是实际三极管而并非理想三极管,在实际电流放大倍数方面与理论值有一定的误差。
multisim模拟仿真实验⼀、实验⽬的和要求(1)学习⽤multisim 进⾏模拟电路的设计仿真 (2)掌握⼏种常见的实⽤电路原理图⼆、实验内容和原理2.1测量放⼤电路仿真分析在multisim11中画出如下电路原理图。
如图所⽰为测量放⼤电路,采⽤两级放⼤,前级采⽤同相放⼤器,可以获得很⾼的输⼊阻抗;后级采⽤差动放⼤器,可获得⽐较⾼的共模抑制⽐,增强电路的抗⼲扰能⼒。
该电路常常作为传感器放⼤器或测量仪器的前端放⼤器,在微弱信号检测电路设计中应⽤⼴泛。
电路的电压放⼤倍数理论计算为)1(94367R R R R R A u++=将电路参数代⼊计算:630)101001001(10300=++=uA2.2电压-频率转换电路仿真分析给出⼀个控制电压,要求波形发⽣电路的振荡频率与控制电压成正⽐,这种通过改变输⼊电压的⼤⼩来改变输出波形频率,从⽽将电压参数转换成频率参量电路成为电压—频率转换电路(VCO ),⼜称压控振荡器。
在multisim11中创建如图所⽰的电压-频率转换电路的电路原理图。
电路中,U1是积分电路,U2是同相输⼊迟滞⽐较器,它起开关左右;U3是电压跟随电流,输⼊测试电压U1。
电路的输出信号的振荡频率与输⼊电压的函数关系为Zi CU R R U R T f 31421==2.3单电源功率放⼤电路仿真分析在许多电⼦仪器中,经常要求放⼤电路的输出机能够带动某种负载,这就要求放⼤电路有⾜够⼤的输出功率,这种电路通称为功率放⼤器,简称“功放”。
⼀般对功放电路的要求有:(1)根据负载要求提供所需要的输出功率;(2)功率要⾼(3)⾮线性失真要⼩(4)带负载的能⼒强。
根据上述这些要求,⼀般选⽤⼯作在甲⼄类的共射输出器构成互补对称功率放⼤电路。
单电源功放电路中指标计算公式如下:功率放⼤器的输出功率:Lo oR U P = 直流电源提供的直流功率:CO CC E I U P ?=电路效率:%100?=EoP P η实验电路原理图如下:2.4直流稳压电源仿真分析在所以电⼦电路和电⼦设备中,通常都需要电压稳定的直流电源供电。