现场验收检查原始记录防雷引下线
- 格式:doc
- 大小:23.00 KB
- 文档页数:1
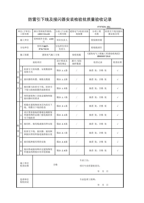
防雷引下线及接闪器安装检验批质量验收记录苏DQ4.7.2.1单位(子单位)工程名称施工单位江苏国信仪征燃机热电联产项目配套LNG应急气源工程中国化学工程第十四建设有限公司分部(子分防雷及接地装置安装部)分项工程名称工程名称项目负责人检验批容量防雷引下线及接闪器安装分包单位分包单位项目负责人检验批部位施工依据《电气工程》DGJ32/J40-2006验收依据设计文件和《建筑电气工程施工质量验收规范》(GB50303—2015)验收项目设计要求及规范规定最小/ 实际抽样数量检查记录检查结果引下线布防雷引下线的布置、安装数量和连接方式1 /置、安装和连接应符合设计要求。
1、外观检查:2、查隐蔽工程验收记录()份接闪器的接闪器的布置、规格及数量应符合设计要2 /布置、规求。
格及数量主接闪器与防雷引下控线连接方接闪器与防雷引下线必须采用焊接或卡接项3/ 式和防雷器连接,防雷引下线与接地装置必须采用引下线与焊接或螺栓连接。
接地装置目连接方式利用建筑当利用建筑物金属屋面或屋顶上旗杆、栏物上其它杆、装饰物、铁塔、女儿墙上的盖板等永物件做接久性金属物做接闪器时,其材质及截面应4 /闪噐时,符合设计要求,建筑物金属屋面板间的连接、永久性金属物各部件之间的连接应可其材质及截面和连靠、持久。
接方式1、外观检查:2、核查材质产品质量证明文件()份、材料进场验收记录()份3、核对与设计文件是否一致:暗敷在建筑物抹灰层内的引下线应有卡钉引下线固分段固定;明敷的引下线应平直、无急1 /定弯,有专用支架固定,引下线焊接处,应涮油漆防腐,且无遗漏。
设计要求接地的幕一墙金属框设计要求接地的幕墙金属框架和建筑物的措施。
架和建筑金属门窗,应就近与防雷引下线连接可2 /物的金属靠,连接处不同金属间应有防电化学腐蚀1、外观检查:2、查隐蔽工程验收记录()份门窗与防般雷引下线的连接接闪杆、接闪杆、接闪线或接闪带安装位置应正项接闪线或确,安装方式应符合设计要求,焊接固定3 /接闪带安的焊缝应饱满无遗漏,螺栓固定的应防松装零件齐全,焊接连接处应防腐完好。
现场验收检查原始记录
共1 页第1 页
监理校核: XXX检查: XXX 记录:XXX 验收日期: XXXX 年 XX 月 XX 日说明:1.此表为第1张表,其它表一样,检验批编码:07030101001……
填写说明
1.表头填写:
“单位(子单位)工程名称”栏、“检验批名称”栏、及“检验批编号”栏,按对应的“检验批质量验收记录”填写。
2.验收项目填写
⑴编号:填写验收项目对应的条文号。
⑵验收项目:按对应的“检验批质量验收记录”的验收项目的顺序,填写现场实际检查的验收项目及设计要求、规范规定的内容,如果对应多行检查记录,验收项目不用重复填写。
⑶验收部位:填写本条验收的各个检查点的部位,每个部位占用一格,下个部位另起一行。
⑷验收情况记录:
①采用文字描述、数据说明或者打“√”的方式;
②不合格和超标的必须明确指出;
③对于定量描述的抽样项目,直接填写检查数据。
⑸备注:发现明显不合格的个体的,要标注是否整改、复查是否合格。
⑹监理校核:监理单位现场验收人员签字。
⑺检查:施工单位现场验收人员签字。
⑻记录:填写本记录的人签字。
⑼验收日期:填写现场验收当天日期。
修改说明:本表格与13版比较表头部分将项目负责人改为项目经理,因为项目经理是施工企业在工程项目上的合法代表。
增加了验收记事一栏,方便记录验收当时情况。
一、验收依据1、《建筑工程施工质量验收统一标准》GB50300-20132、《建筑电气工程施工质量验收规范》GB50303-2002二、规范摘要1、检验批划分原则避雷引下线安装6层以下的建筑为一个检验批,高层建筑依均压环设置间隔的层数为一个检验批;接闪器安装同一屋面为1个检验批。
2、验收要求(抽查数量)检验批的容量2~15最小抽样数量2;检验批的容量16~25 最小抽样数量3;检验批的容量26~90最小抽样数量5;检验批的容量91~150 最小抽样数量8;检验批的容量151~280最小抽样数量13。
3.主控项目25.1.1 暗敷在建筑物抹灰层内的引下线应有卡钉分段固定;明敷的引下线应平直、无急弯,与支架焊接处油漆防腐且无遗漏。
25.1.3 当利用金属构件、金属管道做接地线时,应在构件或管道与接地干线间焊接金属跨接线。
26.1.1 建筑物顶部的避雷针、避雷带等必须与顶部外露的其他金属物体连成一个整体的电气通路,且与避雷引下线连接可靠。
4.一般项目25.2.1 钢制接地线的焊接连接应符合本规范第24.2.1条的规定,材料采用及最小允许规格、尺寸应符合本规范第24.2.2的规定。
25.2.2 明敷接地引下线及室内接地干线的支持件间距应均匀,水平直线部分0.5~1.5m;垂直直线部分1.5~3m;弯曲部分0.3~0.5m。
25.2.3 接地线在穿越墙壁、楼板和地坪处应加套钢管或其他坚固的保护套管,钢套管应与接地线做电气连通。
25.2.7 设计要求接地的幕墙金属框架和建筑物的金属门窗,应就近与接地干线连接可靠,连接连接处不同金属间应有防电化腐蚀措施。
26.2.1 避雷针、避雷带应位置正确,焊接固定的焊缝饱满无遗漏,螺栓固定的应备帽等防松件齐全,焊接部分补刷的防腐油漆完整。
避雷引下线和变配电室接地干线敷设方雷引下限检验批质量验收记录避雷引下线和变配电室接地干线的敷设方案是保证电力系统安全运行的重要环节,因此其质量检验批质量验收记录也显得尤为重要。
下面是一份1200字以上的避雷引下线和变配电室接地干线敷设方案的检验批质量验收记录:一、项目概述1.1项目名称:避雷引下线和变配电室接地干线敷设方案的质量检验批验收记录。
1.2项目编号:XXXXX1.4项目施工单位:XXX1.5项目验收单位:XXX二、实施内容2.1避雷引下线敷设方案2.1.1敷设位置:根据设计要求,在建筑物的最高处设置避雷针,并沿着建筑物表面做好绝缘处理,将避雷引下线沿着建筑物的外墙垂直敷设,保证避雷引下线的导电良好。
2.1.2线路规格:根据供电系统的负荷、电流等参数,选择合适的线径,确保避雷引下线能够承受所需的电流负荷。
2.1.3固定方式:避雷引下线的固定方式分为直接固定和间接固定两种,根据具体情况选择合适的固定方式,并做好固定牢固性的检查和验收。
2.1.4绝缘处理:在避雷引下线的敷设过程中,需要进行绝缘处理,以确保引下线与建筑物之间不会产生漏电现象。
2.1.5焊接连接:避雷引下线的各个部分之间需要进行焊接连接,确保连接的牢固性和导电性能。
2.2变配电室接地干线敷设方案2.2.1敷设位置:变配电室接地干线需要与建筑物的地网相连,通过地极将电流引入地中,确保系统的接地良好。
2.2.2规格选择:根据变配电设备的额定电流和设计要求,选择适当的接地干线规格,以确保其能够承受所需的电流负荷。
2.2.3固定方式:变配电室接地干线的固定方式需要确保接地干线与地网的连接牢固可靠,采用焊接、螺栓连接等方法。
2.2.4绝缘处理:在接地干线的敷设过程中,需要进行绝缘处理,以确保干线与其他金属部件之间不会产生短路现象。
2.2.5测量和验收:在接地干线敷设完成后,需要对接地电阻进行测量,并进行验收,确保接地效果合格。
三、验收结果根据避雷引下线和变配电室接地干线敷设方案的要求,施工单位按照相关标准和规范进行施工,经过验收,现将结果汇总如下:3.1避雷引下线敷设方案3.1.1敷设位置:符合设计要求,避雷引下线沿建筑物垂直敷设,无偏差。
避雷引下线和变配电室接地干线敷设安装检验批质量验收记录
(Ⅰ)防雷引下线
表格编号检查手册235
避雷引下线和变配电室接地干线敷设安装检验批质量验收记录
(Ⅰ)防雷引下线
(GB50303—2002)表25 编号:
表格编号检查手册235
避雷引下线和变配电室接地干线敷设安装检验批质量验收记录
(Ⅰ)防雷引下线
表格编号检查手册235
避雷引下线和变配电室接地干线敷设安装检验批质量验收记录
(Ⅰ)防雷引下线
表格编号检查手册235
避雷引下线和变配电室接地干线敷设安装检验批质量验收记录
(Ⅰ)防雷引下线
表格编号检查手册235
避雷引下线和变配电室接地干线敷设安装检验批质量验收记录
(Ⅰ)防雷引下线
表格编号检查手册235
避雷引下线和变配电室接地干线敷设安装检验批质量验收记录
(Ⅰ)防雷引下线
表格编号检查手册235
避雷引下线和变配电室接地干线敷设安装检验批质量验收记录
(Ⅰ)防雷引下线
表格编号检查手册235
避雷引下线和变配电室接地干线敷设安装检验批质量验收记录
(Ⅰ)防雷引下线
表格编号检查手册235
避雷引下线和变配电室接地干线敷设安装检验批质量验收记录
(Ⅰ)防雷引下线
文档来源为:从网络收集整理.word版本可编辑.欢迎下载支持.
表格编号检查手册235
11文档收集于互联网,如有不妥请联系删除.。