低压配电及动力照明系统检验调试与验收实施方案
- 格式:doc
- 大小:40.75 KB
- 文档页数:16
低压配电及动力照明系统施工技术要求模版1. 低压配电系统工程1.1 施工前准备- 施工前,必须进行详细的设计和方案的审查,确保符合国家标准和施工规范。
- 准备好必要的设备和材料,并按照设计图纸进行验收。
- 确保施工区域的安全,并与其他相关工程进行协调。
1.2 施工工艺- 根据设计图纸和方案进行布置和安装配电设备。
- 安装过程中,必须按照设备的要求进行正确的连接和固定。
- 所有接头和绝缘部分必须做好耐高压和防水处理。
1.3 施工质量控制- 安装完毕后,必须进行详细的检查和测试。
- 检查电线和电缆的规格、电气性能和绝缘性能是否符合要求。
- 检查各个配电设备和开关的运行状态。
- 进行隐蔽工程验收,并填写相应的验收记录。
2. 动力照明系统工程2.1 施工前准备- 确定照明设计方案,并进行审查和确认。
- 准备好所需的照明设备和材料,并按照设计图纸进行验收。
- 确保施工区域的安全,并与其他相关工程进行协调。
2.2 施工工艺- 根据设计图纸和方案进行灯具的布置和安装。
- 安装过程中,必须按照灯具的要求进行正确的连接和固定。
- 动力线路的敷设必须符合安全规范,避免交叉和擦碰。
2.3 施工质量控制- 安装完毕后,必须进行详细的检查和测试。
- 检查灯具的外观和质量是否符合要求。
- 检查灯具的电气性能和光学性能是否符合要求。
- 进行隐蔽工程验收,并填写相应的验收记录。
3. 安全措施3.1 施工现场安全措施- 施工现场必须设置明显的警示标志和安全提示牌。
- 严禁在施工区域吸烟,并保持施工区域的清洁和整齐。
- 确保使用的工具和设备安全可靠,并定期进行检查和维护。
3.2 电气安全措施- 施工人员必须具备相应的电气安全知识,并正确使用个人防护用具。
- 所有电源必须可靠接地,并进行定期的安全检查。
- 所有电缆和电线必须正确敷设,避免与其他设备或构件发生摩擦和擦碰。
4. 环境保护4.1 施工废弃物处理- 施工过程中产生的废弃物必须分类存放,并按照相关规定进行合理的处理。
电气系统安装工程调试方案一、项目概况本项目为某新建工业厂房的电气系统安装工程,主要包括高、低压配电系统、照明系统、动力系统等。
为确保安装工程的顺利进行及质量的保证,需进行严格的调试工作。
本方案力求全面、合理、科学,以确保系统安装质量及工程进度。
二、调试策略1. 根据《电气设备安装工程施工技术规范》及相关标准要求,合理编制电气系统调试方案,并形成相应的调试记录。
2. 严格按照设计图纸要求和相关技术标准对电气系统进行逐个设备的调试,确保所有设备工作正常。
3. 执行逐级调试,先调试低压系统,再调试高压系统,确保各个级别系统之间的配合良好,不会相互影响或损坏。
4. 对系统运行状态进行监测和记录,确保安装工程顺利进行,检查电气系统的运行是否符合设计要求。
5. 评估调试结果,解决电气系统运行过程中可能出现的问题,及时调整和完善。
三、调试工作的组织与协调1. 项目部门牵头负责调试工作的组织与协调,组织调试工作人员和所需设备。
2. 设立专门的调试工作小组,明确各项工作任务和责任。
3. 各工种的施工人员必须参与调试工作,确保质量。
四、调试工作步骤1. 调试前的准备工作a. 检查所有设备的安装情况,确保设备已经安装完毕。
b. 对设备的接线、绝缘、固定等进行检查,确保设备安全可靠。
c. 对所需的调试工具和设备进行清点和整理,确保工作所需。
2. 低压配电系统调试a. 对主配电室内的总开关、总进线进行检查和调试,保证线路正常通电。
b. 对低压开关柜、断路器、接触器等设备进行逐个设备的调试,检查设备的各项指标是否符合要求。
c. 对电缆线路的连接和接地进行检查和测试。
3. 高压配电系统调试a. 对变压器、开关设备、避雷器、断路器等设备进行逐个设备的检查和调试。
b. 对高压设备的运行监测进行记录。
c. 对高压开关室内的总开关、总进线进行检查和调试,保证线路正常通电。
4. 照明系统调试a. 对所有照明设备进行逐个设备的检查和调试,确保照明系统可以正常运行。
成都地铁3号线一期工程土建、机电安装及装修施工监理5标低压电气与动力照明工程施工监理实施细则重庆赛迪工程咨询有限公司成都地铁3号线一期工程土建、机电安装与装修工程施工监理5标监理部二〇一四年八月重庆赛迪工程咨询有限公司成都地铁3号线一期工程土建、机电安装及装修施工监理5标低压电气与动力照明工程施工监理实施细则职务姓名签字审核人总监理工程师编制人监理工程师重庆赛迪工程咨询有限公司成都地铁3号线一期工程土建、机电安装与装修工程施工监理5标监理部二〇一四年八月1.工程概况与特点1.1工程概况:成都地铁3号线一期工程土建、机电安装及装修施工监理5标始于熊猫大道站,止于3号线一期工程设计终点,线路全长为6498.813m,包括1个车辆段——北郊车辆段与综合基地;1个地下车站——天回镇南站;1个区间隧道——熊猫大道站至天回镇南站;1、3号联络线——1号线与3号线的联络线隧道;出入段线——熊猫大道至车辆段入段线及天回镇南站至车辆段出段线,呈八字型出入段线。
分别采用的施工方法有明挖顺做法(车站及明挖区间)、矿山法(雨水泵房、污水泵房)及盾构法(1、3号线联络线、熊猫大道站至天回镇南站区间、出入段线)施工,其中盾构区间全长7378.913单线延米,联络通道2个,泵房3个(其中一个与联络通道合建)。
区间隧道纵坡坡度2~36‰,线路最大埋深为20.6m,最小平面曲线半径150m。
天回镇南站:车站主体位于成都军区总医院门前川陕路下方,为地下一层侧式站台,站台宽3.5米。
天回镇南站为明挖车站,车站主体沿川陕路路中偏东布置,呈南北向走向,车站南侧约550M处有东风渠自西向东穿过川陕公路,车站东侧有宽6.5米沿川陕路方向的排洪渠。
本站是3号线一期工程的终点站,属信号集中站,根据牵引供电专业要求,本站设置牵引变电所。
站后有一276米的存车线(交叉渡线),共设4个出入口,3组风亭。
熊猫大道站—天回镇南站区间:该区间位于川陕路下方,总长度为1949.95米,起点里程为YDK37+612.800,终点里程YDK39+562.750,区间分别采用明挖顺做法及盾构法,线路平面、纵断面均于直线段,设置两处联络通道及一废水泵房,其中废水泵房与一联络通道合建。
河北钢铁集团鑫达钢铁有限公司160平方烧结工程低压系统调试方案编制:审核:批准:日期:总包单位:中钢集团工程设计研究院有限公司施工单位:唐山东方建工集团安装分公司目录一、工程概况二、编制依据三、调试工作准备四、低压配电系统试运转五、动力生产设备单体试运行六、照明调试七、安全措施一、工程概况1、工程名称:河北钢铁集团鑫达钢铁有限公司160平方烧结工程2、设计单位:中钢集团工程设计研究院有限公司3、工程内容:送配电回路如下:二、编制依据1、《电气装置安装工程电气设备交接试验标准》GB50150-912、《电气装置安装工程母线装置施工及验收规范》GBJ149—903、《电气装置安装工程电缆线路施工及验收规范》GBJ50168—924、《电气装置安装工程电机施工及验收规范》GBJ50170—925、《电气装置安装工程盘柜及二次回路结线施工及验收规范》GBJ50171—926、《电气装置安装工程低压电器施工及验收规范》GBJ50254-967、《电气装置安装工程接地装置施工及验收规范》GBJ50169—928、《施工现场临时用电安全技术规范》JGJ46-889、《工业安装工程质量检验评定统一标准》GB50252-9410、中钢集团工程设计研究院有限公司设计图纸11、电气设备配套资料三、调试工作准备1、调试的组织机构:2、调试指挥小组职责:(1)、检查调试前的准备工作的落实情况.(2)、听取各值班班长的试运转报告,协调各专业间的调试工作.(3)、组织处理调试中的重大问题.(4)、组织落实各项指令及时反馈信息。
3、专业负责人的职责:(1)、组织并实施各项起动前的准备。
(2)、检查值班操作人员的操作规程、安全规程的执行情况。
(3)、复核运行记录,填写调试记录。
(4)、发生异常情况紧急停车.(5)、组织实施检修工作。
4、调试班组职责:(1)、严格执行操作规程和安全规程,认真进行操作. (2)、监视设备运行情况,发现问题及时向专业负责人汇报。
灯具工程验收方案模板一、前言为确保灯具工程施工质量和工程验收合格,保障安全、可靠和环保,必须严格按照灯具工程验收方案进行验收。
本方案适用于各类室内、室外、道路、广场等灯具工程的验收。
二、工程验收人员及职责1. 工程业主代表:负责协调、组织工程验收工作,对工程验收负最终责任;2. 施工单位代表:协助工程业主代表进行工程验收,提供必要的技术支持;3. 设计单位代表:对工程设计及施工图纸进行审核,确保设计、施工一致。
三、验收准备1. 完成施工单位提交的竣工图纸和验收报告,包括灯具工程的设计参数、材料规格、工程量清单等;2. 确认施工单位已完成灯具工程的安装、调试和清洁工作;3. 准备好验收所需的工具和设备,包括光照度测量仪、电流表、电压表等;4. 安排好验收时间,通知相关单位参与工程验收。
四、验收内容1. 灯具安装质量验收(1)灯具位置:是否符合设计要求,是否与周围环境协调一致;(2)灯具安装:是否牢固、垂直,灯具是否倾斜、晃动;(3)灯具电气连接:是否符合电气安全标准,接线是否正确、牢固;(4)灯具外观:是否完好无损、表面是否平整、光滑、无划痕。
2. 光照度和照明均匀度验收(1)采用光照度测量仪对灯具照明范围进行测量,是否符合设计要求的光照度;(2)测量照明均匀度,是否达到设计要求,没有出现暗角、亮角。
3. 灯具电气参数验收(1)使用电流表、电压表对灯具的电流电压进行测量,是否符合设计要求;(2)验收灯具的防水、防尘等电气性能,是否符合标准要求。
4. 控制系统验收(1)验收灯具控制系统的功能,如开关、调光、定时等功能正常运行;(2)验收控制系统的稳定性和可靠性,是否存在控制延迟、失灵现象。
五、验收标准1. 灯具安装质量验收标准(1)灯具位置应符合设计要求,与周围环境协调一致;(2)灯具安装应牢固、垂直,无倾斜、晃动现象;(3)灯具电气连接应符合电气安全标准,接线牢固、正确;(4)灯具外观应完好无损、平整、光滑、无划痕。
XXX有限公司XXXX项目动力、照明送电及调试方案编制单位:XX公司2022年10月26日动力、照明的送电及调试方案送电和调试共分两个阶段进行,先进行送电和调试前的准备和组织,再进行正式的送电与调试。
本工程调试共分为高压变电系统调试与低压动力、照明系统调试。
调试的顺序为先进行高压变电系统调试,后进行低压动力、照明系统调试。
1、调试的组织与准备为了保证送电与调试能够顺利而安全地进行,在送电与调试前需要进行精心的组织与准备,本工程调试组织与准备需进行如下工作:下几个方面的工作:1、熟悉施工图纸、配电箱(柜)二次接线图。
2、熟悉与电气调试有关的规范、规程、地方标准。
3、熟悉各种工具与仪具的使用方法,能熟练地使用各种工具与仪具。
4、熟悉安全送电、停电的顺序以及火灾、触电事故的急救处理方法。
二、在调试前,变压器、配电箱(柜)厂商提供其产品的技术资料,在调试过程中,变压器、配电箱(柜)厂商需要派技术人员参与配合调试。
工具与仪器准备准备调试用的工具与仪具,如兆欧表、变压器直流电阻测试仪、电流表、绝缘手套、绝缘鞋、扳手、塞尺等。
2、动力、照明系统调试动力、照明系统调试为低压配电柜之后动力系统及照明系统的调试。
动力、照明系统调试分阶段进行,先进行配电干线送电,再进行照明调试及动力设备调试。
A.配电干线送电配电干线送电是指从配电室 400V/230V 配电柜向各配电箱送电。
配电干线送电按下面流程进行:电缆绝缘摇测需测试 L1 与 L2、L2 与 L3、L3 与 L1、各相与地线之间、各相与零线之间、零线与地线之间的绝缘电阻值,绝缘电阻值大于0.5 MΩ。
在送电之前,对配电箱需进行测试,检查二次回路接线是否正确,二次回路的绝缘值是否符合规范要求,箱内的元器件的各项参数是否符合产品技术与国家规范要求。
正式通电前断开配电干线系统的所有开关,送电过程中,从 400V/230V 配电柜按顺序合闸,每一个开关合闸后立即挂上通电标识,每合一路,送电方与受电方及时联系,确信回路正确后,方可送下一路。
建筑电气工程施工低压电气动力设备试验和试运行4.7.1一般规定1本章适用于低压电气动力设备(包括成套配电柜、屏,配电箱、盘,电动机,电动执行机构等),试验和试运行分项工程的施工操作和施工质量检验。
2低压电气动力设备试验和试运行应按以下程序进行:(1)设备的可接近裸露导体接地(PE)或接零(PEN)连接完成,经检查合格,才能进行试验;(2)动力成套配电(控制)柜、屏、台、箱、盘的交流共频耐压试验、保护装置的动作试验合格,才能通电;(3)控制回路模拟动作试验合格,盘车或手动操作,电气部分与机械部分的转动或动作协调一致,经检查确认,才能空载试运行。
3低压电气动力设备试验和试运行前,要对相关的现场单独安装的各类低压电器进行单体的试验和检测,符合国家验收规范规定,才能进行试运行。
与试运行有关的成套柜、屏、台、箱、盘已在试运行前试验合格。
4低压电气动力设备和工作场所,所属电器、仪表元件,必须彻底清扫干净,不得有灰尘和杂物。
检查母线上和设备上是否留有工具、金属材料及其他物件。
5试验和试运行的各种参数符合设计要求,并做好记录。
4.7.2施工准备4.7.2.1技术准备1编制试验及试运行方案,并报相关部门进行审批。
2备齐试验合格的验电器、绝缘防护装备、胶垫,以及接地编织铜线和灭火器材等。
3各项电气交接试验均应合格,各类开关和控制保护动作正确。
4.7.2.2主要机具电工刀、电工钳、剥线钳、压线钳、夹嘴钳,各种螺丝刀、水准仪、兆欧表、万用表、水平尺、高压测试仪器、吸尘器、转速表、卡钳电流表、电子点温计、电桥、钢卷尺、直尺、塞尺、线坠、试铃、红外线遥测温度仪等。
4.7.2.3作业条件1试验调整、试运行前应建立组织机构,应有施工单位、建设单位、监理单位三方有关工程技术负责人及专业工程技术人员共同参加,组成工作小组。
如有必要,还需约定供货商参加。
明确试验调整、试运行指挥者,操作者和监护人。
2由施工单位专业技术人员编制电气设备试验调整、试运行施工方案。
强电系统调试方案(一)强电安装包括照明配电系统、动力配电系统、低压配电系统等工程。
一、系统简介我公司承揽的强电安装系统包括照明配电系统、动力配电系统、低压配电系统等工程。
二、送电前准备1、彻底清扫全部设备及变配电室、控制室的灰尘,用吸尘器清扫电器、仪表元件。
除送电需用的设备外其他物品不得堆放。
2、工作全部完毕,并经质量检查部门检查全部合格。
3、准备试验合格的验电器、绝缘鞋、手套、绝缘胶垫、粉沫灭火器等。
4、明确运行指挥者和监护人。
5、检查进线电压是否正常,校核两端进线的相序是否一致。
定载运行24小时无异常现象,办理验收手续。
三、电气照明系统调试1、系统要求(1)电气管线敷设完毕,穿线完毕。
(2)各种灯具接线完,各种开关面板接线完。
(3)管线经过绝缘电阻测试合格。
(4)配电箱安装完毕,且经过绝缘测试合格。
(5)桥架、电缆敷设完毕,电缆绝缘测试合格。
(6)母线敷设完毕,绝缘测试合格。
(7)配电箱、柜安装完毕,绝缘测试合格。
(8)各种高低压配电柜安装完毕,测试合格。
2、调试方法(1)先检查各种照明配电柜是否已全部切断电源。
(2)再检查各灯具是否测试合格及接线准确。
(3)将本工程按系统、按照明配电箱控制的区域分成各自的调试区域,调试从上到下,逐层逐区域调试。
(4)选择好顶层最左端的照明配电箱,先引来临时电源,把该照明配电箱进线开关断开,且把正式进线先拆除,接着接上临时电源,送上电源,先打开箱内1路照明控制开关,再开启相关的照明灯具,正常,再打开另一路照明控制开关。
接着逐步打开照明配电箱内的全部开关。
(5)然后采用相同的方法进行调试第二个照明配电箱,逐步调试完顶层的所有照明配电箱,再往下层调试,采用相同的方法直至所有的照明配电箱全部调试完。
(6)所有分段分区域分系统调试完后,进行总体送电运行调试,先切断各区的照明控制箱开关,配电间上锁,然后对照明主干线电缆、封闭母线空载送电,运行24h后作一次全面的检查发现问题及时解决由上往下逐层开始各回路送电,边送边查看,发现问题及时解决有双电源作切换系统调试,以确保双电源切换正常。
低压配电及动力照明系统检验调试与验收实施方案1.1低压配电及动力照明系统检验、调试调试工作流程:检验、试验单机调试系统调试与其它系统联动调试 1.1.1检验、试验1)电气元件(1)测试项目柜、盘、屏、箱内断路器,继电器,接触器,互感器,指示表。
(2)测试工具绝缘测试用摇表(兆欧表);万用表。
(3)测试方法及内容A)空气断路器的试验:电压线圈动作值校验→脱扣器的整定及校验→动作性能校验→机械连锁系统检查B)继电器的试验:一般性检验→动作值、返回值和保持值检验→动作时间检验(时间继电器)→极性检验(中间继电器)C)交流接触器的试验:测量绝缘电阻→检查触头的同时性→检查操作机构→操动试验D)电流互感器的试验:测量绝缘电阻→检查互感器变比→检查互感器接线的正确性E)表计的试验:一般性检验→外部检验→指示误差检验2)电力电缆试验(1)测试工具电缆绝缘测试用1000V摇表(兆欧表);接地电阻测试用接地电阻仪。
(2)测试内容包括电缆老化前和老化后的绝缘、护套机械性能试验;测量绝缘电阻;交流耐压试验及泄漏电流试验;局部放电试验;导体直流电阻测试;负载损耗试验;电线电缆耐火、阻燃性能试验;检查电缆线路的相位。
(3)测试方法电缆绝缘测试电缆绝缘测试分三步进行,首先进行电缆材料绝缘试验,其值应满足出厂绝缘电阻值要求;第二步电缆敷设到位后再测试一次电缆绝缘电阻值;第三步电缆头制作完成后再测试一次。
测试合格值:相间≥0.5MΩ,相对N≥0.5MΩ,相、N对地≥0.5MΩ。
耐压试验工频交流耐压试验:试验电压试验电压尺度为1000V;当回路的绝缘电阻在10 MΩ以上时,可用2500兆欧表代替工频交流耐压试验,试验工夫为1分钟;泄漏电流测试测量泄漏电流的原理与绝缘电阻测量根底细同,与测量绝缘电阻不同的是施加交流电压。
3)接地系统测试(1)测试项目和标准电气设备、电力线路接地装置的试验工程和尺度应符合各自的设计划定。
(2)测试工具接地电阻测试仪等。
调试、开通验收的配合措施1车站设备调试概述为了保证XX地铁02A标已经安装完毕的设备能安全可靠地投入运行,性能达到设计的技术要求,在系统安装施工过程中和投入运行前,按照规程规范、设计要求、以及产品说明,要进行一系列的调整试验工作。
调整试验的主要内容包括通风空调系统、低压配电及照明系统、给排水及水消防系统的单机调试和整个系统的联运调试。
1、调试范围和内容根据本站的机电设备安装工程量,以及目前的现场进度情况,其调内容主要包括风空调系统、低压配电及照明系统、给排水及水消防系统等各个分部的单机调试和系统调试,其主要调试内容表1.1如下:变电所低压配电柜与变压器的接口位置在变压器0.4KV出线端。
与SCADA监控系统的接口在动照专业提供的PLC通信端口上。
与广告灯箱的接口在广告灯箱的电源插座上。
与综合监控、屏蔽门、通信、信号、AFC、门禁等系统接口均在相应配电箱出线开关下端头。
与BAS专业的接口在环控柜为提供的馈线开关下端。
与BAS专业的通信接口在动照专业的PLC通信端口上。
与BAS专业的接口在应急照明装置提供的硬线接口及馈线回路上。
与人防专业的接口在变电所低压开关柜内预留人防电源进线。
单体设备调试用电原则:一般单体设备采用临电用进行调试,但对于大型风机、大功率水泵、和冷水机组等无法用临电调试的设备,要等到正式电通了后,再进行调试。
2调试设备和仪表的配备表2.1仪器图片仪器名称漏电开关测试仪绝缘电阻导通测量仪钳型接地电阻测试仪测试内容漏电开关模拟测试电缆绝缘测试接地电阻测试仪器形式电子指针式电子仪器数量2台3台2台仪器图片仪器名称红外测温仪照度计钳形电流表(含万用表)测试内容导线或母线连接处的温度室内环境照度测试测试电流及电压仪器形式电子电子电子仪器数量1 3 8仪器图片仪器名相序表智能光电转速表、毕托管及微压计测试内容测试相序测试电机及风机转速测试风压仪器形式电子电子电子仪器数量1 2 3仪器图片仪器名称热式风速计噪声计温湿度计测试内容测试风速测试噪声测试温度、湿度仪器形式电子电子电子仪器数量4台1台2台仪器图片仪器名风量捕捉罩叶轮式风速仪对讲机称测试内测试风口风量测试风速信息畅通容仪器形电子电子电子式仪器数6 4 8量3调试工作组织和部署1、调试人员组织架构及职能由于本站工期紧张,为提高设备调试的效率,节省工期,项目部成立专门的调试小组,由项目经理担任调试组长,项目负责人担任调试总指挥,其它主要成员有电气工程师,通风空调工程师,给排水及消防工程师,专业质安员,厂家技术员,资料员,各专业班组长和操作人员。
低压配电与照明工程调试方案及要求清晨,我坐在电脑前,准备梳理这十年的工程调试经验,制定一份低压配电与照明工程的调试方案。
我要明确这份方案的核心目标,那就是确保低压配电与照明系统在投入使用前,能够达到最佳的工作状态。
一、工程概况在开始制定方案之前,我们需要对低压配电与照明工程有一个全面的了解。
这包括工程的规模、设备类型、电路布局等。
例如,我们需要了解配电柜的安装位置,灯具的安装高度,电缆的敷设方式等。
这些信息将直接影响到调试方案的制定。
二、调试准备在正式开始调试前,我们需要做好充分的准备工作。
这包括检查所有设备是否按照设计要求安装到位,线路是否连通,开关是否灵活等。
我们还需要准备好调试所需的工具和仪器,如万用表、绝缘测试仪等。
我将详细描述调试的步骤。
三、调试步骤1.检查电源我们需要检查低压配电柜的电源是否正常。
这包括检查电源的电压、频率等参数是否满足设计要求。
如果发现问题,需要及时进行调整。
2.检查线路接着,我们需要检查线路是否连通。
这包括检查电缆的敷设是否正确,接线是否牢固,绝缘是否良好等。
如果发现问题,需要及时修复。
3.检查设备然后,我们需要检查低压配电柜和照明设备是否正常工作。
这包括检查开关是否灵活,灯具是否亮起,配电柜的指示灯是否正常等。
如果发现问题,需要及时更换或修复。
4.测试性能我们需要测试低压配电与照明系统的性能。
这包括测试电压、电流、功率等参数是否满足设计要求,以及测试系统的稳定性、可靠性等。
如果发现问题,需要及时调整。
四、调试要求1.严格遵守安全规定,确保调试过程中的人员安全和设备安全。
2.确保调试数据的准确性,避免因数据错误导致的问题。
3.及时记录调试过程中发现的问题,并制定相应的解决方案。
4.在调试完成后,对整个系统进行全面的检查,确保系统达到最佳工作状态。
回顾这十年的工程调试经验,我深感调试工作的重要性。
它不仅需要专业的技术知识,还需要严谨的工作态度和细致的观察力。
只有这样,我们才能确保每一个工程都能顺利投入使用,为我国的城市建设贡献力量。
照明系统检验施工工艺与方案规程1一般规定1.1检验应由电气技术人员进行操作。
1.2检验所需技术资料应包括但不限于以下内容:(1)设计图纸;(2)工程变更记录及工程洽商记录;(3)隐蔽工程验收记录及签证;(4)培训记录及培训资料。
2检测器具2.1用于检验的器具或设备包括但不限于以下内容:(1)游标卡尺、刻度尺、卷尺、激光测距仪、厚度计等计量器具;(2)具有测量电压、电流、电阻(包括接地电阻、绝缘电阻、导体连通性等)、故障回路阻抗、相序、RCD特性等一个或多个功能的仪表;(3)照度计、红外线温度计、热像仪等测量仪器;(4)功率计、电能质量分析仪等仪器。
2.2仪表与仪器应符合下列规定:(1)应事先对工程中需要使用的仪表和仪器进行检查,确认电池充足、功能正常、配件齐全、安全无故障;(2)仪表和仪器的精度应符合检验要求,并检定合格证,且在有效期内使用。
3作业条件3.1检验应随工程进度进行。
3.2应对仪表的外观检查,应完好。
3.3应按现行地方标准《建筑工程资料管理规程》DB11/T695的规定,收集整理相关资料。
3.4随工检验应由施工单位的项目专业质量检查员、专业工长等实施。
3.5实施检验的人员应采取佩戴必要的防护用品。
4检测工艺4.1检测流程应符合图4.1T、图4.1-2、图4.卜3、图4.L4的规定:(1)照明系统通电前检查流程应符合下列规定:愉定检查项目H确定检查位置∣T⅛料与施匚质量与技术文件进行核对Ifl记录检查结果图4.IT照明系统通电前检查流程2照明系统通电后检查流程应符合下列规定:I确定检查项目T确定检查位置H相关设备或装置通电并观察运行情况H记录检查结果I图4.卜2照明系统通电后检查流程3照明系统通电前测试流程应符合下列规定:确定测试项目卜崎定仪表接入点IT确认被测设备或装置处于无电状态If媵入仪表卜丽丽T记录测试数据图4.1-3照明系统通电前测试流程4照明系统通电后测试流程应符合下列规定:确定测试项目H确定仪表接入点H确认装置通电并处于正常工作状引H⅛入仪表H启动测试H记录测试数据I图4.1-4照明系统通电后测试流程检测流程4.2外观检查施工工艺应符合下列规定:(1)通电前检查项目应包括但不限于以下内容:D照明系统的电击防护措施应符合设计要求;2)照明的防火和热效应防护措施应符合设计要求;3)导体的选择应符合设计要求;4)保护电器的选择、整定、选择性和配合应符合设计要求:5)电涌保护器(SPD)的选择、布置和安装应符合设计要求;6)隔离和开关电器的选择、布置和安装应符合设计要求;7)设备的IP防护等级和机械防护措施应符合设计要求;8)中性导体(N)和保护接地导体(PE)的标识应正确无误:9)照明系统图、警示标志或其他类似信息的设置应符合设计要求;10)回路、过电流保护电器、开关、端子等的标识应符合设计要求;11)电缆、导体的端接和连接应符合安装工艺要求;12)接地配置、保护接地导体(PE)连接安装应符合设计要求;13)控制设备应便于操作、识别和维修;14)照明系统抗电磁骚扰措施的安装应符合设计要求;15)I类灯具和设备的外露可导电部分与接地配置连接应符合设计要求;16)布线系统的选择和安装应符合设计要求;17)特殊场所的照明系统安装应符合设计要求。
电气设备的测试、调试方案1、按《电气装置安装工程电气设备交接试验标准》的要求,对整个施工区变压器、低压配电装置的各个回路和系统进行电气试验。
2、根据本工程中变压器、低压配电装置、配电箱中不同的电气元件和设备,采用相应仪器仪表进行电气性能测试和绝缘测试,对经试验不符合技术要求的各种电气设备及元件要立即更换。
3、本电气设备安装工程的测试、调试可分为照明系统和动力系统两大部分来进行。
照明系统又可分为一般照明、应急照明和不间断照明三个部分。
动力系统也分为一般电源、应急电源和不间断电源三个部分。
为了确保供用电正常,必须对整个高低压配电系统中各个供电回路,按电源系统和动力、照明的各个系统进行测试。
4、电气设备的单元件试验各种配电屏、配电箱、应急电源装置(EPS)、变频控制器、不间断电源装置(UPS),安装过程中,分别进行单元件(其中包括:电流表、电压表、有功电度表、电流互感器、交流接触器、自动空气开关等)电气试验和测试。
5、变压器试验(1)测量绕组连同套管在各分接头位置的直流电阻;(2)测量所有分接变比;(3)检测变压器接线组别与铭牌电否相符;(4)测量绕组绝缘电阻,不低于出厂试验值的70%;(5)通过工频耐压试验;(6)局部放电测量;(7)测量铁芯对地绝缘电阻,不小于5MΩ。
6、系统测试及试验(1)在所有的安装工作完成后,按供配电系统(照明、动力、一般负荷、应急负荷、不间断供电负荷)分别进行调试。
(2)10KV电力线路的试验应测量线路的绝缘电阻、检查相位;各低压回路0.5KV和1KV兆欧表做导通及相间、对地绝缘电阻测试,做好测试电阻值记录,合格后,再按动力、照明分别做系统一般照明、应急电源(EPS)、不间断供电电源(UPS)调试,并做好调试记录,合格后,再进行整个供配电系统连调,合格后,再进行各种开关、灯具、插座及动力电源末端的调试,直到全部合格。
从而保证达到每个供电回路、系统带电投入运行后运行正常。
7、开通送电前的设备检查(1)配电箱内各开关接线是否正确和牢固。
第四章低压配电系统4.1需调试项目a、绝缘电阻测试b、插座回路极性,连续性及接地回路阻抗测试c、插座回路漏电保护开关漏电动作电流及动作时间测试d、照度测试e、防雷接地系统连续性及接地电阻测试f、航空障碍灯功能测试g、配电箱功能测试h、非消防用电强切功能测试i、照明系统BMS控制功能测试j、低压配电柜功能测试k、自动切换开关功能测试l、备用发电机虚负载测试m、备用发电机带大厦负载测试4.2调试程序绝缘电阻测试a、所有供电回路在送电前必需进行绝缘测试,以确保无短路/漏电情况,安全送电。
b、测试时,所有开关及断路器应处于闭合状态,所有回路之极性正确,电气连续性完好无缺。
所有灯贝泡应除去,所有用电器具应断离,所有控制灯具或其它用电器具之就地开关应闭合,如无法除去灯泡或用电器具,则应将有关控制开关断开,所有电子器件亦应适当隔离,以避免因高电压测试而损坏。
c、以1000V绝缘电阻测试仪进行测试,测试应包括相线对相线,相线对中性线,相线对接地线及中性线对接地线各项,阻值应为无限大,并应做详细记录。
插座回路极性,连续性及接地回路阻抗测试以接地电阻测试仪测试所有插座回路之接线极性是否正确,连续性是否正常及接地回路阻抗是否符合规范要求,作详细记录。
插座回路漏电保护开关漏电动作电流及动作时间测试a、测试插座回路漏电保护开关漏电动作电流及动作时间,以保证漏电保护开关能在规范要求之电流及时间内动作,提供安全保护功能。
b、将漏电电流测试仪之插头插入每一组插座回路之最后一个插座,按下测试仪上之测试按钮,漏电保护开关应马上跳闸,详细记录各跳闸时间及动作电流,跳闸时间应不大于0.04秒(40ms),动作电流应不大于30毫安(30mA)。
照度测试a、测量各区域/房间之照度是否符合合约要求。
b、以照度仪置于工作面高度(约750mm),测量各区域/房间内不同位置之照度,测试位置/测试点应最少包括以下各项:1、灯具正下方2、两个灯具之中间点3、四个灯具之中间点4、房间内四个角点5、房间内四边各灯贝之尾点所有测试应做好详细记录。
动力照明调试方案一、系统概况本工程为XXXXX动力照明配电系统部分。
1、本站站厅层南端设置了一座低压变电所,北端设置了一座跟随所,站厅南北各设一个环控电控室,一个照明配电室,站台南北共设四个照明配电室。
2、变电所0.4KV馈线柜馈线端子以下的电缆、电线、低压开关柜、动力配电箱、照明配电箱、双电源切换箱、公共区照明灯具、荧光灯、插座、开关等设备及材料的安装,并负责低压配电与动力照明系统的调试及相关专业系统的联调。
动力照明系统配电采用放射式和树干式相结合,以放射式为主的配电方式。
电缆采用低烟无卤耐火铠装电缆及低烟无卤阻燃铠装电缆;配电干线电缆沿电缆桥架、支架敷设。
低压配电采用TN-S接地保护系统,插座回路设漏电断路器保护。
二、编制依据1、建筑电气工程施工质量验收规范GB50303-20022、三相异步电动机试验方法GB1032-853、三相异步电动机负载率现场测试方法GB8916-884、各类设备的使用说明书等技术文件三、调试内容(1)动力供电调试(2)车站内照明调试(3)通风空调大小系统设备的电控调试(4)循环泵及冷水机组的调试(5)配合其他专业调试(BAS、FAS等)四、调试准备1、成立调试小组生产付经理为总负责人,专业技术负责人为组长,各专业主管工程师及各工种技师组成调试人员,且参加调试人员已经进行了培训。
电气专业以电气工程师为主组成电气调试小组。
邀请设备供货单位和监理单位共同参加。
机电设备安装单位主要负责提供照明、设备供电、供水、清理等工作,并配备相应人员。
设备供货单位主要负责设备启动前的润滑、加液、检查和状态确认,确认设备状态良好后进行操作或发布操作指令,并根据设计参数进行设备元件的调整,直到设备达到正常运行工况。
监理单位主要负责协调和旁站监督,对调试经过进行指导,并对调试结果作出评估。
2、调试步骤及计划安排根据动力配电与照明、通风空调和给排水专业进度计划完成情况,在调试报告得到监理工程师批准以后进行。
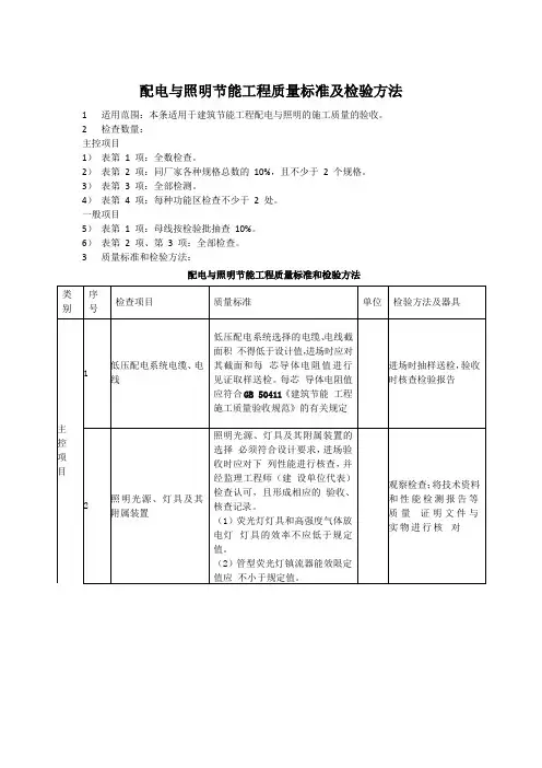
低压配电及动力照明系统检验调试与验收实施方案
1.1 低压配电及动力照明系统检验、调试
1.1.1 检验、试验
1)电气元件
(1)测试项目
柜、盘、屏、箱内断路器,继电器,接触器,互感器,指示表。
(2)测试工具
绝缘测试用摇表(兆欧表);万用表。
(3)测试方法及内容
A)空气断路器的试验:
电压线圈动作值校验→脱扣器的整定及校验→动作性能校验→机械连锁系统检查
B)继电器的试验:
一般性检验→动作值、返回值和保持值检验→动作时间
检验(时间继电器)→极性检验(中间继电器)C)交流接触器的试验:
测量绝缘电阻→检查触头的同时性→检查操作机构→操动试验
D)电流互感器的试验:
测量绝缘电阻→检查互感器变比→检查互感器接线的正确性
E)表计的试验:
一般性检验→外部检验→指示误差检验
2)电力电缆试验
(1)测试工具
电缆绝缘测试用1000V摇表(兆欧表);接地电阻测试用接地电阻仪。
(2)测试内容
包括电缆老化前和老化后的绝缘、护套机械性能试验;测量绝缘电阻;交流耐压试验及泄漏电流试验;局部放电试验;导体直流电阻测试;负载损耗试验;电线电缆耐火、阻
燃性能试验;检查电缆线路的相位。
(3)测试方法
电缆绝缘测试
电缆绝缘测试分三步进行,首先进行电缆材料绝缘试验,其值应满足出厂绝缘电阻值要求;第二步电缆敷设到位后再测试一次电缆绝缘电阻值;第三步电缆头制作完成后再测试一次。
测试合格值:相间≥0.5MΩ,相对N≥0.5MΩ,相、N对地≥0.5MΩ。
耐压试验
工频交流耐压试验:试验电压试验电压标准为1000V;当回路的绝缘电阻在10 MΩ以上时,可用2500兆欧表代替工频交流耐压试验,试验时间为1分钟;
泄漏电流测试
测量泄漏电流的原理与绝缘电阻测量基本相同,与测量绝缘电阻不同的是施加交流电压。
3)接地系统测试
(1)测试项目和标准
电气设备、电力线路接地装置的试验项目和标准应符合各自的设计规定。
(2)测试工具
接地电阻测试仪等。
(3)测量方法
现场测量接地装置的接地电阻时,采用专用的接地电阻测试仪。
其测量方法断开接地测试卡,按电阻仪说明书要求布置电位辅助电极和电流辅助电极,将被测接地极接至仪表E接线柱,电位探针P’、电流探针C’分别接至仪表P、C端子,选好倍率,以120转/分转速转动手柄测试合格值:测试电阻值≤1欧姆为合格。
以及按各类仪表的说明和要求方法进行操作。
1.1.2 单机调试
1)低压配电柜等设备及配电箱测试
(1)测试项目
主回路母线的检查、测试,二次回路的检查、测试。
(2)测试工具
电缆绝缘测试用1000V摇表(兆欧表);万用表;相序检测器。
(3)测试内容
主回路母线的检查、测试:外观检查→相序排列检查→测试相间及相对地绝缘电阻;
二次回路的检查、测试:检查回路接线的正确性→测试回路每一支路绝缘电阻→工频交流耐压试验。
(4)测试方法
外观检查
配电柜的表面是否清洁,有否碰伤、划伤、剥落,铭牌是否符合要求。
各配电柜之间应有专用的公共接地母线。
配电柜的柜门、底座均应设有接地线路,且用镀锌螺栓连接。
相序检查
采用万用表对装置各相两侧和线路各相的相位进行校对
均应正确。
绝缘电阻测试
方法同电力电缆绝缘测试。
工频交流耐压试验
方法同电力电缆工频交流耐压试验。
2)电动机的试验
(1)测试工具
电缆绝缘测试用1000V摇表(兆欧表);万用表;相序检测器、测速仪。
(2)测试内容及方法
测量绕组的绝缘电阻和吸收比→检查定子绕组极性及其连接的正确性→空载运转试验→转速测量。
1.1.3 系统调试
当所有动力和照明系统工程完工后,对动力、照明分系统进行试验,包括所有动力照明配电线路及远程、就地控制线路检查和测试。
1)通电试验条件。