工地试验室及拌合站专项检查表格
- 格式:docx
- 大小:33.82 KB
- 文档页数:6
附件1
工地试验室专项检查评价表
建设项目:单位:试验室名称:
- 4 -
- 5 -
- 6 -
- 7 -
- 8 -
- 9 -
- 10 -
注:合福客专、杭长客专、宁安铁路、丰沛铁路、合肥南站、合肥南环线、宁西二线、三线电化、南京站增建北站房、丹阳货场、白鹿塘货场、建德货场、宁波北站及货场搬迁、宁波北环线、金温扩能、宁启复线电化等16个项目对备注“▲”的检查内容不作为重点检查内容。
检查组(签名):年月日
受检单位(签名):年月日
- 11 -
附件2
混凝土拌和站专项检查评价表建设项目:单位:拌和站名称:
- 12 -
- 13 -
- 14 -
- 15 -
- 16 -
- 17 -
- 18 -
- 19 -
注:合福客专、杭长客专、宁安铁路、丰沛铁路、合肥南站、合肥南环线、宁西二线、三线电化、南京站增建北站房、丹阳货场、白鹿塘货场、建德货场、宁波北站及货场搬迁、宁波北环线、金温扩能、宁启复线电化等16个项目对备注“▲”的检查内容不作为重点检查内容。
检查组(签名):年月日
受检单位(签名):年月日- 20 -。
工地试验室监督检查记录表检查内容存在问题备注一、现场总体考察1、试验室内通风、采光良好,沥青及沥青混凝土室应配置通风设备;2、试验室要综合考虑供电、排水等设施,有完善的消防设施;3、试验室遗弃的废渣、废液等有害物质的处理应符合环保要求;4、养护室的温度、湿度等满足标准养护的要求,并有相应的应急保障措施。
11二、仪器设备管理1、仪器设备实物及配置清单是否相符(工地试验室需满足招投标文件要求和工程实际需要);2、检查仪器设备使用、维护记录;3、检查仪器设备鉴定/校准证书及相关管理制度;4、检查仪器设备自校规程、记录、报告及相关管理制度;22三、管理、1、组织管理与机构框图;质保体系2、质量与安全管理制度;3、人员分工及职责;4、试验室平面布置图;5、质量手册、程序文件是否现行,检查运行情况;337、试验检测原始记录、报告的真实性、规范性和完整性等全套资料;8、抽查项目、检查频率、试验检测台帐。
能准确反应施工企业自检频率;9、检验样品台帐、检验样品的管理制度;10、资料、档案管理制度11、工地试验室工作与管理制度44四、人员管理1、试验检测机构人员必须持证上岗。
3、工地试验室试验检测人员有无变更审批手续。
4、抽查相应的记录、报告全套资料及签字确认是否符合有关要求。
5、人员考核:试验检测人员应熟练掌握业务范围内的交通建设工程试验检测的标准、规范、规程及仪器设备的原理、性能和操作,具有出具准确试验报告的能力。
五、其他管理1、有无超越业务范围承担试验检测任务;2、采用的技术标准、规范和规程是否合法有效;3、各级主管部门监督检查中提出问题的落实整改情况;5566。
混凝土搅拌站工地现场安全检查表工地信息
- 工地名称:
- 工地负责人:
- 工地地址:
- 检查日期:
安全检查项目
1. 工地布局和标识
- [ ] 工地布局合理,道路畅通,无杂物堆放
- [ ] 工地周边设有明确的安全标识和警示牌
- [ ] 工地出入口设置合适的防护措施
2. 设备和机械安全
- [ ] 混凝土搅拌机具有完善的安全保护装置
- [ ] 混凝土输送管道固定可靠,无渗漏现象
- [ ] 设备操作人员持有合法操作证明
3. 电气设备安全
- [ ] 电气设备符合国家标准,并接地良好
- [ ] 电缆线路整齐有序,避免绊倒和损坏
- [ ] 电气设备操作人员持证上岗
4. 施工现场防护
- [ ] 施工现场周边设置安全围栏,确保无人入侵
- [ ] 施工现场内部设置合理的安全警示标识
- [ ] 施工现场存在的隐患得到及时处理
5. 劳动保护和安全教育
- [ ] 工地提供必要的劳动保护设施,如安全帽、防护手套等- [ ] 工人接受必要的安全教育和培训
- [ ] 工地存在安全事故时,及时进行事故调查和处理
安全检查结果
根据以上安全检查项目,经过现场检查,工地安全情况如下:
- [ ] 安全状况良好,不存在严重安全隐患
- [ ] 部分安全问题待解决,需及时整改
- [ ] 存在严重安全问题,工地需要停工整改
检查人员签名:
___________________
工地负责人签名:
___________________
备注:
___________________。
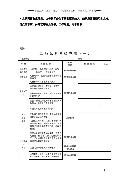
工地试验室检查表第工地试验室日期:序号项目检查内容应得分实得分检查情况整改完成时间责任人一场地及设施、设备(14分)工作间试验环境是否满足检测要求,标养室、水泥室是否有温湿度记录,是否满足标准要求5试验室设备运转是否正常,运转、维修、保养记录是否填写及时,试验仪器是否在规定的周期内检定5消防设施齐全,位置醒目且合理,数量满足需要2有工作需要交通工具(特别是试验用车)数量满足现场试验2二人员(5分)新增人员经培训考核、人员均持证上岗,在岗数量满足试验工作需要2.5人员培训及考核按制度执行,有定期培训及考核计划和记录2.5三内业(70分)原材料检测项目是否齐全,检测频率是否满足需要10台账填写是否齐全、准确、及时10各类资料归档是否合理,卷内目录是否清晰10 月报等上报资料是否及时10资料是否有错误、涂改等现象10水泥强度分析资料是否及时整理5规范是否齐全,更新是否及时5资料签字、盖章和报验是否及时10四(6分) 监理平行、见证试验资料是否满足要求6五其他(5分)其他上述未涉及到的 5检查人签字:被检查人签字:拌和站和钢筋加工厂及现场检查表第工区日期:序号项目检查内容应得分实得分检查情况一人员(5分)拌和站试验组人员是否满足试验检测要求 5二拌和站试验工作间环境情况(8分)各种台账是否及时按要求进行填写 2运转记录是否及时填写 2养护室温湿度是否满足要求 2试验室操作间卫生,试验用具是否摆设整齐干净2三搅拌站运转情况(44分)配合比标识牌、材料标识牌是否及时填写,填写内容是否正确4 料仓是否有二次污染现象 5搅拌机上料仓是否有混料现象 5砂、石料场是否按起铲线要求执行 5是否按要求在浇筑地点留置试件,并检测坍落度、含气量等指标5 拌和机计量偏差是否符合规范要求 5拌和站现场是否有样品比对箱 5抽查原材料指标是否满足规范要求10四内业(6分)砼开盘前的各种试验用表是否填写及时、准确2 拌合楼所有资料用表是否填写及时、准确 2每次开盘前是否有零点校准记录 2五钢筋加工厂(10分)钢筋的材料标识牌是否填写及时、准确 2钢筋堆放是否整齐有序 2抽查钢筋接头质量是否满足要求 6六现场实体检查(20分)抽查实体结构钢筋保护层是否满足要求10抽查回弹实体混凝土强度是否满足要求10七其他(7分)其他上述未涉及到的7总分100检查人签字:被检查人签字:。