定位测量记录、测量复核记录
- 格式:docx
- 大小:14.37 KB
- 文档页数:5
定位测量放样技术复核记录一、技术复核目的:通过对定位测量放样技术的复核,对其工作流程、工艺参数、设备使用等方面进行回顾和总结,以确保相关工作的质量和准确性。
二、复核内容:1.工作流程复核:回顾工作流程并确保每个步骤的正确性和合理性。
包括测量前准备、设备布置、测量位置确认、数据采集、测量结果处理等环节。
对每一步进行逐一确认,确保没有遗漏,并进行必要的修正和改进。
2.工艺参数复核:复核使用的工艺参数,包括设备参数和采集参数。
确保设备参数的正确设置,如准确的高程、水平和距离调整,避免误差。
对于采集参数,如数据采集间隔、采集时间等,确保参数的准确性和合理性。
3.设备使用复核:回顾设备的使用情况,确保设备的正常工作和操作标准的遵守。
对设备进行必要的检查和维护,如检查传感器的精度和灵敏度、检查设备的电源和连接线是否正常等。
同时,对设备的使用人员进行培训和指导,提高操作的规范性和准确性。
4.测量结果复核:对测量结果进行复核,确保测量数据的准确性和可靠性。
通过对测量数据的分析和比对,确认测量结果是否符合预期要求。
对于存在的误差和异常数据,进行排除和修正,若有需要,重新进行测量。
三、复核结果:1.工作流程方面,经过复核,确认了工作流程的正确性和合理性。
并对一些不合理或不准确的环节进行了改进和调整,提高了工作效率和准确性。
2.工艺参数方面,复核了设备参数和采集参数的准确性和合理性。
并对参数进行了修改和优化,确保测量的准确性和稳定性。
3.设备使用方面,复核了设备的正常使用情况。
并对设备进行了必要的检查和维护,确保设备的正常工作和使用寿命。
4.测量结果方面,复核了测量数据的准确性和可靠性。
对于存在的误差和异常数据进行了排除和修正,并重新进行了测量,确保了测量结果的准确性和可靠性。
四、改进计划:1.进一步优化工作流程,减少冗余和重复的环节,提高工作效率和准确性。
2.完善设备使用规范,提供更详细的操作指南和培训,提高设备使用人员的技术水平和操作规范性。
编号:L-001
观测:复测:施工项目技术负责人:
编号:L-002
观测:复测:施工项目技术负责人:
编号:L-003
观测:复测:施工项目技术负责人:
编号:L-004
观测:复测:施工项目技术负责人:
编号:L-005
观测:复测:施工项目技术负责人:
编号:L-006
观测:复测:施工项目技术负责人:
编号:L-007
观测:复测:施工项目技术负责人:
编号:L-008
观测:复测:施工项目技术负责人:
编号:L-009
观测:复测:施工项目技术负责人:
编号:L-010
观测:复测:施工项目技术负责人:
编号:L-011
观测:复测:施工项目技术负责人:
编号:
观测:复测:施工项目技术负责人:
编号:
观测:复测:施工项目技术负责人:
编号:
观测:复测:施工项目技术负责人:
编号:
观测:复测:施工项目技术负责人:。
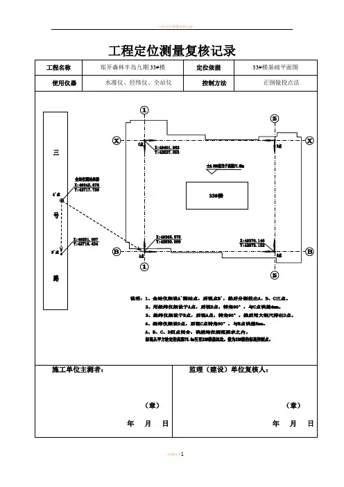
工程定位测量、放线、水准点监理复测记录001街心花园(葫芦鼎大桥北)低影响开定位依据工程名称图纸坐标点发建设项目水准仪、全站仪、卷尺坐标定位法使用仪器控制方法图纸示意图工程定位:1.利用图纸中的坐标点,在现场找出坐标点的位置,然后根据园路的中线位置依次找出园路边线位置进行放线,确定园路的位置,进行放线开挖。
2.完成放线后,进行复核,复核合格!施工单位主测者:监理(建设)单位复核人:(章)(章)年月日日月年工程定位测量、放线、水准点监理复测记录002街心花园(葫芦鼎大桥北)低影响开定位依据工程名称图纸坐标点发建设项目使用仪器坐标定位法控制方法水准仪、全站仪、卷尺图纸示意图工程定位:1.利用图纸中的坐标点,在现场找出坐标点的位置,然后根据园路的中线位置依次找出园路边线位置进行放线,确定园路的位置,进行放线开挖。
2.完成放线后,进行复核,复核合格!施工单位主测者:监理(建设)单位复核人:(章)(章)年月日日月年工程定位测量、放线、水准点监理复测记录003街心花园(葫芦鼎大桥北)低影响开定位依据工程名称图纸坐标点发建设项目水准仪、全站仪、卷尺坐标定位法使用仪器控制方法图纸示意图工程定位:1.利用图纸中的坐标点,在现场找出坐标点的位置,然后根据园路的中线位置依次找出园路边线位置进行放线,确定园路的位置,进行放线开挖。
2.完成放线后,进行复核,复核合格!施工单位主测者:监理(建设)单位复核人:(章)(章)年月日日月年工程定位测量、放线、水准点监理复测记录004街心花园(葫芦鼎大桥北)低影响开定位依据工程名称图纸坐标点发建设项目坐标定位法控制方法使用仪器水准仪、全站仪、卷尺图纸示意图:工程定位:1.利用图纸中的坐标点,在现场找出坐标点的位置,然后根据园路的中线位置依次找出园路边线位置进行放线,确定园路的位置,进行放线开挖。
2.完成放线后,进行复核,复核合格!施工单位主测者:监理(建设)单位复核人:(章)(章)年月日日月年。
工程定位测量复核记录工程定位测量是应用测量技术对工程项目进行定位和标志的过程,确保工程施工的准确性和精度。
为了保证工程定位测量的准确性,需要进行复核,以检查和验证测量结果的正确性。
以下是一份工程定位测量复核记录的示例,供参考。
工程名称:XXX工程测量时间:XXXX年XX月XX日测量点位:XXX点位测量设备:XXX设备测量人员:XXX1、XXX2测量数据复核记录:测量点位:XXX点位复核时间:XXXX年XX月XX日1.测量目的:确定工程点位的准确位置,用于后续的施工工艺和质量控制。
2.复核内容:-检查测量设备的使用情况,包括仪器的校准和正常工作状态。
-检查测量人员的操作规范和执行流程,确保每个步骤按照测量要求进行。
-检查测量数据的准确性,确认测量结果与之前记录的一致性。
3.复核过程:-核对测量设备的校准日期、仪器编号等信息,确保设备正常工作并满足要求。
-核对测量人员的培训记录和证书,确认其具备相关知识和经验。
-对测量操作进行现场观察,并与测量人员进行沟通,了解其操作步骤和使用方法。
-选取若干测量点位进行复测,记录复测结果与之前测量结果之间的差异。
-对比复测结果与测量结果,进行差异分析,找出原因并提出改进措施。
4.复核结果:-测量设备符合要求,校准日期正常,仪器编号与记录一致。
-测量人员经过培训合格,具备测量技能。
-测量操作规范,按要求进行操作。
-复测结果与测量结果一致,误差范围在可接受范围内。
5.复核结论:-工程定位测量符合要求,可信度高。
-测量数据准确性得到验证,可用于后续工程施工。
6.复核人员签名:复核人员1:________________________复核人员2:________________________7.备注:-如有异常情况或复核中发现的问题,需记录并采取相应措施进行纠正。
-完成复核后需对设备进行重新校准并更新校准证书,确保设备的准确性和稳定性。
利用图纸中的坐标点,在现场找出坐标点的位置,然后根据园路的中线位置依次找出园路边线位置进行放线,确定园路的位置,进行放线开挖。
图纸示意图:
利用图纸中的坐标点,在现场找出坐标点的位置,然后根据园路的中线位置依次找出园路边线位置进行放线,确定园路的位置,进行放线开挖。
工程定位测量、放线、水准点监理复测记录
在现场找出坐标点的位置,然后根据园路的中线位置依次找出园路边线位置进行放线,确定园路的位置,进行放线开挖。
工程定位测量及复核记录1、前言在建筑工程施工过程中,工程定位测量是十分重要的一个环节。
它能够确保施工的精度以及施工后的质量等问题。
因此,在建筑工程施工过程中,一定要加强对工程定位测量的重视。
本文档将记录在某建筑工程项目中的工程定位测量及复核过程。
2、测量现场环境本项目建筑工程位于城市中心区域,周边地形较为平坦,没有高层建筑和其他阻碍物。
施工现场整洁干净,地面水平度较高,采用人工硬化技术并有坚固的地基。
3、测量仪器配置在本项目的定位测量和复核过程中,使用了全站仪、水平仪、测量杆等测量工具,并使用了国标符号进行标注。
4、测量场地条件本项目测量场地的条件较为优良,土地平坦,地面水平度较高,整洁干净。
测量场地的附近没有高层建筑和其他阻碍物,也没有其他对测量有较大影响的因素。
5、测量数据记录5.1 建筑物大地坐标测量建筑物的大地坐标测量是本项目工程位置测量的重要步骤。
这里我们采用全站仪进行测量,将建筑物上点位所在位置转换为建筑物周边的控制点位,再通过全站仪定位建筑物的大地坐标。
将测量得到的数据按照国家标准要求进行整理,具体记录如下:测量点编号大地坐标(X/m)大地坐标(Y/m)大地高(m)1 208420.245 650100.468 45.2362 208424.732 650103.789 45.3193 208427.112 650098.294 45.182…………5.2 内部控制点位测量在建筑物内部,我们设置了一些控制点位,作为定位测量的重要依据,这里我们采用全站仪进行测量,将测量得到的数据按照国家标准要求进行整理,具体记录如下:测量点编号大地坐标(X/m)大地坐标(Y/m)大地高(m)1 208424.812 650098.767 45.1732 208425.552 650098.171 45.1393 208425.756 650099.129 45.276…………5.3 建筑物标高测量建筑物标高测量是本项目工程位置测量的重要步骤。
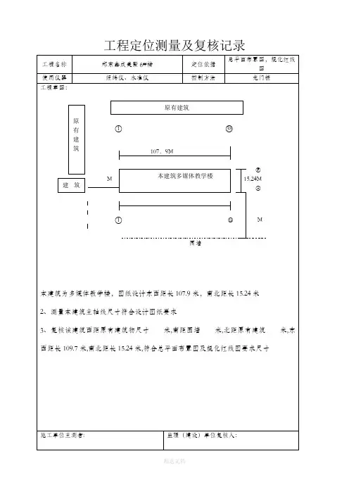
工程定位测量、放线、水准点监理复测记录工程名称街心花园(葫芦鼎大桥北)低影响开发建设项目定位依据图纸坐标点使用仪器水准仪、全站仪、卷尺控制方法坐标定位法图纸示意图:工程定位:1.利用图纸中的坐标点,在现场找出坐标点的位置,然后根据园路的中线位置依次找出园路边线位置进行放线,确定园路的位置,进行放线开挖。
2.完成放线后,进行复核,复核合格!施工单位主测者:(章)年月日监理(建设)单位复核人:(章)年月日工程定位测量、放线、水准点监理复测记录工程名称街心花园(葫芦鼎大桥北)低影响开发建设项目定位依据图纸坐标点使用仪器水准仪、全站仪、卷尺控制方法坐标定位法图纸示意图:工程定位:1.利用图纸中的坐标点,在现场找出坐标点的位置,然后根据园路的中线位置依次找出园路边线位置进行放线,确定园路的位置,进行放线开挖。
2.完成放线后,进行复核,复核合格!施工单位主测者:(章)年月日监理(建设)单位复核人:(章)年月日工程定位测量、放线、水准点监理复测记录工程名称街心花园(葫芦鼎大桥北)低影响开发建设项目定位依据图纸坐标点使用仪器水准仪、全站仪、卷尺控制方法坐标定位法图纸示意图:工程定位:1.利用图纸中的坐标点,在现场找出坐标点的位置,然后根据园路的中线位置依次找出园路边线位置进行放线,确定园路的位置,进行放线开挖。
2.完成放线后,进行复核,复核合格!施工单位主测者:(章)年月日监理(建设)单位复核人:(章)年月日工程定位测量、放线、水准点监理复测记录工程名称街心花园(葫芦鼎大桥北)低影响开发建设项目定位依据图纸坐标点使用仪器水准仪、全站仪、卷尺控制方法坐标定位法图纸示意图:工程定位:1.利用图纸中的坐标点,在现场找出坐标点的位置,然后根据园路的中线位置依次找出园路边线位置进行放线,确定园路的位置,进行放线开挖。
2.完成放线后,进行复核,复核合格!施工单位主测者:(章)年月日监理(建设)单位复核人:(章)年月日。
工程定位测量及复核记录高程
工程定位测量一般分为场地准备和实际测量两个步骤。
在场地准备阶段,首先进行定位基准点的选择,选择合适的基准点可以减小误差,提高定位的准确性。
接下来进行场地的平整、清理和标记,清理掉障碍物,确保测量时不会受到影响。
最后,根据实际情况,选择合适的测量仪器和方法进行测量。
实际测量阶段主要包括两种方法:一是GPS测量,可以利用全球定位系统(GPS)来进行测量,这种方法可以在大范围内进行高程的测量,操作简便,准确性较高;二是光学测量,可以利用水准仪、水平仪等光学仪器进行高程测量,这种方法适用于小范围内的测量,准确性略低于GPS测量。
在测量的过程中,需要注意以下几个方面:一是在测量前要确定好测量起点和终点,并选取合适的测量点来完成测量任务;二是在测量时要保持仪器的稳定,避免晃动和震动干扰测量结果;三是要注意纪录数据的准确性,如时间、地点、仪器型号等,以便后续复核和分析;四是要及时复核数据,保证测量结果的准确性。
复核是对测量结果的验证和校验,可以通过对比多次测量结果,计算平均值来确保测量的准确性。
在复核过程中,要注意以下几点:一是要选择合适的复核点和方法,确保复核结果的可靠性;二是要仔细核对测量数据,确保数据的准确性和一致性;三是要对比不同测量结果的差异,发现并排除可能存在的误差。
工程定位测量复核记录日期:2024年6月1日工程名称:XXX建筑工程复核人员:张三监测人员:李四一、背景为了保证工程建设的准确性和施工质量,本工程进行了定位测量工作。
在进行施工前,需要对已测得的定位测量数据进行复核,确保数据的准确性和一致性。
二、复核内容1.确认基准点的位置和测量方式是否符合要求。
2.检查已测得的定位测量数据与实际场地的符合程度。
3.比对不同测量测点的数据,确保一致性。
4.检查测量仪器的准确性和精确度。
三、复核过程1.查阅相关测量记录和图纸,确认基准点的位置和测量方式是否符合要求。
2.在实际场地进行测量,使用同样的测量仪器和方法,测量已测点,并记录测量数据。
3.将已测点的数据与复核测得的数据进行对比,检查其符合程度。
4.比对不同测量测点的数据,确保一致性。
如果出现数据不一致的情况,需要重新进行测量,并与之前的测量结果进行对比。
5.对测量仪器进行校准,确保其准确性和精确度。
四、复核结果1.基准点的位置和测量方式符合要求,测量数据准确。
2.复核测得的定位测量数据与实际场地的符合程度高,误差较小。
3.不同测量测点的数据一致,说明测量工作的准确性。
五、复核结论根据复核结果,本次工程定位测量数据准确可靠,符合要求。
建议施工人员按照定位测量数据进行施工,保持测量仪器的准确性和精确度,并定期对测量数据进行复核,以确保施工质量的准确性。
六、下一步工作1.我们将继续监测和复核工程的测量数据,确保数据的准确性。
2.在施工期间,根据实际情况进行必要的调整和修正,保证施工的准确性和一致性。
3.定期检查和校准测量仪器,确保其准确性和精确度。
七、附件1.相关测量记录和图纸2.定位测量数据复核表格。
工程定位测量及复核记录为确保工程定位的准确性和可行性,需按照以下步骤进行工程定位测量及复核。
第一步:查阅设计文件在进行工程定位测量之前,首先要仔细查阅设计文件,包括设计图纸、工程说明等。
通过了解工程的设计要求和技术参数,能够为后续的测量工作提供有效的参考依据。
第二步:确定基准点在进行测量之前,需要确定一至多个基准点。
基准点是测量的起始点,用来确定工程的位置和方位。
在选择基准点时,要考虑其稳定性和易于定位的特点。
第三步:进行粗略测量通过粗略测量可以确定工程的大致位置和范围。
可以使用全站仪、测距仪等仪器进行测量,将测量结果标记在地面上或临时设立的标杆上。
第四步:进行精细测量在确定了工程的大致位置和范围后,需要进行精细测量。
可以使用全站仪、测角仪、测距仪等仪器,对工程的各个关键点进行详细测量,包括平面位置、高程、倾斜角度等。
第五步:绘制测量图纸根据测量结果,将测量数据整理并绘制成测量图纸。
测量图纸需要包括工程的平面位置图、高程图、剖面图等。
第六步:审核与复核测量图纸完成后,需要进行审核与复核。
审核人员需要仔细审查测量图纸,核对测量数据、图纸符号等是否准确无误。
复核人员需要根据测量图纸,使用同样的仪器对工程进行复核测量,以验证测量结果的准确性。
根据以上步骤进行的工程定位测量及复核已经完成。
通过这一过程,工程的位置、形状和尺寸得以准确确定,为后续的施工和管理提供了重要依据。
在工程建设过程中,工程定位的准确性对于工程的安全和质量具有重要影响。
因此,在进行工程定位测量和复核过程中,需要严格按照相关标准和规范进行操作,并确保测量仪器的准确性和稳定性。
同时,还要重视测量数据的精确性和合理性,做到真实可靠。
总之,工程定位测量及复核在工程建设中起着重要作用,通过准确测量和核实,确保工程的位置、形状和尺寸满足设计要求,保证工程的安全和质量。
工程定位测量记录
2-1 质量监督注册登记号:20123718 洛阳市
建筑工程质量监督站监制
测量复核记录
工程定位测量记录
施工单位:(章)主测者:洛阳中重建筑安装工程有限责任公司
年月日
2-1 质量监督注册登记号:20113092 洛阳市建筑工程质量监督站监制
测量复核记录
工程草图: 说明:
1、根据甲方提供的定位依据进行定位。
2、地面标高± 0.000m 相当于绝对标高 205.60m 。
3、图中尺寸均以米计。
4、 各点坐标值及轴线尺寸符合设计要求和规划要求。
5、 各点所测偏差均在规范允许的范围内。
施工单位(章) 主测者: 复核者: 年月日
建筑工程质量监督站监制
2-1
质量监督注册登记号: 20113092
洛阳市
监理(建设)单位(章) 复核者:
年月日。