变频器与上位机RS485通讯协议介绍讲解
- 格式:doc
- 大小:126.50 KB
- 文档页数:12
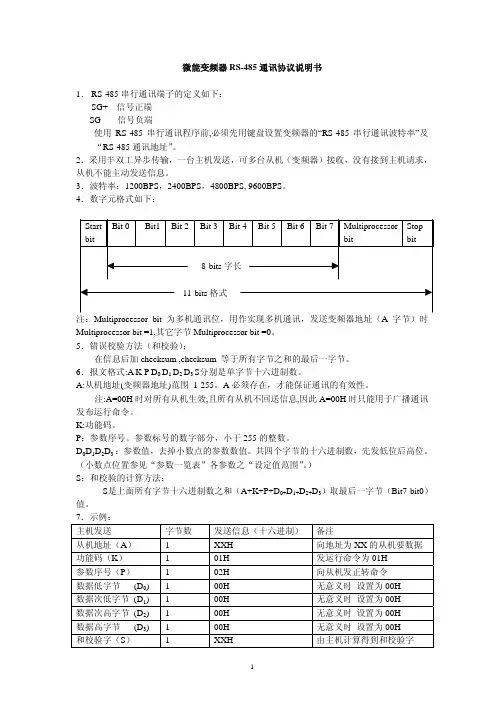
RS485通讯协议1.概论(1)单一的RS485网最多可以连接31台变频器,系统可以采用广播通讯的方式或根据各变频器的地址找到需要通讯的变频器。
其中需要有一个主站(PC,PLC或其他控制器),而各个变频器作为从站。
(2)单主机单从机即点对点的通讯方式。
主机指PC机或PLC,从机指变频器。
2. 通讯接口数据格式系列变频器提供3种数据格式可选:1位起始位,8位数据位,1位停止位,无校验;1位起始位,8位数据位,1位停止位,奇校验;1位起始位,8位数据位,1位停止位,偶校验;默认:1位起始位,8位数据位,1位停止位,无校验。
波特率系列变频器提供5种波特率可选:1200bps,2400bps,4800bps,9600bps,19200bps 38400bps。
默认:9600bps3. 协议说明3.1 功能定义(1)监视从机运行状态(2) 控制从机运行(3) 读取从机功能码参数(4) 设置从机功能码参数3.2通讯方式PC,PLC为主机,变频器为从机.采用主机“轮询” , 从机“应答”的点对点的通信方式。
轮询可以建立在一个轮询表内,如果是广播发送变频器不用应答。
利用变频器的键盘设置串行接口通信参数:从机地址, 波特率,数据格式。
3.3 报文格式STX: 报文头;ADR: 从站地址;PPO: 过程参数数据区;PKW: 参数命令/参数值;PKE:参数命令;PWE: 参数值;PZD: 过程数据;STW: 控制字;ZSW: 状态字;HSW: 参考值;HIW: 实际值;BCC: 异或校验和。
.主机到从机的报文STX ADR PKE PWE STW HSW BCC1 12 2 2 2 1.从机到主机的报文STX ADR PKE PWE ZSW HIW BCC1 12 2 2 2 13.4报文的详细描述3.4.1 STX(报文头)STX区域是幀头,是一个单字节的STX字符值为2DH,它用来表示一个报文的开始。
3.4.2 ADR (从站地址)ADR是一个单字节区域,它表示从站变频器的地址。
rs485通信协议介绍附录:RS485串⾏通讯协议1 主要性能本变频器通过内置的RS485标准接⼝,能与个⼈计算机、PLC 或同系列的变频器等连接,进⾏主从式、异步半双⼯串⾏通信。
其主要性能参见下表:项⽬规范适⽤机型 ALPHA3000系列变频器物理级EIA RS485 传输线屏蔽双绞线配线最长长度 500⽶连接台数主机⼀台,从机31台传输速度19200bps,9600bps,4800bps,2400bps,1200bps,600bps,300bps 数据交换⽅式异步串⾏、半双⼯传送协议点对点或⼴播字长 11位停⽌位长度 1位帧长 14字节固定奇偶校验奇校验出错检查⽅式异或校验2硬件连接 2.1硬件联接如下图:图 1 多台变频器⽤主机控制连接⽰意图图中的MASTER (主机)是ALPHA3000变频器、PC 机或可编程控制器(PLC ),图中的SLAVE (从机,在虚线框内)是变频器。
变频器做为主机,只要将从机的RS485端⼦和主机的RS485同名端⼦相联接即可;如果⽤PC 机或PLC 做为主机,则要在主机和总线之间增加⼀个RS485的转接器。
RS458串⾏总线接⼝最多可连接31台变频器做从机,每⼀个从机变频器都有⼀个唯⼀的号码(ID ),主机依靠ID 来识别每⼀台从机。
2.2 RS485转换器RS485转换器采⽤DB9/DB9外形,带孔的⼀端为RS232,带针的⼀端为RS485。
转换器外带接线转换头把RS485端的DB9接线转换为螺丝接线柱,便于通讯线缆的安装和拆卸。
接线转换头上“A+”为485收/发正端,“ B-”为485收/发负端,“GND”为485地线。
RS485接⼝组成半双⼯⽹络,⼀般只需⼆根连线,为获得良好的抗噪声⼲扰性和较长的传输距离,建议采⽤屏蔽双绞线传输。
3通讯协议3.1概述3.1.1通讯⽅式采⽤USS协议。
主机和从机之间⽤轮询的⽅式来进⾏通讯。
由主机启动每⼀次通信,主机向从机变频器发送任务报⽂,从机接到主机的任务命令后返回响应报⽂并执⾏相应动作。
9.2附录二: RS485通讯协议● 通讯协议简介AC90系列变频器标配RS485通讯接口,并采用国际标准的ModBus通讯协议进行的主从通讯。
用户可通过PC/PLC、上位机、主站变频器等实现集中控制(设定变频器控制命令、运行频率、相关功能码参数的修改,变频器工作状态及故障信息的监控等),以适应特定的应用要求。
● 应用方式1、AC90系列变频器具备接入RS485总线的“单主多从”控制网络。
主机使用广播命令(从机地址为0)时从机无应答。
2、AC90只提供RS485接口,异步半双工。
若外界设备的通讯口为RS232时,需要另加RS232/RS485转换器。
3、ModBus协议定义了串行通讯中异步传输的信息内容及使用格式,可分为RUT方式和ASCII方式。
AC90为RTU(远程终端单元)模式。
● 通讯帧结构通讯数据格式如下:字节的组成:包括起始位、8个数据位、校验位和停止位。
起始位 Bit1 Bit2Bit3Bit4Bit5Bit6Bit7Bit8校验位停止位一个帧的信息必须以一个连续的数据流进行传输,如果整个帧传输结束前超过1.5个字节以上的间隔时间,接收设备将清除这些不完整的信息,并错误认为随后一个字节是新一帧的地址域部分。
同样的,如果一个新帧的开始与前一个帧的间隔时间小于3.5个字节时间,接收设备将认为它是前一帧的继续,由于帧的错乱,最终CRC校验值不正确,导致通讯错误。
RTU帧的标准结构:帧头 3.5个字节的传输时间从机地址 通讯地址:0~247(十进制)(0为广播地址)命令代码 03H:读从机参数 06H:写从机参数 08H:回路自检测数据区 参数地址,参数个数,参数值等 CRC CHK 低位检测值:16位CRC校验值CRC CHK 高位帧尾 3.5个字节的传输时间177178在RTU 模式中,新的一帧以至少3.5个字节的传输时间停顿间隔作为开始。
紧接着传输的数据域依次为:从机地址、操作命令代码、数据和CRC 校验字,每个域传输字节都是十六进制的0...9,A...F。
变频器与上位机的通讯:浅述RS485通讯协议引言:当上位机与变频器构成控制系统时,上位机和变频器可以通过特定的通讯协议实现数据交换,这样上位机就可以随时控制每一台变频器的工作状况,并及时做出响应。
本文介绍一下一种常用的上位机和变频器通讯协议RS485通讯协议1、概述本文专门介绍一种变频器的RS485通讯接口,用户可通过PC/PLC实现集中监控(设定变频器参数和读取、控制变频器的工作状态),以适应特定的使用要求。
1.1协议内容该串行通讯协议定义了串行通讯中传输的信息内容及使用格式。
其中包括:主机轮询(或广播)格式:主机的编码方法,内容包括:要求动作的功能代码,传输数据和错误校验等。
从机的响应也是采用相同的结构,内容包括:动作确认,返回数据和错误校验等。
如果从机在接收信息时发生错误,或不能完成主机要求的动作,它将组织一个故障信息作为响应反馈给主机。
1.2应用方式:(1)变频器接入具备RS485总线的“单主多从”PC/PLC控制网。
(2)变频器接入具备RS485/RS232(转换接口)的“点对点”方式的PC/PLC监控后台。
2、总线结构及协议说明2.1总线结构(1)接口方式RS485(RS232可选,但需自备电平转换附件)(2) 传输方式异步串行、半双工传输方式。
在同一时刻主机和从机只能有一个发送数据,而另一个只能接收数据。
数据在串行异步通讯过程中,是以报文的形式,一帧一帧发送。
(3)拓扑方式单主站系统,最多32个站,其中一个站为主机、31个站为从机。
从机地址设定范围为0~30,31(1FH)为广播通讯地址。
网络中的从机地址必须是唯一的。
点对点方式实际是作为单主多从拓扑方式的一个应用特例,即只有一个从机的情况。
2.2协议说明此种变频器的通讯协议是一种串行的主从通讯协议,网络中只有一台设备(主机)能够建立协议(称为“查询/命令”)。
其它设备(从机)只能通过提供数据响应主机的查询/命令,或根据主机的命令/查询做出响应的动作。
串行口RS485通讯协议1.1通讯概述本公司系列变频器向用户提供工业控制中通用的RS485通讯接口。
通讯协议采用MODBUS标准通讯协议,该变频器可以作为从机与具有相同通讯接口并采用相同通讯协议的上位机(如PLC控制器、PC机)通讯,实现对变频器的集中监控,另外用户也可以使用一台变频器作为主机,通过RS485接口连接数台本公司的变频器作为从机。
以实现变频器的多机联动。
通过该通讯口也可以接远控键盘。
实现用户对变频器的远程操作。
本变频器的MODBUS通讯协议支持两种传送方式:RTU方式和ASCII方式,用户可以根据情况选择其中的一种方式通讯。
下文是该变频器通讯协议的详细说明。
1.2通讯协议说明1.2.1通讯组网方式(1) 变频器作为从机组网方式:图9-1 从机组网方式示意图(2) 多机联动组网方式:单主机单从机单主机多从机图9-2 多机联动组网示意图1.2.2通信协议方式该变频器在RS485网络中既可以作为主机使用,也可以作为从机使用,作为主机使用时,可以控制其它本公司变频器,实现多级联动,作为从机时,PC 机或PLC可以作为主机控制变频器工作。
具体通讯方式如下:(1)变频器为从机,主从式点对点通信。
主机使用广播地址发送命令时,从机不应答。
(2)变频器作为主机,使用广播地址发送命令到从机,从机不应答。
(3)用户可以通过用键盘或串行通信方式设置变频器的本机地址、波特率、数据格式。
(4) 从机在最近一次对主机轮询的应答帧中上报当前故障信息。
1.2.3通讯接口方式通讯为RS485接口,异步串行,半双工传输。
默认通讯协议方式采用ASCII 方式。
默认数据格式为:1位起始位,7位数据位,2位停止位。
默认速率为9600bps,通讯参数设置参见P3.09~P3.12功能码。
1.3 ASCII通讯协议字符结构:10位字符框(For ASCII)(1-7-2格式,无校验)(1-7-1格式,奇校验)(1-7-1格式,偶校验)11位字符框(For RTU)(1-8-2格式,无校验)(1-8-1格式,奇校验)(1-8-1格式,偶校验)通讯资料结构:ASCII模式通讯地址:00H:所有变频器广播(broadcast)01H:对01地址变频器通讯。
天正变频器通讯协议一、介绍天正变频器通讯协议是指用于天正变频器与其他设备之间进行通信的规则和约定。
在现代工业自动化领域,变频器作为控制电动机转速和输出功率的重要设备,与其他设备之间的通讯非常重要。
通过通讯协议,可以实现变频器与上位机、PLC等设备之间的数据交换和控制指令传输。
二、通讯协议类型天正变频器通讯协议主要分为两种类型:串行通信和以太网通信。
2.1 串行通信串行通信是指通过串行口(如RS485)进行数据传输的通讯方式。
天正变频器支持多种串行通信协议,如Modbus RTU、Profibus等。
其中,Modbus RTU是一种常用的串行通信协议,具有简单、开放和可靠的特点,广泛应用于工业自动化领域。
2.2 以太网通信以太网通信是指通过以太网接口进行数据传输的通讯方式。
天正变频器支持多种以太网通信协议,如Modbus TCP/IP、Ethernet/IP等。
以太网通信具有传输速度快、传输距离远、可靠性高等优点,适用于大规模工业自动化系统。
三、通讯协议功能天正变频器通讯协议具有以下功能:3.1 数据读取通讯协议允许上位机或其他设备读取变频器中的各种数据,如电机转速、输出频率、输出电流等。
通过读取这些数据,可以实时监测变频器的工作状态,进行故障诊断和性能评估。
3.2 参数设置通讯协议允许上位机或其他设备设置变频器的各种参数,如输出频率、输出电流限制等。
通过设置这些参数,可以实现对变频器的远程控制和调节。
3.3 报警监测通讯协议允许上位机或其他设备监测变频器的报警状态,如过流、过载、过热等。
一旦发生报警,可以及时采取措施,保护设备和人员的安全。
3.4 远程诊断通讯协议允许上位机或其他设备通过远程访问变频器,进行故障诊断和排除。
通过远程诊断,可以减少故障维修时间,提高设备的可用性和生产效率。
四、通讯协议实现天正变频器通讯协议的实现需要遵循一定的规则和步骤。
4.1 建立通讯连接在通讯开始之前,需要建立通讯连接。
德力西变频器RS485通讯协议德力西变频器RS485通讯协议一.德力西变频器通讯协议简介德力西变频器有两种通讯协议一种为国际上通用的标准MODBUS协议。
另一种为德力西公司自己开发的类MODBUS ASCII格式协议。
而在德力西变频器系列中,只有9200系列RTU程序支持标准MODBUS协议(只支持功能码06和03),9100-SC系列只支持标准MODBUS ASCII协议(不支持标准MODBUS RTU协议,只支持功能码06和03),其他系列皆不支持标准MODBUS协议,只支持德力西公司自己开发的类MODBUS ASCII格式协议。
二.德力西变频器标准MODBUS协议说明1.RS-485串行通讯端子定义如下SG+信号正端SG-信号负端使用RS-485串行通讯前,必须先用键盘设置变频器的“运行方式”、“波特率”、“数据格式”及“通讯地址”。
P00.00运行控制方式选择0:键盘运行1:端子运行2:RS-485运行3:由多功能端子选择P04.28波特率选择0:1200bps1:2400bps2:3800bps3:9600bps4:19200bps5:38400bpsP04.29数据格式0:MODBUS ASCII模式《N,7,2》1:MODBUS ASCII模式《E,7,1》2:MODBUS ASCII模式《O,7,1》3:MODBUS RTU模式《N,8,2》4:MODBUS RTU模式《E,8,1》5:MODBUS RTU模式《O,8,1》P04.30本机号码1~312.标准MODBUS通讯格式说明2.1ASCII模式STX起始字元(1个ASCII码3AH)ADR从机(变频器)地址变频器的地址范围为(1-31),A必须存在。
(8位,包含2个ASCII码)注地址A=00H时对所有从机生效,且所有从机不回送信息,故A=00H时只能发运行命令操作。
(广播方式)CMD数据包功能码(06写一个寄存器内容03读出一个寄存器内容)(8位,包含2个ASCII码)ADRESS数据地址(16位,包含4个ASCII码)DATA当功能码为06时为数据内容(16位,包含4个ASCII码)当功能码为03时为数据数(16位,包含4个ASCII码)LRC 侦误值(8位,包含2个ASCII码)END结束字元(2个ASCII码,0DH,0AH)2.2RTU模式ADR从机(变频器)地址变频器的地址范围为(1-31),A必须存在。
西门子变频器的RS485通信设计 - 变频器_软启动器(1) USS通信特点 USS是西门子公司为变频调速器开发的串口通信协议,可支持变频调速器同主机(PC或plc)之间建立通信连接,经常适用于规模较小的自动化系统。
这种系统结构有以下特点。
1)用单一的、完全集成的系统来解决自动化问题。
全部的西门子沟通调速器都可接受USS协议作为通信链路。
2)数字化的信息传递,提高了系统的自动化水平及运行的牢靠性,解决了模拟信号传输所引起的干扰及漂移问题。
3)其通信介质接受RS485屏蔽双绞线,最远可达1000m,因此可有效地削减电缆的数量,从而可以大大削减开发和工程费用,并极大地降低客户的启动和维护成本。
4)通信速率较高,可达187.5kb/s。
对于有10个调速器,每个调速器有6个过程数据需刷新的系统,PLC的典型扫描周期为几百毫秒。
5)它接受的操作模式为总线结构的单主站、主从存取方式。
报文结构具有参数数据与过程数据,前者用于转变变频调速器的参数,后者用于快速刷新变频调速器的过程数据,如启动停止、速度给定、力矩给定等。
具有极高的快速性与牢靠性。
6)西门子变频调速器的主机上大都供应USS接口,因此不需任何附加板,仅在上位机中插入一RS485通信板或RS232/RS485接口卡,就可实现调速器数据的存取。
因此接受USS,就能以低廉的成本实现一个小型的自动化系统。
(2) S7-200与变频器的通信S7-200把握西门子Micromaster变频器的标准的USS指令,接受RS485接口方式,通过PLC可以便利地把握和监测Micromaster变频器的运行和状态。
在使用USS协议和西门子变频器通信时,需留意以下几项。
1) USS协议是使用PLC的0端口和变频器通信的,对于有两个端口的S7系列PLC要留意不要使用错误的端口号,而且当端口0用于USS协议通信时,就不能再用于其他的目的了,包括与STEP7Micro/win的通信。
上位机通过以太网方式连接台达485变频器
演示下德嘉ModbusTCP转ModbusRTU转换器,用来连接一款台达变频器,然后用上位机控制这个台达变频器,下面以上位机控制变频器的其中一个参数(运行)来举个例子:
一、所用硬件设备:
1.台达品牌变频器(型号:VFD-M+)
2.ModbusTCP转ModbusRTU模块
3.上位机
二、硬件连接图示如下:
参数设置如下:
1.台达变频器默认的通讯参数为:9600,n,8,1;站号地址1
2.ModbusTCP转ModbusRTU模块设置的相关参数:
(1)转换器的IP地址,将该转换器通过网线与电脑连接好,IE浏览器输入192.168.1.222,进入IP设置
(2)Modbus RTU侧从站设置
3. 台达变频器寄存器地址是2000H,这里用的是06功能码,上位机用Modbus Poll(仿真PC做Modbus TCP的Client)控制变频器正转运行。
4.运行上位机Modbus Poll软件,地址换算成十进制为8192,然后点击Connection
然后改成16进制,输入12,变频器立即启动电机正转运行。
改变下频率,地址用2001H,十进制为8193,改到最大10000(正转),这时电机会迅速加速到50Hz的速度运转。
停机回到这个2000H控制命令,输入1,变频器即可带动电机停机。
变频器与上位机的通讯(一):浅述RS485通讯协议引言:当上位机与变频器构成控制系统时,上位机和变频器可以通过特定的通讯协议实现数据交换,这样上位机就可以随时控制每一台变频器的工作状况,并及时做出响应。
本文介绍一下一种常用的上位机和变频器通讯协议RS485通讯协议.以供同仁研讨,不当之处,请指正。
1、概述本文专门介绍一种变频器的RS485通讯接口,用户可通过PC/PLC实现集中监控(设定变频器参数和读取、控制变频器的工作状态),以适应特定的使用要求。
1.1协议内容该串行通讯协议定义了串行通讯中传输的信息内容及使用格式。
其中包括:主机轮询(或广播)格式:主机的编码方法,内容包括:要求动作的功能代码,传输数据和错误校验等。
从机的响应也是采用相同的结构,内容包括:动作确认,返回数据和错误校验等。
如果从机在接收信息时发生错误,或不能完成主机要求的动作,它将组织一个故障信息作为响应反馈给主机。
1.2应用方式:(1)变频器接入具备RS485总线的“单主多从”PC/PLC控制网。
(2)变频器接入具备RS485/RS232(转换接口)的“点对点”方式的PC/PLC监控后台。
2、总线结构及协议说明2.1总线结构(1)接口方式RS485(RS232可选,但需自备电平转换附件)(2) 传输方式异步串行、半双工传输方式。
在同一时刻主机和从机只能有一个发送数据,而另一个只能接收数据。
数据在串行异步通讯过程中,是以报文的形式,一帧一帧发送。
(3)拓扑方式单主站系统,最多32个站,其中一个站为主机、31个站为从机。
从机地址设定范围为0~30,31(1FH)为广播通讯地址。
网络中的从机地址必须是唯一的。
点对点方式实际是作为单主多从拓扑方式的一个应用特例,即只有一个从机的情况。
2.2协议说明此种变频器的通讯协议是一种串行的主从通讯协议,网络中只有一台设备(主机)能够建立协议(称为“查询/命令”)。
其它设备(从机)只能通过提供数据响应主机的查询/命令,或根据主机的命令/查询做出响应的动作。
德力西变频器RS485通讯协议一.德力西变频器通讯协议简介德力西变频器有两种通讯协议:一种为国际上通用的标准MODBUS协议。
另一种为德力西公司自己开发的类MODBUS ASCII格式协议。
而在德力西变频器系列中,只有9200系列RTU程序支持标准MODBUS协议(只支持功能码06和03),9100-SC系列只支持标准MODBUS ASCII协议(不支持标准MODBUS RTU协议,只支持功能码06和03),其他系列皆不支持标准MODBUS协议,只支持德力西公司自己开发的类MODBUS ASCII格式协议。
二.德力西变频器标准MODBUS协议说明1. RS-485串行通讯端子定义如下:SG+:信号正端SG-:信号负端使用RS-485串行通讯前,必须先用键盘设置变频器的“运行方式”、“波特率”、“数据格式”及“通讯地址”。
2.标准MODBUS通讯格式说明3.通讯协议参数地址定义:4.举例例1、正转启动1号变频器ASCII模式 RTU模式主机发送数据包回复数据包主机发送数据包回例2、设定1号变频器频率(存储)要设定1#变频器的频率的值为50.00HZ。
方法如下:50.00去掉小数点为5000D=1388HASCII模式 RTU模式主机发送数据包回复数据包主机发送数据包回例4、查询1号变频器运行频率1#变频器在运行状态下查询它的“输出频率”。
方法如下:输出频率的参数标号为P05.00 0500D=01F4H若1#变频器的“输出频率”为50.00HZ。
5000D=1388HASCII模式 RTU模式主机发送数据包回复数据包主机发送数据包回三.德力西变频器类MODBUS ASCII格式协议说明1.RS-485串行通讯端子定义如下:SG+:信号正端SG-:信号负端使用RS-485串行通讯前,必须先用键盘设置变频器的“运行方式”、“波特率”、“数据格式”及“通讯地址”。
2.采用异步传输:一台主机发送,可多台从机(变频器)接收,没接到主机请求,从机不能主动发送信息。
串行口RS485通讯协议1通讯概述本公司系列变频器向用户提供工业控制中通用的RS485通讯接口。
通讯协议采用MODBUS标准通讯协议,该变频器可以作为从机与具有相同通讯接口并采用相同通讯协议的上位机(如PLC控制器、PC机)通讯,实现对变频器的集中监控,另外用户也可以使用一台变频器作为主机,通过RS485接口连接数台本公司的变频器作为从机。
以实现变频器的多机联动。
通过该通讯口也可以接远控键盘。
实现用户对变频器的远程操作。
本变频器的MODBUS通讯协议支持两种传送方式:RTU方式和ASCII方式,用户可以根据情况选择其中的一种方式通讯。
下文是该变频器通讯协议的详细说明。
2通讯协议说明2.1通讯组网方式(1) 变频器作为从机组网方式:图1 从机组网方式示意图(2) 多机联动组网方式:单主机单从机单主机多从机图2 多机联动组网示意图2.2通信协议方式该变频器在RS485网络中既可以作为主机使用,也可以作为从机使用,作为主机使用时,可以控制其它本公司变频器,实现多级联动,作为从机时,PC 机或PLC可以作为主机控制变频器工作。
具体通讯方式如下:(1)变频器为从机,主从式点对点通信。
主机使用广播地址发送命令时,从机不应答。
(2)变频器作为主机,使用广播地址发送命令到从机,从机不应答。
(3)用户可以通过用键盘或串行通信方式设置变频器的本机地址、波特率、数据格式。
(4) 从机在最近一次对主机轮询的应答帧中上报当前故障信息。
2.3通讯接口方式通讯为RS485接口,异步串行,半双工传输。
默认通讯协议方式采用ASCII 方式。
默认数据格式为:1位起始位,7位数据位,2位停止位。
默认速率为9600bps,通讯参数设置参见P3.09~P3.12功能码。
3 ASCII通讯协议字符结构:10位字符框(For ASCII)(1-7-2格式,无校验)(1-7-1格式,奇校验)(1-7-1格式,偶校验)11位字符框(For RTU)(1-8-2格式,无校验)(1-8-1格式,奇校验)(1-8-1格式,偶校验)通讯资料结构:ASCII模式通讯地址:00H:所有变频器广播(broadcast)01H:对01地址变频器通讯。
1.1设置变频器通讯协议
注意:变频器通讯参数的设置需与屏的通讯参数一致(这里Modbus 地址设置为2,波特率、格式、超时就采用变频器默认设置,参数设置好后必须先断电再重新给变频器上电才能生效。
),否则将无法通讯。
1.2频率来源
注意:给定通道是设置变频器频率的来源,这里我们选择Modbus 通讯,说明变频器频率是由上位机设定通过Modbus 通讯写给变频器。
1.3命令来源设置
注意:命令通道是设置启动、停止、故障复位、反转等控制命令的来源,这里我们选择Modbus 通讯,说明变频器控制命令的是由上位机设定通过Modbus 通讯写给变频器。
根据变频器的控制流程图,施耐德变频器虽支持Modbus RTU 协议通信,但控制流程发送的代码不符合标准的Modbus用HMI 宏指令来实现对变频器的启动、停止、正反转。
也可以选择端子控制,这种方式相对通讯控制简单。
2。
Modbus 对应地址
注意:变频器物理地址为十六进制,对应到触摸屏所需要设置的地址是十进制,那他们是这样一一对应的,先将变频器物理地址十六进制数转换成十进制值,再将此十进制值加一所得到的值就是对应到触摸屏所需要设置的地址。
例如,CMD 地址为2135H,转换成十进制值是8501,那8501 加1 后所得到的值8502 就是对应到触摸屏所需要设置的地址。
变频器与上位机的通讯:浅述RS485通讯协议引言:当上位机与变频器构成控制系统时,上位机和变频器可以通过特定的通讯协议实现数据交换,这样上位机就可以随时控制每一台变频器的工作状况,并及时做出响应。
本文介绍一下一种常用的上位机和变频器通讯协议RS485通讯协议1、概述本文专门介绍一种变频器的RS485通讯接口,用户可通过PC/PLC实现集中监控(设定变频器参数和读取、控制变频器的工作状态),以适应特定的使用要求。
1.1协议内容该串行通讯协议定义了串行通讯中传输的信息内容及使用格式。
其中包括:主机轮询(或广播)格式:主机的编码方法,内容包括:要求动作的功能代码,传输数据和错误校验等。
从机的响应也是采用相同的结构,内容包括:动作确认,返回数据和错误校验等。
如果从机在接收信息时发生错误,或不能完成主机要求的动作,它将组织一个故障信息作为响应反馈给主机。
1.2应用方式:(1)变频器接入具备RS485总线的“单主多从”PC/PLC控制网。
(2)变频器接入具备RS485/RS232(转换接口)的“点对点”方式的PC/PLC监控后台。
2、总线结构及协议说明2.1总线结构(1)接口方式RS485(RS232可选,但需自备电平转换附件)(2) 传输方式异步串行、半双工传输方式。
在同一时刻主机和从机只能有一个发送数据,而另一个只能接收数据。
数据在串行异步通讯过程中,是以报文的形式,一帧一帧发送。
(3)拓扑方式单主站系统,最多32个站,其中一个站为主机、31个站为从机。
从机地址设定范围为0~30,31(1FH)为广播通讯地址。
网络中的从机地址必须是唯一的。
点对点方式实际是作为单主多从拓扑方式的一个应用特例,即只有一个从机的情况。
2.2协议说明此种变频器的通讯协议是一种串行的主从通讯协议,网络中只有一台设备(主机)能够建立协议(称为“查询/命令”)。
其它设备(从机)只能通过提供数据响应主机的查询/命令,或根据主机的命令/查询做出响应的动作。
主机在此处指个人计算机(PC)、工控机和可编程控制器(PLC)等,从机指的是变频器。
主机既能对某个从机单独访问,又能对所有的从机发布广播消息。
对于单独访问的主机查询/命令,从机都要返回一个信息(响应);对于单独访问的主机查询/命令,从机都要返回一个信息(称为响应);对于主机发出的广播信息,从机无需反馈响应给主机。
注意:和RS485通讯有关的参数的设定。
2.2.1数据格式主机有3种数据传输格式可选:(1)1位起始位、8位数据位、1位停止位、无校验。
(2)1位起始位、8位数据位、1位停止位、奇校验。
(3)1位起始位、8位数据位、1位停止位、偶校验。
从机默认:1位起始位、8位数据位、1位停止位、无校验。
2.2.2波特率主机有6种波特率可选:1200bps、2400bps、4800bps、9600bps、19200bps、38400bps从机默认:9600bps2.2.3通讯方式(1)采用主机“轮询”,从机“应答”点对点通讯。
(2)利用变频器键盘设置变频器串行接口通讯参数,包括本机地址、波特率、数据格式。
注:主机必须设置与变频器相同的波特率及数据格式。
2.2.4通讯规则(1)主机设计为三次握手呼叫过程,通讯失败或通讯故障后,主机最多可以对当前的报文重发三次。
(2)数据帧之间要保证有4个字节以上的启动间隔时间,只有具备规定的启动间隔时间的报文被识别时才有效。
从机一帧内各字节连续发送,无间隔时间。
发送一帧数据所需时间依波特率而定。
编码操作 校验数据 11字节的传送数据 启动间隔时间(3)主机的握手时间等待时间和变频器最长响应时间为8字节传输时间,超时则判定通讯失败。
(4)主机对从机(变频器)的轮询可以建立在一个用户定义的轮询表上,其轮询次序用户可根据实际需要自行定义。
如果需要某些从机比其它从机的轮询频率高,可使其地址在轮询表多次出现。
若轮询表只有一台从机,则即实现的是点对点连接。
(5)在轮训表内的每一个从站,主站必须定期轮询,轮训周期小于1000ms ,包括无应答时,应呼叫三次,既能保证及时发现从站的通讯故障,又能实现“即插即用”的功能。
(6)变频器在一定时间的间隔后(1000ms )若未收到任何报文,则认为发生断线故障,随后自行进入安全运行模式。
(安全运行模式须预先进行相应的参数设定)。
2.3报文结构每个报文共11个字节,包括三部分:帧头、用户数据、帧尾。
数据帧格式示意表:发送顺序发送字节数定 义说明:(1)帧头:包括起始字节、从机地址 (2)帧尾:包括校验数据(即校验和)(3)用户数据:包括参数数据和过程数据。
其中参数数据又包括:编码操作命令/响应、编码地址、编码设定/实际值。
过程数据又包括:主机控制命令/从机响应、主机运行设定频率值。
2.3.1主机命令帧主机发送的数据报文叫主机命令帧,其格式示意如下表:发送顺序 数 据发送字节数定 义2.3.2从机响应帧从机(变频器)发送的数据报文叫从机响应帧,其格式示意如下表:发送顺序 数 据发送字节数定 义2.4报文数据编码 2.4.1帧头 (1)启始字节本通讯协议规定:每个报文的启始字节均为5AH 。
但是启始字节本身对于识别报文的启动是不充分的,因为5AH 本身可能是报文中除启始字节外的其它数据。
因此需要在启始字节前定义一个至少4个字节传输时间的启动间隔,启动间隔时间为工作报文的一部分。
不同波特率的报文启动时间间隔时间表:(2)从机地址变频器的本机地址,16进制数,占一个字节,设置范围:0~30。
2.4.2用户数据 (1)参数数据主机命令帧:主机命令码 从机响应帧:从机响应码主机发送的命令码或从机对命令的响应码,其数据类型为:16进制,单字节。
数据含义:从机参数项所对应的地址值。
数据类型:16进制,单字节。
从机参数的编码地址此处不详述。
主机命令帧:参数值从机响应帧:参数值或错误码数据类型:16进制,双字节。
高位字节在后。
对于主机,参数值是指根据主机命令码,对指定编码地址所提供的数据。
当命令码为0或1时(即无任务或读参数数据时),该值可以是任意参数值值域内任意值。
对于从机,参数值是指命令执行成功时配合具体的主机命令码所返回的参数数据。
当执行失败时,所返回的为错误码。
详细错误码及含义如下:0:参数修改被锁定(写不允许)变频器通过中级参数的设定可以允许或禁止修改参数。
此时,试图修改被禁止改写的参数,将返回本错误提示。
1:运行中参数不能修改(写不允许)某些参数在变频器运行过程中不能被修改,试图修改这些参数将返回本错误提示。
2:参数被隐含(读、写不允许)变频器中级、高级参数及内部参数可以被隐含,只有打开这些参数后,才能对其进行读写操作。
否则将返回本错误提示。
3:保留参数(读、写不允许)变频器参数中有些还未定义的保留参数,试图修改这些参数时将返回本错误提示。
4:参数数值超限,写入失败试图修改的参数值超过变频器参数所设定的值域,此时将返回本错误提示。
5:试图写入过程参数(状态监控参数)变频器的状态监控参数是不能被外部改写的,试图修改这些参数将返回本错误提示。
6:非功能代码报文中指定的编码地址是无效(即不是状态监控参数表和功能参数表中的指定的编码地址)时,将返回本错误提示。
注:参数值=设定参数值/最小单位。
如果设定停电在启动等待时间为7.8秒,此参数最小单位为0.1,则参数值=7.8/0.1=78即16进制数4EH。
各参数的最小单位见变频器的功能参数一览表。
(2)过程数据主机命令帧:操作字从机响应帧:状态字数据含义:操作字为主机控制从机的运行数据。
状态字为从机返回当前运行的数据。
其具体含义如下表:(数据类型:16进制,双字节。
高位字节在后。
)操作字含义表:(上位机变频器)控制优先权顺序为:正转点动,反转点动,正转运行,反转运行,自由停机。
变频器从机命令帧:实际频率帧数据含义:设定频率值:根据主机命令码,设定变频器运行频率。
实际频率值:根据主机命令码,返回变频器实际运行频率。
如果变频器发生故障,实际值将返回相应故障代码。
数据类型:16进制,双字节。
高位字节在后。
故障代码如下表:2.4.3帧尾(校验和)数据含义:数据帧校验和计算结果数据类型:16进制,单字节。
计算方法:把从“启始字节”到“用户数据”全部字节连续累加。
校验和为取累加和除以256(100H)的余数。
校验和错误将导致通讯发生错误。
3.使用范例范例1:将6号变频器的数字频率(参数b-2)设定为27.00Hz.27/0.01=2700 2700(10进制)=A8C(16进制)主机发送帧:启始从机主机编码参数值操作字设定频率值校验和字节地址命令地址5A 06 03 02 8C 0A 00 00 00 00 FB从机响应帧:启始从机从机编码参数值状态字设定频率值校验和字节地址响应地址5A 06 01 02 8C 0A 00 00 00 00 FA说明:从机任务正确实现范例2:将0号变频器的负载电机额定频率(参数b-6)设定为60.00Hz.60/0.01=6000 6000(10进制)=1770(16进制)主机发送帧:启始从机主机编码参数值操作字设定频率值校验和字节地址命令地址5A 00 03 06 70 17 12 00 00 00 FC从机响应帧:启始从机从机编码参数值状态字设定频率值校验和字节地址响应地址5A 06 01 06 70 17 01 00 01 00 E9说明:从机任务正确实现5A 00 02 06 01 00 11 00 00 00 74说明:从机加速运行中,该参数不能修改范例3:将1号变频器按10.30Hz的频率正转10.30/0.01=1030 1030(10进制)=406(16进制)主机发送帧:启始从机主机编码参数值操作字设定频率值校验和字节地址命令地址5A 01 00 00 00 00 12 00 06 04 77从机响应帧:启始从机从机编码参数值状态字设定频率值校验和字节地址响应地址5A 01 00 00 00 00 11 00 06 04 76说明:从机任务正确实现5A 00 00 00 00 00 09 00 01 00 65说明:从机加速运行中发生过电流范例4:将0号变频器的VI1输入电压下限(参数L-34)设为1.0V,同时使变频器以30Hz 的设定频率正转运行。
30/0.01=3000 3000(10进制)=BB8(16进制)主机发送帧:启始从机主机编码参数值操作字设定频率值校验和字节地址命令地址5A 00 03 34 0A 00 12 00 B8 0B 6F从机响应帧:启始从机从机编码参数值状态字设定频率值校验和字节地址响应地址5A 00 01 34 0A 00 05 00 00 00 9E说明:从机任务正确实现,当前从机状态为为反相序,直流电压正常。