普通铣床教案(新)
- 格式:doc
- 大小:592.50 KB
- 文档页数:37
8级普通铣床课程设计一、课程目标知识目标:1. 学生能够理解普通铣床的基本结构、工作原理及操作流程。
2. 学生能够掌握普通铣床的常用刀具、切削参数及其适用范围。
3. 学生能够了解普通铣床加工工艺的基本知识,包括铣削方式、路径规划等。
技能目标:1. 学生能够熟练操作普通铣床,完成铣削加工的基本操作。
2. 学生能够根据工件加工要求,选择合适的刀具、切削参数和加工工艺。
3. 学生能够运用普通铣床进行简单的铣削加工,并达到图纸要求的尺寸精度和表面质量。
情感态度价值观目标:1. 学生培养对机械加工的兴趣,增强对制造业的认识和尊重。
2. 学生形成严谨、细致的工作态度,注重安全生产,遵循操作规程。
3. 学生培养团队协作精神,提高沟通与交流能力,为未来从事制造业工作奠定基础。
课程性质:本课程为实践性课程,注重培养学生的实际操作能力,结合理论知识,提高学生的综合应用能力。
学生特点:8级学生具备一定的机械基础知识,对普通铣床有初步了解,但实际操作能力有待提高。
教学要求:结合学生特点,注重理论联系实际,循序渐进地提高学生的操作技能,确保课程目标的实现。
在教学过程中,关注学生的个体差异,因材施教,确保每个学生都能达到课程目标。
通过课程学习,使学生具备普通铣床操作的基本能力,为后续专业课程学习和未来职业发展打下坚实基础。
二、教学内容1. 普通铣床的基本结构及工作原理:包括铣床的组成部分、功能、工作原理以及安全操作注意事项。
教材章节:第一章《普通铣床概述》2. 常用铣刀的类型、结构及应用:介绍各类铣刀的特点、适用范围及选用原则。
教材章节:第二章《铣刀与铣削参数》3. 铣削加工工艺:讲解铣削方式、路径规划、切削参数选择等工艺知识。
教材章节:第三章《铣削加工工艺》4. 普通铣床操作技巧:教授操作步骤、加工方法以及注意事项,提高学生操作技能。
教材章节:第四章《普通铣床操作技巧》5. 铣床加工实例分析:分析典型工件的加工工艺、编程与操作,培养学生的实际应用能力。
普通铣床教案第周星期第节年月日课题入门知识授课班级课时 1 总课时 56知识目标: 1.生产实习课守则2.安全技术操作规程能力目标:掌握铣床的维护保养情感目标:通过不同工件的展示,让学生们喜欢铣床实训这门课重点:安全技术操作规程难点:铣床的维护保养《铣工技能训练》《铣工工艺与技能训练》XJ6325T铣床步骤教学内容教法、学法及活动时间分配【导入】【新课】同学们看看这是什么?见过这个同学举一下手?提问:同学们想一想,我们身边有哪些东西,是用铣床加工出来的?10min教学目标(含知识、能力、情感等目能力训练任务参考资料及教具第周星期第节年月日重点:安全技术操作规程难点:铣床的维护保养《铣工技能训练》《铣工工艺与技能训练》XJ6325T铣床步骤教学内容教法、学法及活动时间分配【导入】【新课】大家都玩过拼图吧?我们把一个一个小图案组合成一幅完整的图案,而我们的铣床,它也是一个一个小部件拼起来的,这节课,我要教大家的,就是这些部件,以及它们在铣床中的用处!观看图片提出问题步骤教学内容教法、学法及活动时间分配能力训练任务参考资料及教具第周星期第节年月日重点:安全技术操作规程难点:铣床的维护保养《铣工技能训练》《铣工工艺与技能训练》XJ6325T铣床步骤教学内容教法、学法及活动时间分配【导入】【新课】大家看一下这些工件,觉不觉得很漂亮,这些都是用我们的铣床加工出来的!这节课,我们要真正的上机操作了,希望同学们可以认真的对待!图片展示步骤教学内容教法、学法及活动时间分配能力训练任务参考资料及教具如图2-21(b) 、(c)所示,用面铣刀铣削平面时,工件铣削层宽度在铣刀中心两边不相等的铣削方式,称为不对称端铣。
图2-21 对称铣削与不对称铣削(a)对称铣削;(b)非对称逆铣;(c)非对称顺铣不对称端铣时,当进刀部分大于出刀部分时称为逆铣。
如图2-21(b) 所示;反之称为顺铣,如图2-21(c)所示。
顺铣时,同样有可能拉动工件台,造成严重后果,故一般不采用。
第周星期第节年月日同学们看看这是什么?见过这个同学举一下手?从今天起我们就要学习这个铣床了!步骤教学内容教法、学法及活动时间分配(一)生产实习课守则(1)上下课有秩序地进出生产车间。
(2)上课前穿好工作服,女同学戴好工作帽,辫子盘在工作帽内。
(3)不准穿背心、拖鞋和戴围巾进行实习车间。
(4)生产实习课上应团结互助,遵守纪律,不准随便离开生产实习车间.(5)生产实习中严格遵守安全操作规程,避免出现人身和机床事故。
理实区讲课20min第周星期第节年月日知识目标: 1.生产实习课守则2。
安全技术操作规程能力目标: 掌握铣床的维护保养情感目标:通过不同工件的展示,让学生们喜欢铣床实训这门课重点:安全技术操作规程难点: 铣床的维护保养《铣工技能训练》《铣工工艺与技能训练》XJ6325T铣床步骤教学内容教法、学法及活动时间分配【导入】【新课】大家都玩过拼图吧?我们把一个一个小图案组合成一幅完整的观看图片提出问题教学目标(含知识、能力、情感等能力训练任参考资料及教具第周星期第节年月日参考资料及教具《铣工技能训练》《铣工工艺与技能训练》XJ6325T铣床时间步骤教学内容教法、学法及活动分配【导入】图片展示【新课】大家看一下这些工件,觉不觉得很漂亮,这些都是用我们的铣床加工出来的!这节课,我们要真正的上机操作了,希望同学们可以认真的对待!时间步骤教学内容教法、学法及活动分配向相反,所以工作台在进给方向不会产生突然拉动现象。
但是,此时作用在工作台横向进给方向上的分力较大,会使工作台沿横向产生突然拉动,因此铣削前必须紧固横向工作台。
基于上述原因,用面铣刀进行对称铣削时,只适用于加工工短而宽或较厚的工件,不宜铣削狭长或较薄的工件。
2、不对称端铣如图2-21(b) 、(c)所示,用面铣刀铣削平面时,工件铣削层宽度在铣刀中心两边不相等的铣削方式,称为不对称端铣。
图2—21 对称铣削与不对称铣削(a)对称铣削;(b)非对称逆铣;(c)非对称顺铣不对称端铣时,当进刀部分大于出刀部分时称为逆铣。
普通铣床教学教案教案标题:普通铣床教学教案教案目标:1. 了解普通铣床的基本原理、结构和操作方法;2. 掌握普通铣床的安全操作规范;3. 学会使用普通铣床进行简单的铣削加工操作;4. 培养学生对普通铣床的兴趣和实践能力。
教学内容:1. 普通铣床的基本原理和结构;2. 普通铣床的操作方法;3. 普通铣床的安全操作规范;4. 普通铣床的简单铣削加工操作。
教学步骤:第一步:导入与铣床相关的知识(10分钟)- 引导学生回顾金属加工基础知识,如切削原理、切削力、刀具种类等;- 引导学生思考普通铣床与其他加工设备的区别和特点。
第二步:介绍普通铣床的基本原理和结构(15分钟)- 通过图示和实物展示,向学生介绍普通铣床的基本原理和结构;- 强调各部件的功能和作用,如主轴、进给系统、工作台等。
第三步:讲解普通铣床的操作方法(20分钟)- 分步骤讲解普通铣床的开机、关机、换刀、调速等操作方法;- 强调操作时的注意事项,如保持机床整洁、正确使用夹具等。
第四步:讲解普通铣床的安全操作规范(15分钟)- 引导学生了解普通铣床的安全操作规范,如佩戴防护用品、避免手部接近刀具等;- 强调学生在操作过程中要时刻保持警惕,注意安全。
第五步:示范和实践操作(30分钟)- 教师进行普通铣床的示范操作,展示正确的操作流程和技巧;- 学生根据教师示范进行实践操作,如进行简单的铣削加工。
第六步:总结和评价(10分钟)- 引导学生总结本节课所学内容,强调普通铣床的重要性和应用领域;- 鼓励学生积极参与实践操作,提出改进建议和意见。
教学资源:1. 普通铣床的实物、图示和模型;2. 相关的教学PPT或教材;3. 安全操作规范手册;4. 铣刀、工件等实际操作所需材料。
教学评价:1. 观察学生在操作过程中的技能掌握情况;2. 学生对普通铣床相关知识的理解程度;3. 学生对安全操作规范的遵守程度;4. 学生对实践操作的兴趣和积极性。
教学扩展:1. 鼓励学生参与实际工程项目,提高实践能力;2. 组织学生参观工业企业,了解普通铣床在实际生产中的应用;3. 组织学生参加技能竞赛,提高技能水平和竞争意识。
普通铳床工实习教案(一)一、课程基本情况总学时:六周总学分:6适用专业:机械相关专业修课方式:必修考核方式:考查二、课程的性质、任务和目的(一)课程的性质和任务:金工实习是工科学生重要的实践性教学环节,是机械制造基础课程教学的组成部分,金工实习是以实践训练为主要的教学方式,学生通过冷加工、常规机械加工、数控加工的工艺训练,使学生初步接触生产实践,获得机械工业生产常用的金屈材料及加工工艺的入门知识和一定的基本操作技能训练,为金工课堂教学及将来从事技术工作打下实践基础。
同时,通过实习培养学生的工程意识和创新能力。
金工实习实执行以教学为主的原则,认真贯彻教学实习大纲的要求,并注意与理论课堂教学互相衔接,紧密配合。
(二)课程的教学要求:(1)熟悉金属的主耍加工方法,所用的设备和工具,并具有初步的操作技能。
(2)对毛坯和零件的加工工艺过程有一般的了解。
(3)熟悉有关的工程术语,了解主要的技术文件。
(4)能合理地安排个人的工作地点,并遵守操作规程与安全技术规则。
(5)遵守劳动纪律,爱护国家财产。
三、课程的授课环境:本课程属于技术基础课,最好是在制图、机械制造工艺基础等相关课程开课后开木课程。
四、课程内容(-)课程内容:1.车工实习(1)车工实习内容及要求①解车间的概况,生产任务和工作特点。
②了解普通车床的型号、功用、组成、切削运动、传动系统及调整方法。
③了解常用车刀、量具、主要附件的结构及使用方法。
④了解零件加工精度、切削用量与加工经济性的相互关系。
⑤掌握车工的基木操作技能,能独立地加工一般轴类零件⑥能制订一般轴类零件的车削工艺,会选择相应的工、夹、量具。
(2)实习示范讲解①车削在机械制造中的地位与作用、工作的主要内容。
②车削操作基木动作示范。
③车刀的安装及调整示范。
④工件夹装及车床通用附件使用示范⑤车床结构及传动元件传动示范。
⑥外圆、端面、台阶车削示范。
(3)车削实习学生实践操作①熟悉指示牌、刻度盘的内容,练习手柄的使用,主轴传速及进给量的调整,工件的装卡及车刀的安装,切削用量的调整。
机械切削加工(铣工):零件的普通铣床加工学习任务设计方案专业名称铣工一体化课程名称铣直齿轮学习任务C6140车床溜板箱齿轮轴的铣削学时30课时工作情境描述学校C6140车床溜板箱齿轮轴由于长时间使用出现严重磨损,学校委托我车间利用现有设备加工直齿轮20件,交货周期为十天,学校要求我们在规定时间内完成。
学习任务描述在教师的指导下,学生接受齿轮轴铣削的加工任务,了解齿轮轴的基本参数和几何尺寸计算,学习齿轮轴的加工方法,确定齿轮轴的加工步骤并正确安装和铣削,加工过程中要适时检测确保质量,加工完毕后进行自检、送检。
与其他学习任务的关系本任务综合了分度头的使用,要求学生在此基础上完成本任务。
学生基础学生已经完成了分度头的分度方法学习及离合器、花键轴铣削学习目标1.能按照车间安全防护规定穿戴劳保用品,执行安全操作规程,牢固树立正确的安全文明操作意识。
2.能独立阅读工作任务书,明确工时、加工数量等要求。
3.能识读图样、工艺卡和检验卡,查阅相关资料并计算。
4.能正确的选择铣齿轮轴用的铣刀,确定齿轮轴的加工步骤,并对工件进行正确的加工。
5.能描述齿轮轴的检查项目及技术要求6.能对齿轮轴进行正确的自检和互检。
7. 能主动获取有效信息,展示工作成果,对学习与工作进行总结反思,能与他人合作,进行有效沟通学习内容1.学习安全操作规程。
2.实施5S现场管理规定;3.学习齿轮轴的装夹方法、计算方法,正确选择铣刀;4.学习齿轮轴的加工步骤;5.齿轮轴轮的检查项目及技术要求6.齿轮轴的自检和互检。
7. 与他人合作、沟通,获取信息,对学习与工作进行总结教学条件切削手册、安全操作规程、车间管理制度、5s管理规范制度、X6132铣床、量具、刀具、分度头。
教学组织形式1.情景再现教师以小组的形式组织学生认知齿轮轴。
2.小组讨论利用图纸讨论齿轮轴铣削的装夹、计算方法和刀具选择。
3.制定方案学生分组讨论齿轮轴铣削的加工步骤。
4.实施方案分小组进行齿轮轴的加工,自检和互检。
普通铣工教案教案标题:普通铣工教案教案概述:本教案旨在为普通铣工课程提供全面的教学指导和建议。
通过本教案的实施,学生将能够掌握普通铣工的基本知识和技能,包括铣床的操作、刀具的选择与使用、工件的夹紧与定位、铣削工艺的应用等。
同时,通过实践操作和案例分析,学生将培养解决问题和团队合作的能力。
教学目标:1. 理解普通铣工的基本概念和工艺流程;2. 掌握铣床的操作技巧,包括开机与关机、速度与进给的调节等;3. 熟悉常用刀具的选择与使用原则;4. 学会工件的夹紧与定位方法;5. 能够根据工艺要求进行铣削加工,并掌握常见的铣削工艺;6. 发展解决问题和团队合作的能力。
教学内容与活动:1. 普通铣工概述- 介绍普通铣工的定义、分类和应用领域;- 分析普通铣工的工艺流程和操作要点。
2. 铣床操作技巧- 演示铣床的开机与关机步骤;- 演示速度和进给的调节方法;- 练习使用铣床进行简单的面铣操作。
3. 刀具选择与使用- 介绍常见的铣削刀具种类和结构特点;- 分析刀具选择的原则和注意事项;- 演示刀具的安装和更换方法。
4. 工件的夹紧与定位- 介绍常用的工件夹具和定位元件;- 演示工件夹紧和定位的方法;- 练习使用夹具进行工件夹紧与定位。
5. 铣削工艺与加工- 介绍常见的铣削工艺,如平面铣削、立面铣削、槽铣削等;- 演示不同工艺的操作步骤和注意事项;- 练习根据工艺要求进行铣削加工。
6. 案例分析与实践操作- 提供实际工件的案例,要求学生分析工艺要求和加工方案;- 学生进行实践操作,完成给定工件的铣削加工;- 学生进行成果展示和评价,分享经验和心得。
教学评估:1. 课堂练习:针对每个教学环节,设置相应的练习题,检测学生对知识点的理解和掌握程度。
2. 实践操作评估:对学生的实践操作进行评估,包括操作技巧、工艺掌握和成品质量等方面的评价。
3. 案例分析评估:对学生在案例分析中的解决问题和团队合作能力进行评估,包括分析思路、方案设计和结果展示等。
《普通铣床教案》一、教学目标:1. 了解普通铣床的结构、原理和应用范围;2. 掌握铣床的基本操作方法和技巧;3. 能够正确使用铣床附件和刀具;4. 了解铣床的安全操作规程。
二、教学内容:1. 普通铣床的结构与原理:介绍铣床的主要部件及其作用,阐述铣床的工作原理;2. 铣床的基本操作:讲解铣床的启动、停止、速度调节等操作方法,演示铣床加工过程;3. 铣床附件与刀具:介绍铣床附件的种类和功能,讲解刀具的选择和使用方法;4. 铣床的安全操作规程:强调铣床操作中的安全注意事项,指导学生遵守铣床安全操作规程。
三、教学方法:1. 理论讲授:讲解普通铣床的基本知识,使学生了解铣床的结构、原理和应用范围;2. 实操演示:展示铣床的操作过程,使学生掌握铣床的基本操作方法和技巧;3. 练习实践:安排学生上机操作,培养学生的实际操作能力;4. 安全教育:通过讲解安全事故案例,提高学生安全意识,使学生能够遵守铣床安全操作规程。
四、教学准备:1. 教室环境:宽敞明亮的教室,配备投影仪、音响等教学设备;2. 铣床设备:普通铣床、铣刀、附件等;3. 教学资料:教案、PPT、视频等;4. 安全防护用品:安全帽、防护眼镜、防护手套等。
五、教学评价:1. 学生理论知识的掌握程度,通过课堂提问、课后作业等方式评估;2. 学生实操能力的提升,通过上机操作、作品展示等方式评估;3. 学生安全意识的提高,通过安全知识测试、行为观察等方式评估。
教案编辑专员:X日期:YYYY年MM月DD日六、教学进程安排:1. 第一课时:普通铣床的结构与原理理论讲解:介绍铣床的主要部件及其作用,阐述铣床的工作原理课堂互动:学生提问,教师解答2. 第二课时:铣床的基本操作实操演示:讲解铣床的启动、停止、速度调节等操作方法,演示铣床加工过程学生练习:学生在教师指导下进行铣床操作练习3. 第三课时:铣床附件与刀具理论讲解:介绍铣床附件的种类和功能,讲解刀具的选择和使用方法实物展示:展示铣床附件和刀具,加深学生理解4. 第四课时:铣床的安全操作规程理论讲解:强调铣床操作中的安全注意事项,指导学生遵守铣床安全操作规程安全演练:学生进行安全演练,提高安全意识5. 第五课时:综合练习与总结学生实操:学生独立进行铣床操作,巩固所学知识课堂总结:教师总结本节课的重点内容,学生提问七、教学注意事项:1. 确保教学环境安全,设备正常运行;2. 注重学生的个体差异,因材施教;3. 强调铣床操作中的安全规程,预防安全事故的发生;4. 鼓励学生积极参与课堂互动,提高学习效果。
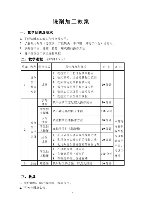
铣削加工教案一、教学目的及要求1.了解铣削加工的工艺特点及应用。
2.了解常用附件(分度头、万能铣头、平口钳、回转工作台)的功用。
3.掌握铣平面、键槽、齿轮、螺旋槽的操作方法。
4.遵守铣削加工安全操作规程。
二、教学进程(总时间1.5天)三、教具1.零件图纸,圆柱形棒料,游标卡尺。
2.有关挂图及实物。
3.各种铣刀一套(槽铣刀应配有铣好的实物)。
4.分度头、万能铣头、平口钳、回转工作台各一台。
铣削加工讲授内容机械加工中,铣削加工是除了车削加工之外用得较多的一种加工方法,主要用于加工平面、斜面、垂直面、各种沟槽以及成形表面。
一、铣削的工艺特点及应用1.铣刀是多齿刀具,铣削过程中多个刀齿同时参加切削,无空行程。
硬质合金铣刀可以实现高速切削,所以通常情况下生产率高于刨削。
2.铣削加工范围很广。
可加工刨削无法加工或难加工的表面。
例如可铣削周围封闭的内凹平面、圆弧形沟槽、具有分度要求的小平面或沟槽等。
3.铣削力变动较大,易产生振动,切削不平稳。
4.铣床、铣刀比刨床、刨刀结构复杂,且铣刀的制造与刃磨比刨刀困难,所以铣削成本比刨削高。
5.铣削与刨削的加工质量大致相当,经粗、精加工后都可达到中等精度。
但在加工大平面时,刨削后无明显的接刀痕,而用直径小于工件宽度的端铣刀铣削时,各次走刀间有明显的接刀痕,影响表面质量。
铣削的加工精度一般为IT9~IT8,表面粗糙度值Ra为6.3~1.6mμ。
二、铣削运动及铣削用量1.铣削运动为完成铣削过程必须要有以下运动:①铣刀的旋转——主运动(v c);②工件随工作台缓慢的直线移动——进给运动(v f)。
2.铣削用量铣削时的铣削用量由铣削速度v c、进给量f和背吃刀量(又称铣削深度)a p和侧吃刀量(又称铣削宽度)a e四要素组成。
1)铣削速度v c铣削速度即铣刀最大直径处的线速度,可由下式计算v c=0/1000d nπ(m/min)式中:d0—铣刀直径(mm);n—铣刀转数(r/min)。
普通铣床讲义普通铣床讲义铣⼯是指在铣床(或镗铣床)上利⽤镗床或铣⼑等⼑具进⾏切削加⼯,使⼯件获得图样所要求的精度(包括尺⼨,形状和位置精度)和表⾯质量的⼀个⼯种。
铣床是利⽤旋转的多刃⼑具来进⾏切削的,故其具有效率⾼,加⼯范围⼴等特点,可铣平⾯,台阶,沟槽,成形⾯,特形沟槽,齿轮螺旋槽,⽛嵌离合器,以及切断,和镗孔等。
因此铣削加⼯在机械制造业中得到⼴泛的应⽤。
由于铣床加⼯是⼀种技术含量⾼的⼯种,因此本次实训要掌握以下要求1.熟悉铣⼯安全⽂明⽣产的有关知识2.了解铣床的类型及特点3.常⽤量具的使⽤和保养4.普通铣床的基本操作5.铣台阶,直⾓沟槽⼀、安全⽣产“安全⽣产,⼈⼈有责”。
所有⼈必须加强法制观念,认真执⾏党和国家有关安全⽣产和劳动保护政策、法令、规定,严格遵守安全技术操作规程和各项安全⽣产规章制度。
安全⽣产⼀般常识(1)开始⼯作前,必须按规定穿戴好防护⽤品。
(2)不准擅⾃使⽤不熟悉的机床和⼯具。
(3)清除切屑要使⽤⼯具,不得直接⽤⼿拉、擦。
(4)⼯具、夹具、量具应放在专门地点,严禁乱堆乱放。
1.概述1)铣削在⼯艺过程中的特点及应⽤,实习⽬的意义,安全操作及注意事项;2)实习内容及安排。
2.讲解⽰范与表演1).铣床的种类、型号、加⼯范围。
2).铣床的组成及⽤途。
3).铣⼑的种类、材料、安装⽅法及选择。
4).附件种类和应⽤,万能分度头结构及分度⽅法。
5).其它机床的组成,加⼯范围及操作⽅法。
⼆、⽂明⽣产1.执⾏规章制度,遵守劳动纪律劳动纪律是职⼯从事集体性、协作性劳动所不可缺的条件。
要求每位职⼯都能按照规定的时间、程序和⽅法完成⾃⼰承担的任务,保证⽣产过程有秩序、有步骤地进⾏,顺利完成各项任务。
2.严肃⼯艺纪律,贯彻操作规程严格执⾏⼯艺纪律,认真贯彻操作规程,是保证产品质量的重要前提。
3.优化⼯作环境,创造良好的⽣产条件清洁⽽整齐的⼯作环境,可以振奋职⼯精神,⽽提⾼劳动⽣产率。
4.加强设备的维修保养学⽣对所使⽤的设备要经常保持清洁,及时润滑,并按规定⾏检修和保养。
《普通铣床教案》一、教学目标1. 了解普通铣床的基本结构、工作原理和功能。
2. 掌握铣床的操作步骤和安全注意事项。
3. 学会使用铣刀进行铣削加工,并能熟练操作铣床完成简单的铣削任务。
二、教学内容1. 普通铣床的基本结构:床身、滑枕、工作台、铣刀等。
2. 普通铣床的工作原理:铣刀旋转切削,工件移动进给。
3. 铣床的功能:平面铣削、立面铣削、斜面铣削、沟槽铣削等。
4. 铣床的操作步骤:启动电源、装夹工件、选择铣刀、调整刀具位置、设置加工参数、开始铣削、完成加工、关闭电源。
5. 铣床的安全注意事项:遵守操作规程、穿戴个人防护装备、防止机床损坏和人身伤害。
三、教学方法1. 采用讲授法,讲解普通铣床的基本结构、工作原理和功能。
2. 采用演示法,展示铣床的操作步骤和安全注意事项。
3. 采用实践法,让学生亲自动手操作铣床,完成简单的铣削任务。
4. 采用分组讨论法,让学生相互交流学习心得,提高操作技能。
四、教学资源1. 普通铣床一台,用于演示和操作实践。
2. 铣刀若干,用于学生的实践操作。
3. 安全个人防护装备,如安全帽、防护眼镜、手套等。
4. 教学PPT,用于讲解和展示铣床的相关知识。
五、教学评价1. 学生能熟练掌握普通铣床的基本结构、工作原理和功能。
2. 学生能熟练操作铣床,完成简单的铣削任务。
3. 学生能严格遵守铣床的安全注意事项,确保自己和机床的安全。
4. 学生能通过实践,提高自己的铣削技能和创新能力。
六、教学安排1. 理论教学:第1-2课时,讲解普通铣床的基本结构、工作原理和功能,以及铣床的操作步骤和安全注意事项。
2. 实践教学:第3-4课时,学生分组操作铣床,完成简单的铣削任务。
七、教学步骤1. 课前准备:检查铣床设备是否正常,准备好铣刀和个人防护装备。
2. 讲解铣床的基本结构、工作原理和功能,通过PPT展示和实物讲解相结合。
3. 演示铣床的操作步骤和安全注意事项,让学生了解操作过程。
4. 学生分组操作铣床,教师巡回指导,纠正操作错误。
铣床讲课教案一、教案概述铣床是机械制造中常见的一种机床,它广泛应用于制造、修复和加工各种金属和非金属材料。
本教案旨在通过系统的课堂教学,帮助学生全面掌握铣床的基本操作和安全使用技巧。
二、教学目标1. 理解铣床的工作原理和结构组成;2. 掌握铣床的基本操作技巧,包括开机、热切削和切削力计算等;3. 学会使用铣床进行基本工件加工,如平面铣削、倒角、开槽等;4. 培养学生的安全意识和操作规范,确保铣床的安全使用。
三、教学内容及方法1. 铣床基本知识讲解a. 铣床的分类和结构组成b. 铣削原理及机床刀具的选择c. 铣床的主要部件和工作机构2. 铣床的操作和安全使用讲解a. 铣床的开机和关机操作b. 刀具的安装与拆卸c. 工件装夹和工作台调整d. 铣削加工参数的设定和调整e. 刀具的切削速度和送进速度选择f. 铣削过程中的刀具运动和工件加工速度控制g. 铣床切削力的计算和力矩的分析h. 倒角、开槽等基本工件加工技巧3. 实践操作和练习a. 给学生提供具体工件,进行实际操作练习b. 引导学生进行精确测量和加工质量评估c. 提供不同难度和复杂度的工件加工任务,让学生进行模拟加工演练四、教学过程和教学资源1. 教学过程a. 通过投影仪或者白板,展示铣床的结构和工作原理,引导学生理解基本知识;b. 运用多媒体和教学视频,展示铣床的操作和安全注意事项;c. 配备实际铣床、刀具和工件,让学生进行实际操作和练习;d. 以小组为单位,开展合作学习和归纳总结;e. 对学生的操作和练习过程进行指导,提供及时反馈;f. 设计铣床操作规范和安全意识考核,确保学生安全操作。
2. 教学资源a. 针对铣床的教学视频和PPT课件;b. 实际铣床和相应的刀具、工件;c. 工件测量工具和质量评估工具;d. 学生实践操作的实验室或工作坊。
五、教学评估方法1. 操作评估:通过考察学生的实际操作技能和加工质量,进行实时评估;2. 知识问答:通过课堂练习和小测验等形式,考察学生对铣床相关知识的理解程度;3. 实验报告:要求学生记录实际操作过程和加工效果,并对加工结果进行分析和评价。
第周星期第节年月日
第周星期第节年月日
第周星期第节年月日
图2-21 对称铣削与不对称铣削 (a)对称铣削;(b)非对称逆铣;(c)非对称顺
铣
不对称端铣时,当进刀部分大于出刀部分时称为逆铣。
如图2-21(b) 所示;反之称为顺铣,如图2-21(c)所示。
顺铣时,同样有可能拉动工件台,造成严重后果,故一般不采用。
端铣时,垂直铣削力的大小和方向与切削方式无关。
另外用端铣法逆铣时,刀齿开始切入时的切周厚度较薄,切削刃受到的冲击较小,并且切削刃开始切入时无滑动阶段,故可提高铣刀的寿命。
用端铣法作顺铣时的优点是切削在切离工件时较薄,所以切屑容易去掉,切削刃切入时切屑较厚,不致在冷硬层中挤刮,尤其对容易产生冷硬现象的材料,如不锈钢,则更为明显。
1. 1.写出顺铣与逆铣的特点?
2.写出端铣和圆周铣的好坏?
学生对表面粗糙度都能很好的控制,但对顺铣逆铣概念不是很清楚。
个别学
生在操作过程中,存在速度过快,切削深度太深等问题。
作业 目标达成分析
第周星期第节年月日
步骤教学内容教法、学法及活动时间分配
在铣床上用端铣刀铣平面举例
以图2-23矩形工件为例,说明铣平面的具体加工步骤。
图2-23 矩形零件图
1、机床与刀具的选择
根据图纸,确定该工件在X5032立式铣床上加工。
切削刀具选用Φ16mm端铣刀。
2、基准确定
加工矩形工件时,应选择较大的平面作为基准,根据毛坯尺寸100mm×100mm×100mm,应选择A面为精基准面,而粗基准面为B面。
3、工件的装夹
由于该工件的尺寸较小,精度要求较高,选用机用平口钳装夹工件。
将工件的基准面与固定钳口相贴合,平口钳的导轨面上垫上平行垫块,若钳口直接与毛坯接触时,必须在两钳口与工件面之间垫上铜皮,然后夹紧工件。
4、铣削过程
(1)铣削A面,如图2-24(a)所示。
工件以B面为粗基准面,并靠向垫有铜皮的固
工件装夹时要注意以下几点:
5.平口钳一定要加紧
6.工件要在平口钳敲紧
7.一定要放垫铁
8.垫铁以及钳口要刷干
净
每个学生操作一遍,然后根据他们操作的情况,进行点评分析!
周铣在我们以后的学习中,基本上不会用到,所以演示一下就好,让学生明白是怎么一回事!
我们以后用的都是端铣,因为立式铣床,所用到都是
向工作台,进行精铣,使工件尺寸达到(70±0.15)mm。
(4)铣削D面,如图2-24 (d)所示。
以工件B面为基准面,与固定钳口贴紧,A面与导轨面上的平行垫铁贴合后夹紧工件,用,使铣刀接触到工件表面后退出,垂向工作台升高2mm后,粗铣D面。
自行检验平
行度达0.06mm之内,再根据测定的工件实际尺寸,调整垂向工作台,精铣D面,使其尺寸达到(60±0.15)mm。
图2-24 矩形工件铣削过程
(5)铣削E面,如图2-24 (e)所示。
工件以A面为基准面,贴靠在固定钳口上,轻轻夹紧工件,将宽座角尺的短边基面与导轨面贴合,使长边与工件B面贴合,夹紧工件。
开启主轴,使铣刀接触到工件表面后退出工件,垂向工作台升高
(6)铣削F面,如图2-24 (f)所示。
工件以A面为基准面,贴靠在固定钳口上,使E面与平口钳导轨面上的平行垫铁贴合,夹紧工件。
将宽座角尺的短边基面与导轨面贴合,使长边与工件B面贴合,夹紧工件,用
在铣削过程中,工件的移动与刀具的移动,有很大的关系,所以我们要掌握顺铣和逆铣!
度的沟槽的!
第周星期第节年月日
图2-26 台阶的铣削加工方法
(a)立铣铣台阶;(b)单刃铣台阶;(c)双刃铣
台阶
(二)在铣床上铣台阶面举例
以图2-27台阶工件为例,介绍台阶面
的具体加工步骤。
图2-27 台阶零件图
1、机床与刀具的选择
根据图纸,确定该工件和铣床;切削刀
具选用D=Φ16mm,。
2、基准确定
加工台阶面工件时,应选择较大的平面
作为基准。
3、工件的装夹
根据工件形状,选用机用平口钳装夹工
件。
将平口钳安放在工作台中间位置。
利用
百分表校正固定钳口与工作台纵向进给方
向平行,然后将工件的基准面与固定钳口相
贴合,下面垫上适当高度的平行垫铁,使工
分组练习,让他们控制表
面粗糙度!
图2-29 立铣刀铣台阶
3、训练设备与器材
(1)X5025立式升降台铣床
(2)机用平口钳
(3)螺旋圆柱铣刀(Φ22mm,z=3)
4、切削用量选择
粗铣:vƒ=60mm/min,n=197r/min。
粗铣:vƒ=35mm/min,n=375r/min。
5、台阶面工件铣削的步骤
(1)看图并检查毛坯尺寸36mm ×40mm×36mm,计算加工余量。
(2)选用立铣刀,规格为Φ22mm,z=3铣刀,安装并校正立铣头,将铣刀安装在立铣头锥孔中。
(3)选用机用平口钳装夹工件,校正固定钳口,使其与横向进给方向平行,然后紧固。
(4)将工件放在钳口内,垫上平行垫铁,夹紧并检查工件与垫铁是否贴紧。
(5)选择合适的铣削用量,主轴转速为197r/min,进给量60mm/min,将主轴变速箱和进给变速箱上各手柄扳至所需位置。
(6)对刀调整。
启动机床,操纵手柄,使铣刀与工件上表面刚刚接触,在垂向刻度盘上做好记号,使工件垂向后横向退出;操纵手柄,使铣刀圆周刃与工件侧面刚刚接触,在横向刻
(一)铣直角沟槽
如图2-38所示,直角沟槽有敞开式、半封
闭式和封闭式三种。
敞开式直角沟槽一般用三
面刃铣刀加工;封闭式直角沟槽一般采用立铣
刀或键槽铣刀加工;半封闭式直角沟槽则须根
据封闭端的形式,采用不同的铣刀进行加工。
图2-38直角沟槽的种类
1、用三面刃铣刀铣直角沟槽
三面刃铣刀特别适宜加工较窄和较深的敞
开式或半封闭式直角沟槽。
对槽宽尺寸精度较
高的沟槽,通常选择小于槽宽的铣刀,采用扩
大法,分两次或两次以上铣削至要求。
2、用立铣刀铣削直角沟槽
立铣刀适宜加工两端封闭、底部穿通、槽
宽精度要求较低的直角沟槽,如各种压板上的
穿通槽。
由于立铣刀的端面刀刃不通过中心,
因此,加工封闭直角沟槽时要预钻落刀孔。
立
铣刀的强度及铣削刚性较差,容易折断或“让
刀”,使槽壁的深度方向斜度。
所以加工较深的
槽时应分层铣削,进给量要比三面刃铣刀小些。
对于尺寸较小,槽宽要求较高,深度较浅的封
闭式或半封闭式直角沟槽,可采用键槽铣刀加
工。
分层铣削加工时就在槽的一端吃刀,以减
少接刀痕迹。
(二)在铣床上铣削沟槽举例
以图2-39所示工件为例,介绍以立式铣刀
讲解直角沟槽的三种形式,
实物展示,让学生直观了
解!
我们主要用立铣刀来铣
削直角沟槽,在铣削敞开槽
时,我们可以用三刃铣刀,
但在铣封闭槽时,绝对不能
用三刃铣刀,因为三刃铣刀
不能直接下刀。
1.讲解图纸
铣削沟槽垢具体加工步骤。
1、机床与刀具的选择
根据图纸,确定该工件在X5032立式铣床加工;切削刀具选用Φ20mm的直柄立铣刀。
图2-39 直角沟槽零件图
2、基准确定
加工矩形工件时,应选择较大的平面作为基准面,根据半成品尺寸60mm×60mm×400mm,应选择B面为精基准面。
3、工件的装夹
由于该工件的尺寸较小,精度要求较高,选用组合压板装夹工件。
将工作台和工件底面C 面擦干净,工件置于工作台中间位置,选用合适的压板轻轻压紧工件,要压在工件刚性最好的地方,不得与刀具或主轴头发生干涉。
利用百分表校正基准面B面与工作台纵向进给方向平行,然后压紧工件。
4、对刀方法
(1)侧面对刀。
开启主轴,移动横向工作台,使旋转的立铣刀缓缓与工件侧面相接触时停止移动,在横向刻度盘上做好记号,纵向退出工件。
根据测量零件尺寸和图纸尺寸进行计算,横向工作台移动距离为铣刀半径加上零件厚度的一半,使铣刀的中心在零件的对称平面上,并紧固横向工作台。
(2)深度对刀。
移动机床纵向、垂向工作2.分析工艺
3.示范操作
4.分组练习
5.评分总结。