热交换器工艺流程图
- 格式:xls
- 大小:30.50 KB
- 文档页数:1
传热板片是换热器的核心部件,板片的成型工艺及材质特性对密封和换热效率会产生直接影响。
换热器通常以水作为冷却介质,板片多数采用不锈钢薄板制造,在板片上压制有波纹流梢,相邻两板片之间的空间即为介质流道,冷、热流体在板片两侧流动时,通过板片进行热量交换。
波纹所形成的特殊流道,使流体在极低流速的条件下发生湍流(雷诺系数R。
约200),低雷诺系数下的湍流其有自身除垢效应,有力地破坏隔热边界层,减少界面上液膜热阻。
一般情况下板式换热器的传热系数K值在3000-6000W/m''℃范围内,同时,两种介质几乎是全逆流流动,热传导效率较高。
在同等换热效率下,板式换热器只需要管壳式换热器面积的1/2-1/4即可达到同样的换热效果。
板式换热器使用1--2年的周期(根据实际使用工况而定)后需要进行必要的拆检、清洗、打压测试等。
对于变形或穿孔等存在问题的板片需要及时更换,在这过程中散热板片的装配必须严格按流程图排列。
流程图是按冷却工艺设计的,采用并联或串联的方式将各板片连接起来,常见的有单流程和双流程(或多流程组合)换热器,单流程换热器的介质接人和流出管口通常都固定压板一侧,热介质和冷介质又分别在固定压板垂直轴线的单侧布置,同一种介质同时在左侧或同时在右侧。
错排板片引起的两介质短路或泄漏单流程板片从密封垫一侧观察,由右边流进的流体总是从右边流出;由左边流进的流体总是从左边流出。
对人字形波纹板片,如果流体从左边流进,而且人字纹指向朝上A型板片,将A板沿垂直于板面的轴线旋转180度就成为B型板片,流体从右边进出。
板式换热器拆检后需要重新按要求夹紧板片,如果为了进一步提高换热能力需要加装板片时.应充分考虑到固定压板和活动压板的变形强度,采用相同等级的实验压力,板片的数量增加同时螺栓的预紧力也需要加大,当两侧压板的弹性变形超出许可的范围,密封件的平面压缩存在径向滑动,形成错位,此时,密封失效,两介质外泄漏或内部相互窜液,无法正常使用。
冷却塔的作用是将挟带废热的冷却水在塔内与空气进行热交换,使废热传输给空气并散人大气。
如图1 所示的火电厂为例,锅炉会将水加热成高温高压蒸汽;推动汽轮机(2)作功使发电机(3)发电。
经汽轮机作功后的乏汽排入凝汽器(4),与冷却水进行热交换凝结成水,再用水泵打回锅炉循环使用。
这一热力循环过程中;乏汽的废热在凝汽器中传给了冷却水,使水温升高.挟带废热的冷却水,在冷却塔(5)中将其热量传给空气(6),从塔筒出口排人大气。
在冷却塔内冷却过的水变为低温水,水泵将其再送入凝汽器,循环使用。
前一循环为锅炉中水的循环,后一循环为冷却水的循环。
冷却塔中水和空气的热交换方式之一是,流过水表面的空气与水直接接触,通过接触传热和蒸发散热,把水中的热量传输给空气。
用这种冷却方式的称为湿式冷却塔(简称湿塔)。
湿塔的热交换效率高,水被冷却的极限温度为空气的湿球温度。
但是,水因蒸发而造成损耗;蒸发又依循环的冷却水含盐度增加,为了稳定水质,必须排掉一部分含盐度较高的水;风吹也会造成水的损失。
这些水的亏损必须有足够的新水持续补充,因此,湿塔需要有补给水的水源。
缺水地区,补充水有困难的情况下;只能采用干式冷却塔(简称干塔或空冷塔)。
干塔中空气与水(也有空气与乏汽)的热交换;是通过由金属管组成的散热器表面传热,将管内的水或乏汽的热量传输给散热器外流动的空气。
干塔的热交换效率比湿塔低,冷却的极限温度为空气的干球温度。
2.2 蒸发耗损量当冷却回水和空气接触而产生作用,把其水温降时,部分水蒸发会引起冷却回水之损耗,而其损耗量和入塔空气的湿球温度及流量有关,以数学表达式作如下说明:令:进水温度为T1℃,出水温度为T2℃,湿球温度为Tw,则*:R=T1-T2(℃)------------(1)式中:R:冷却水的温度差,对单位水量即是冷却的热负荷或制冷量Kcal/h 对式(1)可推论出水蒸发量的估算公式*:E=(R/600)×100% ------------ (2)式中:E----当温度下降R℃时的蒸发量,以总循环水量的百分比表示%,600-----考虑了各种散热因素之后确定之常数。
板式换热器工艺流程图板式换热器是一种常见的工业设备,用于在化工、石油、食品加工等领域中进行热能传递。
它通过板式热交换器中的热传导和对流来实现热量的传递,是一种高效、节能的换热设备。
在工业生产中,板式换热器的工艺流程图起着至关重要的作用,它直观地展现了整个换热过程中各个部件的工作原理和相互关系,为工程师们提供了重要的参考依据。
首先,工艺流程图中包括了板式换热器的整体结构和工作原理。
通过图示,我们可以清晰地看到板式换热器的进料口、出料口、冷却介质流动通道、热介质流动通道等关键部件。
同时,工艺流程图还展示了板式换热器内部板片的排列方式,以及冷却介质和热介质的流动方向和速度。
这些信息对于工程师们来说是非常重要的,可以帮助他们更好地理解板式换热器的结构和工作原理,为工程设计和操作提供了直观的参考。
其次,工艺流程图中还包括了板式换热器的控制系统和安全防护装置。
在工业生产中,安全始终是第一位的,板式换热器的工艺流程图通过清晰地标注了各种传感器、阀门、泄压装置等安全设备的位置和作用,帮助工程师们更好地掌握整个换热系统的安全运行。
此外,工艺流程图还展示了板式换热器的控制逻辑和参数设定,使工程师们能够更好地进行设备的调试和运行。
最后,工艺流程图中还包括了板式换热器的维护保养和故障排除流程。
通过工艺流程图,工程师们可以清晰地了解板式换热器的各个部件的拆卸和更换方式,以及常见故障的排除方法。
这对于设备的日常维护和故障处理非常重要,可以帮助工程师们快速、准确地进行设备维护和修复,保证生产线的正常运行。
总的来说,板式换热器的工艺流程图是工程师们在设计、操作、维护和故障排除板式换热器时的重要参考依据。
通过对工艺流程图的认真研究和理解,工程师们能够更好地掌握整个换热系统的工作原理和运行方式,保证设备的安全、高效运行,为工业生产提供了可靠的保障。
因此,制作和使用工艺流程图是工程设计和操作中不可或缺的重要环节。
传热板片是换热器的核心部件,板片的成型工艺及材质特性对密封和换热效率会产生直接影响。
换热器通常以水作为冷却介质,板片多数采用不锈钢薄板制造,在板片上压制有波纹流梢,相邻两板片之间的空间即为介质流道,冷、热流体在板片两侧流动时,通过板片进行热量交换。
波纹所形成的特殊流道,使流体在极低流速的条件下发生湍流(雷诺系数R。
约200),低雷诺系数下的湍流其有自身除垢效应,有力地破坏隔热边界层,减少界面上液膜热阻。
一般情况下板式换热器的传热系数K值在3 000-6000W/m''℃范围内,同时,两种介质几乎是全逆流流动,热传导效率较高。
在同等换热效率下,板式换热器只需要管壳式换热器面积的1/2-1/4即可达到同样的换热效果。
板式换热器使用1--2年的周期(根据实际使用工况而定)后需要进行必要的拆检、清洗、打压测试等。
对于变形或穿孔等存在问题的板片需要及时更换,在这过程中散热板片的装配必须严格按流程图排列。
流程图是按冷却工艺设计的,采用并联或串联的方式将各板片连接起来,常见的有单流程和双流程(或多流程组合)换热器,单流程换热器的介质接人和流出管口通常都固定压板一侧,热介质和冷介质又分别在固定压板垂直轴线的单侧布置,同一种介质同时在左侧或同时在右侧。
错排板片引起的两介质短路或泄漏单流程板片从密封垫一侧观察,由右边流进的流体总是从右边流出;由左边流进的流体总是从左边流出。
对人字形波纹板片,如果流体从左边流进,而且人字纹指向朝上A型板片,将A板沿垂直于板面的轴线旋转180度就成为B型板片,流体从右边进出。
板式换热器拆检后需要重新按要求夹紧板片,如果为了进一步提高换热能力需要加装板片时.应充分考虑到固定压板和活动压板的变形强度,采用相同等级的实验压力,板片的数量增加同时螺栓的预紧力也需要加大,当两侧压板的弹性变形超出许可的范围,密封件的平面压缩存在径向滑动,形成错位,此时,密封失效,两介质外泄漏或内部相互窜液,无法正常使用。
热交换器温度控制系统一.控制系统组成由换热器出口温度控制系统流程图1可以看出系统包括换热器、热水炉、控制冷流体的多级离心泵,变频器、涡轮流量传感器、温度传感器等设备。
图1换热器出口温度控制系统流程图控制过程特点:换热器温度控制系统是由温度变送器、调节器、执行器和被控对象(出口温度)组成闭合回路。
被调参数(换热器出口温度)经检验元件测量并由温度变送器转换处理获得测量信号c,测量值c与给定值r的差值e送入调节器,调节器对偏差信号e进行运算处理后输出控制作用u。
二、设计控制系统选取方案根据控制系统的复杂程度,可以将其分为简单控制系统和复杂控制系统。
其中在换热器上常用的复杂控制系统又包括串级控制系统和前馈控制系统。
对于控制系统的选取,应当根据具体的控制对象、控制要求,经济指标等诸多因素,选用合适的控制系统。
以下是通过对换热器过程控制系统的分析,确定合适的控制系统。
换热器的温度控制系统工艺流程图如图2所示,冷流体和热流体分别通过换热器的壳程和管程,通过热传导,从而使热流体的出口温度降低。
热流体加热炉加热到某温度,通过循环泵流经换热器的管程,出口温度稳定在设定值附近。
冷流体通过多级离心泵流经换热器的壳程,与热流体交换热后流回蓄电池,循环使用。
在换热器的冷热流体进口处均设置一个调节阀,可以调节冷热流体的大小。
在冷流体出口设置一个电功调节阀,可以根据输入信号自动调节冷流体流量的大小。
多级离心泵的转速由便频器来控制。
换热器过程控制系统执行器的选择考虑到电动调节阀控制具有传递滞后大,反应迟缓等缺点,根具离心泵模型得到通过控制离心泵转速调节流量具有反应灵敏,滞后小等特点,而离心泵转速是通过变频器调节的,因此,本系统中采用变频器作为执行器。
再沸器再沸器是蒸馏塔底或侧线的热交换器,用来汽化一部分液相产物返回塔内作气相回流,使塔内汽液两相间的接触传质得以进行,同时提供蒸馏过程所需的热量,又称重沸器。
设计再沸器时,必须同蒸馏塔的操作特点和结构联系起来。
工业中应用的再沸器多为管壳式换热器,主要有釜式、虹吸式(立式和卧式)、强制循环式和内置式等型式,见图 1。
1. 各种型式再沸器介绍1.1. 釜式再沸器由一个扩大部分的壳体和一个可抽出的管束组成,管束末端有溢流堰以保证管束能有效的浸没在沸腾液体中,故循环在管束与其周围液体之间进行,溢流堰外侧空间作为出料液体的缓冲区,壳侧扩大部分空间作为汽液分离空间。
釜式再沸器的气化率可达到80%以上,相当于一块理论塔板的作用。
其优点是维修和清洗方便,传热面积大,气化率高,操作弹性大,可在真空下操作。
但其传热系数小,壳体容积大,物料停留时间长易结垢,占地面积大,金属耗量大,投资较高。
1.2. 热虹吸式再沸器热虹吸式再沸器为有组织的自然循环式,精馏塔底的液体进入再沸器被加热而部分汽化,形成的汽液混合物密度显著减小,并一起进入精馏塔内,在塔内进行汽液分离,利用两侧的密度差使塔底液体不断被虹吸入再沸器。
虹吸式再沸器分为两类:立式和卧式,通常管内蒸发采用立式,且为单管程;壳程蒸发采用卧式,可以为多管程。
炼油工业约95%使用卧式热虹吸,而化工行业约95%使用立式热虹吸,石油化工行业介于期间,其原因与装置规模及介质的结垢性有关,也与使用习惯有关。
1.2.1. 卧式虹吸再沸器图 1 再沸器型式壳体可采用J 、H 、X 型结构。
按照工艺过程卧式虹吸再沸器又可分为一次通过式和循环式,一次通过式是指塔底出产品,进再沸器的物料由最下一层塔板抽出其组成与塔底产品不同;循环式是指塔底产品和再沸器进料同时抽出其组成相同。
一次通过式和循环式也可由泵强制输送。
流程见图 2。
卧式虹吸式再沸器的气化率不应过大,对于烃类设计的气化率一般小于30%,对于水溶液一般不超过20%,气化量较大时需采用循环式(个人见过的ABB 公司用于丙烯塔底的卧式虹吸再沸器,循环式流程,壳程采用X 结构4进4出,气化率可达到50%,且实际运行过程没有问题)。
1.E-0101B混合加热器设计为确保混合加热器(E-0101B)中MN(亚硝酸甲酯),CO(一氧化碳)的出口温度为408K,选用0.68Mpa,408K的加热蒸汽加热入口温度为294K的工艺介质。
为保证生成物的产量,质量,及最终生成物的转化率,且工艺介质较稳定,蒸汽源压力较小,变化不大,因此针对此实际情况,最后确定设计一个换热器的反馈控制方案。
1.1换热器概述换热器工作状态如何,可用几项工作指标加以衡量。
常用的工作指标主要有漏损率、换热效率和温度效率。
它们比较全面的说明了换热器的特点和工作状态,在生产和科学试验中了解这些指标,对于换热器的管理和改进都是必不可少的。
换热器是将热流体的部分热量传递给冷流体的设备,又称热交换器。
换热器在化工、石油、动力、食品及其它许多工业生产中占有重要地位,其在化工生产中换热器可作为加热器、冷却器、冷凝器、蒸发器和再沸器等,应用广泛。
换热器是一种在不同温度的两种或两种以上流体间实现物料之间热量传递的节能设备,是使热量由温度较高的流体传递给温度较低的流体,使流体温度达到流程规定的指标,以满足工艺条件的需要,同时也是提高能源利用率的主要设备之一。
1.2换热器的分类适用于不同介质、不同工况、不同温度、不同压力的换热器,结构型式也不同,换热器的具体分类如下:一按传热原理分类:间壁式换热器,蓄热式换热器,流体连接间接式换热器,直接接触式换热器,复式换热器二按用途分类:加热器,预热器,过热器,蒸发器三、按结构分类:浮头式换热器,固定管板式换热器,U形管板换热器,板式换热器等此设计要求是将进料温度都为297.99K的MN(亚硝酸甲酯)和CO(一氧化碳)加热到出口温度为473K,所以我们经过调查研究,综合比较之后选择了管壳式(又称列管式) 换热器。
管壳式换热器主要有壳体、管束、管板和封头等部分组成,壳体多呈圆形,内部装有平行管束或者螺旋管,管束两端固定于管板上。
在管壳换热器内进行换热的两种流体,一种在管内流动,其行程称为管程;一种在管外流动,其行程称为壳程。
甲苯式列管换热器设计流程换热器是进行热交换操作的通用工艺设备,广泛应用于化工、石油、石油化工、动力、冶金等工业部门,特别是在石油炼制和化学加工装置中,占有重要地位。
换热器的操作技术培训在整个操作培训中尤为重要。
本单元设计采用列管式换热器。
将来自界外的冷物流由泵送至换热器的壳程被流经管程的热物流加热至指定温度。
冷物流流量由自动控制阀控制。
来自另一设备的高温物流经泵送至换热器与经冷物流进行热交换,热物流出口温度由自动控制阀,控制在指定温度。
某厂用循环冷却水甲苯从80°冷却到50°C,甲苯年处理能力为18000t/a,压力为6.5MPa,循环冷却水的入口温度为25°C,出口温度为35°C,要求冷凝器允许压降不大于500000Pa,试设计一台管壳式卧式换热器完成该生产任务。
每年按330天计算,每天按24小时连续运行。
设计要求(1)换热器工艺设计计算(2)换热器工艺流程图(3)换热器设备结构图(4)设计说明目录一、标题页 (3)二、方案设计 (4)三、确定设计方案 (4)四、确定物性数据 (4)五、计算总传热系数 (4)六、计算传热面积 (5)七、工艺结构尺寸计算 (5)八、换热器核算 (7)九换热器主要结构参数和设计结果一览表 (10)十、对本设计的评价 (11)十一、自设计使用该换热器的工艺流程图 (12)12 ·························································十二、参考文献·.二、方案设计某厂在生产过程中,需将甲苯从80℃冷却到50℃。
传热板片是换热器的核心部件,板片的成型工艺及材质特性对密封和换热效率会产生直接影响。
换热器通常以水作为冷却介质,板片多数采用不锈钢薄板制造,在板片上压制有波纹流梢,相邻两板片之间的空间即为介质流道,冷、热流体在板片两侧流动时,通过板片进行热量交换。
波纹所形成的特殊流道,使流体在极低流速的条件下发生湍流(雷诺系数R。
约200),低雷诺系数下的湍流其有自身除垢效应,有力地破坏隔热边界层,减少界面上液膜热阻。
一般情况下板式换热器的传热系数K值在3000-6000W/m''℃范围内,同时,两种介质几乎是全逆流流动,热传导效率较高。
在同等换热效率下,板式换热器只需要管壳式换热器面积的1/2-1/4即可达到同样的换热效果。
板式换热器使用1--2年的周期(根据实际使用工况而定)后需要进行必要的拆检、清洗、打压测试等。
对于变形或穿孔等存在问题的板片需要及时更换,在这过程中散热板片的装配必须严格按流程图排列。
流程图是按冷却工艺设计的,采用并联或串联的方式将各板片连接起来,常见的有单流程和双流程(或多流程组合)换热器,单流程换热器的介质接人和流出管口通常都固定压板一侧,热介质和冷介质又分别在固定压板垂直轴线的单侧布置,同一种介质同时在左侧或同时在右侧。
错排板片引起的两介质短路或泄漏单流程板片从密封垫一侧观察,由右边流进的流体总是从右边流出;由左边流进的流体总是从左边流出。
对人字形波纹板片,如果流体从左边流进,而且人字纹指向朝上A型板片,将A板沿垂直于板面的轴线旋转180度就成为B型板片,流体从右边进出。
板式换热器拆检后需要重新按要求夹紧板片,如果为了进一步提高换热能力需要加装板片时.应充分考虑到固定压板和活动压板的变形强度,采用相同等级的实验压力,板片的数量增加同时螺栓的预紧力也需要加大,当两侧压板的弹性变形超出许可的范围,密封件的平面压缩存在径向滑动,形成错位,此时,密封失效,两介质外泄漏或内部相互窜液,无法正常使用。
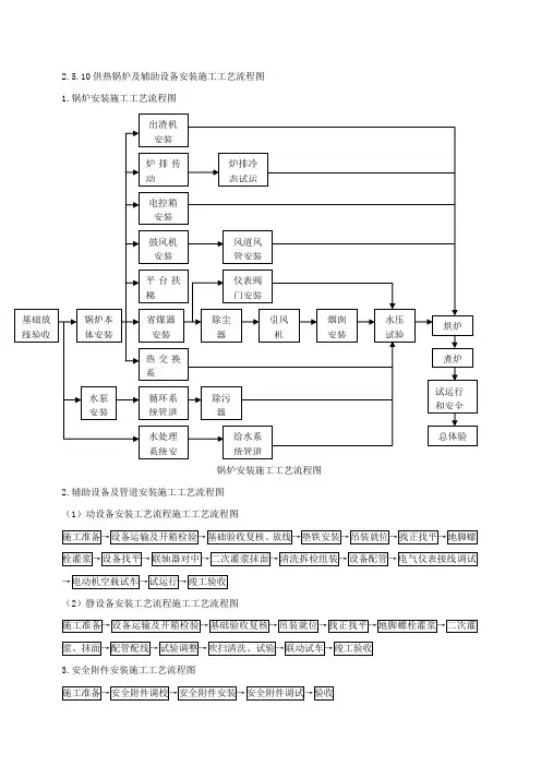
给水排水及采暖工程流程图1室内给水系统安装流程图1.给水管道及配件安装施工工艺流程图给水管道及配件安装施工工艺流程图2.室内消火栓系统安装施工工艺流程3.给水设备安装施工工艺流程图 (1)动设备安装工艺流程图(2)静设备安装工艺流程图2室内排水系统安装施工工艺流程图1.排水管道及配件安装施工工艺流程图2.雨水管道及配件安装施工工艺流程图3室内热水供应系统安装施工工艺流程图管道及配件安装施工工艺流程图4卫生器具安装施工工艺流程图1.卫生器具安装施工工艺流程图2.卫生器具给水配件安装施工工艺流程图3.卫生器具排水管道安装施工工艺流程图5室内采暖系统安装施工工艺流程图1.管道及配件安装施工工艺流程图2.辅助设备及散热器安装施工工艺流程图3.金属辐射板安装施工工艺流程图4.低温热水地板辐射采暖系统安装施工工艺流程图5.系统水压试验及调试施工工艺流程图6室外给水管线安装施工工艺流程图1.给水管道安装施工工艺流程图2.消防水泵接合器及室外消火栓安装施工工艺流程图3.管沟及井室施工工艺流程图7室外排水管网安装施工工艺流程1.排水管道安装施工工艺流程图2.排水管沟及井池施工工艺流程图8室外供热管网安装施工工艺流程图1.管道及配件安装施工工艺流程图2.系统水压试验及调试施工工艺流程图9建筑中水系统及游泳池水系统安装施工工艺流程图1.建筑中水系统管道及辅助设备安装施工工艺流程图建筑中水系统管道及辅助设备安装施工工艺流程图2.游泳池水系统安装施工工艺流程图游泳池水系统安装施工工艺流程图10供热锅炉及辅助设备安装施工工艺流程图1.锅炉安装施工工艺流程图锅炉安装施工工艺流程图2.辅助设备及管道安装施工工艺流程图(1)动设备安装工艺流程施工工艺流程图(2)静设备安装工艺流程施工工艺流程图3.安全附件安装施工工艺流程图4.烘炉、煮炉和试运行施工工艺流程图。
热交换器温度控制系统一.控制系统组成由换热器出口温度控制系统流程图1可以看出系统包括换热器、热水炉、控制冷流体的多级离心泵,变频器、涡轮流量传感器、温度传感器等设备。
图1换热器出口温度控制系统流程图控制过程特点:换热器温度控制系统是由温度变送器、调节器、执行器和被控对象(出口温度)组成闭合回路。
被调参数(换热器出口温度)经检验元件测量并由温度变送器转换处理获得测量信号c,测量值c与给定值r的差值e送入调节器,调节器对偏差信号e进行运算处理后输出控制作用u。
二、设计控制系统选取方案根据控制系统的复杂程度,可以将其分为简单控制系统和复杂控制系统。
其中在换热器上常用的复杂控制系统又包括串级控制系统和前馈控制系统。
对于控制系统的选取,应当根据具体的控制对象、控制要求,经济指标等诸多因素,选用合适的控制系统。
以下是通过对换热器过程控制系统的分析,确定合适的控制系统。
换热器的温度控制系统工艺流程图如图2所示,冷流体和热流体分别通过换热器的壳程和管程,通过热传导,从而使热流体的出口温度降低。
热流体加热炉加热到某温度,通过循环泵流经换热器的管程,出口温度稳定在设定值附近。
冷流体通过多级离心泵流经换热器的壳程,与热流体交换热后流回蓄电池,循环使用。
在换热器的冷热流体进口处均设置一个调节阀,可以调节冷热流体的大小。
在冷流体出口设置一个电功调节阀,可以根据输入信号自动调节冷流体流量的大小。
多级离心泵的转速由便频器来控制。
换热器过程控制系统执行器的选择考虑到电动调节阀控制具有传递滞后大,反应迟缓等缺点,根具离心泵模型得到通过控制离心泵转速调节流量具有反应灵敏,滞后小等特点,而离心泵转速是通过变频器调节的,因此,本系统中采用变频器作为执行器。
图2换热器的温度控制系统工艺流程图引起换热器出口温度变化的扰动因素有很多,简要概括起来主要有:(1)热流体的流量和温度的扰动,热流体的流量主要受到换热器入口阀门的开度和循环泵压头的影响。