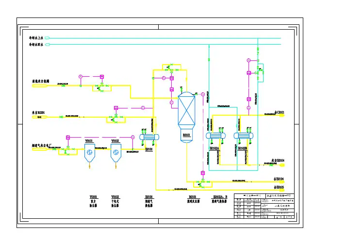
工艺管道仪表流程图PID(68页)
- 格式:ppt
- 大小:9.38 MB
- 文档页数:68
工艺管道仪表流程图PID工艺管道仪表流程图(Piping and Instrumentation Diagram,简称PID)是工程图纸中用来描述流程控制系统的示意图,常用于工艺管道系统中。
PID图中包含了管道、仪表、控制设备等元件的符号及其连接关系,能够清晰地显示整个系统的工作流程。
PID图的作用和意义PID图是工程设计和施工中非常重要的一种图纸,它具有以下几点作用和意义:1.系统设计:PID图能够帮助工程师全面理解系统的工作流程,从而更好地进行系统设计。
2.施工指导:PID图可以作为施工现场的指导图,指导施工人员按照设计要求进行管道布置和仪表安装。
3.故障排除:PID图能够帮助维护人员迅速定位故障点,加快故障排除的速度。
4.标准化:PID图具有统一的符号规范,有利于不同工程师之间的交流和沟通。
PID图的基本元素PID图通常由以下几种基本元素组成:1.管道:用直线表示,代表流体传输的路径。
2.阀门:代表可控制流体流动的开关,通常用不同的符号表示不同类型的阀门。
3.泵:代表用来提供流体压力的设备。
4.仪表:用于监测和控制流体的参数,如压力、温度、流量等,常用各种符号表示。
5.传感器:用来感知环境参数,并将信号传送给控制系统。
6.控制器:根据传感器信号进行逻辑判断,并控制执行机构的动作。
7.执行机构:根据控制器的指令,执行相应的动作。
PID图的绘制规范为了让PID图更加清晰和易懂,通常需要遵循以下一些绘制规范:1.统一符号:PID图中使用的管道、阀门、仪表等符号应当符合行业规范,以避免误解和混淆。
2.清晰标注:对于每个元件,应当清晰标注其类型、规格、材质等信息,便于理解和识别。
3.逻辑连接:元件之间的连接关系应当清晰明了,避免出现错误连接导致整个系统不正常运行。
4.比例合理:PID图中的元件大小应当按照比例绘制,避免出现不合理的大小误解。
5.网络结构:对于复杂的PID图,应当采用合理的网络结构,将整个系统分层展示,便于理解和维护。
怎样绘制工艺管道仪表流程图(PID图)和工艺流程图 工艺流程图是化工生产的技术核心,包含了物料平衡、设备、仪表、阀门、管路等信息,无论是设计院的工程师、化工厂的工艺员,还是中控控制室的主操,能看能画工艺流程图,都是必不可少的技能。
今天昌晖仪表向大家介绍工艺流程图的内容、注意事项及实际案例,重点介绍PID图的制图标准与常用图例。
化工工艺流程图是化工工艺图中工艺流程性质的图样,它是用来表达工艺生产流程的。
由于它们的要求各不相同,其内容、重点和深度也不一致,有若干种类。
◆总工艺流程图◆工艺原则流程图(方案流程图)◆工艺管道仪表流程图(PID图)总工艺流程图总工艺流程图也称物料平衡图,它是在设计或开发方案时,为总说明部分进行可行性论证时提供的图样,用于表示全厂各生产装置之间主要的流程路线及物料衡算的结果。
总工艺流程图中各车间(工段)用细实线画成长方框来表示,流程线中的主要物料用粗实线表示,流程方向用箭头画在流程线上,图上还需注明车间名称、原料及半成品的名称、平衡数据和来源去向等。
图1某石油化工厂总流程图图2某石油化工厂物料平衡图工艺原则流程图工艺原则流程图也称物料流程图,是在总工艺流程的基础上,分别表示各车间内部工艺物料流程。
一般是以装置为单位,以图形与表格综合的表达形式,反映工艺设计计算中的物料衡算与热量衡算等的图样。
它是全厂总工艺流程图或物料平衡图的基础上,对某一具体装置生产过程的进一步展示。
它既可用作提供审查的资料,又可作为进一步设计的依据,还可供生产操作时参考。
图3某厂工艺原则流程图工艺原则流程图通常采用按工艺流程顺序,自左至右展开图的形式表示,设备以示意的图形或符号表示,并用细实线画出,流程图中的主要物料流程的流程线用粗实线表示,流程方向用箭头画在流程线上。
当物料经过设备产生变化时,可在流程的起始部分和物料产生组分变化的设备之后,在流程线上用指引线引出并列表标注(指引线及表格线皆用细实线绘制)。
管道和仪表流程图又称为PID,是PIPING AND INSTRUMENTATION DIAGRAM的缩写,又称带控制点工艺流程图。
PID的设计是在PFD的基础上完成的。
它是化工厂的工程设计中从工艺流程到工程施工设计的重要工序,是工厂安装设计的依据。
化工工程的设计,从工艺包、基础设计到详细设计中的大部分阶段,PID 都是化工工艺及工艺系统专业的设计中心,其他专业(设备、机泵、仪表、电气、管道、土建、安全等)都在为实现PID里的设计要求而工作。
广义的PID可分为工艺管道和仪表流程图(即通常意义的PID)和公用工程管道和仪表流程图(即UID)两大类。
由于PID的设计千变万化,对同一工艺流程的装置,也可以因为外界因素的影响(如用户要求、地理环境的差异、以及操作人员的经验不同等),需要在设计PID时作出相应对策,再加上设计者不同的处理方法,因而同一工艺流程在不同的工程项目中,其PID不可能完全相同,但也不会有太大的差异。
PID通常有6~8版,视工程需要而定。
一套完整的PID及UID清楚地标出工艺流程对工厂安装设计中的所有要求,包括所有的设备、配管、仪表等方面的内容和数据。
下面,对PID的设计进行简单介绍。
1.PID的设计内容PID的设计应包括下列内容。
1.1设备(1)设备的名称和位号。
每台设备包括备用设备,都必须标示出来。
对于扩建、改建项目,已有设备要用细实线表示,并用文字注明。
(2)成套设备对成套供应的设备(如快装锅炉、冷冻机组、压缩机组等),要用点划线画出成套供应范围的框线,并加标注。
通常在此范围内的所有附属设备位号后都要带后缀“X”以示这部分设备随主机供应,不需另外订货。
(3)设备位号和设备规格P&ID上应注明设备位号和设备的主要规格和设计参数,如泵应注明流量Q和扬程H;容器应注明直径D 和长度L;换热器要注出换热面积及设计数据;储罐要注出容积及有关的数据。
和PFD不同的是,PID中标注的设备规格和参数是设计值,而PFD标注的是操作数据。
PID⼯艺流程图,这些要点最关键!PID图作为化⼯⽣产的技术核⼼,⽆论是设计院的⼯程师、化⼯⼚的⼯艺员,还是中控控制室的主操,了解PID图上每⼀个字母、符号所表⽰的意义,并清楚明⽩这些元件的作⽤和控制⽅法,是作为化⼯⼈必不可少的技能。
01PID图是什么?⼯艺流程图:即 Process Flow Diagram,简称PFD,由⼯艺专业完成,它包含了整个装置的主要信息、操作条件(温度、压⼒、流量等)、物料衡算(各个物流点的性质、流量、操作条件等都在物流表中表⽰出来)、热量衡算(热负荷等)、设计计算(设备的外形尺⼨、传热⾯积、泵流量等)、主要控制点及控制⽅案等。
相同作⽤且规格相同的设备只需画出⼀台即可。
⼯艺管道及仪表流程图:即 Piping Instriment Diagram,简称PID。
PID是在PFD的基础上,由⼯艺、管道安装和⾃控等专业共同完成。
需要画出所有的设备、仪表、管道及其规格、保温厚度等内容,是绘制管道布置图的主要依据。
PID图是在⼯艺包阶段就开始形成初版,随着设计阶段的深⼊,不断补充完善深化,它分阶段和版次分别发表。
PID各个版次的发表,表明了⼯程设计进展情况,为⼯艺、⾃控、设备、电⽓、电讯、配管、管机、管材、设备布置和给排⽔等专业及时提供相应阶段的设计信息。
PID是基础设计和详细设计中主要成品之⼀,它反映的是⼯艺设计流程、设备设计、设备和管道布置设计、⾃控仪表设计的综合成果。
02PID图能告诉我们什么?1.⽤规定的类别图形符号和⽂字代号:表⽰装置⼯艺过程的全部设备、机械和驱动机,包括需就位的备⽤设备和⽣产⽤的移动式设备,并进⾏编号和标注。
2.⽤规定的图形符号和⽂字代号:详细表⽰所需的全部管道、阀门、主要管件(包括临时管道、阀门和管件)、公⽤⼯程站和隔热等,并进⾏编号和标注。
3.⽤规定的图形符号和⽂字代号:表⽰全部检测、指⽰、控制功能仪表,包括⼀次性仪表和传感器,并进⾏编号和标注。
4.⽤规定的图形符号和⽂字代号:表⽰全部⼯艺分析取样点,并进⾏编号和标注。