非税收入一般缴款书打印升级说明文档
- 格式:doc
- 大小:345.00 KB
- 文档页数:4
内蒙古自治区非税收入管理系统执收单位操作手册内蒙古金财信息技术有限公司二○一一年六月“内蒙古自治区非税收入管理系统”(以下简称“非税系统”)是自治区财政厅为进一步加强非税收入收缴管理,引入POS机刷卡缴款等新的缴款方式,方便执收单位收缴,实现非税收入分成、非税收入缴库、非税收入退付、调整和资金网上申请审批等新业务,于2011年组织开发的新软件系统。
该系统涵盖了非税收入管理的票据管理、收缴管理、非税收入缴库、资金拨付、非税收入退付、非税收入调整、非税收入分成、账务处理的8个方面的业务功能。
编写目的本操作手册主要介绍各种业务的流程以及软件各项功能和详细操作方法,帮助执收单位和主管部门用户根据自身业务需要,通过非税系统办理各种非税业务。
阅读对象非税系统执收单位办理非税收入收缴,非税收入退付和调整、非税收入资金申请录入和审核业务的工作人员;主管部门审核所属单位各种业务申请的工作人员。
手册约定1、过程约定●■表示并列关系。
操作步骤按照阿拉伯数字的顺序列出,如:1、2、3、……。
2、文字约定〖〗中文字表示界面中的说明文字,如:在〖摘要〗中输入简要说明文字。
〘〙中文字表示界面中的按钮,如:单击〘保存〙按钮进行保存。
《》中文字表示单据名称,如:《非税收入资金使用申请》。
“”中文字表示菜单名称,如:“收缴管理”菜单“缴款书录入”子菜单。
3、流程图约定完成操作的部门、角色、人员流程开始操作操作流向第1章概述 (5)第2章软件登录 (6)2.1软件安装与运行 (6)2.1.1JRE下载和安装 (7)2.1.2非税系统下载和运行 (8)2.2软件登录 (9)第3章收缴管理 (11)3.1缴款书录入 (11)3.2前端票录入 (20)第4章资金申请 (24)4.1资金申请录入 (25)4.2资金申请审核 (32)第5章非税收入退付 (34)5.1退付申请录入 (35)5.2退付申请审核 (39)第6章非税收入调整 (40)6.1调整申请录入 (41)6.2调整申请审核 (44)第7章票据发放 (46)7.1票据发放 (46)7.2票据入库 (49)第8章查询.......................................................................................................... 错误!未定义书签。
非税业务河北省非税收入管理系统(以下简称“非税收入管理系统”)是财政部门用于非税收入管理的业务系统,该系统提供了方便、丰富的缴款方式,除了直接缴款、集中汇集外还提供了更加便民的POS机刷卡缴款、批扣缴款、网银支付等电子银行交易。
在财政的统一安排下,我行开发了非税系统银行端程序,于2010年9月30日上线运行。
【基本规定】1.非税业务使用的票据:全省非税收入票据的种类、内容、规格、式样,由省非税收入管理局根据有关规定制定。
目前非税收入票据包括《河北省非税收入一般缴款书》、《河北省非税收入退付书》、《政府非税收入一般缴款书》、《政府非税收入专用缴款书》、《河北省共享收入申报单》。
2.《河北省非税收入一般缴款书》:由执收单位机打开具或手工开具, 2-5联交客户,客户持票到银行办理非税款项的缴纳;集中汇缴的,由执收单位持3-6联到银行办理缴纳。
3.为了便于非税收入的征收,《河北省非税收入一般缴款书》设计了两个时限规定和一个校验规定:1)字轨:“冀财通字(****)”,其中****为年度,加入字轨信息标识票据年度,《河北省非税收入一般缴款书》按照票据字轨年度限于在当年使用。
2)缴费时限:《河北省非税收入一般缴款书》在开票之日起10天(节假日顺延)内有效,对于超过缴费时限的票据,我行将无法收款。
3)根据票据关键信息,经过加密算法产生4位数字,用于鉴别票面信息是否被更改。
4.《河北省非税收入退付书》由执收单位申请,经财政部门审批后出具,交由执收单位到汇缴专户开户行办理,再由执收单位退还缴款人。
退付资金只能是汇缴专户中未划入国库、专户的部分。
字轨:“冀财通字(****)”,其中****为年度,加入字轨信息标识票据年度,《河北省非税收入退付书》按照票据字轨年度限于在当年使用。
5.《政府非税收入一般缴款书》由财政部门开具,从汇缴专户上往国库划款时使用;《政府非税收入专用缴款书》由财政部门开具,从汇缴专户上往专户上划款时使用;《河北省共享收入申报单》由财政部门开具,化解分成时使用。
民生银行非税收入一般缴纳书摘要:一、引言二、民生银行非税收入一般缴纳书的概述1.定义与作用2.主要内容三、民生银行非税收入一般缴纳书的操作流程1.办理流程2.缴纳方式3.注意事项四、非税收入一般缴纳书的实用性分析1.对企业的意义2.对个人的影响3.创新与改进五、结论正文:一、引言随着社会的发展和科技的进步,金融业务不断创新,非税收入一般缴纳书已成为民生银行的一项重要业务。
本文将为大家详细介绍民生银行非税收入一般缴纳书的相关内容,包括其定义、作用、操作流程以及实用性分析等方面,为大家答疑解惑。
二、民生银行非税收入一般缴纳书的概述1.定义与作用非税收入一般缴纳书是民生银行为客户提供的用于缴纳非税收入的凭证。
客户可以通过该缴纳书向政府部门、企事业单位等缴纳罚款、保证金、社会保险费等各类非税款项。
它在很大程度上方便了企事业单位和个人的资金往来,提高了财务管理效率。
2.主要内容民生银行非税收入一般缴纳书主要包括以下内容:(1)缴纳人信息:包括缴纳人名称、纳税人识别号、地址等;(2)收款人信息:包括收款单位名称、开户行、收款账号等;(3)缴纳款项信息:包括缴纳款项名称、金额、税率等;(4)缴纳方式:包括现金、转账、网上银行等;(5)缴纳期限:即缴纳款项的最后期限;(6)备注:其他需要注明的相关信息。
三、民生银行非税收入一般缴纳书的操作流程1.办理流程(1)缴纳人需先向民生银行网点提交非税收入一般缴纳书的申请;(2)银行工作人员对缴纳人提交的申请进行审核,审核通过后,开具非税收入一般缴纳书;(3)缴纳人持非税收入一般缴纳书到指定地点缴纳款项;(4)缴纳完成后,缴纳人需在非税收入一般缴纳书上签字确认,并将缴纳书返回给银行;(5)银行将缴纳款项划拨至收款人账户,完成整个缴纳过程。
2.缴纳方式(1)现金缴纳:缴纳人可持非税收入一般缴纳书到民生银行网点柜台缴纳现金;(2)转账缴纳:缴纳人可通过民生银行网上银行、手机银行等渠道进行转账缴纳;(3)批量缴纳:企事业单位可通过批量转账方式为员工缴纳非税收入。
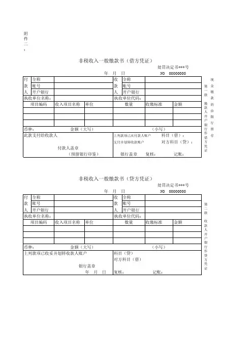
《非税收入一般缴款书》使用说明附录一:《非税收入一般缴款书》使用说明一、《非税收入一般缴款书》样式及用途《非税收入一般缴款书》一式五联(样式见附件1.1):第一联(回单):代理银行收款签章后由缴款人或代理银行退执收单位;第二联(借方凭证):缴款人开户银行作借方凭证;第三联(贷方凭证):收款人开户银行收款后作贷方凭证;第四联(收据):执收单位给缴款人的收据;第五联(存根):执收单位留存。
注:第一二三联给缴款人去缴款,收款后银行在第一联盖章给缴款人带回,其用第一联换回第四联,二、《非税收入一般缴款书》填写要求票据基本要素主要有:填制日期、缴款凭证号码、执收单位名称、付款人、收款人、币种、收入项目编码、收入项目名称、单位、数量、收缴标准和金额等。
具体填写方法及相关说明如下:填制日期:为执收单位开票日期。
执收单位名称:执收单位规范性全称或简称。
执收单位编码:按照财政部门统一为执收单位编制的编码填写。
组织机构代码:按照全国统一编制的国际代码填写。
付款人:即缴款人。
如果是通过银行转账付款,要填写缴款人全称、账号、开户银行。
如果是现金付款,则只需填写缴款人全称即可。
收款人:填写收款人时,有三种填写情形:收款人为国库单一账户的,填写财政部门名称、预算级次、金库名称;收款人为非税收入财政专户的,填写非税收入财政专户名称、账户和开户行;收款人为非税收入财政汇缴专户的,填写执收单位(多位主管部门)名称、账号和开户行。
目前《非税收入一般缴款书》只用于资金缴入非税收入财政专户情形。
金额:为缴款数额,分别填写大写和小写。
收入项目:即执收单位具体非税收入项目名称。
收入项目编码:财政部门为执收单位具体非税收入项目统一编制的编码。
数量、单位:具体非税收入项目的征收数量(如10本)和计量单位(如元/本)。
收缴标准:具体非税收入的征收标准(收入项目征收标准的“上限”和“下限”)。
附件1.1:《非税收入一般缴款书》样式附件1.1:《非税收入一般缴款书》样式。
河北省非税收入一般缴款书使用说明《河北省非税收入一般缴款书》(以下简称“缴款书”)作为非税收入管理系统核心的票据,贯穿整个非税收入征收过程,所有进入汇缴账户的非税收入资金,只能通过缴款书到银行缴款。
为了更好的在非税收入管理系统中使用缴款书,特做出以下说明。
一、开票缴款书的填写分为机打票据、手工票据两种方式,手工票的方式只能在不具备打印环境的特殊情况下使用,正常情况下须以机打票据的方式填开票据。
机打票据通过非税收入管理系统开具,并由票据打印机进行套打,由于票面需要打印的信息较多,如果打印不准确,可能导致票据上信息显示不全,不具缴费所需的票面信息。
建议执收单位使用24针票据专用打印机,并用拖纸器进纸方式,及时调整打印机设置,使票据按照规范将信息打印到对应位置。
非税收入管理系统中除通过正常机打票据外,允许部分缴款书手工填写。
对于手工填写的票据号码,也必须通过系统进行领用,用其他单位领用的票据,手工填写的缴款书,银行将会拒收。
手工填写的票面信息必须含有以下内容:1、必须按照字轨印刷的年度,在本年度内使用;2、必须准确填写执收单位在非税收入管理系统中所设置的单位编码、名称;3、必须准确填写收款人全称、账号、开户银行;4、必须按照系统设定填写项目编码、项目名称、数量、收缴标准、金额;5、按照实际发生时间,填写开票日期;6、校验码不需要填写。
缴款书是六联票据,联次分别为①执收单位给缴款人的收据、②银行收款后由缴款人退执收单位、③缴款人开户银行作借方传票、④收款人开户银行收款后作贷方传票、⑤收款人开户银行给收款人的收账通知、⑥存根。
缴款书联次的流转可以简单描述为以下几个步骤:1、执收单位根据缴款人办理的业务,开具非税收入一般缴款书,并将缴款书的2~5 联交缴款人,单位留存1、6两联;2、缴款人持缴款书到收款银行全省范围内的任一网点缴款,银行网点根据票面信息通过银行系统获取电子票据信息进行核对,确认无误后,收取相应款项,在第 2 联上盖“现金收讫”章,交给缴款人;3、缴款人持第2 联到执收单位换取第1 联报销凭证,完成缴款流程;4、第六联由开户银行核对盖章后,统一交到对应区划非税收入管理局;5、另外POS机刷卡缴款、待查收入转非税收入等情况,执收单位将留存除第1联外的所有联次。
民生银行非税收入一般缴纳书摘要:一、民生银行非税收入一般缴纳书简介1.民生银行非税收入一般缴纳书的概念2.非税收入一般缴纳书的作用二、民生银行非税收入一般缴纳书的具体操作流程1.准备相关材料2.前往民生银行办理3.缴纳非税收入三、民生银行非税收入一般缴纳书的注意事项1.材料齐全2.了解相关政策3.及时缴纳四、民生银行非税收入一般缴纳书的优势1.方便快捷2.安全性高3.服务优质正文:民生银行非税收入一般缴纳书是民生银行为广大客户提供的便捷缴纳非税收入的服务。
非税收入一般缴纳书主要用于缴纳我国政府非税收入,包括各种行政事业性收费、罚款、没收财物等。
通过民生银行非税收入一般缴纳书,客户可以轻松完成非税收入的缴纳,避免了传统缴纳方式中可能出现的繁琐流程和时间浪费。
要使用民生银行非税收入一般缴纳书,客户首先需要准备好相关材料,包括缴纳非税收入的正式文件、身份证明等。
然后,客户可以前往民生银行各网点办理非税收入一般缴纳书业务。
在办理过程中,民生银行工作人员会协助客户完成相关手续,确保客户顺利完成非税收入的缴纳。
在办理民生银行非税收入一般缴纳书时,客户需要注意以下几点:首先,确保材料齐全,以免影响办理进度;其次,了解相关政策,以便更好地完成缴纳;最后,要及时缴纳非税收入,避免逾期产生不必要的麻烦。
民生银行非税收入一般缴纳书具有诸多优势。
首先,民生银行为客户提供方便快捷的服务,客户可以在短时间内完成非税收入的缴纳。
其次,民生银行在办理过程中注重保护客户隐私,确保客户信息安全。
最后,民生银行提供优质的服务,为客户解答各类疑问,帮助客户顺利完成非税收入的缴纳。
总之,民生银行非税收入一般缴纳书为客户提供了便捷、高效、安全的非税收入缴纳方式。
客户只需准备好相关材料,前往民生银行网点办理,即可轻松完成非税收入的缴纳。
财政部办公厅印发电子《非税收入一般缴款书》有关业务规范和技术标准(试行)的通知文章属性•【制定机关】财政部办公厅•【公布日期】2021.12.06•【文号】财办发〔2021〕97号•【施行日期】2021.12.06•【效力等级】部门规范性文件•【时效性】现行有效•【主题分类】税务其他规定正文关于印发电子《非税收入一般缴款书》有关业务规范和技术标准(试行)的通知财办发〔2021〕97号各省、自治区、直辖市、计划单列市财政厅(局),新疆生产建设兵团财政局,党中央有关部门财务部门,国务院各部委、各直属机构财务部门,全国人大常委会办公厅机关事务管理局,全国政协办公厅机关事务管理局,最高人民法院行装局,最高人民检察院计财局,有关人民团体财务部门,各民主党派中央办公厅,财政部各地监管局:为加快推进电子《非税收入一般缴款书》(以下简称电子缴款书)试点,实现电子开票、自动核销、全程跟踪、源头控制等管理要求,依据《财政部关于开展电子非税收入一般缴款书试点的通知》(财库〔2021〕31号)、《财政部关于印发〈预算管理一体化规范(试行)〉的通知》(财办〔2020〕13号,以下简称《规范》)和《财政部关于印发〈预算管理一体化系统技术标准V1.0〉的通知》(财办〔2020〕15号,以下简称《标准》)等有关规定,财政部制定了电子《非税收入一般缴款书》有关业务规范和技术标准(试行),主要包括以下内容:一是《电子<非税收入一般缴款书>数据规范(试行)》,明确了电子缴款书开具、传输、报销、入账、归档的数据规范;二是修改更新了《规范》附录2《凭证与回单》中的《非税收入一般缴款书》式样,以及《规范》附录5《预算管理一体化要素目录》中的政府非税收入管理要素;三是修改更新了《标准》中的电子缴款书数据结构、基础数据集。
请据此规范开展电子缴款书试点和预算管理一体化建设相关工作。
附件:1.电子《非税收入一般缴款书》数据规范(试行)2.非税收入一般缴款书3.预算管理一体化要素目录(政府非税收入管理要素)4.预算管理一体化系统技术标准(电子《非税收入一般缴款书》)财政部办公厅2021年12月6日。
附录一:《非税收入一般缴款书》使用说明一、《非税收入一般缴款书》样式及用途《非税收入一般缴款书》一式五联(样式见附件1.1):第一联(回单):代理银行收款签章后由缴款人或代理银行退执收单位;第二联(借方凭证):缴款人开户银行作借方凭证;第三联(贷方凭证):收款人开户银行收款后作贷方凭证;第四联(收据):执收单位给缴款人的收据;第五联(存根):执收单位留存。
注:第一二三联给缴款人去缴款,收款后银行在第一联盖章给缴款人带回,其用第一联换回第四联,二、《非税收入一般缴款书》填写要求票据基本要素主要有:填制日期、缴款凭证号码、执收单位名称、付款人、收款人、币种、收入项目编码、收入项目名称、单位、数量、收缴标准和金额等。
具体填写方法及相关说明如下:填制日期:为执收单位开票日期。
执收单位名称:执收单位规范性全称或简称。
执收单位编码:按照财政部门统一为执收单位编制的编码填写。
组织机构代码:按照全国统一编制的国际代码填写。
付款人:即缴款人。
如果是通过银行转账付款,要填写缴款人全称、账号、开户银行。
如果是现金付款,则只需填写缴款人全称即可。
收款人:填写收款人时,有三种填写情形:收款人为国库单一账户的,填写财政部门名称、预算级次、金库名称;收款人为非税收入财政专户的,填写非税收入财政专户名称、账户和开户行;收款人为非税收入财政汇缴专户的,填写执收单位(多位主管部门)名称、账号和开户行。
目前《非税收入一般缴款书》只用于资金缴入非税收入财政专户情形。
金额:为缴款数额,分别填写大写和小写。
收入项目:即执收单位具体非税收入项目名称。
收入项目编码:财政部门为执收单位具体非税收入项目统一编制的编码。
数量、单位:具体非税收入项目的征收数量(如10本)和计量单位(如元/本)。
收缴标准:具体非税收入的征收标准(收入项目征收标准的“上限”和“下限”)。
附件1.1:《非税收入一般缴款书》样式附件1.1:《非税收入一般缴款书》样式。
非税收入一般缴款书(回单)1 NO:
填制日期年月日执收单位名称:
执收单位编码:
第
一
联
代
理
银
行
收
款
签
章
后
由
缴
款
人
或
代
理
银
行
退
执
收
单
位
非税收入一般缴款书(借方凭证)2 NO:
填制日期年月日执收单位名称:
执收单位编码:
第
二
联
缴
款
人
开
户
银
行
作
借
方
凭
证
非税收入一般缴款书(贷方凭证)3 NO:
填制日期 年 月 日 执收单位名称:
执收单位编码:
第 三 联 收 款 人 开 户 银 行 收 款 后 作 贷 方 凭 证
非税收入一般缴款书(收据)4 NO:
填制日期 年 月 日 执收单位名称:
执收单位编码:
第 四 联 执 收 单 位 给 缴 款 人 的 收 据
非税收入一般缴款书(存根)5 NO:
填制日期年月日执收单位名称:
执收单位编码:
第
五
联
执
收
单
位
的
存
根
附件二:
__________银行代理非税收入日报表
代理银行盖章复核:制表:(尺寸根据收入项目而定)
__________银行代理非税收入旬(月)报表
代理银行盖章复核:制表:(尺寸根据收入项目而定)。
民生银行非税收入一般缴纳书摘要:一、引言二、民生银行非税收入一般缴纳书的概述1.定义与作用2.主要内容三、民生银行非税收入一般缴纳书的操作流程1.办理流程2.缴纳方式3.注意事项四、民生银行非税收入一般缴纳书的相关政策与法规1.相关政策2.法规依据五、民生银行非税收入一般缴纳书的实用性分析1.便捷性2.安全性3.节省成本六、总结与展望正文:一、引言随着社会经济的发展,非税收入管理在我国公共财政体系中的地位日益凸显。
作为非税收入管理的重要环节,民生银行非税收入一般缴纳书发挥着至关重要的作用。
本文将对民生银行非税收入一般缴纳书进行详细解读,以期为广大读者提供实用的参考。
二、民生银行非税收入一般缴纳书的概述1.定义与作用民生银行非税收入一般缴纳书是指由民生银行出具的,用于企事业单位和个人向政府部门缴纳非税收入的凭证。
它具有记载缴纳金额、缴纳人信息、缴纳时间等功能,是确保非税收入合法、合规的重要依据。
2.主要内容民生银行非税收入一般缴纳书主要包括以下内容:(1)缴纳人信息:包括缴纳人名称、纳税人识别号、地址等;(2)缴纳金额:明确标注缴纳的非税收入金额;(3)缴纳时间:记录缴纳非税收入的具体时间;(4)收款单位信息:收款单位名称、开户行、账号等;(5)凭证编号:民生银行非税收入一般缴纳书的唯一标识;(6)备注:如有特殊要求或情况,可在备注栏注明。
三、民生银行非税收入一般缴纳书的操作流程1.办理流程(1)缴纳人向政府部门了解非税收入缴纳事宜;(2)政府部门向民生银行提供缴纳人信息和相关资料;(3)民生银行审核缴纳人信息,为缴纳人开立非税收入一般缴纳书;(4)缴纳人持民生银行非税收入一般缴纳书到指定柜台办理缴纳手续;(5)柜台工作人员核对缴纳人信息、缴纳金额等,确保无误后办理缴纳;(6)缴纳人领取回单,确认缴纳成功。
2.缴纳方式(1)柜台缴纳:缴纳人前往民生银行任一网点,凭非税收入一般缴纳书办理缴纳;(2)网上银行缴纳:缴纳人登录民生银行网上银行,按照提示办理缴纳;(3)手机银行缴纳:缴纳人下载并安装民生银行手机银行APP,完成实名认证后办理缴纳。
《非税收入一般缴款书》使用流程简介一、非税收入的定义非税收入是指除税收以外,由各级政府、国家机关、事业单位、代行政府职能的社会团体及其他组织依法利用政府权力、政府信誉、国家资源、国有资产或提供特定公共服务、准公共服务取得的财政资金,是政府财政收入的重要组成部分。
二、使用范围《非税收入一般缴款书》是财政非税票据中的一种,其适用于包括行政事业性收费、政府性基金、国有资源有偿使用收入、国有资产有偿使用收入、国有资本经营收益、彩票公益金、罚没收入、以政府名义接收的捐赠收入及主管部门集中收入等。
三、《缴款书》的种类《缴款书》有机制(电脑)票、手工票、定额票、共三种票。
其中定额票是根据票面金额大小分类,分别有五角、壹元、贰元、伍元、壹拾元、贰拾元、伍拾元、共七种面额。
其每种票据具体操作方式请见附件一和附件二。
四、缴款方式分类非税缴款方式分为现场POS刷卡缴款与非现场缴款。
现场POS刷卡方式缴款,只能使用非税机制(电脑)票。
即缴款人将有“银联”标识的银行卡(信用卡及类似的透资卡除外),在执收单位现场,以POS机刷卡的方式缴款。
非现场缴款又分为现金缴款和银行转账支付。
现金缴款可以使用机制(电脑)票、手工票、定额票三种票;银行转账支付方式可以使用机制(电脑)票和手工票,为规范管理请尽量使用机制(电脑)票。
五、《缴款书》的使用流程(一)联数及用途第一联(回单)代收银行加盖“收讫章”或“转讫章”后退回执收单位,作为执收单位记账凭证;第二联(借方凭证)银行留存,作为缴款人开户银行借方凭证;第三联(贷方凭证)银行留存,做收款人开户银行贷方凭证;第四联(收据)由规费征收工作人员加盖“执收单位印章”后生效,并将其递交缴款人,作为缴款人缴款收据,特殊情况也可以由收款银行盖章。
第五联(存根)执收单位留存,按照票号顺序,妥善保管,并按要求全部上交市港航局,由市港航管理局统一清理。
(二)缴款流程1、缴费人在重庆市行政辖区内缴款的,缴款人将《一般缴款书》一至三联(回单、借方凭证、贷方凭证)送至缴款人开户银行缴款,缴款人开户银行会保留第二联(借方凭证)和第三联(贷方凭证),并在第一联(回单)加盖银行印章,“收讫章”或“转讫章”,表示银行已收款或已转账,将其退还给缴款人。
新版非税系统非税收入一般缴款书打印操作手册一、系统登录登录安徽省非税收入管理信息系统。
二、票据入库打开“票据入库”菜单,点击【录入】按钮,录入开始票号、结束票号,点击【确定】按钮。
在未确认状态下,选中录入记录,点击确定即可。
三、票据打印点击票据打印中的“缴款书打印”进入到缴款书打印页面,如下图:1.缴款书打印(1)缴款书打印可通过输入缴款识别码查询条件获取缴款信息,在“缴款识别码”栏,输入缴款通知单上的缴款识别码信息,点击【查询】按钮,如下图:查询到缴款信息后,选中信息,点击【打印】按钮,会弹出一般缴款书信息,确认无误后,点击【打印】,如下图:注:票据打印为套打,需要设置打印偏移量,设置包括水平偏移和垂直偏移两个数据供我们自行输入调节,偏移量是可以调成负数的,在这里水平偏移量越小,打印出的内容越往缴款书的左边靠;垂直偏移量越小,打印出的内容越往缴款书的上边靠。
设置好点击【确定】。
(2)设置票号打印,票据打印还可以设置票号打印,点击“设置票号打印”按钮,弹出输入票号窗口,可手工输入票号(票号为10位),设置后点击【确定】。
注:缴款书打印的时候输入的票号一定要和纸质票据上的票号一致!!!(3)票据作废(只能作废当天的缴款通知书),若打印缴款通知书信息有误,可先点击【作废】,然后在状态栏选择“未打印”,找到作废的缴款通知书,点击【打印】即可。
(3)票据重打,若打印过程中未打印出来,我们可以点击【重打】按钮,即可。
四、票据使用情况表票据使用情况可点击【查询】按钮,也可导出,如下图:五、注意事项(1)现象:若非税收入一般缴款书打印出现如下情况(票据边缘显未网址),需要按照以下方法解决解决方法:打开浏览器【设置】>【打印】>【页面设置】,在弹出的页面设置窗口,按照下图进行设置即可。
缴款通知书打印说明
1301期由广州市广播电视大学收费的市级培训课程的培训费将通过广州市非税系统进行收费。
因此各学校管理员在交费时需打印本单位的缴款通知书。
一、缴款通知书打印位置
登入学校管理员工作平台在“课程信息管理——费用支付管理——缴费通知书打印”页面可查看本校的缴款通知书信息。
二、打印前说明
1.本通知书所载金额为广州市广播电视大学应收培训费用,若列表中未出现通知书则说明收费单位尚未录入学校的缴款通知书信息,请联系收费单位咨询具体情况。
2.若列表中已有对应期数的缴款通知书,且本单位无选课未交费或补选课情况则可以点击“查看”,打开缴款通知书打印页。
3.若本单位有选课未交费或补选课的情况,需要变动缴费金额,则请联系收费单位修改选课信息,1-2天内工作人员将更新本单位缴款通知书。
4.缴款通知书的状态为“有效”时,通知书有效且可以打印;通知书状态为“作废”时,通知书无效且不可打印。
5.各学校管理员在联系收费单位更改选课信息后请耐心等待新的缴款通知书生成,新的缴款通知书生成后请核对金额是否正确,再进行交费。
6.若缴款通知书中单位名称与本校公章不一致,请修改学校信息后联系收费单位重新生成缴款通知书。
三、缴款通知书打印设置
缴款通知书在打印时,若使用A4纸,请横向打印。
具体设置方法如下:
1.点击查看页面的“打印页面设置”。
2.在弹出窗口中纸张大小选择A4,打印方向选择“横向”。
即可横向打印缴款通知书。
作者: 毛学锋
作者机构: 财政部驻江苏专员办
出版物刊名: 财政监督
页码: 30-30页
主题词: 非税收入 缴款书 中央财政 银行资金 开户银行 运作过程 专员办 财政部
摘要:目前,由各地专员办征收缴人中央财政汇缴专户的非税收入,使用的票据是由财政部印制的《非税收入一般缴款书》(一式五联),该缴款书是一种带有收纳解缴交款单位开户银行资金功能的票据,由专员办用电脑填开,缴款单位签章支付,开户银行承接办理。
经过一段时间的运行,笔者发现在运作过程中存在应缴中央财政汇缴专户的资金迟迟不能正常征收解缴的问题,亟需得到解决。
竭诚为您提供优质文档/双击可除缴款书信息出错的说明篇一:一般缴款书使用说明河北省非税收入一般缴款书使用说明《河北省非税收入一般缴款书》(以下简称“缴款书”)作为非税收入管理系统核心的票据,贯穿整个非税收入征收过程,所有进入汇缴账户的非税收入资金,只能通过缴款书到银行缴款。
为了更好的在非税收入管理系统中使用缴款书,特做出以下说明。
一、开票缴款书的填写分为机打票据、手工票据两种方式,手工票的方式只能在不具备打印环境的特殊情况下使用,正常情况下须以机打票据的方式填开票据。
机打票据通过非税收入管理系统开具,并由票据打印机进行套打,由于票面需要打印的信息较多,如果打印不准确,可能导致票据上信息显示不全,不具缴费所需的票面信息。
建议执收单位使用24针票据专用打印机,并用拖纸器进纸方式,及时调整打印机设置,使票据按照规范将信息打印到对应位置。
非税收入管理系统中除通过正常机打票据外,允许部分缴款书手工填写。
对于手工填写的票据号码,也必须通过系统进行领用,用其他单位领用的票据,手工填写的缴款书,银行将会拒收。
手工填写的票面信息必须含有以下内容:1、必须按照字轨印刷的年度,在本年度内使用;2、必须准确填写执收单位在非税收入管理系统中所设置的单位编码、名称;3、必须准确填写收款人全称、账号、开户银行;4、必须按照系统设定填写项目编码、项目名称、数量、收缴标准、金额;5、按照实际发生时间,填写开票日期;6、校验码不需要填写。
缴款书是六联票据,联次分别为①执收单位给缴款人的收据、②银行收款后由缴款人退执收单位、③缴款人开户银行作借方传票、④收款人开户银行收款后作贷方传票、⑤收款人开户银行给收款人的收账通知、⑥存根。
缴款书联次的流转可以简单描述为以下几个步骤:1、执收单位(:缴款书信息出错的说明)根据缴款人办理的业务,开具非税收入一般缴款书,并将缴款书的2~5联交缴款人,单位留存1、6两联;2、缴款人持缴款书到收款银行全省范围内的任一网点缴款,银行网点根据票面信息通过银行系统获取电子票据信息进行核对,确认无误后,收取相应款项,在第2联上盖“现金收讫”章,交给缴款人;3、缴款人持第2联到执收单位换取第1联报销凭证,完成缴款流程;4、第六联由开户银行核对盖章后,统一交到对应区划非税收入管理局;5、另外pos机刷卡缴款、待查收入转非税收入等情况,执收单位将留存除第1联外的所有联次。
非税收入一般缴款书打印升级说明文档
为解决高版本浏览器(IE7、IE8、IE9)及操作系统Windows7不支持打印缴款书,以及不能网络联机打印的问题,区财政信息办对非税收入收缴管理系统打印模块进行升级。
此次系统升级,正常情况下用户不需做任何设置,系统会在打印缴款书时自动升级打印控件。
如果打印不成功,请参照如下方法手动升级:
1、依次选择“缴款书”->“开票参数设置”,点击“安装打印控件”按钮,如图1:
图1
2、打开页面后,系统如果显示完整的缴款书信息,则说明控件安装成功,可以正常使用打印功能;如果出现提示cell控件安装信息,则在信息提示框中点击右键,选择运行加载项,如图2。
若无提示信息出现,请检查IE的受信任站点、自定义级别、以及加载项设置,参见非税系统使用说明书。
图2
3、系统接着出现运行确认提示框,点击“运行”。
如图3:
图3
4、等待系统加载后,出现缴款书信息,则说明cell打印控件安装成功。
如图4:
图4
5、若还是显示空白界面,则点击“下载打印修复包”按钮,下载、解压修复包后,执行“修复.bat”文件,如图5。
修复完成后,点击“刷新”按钮,重新刷新页面,如果显示完整的缴款书信息,则说明打印控件升级成功,可以正常打印非税收入一般缴款书票据。
图5。