沥青混合料中粗细集料质量技术要求
- 格式:doc
- 大小:44.00 KB
- 文档页数:3
公路沥青路面集料技术规范1 范围本规范规定了公路沥青路面粗集料、细集料和填料的质量控制要求和生产技术要求。
本规范适用于天津市公路沥青路面设计、施工和质量控制。
2 规范性引用文件下列文件对于本文件的应用是必不可少的。
凡是注日期的引用文件,仅所注日期的版本适用于本文件。
凡是不注日期的引用文件,其最新版本(包括所有的修改单)适用于本文件。
JTG F40 公路沥青路面施工技术规范3 术语和定义下列术语和定义适用于本文件。
3.1集料 aggregate在混合料中起骨架和填充作用的粒料,包括碎石、砾石、机制砂、石屑、砂等。
3.2粗集料 coarse aggregate在沥青混合料中,粗集料是指粒径大于2.36㎜的碎石、破碎砾石、筛选砾石和矿渣等。
3.3细集料 fine aggregat e在沥青混合料中,细集料是指粒径小于2.36㎜的天然砂、人工砂(包括机制砂)及石屑。
3.4天然砂 natural sand由自然风化、水流冲刷、堆积形成的、粒径小于4.75㎜的岩石颗粒,按生存环境分河砂、海砂、山砂等。
3.5人工砂 manufactured sand,synthetic sand经人为加工处理得到的符合规格要求的细集料,通常指石料加工过程中采取真空抽吸等方法除去大部分土和细粉,或将石屑水洗得到的洁净的细集料。
3.6机制砂 crushed sand由碎石及砾石经制砂机反复破碎加工至粒径小于2.36㎜的人工砂,亦称破碎砂。
3.7石屑 crushed stone dust采石场加工碎石时通过最小筛孔(通常为2.36㎜或4.75㎜)的筛下部分,也称筛屑。
3.8填料 filler在沥青混合料中起填充作用的粒径小于0.075㎜的矿物质粉末。
通常是石灰岩等碱性料加工磨细得到的矿粉,水泥、消石灰、粉煤灰等矿物质有时也可作为填料使用。
3.9矿粉 mineral filler由石灰岩等碱性石料经磨细加工得到的,在沥青混合料中起填料作用的以碳酸钙为主要成分的矿物质粉末。
注:1坚固ti试验可根据需要affo2用干城市快速路、主干路时,多孔玄武岩的视密度可故宽至m‘,吸水率可朋宽至3%,但必须得到建设单位的批准,且不得用于SMA路面。
3对S14B3^5規格的粗集料,针片状穎粒含量可不予要求,小于含量可放宽到3%。
1)含泥量,对城市快速路、主干路不得大T3%;对次干路及其UTilKS不得大T 5%o2)与沥青的粘附性小于4级的砂,不得用干城市快速路和主干路。
5) i青混合料用机制砂求。
不同料温、品种、规招的原林料应分别存故,不得混存。
沥青混合料配合比设计应符合国家现行标准《公路沥青路面施工技术规》JTGF40的要求,并应遵守下列规定:1各地区应根据气候条件、道路等级、路面第构等悄况,通il试验,确定适宜的沥青混合料枝术荷标。
2开工前,应对当地同类道路的沥青混合料配合比及其使用悄况进行调研,借鉴成功经验。
3各地区应结合当地自然条杵,充分利用当地资源,选择合幡的林料。
基层施工透层油或下封层后,应及时備筑面层。
热拌沥青混合料面层质量检验应符合下列规定:主控頂目1热拌沥青混合料质量应符合下列要求:1)道胳用沥青的品种、标号应符合国家现行有关标准和本规第节的有关规定。
检查数量:按同一生产厂家、同一品种、同一标号、同一批号连续进场的沥青(石油沥青毎100t为1批,改性沥青S50t为1批)每批次抽枪1次。
检验方法:査出厂合松证,检验报告并进场复检。
2)沥青混合料所选用的111集料、细集料、矿粉、纤维稳定剂等的质量及规招应符合本規第节的有关規定。
检查数量:按不同品种产品进场批次和产品摘样检验方案确定。
检验方法:观查、检查进场检验报告。
3)热拌沥青混合料、热拌改性沥青混合料、SMA混合料,查出厂合18 iE检验报告并进场夏检,拌合温度、出厂温度应符合本观检查数量:全数检查。
检验方法:查測温记录,现场检測温度。
4)#青混合料品质应符合马朋尔试验配合比技术要求。
检查数量:每日、每品种检查1次。
2用于城市快速路、主干路时,多孔玄武岩的视密度可放宽至2.45t/m3,吸水率可放宽至3%,但必须得到建设单位的批准,且不得用于SMA路面。
3对S14即3~5规格的粗集料,针片状颗粒含量可不予要求,小于0.075mm含量可放宽到3%。
4)粗集料的粒径规格应按表8.1.7-7的规定生产和使用。
表8.1.7-7 沥青混合料用粗集料规格3细集料应符合下列要求:1)含泥量,对城市快速路、主干路不得大于3%;对次干路及其以下道路不得大于5%。
2)与沥青的粘附性小于4级的砂,不得用于城市快速路和主干路。
3)细集料的质量要求应符合表8.1.7-8的规定。
表8.1.7-8 细集料质量要求4)沥青混合料用天然砂规格见表8.1.7-9。
5)沥青混合料用机制砂或石屑规格见表8.1.7-10。
中要求。
4矿粉应用石灰岩等憎水性石料磨制。
当用粉煤灰作填料时,其用量不得超过填料总量50%。
沥青混合料用矿粉质量要求应符合表8.1.7-11的规定。
5 纤维稳定剂应在250°C条件下不变质。
不宜使用石棉纤维。
木质纤维素技术要求应符合表8.1.7-12的规定。
8.1.9 沥青混合料配合比设计应符合国家现行标准《公路沥青路面施工技术规范》JTG F40的要求,并应遵守下列规定:1各地区应根据气候条件、道路等级、路面结构等情况,通过试验,确定适宜的沥青混合料技术指标。
2开工前,应对当地同类道路的沥青混合料配合比及其使用情况进行调研,借鉴成功经验。
3各地区应结合当地自然条件,充分利用当地资源,选择合格的材料。
8.1.10基层施工透层油或下封层后,应及时铺筑面层。
8.5.1 热拌沥青混合料面层质量检验应符合下列规定:主控项目1 热拌沥青混合料质量应符合下列要求:1)道路用沥青的品种、标号应符合国家现行有关标准和本规范第8.1节的有关规定。
检查数量:按同一生产厂家、同一品种、同一标号、同一批号连续进场的沥青(石油沥青每100t为1批,改性沥青每50t为1批)每批次抽检1次。
细集料质量技术要求1.9.1沥青路面的细集料包括天然砂、机制砂、石屑。
细集料必须由具有生产许可证的采石场、采砂场生产。
1.9.2 细集料应洁净、干燥、无风化、无杂质,并有适当的颗粒级配,其质量应符合表1.9.2的规定。
细集料的洁净程度,天然砂以小于0.075mm含量的百分数表示,石屑和机制砂以砂当量(适用于0~1.75mm)或亚甲蓝值(适用于0~2.36mm或0~0.15mm)表示。
沥青混合料用细集料质量要求表1.9.2项目单位高速公路、一级公路其他等级公路试验方法表观相对密度不小于t/m3 2.50 2.45 T 0328坚固性(>0.3mm部分)不小于%12 -T 0340含泥量(小于0.075mm的含量) % 3 5 T 0333不大于砂当量不小于%60 50 T 0334 亚甲蓝值不大于g/kg 25 -T 0346 棱角性(流动时间)不小于s 30 -T 0345 注: ①坚固性试验可根据需要进行;1.9.3 天然砂可采用河砂或海砂,通常宜采用粗、中砂,其规格应符合表1.9.3的规定,砂的含泥量超过规定时应水洗后使用,海砂中的贝壳类材料必须筛除。
开采天然砂必须取得当地政府主管部门的许可,并符合水利及环境保护的要求。
热拌密级配沥青混合料中天然砂的用量通常不宜超过集料总量的20%,SMA和OGFC混合料不宜使用天然砂。
沥青混合料用天然砂规格表1.9.3筛孔尺寸(mm)通过各孔筛的质量百分率(%) 粗砂中砂细砂9.5 100 100 1001.752.36 1.18 0.6 0.3 0.15 0.075 90~10065~9535~6515~305~200~100~590~10075~9050~9030~608~300~100~590~10085~10075~10060~8415~450~100~51.9.4石屑是采石场破碎石料时通过1.75mm或2.36mm的筛下部分,其规格应符合表1.9.4的要求。
粗集料试验作业指导书编制:复核:批复:中铁十七局集团第一工程有限公司工程检测中心细集料试验作业指导书编制:复核:批复:中铁十七局集团第一工程有限公司工程检测中心级配碎石试验作业指导书编制:复核:批复:中铁十七局集团第一工程有限公司工程检测中心目录1技术指标及要求 (1)1.1混凝土用粗集料 (1)1.2路面基层用集料(水泥稳定粒料) (3)1.3沥青混合料用粗集料 (4)2主要参数试验细则 (7)2.1粗集料筛分试验 (7)2.2含泥量及泥块含量试验 (10)2.3粗集料密度及吸水率试验(网篮法) (12)2.4粗集料堆积密度及空隙率试验 (15)2.5针片状颗粒含量(规准仪法) (19)2.6针片状颗粒含量试验(游标卡尺法) (20)2.7粗集料压碎值试验 (21)2.8粗集料磨耗试验(洛杉矶法) (22)2.9粗集料对沥青粘附性试验 (24)2.10粗集料含水率快速试验(酒精燃烧法) (25)2.11粗集料有机物含量 (26)2.12粗集料硫化物和硫酸盐含量 (27)2.13粗集料坚固性 (29)2.14粗集料岩石抗压强度 (31)2.15碱集料反应 (32)2.16粗集料冲击值试验 (33)2.17粗集料磨光值试验 (35)2.18粗集料超逊径颗粒含量试验 (38)2.19粗集料抑制碱骨料反应有效性试验 (39)公路工程用粗集料试验1技术指标及要求1.1混凝土用粗集料1.颗粒级配粗集料应按最大公称粒径的不同,采用2~4个粒级的集料进行掺配,并应符合表4-1的要求。
粗集料颗粒级配范围表1-12.主要技术指标(1)桥涵隧道结构混凝土用粗集料技术指标应符合表1-2规定。
碎石或卵石主要技术要求(JTG/T F050—2011)表1-2粗集料主要技术指标(JTG F30—2003)表1-31.2路面基层用集料(水泥稳定粒料)1.颗粒级配用于底基层的碎石最大粒径为37.5mm,用于基层的碎石最大粒径为31.5mm,碎石颗粒应接近立方体;细集料质地应坚硬、耐久、洁净,并具有良好级配,其合成级配应符合设计要求,一般参见表1-4的要求。
某某高速公路路面集料生产与管理技术要求某某高速公路建设开发有限公司某某高速公路总监办公室二零一五年五月某某高速公路路面集料生产与管理技术要求一、对碎石生产产地的技术要求1、碎石生产场地面积应大于15000㎡。
2、碎石生产场地应平整,地面必须硬化或用片石、石碴、碎石等材料铺垫30cm 以上,场内不得积水、露泥,场地应呈中间高四周低或单坡面形状,排水要畅通,避免雨季场地坑洼、泥泞和污染集料。
进出场与场内道路不得见泥,并确保畅通。
3、碎石生产场地应划分为4-6个堆料区,只生产基层集料的料场可只划分为4个堆料去,生产中、下面层集料的料场应划分为5或6个堆料区。
堆料区应设置醒目标牌,在上注明集料规格。
各堆料区的面积大小应综合考虑各级料的产量与用量大体确定。
各堆料之间应采用浆砌片石等材料砌筑隔离墙,墙高视堆料高度来定,以不产生串料为原则。
各料堆高度不宜超过8米,以减少粗细集料离析。
二、对碎石生产设备的技术要求1、基层集料与油面层集料必须二级以上破碎,一级破碎采用鄂破碎石机,二级破碎采用反击式破碎机或圆锥式破碎机。
必要时可配套安装整形机。
2、生产油面层集料的料场,均必须配置水洗除尘设备,保证各规格集料的粉尘含量不超过技术要求。
3、产量不得低于1600吨/天。
4、振动筛与筛网的配置,必须使集料产品满足某某高速公路对集料规格与分级的要求,筛网的配置可参考表1与表6的建议。
三、片石开采生产要求1、片石开采膛口的开采条件良好,盖山土薄、植被少、泥土与软弱夹层少(最好没有),容易清理干净。
做为油面层集料料场,方解石、石英等杂岩含量少。
2、片石膛口的材质良好,其成品集料的相关质量指标必须符合要求,做为凭证。
生产厂家必须在业主中心试验室与各驻地监理处的见证下,取样到具有交通部甲级试验检测资质的专业检测单位进行一套完整的相关质量指标的检测,并出具试验检测报告。
3、采石场应设专人管理片石质量。
4、在进行片石开采之前,盖山土与风化层必须清除干净。
沥青混凝土质量保证体系与措施1.材料质量保证1.1沥青路面材料技术要求1.1.1沥青路面使用材料的一般规定▪ 1 沥青路面使用的沥青、集料、矿粉各种材料应附有出厂合格证(出厂质量检验单)。
▪ 2 运至现场的主要原材料,到场后使用前必须进行见证取样检验,经评定合格才可使用。
对桶装沥青、沥青或改性沥青材料、纤维等工厂生产的材料,应有清晰的标识、生产日期和批号。
▪ 3 集料粒径规格以方孔筛为准,不同原料、品种、规格的集料不得混杂堆放。
同一个工程采用不同来源的材料时,应先调整料源振动筛筛网尺寸确保集料规格相同,保证集料外观一致,严格控制材料的变异性。
▪ 4 沥青材料可采用道路石油沥青或经乳化、稀释、调和、改性等工艺加工处理的石油沥青产品。
沥青材料的品种根据工程的使用条件,沥青面层类型,施工方法等情况选择。
▪ 5 材料进入施工现场时都应登记,签发材料验收单,验收单应包括材料来源、品种、规格、数量、使用目的、购置日期、存放地点等应予注明的事项。
1.1.2道路石油沥青▪ 1.1.2.1 沥青贮运站及沥青混合料拌和厂必须将不同来源、不同标号的沥青分开存放,不得混杂。
沥青使用期间,沥青在储罐中贮存的温度不宜低于130℃,且不得高于170℃。
在冬季停止施工期间,沥青可在低温状态下存放,桶装沥青应直立存放加盖苫布。
经较长时间存放的沥青在使用前应抽样检验,不符合质量要求的不得使用。
同一工程使用不同沥青时,应明确记录各种沥青所使用的路段桩号及部位。
▪ 1.1.2.2 道路石油沥青在贮运、使用及存放过程中应有良好的防水措施,并应避免雨水或加热管道蒸汽进入沥青贮存罐中。
1.1.3改性沥青▪ 1.1.3.1 改性沥青可采用高分子聚合物、天然沥青或其他改性剂制作,也可直接制造改性沥青混合料,以改善沥青路面的使用性能。
改性沥青通常在气候条件恶劣、交通繁重的路段及其他对沥青结合料性能要求较高的路段使用。
改性沥青使用的层位应根据其目的确定。
注:1坚固性试验可根据需要进行。
2用于城市快速路、主干路时,多孔玄武岩的视密度可放宽至2.45t/m3,吸水率可放宽至3%,但必须得到建设单位的批准,且不得用于SMA路面。
3对S14即3~5规格的粗集料,针片状颗粒含量可不予要求,小于0.075mm含量可放宽到3%。
4)粗集料的粒径规格应按表8.1.7-7的规定生产和使用。
表8.1.7-7 沥青混合料用粗集料规格3细集料应符合下列要求:1)含泥量,对城市快速路、主干路不得大于3%;对次干路及其以下道路不得大于5%。
2)与沥青的粘附性小于4级的砂,不得用于城市快速路和主干路。
3)细集料的质量要求应符合表8.1.7-8的规定。
4)沥青混合料用天然砂规格见表8.1.7-9。
5)沥青混合料用机制砂或石屑规格见表8.1.7-10。
中要求。
4矿粉应用石灰岩等憎水性石料磨制。
当用粉煤灰作填料时,其用量不得超过填料总量50%。
沥青混合料用矿粉质量要求应符合表8.1.7-11的规定。
5 纤维稳定剂应在250°C条件下不变质。
不宜使用石棉纤维。
木质纤维素技术要求应符合表8.1.7-12的规定。
8.1.9 沥青混合料配合比设计应符合国家现行标准《公路沥青路面施工技术规范》JTG F40的要求,并应遵守下列规定:1各地区应根据气候条件、道路等级、路面结构等情况,通过试验,确定适宜的沥青混合料技术指标。
2开工前,应对当地同类道路的沥青混合料配合比及其使用情况进行调研,借鉴成功经验。
3各地区应结合当地自然条件,充分利用当地资源,选择合格的材料。
8.1.10基层施工透层油或下封层后,应及时铺筑面层。
8.5.1 热拌沥青混合料面层质量检验应符合下列规定:主控项目1 热拌沥青混合料质量应符合下列要求:1)道路用沥青的品种、标号应符合国家现行有关标准和本规范第8.1节的有关规定。
检查数量:按同一生产厂家、同一品种、同一标号、同一批号连续进场的沥青(石油沥青每100t为1批,改性沥青每50t为1批)每批次抽检1次。
厂拌热再生沥青混凝土生产及路面施工的指导意见上海市市政工程研究院2006-4目录1 热再生沥青混合料适用层位与厚度要求 (1)2 材料要求 (2)2.1 旧沥青混合料 (2)2.2 再生剂 (2)2.3 粗集料 (2)2.4 细集料 (3)2.5 填料 (4)2.6 沥青结合料 (4)2.7 纤维稳定剂 (5)3 混合料的矿料级配 (6)4 再生沥青混合料的技术要求 (7)5 再生沥青混合料配合比设计 (8)5.1 目标配合比 (8)5.1.1 旧沥青材料组成分析 (8)5.1.2 回收沥青材料性能分析 (8)5.1.3 再生沥青混合料级配初定 (8)5.1.4 再生剂材料掺配比例的确定 (8)5.1.5 新沥青材料掺量确定 (8)5.1.6 性能验证试验 (8)5.2 生产配合比设计与调试 (9)5.2.1 冷料流量试验 (9)5.2.2 确定各热料仓矿料和矿粉的用量 (9)5.2.3 确定最佳油石比 (9)5.2.4 混合料性能检验 (9)5.2.5 生产配合比的验证 (9)6 再生沥青混合料的施工 (10)7 相关说明与注意事项 (12)1 热再生沥青混合料适用层位与厚度要求性能优好的热再生沥青混合料,适用于沥青路面表面层、中面层、下面层。
再生沥青混合料的最大粒径宜从上至下逐渐增大,并应与压实层厚度相匹配,沥青层一层的厚度不宜小于集料公称最大粒径的2.5~3.0倍。
2 材料要求2.1 旧沥青混合料用于工厂热再生的旧沥青混合料应干燥、洁净,无沥青粘结的砂石料不得多于沥青旧料质量的5%,含泥量不得大于1%,用于再生生产的旧沥青混合料颗粒尺寸应小于31.5(方孔筛)。
旧沥青混合料占热再生沥青混合料质量百分比比不超过30。
2.2 再生剂再生剂应具备以下性能:(1)与旧沥青材料有良好的相容性和较广的适应性;(2)改善旧沥青的路用性能;(3)不含蜡质成分;(4)性能稳定,并具有较长的时效;(5)易于储存,无毒害;(6)不含水分;(7)不得破坏沥青中的有效组分。
注:1坚固性试验可根据需要进行。
2用于城市快速路、主干路时,多孔玄武岩的视密度可放宽至2.45t/m3,吸水率可放宽至3%,但必须得到建设单位的批准,且不得用于SMA路面。
3对S14即3~5规格的粗集料,针片状颗粒含量可不予要求,小于0.075mm含量可放宽到3%。
4)粗集料的粒径规格应按表8.1.7-7的规定生产和使用。
表8.1.7-7 沥青混合料用粗集料规格1)含泥量,对城市快速路、主干路不得大于3%;对次干路及其以下道路不得大于5%。
2)与沥青的粘附性小于4级的砂,不得用于城市快速路和主干路。
3)细集料的质量要求应符合表8.1.7-8的规定。
4)沥青混合料用天然砂规格见表8.1.7-9。
5)沥青混合料用机制砂或石屑规格见表8.1.7-10。
中要求。
4矿粉应用石灰岩等憎水性石料磨制。
当用粉煤灰作填料时,其用量不得超过填料总量50%。
沥青混合料用矿粉质量要求应符合表8.1.7-11的规定。
技术要求应符合表8.1.7-12的规定。
8.1.9 沥青混合料配合比设计应符合国家现行标准《公路沥青路面施工技术规范》JTG F40的要求,并应遵守下列规定:1各地区应根据气候条件、道路等级、路面结构等情况,通过试验,确定适宜的沥青混合料技术指标。
2开工前,应对当地同类道路的沥青混合料配合比及其使用情况进行调研,借鉴成功经验。
3各地区应结合当地自然条件,充分利用当地资源,选择合格的材料。
8.1.10基层施工透层油或下封层后,应及时铺筑面层。
8.5.1 热拌沥青混合料面层质量检验应符合下列规定:主控项目1 热拌沥青混合料质量应符合下列要求:1)道路用沥青的品种、标号应符合国家现行有关标准和本规范第8.1节的有关规定。
检查数量:按同一生产厂家、同一品种、同一标号、同一批号连续进场的沥青(石油沥青每100t为1批,改性沥青每50t为1批)每批次抽检1次。
检验方法:查出厂合格证,检验报告并进场复检。
2)沥青混合料所选用的粗集料、细集料、矿粉、纤维稳定剂等的质量及规格应符合本规范第8.1节的有关规定。
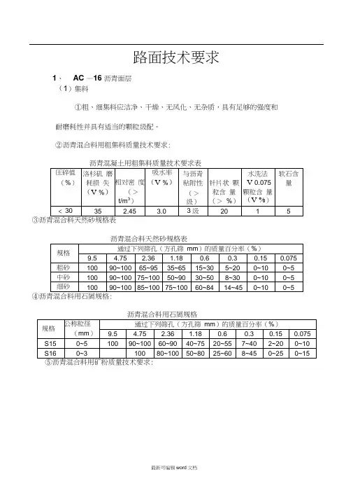
路面技术要求1、AC —16沥青面层(1)集料①粗、细集料应洁净、干燥、无风化、无杂质,具有足够的强度和耐磨耗性并具有适当的颗粒级配。
②沥青混合料用粗集料质量技术要求:沥青混凝土用粗集料质量技术要求表③沥青混合料天然砂规格表沥青混合料天然砂规格表④沥青混合料用石屑规格:沥青混合料用石屑规格⑤沥青混合料用矿粉质量技术要求:沥青混合料用矿粉质量技术要求⑥沥青混合料用细集料质量技术要求沥青混合料用细集料质量技术要求⑵沥青:沥青混合料的石油沥青采用道路石油沥青90号A级或B级沥青,沥青的规格和质量应符合《公路沥青路面施工技术规范》(JTGF40-2004表421-2的要求。
(2)粘层、下封层沥青采用热沥青,规格和质量同上要求。
(3)沥青混合料技术指标。
①沥青混合料矿料级配及沥青参考用量:沥青混合料矿料级配及沥青参考用量表②沥青混合料马歇尔技术指标沥青混合料马歇尔试验技术指标表试验项击实次空隙沥青饱稳定流值(4)沥青混合料压实度:沥青混合料的压实度,以马歇尔密度实验为标准密度时的压实度》96%,当以试验段为标准密度时》98%。
水泥稳定碎石基层基层应具有足够的强度和稳定性,为尽可能的减少基层的收缩裂缝,本项目路面基层采用水泥碎石结构,以碎石构成骨架,水泥作为填充混合料的骨架悬浮密实结构。
材料配合比及压实度: 材料配合比采用:水泥:碎石=5:95 基层压实度不小于98%, 7天抗压强度不小于0.8MP.(1)水泥稳定碎石基层:水泥稳定碎石基层:水泥稳定碎石集料级配应符合《公路沥青路面设计规范》(JTG D500-2006中的规定,水泥稳定碎石基层水泥计量为5%。
水泥稳定碎石基层七天齿龄无侧限抗压强度不低于3MP,压实度不小于98%,碎石:单位颗粒粒径最大不超过31.5mm,各级配等级应符合颗粒组成范围,压碎值不大于35%.②水泥:普通硅酸盐水泥、矿渣硅盐水泥和火山质硅酸盐水泥均可做结合料,宜选用终凝时间较长的水泥(初凝时间3h以上和终凝时间在6-10小时之间),不宜选用快硬水泥、早强水泥以及受潮易变质的水泥。
注:1坚固性试验可根据需要进行。
2用于城市快速路、主干路时,多孔玄武岩的视密度可放宽至m3,吸水率可放宽至3%,但必须得到建设单位的批准,且不得用于SMA路面。
3对S14即3~5规格的粗集料,针片状颗粒含量可不予要求,小于含量可放宽到3%。
4)粗集料的粒径规格应按表8.1.7-7的规定生产和使用。
表8.1.7-7 沥青混合料用粗集料规格3细集料应符合下列要求:1)含泥量,对城市快速路、主干路不得大于3%;对次干路及其以下道路不得大于5%。
2)与沥青的粘附性小于4级的砂,不得用于城市快速路和主干路。
3)细集料的质量要求应符合表8.1.7-8的规定。
表8.1.7-8 细集料质量要求注:坚固性试验可根据需要进行。
4)沥青混合料用天然砂规格见表8.1.7-9。
表8.1.7-9 沥青混合料用天然砂规格5)沥青混合料用机制砂或石屑规格见表8.1.7-10。
表8.1.7-10 沥青混合料用机制砂或石屑规格注:当生产石屑采用喷水抑制扬尘工艺时,应特别注意含粉量不得超过表中要求。
4矿粉应用石灰岩等憎水性石料磨制。
当用粉煤灰作填料时,其用量不得超过填料总量50%。
沥青混合料用矿粉质量要求应符合表8.1.7-11的规定。
表8.1.7-11 沥青混合料用矿粉质量要求5 纤维稳定剂应在250°C条件下不变质。
不宜使用石棉纤维。
木质纤维素技术要求应符合表8.1.7-12的规定。
表8.1.7-12 木质素纤维技术要求8.1.8 不同料源、品种、规格的原材料应分别存放,不得混存。
8.1.9 沥青混合料配合比设计应符合国家现行标准《公路沥青路面施工技术规范》JTG F40的要求,并应遵守下列规定:1各地区应根据气候条件、道路等级、路面结构等情况,通过试验,确定适宜的沥青混合料技术指标。
2开工前,应对当地同类道路的沥青混合料配合比及其使用情况进行调研,借鉴成功经验。
3各地区应结合当地自然条件,充分利用当地资源,选择合格的材料。
表& 1.7-6沥青混合料用粗集料质量技术要求注:1坚固性试验可根据需要进行。
2用于城市快速路、主干路时,多孔玄武岩的视密度可放宽至2.45t/m3,吸水率可放宽至3%,但必须得到建设单位的批准,且不得用于SMA路面。
3对S14即3〜5规格的粗集料,针片状颗粒含量可不予要求,小于0.075mm含量可放宽到3%。
4)粗集料的粒径规格应按表8.1.7-7的规定生产和使用。
表8.1.7-7沥青混合料用粗集料规格1)含泥量,对城市快速路、主干路不得大于3%;对次干路及其以下道路不得大于5%。
2)与沥青的粘附性小于4级的砂,不得用于城市快速路和主干路。
3)细集料的质量要求应符合表8.1.7-8的规定。
表8.1.7-8细集料质量要求注:坚固性试验可根据需要进行。
4)沥青混合料用天然砂规格见表8.1.7-9。
表8.1.7-9沥青混合料用天然砂规格5)沥青混合料用机制砂或石屑规格见表8.1.7-1C 。
表8.1.7-10沥青混合料用机制砂或石屑规格生 尘中要求。
4矿粉应用石灰岩等憎水性石料磨制。
当用粉煤灰作填料时,其用量不得 超过填料总量50%。
沥青混合料用矿粉质量要求应符合表 8.1.7-11的规定。
5纤维稳定剂应在250°C 条件下不变质。
不宜使用石棉纤维。
木质纤维素 技术要求应符合表8.1.7-12的规定。
& 1.88.1.9 沥青混合料配合比设计应符合国家现行标准《公路沥青路面施工技术规 范》JTG F40的要求,并应遵守下列规定:1 各地区应根据气候条件、道路等级、路面结构等情况,通过试验,确定适宜的沥青混合料技术指标。
2 开工前,应对当地同类道路的沥青混合料配合比及其使用情况进行调研,借鉴成功经验。
3 各地区应结合当地自然条件,充分利用当地资源,选择合格的材料。
8.1.10 基层施工透层油或下封层后,应及时铺筑面层。
8.5.1 热拌沥青混合料面层质量检验应符合下列规定:主控项目1 热拌沥青混合料质量应符合下列要求:1)道路用沥青的品种、标号应符合国家现行有关标准和本规范第8.1 节的有关规定。
设计文献有关材料技术规定沥青混合料技术规定(1)粗集料沥青混合料用粗集料质量技术规定表1所用粗集料应洁净、干燥、表面粗糙,形状方正、扁平、针片状旳成分较少。
质量应符合表2旳规定。
粗集料与沥青旳粘附性应不不不不大于4级。
(2)细集料沥青路面旳细集料包括天然砂、机制砂、石屑。
细集料应洁净、干燥、无风化、无杂质,并具有合适旳颗料级配,其质量应符合表3旳规定。
沥青混合料用细料质量表2(3)砂本项目公路路面用砂采用机轧砂,其规格应符合表4旳规定。
(4)石屑石屑是采石场破碎石料时通过4.75mm或2.36mm旳筛下部分。
采石场在生产石屑旳过程中应具有抽吸设备,沥青混合料中,选用S15。
石屑规格应符合表4旳规定。
沥青混合料用机制砂或石屑规格表 4(5)矿粉沥青混合料旳矿粉必须采用石灰岩或岩浆岩中旳强基性岩石等憎水性石料经磨细得到旳矿粉,原石料中旳泥土杂质应除净。
矿粉应干燥、洁净,能自由地从矿粉仓流出,其质量应符合表7.5旳技术规定。
拌和机旳粉尘可作为矿粉旳一部分回收使用。
但每盘用量不得超过填料总量旳25%,掺有粉尘填料旳塑性指数不得不不大于4%。
沥青混合料用矿粉质量规定表5(6)道路石油沥青旳技术规定选用90号A级沥青,所用沥青旳质量应符合表6规定旳技术规定。
沥青必须按品种、标号分开寄存。
除长期不使用旳沥青可放在自然温度下存储外,沥青在储罐中旳贮存温度不合适低于1300C,并不得高于1700C。
道路石油沥青在贮存,使用及寄存过程中应有良好旳防水措施,防止雨水或加热管道蒸汽进入沥青中。
道路石油沥青旳技术规定表6(7)沥青混合料矿料级配构成沥青混合料矿料级配构成见表7。
沥青混合料中矿料旳级配构成范围表73稀浆封层技术规定(1)乳化沥青乳化沥青应符合国家现行原则《乳化沥青路面施工及验收规程旳有关规定》;道路用乳化沥青技术规定表8注:[1] P为喷洒型,B为拌和型,C、A、N分别体现阳离子、阴离子、非离子乳化沥青;[2] 粘度可选用恩格拉粘度计或沥青原则粘度计之一测定;[3] 表中旳破乳速度、与集料旳粘附性、拌和试验旳规定与所使用旳石料品种有关,质量检查时应采用工程上实际旳石料进行试验,仅进行乳化沥青产品质量评估时可不规定此三项指标;[4] 贮存稳定性根据施工实际状况选用试验时间,一般采用5d,乳液生产后能在当日使用时也可用1d旳稳定性;[5] 当乳化沥青需要在低温冰冻条件下贮存或使用时,尚需按T 0656进行-5℃低温贮存稳定性试验,规定没有粗颗粒、不结块;[6] 假如乳化沥青是将高浓度产品运到现场经稀释后使用时,表中旳蒸发残留物等各项指标指稀释前乳化沥青旳规定。
沥青混合料用原材料质量要求及配合比调试摘要:对沥青混合料所用原材料的质量要求沥青,混合料配合比调试方法及调试过程中应该注意的事项进行分析。
关键词:原材料;质量;沥青混合料;配合比;调试Abstract: The quality of the asphalt mixture used in raw materials requirements asphalt mixture ratio, debugging and debugging process should be pay attention.Key words: raw materials; quality; asphalt mixture; with the ratio; debugging.中图分类号:TU535文献标识码: A 文章编号:2095-2104(2012)03-0020-02沥青路面具有表面平整、无接缝、行车舒适、耐磨、振动小、施工期短、养护维修简便等优点,因而得到非常广泛的应用。
施工前期对沥青混合料所用原材料质量、配合比调试方法及调试过程相当关键。
它对保证公路工程建设,提高沥青混凝土路面质量起到重要的作用。
凭本人的工作经验谈一谈沥青混合料所用原材料质量要求及配合比调试。
1 原材料原材料是沥青混合料的基础,它的好坏直接影响到沥青混凝土以及现场摊铺压实路面的质量。
1.1 石油沥青:沥青路面一般采用道路石油沥青,或经过乳化、稀释、调和、改性等工艺加工处理的石油沥青产品作为结合料。
我国道路石油沥青已针入度指标分为7个标号、分为A、B、C三个等级。
每一种标号的石油沥青技术指标见《公路沥青路面施工技术规范》JTJ F40-2004中表4.2.1-2所示,适用于不同等级的公路和不同的结构层次见表4.2.1-1所示。
石油沥青标号与等级的选择是影响沥青路面路用性能的重要因素。
一般应根据公路等级、路面类型、结构层次、气候区划和施工季节等因素,综合考虑,论证后确定设计要求使用的沥青是否适用于此工程。
沥青混合料用粗集料技术要求
第一,选择粗集料要根据工程要求进行合理选用。
一般情况下,应优
先选择地方资源的石料为粗集料,因为这样可以减少运输成本。
同时,还
要考虑石料的强度、抗压性能等指标,以保证混合料的质量。
第二,对粗集料进行合理分类。
粗集料应按照细度进行分级,根据需
要进行不同级别的筛分。
采用分级分类可以减少杂质的含量,提高沥青混
合料的稳定性和抗剥离性能。
第三,进行粗集料的筛分工作。
筛分是指将粗集料按照一定间距的孔
径进行筛分,以得到满足要求的石料。
筛分应采用合适的筛网和筛分机械
设备,以保证筛分效果。
第四,粗集料应具备一定的粒形要求。
粗集料的粒形要求是指粗集料
颗粒的形状、顶角、表面质量等指标的要求。
一般来说,粗集料颗粒应具
有坚固的结构,表面应光洁无破碎、无粉尘、无薄片状等缺陷。
第五,粗集料应具有较好的抗磨性能。
抗磨性是指粗集料在交通载荷
和车辆行驶时不发生磨耗和脱落的性能。
为了满足这一要求,应选择硬度
较高、磨耗较小的石料作为粗集料。
第六,粗集料应具有一定的抗冻性能。
抗冻性是指在低温环境下,粗
集料不发生裂纹、脱落等现象。
对于需要在寒冷地区使用的沥青混合料,
粗集料应具备较好的抗冻性能,以保证道路的使用寿命和安全性。
综上所述,沥青混合料用粗集料技术要求主要包括选择合适的粗集料、合理分类、正确筛分、具备良好的粒形和抗磨、抗冻性能等方面。
这些技
术要求能够有效地提高沥青混合料的质量和使用寿命,保证道路的安全和
标准施工。