静态流量平衡阀-SP45F静态流量平衡阀
- 格式:doc
- 大小:889.97 KB
- 文档页数:19
静态平衡阀静态平衡阀是一种自动调节液体流量的控制器。
其主要作用是通过调节阀芯的开度,来稳定管道的液体流量。
静态平衡阀的主要组成部分有阀体、阀芯和连接管道。
本文将对静态平衡阀的原理、工作方式和应用场景进行全面介绍。
原理静态平衡阀的核心原理是利用液体的静态压力来控制液体的流量。
当管道里的液体流动时,液体的速度将会改变,产生压力差,使得流量出现波动。
静态平衡阀通过阀芯的调节,使得阀体中液体的静态压力保持不变,从而稳定管道中的流量。
阀芯的调节实际上是根据预设的开度来确定阀芯的位置。
当阀芯开启一定程度时,管道中液体的流量将被限制在一个相对稳定的范围内。
阀芯的开度越小,管道中的流量越小,反之亦然。
需要注意的是,静态平衡阀只能控制液体在管道内的流量,而不能控制管道的压力。
因此,如果需要控制管道的压力,应当考虑其他类型的控制器,例如压力调节器等。
工作方式静态平衡阀的工作方式主要分为手动和自动两种。
手动控制手动控制方式是通过手动旋钮或者螺丝来改变阀芯的开度,从而控制管道内液体的流量。
这种方式适用于一些简单易用的场景,例如小型实验室或者个人制作的装置中,手动控制方式是更为常见的。
自动控制自动控制方式是将阀芯的开度连接到控制系统中,通过传感器等技术手段来实现自动调节液体流量的目的。
这种方式适用于对流量要求较高、需要长时间稳定运行的场景,例如工业控制系统中的流量控制。
应用场景静态平衡阀适用于需要稳定控制液体流量的场景,常见的应用场景包括:1.实验室:在一些化学实验中,需要严格控制化学反应中的液体流量。
2.自来水调节:在水力供应系统中,为了控制水压和管道的安全运行,需要使用同步调节的静态平衡阀。
3.工业流程控制:在化工、生产线等大型生产场景中,为了控制生产流程和确保生产线稳定运行,需要准确控制液体流量。
结论静态平衡阀是一种非常实用的液体流量控制器,在各个领域都有着广泛的应用。
了解静态平衡阀的原理和功能,对于正确选择控制器和确保生产流程稳定运行具有重要的意义。
平衡阀,静态平衡阀及动态平衡阀基本工作原理介绍暖通空调系统一、暖通空调系统常见的几种水力平衡设备:暖通空调系统常见的水力平衡设备主要有用于消除静态水力失调、实现静态水力平衡的静态水力平衡阀和用于消除动态水力失调、实现动态水力平衡的动态压差平衡阀、动态流量平衡阀、动态平衡电动开关阀、"动态压差平衡阀与电动调节阀组合"以及一体式动态平衡电动调节阀等。
1、静态平衡阀:静态平衡阀是消除暖通空调水系统静态水力失调、实现静态水力平衡的主要设备。
静态平衡阀实质上是一个具有明确的"流量-压差-开度"关系、清晰可调的开度指示以及良好调节特性的阻尼调节元件。
在暖通空调水系统中,静态平衡阀保证的不是系统中单个管道的流量值,它要维持的是在系统初调试时,通过静态平衡阀的调节作用,使系统中各个管路的流量比值与设计流量的比值一致,这样当系统的总流量等于设计总流量时,各个末端设备及管道的流量也同时达到设计流量。
静态平衡阀主要应用于系统分集水器、分支管道以及末端设备处。
2、动态压差平衡阀:动态压差平衡阀是消除暖通空调系统动态水力失调、实现动态平衡的主要设备之一。
动态压差平衡阀具有关键点定压差功能,它通过阀门内部的自力式机构,能自动地将系统两个关键点之间的压差恒定在设定压差值。
基于全面水力平衡系统对分系统定压、分级定压以及设备定压的要求,动态压差平衡阀广泛地应用在系统主管、分支管道以及各种末端设备处。
3、动态流量平衡阀:动态流量平衡阀是消除系统动态水力失调的设备之一。
动态流量平衡阀实质是在一定的压差范围内维持管道的流量始终不变,流量值的大小可以根据系统要求进行定制,因此它又叫做"定流量平衡阀"。
动态流量平衡阀主要应用于水力系统中要求保持流量不变的管道,如冷水机组冷冻、冷却水管以及采用变风量调节系统制冷供热量的末端设备管道处。
4、动态平衡电动开关阀:动态平衡电动开关阀是暖通空调水系统消除动态水力失调、实现动态平衡的主要设备之一。
静态平衡阀工作原理
静态平衡阀是一种用于控制液体或气体流动的装置,其主要作用是保持流体在管道中的压力恒定。
静态平衡阀由阀体、阀瓣和阀座三部分组成。
阀体包括进口和出口通道,液体或气体从进口通道流入,经过阀座的控制孔进入出口通道。
阀瓣则通过阀杆与阀座连接,可以上下移动,从而控制阀座控制孔的开闭程度。
静态平衡阀的工作原理基于流体静力学的原理。
当流体流经阀座控制孔时,由于流体的惯性和阻力,会产生一定的压力损失。
而静态平衡阀中的阀瓣的位置可以根据流量的大小来调节阀座控制孔的开口面积,从而控制流体通过阀体的速度和压力。
当流体的流量增大时,阀瓣会上移,阀座控制孔的开口面积增大,从而减小阻力,使流体通过阀体的速度和压力增大。
相反,当流体的流量减小时,阀瓣会下移,阀座控制孔的开口面积减小,增加阻力,使流体通过阀体的速度和压力减小。
通过这种调节阀座控制孔开闭程度的方式,静态平衡阀可以实现流体压力的稳定控制。
当进口压力发生变化时,阀瓣会自动调节位置,使得阀座控制孔的开口面积适应变化,从而保持出口压力不变。
静态平衡阀广泛应用于工业生产和管道运输中,可以控制液体和气体的流量和压力,保证管道系统的安全运行和流体传输的稳定性。
平衡阀>>数字式平衡阀>>数字锁定平衡阀产品详细信息超高压截止阀是高压截止阀的一种。
主要用于对压力要求比较高的行业。
其常规连接方法有焊接和螺纹2种.对焊是指其连接方式是采用对焊的。
主要应用于化工和医药等领域。
由于是采用焊接方式。
拆换比较不方便。
主用适用维超高压截止阀是高压截止阀的一种。
主要用于对压力要求比较高的行业。
其常规连接方法有焊接和螺纹2种.对焊是指其连接方式是采用对焊的。
主要应用于化工和医药等领域。
由于是采用焊接方式。
拆换比较不方便。
主用适用维修不是很频繁磨损利比较低的地方。
国内主要的生产厂家是江苏阜宁鑫盛源阀门制造厂。
截止阀是指关闭件(阀瓣)沿阀座中心线移动的阀门。
根据阀瓣的这种移动形式,阀座通口的变化是与阀瓣行程成正比例关系。
由于该类阀门的阀杆开启或关闭行程相对较短,而且具有非常可靠的切断功能,又由于阀座通口的变化与阀瓣的行程成正比例关系,非常适合于对流量的调节。
因此,这种类型的阀门非常适合作为切断或调节以及节流使用。
截止阀最明显的优点是:(l)在开启和关闭过程中,由于阀瓣与阀体密封面间的摩擦力比闸阀小,因而耐磨.(2)开启高度一般仅为阀座通道直径的l/4,因此比闸阀小得多。
(3)通常在阀体和阀瓣上只有一个密封面,因而制造工艺性比较好,便于维修。
但是,截止阀的缺点也是不容忽视的。
其缺点主要是流阻系数比较大,因此造成压力损失,特别是在液压装置中,这种压力损失尤为明显?采购前阀门选型的步骤和依据:在流体管道系统中,阀门是控制元件,其主要作用是隔离设备和管道系统、调节流量、防止回流、调节和排泄压力。
由于管道系统选择最适合的阀门显得非常重要,所以,了解阀门的特性及选择阀门的步骤和依据也变得至关重要起来。
阀门行业到目前为止,已能生产种类齐全的闸阀、截止阀、节流阀、旋塞阀、球阀、电动阀、隔膜阀、止回阀、安全阀、减压阀、蒸汽疏水阀和紧急切断阀等12大类、3000多个型号、4000多个规格的阀门产品;最高工作压力为600MPa,最大公称通径达5350mm,最高工作温度为1200℃,最低工作温度为-196℃,适用介质为水、蒸汽、油品、天然气、强腐蚀性介质(如浓硝酸、中浓度硫酸等)、易燃介质(如笨、乙烯等)、有毒介质(如硫化氢)、易爆介质及带放射性介质(金属钠、-回路纯水等)。
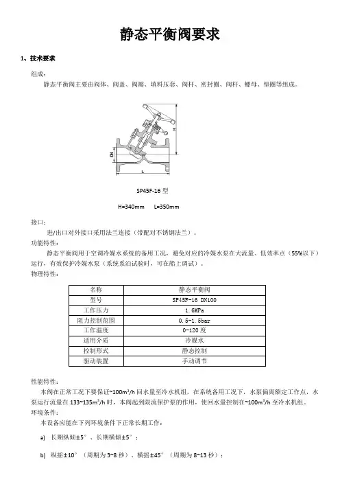
静态平衡阀目录流量静态平衡阀平衡阀>>静态平衡阀>>静态流量平衡阀产品名称:静态流量平衡阀产品型号:SP45F产品口径:DN15-350产品压力:0.6-6.4MPa产品材质:铸钢、不锈钢、合金钢等产品概括:生产标准:国家标准GB 、机械标准JB 、化工标准HG 、美标API 、ANSI 、德标DIN 、日本JIS 、JPI 、英标BS 生产。
阀体材质:铜、铸铁、铸钢、碳钢、WCB 、WC6、WC9、20#、25#、锻钢、A105、F11、F22、不锈钢、304、304L 、316、316L 、铬钼钢、低温钢、钛合金钢等。
工作压力1.0Mpa-50.0Mpa 。
工作温度:-196℃-650℃。
连接方式:内螺纹、外螺纹、法兰、焊接、对焊、承插焊、卡套、卡箍。
驱动方式:手动、气动、液动、电动。
产品详细信息静态流量平衡阀概述:SP45F静态流量平衡阀是一种具有数字锁定特殊功能的调节型阀门,采用直流型阀体结构,具有更好的等百分比流量特性,能够合理地分配流量,有效地解决供热(空调)系统中存在的室温冷热不均问题。
同时能准确地调节压降和流量,用以改善管网系统中液体流动状态,达到管网液体平衡和节约源的目的。
阀门设有开启度指示、开度锁定装置及用于流量测定的测压小阀,只要在各支路及用户入口装上适当规格的平衡阀,并用专用智能仪表进行一次性调试后锁定,将系统的总水量控制在合理的范围内、从而克服了“大流量,小温差”的不合理现象。
该产品是供热系统中的理想产品。
既可安装在供水管上,也可以安装在回水管上,一般我们建议安装在回水管上,尤其对于高温环路,为方便调试,更要装在回水管上,安装了平衡阀的供(回)水管不必再设截止阀。
静态流量平衡阀主要零件材料:零件名称阀体、阀盖阀杆阀瓣密封垫材料灰铸铁、球墨铸铁、铸钢不锈钢球墨铸铁橡胶石棉板静态流量平衡阀主要技术参数:公称压力(MPa)壳体试验压力(MPa)适用温度适用介质特性曲线安装使用范围1.62.4≤120℃水、油等非腐蚀性液体等百分比管网系统主干、分支干、室内供水干管、分支立管及多台锅炉静态流量平衡阀主要连接尺寸:型号公称通径(mm)尺寸(mm)L H SP15F-251510012820115128251251303214015040160187 SP45F-16/253218023040200242502302506529026080310329100350340125400424150480454200550517250622573300698617350787705。
静态平衡阀的使用方法摘要:一、静态平衡阀简介二、静态平衡阀的作用与原理三、静态平衡阀的使用方法四、注意事项五、常见问题与解决办法正文:一、静态平衡阀简介静态平衡阀,又称静态调节阀,是一种用于流体系统中,能有效调节流量的阀门。
它主要由阀体、阀芯、驱动装置等组成,具有结构简单、操作方便、调节精度高等特点。
在工业、建筑、环保等领域有着广泛的应用。
二、静态平衡阀的作用与原理静态平衡阀的作用主要是调节流体的流量,以满足生产、工艺或设备的要求。
其工作原理是利用阀芯的移动来改变阀的开度,从而调节流体的流量。
静态平衡阀具有流量特性好、压力损失小、密封性能好等优点。
三、静态平衡阀的使用方法1.安装前,应根据设计图纸和实际工况,选择合适的静态平衡阀型号和规格。
2.安装时,应注意阀体的方向,确保阀体上的箭头指向流体的流动方向。
3.开启阀门时,缓慢转动阀杆,直至阀门开启到所需的开度。
4.关闭阀门时,缓慢转动阀杆,直至阀门关闭严密。
5.在使用过程中,如发现阀门不能正常开启或关闭,应检查阀杆、阀芯等部件是否损坏,并及时更换。
四、注意事项1.安装时,避免阀门受到撞击,以免损坏阀门。
2.定期检查阀门的开度,确保阀门在正常工作范围内。
3.定期清洗阀门,保持阀门及其周围环境的清洁。
4.严禁在阀门上施加过大的扭矩,以免损坏阀门。
五、常见问题与解决办法1.阀门无法开启:检查阀杆、阀芯等部件是否损坏,及时更换。
2.阀门无法关闭:检查阀芯是否卡死,清洗阀门,排除异物。
3.阀门泄漏:检查阀芯、阀座等密封件是否损坏,及时更换。
4.阀门无法调节流量:检查阀芯是否损坏,及时更换。
平衡阀与定流量和变流量系统平衡阀是一种特殊功能的阀门,它具有良好的流量特性,有阀门开启度指示,开度锁定装置及用于流量测定的测压小阀。
一、分类与工作原理1.静态平衡阀:静态平衡阀亦称为手动平衡阀或手动调节阀,是可进行流量测定和调节的阀门,其操作方式是人工手动调节。
该平衡阀原理为可变流量的孔板,并带有关断功能。
通过测量阀门前后测量孔的压降,结合阀门开度的读数,便能换算出阀门调节后的流量。
静态平衡阀实质上是一个具有明确的“流量-压差-开度”关系、清晰可调的开度指示以及良好调节特性的阻尼调节元件。
2.动态流量平衡阀:动态流量平衡阀亦称自力式流量控制阀、定流量平衡阀等,是一种在阀体前后一定的压差范围内能自动保持管道的流量始终不变的阀门。
其工作原理是通过改变平衡阀的阀芯的过流面积来适应阀门前后压差的变化,从而达到控制流量的目的。
即在一定压差范围内无论阀门入口流量如何变化均可保证其出口流量恒定。
它相当于一个局部阻力可变的节流元件,该元件由可变过流面积的阀胆和高精度(±5%)的弹簧及支撑装置构成。
弹簧受压差的作用自动控制阀胆上过流面积的大小,从而使通过阀门的流量恒定。
流量值的大小可以根据系统要求进行定制。
3.动态压差控制阀:动态压差控制阀亦称自力式压差控制阀、定压差阀、动态压差平衡阀等,其工作原理:其阀体可设定压差值,通过调整阀门自身的开度,能自动将系统两个关键点之间的压差恒定在设定压差值。
动态压差控制阀是基于弹簧-隔膜组合的方法进行设计的。
4.动态平衡电动二通开关阀:具有动态平衡和电动开关功能,当阀门开启时,它能动态地将管道的实际流量恒定在设计流量值,并不受系统压力波动的影响。
5.组合式或一体式动态平衡电动调节阀:是将动态压差平衡阀与电动调节阀组合,一体式动态平衡电动调节阀是把动态压差平衡阀与电动调节阀集成在一个阀体内。
它既具有动态平衡功能,即能动态地平衡系统的压力波动,使流经管道的流量不受系统压力波动的影响,又具有电动调节功能,即能根据目标区域的负荷变化自动地调节开度从而调节流量值,保证目标区域的温度始终恒定在设定温度。
平衡阀标准全国一季度电力供需与经济运行数据近期相继出炉。
受经济快速增长的拉动,一季度全国用电需求达到7189.12亿千瓦时,同比增长14.92%,增幅同比提高3.2个百分点,保持了较快的增长速度。
其中,第二产业用电量以16.86%的增长率位居三次产业和城乡居民生活用电量之首。
电力消费增加,电力供应能力也持续增强。
一季度,全国新投产机组1312.82万千瓦;二季度,去年投产的发电机组将逐步形成稳定的生产力;水电即将进入丰水期,由此,中电联秘书长王永干分析说:“电力供需紧张形势在2007年将全面缓解,全国电力供需总体基本平衡,部分地区甚至存在一定程度的容量富裕。
”工业用电快速增长结构重型化趋势明显据中电联4月29日发布的《一季度全国电力供需与经济运行形势分析预测》显示,全国一季度工业用电量5400.16亿千瓦时,同比增长16.83%,比去年同期提高5.51%;轻、重工业用电量分别同比增长平衡阀>>法兰式平衡阀>>法兰式平衡阀产品名称:法兰式平衡阀产品型号:KPF产品口径:DN15-600产品压力:0.6-6.4MPa产品材质:铸钢、不锈钢、合金钢等产品概括:生产标准:国家标准GB、机械标准JB、化工标准HG、美标API、ANSI、德标DIN、日本JIS、JPI、英标BS生产。
阀体材质:铜、铸铁、铸钢、碳钢、WCB、WC6、WC9、20#、25#、锻钢、A105、F11、F22、不锈钢、304、304L、316、316L、铬钼钢、低温钢、钛合金钢等。
工作压力1.0Mpa-50.0Mpa。
工作温度:-196℃-650℃。
连接方式:内螺纹、外螺纹、法兰、焊接、对焊、承插焊、卡套、卡箍。
驱动方式:手动、气动、液动、电动。
产品详细信息0 0 99首页>>产品中心>>截止式流量平衡阀一、产品[截止式流量平衡阀]的详细资料:产品型号:KPF产品名称:截止式流量平衡阀产品特点:平衡阀是一种具有特殊功能的阀门。
静态平衡阀工作原理
静态平衡阀是一种常见的控制阀,其工作原理主要通过平衡力来实现流体的控制和调节。
静态平衡阀通常由阀体、阀芯、阀座、弹簧等部件组成。
在正常工作状态下,静态平衡阀通过调节阀芯的位置来控制流体的流量,从而实现对系统压力的调节和稳定。
首先,静态平衡阀的工作原理基于流体力学的基本原理。
当流体通过阀门时,阀芯的位置决定了流体通道的大小,进而影响了流体的流速和压力。
静态平衡阀利用阀芯位置的微小调整来控制流体的通量,从而实现对系统压力的调节。
其次,静态平衡阀的工作原理还涉及到平衡力的作用。
在静态平衡阀中,阀芯通常受到压力的作用,同时还受到弹簧的平衡力的影响。
当系统压力发生变化时,阀芯的位置会随之调整,以保持系统压力的稳定。
这种平衡力的作用使得静态平衡阀能够快速响应系统压力的变化,并迅速实现流量的调节。
另外,静态平衡阀的工作原理还涉及到阀座的设计。
阀座通常具有一定的流体动力学设计,可以减小流体的阻力和压降,从而提高系统的效率和稳定性。
静态平衡阀通过合理设计阀座结构,可以实现更精准的流量控制和更稳定的系统压力。
总之,静态平衡阀的工作原理是基于流体力学的基本原理和平衡力的作用,通过对阀芯位置的微小调整,实现对流体的精确控制和系统压力的稳定调节。
合理的阀座设计也是实现静态平衡阀高效工作的重要因素。
静态平衡阀在工业控制系统中具有广泛的应用,能够有效实现流体控制和系统压力的稳定,对提高系统的效率和可靠性具有重要意义。
静态流量平衡阀是一种用于调节流体流量的装置,其工作原理基于压力差控制和流体流动的平衡原理。
下面是静态流量平衡阀的工作原理的简要说明:
压力差控制:静态流量平衡阀通过调节其开启程度来控制流体通过阀门的压力差。
当阀门开度增加时,流体通过阀门的通道减小,从而增加了流体的速度,导致压力降低。
相反,当阀门开度减小时,通道变窄,流体速度减小,导致压力升高。
流体流动平衡:静态流量平衡阀的设计目的是使流体通过阀门的速度保持稳定,从而实现流量的平衡。
通过调节阀门的开度,可以使流体在通过阀门时保持恒定的流速和流量,不受外部压力变化的影响。
具体的工作原理可以进一步细化为以下步骤:
流体进入阀门:流体通过管道进入静态流量平衡阀。
阀门调节:阀门的开度由操作员或自动控制系统调节。
阀门的开度调节会导致阀门通道的尺寸变化。
压力差调节:随着阀门开度的变化,阀门通道的尺寸会调整流体通过阀门的速度和压力差。
当阀门通道较大时,流体速度较快,压力降低;当阀门通道较小时,流体速度较慢,压力升高。
流体出口:调整后的流体从阀门的出口流出,通过管道继续传输或用于特定的应用。
静态流量平衡阀通常应用于需要精确控制流量的场合,如供水系统、暖通空调系统等。
它们可以提供稳定的流量控制,使系统能够在不同负载和压力条件下保持稳定运行。
一、产品概述SP45F、SP15F数字锁定平衡阀是一种具有数字锁定特殊功能的调节型阀门,采用直流型阀体结构,具有更好的等百分比流量特性,能够合理地分配流量,有效地解决供热(空调)系统中存在的室温冷热不均问题。
同时能准确地调节压降和流量,用以改善管网系统中液体流动状态,达到管网液体平衡和节约源的目的。
阀门设有开启度指示、开度锁定装置及用于流量测定的测压小阀,只要在各支路及用户入口装上适当规格的平衡阀,并用专用智能仪表进行一次性调试后锁定,将系统的总水量控制在合理的范围内、从而克服了“大流量,小温差”的不合理现象。
该产品是供热系统中的理想产品。
既可安装在供水管上,也可以安装在回水管上,一般我们建议安装在回水管上,尤其对于高温环路,为方便调试,更要装在回水管上,安装了平衡阀的供(回)水管不必再设截止阀。
二、主要零件材料零件名称阀体、阀盖阀杆阀瓣密封垫材料灰铸铁、球墨铸铁、铸钢不锈钢球墨铸铁橡胶石棉板三、主要技术参数公称压力(MPa) 壳体试验压力(MPa)适用温度适用介质特性曲线安装使用范围1.62.4 ≤120℃水、油等非腐蚀性液体等百分比管网系统主干、分支干、室内供水干管、分支立管及多台锅炉四、主要连接尺寸型号公称通径(mm)尺寸(mm)L HSP15F-25 15 100 128 20 115 128 25 125 130 32 140 150 40 160 187SP45F-16/2532 180 230 40 200 242 50 230 250 65 290 260 80 310 329 100 350 340 125 400 424 150 480 454 200 550 517 250 622 573 300 698 617 350 787 705。
平衡阀>>静态平衡阀>>静态流量平衡阀产品详细信息
其它阀系列价格
供用户或设计院工程项目做预算
电动二通阀价格
底阀价格
电动二通阀价格
呼吸阀阻火器价格
流量计价格
水处理器价格
橡胶接头价格
一、阀门的选型步骤
1.明确阀门在设备或装置中的用途,确定阀门的工作条件:适用介质、工作压力、工作温度等等。
2.确定与阀门连接管道的公称通径和连接方式:法兰、螺纹、焊接等。
3.确定操作阀门的方式:手动、电动、电磁、气动或液动、电气联动或电液联动等。
4.根据管线输送的介质、工作压力、工作温度确定所选阀门的壳体和内件的材料:灰铸铁、可锻铸铁、球墨铸铁、碳素钢、合金钢、不锈耐酸钢、铜合金等。
5.确定阀门的型式:闸阀、截止阀、球阀、蝶阀、节流阀、安全阀、减压阀、蒸汽疏水阀、等。
6.确定阀门的参数:对于自动阀门,根据不同需要先确定允许流阻、排放能力、背压等,再确定管道的公称通径和阀座孔的直径。
7.确定所选用阀门的几何参数:结构长度、法兰连接形式及尺寸、开启和关闭后阀门高度方向的尺寸、
连接的螺栓孔尺寸和数量、整个阀门外型尺寸等。
8.利用现有的资料:阀门产品目录、阀门产品样本等选型适当的阀门产品。
二、阀门的选型依据
1.所选用阀门的用途、使用工况条件和操纵控制方式。
2.工作介质的性质:工作压力、工作温度、腐蚀性能,是否含有固体颗粒,介质是否有毒,是否是易燃、易爆介质,介质的黏度等等。
3.对阀门流体特性的要求:流阻、排放能力、流量特性、密封等级等等。
4.安装尺寸和外形尺寸要求:公称通径、与管道的连接方式和连接尺寸、外形尺寸或重量限制等。
⑤对阀门产品的可靠性、使用寿命和电动装置的防爆性能等的附加要求。
(在选定参数时应注意:如果阀门要用于控制目的,必须确定如下额外参数:操作方法、最大和最小流量要求、正常流动的压力降、关闭时的压力降、阀门的最大和最小进口压力。
)根据上述选型阀门的依据和步骤,合理、正确地选型阀门时还必须对各种类型阀门的内部结构进行详细了解,以便能对优先选用的阀门做出正确的抉择。
管道的最终控制是阀门。
阀门启闭件控制着介质在管道内的流束方式,阀门流道的形状使阀门具备一定的流量特性,在选型管道系统最适合安装的阀门时必须考虑到这一点。
三、阀门选型原则
1.截止和开放介质用的阀门流道为直通式的阀门,其流阻较小,通常选型作为截止和开放介质用的阀门。
向下闭合式阀门(截止阀、柱塞阀)由于其流道曲折,流阻比其他阀门高,故较少选用。
在允许有较高流阻的场合,可选用闭合式阀门。
2.控制流量用的阀门通常选型易于调节流量的阀门作为控制流量用。
向下闭合式阀门(如截止阀)适于这一用途,因为它的阀座尺寸与关闭件的行程之间成正比关系。
旋转式阀门(旋塞阀、蝶阀、球阀)和挠曲阀体式阀门(夹紧阀、隔膜阀)也可用于节流控制,但通常只能在有限的阀门口径范围内适用。
闸阀是以圆盘形闸板对圆形阀座口做横切运动,它只有在接近关闭位置时,才能较好地控制流量,故通
常不用于流量控制。
3.换向分流用的阀门根据换向分流的需要,这种阀门可有三个或更多的通道。
旋塞阀和球阀较适用于这一目的,因此,大部分用于换向分流的阀门都选取这类阀门中的一种。
但是在有些情况下,其他类型的阀门,只要把两个或更多个阀门适当地相互连接起来,也可作换向分流用。
4.带有悬浮颗粒的介质用阀门当介质中带有悬浮颗粒时,最适于采用其关闭件沿密封面的滑动带有擦拭作用的阀门。
如果关闭件对阀座的来回运动是竖直的,那末就可能夹持颗粒,因此这种阀门除非密封面材料可以允许嵌入颗粒,否则只适用于基本清洁的介质。
球阀和旋塞阀在启闭过程中对密封面均有擦拭作用,故适宜用在带有悬浮颗粒的介质中。
目前,无论在石油、化工,还是在别的行业的管道系统,阀门应用、操作频率和服务千变万化,要控制或杜绝那怕是低微的泄漏,最重要、最关键的设备还数阀门。
管道的最终控制是阀门,阀门在各个领域的服务和可靠表现是独一无二的。