砖砌块出厂合格证及进场检验报告审批稿
- 格式:docx
- 大小:31.93 KB
- 文档页数:11
砌墙砖检验报告范文砌墙砖是建筑施工中常见的一项工作,其质量的好坏直接关系到墙体的稳定性和美观程度。
为了确保砌墙砖的质量,必须进行检验。
以下是一个砌墙砖检验报告的例子。
一、检验目的本次检验旨在对砌墙砖进行质量检验,以确认其符合相关标准要求,确保砌墙砖的质量稳定和安全性。
二、检验对象本次检验的对象是XXX工程的砌墙砖。
三、检验标准四、检验项目和方法1.外观检验:对砌墙砖的表面进行检查,观察是否有明显的开裂、变形、破损等缺陷。
2.尺寸检验:对砌墙砖的尺寸进行测量,包括长度、宽度和厚度等。
3.抗压强度检验:选取一定数量的砌墙砖样品进行抗压强度测试,通过施加一定的压力来测量砖的抗压能力。
4.吸水率检验:选取一定数量的砌墙砖样品进行吸水率测试,浸泡砖样一定时间后,测量其质量差异,进而计算吸水率。
五、检验结果1.外观检验:经过仔细观察,砌墙砖表面没有明显的开裂、变形或破损等缺陷。
2. 尺寸检验:砌墙砖的尺寸符合标准要求,长度为200mm,宽度为100mm,厚度为50mm。
3.抗压强度检验:从砌墙砖样品中随机选取10块进行抗压强度测试,结果如下表所示:编号抗压强度(MPa)1 14.52 13.83 14.34 14.25 14.46 13.97 14.18 14.09 14.610 14.3平均抗压强度为14.2MPa,符合标准要求,要求的最小抗压强度为10MPa。
4.吸水率检验:从砌墙砖样品中随机选取10块进行吸水率测试,结果如下表所示:编号干燥质量(g)浸水后质量(g)吸水率1 300 312 4%2 298 311 4.36%3 301 314 4.32%4 297 309 3.69%5 299 313 4.68%6 300 314 4.67%7 298 311 4.36%8 296 307 3.72%9 295 309 4.24%10 297 310 4.04%平均吸水率为4.14%,符合标准要求,要求的最大吸水率为6%。
进场材料验收规范篇一:建设工程材料进场验收内容工程材料进场验收内容原材料出厂合格证书及进场检(试)验报告钢材出厂合格证及进场检验报告Ⅰ基本要求和内容(1)凡结构设计施工图所配各种受力钢筋应有钢筋出厂合格证及力学性能现场抽样检验报告单,出厂合格证备注栏中应由施工单位注明单位工程名称、使用部位和进场数量。
(2)钢筋在加工过程中,如发现脆断、焊接性能不良或力学性能显著不正常现象,应进行化学成分检验或其它专项检验,并做出鉴定处理结论。
(3)使用进口钢筋应有商检证及主要技术性能指标。
进场后应严格遵守先检验后使用的原则进行力学性能及化学成分检验,其各项指标符合国产相应级别钢筋的技术标准及有关规定后,方可根据其应用范围用于工程。
当进口钢筋的国别及强度级别不明时,可根据检验结果确定钢筋级别,但不应用在主要承重结构的重要部位。
(4)冷拉钢筋、冷拔钢筋、冷轧扭钢筋、冷轧带肋钢筋除应有母材的出厂合格证及力学性能检验报告外,还应有冷拉、冷拔、冷轧后的钢筋出厂合格证及力学性能现场抽样检验报告。
(5)预应力砼工程所用的热处理钢筋、钢绞线、碳素钢丝、冷拔钢丝等材料应有出厂合格证及力学性能现场抽样检验报告,其技术性能和指标应符合设计要求及有关标准规范的规定。
(6)无粘结预应力筋(系指带有专用防腐油脂涂料层和外包层的无粘结预应力筋)现场抽样检验的力学性能技术指标应符合《钢绞线、钢丝束无粘结预应力筋》JG3006的要求。
防腐润滑脂应提供合格证,其有关指标必须符合《无粘结预应力筋专用防腐润滑脂》JG3007标准的规定。
(7)预应力筋用锚具、夹具和连接器应有出厂合格证,进场后应按批抽样检验并提供检验报告,其指标应符合标准后方可用于工程。
无合格证时,应按国家标准进行质量检验。
预应力筋用锚具系统的质量检验和合格验收应符合国家现行标准《预应力筋用锚具、夹具和连接器应用技术规程》JGJ85和《预应力筋用锚具、夹具和连接器》GB/T14370的规定。
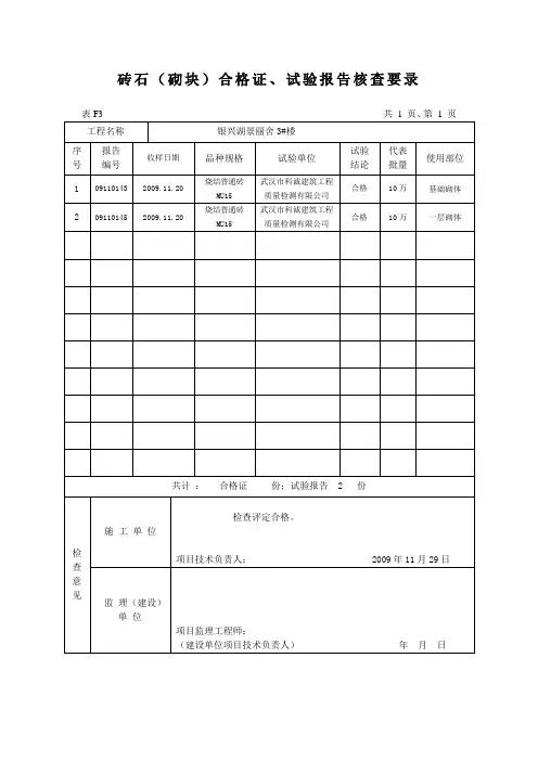
广恒公司工程施工技术资料(15)砖出厂合格证或试验报告工程名称:开竣工日期:安徽宣城广恒建设工程有限公司制工程材料/构配件/设备报审表工程名称编号:安徽天和建筑工程有限公司砖合格证、试验报告登记台帐工程名称美诺华药物化学有限公司8#车间层数一/二结构类型框架项目经理王波项目技术负责人巫海龙广德县砖瓦企业统一用烧结普通砖出厂合格证用户单位执行标准使用工程编号墙体材料的取样(一)烧结普通砖检验批按3.5~15万块为一批,不足3.5万块亦按一批计。
用随机抽样法从外观质量和尺寸偏差检验合格的样品中抽取15块,其中10块做抗压强度检验,5块备用。
(二)普通混凝土小型空心砌块以用同一种原材料配成同强度等级的混凝土,用同一种工艺制成的同等级的1万块为一批,砌块数量不足1万块时亦为一批。
由外观合格的样品中随机抽取5块作抗压强度检验。
(三)烧结空心砖和空心砌块检验批按3.5~15万块为一批,不足3.5万块亦按一批计。
用随机抽样法从外观质量检验合格的样品中抽取15块,其中10块做抗压强度检验,5块做密度检验。
(四)轻集料混凝土小型空心砌块1、组批规则砌块按密度等级和强度等级分批验收。
它以用同一品种轻集料配制成的相同密度等级、相同强度等级、相同质量等级和同一生产工艺制成的10000块为一批;每月生产的砌块数不足10000块者亦为一批。
2、抽样规则每批随机抽取32块做尺寸偏差和外观质量检验,而后再从外观合格砌块中随机抽取如下数量进行其他项目的检验:a 抗压强度:5块b 表观密度、吸水率和相对含水率:3块。
(五)蒸压加气混凝土砌块1、取样方法同品种、同规格、同等级的砌块以1万块为一批,不足1万块亦为一批。
随机抽取50块砌块进行尺寸偏差、外观检验。
砌块外观验收在交货地点进行,从尺寸偏差与外观检验合格的砌块中,随机抽取砌块,制作3组试件进行立方体抗压强度检验,制作3组试件做干体积密度检验。
2、试件制作方法a 试件的制备采用机锯或刀锯,锯时不得将试作弄湿。
轻质隔墙砖出厂合格证、进场检验报告工程名称泸沽铁矿医院装饰装修检验日期施工单位攀枝花和平装饰公司描述施工单位代表;(签字)监理工程师;(签字)建设单位代表;(签字)施工技术施工负责人:质检员:材料员:材料、构配件进场检验记录C3-01工程名称清水湾综合楼检验日期2012.6.16 施工单位郑州建安建筑工程有限公司序号名称规格型号进场数量生产厂家外观质量结果合格证号1 方矩钢管60*40*1-440*80*1-580*80*1-5240m90m312m天津市源泰工贸有限公司安阳钢铁股份有限公司L217054881光泽、无锈蚀合格2 3 4 5 6 7 8 9101112131415161718施工技术施工负责人:质检员:材料员:材料、构配件进场检验记录C3-01工程名称清水湾综合楼检验日期施工单位郑州建安建筑工程有限公司序号名称规格型号进场数量生产厂家外观质量结果合格证号1 预埋件250*250*10mm 60个长葛市董村星光冲压件厂观感质量好合格2 3 4 5 6 7 8 91011121314151617181920施工技术施工负责人:质检员:材料员:材料、构配件进场检验记录C3-01工程名称清水湾综合楼检验日期施工单位郑州建安建筑工程有限公司序号名称规格型号进场数量生产厂家外观质量结果合格证号1 普碳中板10mm 60块安阳钢铁193258光泽、无锈蚀、观感质量好合格2 3 4 5 6 7 8 91011121314151617181920施工技术施工负责人:质检员:材料员:工程物资进场报验表B2-02工程名称编号致(监理单位)现报上关于工程的物资进场检验记录,该批物资经我方检验符合设计、规范程及合同要求,请予以批准使用。
物资名称主要规格单位数量委托单编号使用部位附件:名称页数编号1. 出厂质量证明文件 1 页2. 进场检验记录 1 页3. 进场试验报告页施工单位检查意见:经检验产品质量合格,同意使用。
标准砖合格证检验报告砖是建筑施工中常用的一种材料,用于砌筑墙体、隔墙等工程。
为了确保砖的质量符合要求,需要进行合格证检验。
本报告对厂生产的标准砖进行了全面的检验,以下是具体内容。
1.外观检验在外观检验中,我们对砖的颜色、表面平整度、边角是否有破损等方面进行了评估。
经过视觉检查,所有的标准砖颜色均匀,表面平整度符合要求,边角没有破损。
外观方面的检验结果显示,该批标准砖符合外观要求。
2.尺寸偏差检验尺寸偏差是评估砖的尺寸精度的重要指标之一、我们通过使用专业测量仪器对标准砖的长度、宽度、厚度进行了测量,并计算了其平均值和标准偏差。
测量结果显示,标准砖的尺寸平均值和标准偏差分别为X mm和Y mm,均在允许的范围内。
因此,该批标准砖的尺寸偏差符合要求。
3.抗压强度检验抗压强度是评估砖的质量和承载能力的重要指标。
我们在实验室中进行了抗压强度测试,选择了一定数量的标准砖进行试验,并计算了其平均抗压强度值。
测试结果显示,标准砖的平均抗压强度为XMPa,符合标准要求。
因此,该批标准砖的抗压强度合格。
4.吸水率检验吸水率是评估砖的耐久性和抗冻性能的重要参数。
我们对标准砖的吸水率进行了实验室测试,并计算了其平均值。
测试结果显示,标准砖的平均吸水率为X%,低于规定的合格标准。
因此,该批标准砖的吸水率符合要求。
5.密度检验密度是评估砖的质量和轻重程度的重要指标。
我们使用标准测量方法对标准砖进行了密度测试,并计算了其平均密度值。
测试结果显示,标准砖的平均密度为X kg/m3,符合标准要求。
因此,该批标准砖的密度合格。
综上所述,经过全面的检验,该批标准砖在外观、尺寸偏差、抗压强度、吸水率和密度等方面均符合标准要求,合格证检验结果显示该批标准砖合格。
附:本次检验所用检测设备均经过国家计量认证,并校准合格,测试过程严格遵循相关标准操作规程,确保检验结果的准确性和可靠性。
以上是本次对标准砖合格证的检验报告,若有需要,欢迎查阅。
砖砌块出厂合格证及进场检验报告Ⅰ基本要求和内容(1)砌体工程所用砌墙砖应有出厂合格证,其外观检验、强度检验数据及结论均应满足设计要求,同时还要符合《烧结普通砖》GB/T5101、《烧结多孔砖》GB13544、《烧结空心砖和空心砌块》GB13545和《普通砼小型空心砌块》GB8239标准的要求。
(2)进场的砌墙砖应按规定取样检验,并提供强度检验报告。
(3)砖检验报告应按质控(建)表,加气砼砌块检验方法应符合国家标准《加气混凝土性能试验方法总则》GB/T11969规定。
(4)砌墙砖应以同厂家、同规格3.5万~15万为一批,不足3.5万的按一批计算,普通砼小型空心砌块1万块为一批,每批按标准规定抽取一定数量做有关项目的检验。
Ⅱ核查办法(1)核查砖出厂合格证或检验报告的检验结果是否符合要求,砖的强度等级是否满足设计要求,检验项目是否齐全,检验结论是否正确。
(2)核查合格证或检验报告是否按批提供,批量总数是否和实际用量基本一致。
Ⅲ核定原则凡出现下列情况之一,本项目核定为“不符合要求”。
(1)无出厂合格证和检验报告。
(2)应见证的砖检验未按规定见证取样送检;见证取样送检的材料种类、数量与规定不符。
(3)检验项目缺项或检验结果不符合标准要求。
砂、石出厂合格证及进场检验报告Ⅰ基本要求和内容(1)砼用砂、石及砂浆用砂应有出厂合格证或检验报告,同时砼用砂、石还要符合《普通砼用砂质量标准及检验方法》JGJ52、《普通砼用碎石或卵石质量标准及检验方法》JGJ53标准的要求。
(2)设计有特殊要求的必须按要求取样检验,并提供检验报告。
(3)砂、石检验报告应根据有关规定按质控(建)表,对一些主要的检验指标不得缺检,检验方法应符合《普通砼用砂质量标准及检验方法》JGJ52和《普通砼用碎石或卵石质量标准及检验方法》JGJ53标准的规定。
(4)砂、石应按同产地同规格分批检验,用大型工具(如火车、货船、汽车)运输的,以400m3或600t为一批,用小型工具运输的,以200 m3或300t为一批,不足上述数量以一批论。
砌体主体验收报告范本
砌体主体验收报告是在建筑工程中非常重要的一环,它记录了砌体施工的质量和进度情况,对工程的质量和安全具有重要意义。
以下是砌体主体验收报告的一般范本:
砌体主体验收报告。
1. 工程基本信息。
项目名称:
项目地址:
施工单位:
监理单位:
验收日期:
2. 工程概况。
本次验收的主体砌体工程包括:
(1)砌体材料,砖、砂浆等的材料合格证明及进场验收记录。
(2)砌体结构,墙体、柱、梁等的尺寸、垂直度、水平度
等检测记录。
(3)砌体工艺,砌筑工艺、接缝处理、砌体强度检测等记录。
3. 施工质量。
(1)砌体尺寸,各个构件的尺寸是否符合设计要求。
(2)垂直度,墙体、柱、梁等的垂直度是否符合规范要求。
(3)水平度,墙体、梁等水平部位的水平度是否符合规范
要求。
(4)砌缝处理,砌体砌缝处理是否符合要求,有无空鼓、
开裂等情况。
(5)砌体强度,进行抽检,保证砌体强度符合设计要求。
4. 安全检查。
(1)施工现场是否存在安全隐患。
(2)砌体施工过程中是否有安全事故记录。
5. 问题整改。
(1)验收中发现的问题及整改情况。
(2)整改措施及整改后的复验情况。
6. 验收结论。
(1)对本次砌体主体验收的总体评价。
(2)是否符合相关规范要求,是否可以进行下一步施工。
以上是一份砌体主体验收报告的一般范本,具体内容会根据实际工程情况和相关规范要求进行调整。
希望对你有所帮助。
砌块砖检验报告范文一、引言砌块砖作为建筑施工中常用的建材之一,具有重要的结构支撑和保温隔热功能。
本次检验旨在对砌块砖的质量进行评估,以确保其在建筑工程中的使用安全性和可靠性。
二、检验方法本次检验采用了以下方法来评估砌块砖的质量:1.外观检查:通过目测砌块砖的整体外观来判断其表面平整度、色泽均匀性、无明显的变形和破损等情况。
2.声音检验:用手掌轻敲砌块砖的表面,根据所产生的声音来评判其质量。
正常的砌块砖应该发出清晰响亮的声音,无杂音。
3.强度测试:通过在砌块砖上施加外力,记录其抗压强度,来评估砌块砖的承重能力。
4.尺寸测量:测量砌块砖的长度、宽度和厚度,以判断其尺寸是否符合要求。
三、检验结果1.外观检查:经过外观检查,所有样品的表面平整度良好,无明显的色差、裂纹或破损情况。
2.声音检验:在声音检验中,所有样品都发出了清晰响亮的声音,没有杂音,说明砌块砖的质量合格。
3.强度测试:经过强度测试,样品的抗压强度达到了设计标准要求。
平均抗压强度为XMPa,远高于建筑工程要求的最低标准。
4. 尺寸测量:经尺寸测量,砌块砖的长度为X cm,宽度为X cm,厚度为X cm,尺寸符合工程设计要求。
四、结论通过以上检验方法的评估,本次检验的砌块砖样品质量良好,可以用于建筑工程中。
所有样品的外观无明显破损或变形,声音清晰响亮,抗压强度满足要求,并且尺寸符合设计要求。
然而,需要注意的是,以上检验结果仅适用于本次检验的样品,不能代表全部砌块砖的质量。
建议在使用砌块砖时,密切注意供货商的信誉和合格证明,并根据工程要求进行质量把控。
建议定期对砌块砖进行抽样检验,以保证建筑工程的质量和安全。
[1]GB/TXXXX-XXXX《砌块砖质量检验规范》。
砌块砖检验报告范文砌块砖是一种常见的建筑材料,用于建造墙体和其他结构。
为确保砌块砖的质量和可靠性,进行砌块砖的检验是十分重要的。
下面是一份砌块砖检验报告的示例,供参考。
检验单位:XXX建材检验中心报告编号:2024-XXXXX一、检验目的本次检验的目的是对砌块砖进行质量检验,评估其符合标准要求,确保其在实际使用中的可靠性和安全性。
二、检验对象被检砌块砖规格:190mm×90mm×90mm砌块砖厂家:XXX建材有限公司三、检验方法1.外观检验:观察砌块砖的外观,包括颜色、表面平整度等。
2.尺寸检验:使用测量工具测量砌块砖的长度、宽度、高度和厚度等尺寸。
3.物理性能检验:包括抗压强度、吸水率和重量等指标的测试。
4.标志检验:检验砌块砖上的标志是否完整、准确。
四、检验结果1.外观检验:在外观检验中,我们发现砌块砖表面平整度良好,颜色均匀,无裂纹和明显的变形。
2.尺寸检验:测量结果表明,砌块砖的长度为190mm,宽度为90mm,高度为90mm,厚度为90mm,均符合规格要求。
3.物理性能检验:(1)抗压强度:经过抗压强度测试,砌块砖的平均抗压强度为20MPa,符合国家标准要求,保证了墙体在受力时的稳定性。
(2)吸水率:经过吸水率测试,砌块砖的吸水率为12%,低于国家标准规定的15%,表明该砌块砖在使用过程中的吸水性能较好。
(3)重量:测量结果显示,砌块砖的平均重量为2.5kg,与厂家提供的技术数据相符。
4.标志检验:在标志检验中,我们检查了砌块砖上的产品标志和厂家信息,标志清晰、准确。
五、结论根据以上检验结果,可以得出以下结论:本次砌块砖检验结果表明,被检砌块砖质量良好,符合国家相关标准要求。
砌块砖外观完好,尺寸准确,物理性能稳定,标志完整。
该砌块砖可以放心使用于建筑工程中。
六、存在的问题及建议经过本次检验,未发现砌块砖存在明显的质量问题。
建议生产厂家在运输和储存过程中,加强包装防护措施,确保砌块砖在送达施工现场时不会受到损坏。
砖砌块出厂合格证及进场检验报告砖砌块是建筑施工中常用的建筑材料,用于围墙、隔墙、护墙等建筑结构的搭建。
为了确保砖砌块的质量和安全性,需要进行出厂合格证检验和进场检验报告。
一、砖砌块出厂合格证1.产品信息:包括产品名称、型号、规格、质量等级等。
2.执行标准:说明砖砌块的生产执行的国家标准。
3.技术性能指标:包括压缩强度、吸水性、体积密度等。
4.产品外观:砖砌块的外观质量符合标准要求,无破损、开裂等缺陷。
5.检验结果:说明砖砌块的质量等级和实测数据,确保砖砌块的质量符合标准要求。
砖砌块进场检验报告是指在砖砌块运输至工地后,由施工方对砖砌块进行质量检验,确保运输过程中未发生砖砌块的损坏或质量问题。
以下是砖砌块进场检验报告的内容:1.检验日期:记录砖砌块进行进场检验的日期。
2.产品信息:包括产品名称、规格尺寸、批次号等。
3.工地信息:明确施工地点、建筑项目名称等信息。
4.外观检查:检查砖砌块的外观质量,是否有破损、开裂等缺陷。
5.规格尺寸检查:测量砖砌块的尺寸,与出厂合格证中的规格尺寸进行对比。
6.数量检查:统计砖砌块的数量,与运输单据上的数量进行核对。
7.其他检测项:根据需要,可以对砖砌块的吸水性、抗压强度等关键指标进行测试。
8.检验结论:根据检验结果和标准要求,给出砖砌块的合格或不合格结论,并附上相关的检测数据。
砖砌块进场检验报告的目的是确保进入施工现场的砖砌块质量符合标准要求,为施工方提供可靠的材料。
总结:砖砌块出厂合格证和进场检验报告是保证砖砌块质量及安全性的重要文件。
通过出厂合格证可以了解砖砌块的质量等级和技术性能指标,确保质量符合标准要求;而进场检验报告则是在砖砌块到达现场后对其进行质量检验,确保材料无损坏、质量符合要求。
这些文件的准确性和完整性对于施工过程的顺利进行起到了重要作用。
砖出厂检验报告1.检验目的本次检验的目的是对砖的出厂质量进行检验,确保砖的物理性能和化学性能符合相关标准,以保证砖在使用过程中的稳定性和安全性。
2.检验范围本次检验主要包括以下方面: - 外观质量检验 - 物理性能检验 - 化学性能检验 -尺寸及偏差检验3.检验方法3.1 外观质量检验首先对砖进行外观检查,主要检查砖面的平整度、色泽、表面缺陷等。
具体检验方法如下: - 平整度检验:采用目测法对砖的平面进行检查,要求平整度误差在规定范围内。
- 色泽检验:采用比对法,与标准样品进行比对,确认色泽与标准样品一致。
- 表面缺陷检验:采用目测法进行,检查表面是否有裂纹、砂眼、碰伤等缺陷。
3.2 物理性能检验物理性能检验主要包括砖的抗压强度、吸水率、吸湿膨胀率等方面的检测。
具体检验方法如下: - 抗压强度检验:采用专用试验机对砖进行压力测试,测试结果应符合相关标准规定。
- 吸水率检验:将砖样品放入水中静置一定时间后,测量砖的吸水率,测试结果应符合相关标准规定。
- 吸湿膨胀率检验:将砖样品置于湿热条件下一段时间后,测量砖的尺寸变化,测试结果应符合相关标准规定。
3.3 化学性能检验化学性能检验主要包括砖的化学成分和放射性检测两方面。
具体检验方法如下:- 化学成分检验:采用化学分析方法,测试砖中主要的化学成分含量,检测结果应符合相关标准规定。
- 放射性检测:采用放射性测量仪对砖样品进行放射性检测,检测结果应符合相关标准规定。
3.4 尺寸及偏差检验尺寸及偏差检验主要对砖的长、宽、高、直线度等进行测试。
具体检验方法如下: - 尺寸检验:采用测量仪器对砖的长、宽、高进行测量,测试结果应符合相关标准规定。
- 直线度检验:采用直尺或平板进行测量,检查砖在水平或垂直方向上的直线度。
4.检验结果及评定4.1 外观质量检验结果经过外观质量检验,所有样品的砖面平整度、色泽、表面缺陷等符合相关标准要求。
4.2 物理性能检验结果通过物理性能检验,抗压强度、吸水率和吸湿膨胀率都符合相关标准要求。
四、原材料出厂合格证书及进场检验报告内容详列_第一篇:四、原材料出厂合格证书及进场检验报告内容详列_四、原材料出厂合格证书及进场检验报告内容详列:1、钢材出厂合格证、试验报告。
2、水泥出厂合格证、试验报告。
3、砖(砌块)出厂合格证、试验报告。
4、骨料(砂、石)试验报告。
5、防水、防腐、保温材料合格证、试验报告。
6、外加剂合格证、试验报告。
7、预应力筋用锚具、产品质量合格、质量保证书。
8、铝合金、塑钢、幕墙等构件材料出厂检验报告及质量证明书。
9、其它原材料、半成品、成品质保书。
五、施工试验报告及见证检测报告内容详列:1、土壤试验报告。
2、钢材连接试验报告(包括焊条、焊丝和焊剂证明的出厂质量合格证明书)。
3、混凝土强度试配报告单。
4、混凝土试块强度试验报告、混凝土试块强度评定。
5、砂浆试配报告单。
6、砂浆抗压强度试验报告、砂浆试块强度评定。
7、外加剂试配报告单。
8、混凝土抗渗性能试验报告。
9、混凝土抗冻性试验报告。
10、见证取样报告书。
第二篇:钢材出厂合格证及进场检验报告钢材出厂合格证及进场检验报告Ⅰ 基本要求和内容(1)凡结构设计施工图所配各种受力钢筋应有钢筋出厂合格证及力学性能现场抽样检验报告单,出厂合格证备注栏中应由施工单位注明单位工程名称、使用部位和进场数量。
(2)钢筋在加工过程中,如发现脆断、焊接性能不良或力学性能显著不正常现象,应进行化学成分检验或其它专项检验,并做出鉴定处理结论。
(3)使用进口钢筋应有商检证及主要技术性能指标。
进场后应严格遵守先检验后使用的原则进行力学性能及化学成分检验,其各项指标符合国产相应级别钢筋的技术标准及有关规定后,方可根据其应用范围用于工程。
当进口钢筋的国别及强度级别不明时,可根据检验结果确定钢筋级别,但不应用在主要承重结构的重要部位。
(4)冷拉钢筋、冷拔钢筋、冷轧扭钢筋、冷轧带肋钢筋除应有母材的出厂合格证及力学性能检验报告外,还应有冷拉、冷拔、冷轧后的钢筋出厂合格证及力学性能现场抽样检验报告。
砖砌块出厂合格证及进场检验报告YKK standardization office【 YKK5AB- YKK08- YKK2C- YKK18】砖砌块出厂合格证及进场检验报告Ⅰ基本要求和内容(1)砌体工程所用砌墙砖应有出厂合格证,其外观检验、强度检验数据及结论均应满足设计要求,同时还要符合《烧结普通砖》GB/T5101、《烧结多孔砖》GB13544、《烧结空心砖和空心砌块》GB13545和《普通砼小型空心砌块》GB8239标准的要求。
(2)进场的砌墙砖应按规定取样检验,并提供强度检验报告。
(3)砖检验报告应按质控(建)表4.1.3.3填写。
检验方法应符合国家标准《砌墙砖试验方法》GB2542规定,加气砼砌块检验方法应符合国家标准《加气混凝土性能试验方法总则》GB/T11969规定。
(4)砌墙砖应以同厂家、同规格3.5万~15万为一批,不足3.5万的按一批计算,普通砼小型空心砌块1万块为一批,每批按标准规定抽取一定数量做有关项目的检验。
Ⅱ核查办法(1)核查砖出厂合格证或检验报告的检验结果是否符合要求,砖的强度等级是否满足设计要求,检验项目是否齐全,检验结论是否正确。
(2)核查合格证或检验报告是否按批提供,批量总数是否和实际用量基本一致。
Ⅲ核定原则凡出现下列情况之一,本项目核定为“不符合要求”。
(1)无出厂合格证和检验报告。
(2)应见证的砖检验未按规定见证取样送检;见证取样送检的材料种类、数量与规定不符。
(3)检验项目缺项或检验结果不符合标准要求。
砂、石出厂合格证及进场检验报告Ⅰ基本要求和内容(1)砼用砂、石及砂浆用砂应有出厂合格证或检验报告,同时砼用砂、石还要符合《普通砼用砂质量标准及检验方法》JGJ52、《普通砼用碎石或卵石质量标准及检验方法》JGJ53标准的要求。
(2)设计有特殊要求的必须按要求取样检验,并提供检验报告。
(3)砂、石检验报告应根据有关规定按质控(建)表4.1.3.4-1~2填写,对一些主要的检验指标不得缺检,检验方法应符合《普通砼用砂质量标准及检验方法》JGJ52和《普通砼用碎石或卵石质量标准及检验方法》JGJ53标准的规定。
(4)砂、石应按同产地同规格分批检验,用大型工具(如火车、货船、汽车)运输的,以400m3或600t为一批,用小型工具运输的,以200 m3或300t为一批,不足上述数量以一批论。
(5)每批砂应进行颗粒级配、含泥量、泥块含量检验,如为海砂还应检验其氯离子含量,对重要工程或特殊工程应根据工程要求,增加检测项目,如对其它指标合格性有怀疑时,应予以检验。
使用新产源的砂时,应由供货单位按《普通砼用砂质量标准及检验方法》JGJ52的质量要求进行全面检验。
(6)每批石子应进行颗粒级配、含泥量、泥块含量及针、片状含量检验,高强度等级混凝土石子应有压碎指标检验。
对重要工程或特殊工程应根据工程要求增加检测项目,对其它指标合格性有怀疑时,应予以检验。
用新产源的石子时,应由供货单位按《普通砼用碎石或卵石质量标准及检验方法》JGJ53的质量要求进行全面检验。
Ⅱ核查方法(1)核查砂、石出厂合格证或检验报告的检验结果是否符合要求,检验项目是否齐全,检验结果是否正确。
(2)核查合格证或检验报告是否按批提供,批量总数是否和实际用量基本一致。
Ⅲ核定原则凡出现下列情况之一,本项目核定为“不符合要求”。
(1)无出厂合格证或检验报告。
(2)检验项目缺项或检验结果不符合标准要求。
4.1.3.5 外加剂出厂合格证及进场检验报告Ⅰ基本要求和内容(1)砼用外加剂应符合《混凝土外加剂》GB8076、《混凝土泵送剂》JC473、《砂浆、混凝土防水剂》JC474、《混凝土膨胀剂》JC476、《混凝土外加剂应用技术规范》GB50119标准的要求和有关环境保护的规定。
用于防水工程中的外加剂还应同时符合《建筑防水材料应用技术规程》DBJ13—39标准中对外加剂的要求。
(2)凡属工程使用的外加剂,必须按进场的批次和产品的抽样检验方案进行取样检验,并提供检验报告单。
(3)外加剂检验报告应根据有关规定按质控(建)表4.1.3.5填写,对一些主要的检验指标不得缺检,检验方法应符合产品国家及行业标准的规定。
(4)混凝土配制应根据混凝土性能要求、施工工艺及气候条件,结合混凝土的原材料性能、配合比以及对水泥的适应性,通过试验确定使用外加剂的品种与掺量。
(5)进场的外加剂应同时附有合格证和出厂检验报告,还必须提供有效的抽样型式检验报告。
对首次使用的外加剂或使用间断三个月以上时,厂方必须提供有效的型式检验报告或经型式检验合格后方可使用。
存放期超过三个月的外加剂,使用前应重新检验,并相应调整配合比。
(6)混凝土外加剂、泵送剂应以同厂家、同品种一次供应10t为一批,不足10t 按一批进行检验,每一批取样量不少于0.2t水泥所需用的外加剂量,同批号的产品必须混合均匀。
(7)砂浆、砼防水剂以同厂家、同品种一次供应50t为一批,不足50t按一批进行检验,每一批号取样量不少于0.2t水泥所需用的外加剂,同一批号的产品必须混合均匀。
(8)砼膨胀剂以同厂家、同品种一次供应50t为一批,不足50t按一批进行检验。
袋装和散装膨胀剂应分别进行编号、取样。
每一编号为一取样单位,取样方法按《水泥取样方法》GB/T12573进行。
取样应具有代表性,可连续取,也可从20个以上不同部位取等量样品,总量不小于10kg。
(9)预应力砼结构中,严禁使用含氯化物外加剂。
钢筋砼结构中,若使用含氯化物外加剂时,砼中氯化物的总含量应符合《砼质量控制标准》GB50164的规定。
(10)设计有特殊要求的外加剂应有专项性能检验报告。
Ⅱ核查办法(1)核查外加剂出厂合格证和检验报告是否符合要求,外加剂的品种性能指标是否与应用要求一致。
(2)对照单位工程材料用料汇总表核查合格证或检验报告是否按批提供,批量总数是否和实际用量一致。
Ⅲ核定原则凡出现下列情况之一,本项目核定为“不符合要求”。
(1)无出厂合格证或出厂检验报告及进场复验报告。
(2)外加剂检验未按规定见证取样送检;见证取样送检的材料种类、数量与规定不符。
(3)使用的各种外加剂,未提供有效的型式检验报告。
(4)检验项目缺项或检验结果不符合标准要求。
(5)出厂合格证或检验报告所代表的总数量与单位工程实际用量不符。
4.1.3.6 掺合料出厂合格证及进场检验报告Ⅰ基本要求和内容(1)砼及砂浆用粉煤灰应符合《粉煤灰在砼和砂浆中应用技术规程》JGJ28标准的要求。
高炉矿渣粉应符合《用于水泥和混凝土中的粒化高炉矿渣粉》GB/T18046标准的要求。
(2)粉煤灰检验方法应符合《用于水泥和混凝土中的粉煤灰》GB1596标准的规定,对一些主要的检验指标不得缺检,检验报告见质控(建)表4.1.3.6-1,高炉矿渣粉检验方法应符合《用于水泥和混凝土中的粒化高炉矿渣粉》GB/T18046标准的规定,高炉矿渣粉检验报告见质控(建)表4.1.3.6-2。
(3)相同等级连续供应的粉煤灰以200t为一批,不足200t者按一批计,粉煤灰的数量按干灰(含水率≤1%)的重量计,必要时需方可对粉煤灰的品质进行随机抽样检验。
(4)每批粉煤灰必须按《粉煤灰在砼和砂浆中应用技术规程》JGJ28要求,检验细度和烧失量,有条件时,可加测需水量比。
(5)设计有特殊要求的粉煤灰,应有专项性能检验报告。
(6)矿渣粉按同级别进行编号和取样,每一编号为一个取样单位。
以200t为一编号,不足200t按一编号计。
取样应有代表性,可连续取样,也可以在20个以上部位取等量样品总量至少20kg。
Ⅱ核查办法(1)核查粉煤灰、高炉矿渣粉出厂合格证或检验报告的检验结果是否符合要求,粉煤灰和高炉矿渣粉等级是否和应用要求一致,检验项目是否齐全,检验结果是否正确。
(2)核查合格证或检验报告是否按批提供,批量总数是否和实际用量基本一致。
Ⅲ核定原则凡出现下列情况之一,本项目核定为“不符合要求”。
(1)无出厂合格证和进场检验报告。
(2)应见证的掺和料检验未按规定见证取样送检;见证取样送检的材料种类、数量与规定不符。
(3)检验项目缺项或检验结果不符合标准要求。
(4)出厂合格证或检验报告所代表的总数量与单位工程实际用量相比,严重不足。
4.1.3.7 防水材料合格证及检验报告Ⅰ基本要求和内容(1)建筑工程用的防水材料如防水卷材、防水涂料、卷材胶粘剂、涂料胎体增强材料,密封材料及刚性防水材料等必须有出厂合格证和进场复验报告。
(2)防水材料检验报告应按质控(建)表4.1.3.7-1~3填写,检验方法应符合国家有关标准。
(3)各类防水材料进场复验项目必须符合下表的规定。
建筑防水工程材料进场复验项目(1)核查防水材料检验报告的检验项目是否齐全,结论是否正确。
(2)核查出厂合格证、检验报告中的各项物理性能指标是否符合相关规范和标准的要求。
如单项检验项目不合格,是否有复检及处理办法等。
(3)核查是否按批取样,取样批量之和是否与实际用量相符。
(4)核查所选用的防水材料是否符合《屋面工程质量验收规范》GB50207和《地下防水工程质量验收规范》GB50208要求的防水等级和设防要求。
Ⅲ核定原则凡出现下列情况之一,本项目核定为“不符合要求”。
(1)主要防水材料无出厂合格证或进场复验报告。
(2)防水材料检验未按规定实行见证取样送检;见证取样送检的材料种类、数量与规定不符。
(3)使用的防水材料与规范、设计要求不符。
(4)防水材料的主要检验项目缺项或品种等级,技术性能不符合标准、规范的要求,又无鉴定处理结论。
(5)各种拌合物(如玛蹄脂、聚氯乙烯胶泥、细石砼等)无配合比或现场抽样检验报告。
4.1.3.8 隔热保温材料出厂合格证及进场检验报告Ⅰ基本要求和内容(1)隔热保温材料的品种、规格和质量应符合设计要求和国家现行标准的规定。
严禁使用国家明令淘汰的材料。
(2)隔热保温材料应符合国家有关建筑装饰装修材料有害物质限量标准的规定。
(3)所有材料进场时应对品种、规格、外观和尺寸进行验收。
材料包装应完好,应有产品合格证书、中文说明书及相关性能的检测报告;进口产品应按规定进行商品检验。
(4)进场后需要进行检验项目必须包括:抗压强度、吸水率、导热系数、密度。
同厂家生产的同品种、同批次的进场材料应至少抽取一组样品送检测机构进行检验,检测报告见质控(建)表4.1.3.8。
(5)每批产品中应随机抽取8块制品作为检验样本,进行尺寸偏差与外观质量检验,检验合格的样品用于其它项目检验。
Ⅱ核查办法(1)核查隔热保温材料检验报告的检验项目是否齐全,结论是否正确。
(2)核查出厂合格证、检验报告中的各项物理性能指标是否符合相关规范和标准的要求。
如单项检验项目不合格,是否有复检及处理办法等。
(3)核查是否按批取样,取样批量之和是否与实际用量相符。