暗龙骨吊顶检验批质量验收记录
- 格式:xls
- 大小:14.50 KB
- 文档页数:2
暗龙骨吊顶检验批质量验收记录项目名称:X大楼装修工程施工单位:工程公司监理单位:监理公司建设单位:建设公司检验单位:检验公司1.检验批概述本次检验批质量验收的内容X大楼十层至十五层的暗龙骨吊顶工程。
验收范围为吊顶的安装质量、吊顶面板的平整度、材料的韧性和安全性。
2.检验依据本次验收遵循国家相关标准和规范,包括但不限于《建筑装饰工程质量验收规范》、《吊顶装饰施工及验收规范》等。
3.检验方法本次验收采用目测、手触及物理测试等方法进行,确保吊顶的安装、面板平整度、材料质量和安全性。
4.检验结果4.1吊顶的安装质量对吊顶的安装质量进行了检验,并与施工单位进行了现场确认。
根据检验结果,吊顶安装牢固可靠,无明显起扣现象,焊接点平整,无氧化斑点等问题。
4.2吊顶面板的平整度对吊顶面板的平整度进行了检验。
在各个测量位置上,发现最大偏差为3mm,符合规范要求。
面板之间没有明显的错台、错位等问题。
4.3材料的韧性和安全性对材料的韧性和安全性进行了检验。
进行了拉力测试,得出吊顶材料的断裂强度为XXX,符合规范要求。
材料表面无明显划痕、变形等问题,吊顶材料的选择和使用符合规范要求。
5.结论本次暗龙骨吊顶检验批质量验收结果良好,全部符合规范要求。
吊顶安装牢固可靠,吊顶面板平整度符合要求,材料质量和安全性符合规范。
6.后续处理建议根据检验结果和验收意见,建议施工单位进行吊顶的细节修整工作,确保吊顶的美观和质量。
7.检验记录保存本次检验批质量验收记录将于X年X月X日交由监理单位、施工单位和建设单位保存,以备日后进行工程验收和维权使用。
以上为暗龙骨吊顶检验批质量验收记录,经过本次质量验收,确保了吊顶工程的质量合格,对工程的顺利进行起到了重要的保障作用。
同时,也为施工单位提供了改进工作的参考意见,以便顺利完成后续细节修整工作。
暗龙骨吊顶工程检验批质量验收记录暗龙骨吊顶工程是室内装修中非常常见的一种设计,也是提高室内吸声效果的有效手段之一。
然而对于这类工程来说,如何进行质量验收是十分重要的。
本文将针对暗龙骨吊顶工程检验批质量验收记录进行详细阐述。
一、工程情况概述暗龙骨吊顶工程验收期间,我们组织了验收人员对工程进行全面的检查,主要包括吊顶龙骨、石膏板等施工质量、安装质量以及各项工程材料的质量等方面。
二、施工质量验收情况1. 石膏板拼接是否平整、无缝隙。
经检查,石膏板拼接处均没有出现凹凸不平、露缝和缺角等现象。
2. 吊顶龙骨悬挂是否平直、垂直。
经检查,全部吊顶龙骨悬挂平直垂直,与墙面、地面保持等距离并且固定可靠。
3. 吊杆是否全部固定可靠,吊杆与龙骨间的连接件是否坚固。
经检查,全部吊杆固定可靠,吊杆与龙骨间连接件紧固可靠,无松动现象。
4. 吊顶龙骨与房间墙面的紧密程度是否达标。
经检查,吊顶龙骨与房间墙面间距一致,且有安装防撞垫防止龙骨与墙面摩擦,墙面未出现龙骨压痕现象。
三、工程材料验收情况1. 石膏板的质量是否符合标准。
经检验,所使用的石膏板符合国家标准,无明显变形、裂痕、鼓包及其他质量缺陷。
2. 吊顶龙骨和吊杆的质量是否符合标准。
经检验,吊顶龙骨和吊杆的型材尺寸、表面光洁度、材料厚度以及强度指标均符合国家标准。
四、不足之处及整改情况经过检验,在暗龙骨吊顶工程中发现存在以下不足之处:1. 部分龙骨的粘合处有些起泡现象;2. 短凸墙处的装饰条还未粘贴;3. 部分墙角线未经普通扣板进行保护;4. 部分石膏板缝处未经缝补处理。
对于上述不足之处,我们将有针对性地采取如下整改措施:1. 重新整理粘合处,去除起泡现象;2. 短凸墙处的装饰条完成粘贴;3. 在墙角线处安装普通扣板进行保护;4. 部分石膏板缝补处理完善,确保缝合处平整美观。
五、总结暗龙骨吊顶工程作为室内装修中常见的一种设计,需要经过认真的施工、项目验收等环节进行把关,以确保工程质量稳定、达标。
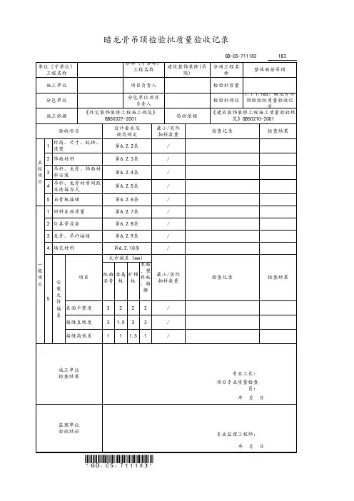
////////////施工单位 检查结果主控项目全部合格,一般项目满足规范规定要求监理单位 验收结论验收合格主 控 项 目一 般 项 目5安 装 允 许偏 差项目最小/实际 抽样数量2017年08月30日专业监理工程师:2017年08月30日暗龙骨吊顶检验批质量验收记录抽查3间,合格3间100%专业工长:项目专业质量检查员:3抽查3间,合格3间100%接缝高低差111.513333抽查3间,合格3间100%接缝直线度3 1.5333表面平整度3222100%允许偏差(mm)纸面石膏金属板矿棉板木板、塑料板、格栅检查记录检查 结果4填充材料第6.2.10条33抽查3间,合格3间100%3龙骨、吊杆接缝第6.2.9条33抽查3间,合格3间100%2灯具等设备第6.2.8条33抽查3间,合格3间√1材料表面质量第6.2.7条33抽查3间,合格3间100%5石膏板接缝第6.2.6条33抽查3间,合格3间√4吊杆、龙骨材质间距及连接方式第6.2.5条33抽查3间,合格3间√3吊杆、龙骨、饰面材料安装第6.2.4条33抽查3间,合格3间√2饰面材料第6.2.3条质量证明文件齐全,试验合格,报告编号×××√1标高、尺寸、起拱、造型第6.2.2条33抽查3处,合格3处施工依据《住宅装饰装修工程施工规范》GB50327-2001验收依据《建筑装饰装修工程施工质量验收规范》GB50210-2001验收项目设计要求及 规范规定最小/实际 抽样数量检查记录检查 结果分包单位/分包单位项目负责人/检验批部位施工单位项目负责人检验批容量20间GD-C5-711183单位(子单位) 工程名称分部(子分部) 工程名称建筑装饰装修-吊顶分项工程名称整体面层吊顶。