暗龙骨吊顶工程检验批质量验收记录
- 格式:doc
- 大小:79.50 KB
- 文档页数:1
1234567891012
3金属吊顶、龙骨表面防腐木吊杆、龙骨防腐、防
火5纸
面
石
膏金 属 板矿 棉 板木板、塑料板格栅
123456789101234
3mm 2mm 2mm 2mm 3mm 1.5mm 3mm 3mm 1mm 1mm 1.5mm 1mm 项目专业质量检查员:监理工程师 (建设单位项目技术负责2006年4月6日
分包单位
主控项目
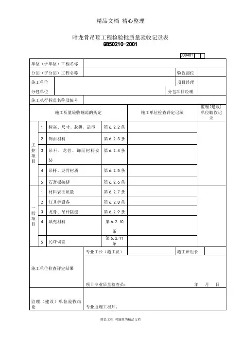
4一般项目暗龙骨吊顶工程检验批质量验收记录
工程名称
施工单位
施工执行标准名称及
编号
项目经理专业工长验收部位5施工单位检查
评定结果
吊顶内填充吸声材料的品种和铺
设厚度
允许
偏差
项目表面平整度接缝直线度接缝高低差第6.2.10条2006年5月4日监理(建设)单位
验收结论员等进行验收。
吊顶标高、尺寸、起拱和造型
饰面材料材质、品种、规格、图案和颜色工程吊杆、龙骨和饰面材料的安
装
吊杆、龙骨的材质、规格、安装间距、连接方式石膏板、面层板与基层板的接缝饰面材料表面板上灯具、烟感器、喷淋头、风口篦子设备的位置金属吊杆、龙骨的接缝--分包项目经理--规范规定 (设计要求)第6.2.4条第6.2.5条第6.2.6条
规范规定施工单位检查评定记录第6.2.7条
第6.2.8条
第6.2.9条
施工班组长施工单位检查评定记录
监理(建设)单位验收记录。
暗龙骨吊顶工程检验批质量验收记录暗龙骨吊顶工程是室内装修中非常常见的一种设计,也是提高室内吸声效果的有效手段之一。
然而对于这类工程来说,如何进行质量验收是十分重要的。
本文将针对暗龙骨吊顶工程检验批质量验收记录进行详细阐述。
一、工程情况概述暗龙骨吊顶工程验收期间,我们组织了验收人员对工程进行全面的检查,主要包括吊顶龙骨、石膏板等施工质量、安装质量以及各项工程材料的质量等方面。
二、施工质量验收情况1. 石膏板拼接是否平整、无缝隙。
经检查,石膏板拼接处均没有出现凹凸不平、露缝和缺角等现象。
2. 吊顶龙骨悬挂是否平直、垂直。
经检查,全部吊顶龙骨悬挂平直垂直,与墙面、地面保持等距离并且固定可靠。
3. 吊杆是否全部固定可靠,吊杆与龙骨间的连接件是否坚固。
经检查,全部吊杆固定可靠,吊杆与龙骨间连接件紧固可靠,无松动现象。
4. 吊顶龙骨与房间墙面的紧密程度是否达标。
经检查,吊顶龙骨与房间墙面间距一致,且有安装防撞垫防止龙骨与墙面摩擦,墙面未出现龙骨压痕现象。
三、工程材料验收情况1. 石膏板的质量是否符合标准。
经检验,所使用的石膏板符合国家标准,无明显变形、裂痕、鼓包及其他质量缺陷。
2. 吊顶龙骨和吊杆的质量是否符合标准。
经检验,吊顶龙骨和吊杆的型材尺寸、表面光洁度、材料厚度以及强度指标均符合国家标准。
四、不足之处及整改情况经过检验,在暗龙骨吊顶工程中发现存在以下不足之处:1. 部分龙骨的粘合处有些起泡现象;2. 短凸墙处的装饰条还未粘贴;3. 部分墙角线未经普通扣板进行保护;4. 部分石膏板缝处未经缝补处理。
对于上述不足之处,我们将有针对性地采取如下整改措施:1. 重新整理粘合处,去除起泡现象;2. 短凸墙处的装饰条完成粘贴;3. 在墙角线处安装普通扣板进行保护;4. 部分石膏板缝补处理完善,确保缝合处平整美观。
五、总结暗龙骨吊顶工程作为室内装修中常见的一种设计,需要经过认真的施工、项目验收等环节进行把关,以确保工程质量稳定、达标。
整体面层暗龙骨吊顶检验批质量验收记录注:本表内容的填写需依据《现场验收检验批检查原始记录》。
本检验批质量验收的规范依据见本页背面。
填写说明一、填写依据1 《建筑装饰装修工程质量验收规范》GB50210-2001。
2 《建筑工程施工质量验收统一标准》GB50300-2013。
二、检验批划分各分项工程的检验批应按下列规定划分:同一品种的吊顶工程每50间(大面积房间和走廊按吊顶面积30为一间)应划分为一个检验批,不足50间也应划分为一个检验批。
三、GB50210-2001规范摘要主控项目6.2.2 吊顶标高、尺寸、起拱和造型应符合设计要求。
检验方法:观察;尺量检查。
6.2.3 饰面材料的材质、品种、规格、图案和颜色应符合设计要求。
检验方法:观察;检查产品合格证书、性能检测报告、进场验收记录和复验报告。
6.2.4 暗龙骨吊顶工程的吊杆、龙骨和饰面材料的安装必须牢固。
检验方法:观察;手扳检查;检查隐蔽工程验收记录和施工记录。
6.2.5 吊杆、龙骨的材质、规格、安装间距及连接方式应符合设计要求。
金属吊杆、龙骨应经过表面防腐处理;木吊杆、龙骨应进行防腐、防火处理。
检验方法:观察;尺量检查;检查产品合格证书、性能检测报告、进场验收记录和隐蔽工程验收记录。
6.2.6 石膏板的接缝应按其施工工艺标准进行板缝防裂处理。
安装双层石膏板时,面层板与基层板的接缝应错开,并不得在同一根龙骨上接缝。
检验方法:观察。
一般项目6.2.7 饰面材料表面应洁净、色泽一致,不得有翘曲、裂缝及缺损。
压条应平直、宽窄一致。
检验方法:观察;尺量检查。
6.2.8 饰面板上的灯具、烟感器、喷淋头、风口蓖子等设备的位置应合理、美观,与饰面板的交接应吻合、严密。
检验方法:观察。
6.2.9 金属吊杆、龙骨的接缝应均匀一致,角缝应吻合,表面应平整,无翘曲、锤印。
木质吊杆、龙骨应顺直,无劈裂、变形。
检验方法:检查隐蔽工程验收记录和施工记录。
6.2.10 吊顶内填充吸声材料的品种和铺设厚度应符合设计要求,并应有防散落措施。
吊顶隐蔽工程验收记录项目名称:XXX项目验收日期:XXX年XX月XX日一、项目概述本项目为吊顶隐蔽工程,主要包括吊顶材料的安装、隐蔽工程的检查验收等内容,旨在确保吊顶工程质量符合设计要求。
二、验收内容及结果1.材料验收验收人员对吊顶材料进行了详细检查,主要包括吊顶板材、吊顶龙骨、吊顶辅材等。
经检查,确认材料无损坏、变形、质量合格。
2.安装验收2.1吊顶板材安装验收人员对吊顶板材的嵌入和连接进行了检查,确保板材间连接紧密,无松动、裂缝或异响现象。
2.2吊顶龙骨安装验收人员对吊顶龙骨的安装情况进行了检查,确保龙骨与建筑结构牢固连接,并满足设计要求的间距和位置。
3.隐蔽工程验收验收人员对隐蔽工程进行了全面检查,主要包括吊顶板材间隔、龙骨固定情况、吊顶板材表面平整度、对辅材的使用等。
经检查,确认隐蔽工程符合设计要求,无质量问题。
4.技术文件验收验收人员核对了工程图纸、设备清单等技术文件,确保施工过程中的技术要求得到满足,并完整记录。
三、待解决问题验收过程中未发现重大质量问题,但存在以下问题需要解决:1.部分吊顶板材间连接处不够紧密,需补强连接,避免产生松动或异响。
2.部分吊顶板材表面存在不平整现象,需要进行修整,保证整体美观性。
四、后续工作1.承包方将按照验收记录中的问题要求进行补强连接和修整工作,并将整改情况及时报告验收人员。
2.验收人员将督促承包方按照要求进行后续工作,确保吊顶工程质量达到设计要求的标准。
五、总结通过本次吊顶隐蔽工程的验收,承包方在工程质量控制上基本符合要求,但仍存在一些细微问题。
希望承包方能严格按照要求进行后续工作,确保吊顶工程最终满足设计要求,提供优质的施工成果。
六、参会人员签字验收人员:承包方代表:签字:签字:。
暗龙骨吊顶工程检验批质量验收记录表说明主控项目1、吊顶标高、尺寸、起拱和造型应符合设计要求。
观察和尺量检查。
2、饰面材料的材质、品种、规格、图案和颜色应符合设计要求。
观察和检查产品合格证书、性能检测报告、进场验收记录和复验报告。
3、暗龙骨吊顶工程的吊杆、龙骨和饰面材料的安装必须牢固。
观察和手扳检查;检查隐蔽工程验收记录和施工记录。
4、吊杆、龙骨的材质、规格、安装间距及连接方式应符合设计要求。
金属吊杆、龙骨应经过表面防腐处理;木吊杆、龙骨应进行防腐、防火处理。
观察和尺量检查;检查产品合格证书、性能检测报告、进场验收记录和隐蔽工程验收记录。
5、石膏板的接缝应按其施工工艺标准进行板缝防裂处理。
安装双层石膏板时,面层板与基层板的接缝应错开,并不得在同一根龙骨上接缝。
观察检查。
一般项目1、饰面材料表面应洁净、色泽一致,不得有翘曲、裂缝及缺损。
压条应平直、宽窄一致。
观察和尺量检查。
2、饰面板上的灯具、烟感器、喷淋头、风口蓖于等设备的位置应合理、美观,与饰面板的交接应吻合、严密。
观察检查。
3、金属吊杆、龙骨的接缝应均匀一致,角缝应吻合,表面应平整,无翘曲、锤印。
木质吊杆、龙骨应顺直,无劈裂、变形。
检查隐蔽工程验收记录和施工记录。
4、吊顶内填充吸声材料的品种和铺设厚度应符合设计要求,并应有防散落措施。
检查隐蔽工程验收记录和施工记录。
5、暗龙骨吊顶工程安装的允许偏差的检验方法:(1)表面平整度,用2m靠尺和塞尺检查。
(2)接缝直线度,拉5m线,不足5m拉通线,用钢直尺检查。
(3)接缝高低差,用钢直尺和塞尺检查。
////////////施工单位 检查结果主控项目全部合格,一般项目满足规范规定要求监理单位 验收结论验收合格主 控 项 目一 般 项 目5安 装 允 许偏 差项目最小/实际 抽样数量2017年08月30日专业监理工程师:2017年08月30日暗龙骨吊顶检验批质量验收记录抽查3间,合格3间100%专业工长:项目专业质量检查员:3抽查3间,合格3间100%接缝高低差111.513333抽查3间,合格3间100%接缝直线度3 1.5333表面平整度3222100%允许偏差(mm)纸面石膏金属板矿棉板木板、塑料板、格栅检查记录检查 结果4填充材料第6.2.10条33抽查3间,合格3间100%3龙骨、吊杆接缝第6.2.9条33抽查3间,合格3间100%2灯具等设备第6.2.8条33抽查3间,合格3间√1材料表面质量第6.2.7条33抽查3间,合格3间100%5石膏板接缝第6.2.6条33抽查3间,合格3间√4吊杆、龙骨材质间距及连接方式第6.2.5条33抽查3间,合格3间√3吊杆、龙骨、饰面材料安装第6.2.4条33抽查3间,合格3间√2饰面材料第6.2.3条质量证明文件齐全,试验合格,报告编号×××√1标高、尺寸、起拱、造型第6.2.2条33抽查3处,合格3处施工依据《住宅装饰装修工程施工规范》GB50327-2001验收依据《建筑装饰装修工程施工质量验收规范》GB50210-2001验收项目设计要求及 规范规定最小/实际 抽样数量检查记录检查 结果分包单位/分包单位项目负责人/检验批部位施工单位项目负责人检验批容量20间GD-C5-711183单位(子单位) 工程名称分部(子分部) 工程名称建筑装饰装修-吊顶分项工程名称整体面层吊顶。
暗龙骨吊顶工程检验批质量验收记录表说明主控项目1、吊顶标高、尺寸、起拱和造型应符合设计要求。
观察和尺量检查。
2、饰面材料的材质、品种、规格、图案和颜色应符合设计要求。
观察和检查产品合格证书、性能检测报告、进场验收记录和复验报告。
3、暗龙骨吊顶工程的吊杆、龙骨和饰面材料的安装必须牢固。
观察和手扳检查;检查隐蔽工程验收记录和施工记录。
4、吊杆、龙骨的材质、规格、安装间距及连接方式应符合设计要求。
金属吊杆、龙骨应经过表面防腐处理;木吊杆、龙骨应进行防腐、防火处理。
观察和尺量检查;检查产品合格证书、性能检测报告、进场验收记录和隐蔽工程验收记录。
5、石膏板的接缝应按其施工工艺标准进行板缝防裂处理。
安装双层石膏板时,面层板与基层板的接缝应错开,并不得在同一根龙骨上接缝。
观察检查。
一般项目1、饰面材料表面应洁净、色泽一致,不得有翘曲、裂缝及缺损。
压条应平直、宽窄一致。
观察和尺量检查。
2、饰面板上的灯具、烟感器、喷淋头、风口蓖于等设备的位置应合理、美观,与饰面板的交接应吻合、严密。
观察检查。
3、金属吊杆、龙骨的接缝应均匀一致,角缝应吻合,表面应平整,无翘曲、锤印。
木质吊杆、龙骨应顺直,无劈裂、变形。
检查隐蔽工程验收记录和施工记录。
4、吊顶填充吸声材料的品种和铺设厚度应符合设计要求,并应有防散落措施。
检查隐蔽工程验收记录和施工记录。
5、暗龙骨吊顶工程安装的允许偏差的检验方法:(1)表面平整度,用2m靠尺和塞尺检查。
(2)接缝直线度,拉5m线,不足5m拉通线,用钢直尺检查。
(3)接缝高低差,用钢直尺和塞尺检查。