机械密封资料
- 格式:doc
- 大小:135.00 KB
- 文档页数:20
机械密封分类1. 按用途分类1) 按应用的工业部门分类 有运输机械制造业、家用电器制造业、动力机械和泵制造业、化学工业及石油工业、国防工业、船舶制造业等部门用的机械密封。
2) 按应用的主机分类 泵、釜、离心机、风机、潜水电机、冷冻机、内燃机、冷却水泵、船用泵以及其他主机用的机械密封。
2.按作用原理及结构分类1)按密封端面的对数分,则有单端面机械密封,双端面机械密封和多端面机械密封.其中双端面机械密封又可分为轴向双端面机械密封及径向双端面机械密封。
2)按作用于密封端面流体压力为卸荷或不卸荷,可分为非平衡式机械密封、部分平衡式机械密封和全平衡式机械密封。
3) 按静止环装于密封端面的内侧或外侧,分为内装式机械密封及外装式机械密封。
4) 弹簧设置在流体之内为弹簧内置式机械密封,反之为弹簧外置式机械密封。
5) 按补偿机构的弹簧数量分为单弹簧式机械密封及多弹簧式机械密封。
6) 按弹性元件是否随轴旋转,则有旋转式机械密封及静止式机械密封。
7) 密封流体在密封端面间的泄露方向如与轴旋转的离心力方向一致,则为内流式机械密封,否则为外流式机械密封。
8) 按补偿环离密封端面最远的背面处于流体的低压侧或高压侧分为背面低压式机械密封及背面高压式机械密封。
9) 密封端面直接接触为接触式机械密封,反之为非接触式,其又可分为流体静压式和流体动压式机械密封。
10) 按有否波纹管零件分为非波纹管型及波纹管型机械密封、波纹管有液压成型金属波纹管、焊接金属波纹管、聚四氟乙烯波纹管和橡胶波纹管等几种。
3. 按使用工况分类1)由密封腔温度分为高温机械密封、中温机械密封、常温机械密封及低温机械密封.密封腔温度>200℃为高温机械密封;>80~200℃为中温机械密封;-50~80℃为常温机械密封;<-50℃则为低温机械密封。
2) 按密封腔压力可进行如下分类:当密封腔压力>15Mpa时为超高压机械密封;密封腔压力>5~15Mpa为高压机械密封,压力>0.8~5Mpa 为中压机械密封,常压至0.8Mpa为低压机械密封;当密封腔压力为负压时,则为真空机械密封。
泵用机械密封目次前言 (II)1 2 3 3.1 3.2 3.3 3.4 3.5 4 4.1 4.2 4.3 5 6 范围 (1)规范性引用文件 (1)基本型式、尺寸、参数、型号和材料代号 (1)基本型式 (1)主要尺寸 (1)基本参数 (12)型号 (12)材料代号 (13)技术要求 (13)主要零件的技术要求 (13)性能要求 (14)安装与使用要求 (14)试验方法 (14)包装、标志和贮存 (14)IJB/T 1472—2011前言本标准按照GB/T 1.1—2009给出的规则起草。
本标准代替JB/T 1472—1994《泵用机械密封》,与JB/T 1472—1994相比主要技术变化如下:——修改了规范性引用文件,所列标准均现行有效;——增加了摩擦副常用材料;——修改了型号表示方法及示例;——删除了验收规则的规定。
本标准由中国机械工业联合会提出。
本标准由全国机械密封标准化技术委员会(SAC/TC491)归口。
本标准起草单位:合肥通用机械研究院、自贡汇鑫密封有限公司、沈阳鼓风机(集团)有限公司。
本标准主要起草人:李鲲、王敏、丁德宏、姚黎明、杨博峰、郑国运、李香。
本标准所代替标准的历次版本发布情况为:——JB/T 1472—1994,JB/T 1472—1975。
IIJB/T 1472—2011泵用机械密封1 范围本标准规定了泵用机械密封的基本型式、尺寸、参数、型号和材料代号、技术要求、试验方法及包装、标志和贮存等内容。
本标准适用于离心泵、旋涡泵及其他类似泵的机械密封。
2 规范性引用文件下列文件对于本文件的应用是必不可少的。
凡是注日期的引用文件,仅注日期的版本适用于本文件。
凡是不注日期的引用文件,其最新版本(包括所有的修改单)适用于本文件。
GB/T 1184—1996 形状和位置公差未注公差值GB/T 10444 GB/T 14211 机械密封产品型号编制方法机械密封试验方法JB/T 4127.1 机械密封技术条件JB/T 6374 机械密封用碳化硅密封环技术条件JB/T 7757.1 JB/T 7757.2 JB/T 8724 JB/T 8871机械密封用圆柱螺旋弹簧机械密封用O形橡胶圈机械密封用反应烧结氮化硅密封环机械密封用硬质合金密封环毛坯JB/T 8872 机械密封用碳石墨密封环技术条件JB/T 8873 JB/T 10874 机械密封用填充聚四氟乙烯和聚四氟乙烯毛坯机械密封用氧化铝陶瓷密封环技术条件技术条件3 3.13.2 基本型式、尺寸、参数、型号和材料代号基本型式泵用机械密封分为七种基本型式:a)103型:内装单端面单弹簧非平衡型并圈弹簧传动机械密封,见图1;b)B103型:内装单端面单弹簧平衡型并圈弹簧传动机械密封,见图2;c)104型:内装单端面单弹簧非平衡型套传动,见图3;其派生型104a型见图4;d)B104型:内装单端面单弹簧平衡型套传动,见图5;其派生型B104a型见图6;e)105型:内装单端面多弹簧非平衡型螺钉传动,见图7;f)B105型:内装单端面多弹簧平衡型螺钉传动,见图8;g)114型:外装单端面单弹簧过平衡型拨叉传动,见图9;其派生型114a型见图10。
1.总体方案说明:2.冲洗方案01方案:从泵的出口端冲洗内机械密封腔。
操作类似方案PLAN11原因:密封腔冷却,卧式泵的密封腔排气,防止PLAN11方案外露管的冻结和流体结晶堵塞的危险场合:普通密封腔,最可能是ANSI/ASME泵,清洁常温流体,用于单端面密封,很少用于双断面密封。
维护:冲洗不能直接冲洗密封面,机封冷却不能过度,根据通过内截流管的扬程损失计算冲洗流量。
3.冲洗方案02方案:无冲洗的封闭密封腔。
原因:不需要流体二次循环。
使用场合:常温运转下的大孔/开口密封腔,高温运转下的冷却套密封腔,清洁流体,干式密封的直立/顶入式混和器/搅拌器,维护:流程必须有足够的沸点临界空间,避免汽化,在热运转条件下,密封腔套内可能需要一直有冷却液体,卧式设备必能自己排气,经常和冷却方案PLAN62联合使用。
4.冲洗方案11方案:从泵出口处经过限流孔板进行机械密封冲洗,违反单端面机械密封冲洗方案。
原因:密封腔的冷却,卧式密封腔的排气,增加密封腔的压力和流体汽化临界空间。
场合:通常用于清洁流体,清洁、非聚合流体。
维护:使用孔径最小为0.125英寸的限流孔板,计算流量以确定使机封腔流量足够的限流孔板尺寸,通过合适的限流孔板和喉部衬套尺寸来确定增加沸点临界范围,管路在12点的位置冲洗机封面,典型故障,限流孔板堵塞,检查管子末端温度。
5.冲洗方案13方案:从密封腔,通过限流孔板到泵的进口的二次循环,立式泵的标准冲洗方案。
原因:立式泵密封腔的不间断排气,密封腔除热。
场合:立式泵,密封腔压力大于进口压力,混有中等大小的固体的常温流体,非聚合流体。
维护:启动立式泵之前,弯好排气口管路,使用口径最小为0.125英寸的限流孔板,计算流量,以确定使机械密封腔流量充足的限流孔板尺寸,通过合适的限流孔板和喉部衬套的尺寸的确定来减少密封腔压力,典型故障,限流孔板堵塞,检查管子末端的温度。
6.冲洗方案14方案:从泵的出口冲洗机封,再循环到带限流孔板的泵进口,方案11和13的结合。
一、机械密封的基本概念一、机械密封的基本概念机械密封是指由至少一对垂直于旋转轴线的端面在流体压力和补偿机构弹力机械密封是指由至少一对垂直于旋转轴线的端面在流体压力和补偿机构弹力(或磁力)(或磁力)的作用下以及辅助密封的配合下保持贴合并相对滑动而构成的防止流体泄漏的装置。
补偿环的辅助密封为金属波纹管的称为波纹管机械密封。
助密封为金属波纹管的称为波纹管机械密封。
二、机械密封的组成二、机械密封的组成机械密封主要有以下四类部件组成。
1、主要密封件:主要密封件:动环和静环。
动环和静环。
2、辅助密封件:辅助密封件:密封圈。
密封圈。
3、压紧件:弹簧、推环。
4、传动件:弹箕座及键或固定螺。
、传动件:弹箕座及键或固定螺。
三、机械密封工作应注意问题三、机械密封工作应注意问题1、安装时注意事项、安装时注意事项a 、要十分注意避免安装中所产生的安装偏差、要十分注意避免安装中所产生的安装偏差(1)上紧压盖应在联轴器找正后进行,螺栓应均匀上支,防止压盖端面偏斜,用塞尺检查各点,其误差不大于0.05毫米。
毫米。
(2)检查压盖与轴或轴套外径的配合间隙检查压盖与轴或轴套外径的配合间隙(即同心度)(即同心度),四周要均匀,用塞尺检查各点允差不大于0.01毫米。
毫米。
b 、弹簧压缩量要按规定进行,不允许有过大或过小现象,要求误差2.00毫米。
过大会增加端面比压,另速端面磨损。
过小会造成比压不足而不能起到密封作用。
端面比压,另速端面磨损。
过小会造成比压不足而不能起到密封作用。
c 、动环安装后要保证能在轴上灵活移动,将动环压向弹簧后应能自动弹回来。
、动环安装后要保证能在轴上灵活移动,将动环压向弹簧后应能自动弹回来。
2、拆卸时注意事项、拆卸时注意事项a 、在拆卸机械密封时要仔细,严禁动用手锤和扁铲,以免损坏密封元件。
可做一对钢丝勾子,在对自负盈亏方向伸入传动座缺口处,在对自负盈亏方向伸入传动座缺口处,将密封装置拉出。
将密封装置拉出。
将密封装置拉出。
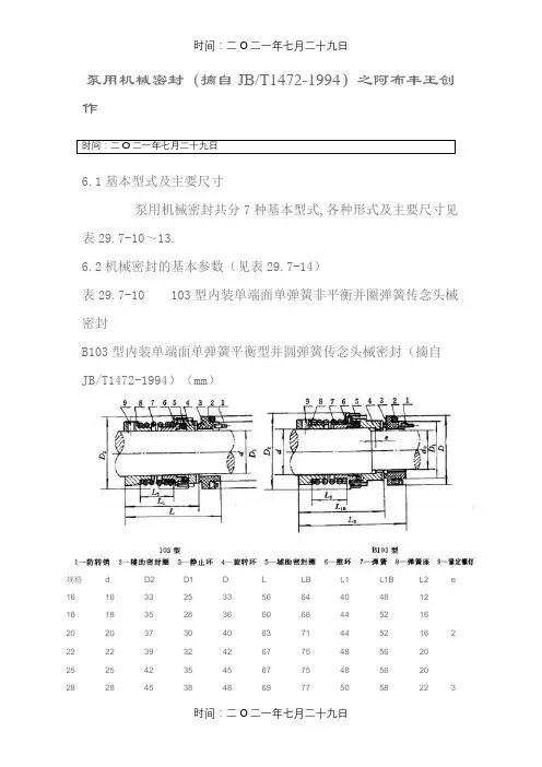
泵用机械密封(摘自JB/T1472-1994)之阿布丰王创作时间:二O 二一年七月二十九日6.1基本型式及主要尺寸泵用机械密封共分7种基本型式,各种形式及主要尺寸见表29.7-10~13.6.2机械密封的基本参数(见表29.7-14)表29.7-10 103型内装单端面单弹簧非平衡并圈弹簧传念头械密封B103型内装单端面单弹簧平衡型并圆弹簧传念头械密封(摘自JB/T1472-1994)(mm )规格 d D2 D1 D L LB L1 L1B L2 e16 16 33 25 33 56 64 40 48 12 2 18 18 35 28 36 60 68 44 52 16 20 20 37 30 40 63 71 44 52 16 22 22 39 32 42 67 75 48 56 20 25 25 42 35 45 67 75 48 56 20 28284538486977505822330 30 52 40 50 75 84 56 65 2235 35 57 45 55 79 89 60 70 2640 40 62 50 60 83 93 61 74 3045 45 67 55 65 90 100 71 81 3650 50 72 60 70 94 104 75 83 4055 55 77 65 75 96 106 77 87 4260 60 82 70 80 96 106 77 87 4265 65 92 80 90 111 118 89 96 5070 70 97 85 97 116 126 91 101 5275 75 102 90 102 116 126 91 101 5280 80 107 95 107 123 133 98 108 593 85 85 112 100 112 125 135 100 110 5990 90 117 105 117 126 136 101 111 6095 95 122 110 122 126 136 101 111 60100 100 127 115 127 126 136 101 111 60110 110 141 130 142 153 165 126 138 80120 120 151 140 152 153 165 126 138 80 注:1 装置机械密封部位的轴的轴向窜动量不年夜于3mm.2 生产厂:自贡机械密封件厂、浓阳机械密封研究所、天津克半密封有限公司,到表23-20前注皆相同.表29.7-11 104型内装单端面单弹簧非平衡型套传念头械密封B104型内装单端面单弹簧平衡型套传念头械密封(摘自JB/T1472-1994)(mm)规格 d d0 D D1 D2 L LB L1B L2 L1 e 16 16 11 33 25 33 53 61 45 8 5718 18 13 36 28 35 58 64 48 11 6020 20 15 40 30 37 59 67 48 11 622 22 22 17 42 32 39 62 70 51 14 6525 25 20 45 35 42 62 70 51 14 6528 28 22 48 38 45 63 71 52 15 6630 30 25 50 40 52 68 77 58 15 7235 35 28 55 45 57 70 80 61 17 7540 40 34 60 50 62 73 83 64 20 7845 45 38 65 55 67 79 89 70 25 8450 50 44 70 60 72 82 92 73 28 8755 55 48 75 65 77 84 94 75 30 8960 60 52 80 70 82 84 94 75 30 8965 65 58 90 80 92 96 108 81 35 983 70 70 62 95 85 97 101 111 86 37 10575 75 68 102 90 102 101 111 86 37 10580 80 72 107 95 107 106 116 91 42 11085 85 76 112 100 112 107 117 92 42 11190 90 82 117 105 117 108 118 93 43 11295 95 85 122 110 122 108 118 93 43 112100 100 90 127 115 127 108 118 93 43 112110 110 100 142 130 141 132 144 117 60 138120 120 110 152 140 151 132 144 117 60 138 表29.7-12 105型内装单端面多弹簧非平衡型螺钉传念头械密封B105型内装单端面多弹簧平衡型螺钉传念头械密封(摘自JB/T1472-1994)(mm)规格 d d0 D D1 D2 L1 L1B L LB 35 35 28 55 45 57 38 48 57 67 40 40 34 60 50 62 38 48 57 67 45 45 38 65 55 67 39 49 58 68 50 50 44 70 60 72 39 49 58 68 55 55 48 75 65 77 39 49 58 68 60 60 52 80 70 82 39 49 58 68 65 65 58 90 80 91 44 51 66 75 70 70 62 97 85 96 44 54 69 79 75 75 66 102 90 101 44 54 69 79 80 80 72 107 95 106 44 54 69 79 85 85 76 112 100 111 46 56 71 81 90 90 82 117 105 116 46 56 71 81 95 95 85 122 110 121 46 56 71 81 100 100 90 127 115 126 46 56 71 81 110 110 100 142 130 140 51 73 78 100 120 120 110 152 140 150 51 73 78 100表29.7-13 114型外装单端面单弹簧过平衡型拨叉传念头械密封及其派生型114a(摘自JB/T1472-1994)(mm)规格 d D1 D2 L L1 L2 D1a D2a La L1a L2a 16 16 34 40 55 44 11 —————18 18 36 42 55 44 11 —————20 20 38 44 58 47 14 —————22 22 40 46 60 49 16 —————28 28 46 52 64 53 20 —————30 30 53 64 73 62 22 —————35 35 58 69 76 65 25 55 62 83 65 20 40 40 63 74 81 70 30 60 67 90 72 25 45 45 68 79 89 75 34 65 72 93 75 28 50 50 73 84 89 75 34 70 77 95 77 30 55 55 78 89 89 75 34 75 82 95 77 30 60 60 83 94 97 83 42 80 87 104 82 35 65 65 92 103 100 86 42 89 96 108 86 37 70 70 97 110 100 86 42 98 101 108 86 37表29.7-14基本参数型号压力/MPa 温度/℃转速/r·min-1 轴径/mm 介质103 0~0.8-20~80 ≤300016~120汽油、煤油、柴油、蜡油、原油、重油、润滑油、丙酮、苯、酚、吡啶、醚、稀硝酸、浓B103 0.6~3,0.3~3①104 0~0.8B104 0.6~3,0.3~6①105 0~0.835~120 硝酸、酯酸、尿素、碱液、海水、水等B105 0.6~3,0.3~3①114 0~0.2 0~60 ≤360016~100腐蚀性介质,如浓及稀硫酸,40%以下硝酸(质量分数)、30%以下盐酸、磷酸、碱质量分数等①对粘度较年夜、润滑性好的介质取0.6~3,对粘度较小、润滑性差的介质取0.3~3.6.3型号标注(1)型号暗示方法1)103UB1-P40.内装单端面单弹簧非平衡型并圈弹簧传动的泵用机械密封,旋转环为钨钴硬质合金.静止环为浸渍酚醛石墨.密封圈为丁腈-40橡胶圈,轴(或轴套外径)40mm.2)B105VBT-50/80.内装多端面多弹簧平衡型传动螺钉的泵用机械密封.旋转环为氧化铝陶瓷,静止环为浸渍呋喃石墨,密封圈为聚四氟乙烯V形圈,轴(或轴套)外径50mm,载荷系数,K=0.80.(2)资料及载荷系数代号表29.7-15 摩擦副经常使用资料资料代号资料代号浸酚醛碳石墨B1 工程资料Z热压酚醛碳石墨B2 钨钴硬质合金U浸呋喃碳石墨B3 钢结硬质合金L浸环氧碳石墨B4 不锈钢喷涂非金属粉末J1浸铜碳石墨A1 不锈钢喷焊金属粉末J2浸巴氏合金碳石墨A2 填充聚四氟乙烯Y浸锑碳石墨A3 锡磷或锡锌青铜N氧化铝瓷V 硅铁R1 金属陶瓷X 耐磨铸铁R2 氟化硅Q 整体不锈钢 F 碳化硅O 不锈钢堆焊硬质合金 1 表29.7-16 辅助密封圈资料资料形状代号丁腈橡胶O形P氟橡胶O形V硅橡胶O形S乙丙橡胶O形 E聚四氟乙烯V形T表29.7-17载荷系数K(%)代号85 8580 8075 7570 7060 60。
GM37G系列机械密封件本系列属单端面密封,非平衡型符合DIN24960标准适用于水泵、污水泵、油泵、化工泵及潜水泵等。
一、概述:本系列属单端面密封,非平衡型符合DIN24960标准适用于水泵、污水泵、油泵、化工泵及潜水泵等。
二、主要技术参数压力:≤1.2MPa温度:-30℃~200℃转速:≤3000R/min密封介质:水、污水、油及一般腐蚀性液体中使用GM121系列机械密封件本系列适用于污水、油类及一般弱腐蚀介质,静环有石墨环、硬质环、碳化硅环。
概述:本系列适用于污水、油类及一般弱腐蚀介质,静环有石墨环、硬质环、碳化硅环。
如果使用在较强的腐蚀性介质,可以改O型圈为F4V型圈。
本系列机械密封系YM120型改进型,改动环为O型圈调节型,利用弹簧座上的二只肖钉套在叶轮上的传动,使密封的左右旋得已控制,可以任意旋向,可以采用左图中的静环尺寸,安装更简单。
注:静环可以采用左边总图中的形式,且安装长度应为L尺寸减L2尺寸加起H尺寸等于总长。
1.静环O型圈2.静环座3.静环4.动环5.动环O型圈6.动环座7.传动座8.弹簧9.石墨静环或碳化硅静环 10.静环橡胶座主要技术参数适用压力:≤1 Mpa适用温度:-20℃~180℃电机转速:轴径≤45≤3000转/分轴径≥50≤1450转/分GM122系列机械密封件M122系列机械密封件是一种内装内流单端面单弹簧非平衡型结构,符合ISO-3069、JB1472-75。
标准。
广泛应用于各种离心泵、化工泵、管道泵、及各种耐腐蚀泵。
一、概述:M122系列机械密封件是一种内装内流单端面单弹簧非平衡型结构,符合ISO-3069、JB1472-75。
标准。
广泛应用于各种离心泵、化工泵、管道泵、及各种耐腐蚀泵。
本系列机械密封件O型圈分丁腈橡胶、氟橡胶二种。
如果在强腐蚀性介质中使用,可以用四氟V型圈来代替橡胶O型圈,使用V型圈时,先将V型圈放在90。
C 热水中浸泡10分钟。
安装时使V型紧贴密封件内壁和泵轴,以防满泄漏。
第一章 机械密封概述机械密封(Mechanical Seal )又称端面密封,是旋转轴用动密封。
机械密封性能可靠,泄露量小,使用寿命长,功耗低,毋须经常维修,且能适应于生产过程自动化和高温、低温、高压、真空、高速以及各种强腐蚀性介质、含固体颗粒介质等苛刻工况的密封要求。
一、机械密封的定义及结构机械密封是靠一对或数对垂直于轴作相对滑动的端面在流体压力和补偿机构的弹力(或磁力)作用下保持贴合 并配以辅助密封而达到阻漏的轴封装臵。
图1-1是常见机 械密封的结构。
二、机械密封的工作原理机械密封的工作原理如图1-2所示。
它是靠弹性构件(如弹簧或波纹管,或波纹管及弹簧组合构件)和密封介质的压力在旋转的动环和静环的接触表面(端面)上产生适当的压紧力,使这两个端面紧密贴合,端面间维持一层极薄的液体膜而达到密封的目的。
这层液体膜具有流体动压力与静压力,起着润滑和平衡压力的作用。
当旋转轴9旋转时,通过紧定螺钉10和弹簧2带动动环3旋转。
防转销6固定在静止的压盖4上,防止静环7转动。
当密封端面磨损时,动环3连同动环密封圈8在弹簧2推动下,沿轴向产生微小移动,达到一定的补偿能力,所以称补偿环。
静环不具有补偿能力,所以称非补偿环。
通过不同的结构设计,补偿环可由动环承担,也可由静环承担。
由补偿环、弹性元件和副密封等构成的组件称补偿环组件。
机械密封一般有四个密封部位(通道),如图1-2中所示A 、B 、C 、D 。
A 通道是旋转环与静止环的端面彼此贴合作相对滑动的动密封,它是机械密封装臵中的主密封,也是决定机械密封性能和寿命的关键。
因此,对密封端面的加工要求很高,同时为了使密封端面间保持必要的润滑液膜,必须严格控制端面上的单位面积压力,压力过大,不易形成稳定的润滑液膜,会加速端面的磨损;压力过小,泄漏量增加。
所以,要获得良好的密封性能又有足够寿命,一定要保证端面单位面积压力值在最适当的范围。
B 处为静环7与压盖4端面之间的密封;C 处为动环3与轴(或轴套)9配合面之间的密封,因能随补偿环轴向移动并起密封作用,所以又称副密封;D 处为压盖与泵壳端面之间的密封。
机械密封的工作原理机械密封是靠一对或数对垂直于轴作相对滑动的端面在流体压力和补偿机构的弹力(或磁力)作用下保持贴合并配以辅助密封而达到阻漏的轴封装置。
常用机械密封结构机械密封一般由静止环(静环)1.旋转环(动环)2.弹性元件3.弹簧座4.紧定螺钉5.旋转环辅助密封圈6和静止环辅助密封圈8等元件组成,防转销7固定在压盖9上以防止静止环转动。
旋转环和静止环往往还可根据它们是否具有轴向补偿能力而称为补偿环或非补偿还。
机械密封中流体可能泄漏的途径有A、B、C、D四个通道。
C、D泄漏通道分别是静止环与压盖、压盖与壳体之间的密封,二者均属静密封。
B通道是旋转环与轴之间的密封,当端面摩擦磨损后,它仅仅能追随补偿环沿轴向作微量的移动,实际上仍然是一个相对静密封。
因此,这些泄漏通道相对来说比较容易封堵。
静密封元件最常用的有橡胶O形圈或聚四氟乙烯V形圈,而作为补偿环的旋转环或静止环辅助密封,有时采用兼备弹性元件功能的橡胶、聚四氟乙烯或金属波纹管的结构。
A通道则是旋转环与静止环的端面彼此贴合作相对滑动的动密封,它是机械密封装置中的主密封,也是决定机械密封性能和寿命的关键。
因此,对密封端面的加工要求很高,同时为了使密封端面间保持必要的润滑液膜,必须严格腔制端面上的单位面积压力,压力过大,不易形成稳定的润滑液膜,会加速端面的磨损;压力过小,泄漏量增加。
所以,要获得良好的密封性能又有足够寿命,在设计和安装机械密封时,一定要保证端面单位面积压力值在最适当的范围。
机械密封与软填料密封比较,有如下优点:①密封可靠在长周期的运行中,密封状态很稳定,泄漏量很小,按粗略统计,其泄漏量一般仅为软填料密封的1/100;②使用寿命长在油、水类介质中一般可达1~2年或更长时间,在化工介质中通常也能达半年以上;③摩擦功率消耗小机械密封的摩擦功率仅为软填料密封的10%~50%;④轴或轴套基本上不受摩损;⑤维修周期长端面磨损后可自动补偿,一般情况下,毋需经常性的维修;⑥抗振性好对旋转轴的振动、偏摆以及轴对密封腔的偏斜不敏感;⑦适用范围广机械密封能用于低温、高温、真空、高压、不同转速,以及各种腐蚀性介质和含磨粒介质等的密封。
以下为机械密封型号及其相关知识点介绍,一起来看看吧。
一、机械密封型号有:HU1型、HU3型、HU5型、HU7型、HUU803型、HBM1型、HBM5型、HQ901型、HQ902型、HG9型、HU21型、HQ3272型二、结构特点及适用范围:1、HU1型结构特点:HU1型机械密封符合ISO3096DIN24960和GB6556标准。
辅助密封卷根据工况要求可选用同规格橡胶“O”圈PTFE“V”圈。
单弹簧、非平衡型拨叉传动、补偿能力强,安装时与轴旋向无关。
适用范围:油水、结晶性强碱、盐、高溶度流体、浆料、有机溶剂及其他弱腐蚀溶液。
密封腔压力:≤1Mpa密封腔温度:-20℃~220℃线速度:≤15m/s2、HU3型结构特点:HU3型机械密封符合DIN24960及GB/T6556-94标准,可替代116U、59U 型机封、为非平衡型、单端面结构、任意旋向。
各种污水泵、化工泵、热循环泵均适用。
弹簧选择有:蝶形弹簧、多弹簧等。
适用范围:油、水、酸、碱、盐等一般腐蚀性介质。
密封腔压力:≤1 .6Mpa密封腔温度:-50℃~220℃线速度:≤20m/s3、HU5型结构特点:HU5型机械密封符合DIN24960标准,背靠背安装亦符合DIN24960标准双端面机械密封,属于部分平衡型、橡胶波纹管,单弹簧、单端面结构,动环靠橡胶波纹管的过盈量驱动,浮动性好,弹簧也起传递扭矩作用。
适用范围:含颗粒的废水、油、污水。
密封腔压力:≤1.6Mpa密封腔温度:-20℃~140℃线速度:≤10m/s4、HU7型结构特点:HU7型机械密封符合DIN24960及GB/T6556-94标准,可替代108U型机封,非平衡、圆锥形弹簧结构,弹簧的旋向与轴旋向有关。
适用范围:污水泵、潜水泵、化工泵、循环泵、清水泵和加热系统。
密封腔压力:≤1Mpa密封腔温度:-20℃~180℃线速度:≤15m/s5、HUU803型结构特点:HUU803型机械密封符合DIN24960及GB/T6556-94标准,为非平衡型,多弹簧结构双端面,传动套传动。
水泵机械密封知识介绍机械密封的作用是防止泵体内的液体泄漏,并确保泵体内外的液体不发生混合。
它通过活塞环和固定环之间的接触,形成一个密封界面,阻止液体的外泄。
为了保证机械密封的工作效果,需要注意以下几个方面:1.密封材料的选择:机械密封一般使用耐磨、耐腐蚀、耐高温的材料。
常见的密封材料有碳化硅、碳化钨、陶瓷等。
选择适合的材料可以提高密封的可靠性和寿命。
2.密封面的加工:密封面是机械密封的核心部分,对密封效果有重要影响。
密封面应进行精密加工,表面光洁度要求高,并且需要保持一定的平行度和圆度。
3.活塞环和固定环的安装:活塞环和固定环之间的间隙应适当,既不能过大,也不能过小。
过大的间隙会导致液体泄漏,过小的间隙则会导致部件受损。
4.密封环的润滑:由于活塞环和固定环之间存在着摩擦力,所以需要进行润滑。
常见的润滑方式有使用润滑油或在密封环表面涂覆润滑材料。
5.密封环的维护与更换:密封环是机械密封的易损件,需要定期检查和更换。
一旦发现密封环出现磨损或破损,应及时更换,以保证密封效果。
1.温度和压力控制:机械密封在不同的温度和压力条件下,其工作性能可能会发生变化。
因此,需要根据实际情况,选择适合的机械密封,并进行正确的安装和调整。
2.防止泵体内液体结冰:在寒冷的环境中,泵体内的液体可能会结冰,导致机械密封的损坏。
因此,在寒冷季节,需要采取相应的措施,如加热泵体或在泵体内注入防冻液。
3.泵体的清洁和保养:定期清洗泵体和密封部件,去除泥沙和其他杂质,以保证机械密封的正常工作。
总之,水泵机械密封是一种重要的装置,用于防止泵体内液体泄漏。
正确选择、安装和维护机械密封,可以有效提高泵体的工作效率和寿命。
盛年不重来,一日难再晨。
及时宜自勉,岁月不待人。
机械密封的工作原理机械密封是靠一对或数对垂直于轴作相对滑动的端面在流体压力和补偿机构的弹力(或磁力)作用下保持贴合并配以辅助密封而达到阻漏的轴封装置。
常用机械密封结构机械密封一般由静止环(静环)1.旋转环(动环)2.弹性元件3.弹簧座4.紧定螺钉5.旋转环辅助密封圈6和静止环辅助密封圈8等元件组成,防转销7固定在压盖9上以防止静止环转动。
旋转环和静止环往往还可根据它们是否具有轴向补偿能力而称为补偿环或非补偿还。
机械密封中流体可能泄漏的途径有A、B、C、D四个通道。
C、D泄漏通道分别是静止环与压盖、压盖与壳体之间的密封,二者均属静密封。
B通道是旋转环与轴之间的密封,当端面摩擦磨损后,它仅仅能追随补偿环沿轴向作微量的移动,实际上仍然是一个相对静密封。
因此,这些泄漏通道相对来说比较容易封堵。
静密封元件最常用的有橡胶O形圈或聚四氟乙烯V形圈,而作为补偿环的旋转环或静止环辅助密封,有时采用兼备弹性元件功能的橡胶、聚四氟乙烯或金属波纹管的结构。
A通道则是旋转环与静止环的端面彼此贴合作相对滑动的动密封,它是机械密封装置中的主密封,也是决定机械密封性能和寿命的关键。
因此,对密封端面的加工要求很高,同时为了使密封端面间保持必要的润滑液膜,必须严格腔制端面上的单位面积压力,压力过大,不易形成稳定的润滑液膜,会加速端面的磨损;压力过小,泄漏量增加。
所以,要获得良好的密封性能又有足够寿命,在设计和安装机械密封时,一定要保证端面单位面积压力值在最适当的范围。
机械密封与软填料密封比较,有如下优点:①密封可靠在长周期的运行中,密封状态很稳定,泄漏量很小,按粗略统计,其泄漏量一般仅为软填料密封的1/100;②使用寿命长在油、水类介质中一般可达1~2年或更长时间,在化工介质中通常也能达半年以上;③摩擦功率消耗小机械密封的摩擦功率仅为软填料密封的10%~50%;④轴或轴套基本上不受摩损;⑤维修周期长端面磨损后可自动补偿,一般情况下,毋需经常性的维修;⑥抗振性好对旋转轴的振动、偏摆以及轴对密封腔的偏斜不敏感;⑦适用范围广机械密封能用于低温、高温、真空、高压、不同转速,以及各种腐蚀性介质和含磨粒介质等的密封。
机械密封安装使用说明请仔细阅读本说明,为正确使用机械密封产品,有必要掌握基本的有关知识,请注意职业安全及正常使用的规则与规定。
任何安装及维护之前应确保系统已经关闭并处于无压及冷却状态。
1.安装机械密封的轴[或轴套]台阶处必须有3X100倒角;密封压盖的密封环座孔端部必须有1.5—3X200倒角,并应去除其倒角锐边和毛剌。
(参见DIN24960或JB4127)2.在安装机械密封时,须检查各零件的表面质量,特别是动,静环的密封端面有无碰伤,划痕等,如有损坏,必须进行修复或更换.零件表面必须清洗干净,并在动静环密封端面上涂一层油.3.在安装橡胶密封元件的部位,可涂油润滑.但须特别注意的是:乙丙,丁基等橡胶密封元件不能与油或脂接触,在这种场合,推荐使用肥皂液润滑.4.在安装聚四氟乙烯V形密封圈时,其V形开口必须面对介质,封液压力方向。
5.在安装单向转动(即并圈或钩弹簧传动)的机械密封时,尤其要注意弹簧的旋向,其旋向应使弹簧越旋越紧.从机械密封的静环端往动环看,来确定轴的转动方向:顺时针方向为右旋;逆时针方向为左旋.6.在安装机械密封的紧定螺钉和密封压盖连接螺钉时,每组螺钉应均匀拧紧.7.在安装过程中切忌敲击密封元件,并避免过分用力以免损坏零件.8.机械密封安装就绪之后,应按轴的旋转方向盘动,视其转动是否灵活.若有异常时,必须检查,调整.9.在设备启动前,应保持密封腔内充满液体介质或封液。
若有单独密封循环保护系统者,应先期启动.但在停车时,密封循环保护系统应滞后关闭.10.当使用双端面机械密封时,必须确保封液循环,且封液压力必须大于介质压力0.1---0.2MPa.静环形式汇总表1.浮动式长静环带防转销,最大量使用的一种形式:国内各厂家中型密封均在采用,可用多种材质博各曼:G9 [DIN24960]克兰:BP [DIN24960] 248*[DIN24960]中国:JB1427标准用。
SEALOL:D(DIN24960)2.块状静环:方便安装的形式,用于轻型密封博格曼:G60(DIN24960)克兰:‘N’(英制)和TYPE6等中国:BIA,EX等采用。
SEAL:‘B’3.浮动式短静环:方便安装的形式,不能承受较大扭矩博格曼:G4,G6(DIN24960)克兰:‘N’(英制)和TYPE6等中国:BIA,EX等采用SEALOL:‘S’‘BT’4.槽式静环,工作参数较高时可带防转销。
克兰:W5.双凸台(单凸台)静环:外装式机械密封广泛采用的静环形式。
克兰:V,U,(10T,10R用)中国:152,212,WB2等用6.带冷却装置的静环。
博格曼:G15,克兰:CE7.高参数密封用静环日本皮拉,依格公司典型产品。
密封材料一、摩擦副组对材料(动静环)(1)为保证密封摩擦副具有长久的使用寿命和密封性能,在选用摩擦副材料组对时,应注意以下几项原则:①耐磨性强,②耐腐蚀性好,③机械强度高,④良好的耐热性和热传导性能, ⑤摩擦系数小且有一定的自润滑性,⑥气密性好,⑦易成型和加工.(2)种类:1.碳石墨(CARBON)碳石墨是用量最大,适用范围最广的摩擦副组对材料.因为它具有下列特性:具有良好的自润滑性和低的摩擦系数;耐腐蚀性能良好;具有良好的耐温性能;导热性好且具有低的线膨胀系数;组对性能好;易于加工.机械密封用碳石墨材料大致分为如下几类:①焙烧石墨(车制石墨)从某种意义上讲,焙烧石墨分为硬质石墨和软质电化石墨。
所用浸渍物有三大类:有机树脂、无机物和金属。
表3-27和表3-28为机械密封用碳石墨的牌号和性能。
②树脂结合石墨(热压石墨)它是将烧结后的石墨粉碎,以酚醛树脂或环氧树脂等作粘结剂,混合后经压制烧结成制品。
它的导热性较差,线胀系数大;适用于大批量生产,成本低廉;主要用于汽车冷却水泵、家用电器等低负荷的密封。
③热解石墨国产热解石墨是用丙烯等碳氢化合物在高温下经热解,使碳蒸气渗透到碳石墨坯体的气孔中,起堵孔作用,开成高密、少孔、低透气性的纯碳石墨材料。
适用于高温、强腐蚀工况。
同于它不适于批量生产,故成本较高。
2.硬质合金(TUNGSTEN CARBIDE)硬质合金具有很多优异性能,如高硬度、耐磨损、耐高温、线膨胀系数小,摩擦系数低和组对性能好等综合优点,是机械密封不可缺少的摩擦副材料。
常用的硬质合金材料有:①钴基硬质合金钨钴合金是以碳化钨为主体,钴为粘结相所组成的合金,用粉末冶金方法压制烧结而成。
基耐磨性比最好的高速钢高15~20倍,热导率高1~2倍。
但易氧化,耐腐蚀性能差。
国产主要牌号有YG6,YG8,YG15。
②镍基硬质合金是以碳化钨为主体,镍为粘结相所组成的合金,用粉末冶金方法压制烧结而成。
耐腐蚀性好,但强度仅为钴基硬质合金的70~80%。
国产主要牌号有YWN8。
③镍铬基硬质合金耐腐蚀性好,强度及硬度高,并且具有无磁性的独特性能。
国产主要牌号有W7。
④堆焊硬质合金堆焊硬质合金有钴基和铬基两种,用作机械密封摩擦副环以前者居多。
国外根据这类合金具有光泽的特性命名为“Stellite”(司太立特)。
由于它的硬度不高且不均匀,所以耐磨性较差,因而泵用机械密封已很少采用;但在PV值不高的釜用机械密封中,仍然占有重要地位。
⑤另外还有钢结硬质合金,RC硬质合金和碳化铬硬质合金。
3.工程陶瓷(CERAMIC)工程陶瓷具有极好的化学稳定性,硬度高,耐磨损,是耐腐蚀机械密封理想的摩擦副组对材料。
但工程陶瓷共有的缺点是抗冲击韧性低,脆性大。
机械密封用工程陶瓷有:氧化铝陶瓷、氧化铝金属陶瓷、铬钢玉陶瓷、碳化硼陶瓷等。
①氧化铝陶瓷根据纯度不同分为99瓷和95瓷,其性能的差异主要为99CE抗弯强度高,硬度高,热膨胀系数小。
②氧化铝金属陶瓷(黑瓷)氧化铝基金属陶瓷是在Al2O3中添加了少量的金属元素而构成。
金属陶瓷成分中,Al2O3含量为88%~92%,余量为Fe、Cr、Ni等。
其硬度在HRA84~88之间。
陶瓷中加入金属可改善其热导率,降低脆性,但耐腐蚀性有所下降。
目前主要用于批量较大的汽车冷却水泵以及潜水泵的机械密封上。
③喷涂陶瓷等离子喷涂技术及其耐磨耐蚀陶瓷涂层是国外70年代用于机械密封的新技术和新材料。
Cr2O3陶瓷涂层具有硬度高,耐磨、耐蚀等优点。
但开口气孔多。
喷涂陶瓷密封环的组对材料多为碳石墨,碳石墨的硬度低于70HS为宜。
这组配对材料使用的pv值较低,使用温度应在200℃以下,广泛用于醋酸等有机介质。
4.碳化硅(SILICON CARBIDE)碳化硅陶瓷是继上述各种陶瓷之后开发的新型陶瓷。
它重量轻、比强度高、摩擦系数小、抗辐射性能好,具有一定的自润滑性、组对性能好、化学稳定性和耐热性以及热传导性能都很优异。
碳化硅是一种脆性材料,抗机械冲击性较差。
由于制造工艺不同,SiC制品的性能有差异.目前有4种类型:①反应烧结SiC 它是SiC+Si组成的致密烧结体。
反应烧结SiC中含有10%~20%的游离硅,游离硅是材料中的无用物,不耐强碱和氧化性介质的腐蚀。
反应烧结SiC的优点是制品的收缩率小,耐热冲击性好,因而适用于批量生产,成本低。
②无压烧结SiC 它是采用超细SiC粉加适量的添加剂,粘结剂压制成型,然后在2000~22000C的温度下烧结而成。
适合用于数量少,规格品种多的机械密封环。
③热压烧结SiC 它由粒度≤1μm的SiC粉加上适当的添加剂,装入石墨摸具内,在2000~21000C的热压炉内加压(30~50MPa)制成。
它是SiC中化学稳定性最好的一种。
这种SiC用作耐腐蚀密封摩擦副环性能最好。
④气相渗透SiC 它既具有碳石墨的优点,又兼有碳化硅的特性,因此是一种有前途的碳基复合材料。
5.金属材料主要有合金铸铁,铜合金,不锈钢。
有一定的强度与硬度,但耐腐蚀差,因此不能用于水类液体和药液,通常用于低负荷,油类液体。
6.用作摩擦副的材料还有填充聚四氟乙稀,酚醛夹布塑料以及橡胶等。
二、辅助密封圈材料机械密封用辅助密封圈要求具备以下性能:①良好的弹性,硬度合适且压缩永久变形小;②耐高,低温的老化性能好;③与介质相容,不易产生溶胀,溶缩,分解和硬化;④较小的摩擦系数,耐磨耗和一定的抗撕裂强度。
1.丁腈橡胶(NBR)丁腈橡胶是由丁二烯和丙烯腈在悬浮液中聚合所得的共聚物。
2.氢化丁腈橡胶(HNBR)性能优于NBR,使用温度范围为-40~+1500C,耐油性比NBR好,耐硫化氢比氟橡胶好。
3.氟橡胶氟橡胶是含氟的高聚合物。
国产氟橡胶主要有两种型号。
氟-23型相当于国外凯尔-F(Kel-F)型;氟-26相当于国外维通(VITON)型。