质量手册(产品实现)
- 格式:doc
- 大小:81.50 KB
- 文档页数:8
质量手册第01版文件号:SM-ZL-001-01受控状态:机密编制:审核:审核:批准:发布实施日期:2013年04月01日目录第一章质量手册颁布令第二章质量方针与质量目标第三章生产、质量管理负责人任命书第四章企业概况第五章质量手册说明和管理第六章质量手册的目的和范围第七章质量管理体系第八章管理职责第九章资源管理第十章产品实现第十一章物料采购第十二章生产过程第十三章质量控制设备第十四章检测、分析和改进附录 GMP文件清单第一章质量手册颁布令1、质量手册发布令《质量手册》是公司质量管理体系法规性文件,是指导公司建立并实施质量管理体系的纲领和行动准则。
《质量手册》阐明了公司质量体系的组织结构、职责和对质量体系的控制要求,目的在于确保公司质量体系的运行符合质量方针和目标的要求,具有公司法规效力,是公司全体员工必须遵守的质量行为准则。
公司的一切质量活动必须在本《质量手册》的控制下进行。
公司所有员工必须认真学习,全面正确理解本《质量手册》的内容和规定,并严格贯彻执行。
作为本公司法人,根据中华人民共和国产品质量法、药品生产质量管理规范、药品管理法和其他有关的法律、法规,对本公司的产品质量全面负责。
为此,我正式批准本手册并发布实施,要求全体员工必须遵照执行。
公司法人:年月日第二章质量方针与质量目标公司的质量方针为:打造中国一流制药企业做行业的领头企业寓意:一流的产品;一流的质量;一流的员工、一流的设备方向:本企业主打产品本公司的质量目标如下:1.管理目标(如中药前处理及提取车间、固体制剂车间、洗剂车间及四个剂型完成新版GMP实施和认证及其他)2.确保每年度无任何重大质量事故发生。
3.严格遵循GMP规定,执行生产经营计划,确保产品质量。
4.产品一次检验合格率98%以上。
质量风险管理的方针:以科学为基础,以患者为中心,促进药品安全。
为使公司的质量方针与目标得以实现,确保药品质量,满足顾客的需求。
公司规定:1、企业负责人全面负责企业日常管理,领导和建立质量保证体系,提供必要的资源、合理计划、组织和协调,保证质量体系的有效运作。
XXXXXXXX 有限公司管理文件质量管理体系质量手册(第四版)发放编号:目录目录 20 引言 41 适用范围 62 引用标准83 术语94 质量管理体系12 4。
1 总要求12 4。
2 文件要求175 管理职责 19 5.1 管理承诺19 5.2 以顾客为关注焦点19 5.3 质量方针19 5。
4 策划19 5.5 职责、权限和沟通20 5。
6 管理评审23 6 资源管理 25 6。
1 资源提供25 6。
2 人力资源25 6.3 基础设施256.4 工作环境257 产品实现 26 7。
1 产品实现的策划26 7。
2 与顾客有关的过程26 7.3 设计和开发26 7.4 采购27 7。
5 生产和服务提供277.6 监视和测量装置的控制288 测量、分析和改进 29 8.1 总则29 8.2 监视和测量29 8。
3 不合格品控制31 8。
4 数据分析31 8.5 改进31 附件:程序/管理规定清单0 引言0.1 公司简介0。
2 质量管理体系文件修订版次1997年12月26日发布质量体系文件(第一版);1998年6月1日发布质量体系文件(第二版);2001年1月5日发布质量体系文件(第三版);2003年2月10日发布质量管理体系文件(第四版)。
0。
3 第三版质量体系文件于2003年2月10日起废止.0。
41 适用范围1.1 按照GB/T19001—2000标准的要求制定本手册,保证符合业主与适用的法律法规要求,旨在增强顾客满意。
作为质量管理规范,确保建筑安装工程质量体系持续、有效地运行。
1。
2 公司按照《GB/T19001-2000 质量管理体系要求》建立质量管理体系。
在承揽的工程项目建设中,均按照业主提供或指定的设计文件组织施工,不涉及“产品的设计和开发”的质量活动过程,故剪裁“7。
3 设计和开发”的要求.1。
3 本手册适用于公司承建的国内外工业、能源、市政、交通和民用新建、改建扩建、维护检修及技改技措等总承包工程,具体包括冶炼工程、房屋建筑工程、市政公用工程、机电安装工程、地基与基础工程、钢结构工程、机场场道工程、管道工程、炉窑工程、防腐保温工程、建筑防水工程、检修工程。
质量手册完整版概述本质量手册是公司为确保产品质量与服务质量的一致性而编制的,旨在为公司员工和客户提供详细的质量管理规范和指导。
本手册适用于公司内外所有业务活动,包括产品研发、生产、销售、售后服务等。
质量手册是公司质量管理的重要文件,也是公司通过审核和认证的重要依据。
所有员工都有责任认真遵守本手册的规定,积极推动质量管理的改进和提升。
质量方针公司致力于提供高质量的产品和服务,以满足客户的需求和期望。
为达成这一目标,公司制定了以下质量方针:1.以客户为中心,不断满足客户需求和期望;2.通过不断改进和创新,不断提高产品质量和服务质量;3.确保所有产品和服务符合国家和行业标准及相关法律法规;4.严格管理,确保质量问题能够及时发现、追踪和处理。
质量目标基于上述质量方针,公司制定了以下质量目标:1.客户满意度达到90%以上;2.产品合格率达到99.9%以上;3.在维修服务中,保证客户投诉回复率100%,解决率80%以上;4.不断完善和改进内部质量管理体系。
组织结构和职责公司为了确保本质量手册的有效运行,设立了质量管理部门,具体组织结构如下:质量管理部门 > 质量总监>> 负责组织、协调和监督公司的质量管理工作,定期制定、检查和审定公司的质量目标和计划;>> > 质量经理>> 负责协调、推动公司的质量管理工作,制定公司的质量方针和目标;>> > 质量工程师>> 负责制定和审查公司的质量管理规程和标准,协助部门制定和实施质量计划;>> > 质量检验员>> 负责产品质量检验,及时发现、记录和处理产品质量问题;>> > 品质管理员>> 负责协调和管理公司内部质量管理工作,组织部门开展质量培训和指导工作。
质量管理体系公司建立了内部质量管理体系,具体包括以下几个方面:1.质量目标的制定与执行。
第8.0章 测量、分析和改进8.1 总则公司在对质量管理体系策划和产品实现策划中,必须对有关产品和质量管理体系所需的监视、测量、分析和改进过程进行策划和实施,具体包括以下几个方面:8.1.1 证实产品的符合性;8.1.2 确保质量管理体系的符合性;8.1.3 在满足有关法规的前提下保持质量管理体系的有效性并持续改进其有交效性;8.1.4 策划监测过程时应确定统计技术的适用方法和应用程度;按国家或地区法规要求对统计技术在内的适当方法及其使用程度的确定。
8.2 监视和测量8.2.1 反馈1)公司编制《顾客反馈及抱怨处理控制程序》,对顾客反馈的信息进行监视和测量;2)按照处理流程,收集顾客反馈的信息,包含从生产和生产后活动中收集数据的要求; 3)定期对反馈的信息进行分析统计,识别与风险管理、产品实现或改进过程有关的潜在输入;4)根据风险标准要求,对于生产后信息收集进行分析,并做为反馈的一部分;8.2.2 抱怨处理公司编制《顾客反馈及抱怨处理控制程序》,流程中至少对以下信息做出规定:a)接收和记录信息的接口;b)评价信息的接口,以确定反馈是否构成抱怨;c)调查抱怨的接口;d)当抱怨信息构成不良事件时,需依据适用的法规要求向监管机构报告;e)对与抱怨有关产品的处理及接口;f)确定是否需要启动纠正或纠正措施。
对于未进行调查的抱怨,应记录相关的理由。
对于抱怨处理过程的所有纠正或纠正措施做好记录。
当公司以外的外部方,如:供应商的活动造成顾客抱怨,则有关顾客抱怨处理信息应在公司和供应商间进行沟通。
保留抱怨处理的记录。
8.2.3 向监管机构报告公司编制《医疗器械报告控制程序》,对:1)符合不良事件报告的抱怨2)发布忠告性通知的报告3)召回产品信息等事件,按法规要求向有关监管机构进行报告,并保留相关的报告记录。
8.2.4 内部审核8.2.3.1 公司编制《内部审核控制程序》,按策划的要求实施审核,以确保公司的质量管理体系:a)按策划安排进行,符合本标准要求、符合公司所确定的质量管理体系要求和适用的法规要求;b)评价公司建立的质量管理体系得到有效实施和保持。
本讲内容: ⼀、质量管理体系基本术语供⽅、程序、⽂件、质量⼿册、质量计划、记录、质量管理体系。
⼆、质量管理体系基础 本讲重点: ⼀、质量管理体系的概念。
⼆、质量管理体系的的定义和作⽤ 三、质量管理体系的要求和产品要求的关系 本讲难点: ⼀、质量管理体系、供⽅、质量⼿册、程序⽂件、质量计划、记录等概念 ⼆、质量管理体系的要求和产品要求的关系 内容讲解: ⼀、质量管理体系基本术语 1、供⽅供⽅:提供产品的组织或个⼈。
例如:制造商、批发商、产品的零售商或商贩、还有服务或信息的提供⽅。
理解要点: (1)供⽅可以是组织内部的,如组织内部⽣产过程输⼊的提供者,即供⽅可能是提供⽣产⽤料的供应部门或提供技术⽂件的设计部门;也可以是组织外部的,如提供组织所需资源的供应商。
(2)在⼀定的条件下,供⽅和顾客可以相互转化。
(3)“承包⽅”或“总承包⽅”也是供⽅,如某项⼯程的承包⽅或总承包⽅这类供⽅,这往往是处在⼀种合同环境下。
2.相关⽅相关⽅:与组织的业绩或成就有利益关系的个⼈或团体。
例如:顾客、所有者、员⼯、供⽅、银⾏、⼯会、合作伙伴或社会。
理解要点: (1)相关⽅相对于某⼀特定的组织,指的是与该组织有利益或利害关系的⼀组群体,该群体中任⼀组织或个⼈的利益匀与该组织的业绩有关。
(2)相关⽅可以是组织内部的,如组织内的销售部门的相关⽅包括组织内的各部门及其各级员⼯,也可以是组织外部的,如银⾏、社会、合作伙伴 3、程序程序:为进⾏某项活动或过程所规定的途径。
理解要点: (1)程序指的是⼀种⽅法、途径。
(2)⽅法、途径未必是程序,程序是⼀种规定的⽅法、途径,为进⾏某项活动或过程可能有多种⽅法、多种途径,其中所规定的⼀种⽅法或途径就是程序。
(3)程序不是⽂件,但程序可以⽂件的形式存在。
程序可以形成⽂件,也可以不形成⽂件。
(4)当程序形成⽂件时,通常称为“书⾯程序”或“形成⽂件的程序”。
含有程序的⽂件可称为“程序⽂件”。
物业质量手册:产品实现物业质量手册:产品实现提要:zz物业的标识表现为物业管理区域内公共区域标识;警示标识及职能部门,评审可采取签名确认、会议等方式,评审应填写《合同评审记录》。
3)当物业管理服务法律法规、服务提供项目、内容、范围发生变更时,公司总部、公司总部、品质管理部、客户服务部等部门应及时告知业户,并与之协商沟通,并对变更内容的变更要求进行重新评审,使相应的合同文件得到更改。
物业管理服务要求发生变更的信息应及时、准确地传达到相关部门和人员。
4)合同或协议文本及《合同评审记录》由公司总部保存。
合同评审具体按《合同评审控制程序》执行。
顾客沟通zz物业与业户的日常沟通是大量的,应坚持以"让业户满意"为原则。
内容包括交收楼、入住手续的办理、各种收费及其标准、有偿服务提供、装修办理和监管、水电气供应信息、消防治安管理、车辆管理、接待、咨询、报修受理及投诉举报处理、社区文化建设等工作;主要通过传单发放、告示张贴、电话通知、当面协商及传真、电子邮件、网络论坛等方式与业户进行有效沟通,每位工作人员要做到认真细心,使用文明语言,态度友好,任何情况下不与业主发生争执;当业户对提供的服务不满意时,相关人员要及时解释原因,消除业主潜在不满意因素。
客户服务部要切实做好业户投诉的处理工作,具体操作执行《投诉处理程序》。
3设计与开发zz物业提供的物业管理服务,早已成熟规范,其特性早已形成惯例,不需要重新设计和开发。
因此本体系删减ISo9001:2000中的3"设计与开发"的内容,删减后不影响zz物业提供物业管理服务的能力与责任。
4采购采购过程本手册主要指对分供方的评价与选择,分供方评审的范围包括凡为公司采购有形产品时的供货商均为需要进行评审的分供方;凡为公司的管理服务工作提供服务的厂家、公司均为纳入评审范围的分供方。
各物业项目的行政管理部每季度至少应当对所管理的合格分供方状况全面组织跟踪评审一次,具体要求:掌握分供方内部管理的状况、分供方产品价格的变化、社会信誉的变化、同本公司合作的情况跟踪、其他应当跟踪管理的要素。
ISO9001质量管理体系《质量手册》目录清单
1.1 手册封面目录
1.3 手册颁布令
1.4 公司简介
1.5 目的和范围
1.6 术语和定义
1.7 手册管理
2.质量方针和质量目标
3.职责和权限
4. 质量管理体系
4.1 总要求
4.2 文件要求
5.管理职责
5.1 管理承诺
5.2 以顾客为关注焦点
5.3 质量方针
5.4 策划
5.6 管理评审
6.资源管理
6.1 资源的提供
6.2 人力资源
6.3 基础设施
6.4 工作环境
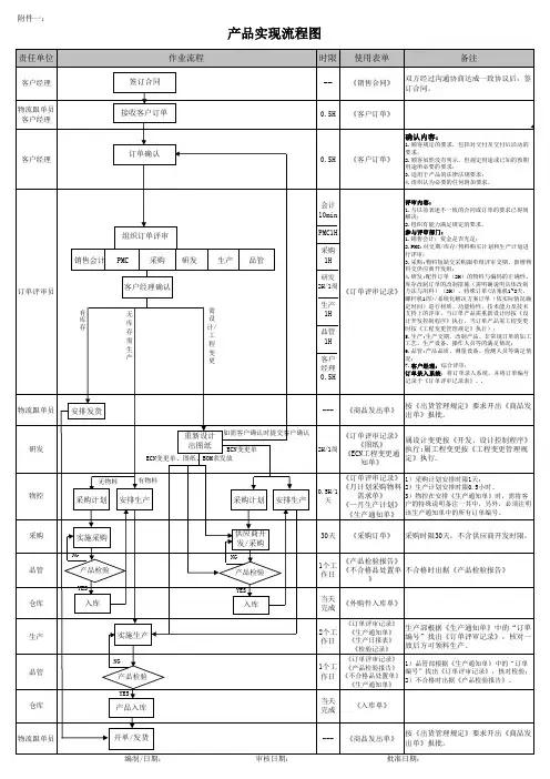
7.产品实现
7.1 产品实现的策划
7.2 与顾客有关的过程
7.3 设计与开发
7.4 采购
7.5 生产和服务提供
7.6 监视和测量装置的控制
8.测量分析与改进
8.1 总则
8.2 监视和测量
8.3 不合格品控制
8.4 数据分析
8.5 改进
附录1:组织机构图
附录2:产品实现流程图附录3:职能分配表
附录4:程序文件清单。
此质量手册是经过李锦记(新会)食品有限公司 ISO 9001推行委员会评审﹐所有更改及修订必需事先得到总经理批准。
本手册乃李锦记(新会)食品有限公司(以下简称新会厂)的财产﹐未经总经理同意不得复印。
目录章节内容版次页1 目录2 引言公司简介质量手册的目的3 质量策略新会厂使命质量方针总体质量目标4 管理架构组织架构图职责权限职能分配表5 ISO 9001要素描述质量管理体系文件组织质量管理体系文件一览表总要求质量管理体系流程图文件要求管理职责资源管理产品实现测量﹑分析和改进6 新会厂的卫生和食品安全质量保证体系食品卫生法GMP体系HACCP体系HACCP原则ISO 9001/HACCP推行委员会(核心小组)成员及职责相关文件公司简介李锦记(新会)食品有限公司是一间香港独资公司﹐座落于李锦记集团主席李文达先生的家乡广东省新会市七堡镇﹐地理环境优美﹐四面环江﹐空气清新。
公司总占地面积600亩(40万平方米)﹐建于1996年10月﹐现有生产厂房包括豉油﹑芝麻油﹑芝麻酱﹑虾酱﹑辣椒酱﹑原料(农产品)加工﹑中央仓库及高新渔﹑农业试验等。
第一期年总生产能力49000吨﹐产品70%出口世界各地﹐其中销往欧洲占30%。
公司设置生产﹑财务﹑工程﹑行政﹑生产计划﹑仓务﹑采购﹑进出口﹑研究发展﹑品质保证及信息科技等十一个部门﹐在职员工300人。
我们有一套严格的质量控制系统﹐工艺流程合理﹐设备先进。
全公司的员工秉承李文达先生的“永远创业”精神﹐不断努力﹐永远进取﹐在这片环境优美的土地上为李锦记集团生产更多更优质的原料﹐使中国饮食文化宏扬世界。
质量手册的目的本质量手册阐述了新会厂的质量方针﹐并描述了本公司按 ISO 9001﹕2000标准要求和公司需要所建立的质量管理体系。
质量手册是质量管理体系文件中的最高层文件。
本手册对内用于实施质量管理﹐对外用于证实本公司的质量保证能力及持续改进的承诺。
为了将本手册中的规定落实到实际工作中去﹐公司制定了质量手册﹑质量程序﹑作业指导书及质量记录﹐构成本公司的质量管理体系文件﹐是公司基本法规的重要组成部份﹐管理层及所有员工必须遵照执行。
主题:质量手册目录 章节号:无主题:《质量手册》说明 章节号: 本《质量手册》阐明了公司质量管理体系的基本要求,是公司质量管理工作的法规和纲领性文件。
它是依据☝/❆《质量管理体系 要求》标准☎简称✋: ✆和《电子产品安全认证 公司质量保证能力细则》,并结合公司质量管理工作实际而确定。
本《质量手册》根据公司质量管理工作的实际情况,对☝/❆《质量管理体系 要求》第 章进行了删减,删减了如下过程:第 . 章“设计和开发”,其原因是:公司的产品设计和开发全部由瑞士总公司执行,本分公司只按照总公司的技术资料进行生产;第 章“顾客财产”,其原因是:在生产和服务提供过程中不使用顾客提供的原物料或组件、包装材料、生产和测试设备、知识产权、技术图纸等财产;增加了“产品安全和责任”要求主题:质量方针和质量目标 章节号: 质量方针:精心生产,讲究质量,不断进步,提供安全、实用、美观的产品质量目标:✆生产过程不合格率:≤ ;✆安全质量事故为: 次 年✆成品合格率:≥ ;✆客户投诉次数:≤ 次 年;总经理:日期: 年 月 日质量手册主题:组织结构 章节号: 主题:质量管理体系过程职责分配表 章节号: 说明:★ 表示主导职责◎ 表示辅助职责主题:质量管理体系 章节号: . 目的:说明公司质量管理体系的总体要求和文件的总体要求。
. 范围:适用于公司的质量管理体系的控制。
. 程序概要:. 质量管理体系总体要求:公司按照☝❆: 《质量管理体系 要求》和《电子产品安全认证 公司质量保证能力细则》建立了质量管理体系,形成文件,加以保持和实施,并予以持续改进。
识别质量管理体系所需过程,并编制相应的程序文件,这些过程可以是从识别客户需求到客户评定的大过程,也可以是具体过程的子过程;本公司的质量管理体系对☝/❆《质量管理体系 要求》第 章进行了删减,删减了如下过程:♋✆第 . 章“设计和开发”,其原因是:公司的产品设计和开发全部由瑞士总公司执行,本分公司只按照总公司的技术资料进行生产;♌✆第 章“顾客财产”,其原因是:在生产和服务提供过程中不使用顾客提供的原物料或组件、包装材料、生产和测试设备、知识产权、技术图纸等财产;明确规定过程的控制方法及过程的相互顺序和接口关系;通过识别、确定、监控、测量分析等对过程进行管理;对过程管理的目的是实施质量管理体系,实现公司的质量方针和质量目标;对过程进行测量、监控和分析及采取改进措施,是为了实现所策划的结果,并进行持续改进。
{品质管理质量手册}质量手册QAB年度质量目标参见附件六:公司部门年度质量目标总经理:日期:批准页本质量手册按ISO9001:2008要求编制而成,是描述公司管理职责、资源管理、产品实现、测量、分析和改进等质量管理活动的纲领文件,是公司质量管理工作的基本法规,现特批准发布,并自发布之时起开始实施。
本质量手册发布后,公司各职能部门负责人应积极组织本部门员工贯彻,为手册的实施做好准备。
为确保手册的有效实施,公司所有部门和人员必须严格执行手册的规定,并使质量管理体系逐渐完善,确保公司取得最佳效益并取得客户的信赖。
总经理:实施日期:第0章前言0.1公司概况炬星电子(惠州)有限公司是香港独资企业,位于惠州市博罗县田头工业区,主要从事电动文具、开关电源等小型电子产品的开发、生产、销售。
公司成立于2011年6月。
公司产品行销美国、英国、法国、德国、新西兰、香港、澳洲、新加坡、日本等国家和地区,深受各地用户好评。
目前,公司拥有丰富的资源和专业的人帮梯队,随着人员素质的不断提高、管理体制的逐步完善和产品开发的推陈出新,公司在健康的大道上不断发展和壮大。
炬星电子(惠州)有限公司地址:中国惠州市博罗县园州镇田头工业区电话:0752-传真:0752-第1章适用范围本手册规定了质量管理体系的要求,用于证实公司有能力稳定地提供满足顾客和适用法律法规要求的产品,及通过体系的有效应用,增强顾客满意。
本手册规定要求的主要目的是通过识别顾客要求、运用过程方法肪持续改进,达到顾客满意。
本手册适用于公司从识别顾客要求到实现顾客满意的各个过程。
本手册适用的质量管理体系要素依ISO9001标准对应的顺序进行阐述,其中质量管理体系程序文件是本手册的基础,包括了质量管理体系标准中所有适用要求。
附件一:公司适用的法律法规清单第2章引用标准I S O9000:2008质量管理体系基础和术语I S O9001:2008质量管理体系要求I S O9004:2008质量管理体系业绩改进指南第3章定义本手册尽量使用I S O9000:2008质量管理体系基础和术语中的基本概念、术语或定义。
质量手册的主要内容
1. 质量手册首先得有公司的质量方针吧!就好比一艘船得有个明确的航行方向,我们公司就是要向着高质量这个目标奋力前进!好比我们生产产品,怎么保证品质呢?这质量方针就是指引我们的明灯啊!
2. 还有质量目标呢!这可太重要啦,它就像我们跑步要到达的终点线,没有它我们都不知道努力的方向在哪!比如说我们今年要把产品合格率提高到多少,这就是具体的质量目标呀。
3. 产品实现过程当然也是质量手册不能少的内容呀!这就如同盖房子,从打地基到砌墙到装修,每个环节都要精心对待。
像咱们生产线上的各个流程,不都得细致规划和严格执行么?
4. 测量、分析和改进也得有呀!这就好像我们时不时要给自己称称体重,看看有没有进步或者哪里出了问题呀。
如果产品有瑕疵,我们得赶紧想办法改进呀!
5. 人员管理呢!没有靠谱的员工怎么能做出好产品呢。
好比一支球队,队员都不行那怎么能赢得比赛!咱对员工的培训、考核这些不得好好规划么?
6. 设备管理也不能忽视呀!设备就是我们的武器,不给它们好好保养维修怎么行呢!就像战士要爱护自己的枪械一样,不好好对待设备,怎么指望它帮我们生产出优质产品呀。
7. 原材料管理也很关键呢!这就跟做饭一样,食材不好,做出来的饭能好吃吗?我们得严格把关原材料的质量呀!
8. 质量手册里还得有应急措施吧!万一碰到突发情况怎么办?就好比突然下暴雨了,我们得有伞呀!要是机器出故障了,我们得迅速有应对办法呀。
9. 客户反馈和服务也是重要一块呢!客户的意见就像是我们前进的动力呀,他们不满意我们就得改呀!不能让客户心寒呀!
我觉得质量手册就是保证公司产品质量和发展的宝典呀,每个环节都不能轻视!。
质量手册ISO/IATF16949文件编号:XX/QM文件版本:C受控状态:发文编号:编制:日期:审核:日期:批准:日期:年月日发布年月日实施目录01 修订记录和发放范围02 颁布令和任命书《质量手册》颁布令本《质量手册》是依据ISO/IATF16949规范的要求,结合我公司的实际情况编制。
本《手册》阐述了公司的质量方针和质量目标,描述了XXX机械有限公司质量管理体系及运行的总体要求和基本原则,是XXX机械有限公司开展质量管理活动的依据,是全体员工应遵循的质量法规和行为准则,是向顾客或第二方、第三方认证机构提供审核我公司质量管理体系的依据。
现批准ISO/IATF16949《质量手册》(C版)从2016年10月15日起正式实施,各部门全体员工必须严格遵照执行。
总经理:日期:管理者代表任命书为了贯彻执行ISO/IATF16949规范的要求,加强对质量管理体系运作的领导,提高工作的有效性,特任命XXX为XXX机械有限公司管理者代表,其职责和权限是:a.对质量管理体系进行策划,确保质量管理体系所需的过程得到建立、实施和保持;b.向总经理报告质量管理体系的运行情况、业绩和改进的需求;c.确保在企业内部组织宣传教育,增强职工满足顾客要求意识的形成;d.与质量管理体系有关的事宜与外部对外联络。
总经理:XXX日期:顾客代表任命书最高管理者授权XXXX为顾客代表,在组织内代表顾客利益:a .参与多方论证小组的活动,包括选择特殊特性,建立质量目标和相关的培训,纠正预防措施,产品设计与开发等活动。
B .从顾客利益出发,对产品提出相应的品质要求。
C .参与生产件放行,工程放行与联络顾客要求的相关活动。
总经理:XXX日期:1范围1.1覆盖范围《质量手册》覆盖范围如下:职能部门及生产车间:品质部、经理部、销售部、财务部、生产物流部、技术工程部、数控加工车间、压铸分公司等6个部门及生产单位。
产品覆盖的范围为空调器支架、发动机及变速箱壳体类零件的制造1.2应用说明本手册依据ISO/IATF16949的技术规范,结合本组织的实际情况编制而成。
文件修改历史表质量手册目录质量手册发布令 (3)管理者代表任命书 (4)前言 (5)公司简介 (6)公司组织架构图 (7)质量管理体系组织架构图 (8)术语和定义 (9)质量管理体系职责矩阵 (10)质量管理体系过程清单...............................................................11~13 过程相互作用矩阵 (14)顾客特殊要求文件清单 (15)质量管理体系…………………………………………………………………16~17 管理职责………………………………………………………………………17~20 资源管理………………………………………………………………………21~23 产品实现………………………………………………………………………23~35 测量、分析和改进……………………………………………………………35~41质量手册发布令我代表公司董事会在此郑重宣布,本公司质量手册是遵循ISO/IATF16949:2016版标准结合本公司的实际情况编制,且经过审核现予以批准发布。
质量手册阐述了公司的质量管理体系,是贯彻公司质量方针,实现公司质量目标,满足客户需求及相关法律法规要求的纲领性文件。
它所描述的原理、程序和方法,公司各个部门员工都要落实贯彻执行。
总经理:日期:公司管理者代表任命书兹任命公司营销部副总XXX为公司质量管理者代表, 无论其在其它方面的职责如何,必须具有以下方面的职责与权限:♦公司质量管理体系所需过程的建立,实施和维护;♦向公司总经理和其他高层管理人员提交公司质量体系执行情况的报告和改进需求;♦确保顾客要求在公司内部得到及时的沟通和实施;并培养满足顾客要求的意识;♦策划并领导内部质量审核计划的实施,对质量体系文件进行审核;♦负责对外联络有关公司质量事宜。
总经理:日期:前言本质量手册是XXX工业有限公司按照ISO/IATF 16949:2016标准制定的,目的是为了明确质量管理体系实施、保持和改进的程序和措施,有效的推进质量管理活动,确保公司质量方针和质量目标的实现,满足顾客的要求。
7 产品实现7.1 产品实现的策划本公司对产品实现所需的全过程进行产品质量先期策划和开发,最大限度满足顾客要求,使事后设计更改减到最少、最小,并与质量管理体系其它过程的要求保持一致。
同时采用了同步开发工程,以缩短产品的开发周期,详见《产品质量先期策划控制程序》。
对产品实现过程策划和开发是保证产品达到质量目标要求的重要手段,重点是控制质量、成本、进度三方面的指标。
产品实现的策划应符合ISO/TS16949:2009标准要求。
7.1.1 顾客要求顾客要求及对其技术规的引用必须包含在产品实现的策划之中,作为质量计划的组成部分。
7.1.2 接收准则开发的产品必须符合国家的法律法规要求、顾客要求、公司技术标准要求,并将其作为顾客对产品的接收标准,必要时经过顾客的批准。
对于计数型数据抽样的接收准则是零缺陷。
7.1.3对于顾客合同的产品、正在开发的产品项目和有关产品信息,本公司所有员工应予以。
7.1.4 更改控制当产品设计、过程设计(工艺)出现更改时,产品研发中心应对更改进行策划,详见《产品和过程更改控制程序》。
在更改实施前对更改进行确认,对更改的影响进行评估,开展验证和确认活动,以确保顾客要求的符合性。
7.2 与顾客有关的过程7.2.1 与产品有关的要求的确定a.公司只有充分了解与产品有关的全部要求后(包括顾客明示的要求、顾客隐含的要求、相关标准的要求、有关法律法规的要求),才能做到通过满足顾客要求而达到顾客满意;b.市场开发部负责通过《市场调研报告》及《产品建议书》初步确定顾客的要求,产品研发中心通过《产品责任书》进一步确定顾客的要求。
详见《顾客要货信息的处置程序》及《产品质量先期策划控制程序》;c.顾客指定的特殊特性本公司依据三级文件《特殊特性确定指导书》的要求,对所有顾客要求的和本公司定义的特殊特性进行识别并有效控制,需要时应将这些文件提交给顾客进行确认,以确保对特殊特性的控制符合顾客的要求。
7.2.2 与产品有关的要求的评审本公司已编制了《顾客要货信息的处置程序》,规定了与产品有关的要求(合同/订单)的评审时机、评审容、评审方法等。
通过评审可保证本公司已正确理解了与产品有关的要求并确保本公司有能力实现这些要求。
物流主管应根据《顾客要货信息的处置程序》的规定组织合同评审,确保所有的顾客要求得到明确的文字规定。
当顾客未以文字的形式表达要求时,由物流主管以文字形式加以记录并由顾客确认。
当合同要求与以前产品订单或投标书的要求不一致时,公司有能力确保满足那些不一致的新要求。
本公司在进行预期产品的合同评审时必须研究、确认并文件化该产品的制造可行性,包括风险分析,并将评审结果体现在合同评审记录中。
7.2.3 顾客沟通市场开发部、产品研发中心应依据《顾客要货信息的处置程序》、《顾客满意度控制程序》及《产品质量先期策划控制程序》的要求,以售后反馈、回访、广告宣传、光盘、互联网、产品配置表、顾客满意度调查、用户走访等方式,与顾客沟通以下信息:a.征集顾客对已购产品的建议和向顾客传递公司的产品信息,并确保与产品有关的信息真实、可靠,不至于误导顾客;b.顾客的问询、合同或订单的处理,包括对其修改时应与顾客进行沟通;c.顾客对售后产品质量的反馈,包括顾客满意和抱怨的信息也要及时进行沟通等。
当顾客有规定的语言和格式要求时(如通过互联网进行数据交换、利用计算机进行辅助设计等),本公司应予以满足。
7.3 设计和开发7.3.1 设计和开发策划产品研发中心负责按《产品质量先期策划控制程序》的要求,对所承担的设计开发任务进行策划和控制,确保设计和开发满足要求。
在进行设计和开发策划时应确定:a.设计和开发阶段:准备、设计、样件、试生产和批量生产;b.适合于每个设计和开发阶段的评审、验证和确认活动;c.选择具备设计能力和资格的人员承担设计任务,并规定其职责、权限和为其配备充分的资源;d.对设计和开发的不同小组之间的接口进行管理,以确保有效的沟通;e.随设计和开发的进展,适时对策划的结果予以更新。
多方论证方法本公司对每一项目都组织成立APQP小组(多方论证小组),成员包括技术、生产、质量、采购与销售和其他适当的人员,必要时可包括顾客及供方代表。
采用多方论证的方法进行产品实现的准备工作,这一工作包括:a.特殊特性的确定;b.FMEA的开发和评审及采取的降低潜在风险的措施;c.控制计划的开发和评审。
7.3.2 设计和开发输入a. 设计和开发输入应形成文件(如设计任务书),其容包括:➢功能和性能要求;➢适用的法律、法规要求;➢适用时,以前类似设计提供的信息;➢设计和开发所必需的其它要求。
应对设计和开发输入进行评审,以确保输入是充分与适宜的。
要求应完整、清楚,并且不能自相矛盾。
b. 产品设计输入产品研发中心和APQP小组应识别产品设计输入要求,形成文件并进行评审,包括:➢顾客要求(特殊特性、标识、可追溯性和包装);➢信息的利用及应规定适当的过程,对竞争的对手分析、以往设计经验的利用、供方的质量反馈、外部数据输入等应用于设计中;➢产品质量、寿命、可靠性、耐久性、可维修性、成本、交付时间。
c. 制造过程设计输入产品研发中心和APQP小组应对设计输入的要求进行评审并形成文件,包括:➢产品设计输出数据(如DFMEA);➢生产率、过程能力和成本目标;➢顾客的要求;➢以往进行的过程设计的经验。
d. 特殊特性(产品特性和过程参数)产品研发中心和APQP小组应确定特殊特性,并且应该从以下方面进行控制:➢控制计划中应包括所有的特殊特性;➢特殊特性应与顾客特定的定义和符号相一致;➢在技术文件中(包括图纸、FMEA、控制计划、作业指导书和检验指导书等文件),必须标明顾客的特殊特性符号或公司的等效符号。
7.3.3 设计和开发输出a.设计和开发输出是设计开发过程的结果,应以能够针对设计开发的输入进行验证的方式提出,并在放行前得到授权人员的批准。
如图样、技术规、计算书、采购产品清单、标准件清单、产品说明书、测试方法、验收准则等,在相关文件中还应规定对产品的安全和正常使用所必需的产品特性(如操作、贮存、搬运、维修和处置的要求);b.设计和开发输出应满足设计和开发输入的要求;c.产品及过程设计输出详见《产品质量先期策划控制程序》。
7.3.4 设计和开发评审产品研发中心及APQP小组负责实施设计和开发的评审工作,评价设计和开发的结果满足产品要求的能力,识别存在的问题并提出改进措施。
参加评审的人员应包括:a.与所评审的设计阶段有关的所有职能部门的代表;b.必要时,可聘请有关专家参与评审;c.需要时,可邀请顾客或其代表。
产品研发中心应对设计的特定阶段的测量加以明确、分析,对汇总结果进行报告,并将其作为管理评审的输入之一。
测量的容可包括:质量风险、成本、生产周期/前置时间、关键路径、产品特性或其它适宜的方面。
7.3.5 设计和开发验证在设计和开发的适当阶段,通常在设计输出形成文件时进行设计验证,以确保设计和开发输出满足输入要求。
对验证结果及任何必要措施的记录应予以保持。
可采用以下方法进行设计和开发验证:a.对产品进行试验和验证;b.与成熟设计进行比较;c.比较输入与输出;d.变换计算;e.对设计和开发的文件进行评审。
7.3.6 设计和开发确认a. 为确保设计能满足规定的使用要求或已知的预期用途的要求,应在设计验证之后进行设计确认。
确认应与顾客项目时间要求相符合,确认结果及任何必要措施的记录应保存。
确认活动应包括:➢对过程输出的产品进行生产件批准;➢比较顾客要求和部开发计划;➢对类似产品的市场报告的分析;➢将确认记录与顾客要求进行比较;➢纠正措施计划和从失效中总结经验教训;➢对产品诞生过程进行审核、评审、确认、批准。
b. 样件计划➢当顾客要求时,公司必须制定样件计划和控制计划;➢可能时,应使用与正式生产相同的供方、工装和过程;➢样件制作完成后应监视所有的性能试验活动,以便及时完成并满足要求;➢当服务外包时,公司将提供技术服务并承但相应的责任。
c. 产品批准过程产品研发中心对产品批准过程按《生产件批准程序(PPAP)》执行,该程序同样适用于供方。
7.3.7 设计和开发更改的控制a.设计和开发更改的控制按《产品和过程更改控制程序》执行。
所有的设计更改都应由授权人批准,形成文件。
适当时,应对设计和开发的更改进行评审、验证和确认,并在实施前得到批准;b.设计和开发更改的评审应包括评价更改对产品组成部分和已交付产品的影响。
如对合同、进度和费用的影响,对制造、试验和检验方法的影响,对采购库存的影响以及对维修、备件的影响等;c.更改包括产品寿命周期的所有更改;d.设计输入、关键或重要特性的更改应提交顾客或其代表同意后实施;e.更改的评审结果及任何必要措施的记录应予保持。
7.4 采购7.4.1 采购过程a.采购部及相关部门根据《采购控制程序》的规定,负责供方的选择、评价和日常管理工作,确保所有采购的产品符合本公司的要求及适用法律、法规的要求;b.采购部负责组织产品研发中心、质量保证部按《供方质量能力评审大纲》要求,对合格供方进行评价;c.产品研发中心负责对供方进行生产件批准(PPAP),确保供方按照《供方选择与评价准则》的要求提供相关资料;d.供方的质量管理体系应以符合ISO/TS16949:2009标准为目标,符合ISO9001:2008标准是实现这一目标的第一步;e.当供方组织机构发生变化时,必须验证供方质量管理体系的连续性和有效性;f.若合同(如顾客的工程图样、规)中有规定,公司必须从经顾客批准的供方处采购产品、材料或服务。
采用顾客指定的供方(包括工装和量具的供方 )不能免除公司确保采购的零件、材料、和服务质量的责任。
7.4.2 采购信息采购部采购人员负责制定并传递采购信息(文件),采购信息(文件)可以是采购计划、采购订单、采购合同及技术/质量协议等,采购信息(文件)可包括以下容:a.产品、过程、程序和设备批准的要求;b.采购产品名称、规格、数量、交货方式等要求;c.产品功能、性能、安全性、可靠性等要求;d.与采购产品有关的供方人员资格方面的要求;e.对供方质量管理体系方面的要求,如通过ISO9001:2008认证等要求;f.采购产品的结构、材质和工艺方法、质量控制要求;g.与供方的沟通要求。
采购信息实施前,由采购部部长对其充分性和适宜性进行评审和批准。
7.4.3 采购产品的验证a.本公司采用进货检验的方式进行验证,检验的地点可设在本公司或供方厂家;b.质量保证部根据《产品的监测和测量控制程序》的要求,对供方提供的产品和材料进行检验或验证,以确保采购产品满足规定的要求;c.如果公司或顾客需要到供方生产现场对采购产品进行验证时,应在采购文件中做出明确规定、安排,并明确规定产品放行方法;d.对计数型的检验接收准则必须是零缺陷;e.本公司采用接收统计数据(自检报告、合格证)并对其进行评价、进货检验或试验的方法保证采购产品的质量;f.供方监控采购部根据《采购控制程序》的要求对供方进行监控。