特种设备检验前准备工作要求内容
- 格式:doc
- 大小:47.50 KB
- 文档页数:5
特种设备检验操作规程一、定义特种设备检验操作规程是指根据国家有关法律法规以及相关检验标准,以及安全技术检验规程,制定检验特种设备的操作规程。
二、目的(1)为了保证特种设备的安全使用,防止由于不合格的特种设备而造成的安全事故,特制定本规程。
(2)本规程旨在规范特种设备检验工作,提高检验质量,确保特种设备的安全可靠操作。
三、适用范围本规程适用于全部特种设备的检验操作,包括但不限于压力容器、压力管道、电梯、起重机械、客运索道、电气设备、安全附件等。
四、检验内容(1)特种设备的检验内容应按照国家有关法律法规和检验标准的要求,结合实际情况,确定检验内容,确保特种设备的安全可靠操作。
(2)特种设备检验内容应包括但不限于:(a)外观检验:检查特种设备的外观及其连接尺寸,以确保外观质量及其连接尺寸符合技术要求;(b)性能检验:检验特种设备的性能是否符合技术要求,以确保特种设备的各项性能参数达到技术要求;(c)安全检验:检查特种设备的安全附件是否完好,以确保特种设备的使用安全;(d)其他检验:根据特种设备的实际情况,进行其他检验,以确保特种设备的安全可靠操作。
五、检验依据(1)特种设备检验应按照国家有关法律法规和检验标准的要求进行,确保特种设备的安全可靠操作。
(2)特种设备检验应按照《安全技术检验规程》的要求进行,以确保特种设备的安全可靠操作。
六、检验机构(1)特种设备检验应由合法登记的特种设备检验机构完成,以确保检验质量。
(2)特种设备检验机构应具备有效的资质,并具有从事特种设备检验工作所必需的技术能力,以确保特种设备的安全可靠操作。
七、检验程序(1)特种设备检验前,应提前准备好检验所需的材料和资料,以确保检验质量。
(2)特种设备检验应按照检验内容和检验标准的要求,按照国家有关法律法规的规定,依次完成各项检验内容,以确保特种设备的安全可靠操作。
(3)特种设备检验结束后,应将检验结果整理成检验报告,以及相关检验资料,以确保检验质量。
特种设备检验须知一、锅炉使用单位在检验前应做好以下准备工作(一)锅炉内部检验前,使用单位准备工作:1、资料准备进行内部检验前,使用单位应当准备以下资料:(1)锅炉使用登记证;(2)锅炉出厂设计文件、产品质量合格证明、安装及使用维护保养说明以及制造监督检验证书或者进口特种设备安全性能监督检验证书;(3)锅炉安装竣工资料以及安装监督检验证书;(4)锅炉改造和重大修理技术资料以及监督检验证书;(5)锅炉历次检验资料,包括检验报告中提出的缺陷、问题和处理整改措施的落实情况以及安全附件及仪表校验、检定资料等;(6)锅炉历次检查、修理资料;(7)有机热载体检验报告;(8)锅炉日常使用记录和锅炉及其系统日常节能检查记录、运行故障和事故记录,对于高压及以上电站锅炉,还应当包括金属技术监督、热工技术监督、水汽质量监督等资料; (9)燃油(气)燃烧器型式试验证书;(10)锅炉产品定型能效测试报告和定期能效测试报告;(11)检验人员认为需要查阅的其他技术资料。
2、检验现场准备工作在进行内部检验前,使用单位应当做好以下准备工作:(1)对锅炉的风、烟、水、汽、电和燃料系统进行可靠隔断,并且挂标识牌;对垃圾焚烧炉或者其他存在有毒有害物质的锅炉,将有毒有害物质清理干净;(2)配备必要的安全照明和工作电源以满足检验工作需要;(3)停炉后排出锅炉内的水,打开锅炉上的人孔、手孔、灰门等检查门孔盖,对锅炉内部进行通风换气,充分冷却;(4)搭设检验需要的脚手架、检查平台、护栏等,吊篮和悬吊平台应当有安全锁;(5)拆除受检部位的保温材料和妨碍检验的部件;(6)清理受检部件,必要时进行打磨;(7)电站锅炉使用单位提供必要的检验设备存放地、现场办公场所等。
3、现场配合以及安全监护(1)内部检验开始前,对检验人员进行安全交底;(2)内部检验过程中,做好现场配合以及安全监护工作;检验人员进入炉膛、烟道、锅筒(壳)、水冷壁进口环形集箱、循环流化床锅炉的热旋风分离器等受限空间进行检验时,进行可靠通风并且设专人监护.(二)锅炉外部检验前,使用单位准备工作;1、资料准备进行外部检验前,使用单位应当准备以下资料:(1)锅炉使用管理制度;(2)锅炉使用登记证;(3)锅炉出厂设计文件、产品质量合格证明、安装及使用维护保养说明以及制造监督检验证书或者进口特种设备安全性能监督检验证书;(4)锅炉安装竣工资料以及安装监督检验证书;(5)锅炉改造和重大修理技术资料以及监督检验证书;(6)锅炉历次检验资料,包括检验报告中提出的缺陷、问题和处理整改措施的落实情况以及安全附件及仪表校验、检定资料等;(7)锅炉历次检查、修理资料;(8)有机热载体检验报告;(9)锅炉日常使用记录和锅炉及其系统日常节能检查记录、运行故障和事故记录,对于高压及以上电站锅炉,还应当包括金属技术监督、热工技术监督、水汽质量监督等资料;(10)燃油(气)燃烧器型式试验证书;(11)锅炉产品定型能效测试报告和定期能效测试报告; (12)检验人员认为需要查阅的其他技术资料.(13)锅炉作业人员(包括锅炉司炉、锅炉水质处理人员)和锅炉相关管理人员的资格证件。
特种设备检验流程与要求解析特种设备是指在使用过程中具有一定危险性或特殊性的设备,如压力容器、起重机械、锅炉等。
为了确保特种设备的安全性和正常运行,特种设备的检验工作显得尤为重要。
本文将对特种设备检验的流程和要求进行解析。
一、特种设备检验流程特种设备检验的流程一般包括四个环节:申请、准备、检验和评定。
申请:企业需要向相关部门提交特种设备检验申请,申请材料一般包括设备的基本信息、使用登记证明、使用单位的资质证明等。
申请材料的准备需要严格按照相关规定进行,以确保申请的顺利进行。
准备:在申请获得批准后,企业需要进行检验准备工作。
这包括设备的清洗、维护和保养,以确保设备在检验过程中的正常运行。
此外,还需要准备检验所需的仪器设备和人员,以保证检验的准确性和可靠性。
检验:检验是特种设备检验流程的核心环节。
检验包括对设备的外观、结构、材料、安全阀等部分进行检查,以确保设备的完整性和安全性。
检验过程中,检验人员需要进行各项测试和测量,如压力测试、液位测量等,以评估设备的性能和安全状况。
评定:在检验完成后,检验机构将对设备进行评定。
评定结果一般包括合格、不合格和待修复等。
对于合格的设备,检验机构将颁发相应的合格证书,以证明设备的安全性和合规性。
对于不合格的设备,检验机构将提出相应的整改要求,要求企业对设备进行修复或更换。
二、特种设备检验的要求特种设备检验的要求主要包括以下几个方面:合规性、安全性和可靠性。
合规性:特种设备检验要求设备符合相关的法律法规和标准要求。
这包括设备的设计、制造和使用等方面的要求。
合规性的检验主要包括对设备的技术文件、制造过程和使用过程进行审查,以确保设备的合规性。
安全性:特种设备检验要求设备在使用过程中具有足够的安全性。
这包括对设备的结构、材料、安全装置等方面的检查。
安全性的检验主要包括对设备的强度、稳定性、密封性、防爆性等进行评估,以确保设备在正常使用情况下不会发生事故。
可靠性:特种设备检验要求设备在使用过程中具有足够的可靠性。
特种设备现场安全监督检查准则(2023新版)特种设备现场安全监督检查准则(2023新版)特种设备的现场安全监督检查是确保特种设备的安全使用的关键环节。
本文档为2023年新版的《特种设备现场安全监督检查准则》。
一、监督检查的目的本准则的目的是规范特种设备现场安全监督检查的程序和要求,提高特种设备的安全性能和使用效果,保障人员的生命财产安全。
二、监督检查的主体特种设备现场安全监督检查的主体包括但不限于以下人员:1. 安全监督员:负责组织和实施特种设备的现场安全监督检查。
2. 特种设备使用单位:负责特种设备的正常运行和日常维护。
3. 监督检验机构:负责对特种设备进行监督检验和评估。
三、监督检查内容特种设备现场安全监督检查的内容应包括以下方面:1. 设备的完好性检查:检查特种设备的整体结构是否完好,是否存在严重磨损和破损等情况。
2. 运行状态检查:检查特种设备的运行状态是否正常,是否存在异常噪音、漏油等问题。
3. 安全装置检查:检查特种设备的安全装置是否完好有效,是否符合相关标准和规定。
4. 作业场地检查:检查特种设备的作业场地是否符合安全要求,是否存在安全隐患。
5. 操作人员培训检查:检查特种设备的操作人员是否接受过相应的培训,是否持证上岗。
四、监督检查程序特种设备现场安全监督检查的程序应包括以下步骤:1. 准备工作:确定监督检查的时间、地点和参与人员。
2. 检查前准备:收集特种设备的技术资料和相关文件,准备检查所需的工具和器材。
3. 实施检查:按照检查内容逐项进行实施,记录检查结果和存在的问题。
4. 结果评估:对检查结果进行评估,确定存在的问题和安全隐患。
5. 整改措施:提出相应的整改措施和建议,并督促特种设备使用单位进行整改。
6. 监督跟踪:对整改情况进行监督跟踪,确保问题得到及时解决。
五、监督检查报告特种设备现场安全监督检查结束后,应当填写相应的监督检查报告。
报告内容应包括检查时间、地点、参与人员、检查结果、存在的问题和整改要求等信息。
特种设备常规检查制度范本一、目的和适用范围本制度的目的是规范特种设备的常规检查工作,确保特种设备的安全运行,保障人民群众的生命财产安全。
本制度适用于我单位所有特种设备的常规检查工作。
二、主要内容和要求(一)检查周期根据特种设备的不同类型和运行状态,制定合理的检查周期。
常规检查周期不得超过一年,对于检查结果优良的设备,可以适当延长检查周期。
(二)检查内容1.特种设备的外观检查。
包括检查设备的表面是否平整,是否有明显的变形、裂纹、腐蚀等现象;设备的标志标牌是否清晰、完整;设备的附属设备是否完好等。
2.特种设备的安全防护装置检查。
包括检查设备的安全门、防护网、警示灯等安全装置是否完好,是否有缺陷或损坏。
3.特种设备的操作显示检查。
对设备的仪表、控制开关等进行检查,确保设备的操作显示正常,无误判或误操作的情况。
4.特种设备的润滑、冷却、供气供水等系统的检查。
确保设备的润滑系统、冷却系统、供气供水系统等正常运行,无泄漏或堵塞等问题。
5.特种设备的电气线路检查。
包括对设备的电气线路、接线端子、保护装置等进行检查,确保电气系统的正常运行和安全性。
6.特种设备的紧固螺栓检查。
对设备的紧固螺栓、连接件等进行检查,确保设备的固定可靠,无松动或脱落现象。
7.特种设备的试验和安全保护装置检查。
对设备的各项试验进行检查,确保设备的性能稳定和安全可靠。
(三)检查流程1.检查前的准备工作。
检查人员需熟悉设备的使用说明书、技术规范和安全操作规程,并带齐相应的检查工具和器材。
2.检查过程中的注意事项。
检查人员需要按照制定的检查内容和要求进行检查,注意安全操作,不得擅自打开设备的密封件或进行危险操作。
3.检查记录和报告。
检查人员需详细记录检查过程中发现的问题和缺陷,并及时向设备管理人员报告,以便及时修复和处理。
三、责任与监督(一)责任1.特种设备管理员负责组织和实施特种设备的常规检查工作,确保检查工作的顺利进行。
2.检查人员负责按照制度要求进行设备的常规检查,并对检查结果负责。
特种设备现场监督检查程序引言:特种设备是指在特定工作场所或特定环境下运行的各类设备,如压力容器、锅炉、电梯等。
为了确保特种设备的安全运行,保护人员和财产安全,特种设备现场监督检查程序被制定并广泛应用。
本文将详细介绍特种设备现场监督检查程序的内容和要求。
一、检查前的准备工作1.明确检查目标:根据特种设备的种类和工作场所,明确本次检查的目标和范围。
2.组织人员:确定检查人员,包括主检人员和协助人员,并对其进行培训,确保具备相关专业知识和技能。
3.准备检查工具:根据不同特种设备的种类和要求,准备好相应的检查工具和设备,如测压仪器、测温设备等。
二、现场检查流程1.安全准备:检查人员到达现场后,首先应进行安全准备,佩戴好个人防护装备,并与现场负责人进行安全交底。
2.检查设备外观:仔细检查特种设备的外观是否完整,有无明显破损或腐蚀等情况,并记录下来。
3.检查设备运行状态:观察特种设备的运行情况,包括运行噪音、振动、温度等指标,判断是否正常,并记录相应数据。
4.检查设备保护装置:检查特种设备的保护装置是否完好,并测试其可靠性和准确性。
5.检查设备附件:检查特种设备配套的附件是否完好,并进行必要的测试和检测。
6.检查设备操作人员:检查特种设备的操作人员是否持证上岗,是否具备相应的专业知识和技能。
7.检查设备维护记录:仔细查阅特种设备的维护记录,确认设备是否按时进行维护,并记录下来。
8.检查设备文件资料:核对特种设备的相关文件资料,包括设计文件、制造单位资质证书、检验报告等,确保其合法有效。
9.现场沟通与整改:与现场负责人和操作人员沟通检查结果,指出存在的问题和隐患,并提出整改要求。
10.填写检查报告:根据检查结果,填写详细的检查报告,包括问题描述、整改要求等,并交由相关部门进行记录和处理。
三、检查后的处理措施1.整改要求:根据检查结果,向现场负责人提出整改要求,要求其在规定时间内对问题进行整改,并跟踪整改情况。
特种设备检验准备工作及过程中的注意事项一、准备工作:1.明确检验要求和标准。
在进行特种设备检验前,需要明确所检验设备的相关要求和标准,包括检验周期、检验内容、检验标准等。
2.组织检验人员。
确定检验人员的数量和资质,确保检验人员具备相应的专业知识和经验。
3.准备检验工具和设备。
检验过程中需要使用各种检验工具和设备,如测量仪器、检测设备等,确保这些工具和设备完好并符合检验要求。
4.准备检验记录和报告表。
准备好必要的检验记录和报告表格,以便及时记录检验结果和进行整理分析。
二、注意事项:1.检验前需对设备进行彻底检查。
在进行检验之前,需要对设备进行全面的检查,确保设备处于正常运行状态。
2.严格按照检验标准进行。
在进行检验过程中,需要严格按照检验标准进行操作,不得有任何疏忽。
3.遵守安全操作规程。
在检验过程中,需要遵守相关的安全操作规程,确保检验人员的人身安全。
4.认真记录检验结果。
在进行特种设备检验时,需要认真记录和保存检验结果,确保记录的真实性和准确性。
5.及时处理检验中发现的问题。
在检验过程中,如果发现任何设备问题,需要及时处理并做好相关记录和报告。
总之,特种设备检验是一项重要的工作,准备工作和注意事项对于检验工作的顺利进行起着至关重要的作用。
只有在严格遵守标准和规程的情况下,才能保证特种设备的安全运行,并有效地预防事故的发生。
由于特种设备通常具有较高的压力、温度和危险性,其检验安全隐患相对较高。
因此,在准备工作和注意事项方面需要更加细致周到。
3. 保证检验环境的安全性。
在进行特种设备检验时,需要确保检验环境的安全性,包括通风条件、防爆措施等。
特别是对于具有爆炸、有毒有害特性的特种设备,需要采取额外的安全保障措施。
4. 特种设备的停工和准备。
在进行检验时,需要对特种设备进行停工和准备。
需要确保在停工期间设备的安全,并对设备进行相应的准备工作,从而保证检验工作的顺利进行。
5. 检验设备的选择。
根据特种设备的不同类型和用途,选择合适的检验设备进行检验。
特种设备压力容器检验制度一、总则1. 本制度适用于所有特种设备压力容器的检验工作。
2. 检验工作应遵循国家相关法律法规和安全技术规范。
二、检验分类1. 定期检验:按照国家规定的时间周期进行的检验。
2. 临时检验:因特殊情况需要进行的非周期性检验。
三、检验机构与人员1. 检验工作应由具有相应资质的检验机构承担。
2. 检验人员应具备相应的专业技能和资格证书。
四、检验程序1. 检验准备:检验前,使用单位应提供设备技术资料和运行记录。
2. 外观检查:检查容器外观、标识、安全附件等。
3. 内部检查:对容器内部进行清洁、检查腐蚀、裂纹等情况。
4. 安全附件检查:检查安全阀、压力表、紧急切断装置等是否正常。
5. 耐压试验:进行水压或气压试验,验证容器的耐压性能。
6. 检验记录:详细记录检验过程和结果,建立档案。
五、检验周期1. 定期检验周期应符合国家相关规定。
2. 临时检验应根据设备运行状况和使用环境确定。
六、检验结果处理1. 合格:检验结果符合安全要求,允许继续使用。
2. 不合格:检验结果不符合安全要求,应停止使用并进行整改。
3. 整改复检:整改后需重新进行检验,合格后方可重新投入使用。
七、监督管理1. 检验机构应接受特种设备安全监督管理部门的监督和管理。
2. 使用单位应配合检验工作,并执行检验机构提出的整改意见。
八、附则1. 本制度自发布之日起实施,由特种设备安全监督管理部门负责解释。
2. 本制度如与国家新颁布的法律法规相抵触,按国家法律法规执行。
请根据实际情况和国家最新法律法规,对以上内容进行适当调整和补充。
特种设备设施验收制度是保障特种设备在使用前经过严格检验和验收的一种制度。
该制度的实施对于保障特种设备的安全运行、预防事故的发生具有重要意义。
本文将从特种设备设施的验收流程、验收标准及其实施过程中的注意事项等方面进行详细介绍。
一、特种设备设施验收流程特种设备设施验收的流程主要包括前期准备、验收准备、验收检查、验收报告和验收结论五个阶段。
1. 前期准备阶段在特种设备设施验收前,相关部门需要对验收的特种设备进行前期准备工作。
首先,需要了解特种设备的种类、规模和性质等基本信息。
其次,需要与特种设备的设计、制造和安装单位进行沟通,明确双方的义务和责任。
最后,还要督促特种设备的设计、制造和安装单位按照相关的法规和标准进行工作。
2. 验收准备阶段验收准备阶段是对特种设备设施进行验收前的准备工作。
该阶段的主要任务是确定验收的时间、地点和方式。
同时,还需要确定验收的组织机构和人员。
组织机构主要负责协调和监督验收工作的进行,人员负责具体的验收工作。
3. 验收检查阶段验收检查阶段是对特种设备设施进行全面的检查和评估。
首先,需要对特种设备的安全运行是否符合相关的法规和标准进行检查。
然后,需要针对特种设备的各项性能指标进行检查。
最后,还需要对特种设备的运行维护和管理制度进行检查。
4. 验收报告阶段验收报告阶段是对特种设备设施的验收结果进行总结和归档。
验收报告主要包括验收的目的、过程和结果等内容。
在撰写验收报告时,需要客观、准确地记录验收的过程和结果,以便于后续的管理和监督工作。
5. 验收结论阶段验收结论阶段是对特种设备设施验收结果的最终确认和评价。
验收结论分为合格和不合格两种情况。
当特种设备设施符合相关的法规和标准时,可以作出合格的验收结论。
当特种设备设施存在安全隐患或不符合相关的法规和标准时,需要提出相应的整改意见。
二、特种设备设施验收标准特种设备设施的验收标准是根据相关的法规和标准进行制定的。
验收标准主要包括以下几方面:1. 设备的安全性能特种设备设施的安全性能是验收的核心标准。
特种设备的定期检验制度一、目的和适用范围1. 为了确保特种设备的安全运行,预防和减少事故的发生,根据国家相关法律法规,特制定本制度。
2. 本制度适用于所有在用的特种设备,包括但不限于锅炉、压力容器、电梯、起重机械、客运索道、大型游乐设施等。
二、检验周期1. 特种设备应按照国家规定的检验周期进行定期检验。
2. 检验周期根据设备的种类、使用年限、使用频率和使用条件等因素确定。
三、检验内容1. 外观检查:检查设备的外部结构、安全附件、标识等是否完好无损。
2. 性能测试:对设备的安全性能进行测试,包括压力测试、速度测试、载荷测试等。
3. 功能检查:确保所有功能正常运行,包括安全保护装置、控制系统等。
4. 文件审查:审查设备的使用、维护、修理记录,以及操作规程和应急预案。
四、检验程序1. 检验前准备:设备使用单位应提前做好设备清洁、停机等准备工作。
2. 现场检验:由具备资质的检验机构或人员进行现场检验,并出具检验报告。
3. 问题整改:对于检验中发现的问题,使用单位应立即进行整改,并在规定时间内完成。
4. 检验合格:检验合格后,设备方可继续使用,并由检验机构发放检验合格标志。
五、检验记录和档案管理1. 检验记录:检验过程中应详细记录检验结果和发现的问题。
2. 档案管理:所有检验记录和相关文件应妥善保存,以备查阅。
六、监督管理1. 使用单位应定期向特种设备安全监督管理部门报告设备使用和检验情况。
2. 安全监督管理部门应定期对特种设备的使用和检验情况进行监督检查。
七、附则1. 本制度自发布之日起生效,由特种设备使用单位负责解释。
2. 对于违反本制度的行为,将依法追究相关责任。
请根据实际情况和国家相关法律法规的要求,对上述内容进行适当调整和补充。
制定特种设备检验制度和检验计划### 特种设备检验制度和检验计划#### 一、目的与适用范围1. 目的:确保特种设备的安全运行,预防和减少事故的发生。
2. 适用范围:适用于所有特种设备,包括但不限于锅炉、压力容器、电梯、起重机械、客运索道、大型游乐设施等。
#### 二、检验原则1. 安全性:所有检验活动应以确保设备安全为首要目标。
2. 系统性:检验应全面覆盖设备的所有关键部件和操作流程。
3. 规范性:检验应遵循国家相关法律法规和标准。
#### 三、检验机构与人员1. 检验机构:应由具有相应资质的检验机构负责。
2. 检验人员:检验人员应具备专业资格和丰富的实践经验。
#### 四、检验类别与周期1. 年度检验:每年进行一次,检查设备的日常运行状态。
2. 定期检验:根据设备类型和使用情况,每3-6年进行一次全面检验。
3. 特殊检验:在设备经过大修、改造或发生事故后进行。
#### 五、检验内容1. 外观检查:检查设备的外部状况,包括腐蚀、裂纹等。
2. 性能测试:测试设备的关键性能参数是否符合要求。
3. 安全附件检查:确保安全阀、压力表等安全附件正常工作。
4. 文件审查:审查设备的使用、维护和检修记录。
#### 六、检验程序1. 检验准备:检验前,设备应停止运行并进行必要的清洁。
2. 现场检验:按照检验计划进行现场检查和测试。
3. 问题整改:对检验中发现的问题进行整改,并重新检验。
4. 检验报告:检验结束后,出具详细的检验报告。
#### 七、检验计划1. 年度计划:每年初制定年度检验计划,并报备相关部门。
2. 定期检验计划:根据设备使用年限,提前制定定期检验计划。
3. 应急检验计划:对于突发事件,应有快速响应的应急检验计划。
#### 八、记录与档案1. 检验记录:详细记录检验过程中发现的问题及整改措施。
2. 档案管理:建立特种设备检验档案,保存所有检验报告和相关文件。
#### 九、监督与管理1. 监督管理:由专门的安全监督管理部门负责检验工作的监督。
起重机械检验前的工作范文起重机械检验前的工作是确保机械设备在使用前符合安全要求,并能够正常运行。
在进行实际检验前,需要进行一系列的准备工作。
本文将介绍起重机械检验前的工作内容,不包含使用分段语句的词汇。
一、检验计划的编制进行起重机械的检验前,需要先编制详细的检验计划。
该计划包括检验的目标、范围、方法、步骤、时间和人员等要素。
在编制检验计划时,需要尽量考虑到在机械设备检验时可能遇到的各种情况,以确保检验的顺利进行。
二、准备检验所需的设备和工具进行起重机械的检验需要使用一些专门的设备和工具。
例如,使用无损检测仪器检查机械结构的缺陷、使用测量仪器检测机械设备的尺寸误差等。
在检验前,需要准备好这些设备和工具,并进行检查和校准,以确保其准确性和可靠性。
三、检查机械设备的技术文件和记录检验前,需要对起重机械的技术文件和记录进行仔细检查。
包括机械设备的设计文件、施工总图、工艺规程、质量证明文件、维修保养记录等。
通过检查这些文件和记录,可以了解机械设备的性能特点、使用条件、运行历史等信息,为后续的检验工作提供依据。
四、检查机械设备的工作环境和周边设施起重机械的安全使用与其工作环境和周边设施的配套情况密切相关。
在进行检验前,需要对机械设备所在的工作环境和周边设施进行检查。
包括检查场地的平整度、工作空间的大小、通风情况、灯光照明情况、消防设施等。
通过检查工作环境和周边设施,可以确保起重机械在使用过程中不会因环境因素造成事故和隐患。
五、进行机械设备的外观检查进行机械设备的外观检查是检验前的重要环节之一。
通过仔细检查机械设备的外观,可以发现机械设备表面的缺陷、异常情况等。
例如,检查机械设备的焊接情况、表面涂层的状况、有无变形或裂纹等。
外观检查可以为后续的性能检验提供重要的参考依据。
六、进行机械设备的功能检查在进行起重机械的检验前,需要对机械设备的功能进行检查。
包括检查机械设备的运行情况、控制系统的正常性、保护装置的有效性等。
特种设备定检安全作业指南特种设备在工业生产和日常生活中发挥着重要作用,但由于其具有一定的危险性,如果在定期检验过程中操作不当,可能会引发安全事故,给人员和财产带来巨大损失。
因此,为了确保特种设备定检工作的安全进行,特制定本安全作业指南。
一、特种设备定检的基本概念特种设备是指涉及生命安全、危险性较大的锅炉、压力容器(含气瓶)、压力管道、电梯、起重机械、客运索道、大型游乐设施和场(厂)内专用机动车辆等设备。
定期检验是指按照规定的时间间隔和检验项目,对特种设备进行的检查、测试和评估,以确保其安全性能符合要求。
二、定检前的准备工作1、资料收集在进行定检之前,检验人员应收集被检设备的相关资料,包括设计文件、制造安装资料、使用登记证、历次检验报告等。
这些资料可以帮助检验人员了解设备的基本情况和历史运行状况,为制定检验方案提供依据。
2、制定检验方案根据设备的类型、规格、使用情况和相关法规标准的要求,制定详细的检验方案。
检验方案应包括检验项目、检验方法、检验工具和仪器、安全措施等内容。
3、人员准备安排具备相应资质和经验的检验人员进行定检工作,并对其进行安全教育和技术培训,使其熟悉检验流程和安全注意事项。
4、工具和仪器准备根据检验方案,准备好所需的工具和仪器,如量具、检测设备、安全防护用品等,并确保其性能完好、精度符合要求。
5、现场准备通知使用单位做好现场准备工作,包括清理设备周围的杂物、设置警示标志、提供必要的照明和通风条件等。
三、定检过程中的安全注意事项1、个人防护检验人员应穿戴符合要求的个人防护用品,如安全帽、工作服、安全鞋、手套等。
在进行高处作业、进入受限空间等危险作业时,还应佩戴安全带、防毒面具等特殊防护用品。
2、设备断电和隔离在对电气设备进行检验时,应先切断电源,并采取可靠的接地和短路措施,防止触电事故的发生。
对于需要进行内部检验的设备,如压力容器、压力管道等,应进行有效的隔离和置换,确保内部介质无残留、无压力。
检验员特种设备管理制度一、总则1. 本制度旨在规范特种设备检验员的工作流程,确保特种设备的安全运行。
2. 适用于所有从事特种设备检验工作的人员。
二、检验员资格与职责1. 检验员必须具备相应的专业资格证书,并定期参加复训和考核。
2. 检验员负责对特种设备进行定期检验、维护指导和安全评估。
三、检验流程1. 检验前准备:检验员需熟悉设备技术资料,准备必要的检验工具和仪器。
2. 现场检验:按照特种设备检验规程进行,包括但不限于外观检查、性能测试、安全附件检查等。
3. 检验记录:详细记录检验过程和结果,对发现的问题提出整改建议。
四、检验周期1. 检验员应按照国家相关规定和设备使用频率,制定合理的检验周期。
2. 对于紧急情况或设备故障,检验员应立即进行特别检验。
五、问题处理与报告1. 对检验中发现的问题,检验员应及时通知设备使用单位,并指导其采取相应措施。
2. 检验员应定期向管理部门提交检验报告,报告中应包含检验结果、问题整改情况及建议。
六、培训与考核1. 检验员应定期参加由管理部门组织的培训,提升专业技能和安全意识。
2. 管理部门应对检验员进行年度考核,考核内容包括专业知识、工作业绩和职业道德。
七、安全与保密1. 检验员在执行任务时应严格遵守安全操作规程,确保个人和设备安全。
2. 对于涉及的技术资料和检验信息,检验员应做好保密工作。
八、附则1. 本制度自发布之日起生效,由管理部门负责解释。
2. 对本制度的修改和补充,应由管理部门提出,并经过相应程序审批后实施。
请根据实际情况和具体要求,对上述内容进行适当调整和补充。
特种设备检验前准备工作要求一、锅炉定期检验1、锅炉部检验1.1准备好有关的技术资料,包括锅炉制造和安装的技术资料、锅炉使用登记资料、锅炉运行记录、水质化验报告或记录、修理和改造记录、事故记录及历次检验报告、管理制度及操作规程、作业人员证书等;1.2提前停炉,放净锅炉的水,打开锅炉上的人孔、头孔、检查孔和灰门等一切门孔装置,使锅炉部得到充分冷却,通风换气;1.3采取可靠措施隔断受检锅炉与热力系统相连的蒸汽、给水、排污等管道并切断电源,对于燃油、燃气的锅炉还须可靠的隔断油、气来源并进行通风转换;1.4清理锅炉的垢渣、炉渣、烟灰等污物;1.5拆除妨碍检查的汽水档板、分离装置、给水、排污装置等锅筒件,并准备好用于照明的安全电源;1.6对需要登高检验的(离地面3m以上)部位,应搭设牢固的脚手架;1.7企业要有专人配合检验。
2、锅炉外部检验2.1准备好锅炉的技术档案资料,包括锅炉制造和安装的技术资料、锅炉使用登记资料、锅炉运行记录、水质化验报告或记录、修理和改造记录、事故记录及历次检验报告、管理制度、作业人员证书等;2.2对锅炉外部进行清理;2.3使用单位管理人员和司炉班长到场配合检验。
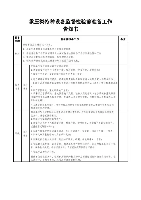
二、压力容器全面检验1、准备好压力容器的管理技术档案。
包括图纸、质证书、安全使用说明书、历次(年度和全面)检验报告、运行记录、使用登记资料、修理改造资料、作业人员证书、管理制度和操作规程、设备台帐、安全附件台帐、设备位置图等;2、应对影响外部检验的附设部件或其它物体予以拆除;3、对于需要登高检验的(离地面3m以上)部位,应搭脚手架,且安全牢固;4、检验前必须切断与压力容器有关的电源,拆除保险丝,并设明显标志;5、必须将部介质排除干净,用肓板隔断所有液体、气体或蒸汽来源,设置明显的隔离标志;6、具有易燃、助燃、毒性或窒息性介质的,必须进行置换、中和、消毒、清洗,并取样分析,分析结果应达到有关规、标准的规定。
取样分析的时间,应在使用单位的有关制度中作出具体规定;7、压力容器部空间的气体含氧量应在18-23%(体积比)之间,必要时配备通风、安全救护措施;8、能够转动的或其中有可动部件的压力容器,应锁住开关,固定牢固;9、需要进行检验的表面,特别是腐蚀部位和可能产生裂纹性缺陷部位,应彻底清扫干净;10、检验用的灯具和工具的电源电压,应符合GB3805的规定;11、部检验时,应有专人监护,并有可靠的联络措施;12、企业要有专人配合检验。
三、压力管道定期检验1、准备好压力管道的管理技术档案。
包括图纸、安装质量证明书、历次检验报告、运行记录、使用登记资料、管道单线图等;2、应对影响检验的附设部件(如保温等)予以拆除;3、对于需要登高检验的(离地面3m以上)部位,应搭脚手架,且安全牢固;4、需要进行检验的表面,特别是腐蚀部位和可能产生裂纹性缺陷部位,应彻底清扫干净;5、企业要有专人配合检验。
四、电梯定期检验1、现场准备1.1使用单位通知维保单位的维保人员到达检验现场,配合检验;1.2使用单位的电梯安全管理人员和相关人员应到现场配合、协助检验工作,负责现场安全监护;1.3检验现场应当具备以下检验条件:1.3.1机房或者机器设备间的空气温度保持在5~40℃之间;1.3.2电网输入正常,电压波动在额定电压值±7%的围;1.3.3环境空气中没有腐蚀性和易燃性气体及导电尘埃;1.3.4检验现场清洁,没有与电梯工作无关的物品和设备,相关现场放置表明正在进行检验的警示牌。
2、资料准备2.1电梯安全技术档案(产品合格证、安装技术文件和图纸资料等);2.2注册登记表;2.3上一年度的检验报告书;2.4电梯全年的维护保养记录;2.5维保单位自检报告;2.6在有效期的电梯维护保养合同;2.7《电梯维保备案表》;2.8所有电梯管理人员/操作人员证件;2.9电梯管理台帐和作业人员台帐及安全附件台帐;2.10电梯安全管理制度(电梯钥匙的管理制度、操作规程、乘客须知、事故应急措施和救援预案;电梯运行故障和事故记录等)。
五、电梯安装监督检验1、现场准备:1.1准备好电梯额定载荷的125%的载荷砝码(轿厢面积超标的准备额定载荷的150%);1.2使用单位的电梯安全管理人员和相关人员应到现场配合、协助检验工作,负责现场安全监护;1.3安装单位安排相关的专业人员配合进行现场检验;1.4检验现场应当具备以下检验条件:1.4.1机房或者机器设备间的空气温度保持在5~40℃之间;1.4.2电网输入正常,电压波动在额定电压值±7%的围;1.4.3环境空气中没有腐蚀性和易燃性气体及导电尘埃;1.4.4检验现场清洁,没有与电梯工作无关的物品和设备,相关现场放置表明正在进行检验的警示牌。
1.4.5对井道进行了必要的封闭。
2、资料准备2. 1制造资料2.1.1电梯整机型式试验合格证书或者报告书;2.1.2产品质量证明文件;2.1.3门锁装置、限速器、安全钳、缓冲器、含有电子元件的安全电路(如果有)、轿厢上行超速保护装置、控制柜、驱动主机等安全保护装置的型式试验合格证,限速器和渐进式安全钳的调试证书;2.1.4机房或者机器设备间及井道布置图;2.1.5电气原理图,包括动力电路和连接电气安全装置的电路;2.1.6安装使用维护说明书;2.1.7对于轿厢面积超标的载货电梯,还应当提供符合相关规定的设计计算书。
注:上述文件如为复印件则必须经电梯整机制造单位加盖公章或者检验合格章。
2. 2安装资料2.2.1安装许可证和安装告知书;2.2.2施工方案,审批手续, 施工现场作业人员持有的电梯作业人员证;2.2.3施工过程记录和自检报告;2.2.4变更设计证明文件(如安装中变更设计时),履行了由使用单位提出、经整机制造单位同意的程序;2.2.5施工过程中质量或者人身伤亡事故记录与处理报告(如发生相应事故);2.2.6安装质量证明文件;注:上述文件如为复印件则必须经安装单位加盖公章或者检验合格章。
2.3使用单位资料2.3.1使用登记资料,容与实物相符;2.3.2以岗位责任制为核心的电梯运行管理规章制度;2.3.3与取得相应资格单位签订的日常维护保养合同;2.3.4按照规定配备的电梯安全管理和作业人员的电梯作业人员证。
六、电梯改造、重大维修监督检验1、现场准备1.1改造、重大维修的电梯必要时,准备好电梯额定载荷的125%的载荷砝码(轿厢面积超标的准备额定载荷的150%);1.2使用单位的电梯安全管理人员和相关人员应到现场配合、协助检验工作,负责现场安全监护;1.3改造、重大维修单位安排相关的专业人员配合进行现场检验;1.4检验现场应当具备以下检验条件:1.4.1机房或者机器设备间的空气温度保持在5~40℃之间;1.4.2电网输入正常,电压波动在额定电压值±7%的围;1.4.3环境空气中没有腐蚀性和易燃性气体及导电尘埃;1.4.4检验现场清洁,相关现场放置表明正在进行检验的警示牌。
2、资料准备2.1施工单位资料2.1.1改造或者维修许可证和改造或者重大维修告知书;2.1.2改造或者重大维修的清单、改造的相关图样和计算资料以及施工方案,施工方案的审批手续;2.1.3所更换的安全保护装置或者主要部件产品合格证、型式试验合格证书;限速5和渐进式安全钳的调试证书(如发生更换);2.1.4施工现场作业人员持有的电梯作业人员证;2.1.5施工过程记录和自检报告,包括承重梁、导轨支架等隐蔽工程的见证材料;2.1.6施工过程中质量或者人身伤亡事故记录与处理报告(如发生相应事故);2.1.7对改造项目,提供改造后的整梯合格证;2.1.8对重大维修项目,提供重大维修质量证明文件;注:上述文件如为复印件则必须经改造或者重大维修单位加盖公章或检验合格章。
2.2使用单位资料2.2.1使用登记资料,容与实物相符;2.2.2以岗位责任制为核心的电梯运行管理规章制度;2.2.3与取得相应资格单位签订的日常维护保养合同;2.2.4按照规定配备的电梯安全管理和作业人员的特种设备作业人员证。
七、起重机械定期检验1、使用单位现场准备1.1现场检验时,使用单位的起重机械安全管理人员和相关人员应到场配合、协助检验工作,负责现场安全监护。
1.2拆卸制动器、联轴器、电动机等妨碍检验的防护罩、防雨罩部件或者其他物品。
1.3将起重机械主要受力部件、主要焊缝的严重腐蚀部位,以及检验人员指定部位和部件清理干净,露出金属表面。
1.4高于地面或固定平面3m以上的需进行检验的部位,应采取可靠安全的登高措施。
1.5提供满足检验和安全需要的安全照明、工作电源,以及必要的检验辅助工具或者器械。
1.6需要固定后方可进行检验的可转动部件(包括可动结构),固定牢靠。
1.7载荷试验1.7.1首次定检时,使用单位应准备相应的额定载荷、1.1倍额定载荷、1.25倍额定载荷、1.5倍额定载荷(仅限于电动葫芦)、相应幅度下的最大额定载荷(小车变幅、动臂变幅等起重机械);1.7.2首检或首次定检后,每隔一个检验周期准备相应的额定载荷,相应幅度下的最大额定载荷(小车变幅、动臂变幅等起重机械);1.7.3提供、安排移动重物的设备和人员。
1.8现场的环境和场地条件符合检验要求,没有影响检验的物品、设施,并且设置相应的警示标志。
1.9需要进行现场射线检测时,隔离出透照区,设置安全标志。
1.10防爆设备现场,具有良好的通风,确保环境空气中的爆炸性气体或者可燃性粉尘物质浓度低于爆炸下限的相应规定。
2、使用单位准备资料2.1产品技术文件,包括设计文件(包括总图、主要受力结构件图、机械传动图和电气、液压系统原理图)、产品质量合格证明、安装使用维修说明等;2.2制造许可证或者型式试验备案许可证明。
2.3产品监督检验证明(实施监督检验的)。
2.4《特种设备使用注册登记表》;2.5 起重机械作业人员台账和证书;2.6起重机械上一周期的定期检验报告(首检除外)2.7 存在雷击可能的起重机械有避雷系统有效的证明(首检除外)。
八、起重机械安装改造重大维修监督检验1、施工单位现场准备1.1施工单位应当设专人配合开展监检工作,及时提供相关资料,为监检人员的监检工作提供必要的条件。
根据施工监检工作情况,需要在现场设立固定办公场所的,应当为监检机构提供必要的办公条件。
1.2对A类监检方式的项目,监检人员需要到现场的,施工单位应当提前通知监检人员,并且约定监检时间。
对A类项目,未经监检确认或者监检确认不合格,施工不得转入下道工序。
1.3施工单位应准备满足额定载荷、1.1倍额定载荷、1.25倍额定载荷(起重机械移装除外)及相应幅度下的最大额定载荷(小车变幅、动臂变幅等起重机械)。
提供、安排移动重物的设备和人员。
2、施工单位资料准备2.1施工单位质量保证手册和相关的程序文件(管理制度)、施工作业(工艺)文件以及相应的施工设计文件。