保温岩棉板技术要求
- 格式:doc
- 大小:180.00 KB
- 文档页数:3
岩棉复合保温板技术要求
1、材料要求
(1)岩棉复合保温板应采用炭素纤维岩棉,骨架材料具有良好的抗压强度和抗拉强度,材料表面应具有良好的平整度和抗腐蚀性能,在常温下无毒、无污染,无易燃性,耐热性好,耐冲击性、耐震动性能高,抗褶皱性能好,并具有良好的韧性。
(2)岩棉复合保温板骨架材料应具有良好的耐湿性、耐温性、耐水性、耐老化性和耐紫外线性能。
(3)岩棉复合保温板的表面涂层应具有良好的防腐蚀性,表面涂层应经过经久耐用的涂层处理,粉末涂层应符合美国AAMA2604标准或者其他国家标准的要求。
2、尺寸及其他要求
(1)岩棉复合保温板的厚度一般在50mm以下,厚度要求要求紧实,且要满足设计要求。
(2)岩棉复合保温板的宽度一般为1000mm,长度一般为3000mm,边缘应平整,无明显的毛刺。
(3)岩棉复合保温板的表面应光滑,无裂纹,无融断痕,无油污,表面应无孔洞。
岩棉复合保温板技术要求
1.材料及组成要求:
岩棉复合保温板的主体材料为岩棉,岩棉应符合国家相关标准的要求,具有一定的密度和强度。
岩棉的含水率应控制在一定范围内,以避免湿度
对保温效果的影响。
同时,岩棉复合保温板的外板材料也需要选择耐候性好、抗渗性强、不易老化的材料,以提高外部保护层的耐用性。
2.厚度要求:
岩棉复合保温板的厚度应根据建筑的保温性能需求来确定,一般要求
在50mm以上。
保温材料的厚度越大,其保温性能越好,但也要考虑与结
构的兼容性。
厚度过大会增加施工难度和造价,同时也会对建筑的自重和
空间利用造成一定的影响。
3.导热系数要求:
4.绝热性能要求:
5.防火性能要求:
6.施工要求:
总之,岩棉复合保温板技术要求涵盖了材料、厚度、导热系数、绝热
性能、防火性能和施工要求等方面。
通过合理的选择和使用,岩棉复合保
温板能够有效地提高建筑物的能源利用效率和舒适性。
岩棉保温施工技术要求一、施工前准备1.确定施工方案和施工图纸,包括保温材料的种类、规格及施工方法等。
2.检查施工现场及基层墙面的情况,确保墙面平整、清洁、无杂物,并处理好墙面破损和渗漏问题。
3.配置好施工所需的工具和设备,如切割机、吹气枪、刷子、梯子等。
二、施工过程1.测量墙面尺寸,根据尺寸切割岩棉保温材料,并保证切割好的材料尺寸精确无误。
2.使用专业的粘结剂或粘结材料,将切割好的岩棉板固定在墙面上,接缝处要进行严密处理。
3.对岩棉板表面进行防水、防潮处理,以保证岩棉保温层的性能稳定。
4.利用吹气枪将岩棉颗粒填充到保温层中,填充均匀、密实,且注意阻止空气的渗透。
5.在岩棉板顶部安装防火、防鼠网,并固定好。
6.对安装完毕的岩棉保温层进行表面整平和清理,确保施工质量和美观度。
三、施工质量控制1.施工过程中严格控制工人操作质量,保证每一道工序的完整和准确。
2.施工现场应保持整洁,施工人员要做好防护措施,避免对岩棉保温层造成损坏。
3.设计、施工单位要严格按照规范和要求进行验收,确保施工质量符合标准。
4.进行保温层检测,测试保温层的导热系数、导热阻、吸音量等性能指标是否达标。
5.若发现施工质量问题,及时整改,确保保温层的使用效果和耐久性。
四、安全注意事项1.施工人员必须佩戴个人防护用品,如安全帽、口罩、手套等。
2.使用切割机等设备时,要注意操作规程,确保人员和设备的安全。
3.施工现场要明确划定安全区域,防止非作业人员进入。
4.施工现场要安装阻燃设备,并做好消防防护措施,保证施工过程的安全性。
以上就是岩棉保温施工技术要求的主要内容,准确遵循这些要求将有助于提高施工质量和保温效果。
岩棉复合保温板技术要求一、产品介绍岩棉复合保温板是由高强度岩棉板和一定强度的防水、防火层,经过无机粘合剂或有机粘合剂复合而成的一种新型保温材料。
其既有良好的保温效果,又具有良好的防火和防水性能,适用于房屋、工业设备、储罐、管道等多种设备和建筑物的保温和防火防水。
二、技术要求1、岩棉板的质量:岩棉板应具有高强度、良好的保温性能、耐腐蚀、防火等性能。
岩棉板的密度应满足设计要求,通常不低于100kg/m32、防火、防水层的质量:防火、防水层的材料应具有良好的防火和防水性能,防水性能应能满足设计和使用要求。
防火、防水层的厚度应均匀,无空鼓、开裂等现象。
3、复合工艺:复合工艺应等温等湿进行,保证岩棉板和防火、防水层的完全附着。
复合面应平整,无空鼓、开裂等现象。
复合后的产品应存放于干燥通风的场所,以免受潮影响性能。
4、干燥收缩率:岩棉复合保温板的干燥收缩率不应超过铺设时的0.5%。
5、复合板的尺寸:复合板的长度和宽度的公差应控制在±5mm以内,厚度的公差应控制在±2mm以内。
复合板的边缘应切割平整,无错位和翘曲现象。
7、运输和存储:岩棉复合保温板在运输和存储过程中,应防止受潮和机械损伤,要求存储在干燥、阴凉、通风的场所。
三、施工注意事项1、施工前应检查岩棉复合保温板的质量,包括:尺寸、密度、防火防水性能等。
2、复合板的铺设应严格按照设计要求进行,保证各层的垂直度和平整度,缝隙应均匀填塞。
3、复合板的接缝应采用交错接缝法,避免冷热桥的形成。
4、复合板的固定应采用专用固定件,避免导致板材的损坏。
5、复合板的保护应采取适当的措施,防止施工过程中受到机械损伤和环境影响。
6、施工完毕后应进行自检和验收,确保复合板的质量和性能达到设计和使用要求。
总之,岩棉复合保温板技术要求严谨,旨在保证其优良的保温、防火及防水性能,提高建筑物的综合使用性能,保证建筑物安全、舒适、节能,避免由于保温系统的问题导致的质量事故的发生。
保温岩棉板技术要求岩棉板是一种常用的保温材料,具有优良的保温性能和防火性能。
在施工过程中,为了保证岩棉板的质量和保温效果,需要遵循一定的技术要求。
以下是对岩棉板技术要求的详细介绍。
2. 岩棉板的厚度、密度和热导率应满足设计要求。
一般来说,岩棉板的导热系数应小于0.044W/(m·K),密度应在60~100kg/m³之间,厚度根据实际需求确定。
3. 岩棉板的尺寸应符合规范要求,一般常用的规格为1200mm*600mm,厚度自5mm至200mm不等。
在施工过程中,需要根据实际需要进行切割和拼接。
4.岩棉板应具有良好的抗压强度和抗拉强度,以确保施工过程中的机械损坏和外力影响不会破坏岩棉板的保温性能。
一般来说,岩棉板的抗压强度应大于40kPa,抗拉强度应大于15kPa。
5.岩棉板应具有良好的防潮性能,避免水分进入岩棉板内部导致保温性能下降。
在安装过程中,需要保持施工现场的干燥,并确保岩棉板与水源之间有足够的距离。
6.岩棉板的表面应平整光滑,没有明显的凹凸和破损。
在施工过程中,应提前做好墙面处理工作,避免岩棉板的不平整对安装质量产生影响。
7.在安装过程中,应采用专用的粘接剂和固定件对岩棉板进行固定,确保岩棉板与建筑物之间的耐久性。
粘接剂和固定件的选择应符合岩棉板的技术要求和设计方案。
8.施工过程中应注意岩棉板的保护,避免物理损坏和污染。
在施工完成后,应做好岩棉板的保护工作,避免岩棉板受到外界因素的影响。
9.岩棉板的施工应符合相关的安全规范和施工规范,保证施工过程的安全性和质量。
综上所述,岩棉板的技术要求主要包括标准符合、厚度、密度、热导率、尺寸、抗压强度、抗拉强度、防潮性能、表面平整性、固定和保护等方面。
在施工过程中,按照技术要求进行施工,以确保岩棉板的质量和保温效果。
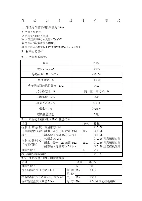
保温岩棉板技术要求1、外墙用保温岩棉板厚度为60mm。
2、外墙A2T的注:1)岩棉板双面刷界面剂;2)加强型玻纤网格布质量≥200g/M23)岩棉板抗拉强度应≥10KPa;4)岩棉板导热系数按1.15*0.04=0.046W/(m?K计算)3、材料性能指标3.1.技术性能要求:项目指标密度,kg∕m3 ≥140导热系数,W/(m?K)≤0.04酸度系数,% ≥1.8垂直于表面的抗拉强度,kPa ≥10尺寸稳定性,% 高、宽、厚均≤1.0压缩强度,kPa ≥40质量吸湿率,% ≤1.0憎水率,% ≥98.0燃烧性能级别A级3.2、聚合物粘结砂浆(DEA)性能指标项目单位指标拉伸粘结强度(与水泥砂浆试块)常温常态14dMPa≥0.70 耐水(浸水48h 放置24h)≥0.50 耐冻融(冻融循环25次)≥0.50拉伸粘结强度(与岩棉板)常温常态14dMPa≥0.80且岩棉板破坏耐水(浸水48h 放置24h)≥0.30且岩棉板破坏耐冻融(冻融循环25次)≥0.30且岩棉板破坏可操作时间h ≥2 抗压强度/抗折强度-≤3.0 3.3、抹面砂浆(DBI)的技术要求项目单位指标可操作时间h ≥2拉伸粘结强度(常温28d)与水泥砂浆Mpa >0.5浸水粘结强度(常温28d,浸水7d)Mpa >0.3拉伸粘结强度(常温28d)与岩Mpa ≥0.10或岩棉板破坏浸水粘结强度(常温28d,浸水7d)棉板Mpa ≥0.10或岩棉板破坏压折比(抗压强度/抗折强度)-- ≤3渗透压比% ≥2003.4耐碱玻纤网格布技术要求项目指标单位面积质量(g/m2)≥160断裂应变% ≤5耐碱断裂强力保留率(经纬向)% ≥50耐碱断裂强力(经纬向)(N/50mm)≥750。
岩棉保温技术规范
古建筑外墙用岩棉板国标是GB/T25975-2010;建筑幕墙用岩棉板国家标准是GB/T25975-2005。
外墙保温岩棉板外墙保温岩棉板为外墙保温专用岩棉板,A 级不燃性防火保温材料,较高的抗压和抗拉伸强度、较低的吸水和吸湿性、尺寸稳定性良好、不会产生热膨胀或收缩、耐老化等优点。
外观质量:板面平整,无明显凹凸、翘曲、变形;表面清洁,色泽均匀,无胶痕、油污;无明显划痕、磕碰、伤痕等;切口平直,切面整齐,无毛刺;面材与芯材之间粘结牢固,芯材密实。
扩展资料
注意事项
1.要注意防雨,不能在雨天施工。
2.用于保冷必然要在加防潮层,在温度特殊低的状况下,用不含树脂的岩棉进行绝热,其防潮层也必需是防火的。
3.当温度超过一定的温度,比如:200℃ 时,保温必需加适宜的外护,这样就不会使岩棉板厚度和容重发生转变。
4.有关大直径和平壁设备用岩棉成品保温,超越200℃ 时,一定要谨记岩棉板生产厂家的叮嘱:加保温钉,(间距400mm左右 )外护要贴紧。
5.需保温的设备、保温钉以及管道为利于防腐,可接纳恰当
涂层。
另外应没有任何走漏的地方。
这样可以达到更好的效果。
6.岩棉板成品在室外保温的情况下易受机械磨损的应宜用金属或塑料包皮,然后留意接头的地方,接缝的密封,需要时加胶质封条,包裹层堆叠局部不小于100mm
7.当保温对象呈90度放置,且有一定的高度时,岩棉板的保温层必然要有定位销或支承环,间距一定不要大于3米,以防保温资料在有震动时向下滑动。
8.为了可以达到热损掉最小目标,岩棉板和毡的接头一定要对接严密,如果有多层保温时各个十字接缝需要交织开来,以免构成热桥,在保冷时必须根绝冷桥。
岩棉保温施工技术要求一、施工前的准备工作1.施工前应对施工现场进行勘测,了解结构形式、保温厚度、尺寸等参数,为施工做好准备。
2.施工前应制定详细的施工方案,包括施工工艺、施工工序及施工要求等,并安排专人负责施工组织和监督。
3.准备施工所需的材料和工具,确保材料的质量符合要求,工具齐备。
二、施工过程中的注意事项1.在进行施工前,应对墙体表面进行处理,包括清洁和防水处理等,确保基层牢固、干燥无尘。
2.进行岩棉板的处理,包括切割、修整、打一字牙等,确保板材的尺寸合适,并能与墙体紧密贴合。
3.进行岩棉板的固定,常用的固定方法包括使用抓钉墙钉、设置金属龙骨等,确保岩棉板能够牢固地固定在墙体上。
4.进行胶粘剂的施工,应选择环保、粘结力强的胶粘剂,并按照施工要求进行涂抹,避免出现过厚、起皱等现象。
5.进行岩棉板之间的衔接,应采用搭接或缝隙留缝方法,确保衔接部位的密封性和保温性能。
6.进行保护层的施工,保护层一般采用聚合物水泥砂浆、矿渣质水泥砂浆等材料,应按照施工工艺要求进行涂抹和养护。
三、施工后的验收标准1.施工完成后,应进行保温层的厚度测量,厚度应符合设计要求。
2.对保温层的平整度和表面质量进行检查,不得有明显的麻面、泡孔、起皱、掉灰等现象。
3.检查保温层与墙体之间的粘结情况,不得有空鼓、脱落等现象。
4.进行保温层的综合性能检测,如保温性能、防火性能、隔声性能等,检测结果应符合相关标准要求。
5.检查保温层的防护层质量,不得有开裂、掉层等现象。
以上是岩棉保温施工技术要求的详细介绍,通过合理的施工准备、注意施工过程中的细节和进行施工后的验收,可以确保岩棉保温施工的质量和效果。
保温岩棉板技术要求在现代建筑行业中,保温岩棉板因其优良的保温、隔热、隔音等性能而广泛应用。
以下是关于保温岩棉板的一些技术要求:1、材料:保温岩棉板的主要材料是天然岩石。
为了使岩棉板有良好的保温和防火性能,必须选用优质的原料,并且要经过高温熔融后,通过离心装置制成岩棉,然后通过压力处理,把岩棉压成板状或瓦状。
2、产品标准:保温岩棉板的产品标准主要包括密度、厚度、尺寸等。
在选择保温岩棉板时,除了要根据建筑物的用途和实际需求选择合适的规格外,还要考虑保温岩棉板的性能和购置成本。
3、性能要求:保温岩棉板必须具备良好的保温性能、良好的防火性能和良好的耐久性。
其中,保温性能是保温岩棉板最基本的性能,它能有效地防止建筑物的热量损失;防火性能则是保证建筑物安全的重要性能,它可以防止火焰的蔓延;耐久性是保证保温岩棉板能长期使用的关键,它可以防止因气候变化和人为因素等导致的损坏。
4、安装要求:安装保温岩棉板时,要严格按照设计图纸和相关规范进行。
一般来说,首先要将墙面清洁,然后在墙面上打上底层砂浆,再将保温岩棉板均匀地贴在底层砂浆上,最后涂上面层保护砂浆。
5、质量控制:为了确保保温岩棉板的质量,需要在生产、安装和使用过程中进行严格的质量控制。
包括选用优质原料,控制生产过程,检测产品性能,及时处理问题,定期进行性能检测和维护保养等。
6、环保要求:保温岩棉板在生产和使用过程中,要考虑到对环境的影响,严格按照环保法规和标准进行。
包括控制生产过程中的废物排放,提高资源利用效率,使用环保型包装材料,减少废弃物产生等。
总的来说,保温岩棉板的技术要求具体包括材料选用、产品标准、性能要求、安装要求、质量控制和环保要求等多个方面。
这些技术要求是保证保温岩棉板能满足建筑保温需求,提高建筑物的能源效率,保护建筑物的安全,延长建筑物的使用寿命,减少对环境的影响的重要前提。
因此,在生产和使用保温岩棉板时,必须严格按照这些技术要求进行。
保温岩棉板技术要求
一、选材要求
1.保温岩棉板应为符合相关国家标准的产品,具有统一的品质和性能。
2.原材料应选用具有良好的耐热性和耐受腐蚀性能的矿石纤维。
3.保温岩棉板应具有一定的抗压强度和耐久性,能够满足建筑物的使
用要求。
二、施工要求
1.应先进行现场测量和勘探,确定保温岩棉板的规格和数量。
2.在安装保温岩棉板之前,施工现场应保持清洁,无尘、无污染。
3.保温岩棉板的安装应均匀、密实,板与板之间不得留有缝隙。
4.喷涂粘结剂时应均匀涂抹,严禁出现漏涂、滴涂和结块。
5.保温岩棉板应牢固固定在建筑物的外墙或屋顶上,确保其稳定性和
安全性。
三、验收要求
1.施工完工后应及时进行质量验收,确保保温岩棉板的施工质量。
2.保温岩棉板的厚度、平整度和外观质量应符合相关的标准和要求。
3.检测保温岩棉板的导热系数,必须低于设计要求值,以确保其保温
效果。
4.要求施工方出具保温岩棉板的质量合格证明,并按照相关标准和规
范进行归档保存。
四、其他要求
1.保温岩棉板在运输、存储、施工过程中,应注意防潮、防火和防震。
2.保温岩棉板的施工应符合建筑施工的相关规定和安全要求,严禁存
在安全隐患。
3.在使用保温岩棉板进行施工时,应遵循相关防护措施,保证施工人
员的安全。
综上所述,保温岩棉板的技术要求主要包括选材要求、施工要求、验
收要求和其他要求。
严格按照这些要求进行施工,可以确保保温岩棉板的
质量和施工效果。
这些技术要求是保障建筑物保温效果和使用安全的重要
保证。
《岩棉板外保温墙技术要求》一、材料1.岩棉板外保温体系所选用的材料应符合国家现行产品标准的规定,并应有出厂合格证。
2.岩棉板外保温体系所选用材料的物理性能指标应经法定检测机构检测确定,并应符合设计要求。
3.胶粘剂应有与所接触材料的相容性试验报告。
玻纤网应有成分化验报告和保质年限证明。
4.锚栓应由塑料钉或具有防腐性能的金属螺钉和带圆盘的塑料膨胀套管构成。
5.锚栓的规格应符合以下要求:5.1外径工程直径为8mm;5.2进入基层墙体的有效锚固长度不应小于25mm;5.3锚栓长度应等于岩棉板板的厚度与锚固长度之和;5.4塑料圆盘的直径宜为50mm。
6.单个锚栓的抗拉承载力标准值不应小于0.6KN。
7.配置抹面胶、胶浆用的水泥基材料,宜用425#硫铝酸盐水泥或32.5、42.5强度等级的硅酸盐水泥、普通硅酸盐水泥。
并应分别符合国家建材行业标准《快硬硫铝酸盐水泥》JC714和《硅酸盐水泥、普通硅酸盐水泥》GB175的规定。
8.抹面胶浆与岩棉板粘接时,其拉伸粘接强度(包括耐水和耐冻融)不应小于0.1Mpa。
9.抹面胶浆应具有良好的柔韧性。
用水泥基材料配置的抹面胶浆,其抗压强度与抗拉强度的比值不应大于3;用非水泥基配置的抹面胶浆,其开裂应变值不应小于1.5。
10.抹面胶浆的可操作时间不应小于2h,且不宜大于4h。
11.玻纤网的性能除应满足《耐碱玻璃纤维网格布》JC/T841的规定外,尚应符合表3.6.1的要求。
12.岩棉板板外保温体系所用的附件(包括密封膏、密封条、包角条、包边条、盖口条等)应分别符合相应产品标准的要求。
二、构造要求1.岩棉板板的铺设应符合下列要求:1.1竖缝应错开;1.2竖缝距外墙外侧或门窗洞口边的距离不应小于600mm;1.3结构变形缝处岩棉板板之间应留不小于20mm的间隙。
2.岩棉板板与基层墙体宜采用点条式粘接法,并符合下列要求:2.1每块岩棉板板周边宜为条式粘接,其粘接宽度不宜小于50mm;2.2每块岩棉板板内为点式粘接,粘接点宜均匀布置,直径宜为50~100mm,中心距不应不大于300mm;2.3每块岩棉板板与基层墙体的粘接面积率不应小于0.3。
岩棉保温施工技术要求一、编制依据《岩棉板外墙外保温系统应用技术规程》《民用建筑热工设计规范》GB 50176《建筑节能工程施工质量验收规范》GB 50411《建筑装饰装修工程质量验收规范》GB 50210使用范围:外墙及屋面保温二、施工准备1.物资准备:本工程采用憎水岩棉板,规格、厚度、容重符合图纸设计要求,根据进场时间要求,按约定的材料品牌、型号进行订购,按工程进度分批进场,并向甲方、监理方提供材料的合格证、质保书及其检验资料。
2.主要施工设备及施工工具:吊篮或脚手架、砂浆搅拌机、手提式电动搅拌器、专用切割工具、角磨机、常用抹灰工具及抹灰的专用检测工具、冲击钻、电锤、手锤、经纬仪及放线工具、自动安平标注仪、塑料软管、螺丝刀、美工刀、拉线、弹线墨盒、2m靠尺、塞尺、钢尺等。
三、施工条件1.施工环境、基底及使用材料的温度不应低于5℃。
2.不应在大风或烈日曝晒下施工,以避免材料在施工过程中失水过快而出现毛细裂缝。
3.注意天气变化,在材料尚未硬化时避免雨水冲刷。
4.对建筑物的基本要求:1)墙体的湿度不应高于其与环境的平衡湿度。
2)墙体表面不得有污迹、灰尘、油污等。
3)墙体应具有足够的强度,墙体表面具有足够的附着力(≥0.3N/m㎡)无开裂空鼓。
4)墙面的平整度,垂直度应达到《混凝土结构工程施工质量验收规范》(GB50204-2002)和《砌体工程施工质量验收规范》(GB20203-2002)的要求。
5)孔洞开凿准确齐全避免保温施工后再进行。
外保温工程施工前,外门窗洞口应通过验收,洞口尺寸、位置应符合设计要求和质量要求,门窗框或辅框应安装完毕。
外墙面上的雨水管卡、预埋铁件、设备穿墙管道等应提前安装完毕,上述部位及窗口应预留出保温层的厚度。
6)设计及其它施工预先考虑到外保温体系施工所需厚度及施工后所带来的外观变化。
四、施工工艺1.基层墙体处理应符合下列要求:1)基层表面应清洁,无油污、蜡、脱模剂、涂料、风化物、污垢、霜、泥土等其他妨碍粘结的材料。
外墙岩棉保温板的施工工艺要求一、基层处理:1.外墙基层应平整、坚固、无脱层、裂缝和灰尘等杂物,严禁有明显凹陷或突起。
2.基层表面含水率应小于8%,并符合防水层施工要求。
二、设备和工具:1.施工需要使用的设备有:开槽机、泵、喷涂机、切割机、搅拌机等。
2.工具包括:刷子、锤子、抹子、镘刀、扳手等。
三、安全措施:1.施工时要使用安全带和安全网,严禁高空作业时站立于保温板上。
2.使用机械设备时要熟悉操作规程,并戴上防护眼镜和手套。
3.施工现场要保持整洁,及时清理杂物和积水。
四、保温板的安装:1.首先,在墙面上进行水平和垂直的标线,确定保温板的安装位置。
2.使用开槽机在保温板上开槽,槽深为板厚的1/3,槽宽为管道直径的2倍。
3.在开槽的槽底涂抹专用的粘结剂,然后将保温板按照标线进行粘贴。
4.保温板的安装应均匀、密实,板与板之间不能有缝隙。
5.安装过程中要留出门窗洞口和外墙凸出的部分,使用切割机进行切割。
6.特殊部位如拐角处,要使用专用的连接件进行固定。
五、保温板的涂抹:1.使用搅拌机将防火耐盐水性外墙岩棉抗裂砂浆和水按照一定比例进行搅拌。
2.将搅拌好的砂浆放入喷涂机中,进行均匀的喷涂。
3.喷涂时,要保持均匀、连续、无漏涂,确保保温板的整体性和防水性。
4.喷涂完成后,用刷子将砂浆刷匀,使表面平整、光滑。
六、保温板的验收:1.完工后,检查墙面是否平整、垂直,是否符合设计要求。
2.检查保温板与板之间是否有缝隙,是否牢固。
3.检查保温层是否均匀,无起泡、开裂、空鼓现象。
七、工程竣工验收:1.确保保温板和涂层达到设计要求,并符合相关标准。
2.检查保温层的厚度是否符合设计要求。
3.检查保温层的各项性能是否满足要求。
4.检查外墙的外观质量是否符合要求。
岩棉板外墙外保温系统应用技术规程
一、系统原理
在外装有岩棉板外墙外保温系统,它是利用岩棉板单元块组成的一种外保温系统。
该系统以岩棉板对外围环境空气、风、雨及日晒等影响保温、保湿、防水、防风,来降低外墙表面的温度,减少外牆极大的热量损失,同时可以保持室内的温度、湿度,达到节能的目的。
二、施工要求
1、岩棉板的选择:岩棉板的质量应符合国家有关标准的规定。
其厚度、外形应满足设计要求并严格按图进行施工,同时,岩棉板安装时应保持良好的水平和竖向配合,以免造成土层失真、水泄漏等问题。
2、安装要求:岩棉板的安装首先应进行打底层,如若厚度超过1.5cm,应加设方板支撑;余地施工安装时,除止油污面积的施工点,其他部位应将岩棉板对准外墙,并且固定以确保不位移;施工过程中,岩棉板长宽间距不少于10mm,而多边角部位宽间距不少于20mm,以保证岩棉板施工后充分承载外墙表面的荷载;施工时应认真垫垫绝缘材料,以防空气渗漏和热漏;固定时,采用腻子或水泥砂浆来满足密封,以防止渗漏。
3、施工过程中,应加强施工、管理、质量控制。
除此之外,在岩棉板安装的施工过程中,还应注意采用质量上乘的材料,以达到最佳的保温节能效果。
三、维护要求
1、现场应保持环境的干燥。
及时处理潮湿区,尽量减少湿温的变化,以免影响板材的运用寿命。
2、密封地面,应以腻子或粘胶灌封,以免流水影响板材,造成开裂。
3、岩棉板运用环境太湿时,应及时除湿,以防结霉,变色,破坏外观效果。
4、定期检查岩棉板,如检查发现有松动现象,应及时加固,以免影响使用效果。
5、水洗岩棉板表面时,应使用弱碱性洗涤剂,以免洗涤过量,影响岩棉板的特性,达不到新建的保温效果。
岩棉保温板材料性能与施工技术一、设计、施工及验收依据本工程采用的建筑材料、施工工艺、工程质量必须达到设计图纸、现行国家、行业及地方工程建设规范、标准、图集的要求,包括但不限于:注:(1)当规范或标准有冲突时,执行相对严格的条款。
(2)上述规范和标准的版本以现行有效版本为准(3)未提及事项,以甲方书面解释为准。
二、主要材料选用标准说明1、本工程外墙、架空或外挑楼板均采用100厚岩棉板作为保温材料。
2、外墙保温做法选用13BJ2-12图集外墙A5做法,分层做法为:(1)涂料饰面(2)抹4-6厚专用抹灰砂浆,内压入一层玻纤网格布(3)锚栓锚固一层玻纤网格布,每平米≥6个锚栓(4)DEA砂浆粘贴100厚岩棉板,粘贴面积≥60%(5)5-12厚DP砂浆找平(6)基层墙体墙面3、架空或外挑楼板做法选用13BJ2-12图集棚温5做法,分层做法为:(1)钢筋混凝土楼板(2)φ8胀管螺钉锚钉100厚岩棉板(3)抹3-5厚DBI 砂浆,中间压入一层玻纤网格布(4)刮腻子、喷涂料4、材料要求:(1)岩棉板:导热系数≤0.040W/m.k,燃烧性能A级。
(2)胶粘剂应与保温板相容,且进场复试合格。
(3)抹面砂浆应与保温板相容,且场复试合格。
(4)玻纤网场复试合格。
(5)锚栓技术要求为:符合现行行业标准《外墙外保温用锚栓》JG/T366的规定。
岩棉板性能指标聚合物粘结砂浆(DEA)性能指标抹面砂浆(DBI)的技术要求耐碱玻纤网格布技术要求三、主要技术标准(1)施工准备:①材料进场应对品种、规格、外观和尺寸等进行验收,并应经监理工程师(建设单位代表)确认,形成相应的验收记录。
②进入施工现场的保温板及系统组成材料应附有出厂合格证书和相关性能检测报告,并按本规程的规定进行复验,复验应见证取样。
复验不合格的严禁在工程中使用。
③施工前准备工作:门窗洞口应通过验收,洞口尺寸、位置应符合设计和质量要求。
门窗框、各种管线、落水管支架、预埋件等构件应安装完毕。
岩棉保温施工规范岩棉保温施工规范岩棉是一种常用的保温材料,它具有良好的保温性能和隔热性能,被广泛应用于建筑物的外墙保温、屋顶保温、地板保温等方面。
为了保证岩棉保温施工的质量和安全,需要按照以下规范进行施工。
1. 原材料选用和检查选择质量可靠的岩棉材料,并检查其质量是否合格。
岩棉应具有一定的压缩弹性和良好的抗拉强度,同时要求岩棉纤维不易脱落、不易燃烧,并且具有一定的防水性能。
2. 施工前的准备工作清理施工现场,确保施工环境整洁,并妥善保管好施工工具和设备。
同时,做好相关工作人员的安全防护措施,配备必要的防护用品。
3. 岩棉板的安装将岩棉板按照设定的位置进行拼接固定,要求拼接缝处要平直、牢固,尽量避免留有间隙。
拼接处可以使用专用的岩棉板粘结剂进行固定。
4. 岩棉板的切割和修整岩棉板的切割应采用专用的切割工具,保持切缝边缘光滑整齐,尺寸准确。
切割后的岩棉板表面应平坦无毛刺,无斜角。
5. 固定件的安装在岩棉板上根据需要预埋固定件,确保其位置准确,固定牢固。
6. 岩棉表面处理岩棉板表面要求坚实平整,不得有明显的凸起或凹陷。
如有不平整的情况,应进行修整,并保持表面干燥清洁。
7. 防火防腐处理岩棉保温施工完成后,应按照要求进行防火防腐处理。
可以使用专用的防火涂料对岩棉表面进行涂刷,以增强其防火性能。
同时,可以对岩棉施加适当的防腐剂,以延长其使用寿命。
8. 施工过程中的安全措施在岩棉保温施工过程中,要注意安全措施的落实。
确保工人佩戴好安全帽、口罩、手套等防护用品,并配备好灭火器等应急设备。
9. 施工结束后的清理工作岩棉保温施工结束后,要及时清理施工现场,清除垃圾和建筑废料,使现场保持整洁。
10. 施工验收施工完成后,进行岩棉保温工程的验收,确保施工质量符合相关标准和规范要求。
如有不符合的地方,要及时进行修整或更改。
综上所述,岩棉保温施工应按照相应的规范进行,保证施工质量和安全。
只有合格的施工才能确保岩棉保温材料的性能和使用寿命,为建筑提供良好的保温效果。
岩棉复合保温板技术要求一、材料选用1.岩棉:应选择密度适中、导热系数较低的优质岩棉作为保温材料。
2.胶水:应选择具有良好粘结性、耐候性和抗水溶性的耐高温胶水。
3.外墙保温板:应选用抗压、防水、耐候性好的耐候性外墙保温板。
二、施工准备1.施工人员应进行专业培训,掌握岩棉复合保温板施工技术要点。
2.施工现场应具备良好的通风条件,并做好防护措施,防止岩棉纤维对人体的刺激。
3.施工前应确认施工墙体结构稳固,墙面干净平整,无杂质。
三、施工工艺1.钢砂打磨:施工前先对墙面进行清理与处理,清除灰尘、松散材料,确保墙面平整。
2.铺贴保护层:在墙面上铺贴一层耐候性保护层,保护岩棉不受外界环境的侵蚀。
3.衬托线安装:按照设计要求,在保护层上安装好衬托线,为保温板的安装提供参照线。
4.移位定位:将岩棉复合保温板依次搬运到施工现场,并按照设计要求进行定位。
5.粘贴胶水:在墙面和保温板的接触面上均匀涂布耐高温胶水,确保保温板与墙体紧密连接。
6.固定保温板:将涂有胶水的保温板按照参照线进行搭接、压贴,然后用专用夹具固定。
7.外墙保温板安装:在保温板固定后,进行外墙保温板的安装,确保墙面平整、无缝隙。
8.细部处理:对墙角、门窗洞口等细部进行特殊处理,确保保温系统的完整性。
9.封缝处理:对保温板之间的缝隙进行密封处理,防止水分和空气的渗透。
四、验收标准1.规格尺寸:保温板尺寸应符合设计要求,大小一致,无断裂、破损情况。
2.粘贴牢固:保温板与墙体之间粘接牢固,无空鼓、脱落现象。
3.表面平整:保温板表面平整,无凹凸、起翘、鼓包等缺陷。
4.缝隙密封:保温板之间的缝隙密封良好,无漏风、漏水现象。
5.外观质量:保温板外观整齐、美观,颜色均匀一致。
通过以上技术要求的落实,可确保岩棉复合保温板施工质量和使用效果,提高建筑物的保温性能和耐久性。
同时,施工单位在施工过程中应注意安全措施,确保工人的人身安全,保证施工质量。